均匀设计
- 格式:pptx
- 大小:137.69 KB
- 文档页数:17
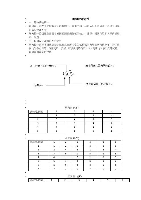
•均匀设计方法•一、均匀试验设计•均匀设计是在正交试验设计的基础上,创造出的一种新适用于多因素、多水平试验的试验设计方法。
•均匀设计特别适合需要考察因素因素变化范围较大,且每个因素有较多水平的试验设计问题。
•二、均匀设计及均匀表的使用•均匀设计的基本思想就是让试验点在所考察的试验范围内尽量均匀地分布,为了达到均匀布点目的,与正交设计类似,可以使用均匀设计表(简称均匀表)安排试验,均匀表的表头形式是:••••4••正交表U6••正交表U6•••三、均匀表的特点• 1.任何一列,各水平仅出现一次;• 2.任何两列同行数码构成的有序数对仅出现一次;• 3.均匀表中任两列组成的试验方案不等价; 因此,每个均匀表都附加了使用表,告诉我们如何挑选相应的列按排试验。
• 4.当因素的水平数增加时,试验次数按水平数增加;• 5.使用表最多可安排的因素数都比均匀表列数少。
只能安排(s/2+1)个因素•四、用均匀表安排试验的步骤• 1.根据试验的目的,确定考察的指标;• 2.选择合适的因素和因素的考察范围;• 3.选择合适该项试验的均匀表,然后根据该表的使用表从中选出列号,将因素分别安排到相应的列号上;• 4.确定各因素的水平,并将这些因素的水平按所在列的指示分别对号号入座。
最后进行试验。
• 5.对实验结果进行分析,确定最佳的试验方案。
•例1.在阿魏酸的合成工艺考察中,选取原料配比,吡啶量,反应时间三个因素进行考察,试验的考察指标是阿魏酸的收率。
因素的变化范围如下:•原料配比A:1.0~3.4•吡啶量B:10~28(ml)•反应时间C:0.5~3.5(hr)•试用均匀设计安排试验。
•解:对于三个因素,s/2+1=3,求出s=4或5,考虑试验的承受程度,选用U7(76)均匀表安排试验,根据各因素的变化范围,划分因素水平表如下:••由U7(76)均匀表的配套使用表可知,应选1,2,3列,因而得下面的试验设计表:••将各因素所对应的水平值填入表中,得试验表如下,按试验表中每个试验的条件安排试验,将所得结果填入表最右列。
均匀设计和正交设计的比较均匀设计(Uniform Design)和正交设计(Orthogonal Design)是两种常用的实验设计方法,用于确定影响因素和因变量之间的关系,以及确定最适合的因素水平。
下面将对这两种设计方法进行比较。
1.定义和原理:-均匀设计:均匀设计是一种实验设计方法,旨在通过选择一系列设计点,在全区间内均匀覆盖因素水平的组合,从而得到最优的判别能力和推断效果。
-正交设计:正交设计是一种实验设计方法,它通过将影响因素的各个水平进行组合,使得各个因素及其交互作用之间的关系得以均匀分布,从而有效地降低测量误差和背景干扰。
2.设计要素数量:-均匀设计:均匀设计要求设计点之间具有相似的分布规律,通常需要更多的设计点来达到均匀覆盖的目的。
-正交设计:正交设计要求因素水平之间的关系在各个方向上都是均匀分布的,因此设计所需的样本数量通常比均匀设计少。
3.因素水平组合:-均匀设计:均匀设计通过选择各个因素的水平组合来实现因素与因变量之间的关系研究,可以包含更多的因素和水平数,但样本点之间的因素水平组合可能会重复。
-正交设计:正交设计通过选择各个因素水平组合的方式来实现因素与因变量之间的关系研究,可以保证不同因素之间的水平组合均匀分布,从而减少重复度。
4.探索和解释能力:-均匀设计:均匀设计具有较高的探索性能,因为它能够覆盖全区间的因素水平组合,可用于快速筛选和发现影响因素。
-正交设计:正交设计具有较高的解释能力,因为它能够有效地区分主要因素和交互作用,从而更加精确地解释因果关系。
5.应用场景:-均匀设计:均匀设计适用于对影响因素的探索性研究、多因素筛选和较小样本量的试验设计。
-正交设计:正交设计适用于影响因素的优选、因素交互作用的分析、样本容量要求相对较高的试验设计。
总结来说,均匀设计和正交设计是两种不同的实验设计方法,各自具有不同的优势和适用场景。
均匀设计适用于探索性研究、多因素筛选等,而正交设计适用于因素优选和因素交互作用的分析。
均匀设计法名词解释
均匀设计法是一种试验设计方法,它的设计点在试验范围内均匀散布。
该方法由方开泰教授和数学家王元在1978年共同提出,是数论方法中的“伪蒙特卡罗方法”的一个应用。
在科学研究和技术开发中,常常需要进行试验设计来探究不同因素对试验结果的影响。
试验设计的目的在于最小化试验次数和最大化试验信息的收集。
均匀设计法是一种有效的试验设计方法,它可以在试验点均匀散布的条件下,最小化试验次数,同时收集到足够的试验信息。
均匀设计法的优点在于它可以减少试验次数,提高试验效率,同时还可以均匀散布试验点,使试验结果更具代表性。
此外,均匀设计法还可以筛选关键因素,帮助研究人员更好地理解试验结果。
在均匀设计法中,每个因素的水平都被均匀地分配到试验中的各个点。
这使得每个试验点的数据都能够提供关于该因素的信息,从而使得在较少的试验次数下获得足够的信息成为可能。
总的来说,均匀设计法是一种有效的试验设计方法,可以帮助研究人员在较少的试验次数下收集到足够的试验信息,同时还可以提高试验效率并筛选关键因素。
均匀设计(Uniform Design),又称均匀设计试验法(Uniform Design Experimentation)),或空间填充设计,是一种试验设计方法(Experimental Design Method。
它是只考虑试验点在试验范围内均匀散布的一种试验设计方法。
它由方开泰教授和数学家王元在1978年共同提出,是数论方法中的“伪蒙特卡罗方法”的一个应用。
1简介所有的试验设计方法本质上都是在试验的范围内给出挑选代表性点的方法,方开泰、王元完成的“均匀试验设计的理论、方法及其应用”,首次创立了均匀设计理论与方法,揭示了均匀设计与古典因子设计、近代最优设计、超饱和设计、组合设计深刻的内在联系,证明了均匀设计比上述传统试验设计具有更好的稳健性。
该项工作涉及数论、函数论、试验设计、随机优化、计算复杂性等领域,开创了一个新的研究方向,形成了中国人创立的学派,并获得国际认可,已在国内外诸如航天、化工、制药、材料、汽车等领域得到广泛应用。
2提出均匀设计是继60年代华罗庚教授倡导、普及的优选法和我国数理统计学者在国内普及推广的正交法之后,于70年代末应航天部第三研究院飞航导弹火控系统建立数学模型、并研究其诸多影响因素的需要,由中国科学院应用数学所方开泰教授和王元教授提出的一种试验设计方法。
均匀设计是统计试验设计的方法之一,它与其它的许多试验设计方法,如正交设计、最优设计、旋转设计、稳健设计和贝叶斯设计等相辅相成。
我们知道,试验设计就是如何在试验域内最有效地选择试验点,通过试验得到响应的观测值,然后进行数据分析求得达到最优响应值的试验条件。
因此,试验设计的目标,就是要用最少的试验取得关于系统的尽可能充分的信息。
均匀设计即可以较好地实现这一目标,尤其对多因素、多水平的试验。
3原理分布理论均匀设计的数学原理是数论中的一致分布理论,此方法借鉴了“近似分析中的数论方法”这一领域的研究成果,将数论和多元统计相结合,是属于伪蒙特卡罗方法的范畴。
均匀设计的基本步骤
均匀设计是一种实验设计方法,用于在有限次试验中寻找最佳的试验条件。
以下是均匀设计的基本步骤:
1.确定实验目的和响应变量:首先需要明确实验的目的,确定要研究的响应变量,以便于确定实验的主要内容和目标。
2.确定实验因素和水平:根据专业知识和实际经验,选择对响应变量影响较大的因素作为实验因素。
根据实际情况和历史数据,为每个实验因素选择适当的水平。
3.制定均匀设计表:根据实验因素和水平的数量,选择合适的均匀设计表进行实验。
均匀设计表是一种特殊的矩阵,用于安排实验并确保各因素水平在实验中均匀分布。
4.安排实验:根据均匀设计表,安排实验的具体实施方案。
确保每个实验条件只被试验一次或多次,以确保结果的准确性。
5.收集数据:按照实验方案进行实验,并记录各实验条件下的响应变量值。
6.分析数据:对收集到的数据进行分析,探索各因素与响应变量之间的关系。
可以采用回归分析、方差分析等方法进行数据分析。
7.优化条件:根据数据分析结果,选择最优的实验条件进行进一步优化。
这可能涉及对实验方案进行调整或重复试验。
8.验证和确认:对优化后的条件进行验证和确认,以证明其在实践中具有可行性和有效性。
9.总结和报告:整理实验过程和结果,编写详细的实验报告,总
结实验的经验和教训,并提出改进意见和建议。
以上步骤是一个典型的均匀设计过程的基本流程。
具体的实施过程中,可以根据实际需求和条件进行调整和优化。
均匀设计名词解释
嘿,你知道啥是均匀设计不?这可不是一般的概念哦!均匀设计就
像是一场巧妙安排的“布局游戏”。
比如说吧,你要给一群小朋友分糖果,怎么分才能让每个小朋友都觉得公平合理,而且又不会太麻烦呢?这就需要均匀设计啦!
它是一种实验设计方法,能在各种复杂的情况下找到最优的方案。
好比你在走迷宫,均匀设计就是帮你找到那条最快捷、最靠谱的出路。
想象一下,你是个大厨,要准备一道超级美味的菜肴。
你有很多种
食材可以选择,每种食材的用量也有很多可能。
如果靠瞎蒙乱试,那
得浪费多少时间和食材呀!但有了均匀设计,就像是有了一张神奇的
地图,能指引你快速找到最佳的搭配和用量。
咱再说说实际应用,在很多领域都能看到均匀设计的身影呢!比如
在工业生产中,怎么让生产过程更高效、更节能?均匀设计就能发挥
大作用。
它能帮工程师们找到最合适的参数组合,让产品质量更好,
成本更低。
在科学研究中,均匀设计也是个得力助手。
研究者们想要探索各种
因素对实验结果的影响,均匀设计就能帮他们有条理地安排实验,快
速得出有价值的结论。
总之,均匀设计是个超厉害的工具,它能让复杂的事情变得简单,让不可能变成可能!它就是那个能帮我们在各种领域中找到最佳答案的秘密武器!所以呀,可别小瞧了均匀设计,它的作用可大着呢!。