2020年整理公路三级、四级标准对比(表格形式).doc
- 格式:doc
- 大小:119.00 KB
- 文档页数:3
公路等级划分标准公路等级是根据公路的功能、使用任务和适应的交通量进行划分,各个国家的公路等级大体相似,但其分类指标不完全相同。
中国大陆将公路划分为高速公路、一级公路、二级公路、三级公路、四级公路五个等级。
00Ⅰ高速公路00专门为汽车分向、分车道行驶,并全部控制出入的多车道公路。
主要用于连接经济、政治、文化上重要的城市和地区,是国家公路干线网中的骨架。
00按各种车辆折合成小型客车的远景设计年限年平均昼夜交通量:00——四车道25000~55000辆00——六车道45000~80000辆00——八车道60000~100000辆00Ⅱ一级公路00为供汽车分向、分车道行驶,并部分控制出入、部分立体交叉的公路,主要连接重要经济、政治中心,通往重点工矿区,是国家的干线公路。
00按各种车辆折合成小型客车的远景设计年限年平均昼夜交通量:00——四车道15000~30000辆00——六车道25000~55000辆00Ⅲ二级公路00连接经济、政治中心或大工矿区等地的干线公路,或运输繁忙的城郊公路。
00按各种车辆折合成小型客车的远景设计年限年平均昼夜交通量:00——5000~15000辆00Ⅳ三级公路00沟通县及县以上城镇的一般干线公路。
00按各种车辆折合成小型客车的远景设计年限年平均昼夜交通量:00——2000~6000辆00Ⅴ四级公路00沟通县、乡、村等的支线公路。
00按各种车辆折合成小型客车的远景设计年限年平均昼夜交通量:00——双车道2000辆以下00——单车道400辆以下00各级公路远景设计年限:00高速公路和一级公路为20年;二级公路为15年;三级公路为10年;四级公路一般为10年,也可根据实际情况适当调整。
00上述二、三、四级公路的通过量是将在公路上混合行驶的自行车、人力车、畜力车、轿车、拖拉机、汽车拖带挂车或半挂车等,都按一定系数换算成载货汽车数。
中国和多数发展中国家的公路交通量多超过原定的通过能力,故必须采取相应的技术措施对公路进行改造,以适应车辆通过能力的需求。
公路工程质量评定表说明1、本套表格适用于公路工程建设上使用,包括试验、检测、评定及施工原始记录。
2、本套表格包含评定标准(JTG F80/1-2004)要求评分的部分项目。
实际上本套表格是工程质量检验报告单所对应项目的评分表。
目的是对工程进行最终评定结论,作为交竣工验收的重要资料。
评定标准未规定的项目不列入此表。
3、总评表是评表的汇总。
权重依据评定标准附录A的规定,因此总评表的数据来源于评表的结果。
总评表结果即得出工程项目的评定结果。
4、由于评表的规定分有部分项目可能有增减,有的评表未填写规定分。
填表人根据实际情况填写。
5、对于路线工程可分段评定,在桩号及部位栏填上起止桩号,并在表头填上“第×段共×段”,标段评定时以路线长度加权平均。
6、数据应真实可靠,不能与施工检查数据有矛盾。
甲方代表、监理工程师应认真审核把关,并对照评定标准的外观检查项目进行评定,最后签名认可。
7、路基、柔性基层、沥青路面弯沉值评定参见附录I8、喷射混凝土抗压强度评定参见附录E9、水泥混凝土弯拉强度评定参见附录C10、路面结构层厚度评定参见附录H11、路基、路面压实评定参见附录B12、水泥混凝土抗压强度评定参见附录D13、水泥砂浆强度评定参见附录F14、单位、分部及分项工程的划分参见附录A15、分项工程质量评分,其检验内容包括基本要求、实测项目、外观鉴定和质量保证资料四个部分。
只有在其使用的原材料、半成品、成品及施工工艺符合基本要求的规定,且无严重外观缺陷和质量保证资料真实并基本齐全时,才能对分项工程质量进行检验评定。
16、分项工程的评分值满分为100分,按实测项目采用加权平均法计算。
存在外观缺陷或资料不全时,须予减分。
Σ[检查项目得分×权值]分项工程得分=----------------------------Σ检查项目权值分项工程评分值=分项工程得分—外观缺陷减分—资料不全减分(1)基本要求检查分项工程所列基本要求,对施工质量优劣具有关键作用,应按基本要求对工程进行认真检查。
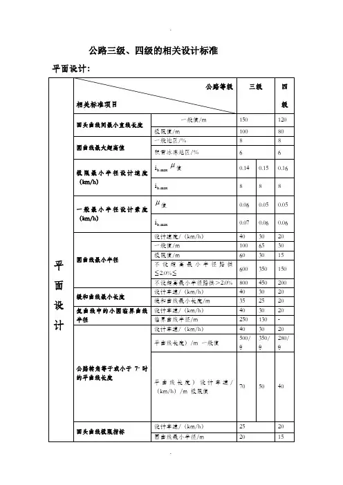
公路三级、四级的相关设计标准平面设计:公路等级三级四级相关标准项目一般值 /m150120回头曲线间最小直线长度极限值 /m10080一般地区 /%88圆曲线最大超高值积雪冰冻地区 /%66i b,max值极限最小半径设计速度(km/h)i b,max888值平一般最小半径设计素度(km/h)i b,max面设设计速度 / ( km/h)403020一般值 /m1006530计极限值 /m603015圆曲线最小半径不设超高最小半径路拱%600350150不设超高最小半径路拱>%800450200设计车速 / ( km/h)403020缓和曲线最小长度缓和曲线最小长度 /m352520设计车速 / ( km/h)403020复曲线中的小圆临界曲线半径临界曲线半径 /m250130-设计车速 / ( km/h)4030207。
时的平曲线500/350/280/公路转角等于或小于平曲线长度) /m 一般值θθθ长度平曲线长度)设计车速/ ( km/h) /m 极705040限值回头曲线极限指标设计车速 / ( km/h)2520平曲线最小长度停车视距、会车视距与超车视距纵断面设计:相关标准项目公路最大纵坡公路最小坡长纵断公路纵坡长度限制面设计圆曲线最小半径 /m2015缓和曲线最小长度 /m2520超高横坡度 /%66双车道路面加宽值 /m最大纵坡 /%设计车速 / ( km/h)403020最小长度 /m705040设计车速 / ( km/h)403020停车视距 /m403020会车视距 /m806040超车视距 /m200150100最小必要超车视距 /m15010070公路等级三级四级设计车速 / ( km/h)403020最大纵坡 /%789设计车速 / ( km/h)403020最短坡长 /m12010060设计车速 / ( km/h)3020坡度 /%3---4110011001200590090010006700700800750050060083003004009-20030010--200公路最大允许合成坡度规定值设计车速 / ( km/h)60304020合成坡度 /%凸形竖曲线最小半径和最小长度设计车速 / ( km/h)403020《标准》规定值 /m极限450250100最小半径一般700400100竖曲线352520凹形竖曲线最小半径设计车速 / ( km/h)403020《标准》规定值极限450250100一般700400200横断面设计:横相关标准项目断车道宽度面设计公路路肩宽度公路等级设计车速 / ( km/h)车道宽度 /m设计车速 / ( km/h)右侧硬路肩一般值宽度 /m最小值三级四级403020403020---公路路基宽度超高渐变率圆曲线半径与超高横坡土路肩宽度 /m一般值(双车道)(单车道)最小值(双车道)(单车道)设计车速 / ( km/h)403020车道数22 2 或 1路基宽度 /m一般值双车道单车道最小值---设计车速 / ( km/h)403020超高旋转轴位置中线1/1501/1251/100边轴1/1001/751/50超高三级公路、四级公路度/%V=40km/m V=30km/m V=20km/m 一般积雪冰一般积雪冰一般积雪冰情况冻地区情况冻地区情况冻地区2<<<<<<600~390600~360350~230350~210150~105150~95 3<<<<< 105~70< 95~60 390~270360~230230~150210~1304<<<< 130~80< 70~55< 60~40 270~200230~150150~1105<<150~90<110~80< 80~50< 55~40< 40~25 200~1506<<90~60<80~60< 50~30< 40~30< 25~15 150~1207<120~90-<60~50-< 30~20-8<90~60-<50~30-< 20~15-9------10------。
一二三四级公路的标准
根据《公路工程技术标准》,我国的公路一共分为5个技术等级,分别为高速公路、一级公路、二级公路、三级公路,以及四级公路。
1、一级公路
一级公路为供汽车分方向、分车道行驶,可根据需要控制出入的多车道公路,主要连接重要的政治和经济中心,通向重要的工业和矿区。
四车道一级公路的年平均昼夜交通量为1.5万~3万辆乘用车,六车道一级公路的年平均昼夜交通量为3.5万~5.5万辆汽车,使用年限一般为20年。
2、二级公路
二级公路为供汽车行驶的双车道公路,连接政治、经济中心或大工矿区等地的干线公路,或运输繁忙的城郊公路。
二级公路的年平均昼夜交通量为3000~7500辆中型载重汽车,使用年限一般为15年。
3、三级公路
三级公路为供汽车、非汽车交通混合行驶的双车道公路,沟通县及县以上城镇的一般干线公路。
三级公路的年平均昼夜交通量为1000~4000辆中型载重汽车,使用年限一般为10年。
4、四级公路
四级公路为供汽车、非汽车交通混合行驶的双车道或单车道公路,沟通县、乡、村等的支线公路。
双车道四级公路的年平均昼夜交通量为1500辆以下中型载重汽车,单车道
四级公路的年平均昼夜交通量为200辆以下中型载重汽车,使用年限一般为10年。
关于发布《公路工程技术标准》O TG BO1-2003)的公告第1号现发布《公路工程技术标准》(JTG B01-2003),自2004年3月1日起施行,原《公路工程技术标准》( JTJ 001-97)同时废止。
《公路工程技术标准》(仃G BO1-2003)由交通部公路司和中国工程建设标准化协会公路工程委员会共同编制。
标准的管理权和解释权归交通部,日常解释及管理工作由交通部公路司负责。
请各有关单位在实践中注意积累资料,总结经验,及时将发现的问题和修改意见函告部公路司(北京市建国门内大街11号,邮政编码:100736;联系电话:010一65292718),以便修订时参考。
特此公告。
中华人民共和国交通部-00四年一月二十九日月」舀为适应公路建设的可持续发展,交通部以厅公路发「2002136号文决定对1998年I 月I日实施的《公路工程技术标准》(JTJ 001-97)进行修订。
修汀r.作由交通部公路司和中国工程建设标准化协会公路工程委员会负责,并得到了各省(市、自治区)交通厅的支持与配合。
(标准》的修汀工作全面总结了1997年以来我国公路建设的经验,在12项关键技术研究成果的基础上,充分借鉴和吸收了国外的相关标准和先进技术〕修订后的《标准》进一步明确了各级公路的功能和相应的技术指标,突出体现了公路工程建设中安全、环保以及以人为本的指导思想和建设理念,科学、实用、易于掌握,对加快我国公路建设步伐,促进公路交通事业健康、协调、持续发展,具有重要的指导作用。
《标准》修订后分为九章,分别是:1总则、2控制要素、3路线、4路基路面、5桥涵,6汽车及人群荷载、7隧道、8路线交叉、9交通工程及沿线设施。
本次修订的公路分级仍为高速公路、一级、二级、三级、四级等五个等级,但纳人了公路功能、通行能力、服务水平等内容;将“小客车”定为各级公路交通量换算和通行能力分析的标准车型;调整了各级公路的设计速度、路基压实度值、特大与大桥的分类、中与短隧道的分类;对公路交叉设计的主要技术指标、交通工程及沿线设施的分级与安全指标以及设施配置等进行了修汀;在设计与管理思想上引人了运行速度和安全性评价的概念。
三四级公路车速标准咱们今天来说说三四级公路的车速标准呀。
你们有没有坐汽车在那种不是特别宽,也没有很多车道的公路上行驶过呢?那可能就是三四级公路啦。
在这些公路上,汽车可不能开得太快哦。
就像我和爸爸妈妈有一次去乡下的亲戚家,走的就是四级公路。
那条路比较窄,路边还有好多大树呢。
爸爸开车的时候就特别小心,速度很慢。
因为这种路上可能会突然出现小动物,比如说小松鼠或者小兔子。
要是车速太快,就来不及刹车,就会撞到这些小动物啦,这多不好呀。
而且路上也可能会有小朋友在玩耍,或者有农民伯伯扛着农具过马路。
要是车开得像在高速公路上那么快,那多危险呀。
在三四级公路上,一般车速都是比较低的。
不像在城市里那些宽阔的大马路,车可以开得快一些。
这是因为三四级公路的条件有限。
比如说路可能不太平整,有一些小坑洼。
如果车开得快,就会颠得特别厉害,坐在车里的人会很不舒服,就像坐在蹦蹦床上一样,一上一下的。
我就有一次在这样的路上,车开得稍微快了点,结果我的小脑袋都撞到车顶啦,可疼了呢。
还有呀,三四级公路的弯道可能比较多。
我记得去山区的一次旅行,走的三级公路。
那路弯弯曲曲的,就像一条大蛇趴在山上。
爸爸只能慢慢地开着车转弯,如果车速快了,车就可能会冲到路边的沟里去。
路边的沟里有好多石头和杂草呢,要是掉进去,车肯定会坏掉的,我们也会很危险。
所以呀,在三四级公路上开车的叔叔阿姨们都要按照规定的车速来行驶。
这样既能保证自己和车上人的安全,也能保证路上其他行人和小动物的安全。
我们小朋友如果看到有车在三四级公路上开得太快,也要提醒爸爸妈妈或者告诉周围的大人哦。
让大家都能平平安安地在路上行驶和行走,这样我们的出行才会充满快乐,而不是充满危险呢。
三四级公路的车速标准是为了让我们的出行更安全,就像给汽车的速度上了一把安全锁一样。