地下室筏板防水工程施工方案
- 格式:doc
- 大小:29.00 KB
- 文档页数:5
地下室筏板防水工程施工方案
一、工程背景
在建筑工程中,地下室是一个重要的功能空间,在地下室的防水工程中,筏板
防水技术是应用广泛的一种方法。
本文将重点介绍地下室筏板防水工程的施工方案。
二、施工流程
1. 材料准备
筏板防水工程材料主要包括聚合物改性水泥砂浆、密封胶、防水卷材等。
### 2. 基础处理在施工前,需对地下室基础进行清理、修补,确保基础表面平整、无
裂缝。
### 3. 筏板施工在基础处理完成后,进行筏板铺设,要求筏板平整、密实,封闭所有管道孔洞。
### 4. 防水层施工接着施工防水层,可采用卷材或涂料方式,确保覆盖均匀、完整。
### 5. 防水层检测防水层施工完成后,进行防水层的检测,确保防水效果符合要求。
### 6. 隔离层处理在防水层检测合格后,进行隔离层的
处理,防止后续工程对防水层的破坏。
### 7. 后续处理最后,对施工现场进行清理、整理,确保施工质量和安全。
三、注意事项
1.施工过程中,严格按照设计图纸和施工规范操作,确保施工质量。
2.在施工现场必须配备必要的安全设施,保障施工人员的人身安全。
3.施工过程中如遇特殊情况或工艺问题,应立即向相关负责人报告并处
理。
4.施工结束后应定期检查防水层情况,及时修补损坏部分,保障地下室
的防水效果。
5.施工完成后,应及时清理施工现场,确保环境整洁。
四、总结
地下室筏板防水工程是地下室建筑中重要的一环,合理的施工方案和施工流程
对地下室的使用寿命和安全起到重要作用。
本文所述施工方案可作为参考,希望能对相关人员有所帮助。
楼东单元筏板防水工程施工一、工程概况楼东单元筏板防水工程是本项目的重要组成部分,筏板防水工程的施工质量直接关系到整个建筑物的使用功能和寿命。
本工程位于我国某城市楼东单元,主要包括地上建筑和地下建筑两部分。
地上建筑为一座高层住宅楼,地下建筑为停车场和设备用房。
筏板防水工程主要包括地下室筏板的防水处理和主体结构筏板的防水处理。
二、防水方案设计根据工程特点和地理环境,本工程采用“刚柔结合”的防水方案。
即在地下室筏板和主体结构筏板采用刚性防水材料,同时在筏板周边采用柔性防水材料,形成一道完整的防水体系。
具体防水方案如下:1. 地下室筏板防水:采用防水混凝土浇筑,防水混凝土的抗渗等级不小于P6。
在筏板四周设置防水隔离层,防止地下水渗入。
2. 主体结构筏板防水:采用防水砂浆涂抹,防水砂浆的防水等级不小于2级。
在筏板四周设置防水隔离层,防止地下水渗入。
3. 筏板周边防水:采用柔性防水材料,如防水卷材、防水涂料等,进行周边防水处理。
同时,在筏板周边设置排水沟和集水井,及时排除积水。
4. 施工缝和后浇带防水:在施工缝和后浇带处设置钢板网和加强筋,提高防水效果。
同时,采用防水砂浆或防水涂料进行涂抹,确保防水层连续、完整。
三、施工流程1. 施工准备:对施工人员进行技术培训,明确施工工艺和质量要求。
准备相应的施工设备和材料,确保施工顺利进行。
2. 筏板混凝土浇筑:按照设计要求进行防水混凝土的浇筑,确保混凝土密实、平整。
在浇筑过程中,加强对施工缝和后浇带的处理,防止防水层破损。
3. 防水砂浆涂抹:在混凝土筏板上涂抹防水砂浆,涂抹厚度均匀,确保防水砂浆层与混凝土紧密粘结。
4. 柔性防水材料施工:在筏板周边设置柔性防水材料,如防水卷材、防水涂料等。
铺设平整,搭接合理,确保防水层连续、完整。
5. 排水沟和集水井施工:在筏板周边设置排水沟和集水井,确保排水畅通,及时排除积水。
6. 质量验收:施工完成后,对防水工程进行质量验收。
验收合格后,进行下一道工序施工。
第一章编制依据1.地下工程防水技术规范(GB50108-2008);2.地下防水工程施工质量验收规范(GB50208-2011);3.住宅室内防水工程技术规范(JGJ298-2013);4.自粘聚合物改性沥青防水卷材(GB23441-2009);5.本工程地下室结构、建筑施工图;6.本工程施工组织设计。
第二章工程概况1.工程名称:葡萄岛旅游综合项目房建工程(一期)(地块三)B-01~B-28游艇会所。
2.建设地点:秦皇岛北戴河新区葡萄岛路1号。
3.总建筑面积:10560平方米。
4.结构型式:剪力墙结构。
5.建筑层数、高度:本工程共23栋楼。
其中B-01、B-02、B-03、B-05、B-06、B-08、B-11、B-15、B-16、B-17、B-18、B-20共12栋,为地上2层,地下1层,建筑高度:13.2米,建筑面积:421平米;B-07、B-09、B-10、B-12、B-19、B-21、B-22、B-24共8栋,为地上3层,地下1层,建筑高度:14.85米,建筑面积:502平米;B-27地上2层,地下1层,建筑高度:12.32米,建筑面积:582平方米;B-26、B-28共2栋,为地上2层,地下1层,建筑高度:12.7米,建筑面积:455平米。
6.基础型式:筏板基础。
6.1.B-01、03、05、11、15、17、02、06、08、16、18、20、26、27、28游艇会所正负零相当于绝对标高6.1m,筏板顶标高为-4.23m,B-07、09、19、21、10、12、22、24游艇会所正负零相当于绝对标高 5.8m,筏板顶标高为-3.93m。
6.2.筏板厚度为400mm,混凝土强度等级为C40,抗渗等级P6。
垫层砼为100mm厚耐腐蚀材料C20混凝土。
6.3.本工程地下室防水等级为一级,采用两道各1.5厚自粘聚合物改性沥青防水卷材(无胎)和钢筋混凝土自防水一道,总共三道防水层。
第三章防水设计构造做法及细部节点做法防水工程的施工质量直接影响到建筑物的使用,甚至结构安全。
筏板基础防水施工方案筏板基础是一种常见的基础形式,广泛应用于建筑工程中。
为了确保筏板基础的稳固性和防水性能,我们需要制定适当的施工方案。
本文将介绍一种有效的筏板基础防水施工方案。
一、材料准备1. 防水材料:选择高品质的防水涂料或防水卷材,确保其具备优异的防水性能。
根据具体情况,可以选择聚合物水泥砂浆或聚合物防水涂料。
2. 底板处理材料:使用高强度的底板处理材料,如聚苯板或聚合物水泥喷涂层,以增加筏板基础的抗渗性能。
二、施工步骤1. 筏板基础制作a. 清理基坑:清除基坑内的杂物和泥土,确保基坑干净整洁。
b. 压实基坑:使用振动器压实基坑底部,以提高基坑的承载能力。
c. 铺设底板处理材料:将底板处理材料均匀铺设在基坑底部,厚度应符合设计要求。
d. 浇筑混凝土:在底板处理材料上浇筑混凝土,形成筏板基础。
2. 防水层施工a. 防水材料处理:将防水材料按要求切割成适当大小,并修整其边缘。
b. 防水材料粘贴:使用专用胶水或粘合剂将防水材料牢固地粘贴在筏板基础表面。
确保防水材料覆盖整个筏板基础,并将其边缘超出基础边缘一定距离。
c. 排气处理:在粘贴防水材料的过程中,及时排除空气,以确保防水层与基础之间的贴合性。
d. 检查施工质量:每贴一层防水材料后,进行质量检查,确保无明显的缺陷或泄漏。
3. 防水材料保护a. 覆盖保护层:在防水层施工完成后,及时覆盖一层保护材料,如矿渣或细砂,以防止施工过程中的损害。
b. 指导施工人员:告知施工人员有关防水层的保护措施,避免划伤或穿孔防水层。
c. 严禁行走:在防水层施工期间,禁止人员在其上行走,以免对防水层造成破坏。
三、验收与维护1. 验收检查:完成施工后,进行验收检查以确认防水施工质量是否符合要求。
一般来说,防水层应平整牢固,无明显的嵌水或渗漏现象。
2. 维护措施:定期检查和维护筏板基础的防水层,及时修复任何损坏或老化的部分。
避免在基础上进行随意挖掘或施工,以免破坏防水层。
中海秦皇寺项目4#地块地下室防水施工方案编制人:审批人:审批时间:2019年月目录第一章编制总说明 (3)第一节项目说明 (3)第二节编制依据 (3)第二章施工部署 (3)第三章防水工程专项施工方案 (5)第一节总体说明 (5)第二节筏板基础施工工艺 (5)第三节防水涂料涂膜施工工艺 (8)第四节地下室侧墙施工工艺 (8)第四章施工质量保证措施 (13)第一节施工质量技术要求及验收标准 (13)第二节成品保护措施 (13)第五章施工保证措施 (15)第一节文明施工保障措施 (15)第二节安全施工保证措施 (17)第三节雨季施工措施 (18)第四节对班组的管理和协调 (18)第五节消防应急措施 (22)第六章工程管理、施工配合服务措施 (23)第一节与业主的协调配合措施 (23)第二节与监理单位的协调配合 (24)第三节与设计单位的协调配合 (24)第四节与现场各施工队伍的协调与配合 (25)第一章编制总说明第一节项目说明本工程为中海秦皇寺4#地块1-3号楼住宅及相应地下室工程,主楼基础为筏板基础,地下室基础为独基加防水底板。
本方案内容为地下室防水工程,其中包括主楼筏板基础防水、地下室独基加防水底板基底防水、地下室顶板防水、地下侧墙防水以及消防水池防水。
防水材料采用4m厚聚酯胎Ⅱ型弹性体SBS改性沥青防水卷(热熔)、4m厚SBS改性沥青化学耐根穿刺防水卷材、1.5mm厚JS-2型聚合物水泥防水涂料、2厚非固化橡胶沥青防水涂料以及1.5mm厚水泥基渗透结晶型防水涂料。
筏板基础防水方法为:整体铺设4mm厚改性沥青防水卷材,平面为热熔法空铺一遍,筏板基础侧面为热熔满法满粘一遍,在浇筑防水保护层前刷冷底子油一道。
地下室侧墙防水方法为:侧墙面处理后,先刷冷底子油,用以保证卷材和墙面更好的粘结,再整体采用4mm厚SBS改性沥青防水卷材热熔满铺;紧邻地下室配电房、物管房侧墙防水施工前应刷1.5mm厚JS-2型聚合物防水涂料以内侧墙外延1.0m范围。
第1篇本工程为某住宅楼筏板混凝土施工方案,位于某市某区某街道。
该住宅楼为地上12层,地下1层,总建筑面积约为1.2万平方米。
筏板混凝土施工为地下1层的基础工程,主要承担地下室结构的承重和防水功能。
二、施工准备1. 施工组织成立专门的施工团队,明确各岗位人员职责,确保施工顺利进行。
2. 材料准备(1)水泥:选用符合国家标准的普通硅酸盐水泥,强度等级不低于32.5MPa。
(2)砂:选用中粗砂,含泥量不大于3%。
(3)石子:选用粒径为5-25mm的碎石,含泥量不大于1%。
(4)外加剂:选用高效减水剂,减水率不小于20%。
(5)钢筋:选用HRB400钢筋,直径不小于16mm。
3. 施工设备(1)混凝土搅拌车:用于混凝土的运输。
(2)混凝土泵车:用于混凝土的输送。
(3)振捣器:用于混凝土的振捣。
(4)钢筋绑扎机:用于钢筋的绑扎。
(5)模板:选用钢模板,确保模板的强度和刚度。
三、施工工艺1. 施工顺序(1)钢筋工程:绑扎钢筋、焊接钢筋、设置预埋件。
(2)模板工程:安装模板、加固模板、检查模板。
(3)混凝土工程:混凝土搅拌、运输、浇筑、振捣、养护。
(4)防水工程:防水层施工。
2. 钢筋工程(1)绑扎钢筋:根据设计图纸,按顺序绑扎钢筋,确保钢筋位置准确、间距符合要求。
(2)焊接钢筋:采用电弧焊焊接钢筋,焊接质量应符合规范要求。
(3)设置预埋件:根据设计要求,设置预埋件,确保预埋件的位置准确、牢固。
3. 模板工程(1)安装模板:根据设计图纸,按顺序安装模板,确保模板位置准确、严密。
(2)加固模板:采用对拉螺栓、扣件等加固模板,确保模板的稳定性和刚度。
(3)检查模板:检查模板的安装质量,确保模板无变形、裂缝等现象。
4. 混凝土工程(1)混凝土搅拌:根据配合比,准确计量水泥、砂、石子、外加剂等材料,进行混凝土搅拌。
(2)混凝土运输:采用混凝土搅拌车运输混凝土,确保混凝土在运输过程中的质量。
(3)混凝土浇筑:按照设计图纸和施工顺序,分层浇筑混凝土,确保混凝土浇筑均匀。
基础筏板防水施工工艺流程及技术要求一、底板防水做法常规做法做法二无找平层、2道卷材防水二、适用的国家规范、图集·GB50208-2011《地下防水工程质量验收规范》·GB50108-2008《地下工程防水技术规范》·10J301《地下建筑防水构造》三、施工工艺工艺流程:基面处理→涂布基层处理剂→细部增强→铺贴卷材→接缝处理→保护层。
1、垫层施工①分区分块施工,避免基底暴露时间长;②二次收光,打磨机磨光;2、基层处理、胎膜抹灰、倒角①基层阴阳角应做成圆弧或45°坡角,其尺寸应根据卷材品种确定;3、涂刷基层处理剂(冷底子油)①涂刷基层处理剂之前将基层清理干净,涂刷时要求均匀,不露底。
4、附加层①在转角处、变形缝、施工缝、后浇带,穿墙管等部位应铺贴卷材加强层,加强层宽度不应小于500mm。
---GB50208-2011《地下防水工程质量验收规范》②建议电梯井、积水坑斜面的防水卷材采用带有砂粒的,以便于防水保护层的施工。
工艺说明:平面阴阳角、三面阴阳角附加层卷材按上图所示形状的下料和裁剪。
附加层卷材铺贴时,不要拉紧,要自然松铺,无皱折即可。
5、甩槎从底板折向立面的卷材与永久保护墙的接触部位,采用空铺法施工。
2层卷材接搓部位甩出搭接长度300mm、500mm,顶端临时用石灰砂浆砌四皮砖固定。
待外墙外贴防水卷材时,分层错搓接缝。
6、桩头防水GB50208-2011《地下防水工程质量验收规范》5.7.4 桩头顶面和侧面祼露处应涂刷水泥基渗透结晶型防水涂料,并延伸至结构底板垫层150mm处;桩头周围300mm范围内应抺聚合物水泥防水砂浆过渡层。
5.7.5 结构底板防水层应做在聚合物水泥防水砂浆过渡层上并延伸至桩头侧壁,其与桩头侧壁接缝处应采用密封材料嵌填5.7.6 桩头的受力钢筋根部应采用遇水膨胀止水条或止水胶,并应采取保护措施。
桩头防水节点施工要点:1、桩顶剔凿至混凝土密实处,并应清洗干净;2、桩头顶面和侧面祼露处应涂刷水泥基渗透结晶型防水涂料,并延伸至结构底板垫层150mm处;3、桩头周围300mm范围内应抺聚合物水泥防水砂浆过渡层;4、结构底板防水层应做在聚合物水泥防水砂浆过渡层上并延伸至桩头侧壁,其与桩头侧壁接缝处应采用密封材料嵌填;5、桩头的受力钢筋根部应采用遇水膨胀止水条或止水胶。
一、工程概况本项目为某住宅小区筏板基础防水工程,筏板基础总面积为10000平方米。
防水等级为二级,防水层使用寿命不低于25年。
本工程采用新型防水材料,施工质量要求高,施工工艺复杂。
为确保工程质量,特制定本施工方案。
二、施工准备1. 材料准备(1)防水材料:采用高聚物改性沥青防水卷材、高分子防水涂料、防水砂浆等。
(2)辅助材料:界面处理剂、增强网、堵漏剂、密封胶等。
(3)施工工具:切割机、刮刀、滚筒、刷子、喷枪、测量仪器等。
2. 人员准备组织专业施工队伍,施工人员应具备防水工程施工经验,并经过相关培训,持证上岗。
3. 施工机械准备(1)切割机:用于切割防水卷材。
(2)刮刀、滚筒、刷子:用于涂刷防水涂料。
(3)喷枪:用于喷涂防水涂料。
(4)测量仪器:用于测量筏板基础尺寸、坡度等。
三、施工工艺1. 预处理(1)清理筏板基础表面,去除浮土、杂物、油污等。
(2)对筏板基础进行界面处理,确保基层平整、干净、干燥。
2. 防水层施工(1)铺设高聚物改性沥青防水卷材:将卷材展开,按照设计要求铺设,搭接宽度应符合规范要求。
铺设过程中,注意避免卷材皱褶、扭曲。
(2)涂刷高分子防水涂料:按照产品说明书要求,将涂料搅拌均匀,用刮刀、滚筒、刷子等工具均匀涂刷在基层上。
涂刷过程中,注意涂层厚度、均匀性。
(3)增强网铺设:在防水涂料干燥后,铺设增强网,增强网的搭接宽度应符合规范要求。
(4)防水砂浆施工:在增强网铺设完成后,进行防水砂浆施工,确保砂浆层平整、密实。
3. 收口处理(1)收口处采用密封胶进行密封,确保防水效果。
(2)收口处应进行加强处理,防止开裂。
四、施工质量控制1. 施工过程中,严格控制材料质量,确保材料符合设计要求。
2. 施工过程中,严格控制施工工艺,确保施工质量。
3. 施工过程中,加强对施工过程的监督检查,发现问题及时整改。
4. 施工完成后,进行验收,确保工程质量符合要求。
五、安全文明施工1. 施工现场应设置安全警示标志,确保施工人员安全。
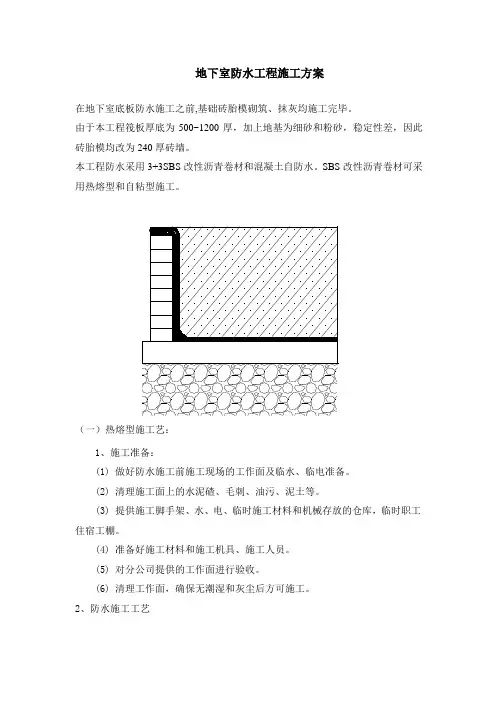
地下室防水工程施工方案在地下室底板防水施工之前,基础砖胎模砌筑、抹灰均施工完毕。
由于本工程筏板厚底为500~1200厚,加上地基为细砂和粉砂,稳定性差,因此砖胎模均改为240厚砖墙。
本工程防水采用3+3SBS改性沥青卷材和混凝土自防水。
SBS改性沥青卷材可采用热熔型和自粘型施工。
(一)热熔型施工艺:1、施工准备:(1) 做好防水施工前施工现场的工作面及临水、临电准备。
(2) 清理施工面上的水泥碴、毛刺、油污、泥土等。
(3) 提供施工脚手架、水、电、临时施工材料和机械存放的仓库,临时职工住宿工棚。
(4) 准备好施工材料和施工机具、施工人员。
(5) 对分公司提供的工作面进行验收。
(6) 清理工作面,确保无潮湿和灰尘后方可施工。
2、防水施工工艺基坑开挖——垫层施工——砌筑卷材保护墙(高度超过基础底板200㎜)——基层处理——底板卷材铺贴——50厚C20豆石混凝土保护层——底板混凝土施工2.1垫层施工底板卷材基础施工基坑验槽后,在地基上浇筑C15素混凝土垫层,随打随抹随压光。
然后,在底板垫层的四周用防水砂浆先砌筑900mm高卷材保护砖墙,砖墙最上3皮砖用石灰砂浆砌筑(便于以后拆除,露出卷材进行搭接),内墙面抹15mm厚1:2.5水泥砂浆并压光。
先砌筑此段保护墙主要目的是将底板防水卷材引出,保证卷材接头质量,另外也兼做底板混凝土外侧。
所有阴阳角均做成R =100m m圆弧,以便于卷材粘结。
2.2基层处理(1)基层必须牢固,无松动、起砂等缺陷。
基层表面应平整洁净、均匀一致。
(2)必须将突出基层表面的异物、砂浆疙瘩等铲除,并将尘土杂物清除干净,最好用高压空气进行清理。
阴阳角、管道根部等处更应仔细清理,若有油污、铁锈等,应以砂纸、钢丝刷、溶剂等予以清除干净。
(3)基层若高低不平或凹坑较大时,应用掺加108胶(占水泥重量的15%)的1:3水泥砂浆抹平。
(4)基层与变形缝或管道等相连接的阴角应做成均匀一致、平整光滑的折角或圆弧。
地下室外墙防水施工方案地下室外墙采用4+3厚SBS改性沥青防水卷材,竖向导墙高出筏板顶部300mm;防水施工前,工长必须按照标准进行施工。
具体防水做法如下:一、施工流程基层清理→涂刷基层处理剂→细部节点附加增强处理→卷材附加层→弹线→空铺SBS卷材→热熔焊接搭接接缝→检查、验收→成品保护。
二、作业条件1、用干净扫帚将基层表面油污、灰尘等建筑垃圾清理干净。
清理干净后,人工进行混凝土修整,修复表面凹凸不平处等,然后水泥砂浆找平。
2、地下防水工程必须由专业队施工,操作人员持证上岗。
3、铺贴防水层的基层必须按设计施工完毕,并经养护后干燥,含水率不大于9%;基层应平整、牢固,不空鼓开裂、不起砂。
4、螺杆眼必须进行封堵,基层处理完毕后除了按照规范验收完,还必须按照方兴地产地下室防水工程检查表进行检查并做好隐蔽验收记录;三、施工方法1、涂刷基层处理剂:用长柄滚刷将基层处理剂刷在已处理好的基层表面,并且要涂刷均匀,不得漏刷或露底。
基层处理剂涂刷完毕,达到干燥程度一般以不粘手为准、方可施行热熔施工,以避免失火。
2、一般细部附加增强处理:用附加层卷材及标准预制件在两面转角、三面阴阳角等部位进行附加增强处理,平立面平均展开。
方法是先按细部形状将卷材剪好,在细部粘一下,视尺寸、形状合适后,再将卷材的底面用火焰加热器烘烤,带底面呈熔融状态,即可立即粘贴在已涂刷一道基层处理剂的基层上,附加层要求无空鼓,并压实铺牢。
施工前,先将底板与竖向防水的甩槎处反起,进行接茬施工。
4、弹线:在已处理好并干燥的基础表面,按照所选卷材的宽度,留出搭接缝尺寸长短边均为100mm、,将铺贴卷材的基准线弹好,以便按此基准线进行卷材铺贴施工。
5、卷材由下往上推滚卷材进行熔粘铺贴,将起始端卷材粘牢后,持火焰加热器对着待铺的整卷卷材,使喷嘴距卷材及基层加热处0.3-0.5m施行往复移动烘烤不得将火焰停留在一处烘烤时间过长,否则易产生胎基外露或胎体与改性沥青基料瞬间分离、,应加热均匀,不得过分加热或烧穿卷材。
基础筏板防水卷材施工方案金秋建设集团有限公司2017年8月地下室基础底板自粘聚合物改性沥青防水卷材施工方案一、工程概况:本工程总建筑面积约35427.36㎡,包括:2#楼、4#楼以及部分地下车库。
2#楼为地下2层,剪力墙结构;4#楼为地下三层,剪力墙结构;地下车库为框架—剪力墙结构,地下1层,局部2层。
设计为筏板基础,2#楼±0.000=86.14m;4#楼±0.000=85.62m;地下车库±0.000=85.62m。
二、编制依据:1、《建筑工程施工质量验收统一标准》GB50300-20132、国家标准《地下防水工程质量验收规范》(GB 50208-2011)3、相关防水材料国家行业或企业标准。
4、本工程特点、现场实际条件、自然环境。
三、施工工艺及防水卷材的选择:1、根据图纸设计要求地下车库基础筏板3厚SAM—980自粘聚合物改性沥青防水卷材。
主楼2#、4#楼基础筏板采用聚乙烯丙纶符合防水卷材,后经建设单位及本单位协商车库主楼基础筏板防水均采用3厚SAM—980自粘聚合物改性沥青防水卷材,具体施工要求如下:地下室基础筏板卷材防水构造做法素土夯实→100厚C15混凝土垫层→20厚1:2.5水泥砂浆找平层→3厚SAM—980自粘聚合物改性沥青防水卷材→50厚C15细石混凝土保护层→钢筋混凝土筏板结构自防水2、材料选用⑴、产品简介雨虹牌SAM-980湿铺自粘聚合物改性沥青防水卷材,是以聚酯纤维无纺布为胎基,两面涂自粘改性沥青,下表面覆涂硅隔离膜、聚乙烯膜、细砂等隔离材料,上表面覆涂硅隔离膜或涂硅隔离纸作为隔离材料制成的一种适用于湿铺法施工的自粘防水卷材。
【执行标准】GB/T 23457-2009《预铺/湿铺防水卷材》。
,施工材料时直接粘贴使用(湿铺法),满足不同工程的施工需要。
使用时只需揭开隔离纸即可铺贴,稍加压力就能粘接牢固,该产品能保证在整个覆面都有均匀厚度,常温自粘贴施工,不需要加热融化沥青,因此能大大节约施工时间,减少施工难度。
地下室筏板防水工程施工方案范本1:地下室筏板防水工程施工方案1. 目的与背景1.1 目的本施工方案旨在详细说明地下室筏板防水工程的施工步骤、材料选用、施工要求等内容,确保工程顺利进行。
1.2 背景地下室筏板防水工程是地下室建设中非常重要的一部分,它能够有效防止地下室内外水分交换,保护建筑结构的安全性和耐久性。
2. 施工步骤2.1 地下室准备工作2.1.1 清理地下室,并确保基底平整。
2.1.2 检查地下室基底是否有裂缝或破损情况,如有需要进行修复。
2.2 安装防水层2.2.1 将防水材料铺设在地下室基底上,确保覆盖整个地下室区域,包括墙壁和地板。
2.2.2 使用适当的工具将防水材料与地下室墙体连接紧密。
2.2.3 在地下室角落和接缝处加强处理,确保防水层的完整性和密封性。
2.3 安装防水保护层2.3.1 防水保护层可以使用沥青混凝土、聚合物混凝土等材料。
2.3.2 将防水保护层覆盖在防水层表面,确保其完整性和平整性。
2.3.3 检查防水保护层的厚度和均匀性,及时进行调整。
2.4 验收与维护2.4.1 完成施工后,对防水工程进行验收。
2.4.2 落实防水工程维护措施,确保地下室防水效果持久稳定。
3. 材料选用与要求3.1 防水材料3.1.1 可选用聚氯乙烯(PVC)防水卷材、SBS改性沥青卷材等材料。
3.1.2 防水材料应符合国家标准,具有较好的耐久性和防水性能。
3.2 防水保护层材料3.2.1 可选用沥青混凝土、聚合物混凝土等材料作为防水保护层。
3.2.2 防水保护层材料应符合国家标准,具有良好的耐化学性和耐磨性。
4. 施工要求4.1 施工人员应参照相关标准和规范进行施工。
4.2 施工过程中需严格控制施工质量,保证防水层的完整性和密封性。
4.3 施工过程中需留意安全事项,确保施工人员的安全。
5. 附件本施工方案附带以下附件:附件1:地下室筏板防水工程施工图纸附件2:地下室筏板防水工程材料清单6. 法律名词及注释无---范本2:地下室筏板防水工程施工方案1. 引言本施工方案旨在详细描述地下室筏板防水工程的施工过程、关键要点及附属设施的配备,以确保施工的质量和安全。
第一章编制依据1.地下工程防水技术规范(GB50108—2008);2.地下防水工程施工质量验收规范(GB50208-2011);3.住宅室内防水工程技术规范(JGJ298—2013);4.自粘聚合物改性沥青防水卷材(GB23441—2009);5.本工程地下室结构、建筑施工图;6。
本工程施工组织设计。
第二章工程概况1。
工程名称:葡萄岛旅游综合项目房建工程(一期)(地块三)B-01~B—28游艇会所.2.建设地点:秦皇岛北戴河新区葡萄岛路1号。
3。
总建筑面积:10560平方米.4.结构型式:剪力墙结构。
5。
建筑层数、高度:本工程共23栋楼。
其中B-01、B-02、B—03、B—05、B—06、B—08、B-11、B-15、B—16、B-17、B-18、B-20共12栋,为地上2层,地下1层,建筑高度:13.2米,建筑面积:421平米;B-07、B-09、B-10、B—12、B—19、B—21、B-22、B-24共8栋,为地上3层,地下1层,建筑高度:14.85米,建筑面积:502平米;B—27地上2层,地下1层,建筑高度:12。
32米,建筑面积:582平方米;B—26、B-28共2栋,为地上2层,地下1层,建筑高度:12。
7米,建筑面积:455平米。
6。
基础型式:筏板基础.6。
1.B-01、03、05、11、15、17、02、06、08、16、18、20、26、27、28游艇会所正负零相当于绝对标高6。
1m,筏板顶标高为—4.23m,B—07、09、19、21、10、12、22、24游艇会所正负零相当于绝对标高 5.8m,筏板顶标高为—3.93m。
6。
2.筏板厚度为400mm,混凝土强度等级为C40,抗渗等级P6。
垫层砼为100mm厚耐腐蚀材料C20混凝土.6。
3。
本工程地下室防水等级为一级,采用两道各1。
5厚自粘聚合物改性沥青防水卷材(无胎)和钢筋混凝土自防水一道,总共三道防水层。
第三章防水设计构造做法及细部节点做法防水工程的施工质量直接影响到建筑物的使用,甚至结构安全。
目录一、工程概况 (1)二、编制依据 (1)三、施工准备 (2)四、地下防水工程主要施工方法 (3)五、SBS防水卷材施工注意事项及成品保护 (8)六、质量要求 (9)七、文明施工及安全保护措施 (9)地下防水工程施工方案一、工程概况1、工程概况郑州碧桂园一期(货量区)三标段137#楼,地下1层,地上18层高层建筑,筏板基础,剪力墙结构。
地下室高度3.1m,抗震设防烈度7度,抗震等级二级。
2、地下防水工程概况(1)防水等级及设防标准:防水等级为二级,设防标准采用抗渗混凝土自防水再附加防水层的做法,自防水混凝土抗渗等级:P6。
(2)附加防水层位置和材料:附加防水层设在迎水面(即外防水),当无法作迎水面设防时,才允许将附加防水层设在背水面(即内防水)。
防水材料和构造做法如下:1)筏板基础底板防水(二级防水):100厚C15混凝土,20厚1:3水泥砂浆找平层;刷基层处理剂一遍;4厚SBS高聚物改性沥青防水卷材;点粘350号石油沥青油毡一层;50厚C20细石混凝土保护层;钢筋混凝土结构自防水底板(P6)。
2)侧墙防水(二级防水):2:8灰土分层夯实(宽不小于500);砌筑120厚灰砂砖墙保护层;4厚SBS高聚物改性沥青防水卷材;刷基层处理剂一遍;20厚1:2水泥砂浆找平;钢筋混凝土结构自防水。
以上适用范围:地下室其他部分(除地下车库顶板、配电间以外)3)地下室配电间防水底板防水(一级防水):100厚C15混凝土;20厚1:3水泥砂浆找平层;刷基层处理剂一遍;4+3厚SBS高聚物改性沥青防水卷材;点粘350号石油沥青油毡一层;50厚C20细石混凝土保护层;钢筋混凝土结构自防水底板(S6)。
侧墙防水(一级防水):2:8灰土分层夯实(宽不小于500);砌筑120厚灰砂砖墙保护层;4+3厚SBS高聚物改性沥青防水卷材;刷基层处理剂一遍;20厚1:2水泥砂浆找平;钢筋混凝土结构自防水。
(3)设防高度应比室外地坪高出500mm,附加防水层必须设保护层。
筏板防水施工方案一、前期准备工作1.确定施工范围:根据设计图纸和现场实际情况确定防水施工范围。
2.检查施工材料:对筏板、防水涂料、加强网等材料进行检查,确保符合施工要求。
3.清理施工面:清除施工面上的灰尘、油污等杂质,确保施工面干净。
4.处理基层:对基层进行处理,以便增加防水层与基层的粘结力。
二、施工步骤1.预埋件的安装:在筏板上预先安装好预埋件,如管道、排水孔等。
2.筏板铺设:将筏板按设计图纸要求铺设在施工面上,并进行固定,确保整体平整稳固。
3.筏板接缝处理:对筏板之间的接缝进行处理,使用专用粘结剂将接缝处粘合牢固,以避免水渗漏。
4.基层处理:在筏板上喷涂底漆,增加防水层与基层的粘结力。
5.防水涂料施工:根据施工要求和设计图纸,将防水涂料均匀涂刷在筏板上,确保整体覆盖。
6.防水涂料涂刷层数:根据防水涂料的种类和厚度要求,进行相应的涂刷工序和重复施工,以达到预期的防水效果。
7.加强网的铺设:涂刷完防水涂料后,立即在湿润的涂层上铺设加强网,确保加强网与涂层完全贴合。
8.涂刷防水涂料:在加强网覆盖的涂层上再次进行涂刷,以加强防水层的厚度和强度。
9.防水层表面处理:对防水层的表面进行平整处理,确保表面光滑平坦,避免积水和阻碍水流排放。
三、验收和保养1.防水层的检查:在施工完成后,对防水层进行全面检查,确保没有漏涂、涂层开裂等问题。
2.漏水测试:对防水层进行漏水测试,将水注入施工面上,观察是否有水渗漏情况。
3.保养防水层:防水层施工完成后,在未进行后续工程的情况下,进行保养,保持防水层的完好性。
总结:防水施工是筏板工程中非常重要的一环,一旦施工不好,会导致整个工程质量的下降。
因此,在施工前要进行充分的准备工作,确保施工材料的质量和施工面的净化;在施工过程中,要注意施工步骤的顺序和施工质量的把控;施工后要注意验收和保养工作,以确保防水层的完好性和长久的使用效果。
只有严格按照施工工艺进行防水施工,才能保证工程的质量和使用效果。
筏板防水施工方案筏板防水施工是建筑工程中关键的一环,直接影响建筑物的防水效果和使用寿命。
在施工过程中,需要严格按照规范操作,确保施工质量和工程效果。
以下是一种常见的筏板防水施工方案供参考。
材料准备在进行筏板防水施工前,首先需要准备好相关材料,包括:•防水材料:如防水涂料、防水卷材、防水胶等。
•保护材料:如防护膜、保护板等。
•施工工具:如滚刷、刮板、搅拌器等。
施工准备1.清理基层:确保基层表面平整、干净,无杂物和积水,修补好裂缝和破损处。
2.基层处理:对基层进行必要的处理,如喷涂界面处理剂,提高防水层的附着力。
3.基面湿润处理:在施工前,需对基层进行湿润处理,保持湿润状态。
施工方法1.防水涂料施工:–防水底涂:先涂刷一遍底涂,覆盖基层表面,提高附着力。
–防水面涂:待底涂干透后,涂刷面涂,一般需要刷涂多遍,确保涂层均匀、密实。
2.防水卷材施工:–防水卷材铺设:将防水卷材按照规范铺设在基层上,并进行热熔或粘结处理。
–卷材接缝处理:对卷材的接缝部位进行处理,确保接缝紧密牢固。
3.防水胶施工:–防水胶涂刷:使用专用胶刷,将防水胶均匀涂刷在基层及卷材接缝处,确保胶水完全浸润。
施工注意事项1.环境要求:施工时避免恶劣天气,如雨雪天气。
2.温度要求:施工时宜在适宜温度下进行,避免过高或过低的温度影响施工效果。
3.施工工艺:按照规范要求操作,避免操作失误或违反规定。
施工验收施工完成后,需进行验收确认防水效果,检查是否存在漏水、开裂等情况,确保防水层质量符合要求。
筏板防水施工是保障建筑物防水功能的重要一环,合理的施工方案和严格的施工操作都是确保工程质量的关键。
希望以上筏板防水施工方案能为相关从业人员提供一定的参考和指导。
以上内容为筏板防水施工方案,仅供参考。
一、施工准备:
1、材料:按照图纸要求,选用高分子防水卷材。
(1)主体材料:三元乙丙橡胶防水卷材。
(2)配套材料:CX-404胶,聚氨脂底胶,聚氨脂嵌缝油膏,保护涂料,乙酸乙脂清洗剂。
选用材料要求:材料要达到合格证、准用证,测试认证齐全,按国家标准进行现场复试,达到主要性能指标,才能使用。
2、技术:审核图纸,明确底板防水结构,领会技术交底内容要求,了解防水材料的性能特点,掌握各个施工环节规范。
3、基本项目:
(1)防水层的基层,必须抹平压光,平整,清洁,牢固无松动。
不起砂,水泥砂浆应具备足够的强度。
(2)找平层表面必须干燥,其含水率应低于9%。
(3)找平层与突出结构的连接处及墙角处的交接部位应做成半径为20mm园弧形。
4、施工工具:
扫帚4把,小平铲2把,电动搅拌器1台,滚动刷6把,铁桶6个,扁平滚2个,手辊2个,大型辊1个,剪刀2把,皮卷尺1个,钢卷尺2个,钢管1根,线绳,彩色粉,粉墨1盒,皮刮板4个,油漆刷2把等。
二、工序质量预控标准:
1、施工涂布时要均匀,不得有漏刷,麻点现象。
2、卷材铺贴,接逢严实,不得有损伤,空鼓,滑动,翘边起泡,皱折等缺陷。
3、结合缝搭接宽度,长边为80~100mm,短边为150 mm。
4、铺贴方向;由四周边开始铺贴,弹出标准线,向内铺贴。
先铺平面后铺立面,转角处压实后再向上铺贴。
5、结构连接处等特殊部位,增补500mm为附加层。
三、施工组织与管理:
组织有常年施工经验的专业队伍,在项目部的直接领导下,严格遵照有关技术规范以及相应的施工验收规范有关规定施工。
逐级负责、落实,责任到人,各负其责,使其工程尽可能达到优良。
提前完工。
四、施工顺序:
清理基层→涂刷基层处理剂→附加层处理→卷材表面涂胶→基层表面涂胶→卷材铺贴→排气压实→卷材接缝粘接→排气压实→卷材未端收头封边处理→施工保护层→质量验收。
五、操作工艺要点:
1、清理基层:
将基层涂浆、灰尘、杂物清理干净。
2、涂刷基层处理剂:
将聚氨脂底胶均匀的涂刷于基层上。
涂刷要均匀,不得过厚或过薄,更不得漏涂露底。
涂布置以0.15~0.2kg/m2为宜。
3、铺贴附加层:
待基层处理剂手感干燥后,在节点部位参照88J6页24图②作法铺贴同等卷材500宽(平面、立面各250mm),并粘贴牢固,排除空气,在转角处压实压紧。
弹上标准线,为卷材铺贴做好准备。
4、胶粘剂的涂刷:
(1)卷材表面浮胶:
用潮布把卷材表面隔离层擦净,展放在基层上,用长把滚刷蘸满胶粘剂CX-404胶均匀的涂刷在卷材表面上。
搭接处留出100mm不涂胶,以便涂刷接缝胶。
(2)基层表面涂胶:
用长把滚刷蘸满胶粘剂CX-404胶,在需铺贴的基层上均匀的涂刷,涂时不能在一处反复涂刷,以免将底胶咬起,而影响施工质量,特殊部位用油漆刷涂刷。
5、卷材铺贴:
卷材为冷贴满铺法施工。
在筏板侧表预留足够的搭接长度。
(1)将已涂刷胶粘剂并晒置10~20分钟(温度不同干燥时间也不同,以手感不粘为宜)后的卷材从一端开始延基线粘贴于基层上。
(2)为了施工方便,也可将按基线就位后,折起一半(沿中线)擦净浮尘,在卷材背面及相应的基层涂刷胶粘剂,待手感不粘后沿中线将卷材翻过来慢慢向向铺贴地基层上。
用滚刷排除空气压实,然后再将另一半卷材翻起,用同样的方法粘贴于基层上。
注意不要偏离基线,铺贴时不要拉的过紧,要卷材在松弛的状态下粘贴于基层。
(3)排除空气:每铺完一幅卷材应立即用长把刷滚压一遍,滚压时把滚刷从卷材的一端开始朝卷材的横向顺序滚压,再用大辊滚压一遍,彻底排除卷材与基层间的空气。
压力越大,粘贴力越强,使卷材更牢固的粘贴在基层上,以免起泡,空鼓现象出现。
6、卷材搭接缝粘贴:
将搭接边翻开,用嵌缝油膏涂刷在接缝部位,用皮刮板刮平,再用手辊滚压一遍,排气压实粘贴严密。
7、卷材末端的收头及封边处理:
为了防止卷材末端的剥落和渗水,必须用嵌缝油膏沿周围收头部位进行补强处理。
待油膏干固后再用聚氨脂胶固定保护。
8、保护层施工:
将按比例配好的银色着色剂均匀的涂刷在擦净后的防水层上。
不能有漏刷现象,要达到色彩一致。
稍干后作上C20细石砼保护层,刮平搓毛,洒水养护。
六、施工安全注意事项:
1、各种卷材及胶粘剂易燃,应贮存了阴凉及通风的室内,现场有专人看管。
应配置灭火设施,远离火源。
2、职工进入工地必须戴安全帽。
3、教育职工要文明施工,不要随地大小便,服从工地指挥,保护公物,节约材料,注意人身安全。
桩头防水
一、施工准备:
1、材料:
按照图纸要求及图纸会审纪要,选用JS复合防水涂料(北京立高牌),遇水膨胀止水条,水泥钉。
选用材料要求:
材料要达到合格证、准用证、测试认证齐全,按国家标准进行现场复试,达到主要性能指标,才能使用。
2、技术:
审核图纸要求,明确防水结构、部位,领会技术交底内容、要求,了解防水材料的性能特点,掌握各个施工环节规范。
3、基本项目:
(1)桩头平整、清洁,牢固无松动,不起砂,且有一定的强度。
桩内钢筋干净,无片状锈斑。
(2)表面干燥,其含水率应低于9%。
(3)垂直部位底部应做成半径为20mm圆弧形。
二、工序质量预控标准:
1、施工涂布要均匀,不得有漏刷,麻点现象。
2、涂布范围:
桩头上部、桩头侧立面,桩头下部周边向外至少250mm。
3、涂布量:1.5~2.1kg/m2。
4、遇水膨胀止水条,缠在清理干净的钢筋上,用水泥钉钉在砼桩头上,对止水条要严加保护。