检验批容量及最小抽样数量划分方法
- 格式:doc
- 大小:370.50 KB
- 文档页数:21
检验批容量及最小抽样数量划分方法背景在生产过程中,为了确保产品的质量符合规定的标准,需要进行检验。
然而,对于大批量生产的产品来说,全数检验是不可行的,因为它不仅费时费力,而且成本高昂。
因此,采用一定的抽样检验方法可以提高效率和降低成本。
检验批容量是根据生产单位的特定要求确定的。
在制定检验计划时,首先需要了解生产单位的批次容量。
批次容量是指生产批次中产品的数量。
例如,如果生产批次容量为1000件产品,则整批数量为1000。
在确定检验批容量时,需要考虑以下几个因素:1.生产过程的稳定性和可靠性:如果生产过程稳定可靠,质量控制良好,可以考虑增加批次容量,减少检验批的次数,从而节省时间和人力资源。
2.产品的重要性和影响性:一些产品对于生产厂商和最终用户来说非常重要,质量问题可能会导致严重后果。
对于这些产品,可能需要降低批次容量,增加检验的次数,以确保产品质量。
最小抽样数量划分方法(Sampling Plan)确定了检验批容量后,接下来是确定抽样数量。
最小抽样数量划分方法是根据统计学原理和质量控制要求来制定的。
以下是几种常用的划分方法:1.固定比例抽样法(Fixed Ratio Sampling Plan)固定比例抽样法是指根据抽样检验的最小样本容量与批次容量的比率来确定抽样数量。
通常,这个比例是根据产品的重要性、生产过程的稳定性和可靠性以及质量控制要求来确定的。
根据国际标准ISO2859-1和GB2828-87,常用的固定比例抽样法有三种,即单抽样、双抽样和多抽样。
2.接受质量限(Acceptable Quality Level,AQL)抽样法接受质量限指的是在批次中可以接受的缺陷或不合格产品的最高限度。
接受质量限抽样法是指根据接受质量限和拒绝质量限来确定抽样数量。
通常,接受质量限的确定是根据产品的特性和功能要求以及市场需求来确定的。
接受质量限抽样法适用于稳定生产过程、质量可靠的产品。
3.依序型抽样法(Sequential Sampling Plan)依序型抽样法是一种动态抽样方法,根据抽样检验的过程中发现的缺陷数量来决定是否结束抽样。
2024年检验批的划分、容量和最小抽样数量总结在____年,对于产品质量检验,根据相关标准与规定,通常会采取检验批的方式进行。
检验批的划分、容量和最小抽样数量是决定质量检验方案的重要因素。
下面将对____年检验批的划分、容量和最小抽样数量进行总结,以帮助我们更好地理解质量检验的要点。
一、检验批的划分检验批的划分是指将待检产品分成若干组或称为批次,以便进行质量检验。
在____年,根据产品的特性和生产流程,通常可以采取以下几种方式进行检验批的划分:1. 随机抽样:将待检产品从生产线上随机抽取,形成一个检验批。
这种方式适用于产品特性比较均匀且生产过程相对稳定的情况。
2. 时间抽样:根据时间顺序将待检产品划分为多个检验批。
这种方式适用于生产过程存在变化,需要对不同时间点的产品进行质量检验的情况。
3. 产地抽样:根据产品的产地将待检产品划分为不同的检验批。
这种方式适用于产品的产地或生产工艺存在差异,需要对不同产地的产品进行质量检验的情况。
二、检验批的容量检验批的容量是指一个检验批中包含的产品数量。
在____年,根据产品的特性和检验要求,通常可以采取以下几种方式确定检验批的容量:1. 定量容量:根据产品的生产情况和质量控制要求,确定每个检验批中的具体产品数量。
这种方式适用于产品生产过程比较稳定,质量要求高的情况。
2. 定比容量:根据产品的批次或生产情况,按照一定的比例确定每个检验批的产品数量。
这种方式适用于产品生产过程存在一定的变异性,需要按照比例进行质量检验的情况。
3. 定量或定比容量:结合产品的特性和生产情况,根据质量要求和经验确定每个检验批的产品数量。
这种方式综合考虑了产品的特性和生产变异性,适用于综合性的质量检验。
三、最小抽样数量最小抽样数量是指在一个检验批中需要抽取的最小样品数量。
在____年,根据产品的特性和检验要求,通常可以采取以下几种方式确定最小抽样数量:1. 统计学方法:根据统计学的原理和方法,通过抽样分析、抽样调查等方式确定最小抽样数量。
建筑工程检验批容量及最小抽样数量划分方法横轴线划分检查面,每个检验批抽查不应少于3处。
《建筑混凝土结构工程施工质量验收规范》(GB-2011)3.3.7条建筑工程中的检验批容量、检验批容量单位以及最小抽样数量在地基与基础分部的子分部中是非常重要的。
对于地基工程,每单位工程不应少于3点,1000平方米,而3000平方米以上工程则每300平方米至少应有1点。
对于基础砖砌体、混凝土填充墙砌体量、小型空心砌块砌体、石砌体、配筋砌体等,每检验批抽查不应少于5处。
在剪力墙、梁、柱、独立基础、墙和板等结构中,应按一定比例抽查构件数量或自然间抽查,且不应少于一定数量。
对于土方开挖、土方面积、回填度和边坡,在每100到400平方米取1点,长度、宽度和边坡均为每20米取1点,每边不应少于1点。
而对于根承载力检验,数量为总数的0.5%至1%,但不应少于3处。
其他主控项目及一般项目可随意抽查,但复合地基中的水泥土搅拌桩、高压喷射注浆桩、振冲桩、土和灰土挤密桩、水泥粉煤灰碎石桩及夯实水泥土桩至少应抽查20%。
总之,建筑工程中的检验批容量、检验批容量单位以及最小抽样数量是保障施工质量的重要因素,必须严格按照规范名称及编号进行执行。
1.钢筋原材料进场批次应按照批次和抽样检验方案确定。
同一设备加工的同一类型钢筋,每个工作班应抽查不少于3件。
2.钢筋加工类型应分类,例如受力筋、箍筋和弯起筋等。
3.混凝土原材料批次应按照每一强度等级为一批,每批抽样数量不应少于一次。
4.混凝土拌和物进场批次和进场混凝土方量应按照同一配合比检查不少于一次。
5.工程桩应进行承载力检验,对于地基基础设计等级为甲级或地质条件复杂采用静载荷试验的方法进行检验,检验桩数不应少于总数的1%且不应少于3根。
6.桩身质量应进行检验,对于设计等级为甲级或地质条件复杂,成桩质量可靠性低的灌注桩,抽检数量不应少于总数的30%且不应少于20根;其他桩基工程的抽检数量不应少于总数的20%且不应少于10根;对混凝土预制桩及地下水位以上且终孔后经过核验的灌注桩,检验数量不应少于总桩数的10%且不得少于10根。
建筑工程查验批容量查验批容量单位最小抽样数目区分方法建筑工程查验批容量、查验批容量单位、最小抽样数目-- 地基与基础分部子分部查验批查验批容量单位最小抽样数目规范名称及编号地基灰土地基、砂和面积M2每单位工程不该少于 3 点,1000m2 以砂石地基、土工上工程,每 100m2 起码应有 1 点,合成资料地基、3000m2 以上工程,每 300m2 起码应有粉煤灰地基、强 1 点。
每一独立基础下起码应有 1 点,夯地基、注浆地基槽每 20 延米应有 1 点 ( 地基强度或基、预压地基承载力 ) 。
其余主控项目及一般项目可任意抽查水泥土搅拌桩复桩的数目根承载力查验,数目为总数的0.5%~合地基、高压喷1%,但不该少于 3 处。
有单桩强度检射注浆桩复合地验要求时,数目为总数的0.5%~ 1%,基、砂桩地基、但不该少于 3 根。
其余主控项目及一振冲桩复合地般项目可任意抽查,但复合地基中的基、土和灰土挤水泥土搅拌桩、高压发射注浆桩、振密桩复合地基、冲桩、土和灰土挤密桩、水泥粉煤灰水泥粉煤灰碎石碎石桩及夯实水泥土桩起码应抽查桩复合地基及夯20%。
实水泥土桩复合地基土方土方开挖、土方面积(长度、宽M2每 100~ 400m2取 1 点,但不该少于回填度和边坡)10 点;长度、宽度和边坡均为每20m取 1 点,每边不该少于 1 点。
基础砖砌体、混凝土小型空心砌块砌体、石砌体、配筋砌体填补墙砌体量m3每查验批抽查不该少于 5 处。
不超出250m3砌体模板安装、钢筋构件数目连结、钢筋安装、现浇外观质量偏差剪力墙:在同一查验批内,对梁、柱和独立基《混凝土结构工程施间 / 面础,应抽查构件数目的10%,且不该工质量查收规范》少于 3 件;对墙和板,应按有代表性( GB50204-2015 )板:间的自然间抽查 10%,且不该少于 3 间;柱:件对大空间结构,墙可按相邻轴线间高度 5m左右区分检查面,板可按纵、梁:件横轴线区分检查面,抽查10%,且均楼梯:间不该少于 3 面。
各分项工程可根据与生产和施工方式相一致且便于控制施工质量的原则,按进场批次、工作班、楼层、结构缝或施工段划分为若干检验批。
4.2 检验批容量和最小抽样数量最小抽样数量依据《混凝土结构工程施工质量验收规范》GB 50204-2015确定。
5砌体结构5.1 检验批的划分(1)所用材料类型及同类型材料的强度等级相同;(2)不超过250m3砌体;(3)主体结构砌体一个楼层(基础砌体可按一个楼层计);填充墙砌体量少时可多个楼层合并。
5.2 检验批容量:砌筑的立方量5.3 最小抽样数量砌体结构分项工程中检验批抽检时,各抽检项目的样本最小容量除有特殊要求外,按不应少于5确定。
10建筑地面10.1 检验批的划分应按每一层次或每层施工段(或变形缝)划分检验批,高层建筑的标准层可按每三层(不足三层按三层计)划分检验批。
10.2 最小抽样数量抽查数量应随机检验不应少于3间;不足3间,应全数检查;有防水要求的建筑地面子分部工程的分项工程施工质量每检验批抽查数量应按其房间总数随机检验不应少于4间,不足4间,应全数检查。
10.3 检验批容量按自然间(或标准间),其中走廊(过道)应以10延长米为1间,工业厂房(按单跨计)、礼堂、门厅应以两个轴线为1间计。
11抹灰11.1 检验批划分(1)相同材料工艺和施工条件的室外抹灰工程每500~1000㎡应划分为一个检验批,不足500㎡也应划分为一个检验批。
(2)相同材料工艺和施工条件的室内抹灰工程每50 个自然间(大面积房间和走廊按抹灰面积30㎡为一间)应划分为一个检验批,不足50间也应划分为一个检验批。
11.2 最小抽样数量(1)室内每个检验批应至少抽查10%,并不得少于3 间;不足3 间时应全数检查。
(2)室外每个检验批每100㎡应至少抽查一处,每处不得小于10㎡。
11.3 检验批容量室内抹灰按自然间(或标准间),室外抹灰按房间。
12 外墙防水12.1 检验批划分应按照外墙面面积500㎡~1000㎡为一个检验,不足500㎡时也应划分为一个检验批。
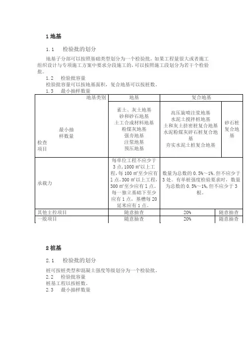
检验批的划分、容量和最小抽样数量总结1地基1.1 检验批的划分地基子分部可以按照基础类型划分为一个检验批,如果工程量很大或者施工组织设计与专项施工方案中要求分段施工的,可以按照施工段划分为若干个检验批。
1.2 检验批容量检验批容量可以按地基面积,复合地基可以按桩数。
1.3 最小抽样数量2桩基2.1 检验批的划分桩可按桩类型和混凝土强度等级划分为一个检验批。
2.2 检验批容量桩基工程以按桩数。
2.3 最小抽样数量3地下防水3.1 检验批的划分(1)主体结构防水工程和细部构造防水工程应按结构层、变形缝或后浇带等施工段划分检验批;(2)特殊施工法结构防水工程应按隧道区间、变形缝等施工段划分检验批;(3)排水工程和注浆工程应各为一个检验批。
3.2 检验批容量和最小抽样数量4混凝土结构4.1 检验批的划分各分项工程可根据与生产和施工方式相一致且便于控制施工质量的原则,按进场批次、工作班、楼层、结构缝或施工段划分为若干检验批。
4.2 检验批容量和最小抽样数量最小抽样数量依据《混凝土结构工程施工质量验收规范》GB 50204-2015确定。
5砌体结构5.1 检验批的划分(1)所用材料类型及同类型材料的强度等级相同;(2)不超过250m3砌体;(3)主体结构砌体一个楼层(基础砌体可按一个楼层计);填充墙砌体量少时可多个楼层合并。
5.2 检验批容量:砌筑的立方量5.3 最小抽样数量砌体结构分项工程中检验批抽检时,各抽检项目的样本最小容量除有特殊要求外,按不应少于5确定。
6钢结构6.1 检验批的划分6.2 最小抽样数量依据《钢结构工程施工质量验收规范》GB 50205-2001确定。
7钢管混凝土结构及型钢混凝土结构7.1 检验批的划分:可参照混凝土和钢结构的划分原则7.2 最小抽样数量钢管混凝土结构依据《钢管混凝土工程施工质量验收规范》GB 50628-2010确定;型钢混凝土结构可依据《钢-混凝土组合结构施工规范》GB50901-2013确定。
窗体顶端
建筑工程
检验批容量
检验批容量单位
最小抽样数量划分方法
建筑工程检验批容量、检验批容量单位、最小抽样数量--地基与基础分部
窗体底端
窗体顶端
建筑工程检验批容量、检验批容量单位、最小抽样数量--主体结构
建筑工程检验批容量、检验批容量单位、最小抽样数量--建筑装饰装修
窗体顶端
建筑工程检验批容量、检验批容量单位、最小抽样数量--建筑屋面分部
窗体顶端
建筑工程检验批容量、检验批容量单位、最小抽样数量--建筑节能分部
附:
窗体底端。
2桩基2.1 检验批的划分桩可按桩类型和混凝土强度等级划分为一个检验批。
2.2 检验批容量桩基工程以按桩数。
2.3 最小抽样数量5.2 检验批容量:砌筑的立方量5.3 最小抽样数量砌体结构分项工程中检验批抽检时,各抽检项目的样本最小容量除有特殊要求外,按不应少于5确定。
10建筑地面10.1 检验批的划分应按每一层次或每层施工段(或变形缝)划分检验批,高层建筑的标准层可按每三层(不足三层按三层计)划分检验批。
10.2 最小抽样数量抽查数量应随机检验不应少于3间;不足3间,应全数检查;有防水要求的建筑地面子分部工程的分项工程施工质量每检验批抽查数量应按其房间总数随机检验不应少于4间,不足4间,应全数检查。
10.3 检验批容量按自然间(或标准间),其中走廊(过道)应以10延长米为1间,工业厂房(按单跨计)、礼堂、门厅应以两个轴线为1间计。
11抹灰11.1 检验批划分(1)相同材料工艺和施工条件的室外抹灰工程每500~1000㎡应划分为一个检验批,不足500㎡也应划分为一个检验批。
(2)相同材料工艺和施工条件的室内抹灰工程每50 个自然间(大面积房间和走廊按抹灰面积30㎡为一间)应划分为一个检验批,不足50间也应划分为一个检验批。
11.2 最小抽样数量(1)室内每个检验批应至少抽查10%,并不得少于3 间;不足3 间时应全数检查。
(2)室外每个检验批每100㎡应至少抽查一处,每处不得小于10㎡。
11.3 检验批容量室内抹灰按自然间(或标准间),室外抹灰按房间。
12 外墙防水12.1 检验批划分应按照外墙面面积500㎡~1000㎡为一个检验,不足500㎡时也应划分为一个检验批。
12.2 最小抽样数量每个检验批每100㎡应至少抽查一处,每处不得小于10㎡,且不得少于3处;节点构造应全部进行检查。
12.3 检验批容量按外墙面面积。
13门窗13.1 检验批的划分(1)同一品种、类型和规格的木门窗、金属门窗、塑料门窗及门窗玻璃每100 樘应划分为一个检验批,不足100 樘也应划分为一个检验批。
2桩基2.1 检验批的划分桩可按桩类型和混凝土强度等级划分为一个检验批。
2.2 检验批容量桩基工程以按桩数。
2.3 最小抽样数量3地下防水3.1 检验批的划分(1)主体结构防水工程和细部构造防水工程应按结构层、变形缝或后浇带等施工段划分检验批;(2)特殊施工法结构防水工程应按隧道区间、变形缝等施工段划分检验批;(3)排水工程和注浆工程应各为一个检验批。
3.2 检验批容量和最小抽样数量4混凝土结构(1)相同材料工艺和施工条件的室外抹灰工程每500~1000㎡应划分为一个检验批,不足500㎡也应划分为一个检验批。
(2)相同材料工艺和施工条件的室内抹灰工程每50 个自然间(大面积房间和走廊按抹灰面积30㎡为一间)应划分为一个检验批,不足50间也应划分为一个检验批。
11.2 最小抽样数量(1)室内每个检验批应至少抽查10%,并不得少于3 间;不足3 间时应全数检查。
(2)室外每个检验批每100㎡应至少抽查一处,每处不得小于10㎡。
11.3 检验批容量室内抹灰按自然间(或标准间),室外抹灰按房间。
12 外墙防水12.1 检验批划分应按照外墙面面积500㎡~1000㎡为一个检验,不足500㎡时也应划分为一个检验批。
12.2 最小抽样数量每个检验批每100㎡应至少抽查一处,每处不得小于10㎡,且不得少于3处;节点构造应全部进行检查。
12.3 检验批容量按外墙面面积。
13门窗13.1 检验批的划分(1)同一品种、类型和规格的木门窗、金属门窗、塑料门窗及门窗玻璃每100 樘应划分为一个检验批,不足100 樘也应划分为一个检验批。
(2)同一品种、类型和规格的特种门每50 樘应划分为一个检验批,不足50 樘也应划分为一个检验批。
13.2 最小抽样数量(1)木门窗、金属门窗、塑料门窗及门窗玻璃,每个检验批应至少抽查5%,并不得少于3 樘,不足3 樘时应全数检查;高层建筑的外窗每个检验批应至少抽查10%,并不得少于6 樘,不足6 樘时应全数检查。
建筑工程
检验批容量
检验批容量单位
最小抽样数量划分方法
建筑工程检验批容量、检验批容量单位、最小抽样数量--地基与基础分部
建筑工程检验批容量、检验批容量单位、最小抽样数量--主体结构
建筑工程检验批容量、检验批容量单位、最小抽样数量--建筑装饰装修
建筑工程检验批容量、检验批容量单位、最小抽样数量--建筑屋面分部
建筑工程检验批容量、检验批容量单位、最小抽样数量--建筑节能分部
附: 《建筑节能工程施工质量验收规》(GB 50411-2007)第3.4.1条规容
条的规定执行。
当需要重新划分检验批时,可按照系统、楼层、建筑分区划分为若干个检验批。
50411-2007)
监测系统节能
监测与控制系统节能
按照系统、楼层、建筑分区划分为若干个检验批。
套 全部检测
《建筑节能工程施工质量验收规》(GB 50411-2007)。
4混凝土结构4.1检验批的划分各分项工程可根据与生产和施工方式相一致且便于控制施工质量的原则,按进场批次、工作班、楼层、结构缝或施工段划分为若干检验批。
4.2检验批容量和最小抽样数量最小抽样数量依据《混凝土结构工程施工质量验收规范》GB50204-2015确定。
5砌体结构5.1检验批的划分(1)所用材料类型及同类型材料的强度等级相同;(2)不超过250m3砌体;(3)主体结构砌体一个楼层(基础砌体可按一个楼层计);填充墙砌体量少时可多个楼层合并。
5.2检验批容量:砌筑的立方量5.3最小抽样数量砌体结构分项工程中检验批抽检时,各抽检项目的样本最小容量除有特殊要求外,按不应少于5确定。
抽查数量应随机检验不应少于3间;不足3间,应全数检查;有防水要求的建筑地面子分部工程的分项工程施工质量每检验批抽查数量应按其房间总数随机检验不应少于4间,不足4间,应全数检查。
10.3检验批容量按自然间(或标准间),其中走廊(过道)应以10延长米为1间,工业厂房(按单跨计)、礼堂、门厅应以两个轴线为1间计。
11抹灰11.1检验批划分(1)相同材料工艺和施工条件的室外抹灰工程每500~1000㎡应划分为一个检验批,不足500㎡也应划分为一个检验批。
(2)相同材料工艺和施工条件的室内抹灰工程每50个自然间(大面积房间和走廊按抹灰面积30㎡为一间)应划分为一个检验批,不足50间也应划分为一个检验批。
11.2最小抽样数量(1)室内每个检验批应至少抽查10%,并不得少于3间;不足3间时应全数检查。
(2)室外每个检验批每100㎡应至少抽查一处,每处不得小于10㎡。
11.3检验批容量室内抹灰按自然间(或标准间),室外抹灰按房间。
12外墙防水12.1检验批划分应按照外墙面面积500㎡~1000㎡为一个检验,不足500㎡时也应划分为一个检验批。
12.2最小抽样数量每个检验批每100㎡应至少抽查一处,每处不得小于10㎡,且不得少于3处;节点构造应全部进行检查。
2023年检验批的划分、容量和最小抽样数量总结在质量管理中,为了确保产品的质量符合要求,需要对产品进行检验。
对于大批量生产的产品,一次性进行全面的检验是不现实的,因此需要通过划分检验批、确定检验容量和最小抽样数量来进行抽样检验。
本文将对2023年的检验批划分、容量和最小抽样数量进行总结。
一、检验批的划分在确定2023年的检验批划分时,首先需要考虑产品的特点、生产过程和质量要求等因素。
通常情况下,可以根据以下几种方式进行检验批的划分:1. 批次划分:将产品按照生产批次进行划分,每个批次可以作为一个检验批进行抽样检验。
这种方式适用于批量生产的产品,能够追溯产品的生产情况,并对每个批次进行统一的检验。
2. 时间划分:将产品按照时间进行划分,每个时间段内的产品可以作为一个检验批进行抽样检验。
这种方式适用于连续生产的产品,能够及时发现生产过程中的质量问题,并及时采取纠正措施。
3. 设备划分:将产品按照生产设备进行划分,每个设备上生产的产品可以作为一个检验批进行抽样检验。
这种方式适用于使用多台设备进行生产的产品,能够评估不同设备的生产质量,发现设备差异带来的问题。
4. 位置划分:将产品按照不同生产位置进行划分,每个生产位置上的产品可以作为一个检验批进行抽样检验。
这种方式适用于在生产过程中存在位置差异的产品,能够确定不同位置的生产差异并采取相应措施。
根据实际情况选择适合的划分方式,能够更好地进行抽样检验,为产品质量的控制提供有效的手段。
二、检验容量的确定在进行抽样检验时,需要确定每个检验批的检验容量,即从一个批次中抽取多少个样品进行检验。
检验容量的确定可以根据以下几个方面考虑:1. 目标质量水平:根据产品质量要求,确定目标质量水平。
目标质量水平越高,要求的检验容量越大。
2. 先验信息:如果有相关的先验信息,如历史数据、生产过程的控制情况等,可以利用这些信息作为依据,确定合适的检验容量。
3. 检验的目的和方法:根据具体的检验目的和方法,确定合适的检验容量。
建筑工程检验批容量检验批容量单位最小抽样数量划分方法建筑工程检验批容量、检验批容量单位、最小抽样数量-- 地基与基础分部子分部检验批检验批容量单位最小抽样数量规范名称及编号地基灰土地基、砂和面积M2 每单位工程不应少于 3 点,1000m2 《建筑地基基础工程砂石地基、土工以上工程,每100m2 至少应有 1 点,施工质量验收规范》合成材料地基、粉煤灰地基、强夯地基、注浆地基、预压地基3000m2 以上工程,每300m2 至少应有 1 点。
每一独立基础下至少应有1 点,基槽每20 延米应有 1 点(地基强度或承载力) 。
其他主控项目及一般项目可随意抽查(GB50202-2002 )4.1.5 条、4.1.6 条、4.1.7 条水泥土搅拌桩复合地基、高压喷射注浆桩复合地基、砂桩地基、振冲桩复合地基、土和灰土挤密桩复合地基、水泥粉煤灰碎石桩复合地基及夯实水泥土桩复合地基桩的数量根承载力检验,数量为总数的0.5% ~1% ,但不应少于 3 处。
有单桩强度检验要求时,数量为总数的0.5% ~1% ,但不应少于 3 根。
其他主控项目及一般项目可随意抽查,但复合地基中的水泥土搅拌桩、高压喷射注浆桩、振冲桩、土和灰土挤密桩、水泥粉煤灰碎石桩及夯实水泥土桩至少应抽查20% 。
土方土方开挖、土方回填面积(长度、宽度和边坡)M2 每100 ~400m2 取1 点,但不应少于10 点;长度、宽度和边坡均为每20m取 1 点,每边不应少于 1 点。
《建筑地基基础工程施工质量验收规范》(GB50202-2002 )6.1.4 条基础砖砌体、混凝土小型空心砌块砌体、石砌体、配筋砌体填充墙砌体量不超过250m3 砌体m3 每检验批抽查不应少于 5 处。
《砌体结构工程施工质量验收规范》(GB50203-2011 )3.0.20 条模板安装、钢筋连接、钢筋安装、现浇外观质量偏差构件数量剪力墙:间/ 面板:间柱:件梁:件楼梯:间在同一检验批内,对梁、柱和独立基础,应抽查构件数量的10% ,且不应少于 3 件;对墙和板,应按有代表性的自然间抽查10% ,且不应少于 3间;对大空间结构,墙可按相邻轴线间高度5m 左右划分检查面,板可按纵、横轴线划分检查面,抽查10% ,且均不应少于 3 面。
检验批的划分、容量和最小抽样数量总结2017-10-17一、地基1.1、检验批的划分地基子分部可以按照基础类型划分为一个检验批,如果工程量很大或者施工组织设计与专项施工方案中要求分段施工的,可以按照施工段划分为若干个检验批。
1.2、检验批容量检验批容量可以按地基面积,复合地基可以按桩数。
1.3、最小抽样数量二、桩基2.1检验批的划分三、地下防水3.1检验批的划分(1)主体结构防水工程和细部构造防水工程应按结构层、变形缝或后浇带等施工段划分检验批;(2)特殊施工法结构防水工程应按隧道区间、变形缝等施工段划分检验批;(3)排水工程和注浆工程应各为一个检验批。
3.2检验批容量和最小抽样数量四、混凝土结构4.1检验批的划分各分项工程可根据与生产和施工方式相一致且便于控制施工质量的原则,按进场批次、工作班、楼层、结构缝或施工段划分为若干检验批。
4.2检验批容量和最小抽样数量最小抽样数量依据《混凝土结构工程施工质量验收规范》GB 50204-2015确定。
五、砌体结构5.1检验批的划分(1)所用材料类型及同类型材料的强度等级相同;(2)不超过250m3砌体;(3)主体结构砌体一个楼层(基础砌体可按一个楼层计);填充墙砌体量少时可多个楼层合并。
5.2检验批容量:砌筑的立方量5.3最小抽样数量砌体结构分项工程中检验批抽检时,各抽检项目的样本最小容量除有特殊要求外,按不应少于5确定。
六、钢结构6.2最小抽样数量依据《钢结构工程施工质量验收规范》GB 50205-2001确定。
七、钢管混凝土结构及型钢混凝土结构7.1检验批的划分:可参照混凝土和钢结构的划分原则7.2最小抽样数量钢管混凝土结构依据《钢管混凝土工程施工质量验收规范》GB 50628-2010确定;型钢混凝土结构可依据《钢-混凝土组合结构施工规范》GB50901-2013确定。
八、铝合金结构8.2最小抽样数量按《铝合金结构工程施工质量验收规范》GB 50576-2010确定。
2024年检验批的划分、容量和最小抽样数量总结
1.检验批的划分:根据产品或过程的特性,将相关的批次划分为不同的检验批。
划分的依据可以是产品的类型、生产过程的环节、批次的数量等。
2.检验批的容量:检验批的容量指的是每个批次中包含的产品数量或过程的数量。
容量的确定应根据产品或过程的特性、检验方法的要求、生产的实际情况、经济性和可行性等因素进行综合考虑。
3.最小抽样数量:最小抽样数量是指在每个检验批中需要抽取的样品数量。
最小抽样数量的确定需要考虑以下几个因素:a.统计原则:根据统计学原理,确定抽样数量以达到一定的可靠性和鉴别力;b.产品或过程的特性:根据产品的特性和生产过程的稳定性确定抽样数量;c.控制级别:根据产品的重要性和质量要求确定抽样数量;d.经济性和可行性:考虑实际的生产成本和时间限制,确定合适的抽样数量。
总体来说,划分检验批、确定检验批容量和最小抽样数量都需要综合考虑产品或过程的特性、统计学原理、质量要求、经济性和可行性等多个因素,以确保抽样检验结果的可靠性和有效性。
第 1 页共 1 页。
建筑工程
检验批容量
检验批容量单位
最小抽样数量划分方法
建筑工程检验批容量、检验批容量单位、最小抽样数量--地基与基础分部
建筑工程检验批容量、检验批容量单位、最小抽样数量--主体结构
建筑工程检验批容量、检验批容量单位、最小抽样数量--建筑装饰装修
建筑工程检验批容量、检验批容量单位、最小抽样数量--建筑屋面分部
建筑工程检验批容量、检验批容量单位、最小抽样数量--建筑节能分部
附:《建筑节能工程施工质量验收规范》(GB 50411-2007)第3.4.1条规范内容。
建筑工程
检验批容量
检验批容量单位
最小抽样数量划分方法
建筑工程检验批容量、检验批容量单位、最小抽样数量--地基与基础分部
建筑工程检验批容量、检验批容量单位、最小抽样数量--主体结构
建筑工程检验批容量、检验批容量单位、最小抽样数量--建筑装饰装修
建筑工程检验批容量、检验批容量单位、最小抽样数量--建筑屋面分部
建筑工程检验批容量、检验批容量单位、最小抽样数量--建筑节能分部
附:《建筑节能工程施工质量验收规范》(GB 50411-2007)第3.4.1条规范内容
(注:专业文档是经验性极强的领域,无法思考和涵盖全面,素材和资料部分来自网络,供参考。
可复制、编制,期待你的好评与关注)。