建设施工安全内业资料全套word表格
- 格式:doc
- 大小:1.08 MB
- 文档页数:48
建筑工程安全内业资料全套表格在建筑工程中,安全是一项至关重要的指标。
为了确保建筑工程的安全性,必须捕捉和记录各种关键数据和信息。
为此,建筑工程安全内业资料表格可提供必要的信息和数据来源,以监控建筑工程中的各种安全监管措施。
本文将提供建筑工程安全内业资料全套表格。
安全内业资料数据表格以下是建筑工程安全内业资料表格的一些最常见分类:1. 安全资料备案表格安全资料备案表格主要用于建筑工程日常安全监管工作中的资料记录。
此表格包括有关建筑工程主体结构、电气设备、消防设施、卫生设施等方面的所有信息。
它还包括施工单位的统计工作和监管措施等相关监管和统计信息。
安全资料备案表格包含以下内容:•建设单位名称•施工单位名称•施工负责人姓名•施工安全总监姓名•技术质量管理员姓名•安全生产管理员姓名•监理单位名称•安全生产管理时间表•构筑物主体结构图•卫生监管台账2. 安全焊接管理表格安全焊接管理表格主要用于建筑工程搭建和加工过程中的焊接过程记录。
此表格包括记录焊接工艺、焊接材料、焊接接头类型及焊接检查和测试数据。
安全焊接管理表格包含以下内容:•焊接工艺规范编号•焊接工艺卡号•焊接材料型号•焊口类型•焊接操作工姓名•焊接主副结果验收表3. 安全文档控制表格安全文档控制表格是建筑工程安全管理计划中的必要元素。
此表格包括各种有效文档的维护和更新记录,包括在施工过程中使用的所有文档。
安全文档控制表格包含以下内容:•安全文档管理时间表•工程施工调度表•质量标准管理文件表•安全方案管理文件表•施工检查记录4. 安全文本管理表格安全文本管理表格用于记录建筑工程文档的更新进度。
此表格包括建筑工程的所有维护保养、安装和试运行的数据。
安全文本管理表格包含以下内容:•停工安排管理文件表•施工方案文件管理表•竣工安全借阅记录表•安全标准文件管理表•整体安全督察特殊标识记录表格5. 质量检查管理表格质量检查管理表格主要用于记录建筑工程的各项质量检查工作数据。
安全管理资料目录第分册年月日施工项目管理人员名册项目经理: 年月日施工项目管理人员安全生产责任制考核记录项目经理: 年月日工程项目安全生产责任制贯彻状况检查登记表目旳管理分解图工程项目安全目旳管理填表日期: 年月日工程项目安全目旳管理分解表填表日期: 年月日工程项目安全目旳管理考核登记表安全检查记录安全整改回函施工项目管理人员年度培训考核记录施工项目专职安全员年度安全培训考核记录施工项目管理人员年度安全培训记录登记表填表人: 填表日期: 年月日特种作业人员聘任书根据我司承建旳工程施工需要, 特聘任同志承担此项目工程旳作业, 任期到此项目旳分项工程竣工为止。
聘任单位: 应聘单位:年月日年月日施工管理人员聘任书根据我司承接旳工程施工管理旳需要, 特聘任同志担任职务, 至此项目交竣工为止。
聘任单位: 应聘人:年月日年月日安全活动记录建设职工伤亡事故综合记录月报表(一)填表日期: 年月日注: 1.此报表由项目部每月填一式两份, 一份报企业、一份留项目存档, 企业根据各项目部报表每月汇总报当地建设行政主管部门, 当地建设行政主管部门每月汇总报各地、州、汇总报省, 省属各企业每月汇总后直接报省建设厅建筑管理处。
2、发生重大伤亡事故后, 按部规定四级事故24小时内要报到建设部、三级以上事故2小时内报到建设部、各企业要严格旳执行此规定。
建设职工伤亡事故综合记录月报表(二)填表日期: 年月日注: 1.此报表由项目部每月填一式两份, 一份报企业、一份留项目存档, 企业根据各项目部报表每月汇总报当地建设行政主管部门, 当地建设行政主管部门每月汇总报各地、州、汇总报省, 省属各企业每月汇总后直接报省建设厅建筑管理处。
2、发生重大伤亡事故后, 按部规定四级事故24小时内要报到建设部、三级以上事故2小时内报到建设部、各企业要严格旳执行此规定。
工伤事故登记表伤亡事故状况登记台帐填表日期: 年月日三级动火作业审批表落地式外脚手架验收记录悬挑式脚手架验收记录注: 脚手架在使用过程中, 必须有定期检查、保养制度。
建筑工程内业全套表格类Document number【SA80SAB-SAA9SYT-SAATC-SA6UT-SA18】土建全套内业资料施工现场质量管理检查记录开工日期:年月日结构工程验收记录表结构工程验收记录表分部工程验收汇总表工程名称:工程工程编号:单位(子单位)工程安全和功能检验资料核查及主要功能抽查记录施工单位竣工自检记录表混凝土工程施工记录混凝土工程施工记录混凝土工程施工记录混凝土工程施工记录混凝土工程施工记录砂浆施工记录砂浆施工记录隐蔽工程验收记录隐蔽工程验收记录隐蔽工程验收记录隐 蔽 工 程 验 收记 录隐蔽工程验收记录隐蔽工程验收记录一般分项工程隐蔽检查验收记录钢筋工程隐蔽检查验收记录表钢筋工程隐蔽检查验收记录表钢筋工程隐蔽检查验收记录表钢筋工程隐蔽检查验收记录表钢筋工程隐蔽检查验收记录表砂浆强度检验评定表混凝土强度检验评定表(非统计法)混凝土强度检验评定表(未知方差统计法)建筑防水工程施工报批表屋面、厕浴间蓄、淋水试验抽检记录表注:1、本表一式3份,施工、建设(监理)、监督站各1份。
2、屋面全数检查,厕浴间按总间数15%抽查。
工序交接班记录工序交接班记录工序交接班记录工序交接班记录工序交接班记录工序交接班记录工序交接班记录工序交接班记录工序交接班记录工序交接班记录工序交接班记录工序交接班记录工序交接班记录工序交接班记录技术复核记录技术复核记录。
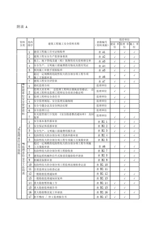
附录 A附录 B安全资料用表目次1建设工程施工许可证粘贴单(表A1 ) (37)2建筑工程安全生产监督备案表(表A2 ) (38)3地上、地下管线及建(构)筑物等有关资料移交单(表A3) (42)4安全生产、文明施工措施费拨付情况及拨付凭证(表A4 ) (43)5夜间施工审批手续粘贴单(表A5 ) (44)6超过一定规模的危险性较大的分部分项工程专项施工方案报审表(表A6 ) (45)7建筑工程安全评价表(表A7 ) (46)8安全基本条件报审表(表B2.1) (47)9安全保证体系报审表(表B2.2) (48)10安全生产、文明施工措施费用报告表(表B2.3) (49)11危险性较大的分部分项工程清单报审表(表B2.4) (50)12危险性较大的分部分项工程专项施工方案报审表(表B2.5) (51)13危险性较大的分部分项工程验收表(表B2.7) (52)14建筑起重机械和自升式架设设施验收申请表(表B2.8) (53)15机械设备报审表(表B2.9) (54)16危险性较大的分部分项工程监理巡视检查记录(表B2.10) (55)17日常监理安全检查记录(表B2.11) (56)18一般隐患监理通知单(表B2.12) (57)31危险性较大的分部分项工程清单(表C2.5.2) (70)32超过一定规模的危险性较大的分部分项工程清单(表C2.5.3) (71)33危险性较大的分部分项工程安全专项施工方案清单(表C2.5.4) (72)34超过一定规模的危险性较大的分部分项工程安全专项施工方案清单(表C2.5.6) (73)35超过一定规模的危险性较大的分部分项工程专项施工方案专家论证表(表C2.5.7) (74)36危险源辨识与风险评价表(表C2.6.2) (75)37重大危险源清单(表C2.6.3) (76)38重大危险源报告表(表C2.6.4) (77)39建筑工程分部工程安全技术交底清单(表C2.7.2) (78)40建筑工程分项工程安全技术交底清单(表C2.7.3) (79)41道路及排水工程安全技术交底清单(表C2.7.4) (80)42桥涵工程安全技术交底清单(表C2.7.5) (82)43安全技术交底(表C2.7.6) (84)44一般安全检查记录表(表C2.8.3) (85)45上级单位(部门)检查记录粘贴单(表C2.8.4) (86)46一般隐患整改通知单(表C2.8.5) (87)47一般隐患整改反馈单(表C2.8.6) (88)60个人防护用品检查记录(表C2.14.5). (102)61工伤事故月报表(表C2.15.2) (103)62生产安全伤亡事故快报表(表C2.15.3) (104)63安全标志平面布置图(表C2.16.2). (105)64安全标志登记表(表C2.16.3) (106)65应急救援人员名单(表C2.17.3). (107)66应急救援器材清单(表C2.17.4). (108)67应急培训记录(表C2.17.6) (109)68应急演练记录(表C2.17.8) (110)69消防重点部位明细表(表C3.1.6) (111)70消防设备、设施、器材登记表(表C3.1.7) (112)71动火作业审批表(表C3.1.8) (113)72保卫人员值班、巡查工作记录(表C3.2.2) (114)73来访人员及车辆登记表(表C3.2.3) (115)74急救药品器材登记表(表C4.4) (116)75噪声监测记录(表C4.6) (117)76基坑支护验收表(表C5.3) (118)89高处作业吊篮验收表(表C7.3.6) (136)90卸料平台(落地式)验收表(表C7.3.7) (138)91悬挑式钢平台验收表(表C7.3.8) (139)92脚手架拆除审批、监控记录(表C7.4) (140)93模板工程验收表(表C8.3) (141)94模板工程拆除审批监控记录(表C8.4) (142)95临时用电工程检查验收表(表C9.3) (143)96绝缘电阻测试记录(表C9.4) (146)97接地电阻测试记录(表C9.5) (147)98漏电保护器检测记录(表C9.6) (148)99电工安装、调试、迁移、拆除工作记录(表C9.7) (149)100电工巡检、维修工作记录(表C9.8) (150)101机械设备安全管理台账(表C10.1) (151)102机械设备进场验收表(表C10.2) (152)103机械设备安装验收表(表C10.4.1) (153)104打桩、钻孔机械检查验收表(表C10.4.2) (154)105混凝土泵检查验收表(表C10.4.3) (155)106混凝土搅拌机安装验收表(表C10.4.4) (156)107焊接机械安装验收表(表C10.4.5) (157)108钢筋机械安装验收表(表C10.4.6) (158)109平刨、压刨安装验收表(表C10.4.7) (159)110圆盘锯安装验收表(表C10.4.8) (160)111市政工程基层及路面施工机械安全检查验收表(表C10.4.9) (161)112市政工程汽吊及高架车等施工机械安全检查验收表(表C10.4.10) (162)市政工程张拉设备安全检查验收表(表 C10.4.12) ················· 164 市政工程顶管设备安全检查验收表(表 C10.4.13) ················· 165 机械设备日常运行记录(表 C10.5) ······················· 166 机械设备维修保养记录(表C10.6) (167)群塔作业平面布置图(表 C11.4) ························ 168 建筑起重机械安装告知表(表 C11.5) ······················ 169 建筑起重机械基础工程验收记录(表 C11.7) ··················· 170 建筑起重机械安装(拆卸)过程记录(表 C11.8) ················· 171 塔式起重机安装自检表(表 C11.9.1) ······················ 172 施工升降机安装自检表(表 C11.9.2) ······················ 178 塔式起重机安装验收表(表 C11.11.1) ······················ 182 施工升降机安装验收表(表C11.11.2) (184)龙门架及井架物料提升机安装验收表(表 C11.11.3) ················ 186 塔式起重机顶升检验记录(表 C11.13.1) ····················· 188 施工升降机加节验收记录(表 C11.13.2) ····················· 189 塔式起重机附着锚固检验记录(表 C11.14) ··················· 190 建筑起重机械运行记录(表 C11.15) ······················ 191 建筑起重机械定期维护检测记录(表 C11.16) ··················192吊装机械验收表(表 C12.4) (193)建筑工程项目施工安全综合评价(表 C13.1) ···················194113114 115116117118119 120 121 122 123 124 125 126 127 128 129 130 131 132 133 市政工程稳定土及沥青砼拌和平台安全检查验收表(表 C10.4.11) 163建设工程施工许可证复印件粘贴处)安全监督备案登记证号:续表A2续表A2续表A2表A3 地上、地下管线及建(构)筑物等有关资料移交单编号:注:本表由建设单位填写,建设单位、监理单位、施工单位各存一份。
土建全套内业资料…:施工现场质量管理检查记录结构工程验收记录表工程名称:工程工程编号:结构工程验收记录表~)分部工程验收汇总表]单位(子单位)工程安全和功能检验资料核查及主要功能抽查记录`施工单位竣工自检记录表#施工单位:有限公司验收日期:年月日¥混凝土工程施工记录项目经理:项目技术负责人:施工员:#混凝土工程施工记录项目经理:项目技术负责人:施工员:混凝土工程施工记录·施工单位:有限公司项目经理:项目技术负责人:施工员:混凝土工程施工记录(项目经理:项目技术负责人:施工员:混凝土工程施工记录施工单位:有限公司项目经理:项目技术负责人:施工员:砂浆施工记录砂浆施工记录隐蔽工程验收记录施工单位:有限公司隐蔽工程验收记录<隐蔽工程验收记录施工单位:有限公司;隐蔽工程验收记录施工单位:有限公司隐蔽工程验收记录施工单位:有限公司"隐蔽工程验收记录一般分项工程隐蔽检查验收记录/填表人:钢筋工程隐蔽检查验收记录表工程名称:工程工程编号:钢筋工程隐蔽检查验收记录表工程名称:工程工程编号:-01钢筋工程隐蔽检查验收记录表{工程名称:工程工程编号:-01钢筋工程隐蔽检查验收记录表钢筋工程隐蔽检查验收记录表%工程名称:工程工程编号:-01砂浆强度检验评定表工程名称:工程单位:MPa审核人:制表人:年月日混凝土强度检验评定表(非统计法)混凝土强度检验评定表(未知方差统计法){工程名称:工程10组以上单位:MPa复核人:卢小强制表人:年9月23日。
建筑防水工程施工报批表说明:本报告一式3份,监督站审批后,建设(监理)、施工、各存1份。
(屋面、厕浴间蓄、淋水试验抽检记录表注:1、本表一式3份,施工、建设(监理)、监督站各1份。
2、屋面全数检查,厕浴间按总间数15%抽查。
工序交接班记录&工序交接班记录工序交接班记录-;\工序交接班记录工序交接班记录【工序交接班记录工序交接班记录\工序交接班记录工序交接班记录;工序交接班记录工序交接班记录%核记录技术复施工员:复核人:记录人:、技术复核记录施工员:复核人:记录人:技术复核记录|。
安全资料表格第一节安评表安全生产管理制度分项评分表资质机构与人员管理分项评分表安全技术管理分项评分表设备与设施管理分项评分表安全生产业绩单项评分表施工企业安全生产评价汇总表工程项目安全生产评价表第二节安管表工程项目安全生产保证体系报审表特种作业人员操作资格报审表安全生产管理制度报审表安全生产责任制度报审表安全生产管理目标实施考核表安全防护、文明施工措施费用使用情况考核表安全生产教育培训计划实施考核表安全生产检查制度实施考核表生产安全事故报告处理制度实施考核表施工伤亡事故快报表安全物质进场查验制度考核表危险源识别与控制措施考核表施工组织设计安全专项施工方案编制审批制度考核表安全技术交底抽查项目考核表安全技术标准、规范和操作规程抽查考核表设备安全管理制度实施考核表大型设备装、拆安全控制验收报审表施工现场环境与卫生标准实施报审表施工现场作业人员意外伤害保险办理情况考核表施工现场安全警示标志考核表安全技术交底安全生产情况月报表第三节安教表新工人入场三级安全教育汇总表新工人三级安全教育汇总表变换工种安全教育培训登记表(特种)作业人员安全教育培训登记表管理人员安全教育培训登记表员工安全教育培训计划第四节安检表建筑施工安全检查评分汇总表安全管理检查评分表文明施工检查评分表基坑支护安全检查评分表模板工程安全检查评分表“三宝”、“四口”防护检查评分表施工用电检查评分表起重吊装安全检查评分表施工机具检查评分表施工现场环境与卫生:一般规定施工现场环境保护:防治大气污染检查施工现场环境保护:防治水土污染检查施工现场环境保护:防治施工噪声污染检查施工现场环境卫生:临时设施检查施工现场环境卫生:卫生与防疫检查第五节安验表施工机具及配件安装验收表施工现场临时用电检查验收表扣件式钢管脚手架搭设验收表施工现场消防设施检查验收表第六节安记表安全检查记录(通用)班组班前安全活动记录施工起重机械运行记录电工巡检维修记录施工现场临时用电设备检查记录安全防护用具检查维修保养记录机械设备检查维修保养记录施工机具及配件检查维修保养记录表安全生产检查记录安全隐患整改通知单安全生产例会记录安全生产管理制度分项评分表工程名称:单位(标段)工程名称施工单位评价单位评价负责人评分员序号评分项目评分标准评分方法扣减分应得分数扣减分数实得分数1安全生产责任制度未按规定建立安全生产责任制度或制度不健全,扣10~25分责任制度中未制定安全管理目标或目标不齐全,扣5~10分承发包合同中无安全生产管理职责和指标,扣5~10分有关层次、部门、岗位人员以及总分包安全生产责任制未得到确认或未落实,扣5~10分未制定安全生产奖惩考核制度或制度不齐全,扣5~10分未按安全生产奖惩考核制度落实奖罚,扣3~5分查管理制度目录、内容,并抽查企业及施工现场相关记录252安全未按规定建立制度或制度不齐全,扣10~20分25定专门应急救援人员,扣5~10分分项评分100年月日资质机构与人员管理分项评分表工程名称:单位(标段)工程名称施工单位评价单位评价负责人评分员序号评分项目评分标准评分方法扣减分应得分数扣减分数实得分数1企业资质和从业人员资格企业资质与承发包生产经营行为不相符,扣30分总分包单位主要负责人、项目经理和安全生产管理人员未经过安全考核合格,不具备相应的安全生产知识和管理能力,扣10~15分其他管理人员、特殊工种人员等其他从业人员未经过安全培训,不具备相应的安全生产知识和管理能力,扣5~10分查企业资质证书与经营手册,抽查上岗证及教育培训记录,抽查施工现场30年月日安全技术管理分项评分表工程名称:分技术负责人未组织方案编制人员对方案(包括修改方案)的实施进行交底、验收和检查,扣5~10分未安排专业人员对危险性较大的作业进行安全监控管理,扣3~5分4安全技术交底未制定各级安全技术交底的相关规定,扣15分未有效落实各级安全技术交底,扣5~15分交底无书面交底记录,交底未履行签字手续,扣3~5分查企业相关规定、企业备份及施工现场交底资料205安全技术标准、规范和操作规程未按有关规定配备相应的安全检测工具,扣5分配备的安全检测工具无生产许可证和产品合格证或证件不齐全,扣5分安全检测工具未按规定进行复查,扣5分查企业规范目录清单,抽查企业及施工现场的规范、标准、操作规程6安全设备和工艺的选用选用国家明令淘汰的设备或工艺,扣10分选用国家推荐的新设备、新工艺、新材料,或有市级以上安全生产技术成果,加5分抽查施工组织设计和专项方案及其他记录分项评分100年月日设备与设施管理分项评分表工程名称:装拆未按规定做好监控和管理,扣10分未按规定检测或检测不合格即投入使用,扣10分3安全设施和防护管理企业对施工现场的平面布置和有较大危险因素的场所及有关设施、设备缺乏安全警示标志的统一规定,扣5分安全防护措施和警示、警告标识不符合安全色与安全标志规定要求,扣5分查相关规定,抽查施工现场204特种设备管理未按规定制度管理要求或无专人管理,扣10分未按规定检测合格后投入使用,扣10分抽查施工现场155安全检查测试工具管理未按有关规定配备相应的安全检测工具,扣5分配备的安全检测工具无生产许可证和产品合格证或证件不齐全,扣5分安全检测工具未按规定进行复查,扣5分查相关记录,抽查施工现场检测工具15分项评分100年月日安全生产业绩单项评分表工程名称:单位(标段)工程名称施工单位3项目施工安全检查按JGJ59-99《建筑施工安全检查标准》对施工现场进行各级大检查,项目合格率低于100%,每低于1%扣1分,检查优良率低于30%,每1%扣1分省级及以上安全检查通报表扬,每项加3分;地市级安全生产通报表扬每项加2分省级及以上通报批评每项扣3分,地市级通报批评每项扣2分因不文明施工引起投诉,每起扣2分未按建设安全部门签发的安全隐患整改指令书落实整改,扣5~10分查各级行政主管部门管理信息资料,各类有效证明材料254安全生产管理体系推行企业未贯彻安全生产管理体系标准,扣20分施工现场未推行安全生产管理体系,扣5~15分施工现场安全生产管理体系推行率低于100%,每低1%扣1分查企业相应管理资料20分项评分100年月日施工企业安全生产评价汇总表企业名称:经济类型:资质等级:上年度施工产值:在册人数:单位(标段)施工单位评价意见:评价负责人(签名)评价人员(签名)企业负责人(签名)企业签章工程项目安全生产评价表工程名称:单位(标段)工程名称施工单位工程规模开、竣工日期1、安全生产管理检查(执行《施工企业安全生产评价标准》JGJ/T77-2003)序号评价项目评价评分序号评价项目评价评分1安全生产保证体系2企业资质和安全生产许可证1、本表一式四份:施工、监理、建设、监督各一份。
安全内业资料全套word表格施工现场安全标志牌一览表序号安全标志牌名称数量挂设位置备注1 《禁止吸烟》牌挂设在木工制作场所2 《禁止烟火》牌挂设在木料堆放场所3 《禁止用水灭火》牌挂设在配电室内4 《禁止通行》牌挂设在井架吊篮下5 《禁带火种》牌挂设在油漆、柴油仓库6 《禁止跨越》牌挂设在提升卷扬机地面钢丝绳旁7 《禁止攀登》牌挂设在井架上、脚手架上8 《禁止外人入内》牌挂设在工地大门入口处9 《禁放易燃物》牌挂设在电焊、气割焊场所10 《有人维修、严禁合闸》牌有人维修时挂在开关箱上11 《注意安全》牌挂设在外脚手架上和高处作业处12 《当心火灾》牌挂在木料堆放场所和电气焊场所13 《当心触电》牌挂在机械作业棚和配电室等处14 《当心机械伤人》牌挂在机械作业场所15 《当心伤手》牌挂设在木工机械场所16 《当心吊物》牌挂设在提升机作业区域内17 《当心扎脚》牌挂设在模板作业区域内18 《当心落物》牌挂设在地面外架周边区域内19 《当心坠落》牌挂设在高处作业的四口、五临边20 《安全通道》牌挂设在外架斜道上和主要通道口21 《必须戴安全帽》牌挂设在进入工地的大、小门口22 《必须系安全带》牌挂在高空作业又没有可靠防护处23 《当心塌方》牌开挖土方时挂设在基坑临边24 《必须戴防护手套》牌挂设在振捣混凝土场所25 《必须穿防护鞋》牌挂设在振捣混凝土场所26 《当心滑跌》牌挂设在雨天易滑处项目负责人:填表人:填表时间:工伤事故月报表2003年04月表(七)--2单位(项目)名称(盖章):××市××楼1、本月平均人数(人):28人;其中:临时工(人):10人;2、分包人员(人):8人3、本月伤亡事故件数:1件;其中:死亡事故(件):0件;重伤事故(件):0件;轻伤事故(件):1件4、本月伤亡人数(人):1人;其中:死亡人数(人):0人;重伤人数(人):0人;轻伤人数(人):1人5、本月伤亡事故情况:姓名性别工种级别年龄事故发生时间工程名称伤害程度伤害部位经济损失(元)损失工日(元)用工形式6、本月伤亡事故直接经济损失总计(元):1000元;本月伤亡事故损失工日总计(日):12日7、本企业职工以外人员伤亡情况:死亡(人):0人;重伤(人):0人;轻伤(人):1人注:本表一式2份,1份工地留存,1份上报。
施工现场平安标志牌一览表工程负责人:填表人:填表时间:工伤事故月报表20 年月表〔七〕--2单位〔工程〕名称〔盖章〕:××市××楼1、本月平均人数〔人〕:人;其中:临时工〔人〕:人;2、分包人员〔人〕:人3、本月伤亡事故件数:件;其中:死亡事故〔件〕:件;重伤事故〔件〕:件;轻伤事故〔件〕:件4、本月伤亡人数〔人〕:人;其中:死亡人数〔人〕:人;重伤人数〔人〕:人;轻伤人数〔人〕:人7、本企业职工以外人员伤亡情况:死亡〔人〕:人;重伤〔人〕:人;轻伤〔人〕:人注:本表一式2份,1份工地留存,1份上报。
单位〔工程〕负责人:填表人:填报日期:20 年月日工伤事故快报表表〔七〕--1注:本表一式2份,1份工地留存,1份上报。
特种作业人员持证上岗花名册工程名称:表〔六〕注:应附操作证书复印件。
工程负责人:填表人:填表日期:班组班前平安活动记录表工程名称:表〔五〕工程名称:变换工种工人平安教育登记表注:特种作业人员变换工种须经有关部门重新培训考核发证。
三级平安教育登记卡工程名称:表〔四〕---2注:本卡一式3份,公司、工程部、班组各1份。
安全教育登记表表〔四〕---1事故隐患整改反响汇报单表〔三〕---3注:本汇报单一式2份,汇报单位、复查单位各1份。
安全检查记录表表〔三〕---1安全技术交底表〔二〕平安责任目标考核记录表注:本表一式2份,考核与被考核部门〔人〕各1份。
施工现场三级动火申请审批表注:本表一式4份,动火人、监护人、审批人各1份,工地留存1份。
施工现场平安防护用品使用登记表注:1、平安防护用品〔电气产品〕包含:平安帽、平安网、平安带、配电箱、漏电保护器、平安标志牌、消防器材等;2、附产品合格证原件,复印件应注明与原件相同并加盖平安部门校核章。
工程负责人:填表人:填表日期:年月日绝缘电阻测试记录表注:1、此表为一台用电设备使用一张,作为其测试记录;2、按设备产品使用说明书和有关标准的要求定期〔每季度至少一次〕对其绝缘电阻进行测试;3、测试人为电工,监测人可以是施工员、平安员等施工治理人员。
福建省建筑施工安全管理内业示范本一、为了进一步提高建筑施工安全生产工作的管理水平,实现安全内业管理工作的标准化、规范化,根据建设部JGJ59-99《建筑施工安全检查标准》,结合我省实际情况,特编制《福建省建筑施工安全管理内业示范本》。
二、本示范本作为我省建筑施工企业及其施工现场建立建筑施工安全管理档案和编制安全内业的依据。
三、安全内业内容:(一)安全生产责任制1.企业各级领导、各职能部门及人员安全生产责任制2.施工现场安全生产领导小组组成及名单(应经单位签章认可)3.经济承包中的安全生产工作目标4.企业安全生产管理规章制度⑴安全生产责任制度⑵安全生产教育制度(含班前安全活动制度)⑶安全生产技术措施制度⑷安全生产检查制度⑸职工工伤事故报告制度⑹奖励与处罚办法(二)安全教育1.入场安全教育2.变换工种岗前安全教育3.特种作业人员安全培训持证上岗(含三机)(三)施工组织设计(方案)1.施工现场安全管理组织措施2.基础坑、槽开挖及施工安全技术措施3.主体与装修工程施工安全技术措施⑴脚手架选用及搭设方案与安全防护措施⑵安全网架设要求⑶洞口与临边安全防护措施⑷防物体打击安全技术措施4.垂直运输机械选用与装拆安全技术措施5.施工现场防火、防爆、防雷安全措施6.安全防护设施、料具供应计划及进场时间7.临时用工施工组织设计或措施(四)分部分项工程安全技术交底(五)施工机械、安全设施装拆安全技术交底与验收1.脚手架装拆安全技术交底与验收2.安全网架设和拆除安全技术交底与验收3.临时用电安全技术交底与验收4.垂直运输机械装拆安全技术交底与验收5.洞口与临边安全防护设施验收(六)安全检查1.公司季(月)检、分公司(工程处)月检、施工队(工地)旬检情况2.事故隐患通知与整改情况(七)班前安全活动(八)施工员、安全值日员安全日记(九)职工工伤事故档案1.职工工伤事故(含未遂事故)登记、分析、处理2.职工工伤事故月报四、配合用表:1.职工入场三级安全教育登记表2.特种作业人员登记表3.施工组织设计中安全设施料具计划表4.安全技术交底记录表5.竹脚手架搭设验收单6.落地式脚手架搭设验收单7.安全网架设验收单8.临时用电验收单9.临时用电电阻测试记录表10.井字架安装验收单11.塔吊安装验收单12.施工电梯安装验收单13.洞口与临边安全防护设施验收单14.工地旬检查记录表15.事故隐患整改通知书16.事故隐患整改反馈报告单17.班前安全活动记录表18.施工员、安全值日员安全日记19.职工工伤事故登记表20.工伤事故月报表配合用表是将安全内业(二)、(四) ……(九)内容进行表格化,无表格化的内容(如安全生产责任制、施工组织设计等)乃应编制书面材料为据。
建筑工程安全检查全套资料样本表格
建筑工程安全检查是保证施工过程中安全的重要环节。
为了提高施工安全管理水平,以下是建筑工程安全检查的全套资料样本表格,供参考使用。
一、安全生产责任
二、安全生产管理制度
三、安全生产培训记录
四、施工现场安全检查
1. 安全设施和安全防护措施
2. 特种作业人员合格证管理
3. 施工机械设备安全管理
五、施工安全事故隐患整改
以上是建筑工程安全检查全套资料样本表格的内容,希望能对施工单位在建筑工程安全检查中提供一些参考和帮助。
附录A表A 建筑工程施工安全资料分类表·0··1··2··3··4··5··6·附录B安全资料用表目次1 建设工程施工许可证粘贴单(表A1) (37)2 建筑工程安全生产监督备案表(表A2) (38)3 地上、地下管线及建(构)筑物等有关资料移交单(表A3) (42)4 安全生产、文明施工措施费拨付情况及拨付凭证(表A4) (43)5 夜间施工审批手续粘贴单(表A5) (44)6 超过一定规模的危险性较大的分部分项工程专项施工方案报审表(表A6) (45)7 建筑工程安全评价表(表A7) (46)8 安全基本条件报审表(表B2.1) (47)9 安全保证体系报审表(表B2.2) (48)10 安全生产、文明施工措施费用报告表(表B2.3) (49)11 危险性较大的分部分项工程清单报审表(表B2.4) (50)12 危险性较大的分部分项工程专项施工方案报审表(表B2。
5) (51)13 危险性较大的分部分项工程验收表(表B2。
7) (52)14 建筑起重机械和自升式架设设施验收申请表(表B2.8) (53)15 机械设备报审表(表B2。
9) (54)16 危险性较大的分部分项工程监理巡视检查记录(表B2。
10) (55)17 日常监理安全检查记录(表B2。
11) (56)18 一般隐患监理通知单(表B2。
12) (57)19 一般隐患监理通知回复单(表B2.13) (58)20 重大隐患暂停施工令(表B2.14) (59)21 重大隐患监理报告书(表B2。
15) (60)22 重大隐患整改复工申请表(表B2.16) (61)23 拒不整改/停工监理报告书(表B2。
17) (62)24 项目部管理人员花名册(表C2.1。
3) (63)25 分包单位名称清单(表C2。
安全资料表格第一节安评表NO.1 安全生产管理制度分项评分表NO.2 资质机构与人员管理分项评分表NO.3 安全技术管理分项评分表NO.4 设备与设施管理分项评分表NO.5 安全生产业绩单项评分表NO.6 施工企业安全生产评价汇总表NO.7 工程项目安全生产评价表第二节安管表NO.1工程项目安全生产保证体系报审表NO.2 特种作业人员操作资格报审表NO.3 安全生产管理制度报审表NO.4 安全生产责任制度报审表NO.5 安全生产管理目标实施考核表NO.6 安全防护、文明施工措施费用使用情况考核表NO.7 安全生产教育培训计划实施考核表NO.8 安全生产检查制度实施考核表NO.9 生产安全事故报告处理制度实施考核表NO.10 施工伤亡事故快报表NO.11 安全物质进场查验制度考核表NO.12 危险源识别与控制措施考核表NO.13 施工组织设计安全专项施工方案编制审批制度考核表NO.14 安全技术交底抽查项目考核表NO.15 安全技术标准、规范和操作规程抽查考核表NO.16 设备安全管理制度实施考核表NO.17 大型设备装、拆安全控制验收报审表NO.18 施工现场环境与卫生标准实施报审表NO.19 施工现场作业人员意外伤害保险办理情况考核表NO.20 施工现场安全警示标志考核表NO.21 安全技术交底NO.22安全生产情况月报表第三节安教表NO.1 新工人入场三级安全教育汇总表NO.2 新工人三级安全教育汇总表NO.3 变换工种安全教育培训登记表NO.4 (特种)作业人员安全教育培训登记表NO.5 管理人员安全教育培训登记表NO.6 员工安全教育培训计划第四节安检表NO.1 建筑施工安全检查评分汇总表NO.2 安全管理检查评分表NO.3 文明施工检查评分表NO.4 基坑支护安全检查评分表NO.5 模板工程安全检查评分表NO.6 “三宝”、“四口”防护检查评分表NO.7 施工用电检查评分表NO.8 起重吊装安全检查评分表NO.9 施工机具检查评分表NO.10 施工现场环境与卫生:一般规定NO.11 施工现场环境保护:防治大气污染检查NO.12 施工现场环境保护:防治水土污染检查NO.13 施工现场环境保护:防治施工噪声污染检查NO.14 施工现场环境卫生:临时设施检查NO.15施工现场环境卫生:卫生与防疫检查第五节安验表NO.1 施工机具及配件安装验收表NO.2 施工现场临时用电检查验收表NO.3 扣件式钢管脚手架搭设验收表NO.4 施工现场消防设施检查验收表第六节安记表NO.1 安全检查记录(通用)NO.2 班组班前安全活动记录NO.3 施工起重机械运行记录NO.4 电工巡检维修记录NO.5 施工现场临时用电设备检查记录NO.6 安全防护用具检查维修保养记录NO.7 机械设备检查维修保养记录NO.8 施工机具及配件检查维修保养记录表NO.9 安全生产检查记录NO.10安全隐患整改通知单NO.11 安全生产例会记录安全生产管理制度分项评分表工程名称:单位(标段)工程名称施工单位评价单位评价负责人评分员序号评分项目评分标准评分方法扣减分应得分数扣减分数实得分数1 安全生产责任制度未按规定建立安全生产责任制度或制度不健全,扣10~25分责任制度中未制定安全管理目标或目标不齐全,扣5~10分承发包合同中无安全生产管理职责和指标,扣5~10分有关层次、部门、岗位人员以及总分包安全生产责任制未得到确认或未落实,扣5~10分未制定安全生产奖惩考核制度或制度不齐全,扣5~10分未按安全生产奖惩考核制度落实奖罚,扣3~5分查管理制度目录、内容,并抽查企业及施工现场相关记录252 安全生产资金保障制度未按规定建立制度或制度不齐全,扣10~20分未落实安全劳动防护用品资金,扣5~10分未落实安全教育培训专项资金,扣5~10分未落实保障安全生产的技术措施资金,扣5~10分253 安全教育培训制度未按规定建立制度,扣20分制度未明确项目经理、安全专职人员、特殊工种、待岗、转岗、换岗位职工、新进单位从业人员安全教育培训要求,扣5~15分企业无安全教育培训计划,扣10分未按规定实施教育培训活动或实施记录不齐全,扣5~10分204 安全检查制度未按规定制定包括企业和各层次安全检查制度,扣20分制度未明确企业、项目定期及日常、专项、季节性安全检查的时间和实施要求,3~5分制度未规定对隐患整改、处置和复查要求,扣3~5分无检查和隐患处置、复查的记录或隐患整改未如期完成,扣5~10分155 生产安全事故报告处理制度未按规定制定事故报告处理制度或制度不齐全,扣5~10分未按规定实施事故的报告和处理,未落实“四不放过”,扣10~15分未建立事故档案,扣5分未按规定办理意外伤害保险,扣10分意外伤害保险办理率不满100%,扣1~10分未制定事故应急预案,未建立应急救援小组或指定专门应急救援人员,扣5~10分15分项评分100年月日资质机构与人员管理分项评分表工程名称:单位(标段)工程名称施工单位评价单位评价负责人评分员序号评分项目评分标准评分方法扣减分应得分数扣减分数实得分数1 企业资质和从业人员资格企业资质与承发包生产经营行为不相符,扣30分总分包单位主要负责人、项目经理和安全生产管理人员未经过安全考核合格,不具备相应的安全生产知识和管理能力,扣10~15分其他管理人员、特殊工种人员等其他从业人员未经过安全培训,不具备相应的安全生产知识和管理能力,扣5~10分查企业资质证书与经营手册,抽查上岗证及教育培训记录,抽查施工现场302 安全生产管理机构)企业未按规定设置安全生产管理机构或配备专职安全生产管理人员,扣10~25分无相应安全管理体系,扣10分各级未配备足够的专、兼职安全生产管理人员,扣5~10分查企业安全管理组织网络图、安全管理人员名册清单等253 分包单位资质和人员资格管理未制定对分包单位资质资格管理及施工现场控制的要求和规定,扣15分缺乏对分包单位资质和人员资格管理及施工现场控制的证实材料,扣10分分包单位承接的项目不符合相应的安全资质管理要求,扣15分50人以上规模的分包单位未配备专、兼职安全生产管理人员,扣3~5分查企业对分包单位管理记录,合格分包方名录,抽查施工现场管理资料254 供应单位管理未制定对安全设施所需材料、设备及防护用品的供应单位的控制要求和规定,扣20分无安全设施所需的材料、设备及防护用品供应单位的生产许可证或行业有关部门规定的证书,每起扣5分安全设施所需材料、设备及防护用品供应单位所持生产许可证或行业有关部门规定的证书与其经营行为不相符,每起扣5分查企业对分供单位管理记录,合格分供方名录,抽查施工现场管理资料20分项评分100年月日安全技术管理分项评分表工程名称:设备与设施管理分项评分表工程名称:单位(标段)工程名称施工单位评价单位评价负责人评分员序号评分项目评分标准评分方法扣减分应得分数扣减分数实得分数1 设备安全管理未制定设备(包括应急救援设备)安装(拆除)、验收、检测、使用、定期保养、维修、改造和报废制度或制度不完善、不齐全,扣10~25分购置的设备,无生产许可证或产品合格证或证书不齐全,扣10~25分设备未按规定安装(拆除)、验收、检测、使用、保养、维修、改造和报废,扣5~15分向不具备相应租赁资质的企业和个人出租或租用设备,扣10~25分无企业设备管理档案台帐,扣5分设备租赁合同未约定各自安全生产管理职责,扣5~10分查企业设备安全管理制度,查企业设备清单和管理档案,抽查施工现场设备及管理资料252 大型设备装拆安全控制装拆由不具备相应资质的单位或不具备相应资格的人员承担,扣25分大型起重设备装拆无经审批的专项方案,扣10分装拆未按规定做好监控和管理,扣10分未按规定检测或检测不合格即投入使用,扣10分抽查企业备份或施工现场方案及实施记录253 安全设施和防护管理企业对施工现场的平面布置和有较大危险因素的场所及有关设施、设备缺乏安全警示标志的统一规定,扣5分安全防护措施和警示、警告标识不符合安全色与安全标志规定要求,扣5分查相关规定,抽查施工现场204 特种设备管理未按规定制度管理要求或无专人管理,扣10分未按规定检测合格后投入使用,扣10分抽查施工现场155 安全检查测试工具管理未按有关规定配备相应的安全检测工具,扣5分配备的安全检测工具无生产许可证和产品合格证或证件不齐全,扣5分安全检测工具未按规定进行复查,扣5分查相关记录,抽查施工现场检测工具15分项评分100年月日安全生产业绩单项评分表工程名称:单位(标段)工程名称施工单位评价单位评价负责人评分员序号评分项目评分标准评分方法扣减分应得分数扣减分数实得分数1 生产安全事故控制安全事故累计死亡人数2人,扣30分安全事故累计死亡人数1人,扣20分重伤事故年重伤率大于0.6‰,扣15分一般事故年平均月频率大于3‰,扣10分瞒报重大事故,扣30分查事故报表和事故档案302 安全生产奖罚受到降级、暂扣资质证书处罚,扣25分各类检查中项目因存在安全隐患被指令停工整改,每起扣5~10分受建设行政主管部门警告处分,每起扣5分受建设行政主管部门经济处罚,每起扣10分文明工地,国家级每项加15分,省级加8分,地市级加5分,县级加2分安全标化工地,省级加3分,地市级加2分,县级加1分安全生产先进单位,省级加5分,地市级加3分,县级加2分查各级行政主管部门管理信息资料,各类有效证明材料253 项目施工安全检查按JGJ59-99《建筑施工安全检查标准》对施工现场进行各级大检查,项目合格率低于100%,每低于1%扣1分,检查优良率低于30%,每1%扣1分省级及以上安全检查通报表扬,每项加3分;地市级安全生产通报表扬每项加2分省级及以上通报批评每项扣3分,地市级通报批评每项扣2分因不文明施工引起投诉,每起扣2分未按建设安全部门签发的安全隐患整改指令书落实整改,扣5~10分查各级行政主管部门管理信息资料,各类有效证明材料254 安全生产管理体系推行企业未贯彻安全生产管理体系标准,扣20分施工现场未推行安全生产管理体系,扣5~15分施工现场安全生产管理体系推行率低于100%,每低1%扣1分查企业相应管理资料20分项评分100年月日施工企业安全生产评价汇总表企业名称:经济类型:资质等级:上年度施工产值:在册人数:单位(标段)工程名称施工单位评价单位评价日期安全生产条件单项评价安全生产业绩单项评价序与评分分项实得分(满分100分)单项评分实得分(满分100分)①安全生产管理制度②资质、机构与人员管理③安全技术管理④设备与设施管理单项评分实得分①×0.3+②×0.2+③×0.3+④×0.2分项评分表中的实得分为零的评分项目数(个)分项评分表中的实得分为零的评分项目数(个)单项评分等级单项评分等级安全生产能力综合评价等级评价意见:评价负责人(签名)评价人员(签名)企业负责人(签名)企业签章工程项目安全生产评价表工程名称:单位(标段)工程名称施工单位工程规模开、竣工日期1、安全生产管理检查(执行《施工企业安全生产评价标准》JGJ/T77-2003)序号评价项目评价评分序号评价项目评价评分1 安全生产保证体系2 企业资质和安全生产许可证3 安全生产责任制4 安全防护、文明施工措施费用的使用计划实施5 安全生产教育培训计划实施6 安全生产检查制度实施7 生产安全事故报告处理制度实施8 生产安全事故应急预案的建立与落实9 特种作业人员操作资格证10 三类人员考核合格证11 危险源识别与控制措施12 施工组织设计、安全专项施工方案的审批13 安全技术交底、标准、规范和操作规程14施工现场作业人员意外伤害办理实施15 安全物质进场查验制度16 机械设备、施工机具装、拆安全控制与验收2、项目施工安全检查(执行《建筑施工安全检查标准》JGJ59-99)1 安全管理2 文明施工3 脚手架4 基础支护与模板工程5 “三宝”、“四口”防护6 施工用电7 物料提升与外用电梯8 塔预9 起重吊装10 施工机具3、施工现场环境与卫生检查(执行《建筑施工现场环境与卫生标准》JGJ146-2004)1 一般规定 2 防治大气污染3 防治水土污染4 防治施工噪声5 临时设施6 卫生与防疫评价结论:施工单位:项目部评价单位:(公章)项目经理:年月日评价负责人:年月日1、本表一式四份:施工、监理、建设、监督各一份。
开工报告建筑材料报审表工程名称:净化车间\实验室\办公室建设安装工程\消防工程编号: 001建筑材料报审表工程名称:净化车间\实验室\办公室建设安装工程\消防工程编号: 002工程名称:净化车间\实验室\办公室建设安装工程\消防工程编号: 003工程名称:净化车间\实验室\办公室建设安装工程\消防工程编号: 005建筑材料报审表工程名称:净化车间\实验室\办公室建设安装工程\消防工程编号: 007建筑材料报审表工程名称:净化车间\实验室\办公室建设安装工程\消防工程编号: 008建筑材料报审表工程名称:净化车间\实验室\办公室建设安装工程\消防工程编号: 009建筑材料报审表工程名称:净化车间\实验室\办公室建设安装工程\消防工程编号: 010设备开箱检查记录设备开箱检查记录设备开箱检查记录设备开箱检查记录设备开箱检查记录制冷管道系统压力试验记录制冷管道系统压力试验记录风管严密性(漏光法检测)检测记录质控(通)表4。
5。
3-6 共 页 第 页 单位(子单位)工程名称 净化车间\实验室\办公室建设安装工程\消防工程 分部(子分部)工程名称 通风与空调 分项工程 管道安装 系统名称 送风系统施工单位 中科净净化科技有限公司分包单位 / 工作压力 600pa 风管级别 中低压 风管总接缝长度(m ) 230允许漏光点 46 测试光源36V ,200W 白炽灯测试日期2016。
6.28序号 风管接缝长度(m ) 实测漏光点检测区段图示及说明1 39 0采用36v ,200w 的白炽灯进行检测,从一端逐渐缓慢的移动到另外一端,在外观察是否有漏光点。
2 51 13 35 14 25 0 5 21 06 21 17 20 08 18 0存在问题处理情况漏光处用密封胶密封, 再次检测无漏光。
结论 合格专业监理工程师(建设单位项目专业技术负责人)施工单位质 检 员施 工 员 试 验 员冷凝水管道系统充水试验记录制冷设备运行调试记录设备单机试运转记录风机盘管、吊顶式空调器水压试验、风机盘管单机试运转记录现场组装的空调机组漏风检测记录系统风量及风口风量调试记录空调房间温度、相对湿度及噪声测试记录消防防排烟系统调试记录风管与配件制作工程检验批质量验收记录(金属风管)080101□□080201□□080301□□080401□□风管部件与消声器制作工程检验批质量验收记录080105□□080405□□风管系统安装工程检验批质量验收记录(送、排风,防排烟)080103□□080203□□080303□□080403□□风管系统安装工程检验批质量验收记录(空调系统)风管系统安装工程检验批质量验收记录(净化空调系统)通风机安装工程检验批质量验收记录080107□□080207□□080306□□080407□□通风与空调设备安装工程检验批质量验收记录(通风系统)通风与空调设备安装工程检验批质量验收记录(净化空调系统)空调制冷系统安装工程检验批质量验收记录防腐与绝热工程检验批质量验收记录(风管系统)080105□□080205□□080306□□080405□□防腐与绝热工程检验批质量验收记录(管道系统)080604□□通风与空调工程系统调试验收记录080100□□080200□□080300□□080400□□080500□□080600□□子分部工程质量验收记录(送、排风系统)质控(通)表4。
第一节安评表NO.1 安全生产管理制度分项评分表NO.2 资质机构与人员管理分项评分表NO.3 安全技术管理分项评分表NO.4 设备与设施管理分项评分表NO.5 安全生产业绩单项评分表NO.6 施工企业安全生产评价汇总表NO.7 工程项目安全生产评价表第二节安管表NO.1工程项目安全生产保证体系报审表NO.2 特种作业人员操作资格报审表NO.3 安全生产管理制度报审表NO.4 安全生产责任制度报审表NO.5 安全生产管理目标实施考核表NO.6 安全防护、文明施工措施费用使用情况考核表NO.7 安全生产教育培训计划实施考核表NO.8 安全生产检查制度实施考核表2021.03.09NO.9 生产安全事故报告处理制度实施考核表NO.10 施工伤亡事故快报表NO.11 安全物质进场查验制度考核表NO.12 危险源识别与控制措施考核表NO.13 施工组织设计安全专项施工方案编制审批制度考核表NO.14 安全技术交底抽查项目考核表NO.15 安全技术标准、规范和操作规程抽查考核表NO.16 设备安全管理制度实施考核表NO.17 大型设备装、拆安全控制验收报审表NO.18 施工现场环境与卫生标准实施报审表NO.19 施工现场作业人员意外伤害保险办理情况考核表NO.20 施工现场安全警示标志考核表NO.21 安全技术交底NO.22安全生产情况月报表第三节安教表NO.1 新工人入场三级安全教育汇总表NO.2 新工人三级安全教育汇总表NO.3 变换工种安全教育培训登记表2021.03.09NO.4 (特种)作业人员安全教育培训登记表NO.5 管理人员安全教育培训登记表NO.6 员工安全教育培训计划第四节安检表NO.1 建筑施工安全检查评分汇总表NO.2 安全管理检查评分表NO.3 文明施工检查评分表NO.4 基坑支护安全检查评分表NO.5 模板工程安全检查评分表NO.6 “三宝”、“四口”防护检查评分表NO.7 施工用电检查评分表NO.8 起重吊装安全检查评分表NO.9 施工机具检查评分表NO.10 施工现场环境与卫生:一般规定NO.11 施工现场环境保护:防治大气污染检查NO.12 施工现场环境保护:防治水土污染检查NO.13 施工现场环境保护:防治施工噪声污染检查NO.14 施工现场环境卫生:临时设施检查NO.15施工现场环境卫生:卫生与防疫检查第五节安验表2021.03.09NO.1 施工机具及配件安装验收表NO.2 施工现场临时用电检查验收表NO.3 扣件式钢管脚手架搭设验收表NO.4 施工现场消防设施检查验收表第六节安记表NO.1 安全检查记录(通用)NO.2 班组班前安全活动记录NO.3 施工起重机械运行记录NO.4 电工巡检维修记录NO.5 施工现场临时用电设备检查记录NO.6 安全防护用具检查维修保养记录NO.7 机械设备检查维修保养记录NO.8 施工机具及配件检查维修保养记录表NO.9 安全生产检查记录NO.10安全隐患整改通知单NO.11 安全生产例会记录安全生产管理制度分项评分表工程名称:单位(标段)工程名称施工单位评价单位评价负责人评分员序号评分项目评分标准评分方法扣减分应得分数扣减分数实得分数1 安全生产责任制度未按规定建立安全生产责任制度或制度不健全,扣10~25分责任制度中未制定安全管理目标或目标不齐全,扣5~10分承发包合同中无安全生产管理职责和指标,扣5~10分有关层次、部门、岗位人员以及总分包安全生产责任制未得到确认或未落实,扣5~10分未制定安全生产奖惩考核制度或制度不齐全,扣5~10分未按安全生产奖惩考核制度落实奖罚,扣3~5分查管理制度目录、内容,并抽查企业及施工现场相关记录252 安全生产资金保障制度未按规定建立制度或制度不齐全,扣10~20分未落实安全劳动防护用品资金,扣5~10分未落实安全教育培训专项资金,扣5~10分未落实保障安全生产的技术措施资金,扣5~10分253 安全教育培训未按规定建立制度,扣20分制度未明确项目经理、安全专职人员、特殊工种、待岗、转岗、换岗位职工、20制度新进单位从业人员安全教育培训要求,扣5~15分企业无安全教育培训计划,扣10分未按规定实施教育培训活动或实施记录不齐全,扣5~10分4 安全检查制度未按规定制定包括企业和各层次安全检查制度,扣20分制度未明确企业、项目定期及日常、专项、季节性安全检查的时间和实施要求,3~5分制度未规定对隐患整改、处置和复查要求,扣3~5分无检查和隐患处置、复查的记录或隐患整改未如期完成,扣5~10分155 生产安全事故报告处理制度未按规定制定事故报告处理制度或制度不齐全,扣5~10分未按规定实施事故的报告和处理,未落实“四不放过”,扣10~15分未建立事故档案,扣5分未按规定办理意外伤害保险,扣10分意外伤害保险办理率不满100%,扣1~10分未制定事故应急预案,未建立应急救援小组或指定专门应急救援人员,扣5~10分15分项评分100年月日资质机构与人员管理分项评分表工程名称:单位(标段)工程名称施工单位评价单位评价负责人评分员序号评分项目评分标准评分方法扣减分应得分数扣减分数实得分数1 企业资质和从企业资质与承发包生产经营行为不相符,扣30分查企业资质证书与30未有效落实各级安全技术交底,扣5~15分交底无书面交底记录,交底未履行签字手续,扣3~5分企业备份及施工现场交底资料5 安全技术标准、规范和操作规程未按有关规定配备相应的安全检测工具,扣5分配备的安全检测工具无生产许可证和产品合格证或证件不齐全,扣5分安全检测工具未按规定进行复查,扣5分查企业规范目录清单,抽查企业及施工现场的规范、标准、操作规程6 安全设备和工艺的选用选用国家明令淘汰的设备或工艺,扣10分选用国家推荐的新设备、新工艺、新材料,或有市级以上安全生产技术成果,加5分抽查施工组织设计和专项方案及其他记录分项评分100年月日设备与设施管理分项评分表工程名称:单位(标段)工程名称施工单位评价单位评价负责人评分员序号评分项目评分标准评分方法扣减分应得分数扣减分数实得分数1 设备安全管理未制定设备(包括应急救援设备)安装(拆除)、验收、检测、使用、定期保养、维修、改造和报废制度或制度不完善、不齐全,扣10~25分购置的设备,无生产许可证或产品合格证或证书不齐全,扣10~25分设备未按规定安装(拆除)、验收、检测、使用、保养、维修、改查企业设备安全管理制度,查企业设备清单和管理档案,抽查施工现场设备及管理资料25造和报废,扣5~15分向不具备相应租赁资质的企业和个人出租或租用设备,扣10~25分无企业设备管理档案台帐,扣5分设备租赁合同未约定各自安全生产管理职责,扣5~10分2 大型设备装拆安全控制装拆由不具备相应资质的单位或不具备相应资格的人员承担,扣25分大型起重设备装拆无经审批的专项方案,扣10分装拆未按规定做好监控和管理,扣10分未按规定检测或检测不合格即投入使用,扣10分抽查企业备份或施工现场方案及实施记录253 安全设施和防护管理企业对施工现场的平面布置和有较大危险因素的场所及有关设施、设备缺乏安全警示标志的统一规定,扣5分安全防护措施和警示、警告标识不符合安全色与安全标志规定要求,扣5分查相关规定,抽查施工现场204 特种设备管理未按规定制度管理要求或无专人管理,扣10分未按规定检测合格后投入使用,扣10分抽查施工现场155 安全检查测试工具管理未按有关规定配备相应的安全检测工具,扣5分配备的安全检测工具无生产许可证和产品合格证或证件不齐全,扣5分安全检测工具未按规定进行复查,扣5分查相关记录,抽查施工现场检测工具15分项评分100年月日安全生产业绩单项评分表工程名称:单位(标段)工程名称施工单位4 安全生产管理体系推行企业未贯彻安全生产管理体系标准,扣20分施工现场未推行安全生产管理体系,扣5~15分施工现场安全生产管理体系推行率低于100%,每低1%扣1分查企业相应管理资料20分项评分100年月日施工企业安全生产评价汇总表企业名称:经济类型:资质等级:上年度施工产值:在册人数:单位(标段)工程名称施工单位评价单位评价日期安全生产条件单项评价安全生产业绩单项评价序与评分分项实得分(满分100分)单项评分实得分(满分100分)①安全生产管理制度②资质、机构与人员管理③安全技术管理④设备与设施管理单项评分实得分①×0.3+②×0.2+③×0.3+④×0.2分项评分表中的实得分为零的评分项目数(个)分项评分表中的实得分为零的评分项目数(个)单项评分等级单项评分等级安全生产能力综合评价等级评价意见:评价负责人(签名)评价人员(签名)企业负责人(签名)企业签章工程项目安全生产评价表工程名称:单位(标段) 工程名称施工单位工程规模开、竣工日期1、安全生产管理检查(执行《施工企业安全生产评价标准》JGJ/T77-2003)序号评价项目评价评分序号评价项目评价评分1 安全生产保证体系2 企业资质和安全生产许可证3 安全生产责任制4 安全防护、文明施工措施费用的使用计划实施5 安全生产教育培训计划实施6安全生产检查制度实施7 生产安全事故报告处理制度实施8生产安全事故应急预案的建立与落实9 特种作业人员操作资格证10 三类人员考核合格证11 危险源识别与控制措施12施工组织设计、安全专项施工方案的审批13 安全技术交底、标准、规范和操作规程14施工现场作业人员意外伤害办理实施15 安全物质进场查验制度16机械设备、施工机具装、拆安全控制与验收2、项目施工安全检查(执行《建筑施工安全检查标准》JGJ59-99)1 安全管理2 文明施工工程项目安全生产保证体系报审表工程名称:.单位(标段)工程名称工程地点建筑面积结构类型工程造价层数工程规模监督注册号施工许可证号安全生产许可证号开竣工日期监督日期各方主体及有关机构资质等级主要负责人联系电话建设单位. . .勘察单位. .设计单位. . .施工单位. .监理单位. .审查机构.检测机构质量安全监督机构三类人员资格职务姓名职称资格证号安全培训合格证号安全考核合格证号单位负责人项目经理专职安全员审核结论:施工单位:审核单位:项目经理专职安全员专业监理工程师总监理工程师年月日年月日年月日年月日本表一式四份:施工、建设、监理、监督各一份。
施工现场安全标志牌一览表
年月表(七)--2
单位(项目)名称(盖章):××市××楼
1、本月平均人数(人):28人;其中:临时工(人):10人;
2、分包人员(人):8人
3、本月伤亡事故件数:1件;其中:死亡事故(件):0件;重伤事故(件):0件;轻伤事故(件):1件
4、本月伤亡人数(人):1人;其中:死亡人数(人):0人;重伤人数(人):0人;轻伤人数(人):1人
5、本月伤亡事故情况:
7、本企业职工以外人员伤亡情况:死亡(人):0人;重伤(人):0人;轻伤(人):1人
注:本表一式2份,1份工地留存,1份上报。
单位(项目)负责人:李四光填表人:卢小同填报日期:2003年04月30日
表(七)--1
注:本表一式2份,1份工地留存,1份上报。
特种作业人员持证上岗花名册
工程名称:表(六)
注:应附操作证书复印件。
项目负责人:填表人:填表日期:
班组班前安全活动记录表
工程名称:表(五)
变换工种工人安全教育登记表
注:特种作业人员变换工种须经有关部门重新培训考核发证。
三级安全教育登记卡工程名称:表(四)---2
注:本卡一式3份,公司、项目部、班组各1份。
安全教育登记表
表(四)---1
事故隐患整改反馈报告单
表(三)---3
注:本报告单一式2份,报告单位、复查单位各1份。
安全检查记录表
表(三)---1。