2020年九年级化学期中考试卷
- 格式:doc
- 大小:265.50 KB
- 文档页数:6
娄底地区2020版九年级上学期化学期中考试试卷(II)卷姓名:________ 班级:________ 成绩:________一、选择题 (共18题;共36分)1. (2分)下列变化中,属于化学变化的是()A . 风力发电B . 石油蒸馏C . 净化水D . 煤的干馏2. (2分) (2016九上·鄄城期中) 下列实验操作的图示正确的是()A . 放块状固体B . 读液体体积C . 闻气体气味D . 给液体加热3. (2分)(2017·通州模拟) ZPT常用作洗发液的主要去屑因子,分子式为C10H8N2O2S2Zn,ZPT不溶于水、无异味,具有极强的杀灭真菌作用,下列关于ZPT说法正确的是()A . ZPT中有25个原子B . ZPT是有机高分子化合物C . ZPT是由五种元素组成的D . 不溶于水、无异味属于物理性质4. (2分)(2017·三明模拟) 在一密闭容器中,有甲、乙、丙、丁四种物质,反应前他们的质量如图中白色条形所示,反应后他们的质量如图中黑色条形所示,下列说法正确的是()A . 该反应中甲是反应物B . 丙一定是该反应的催化剂C . 该反应为化合反应D . 甲和丁的质量变化之比为2:15. (2分) (2019八下·射阳期中) 下列说法不正确的是()A . 按体积分数计,空气中氮气约占B . 氧气性质比较活泼,能与许多物质发生氧化反应C . 在化学反应中催化剂可以改变反应速率和生成物的量D . 工业上利用氧气和氮气的沸点不同,从液态空气中分离出氧气的过程是物理变化6. (2分) (2016九下·敦煌期中) 环保部近日宣布,我国将再度重启绿色GDP研究,倡导绿色发展,保护生态环境.小梦提出下列环保建议:①开发新能源,减少化石燃料的燃烧;②使用手帕,减少餐巾纸的使用;③市内出行乘公交车或骑自行车,少开私家车;④使用一次性塑料餐具盒;⑤分类回收垃圾.其中你认为可行的是()A . ①②③⑤B . ①③④⑤C . ①③⑤D . ①②③④⑤7. (2分)(2018·德州) 下列化学用语书写正确的是()A . 银元素——AGB . 3个氧原子——O3C . 4个水分子——4H2OD . 镁离子——Mg+28. (2分) (2016九上·曹县期中) 钙是构成人体骨骼和牙齿的重要成分,儿童补钙剂葡萄糖酸钙中的“钙”指的是钙()A . 原子B . 离子C . 分子D . 元素9. (2分) (2018九上·兴化期末) 下列叙述正确的是()A . 原子是最小的粒子,不可再分B . 物质都是由分子构成的C . 带电的微粒都是离子D . 最外层电子数决定元素的化学性质10. (2分)(2017·商丘模拟) 下列有关水的说法中正确的是()A . 青少年长期饮用纯净水有利于身体健康B . 活性炭吸附水中的色素和异味时发生化学变化C . 电解水的实验说明水是由氢原子和氧原子构成的D . 天然水经沉淀、过滤、吸附和消毒后通常还是硬水11. (2分)据媒体报道,中国科学家于近日完成比太阳核心温度高三倍的聚变反应,一座核聚变反应堆已经喷射出温度达到5千万开氏度(相当于4999万摄氏度或者9千万华氏度)的等离子体,并且持续了102秒的时间.氘和氚是核聚变的原料,已知氘、氚原子核内都只有1个质子,但含不同数目的中子,聚变发生后,氘、氚原子核转变为氦原子核.根据以上叙述,下列说法正确的是()A . 核聚变是化学变化B . 氘原子和氚原子是氢的不同元素C . 氘原子和氚原子属于同种元素D . 氘原子和氚原子的相对原子质量相同12. (2分)下列实验操作示意图正确的是()A . 量取液体时的读数B . 稀释浓硫酸C . 过滤D . 判断酸和碱能否反应13. (2分) C2H6是和CH4化学性质非常相似的一种有机物,下列说法正确的是()A . C2H6比CH4中的C原子个数多B . 根据C2H6和CH4可知,有机物中都不含氧元素C . 相同质量的C2H6和CH4完全燃烧消耗的氧气质量相同D . 两种气体点燃前都需要验纯14. (2分) (2016九上·龙海期中) 下列说法中不正确的是()A . CO和CO2分子构成不同,所以化学性质不同B . 不同元素最本质的区别是质子数不同C . 原子不显电性,是因为原子中不存在带电的粒子D . 原子得到或失去电子就变成离子15. (2分) (2016九上·东湖期中) 下列对化学用语的表述正确的是()A . 2O﹣﹣表示两个氧元素B . 2N﹣﹣表示两个氮分子C . Ca2+﹣﹣表示钙元素显+2价D . FeSO4﹣﹣表示硫酸亚铁16. (2分) (2018九上·吴中月考) 鉴别下列各组物质所用的方法错误的一组是()选项鉴别的物质所加物质或方法A O2与CO2澄清石灰水B水与白醋闻气味C金刚石和石墨比较硬度D木炭与二氧化锰粉末观察颜色A . AB . BC . CD . D17. (2分)水是生命之源,下列关于水的说法错误的是()A . 水是一种最常见的溶剂B . 水污染与人类活动紧密相关C . 水是由氢、氧两种元素组成的D . 水分子由氢分子和氧分子构成18. (2分)(2018·芜湖模拟) 钼是植物和人体中重要的微量元素,是组成眼睛虹膜的重要成分,虹膜可调节瞳孔大小,保证视物清楚。
密 线学校 班级 姓名 学号密 封 线 内 不 得 答 题人教版2020—2021学年度上学期九年级化学(上)期中测试卷及答案(总分:100分 时间: 90分钟)一、单选题(本大题共15小题,共30.0分)1.下列各组物质的名称、俗名和化学式一致的是( )A. 氢氧化钠、烧碱、NaOHB. 氧化钙、消石灰、CaOC. 氧化铁、铁锈、FeOD. 水、干冰、H 2O2.正确规范的操作是实验成功和人身安全的重要保证。
下列实验操作正确的是( ) A.测定溶液pH B.配制溶液C. 称量固体D. 稀释浓硫酸3.下列物质暴露在空气中,质量增加且变质的是( ) A. 浓硫酸 B. 浓盐酸 C. 氢氧化钠 D. 食盐4.下列物质中,能将稀盐酸、石灰水、食盐水一次性区别开来的是( )A. 酚酞试液B. 石蕊试液C. 二氧化碳D. 铁粉 5.氢氧化钙的溶解度随温度升高而减小,要想把一瓶接近饱和的石灰水变成饱和溶液,具体措施有:6.①加入氢氧化钙;②加入水;③蒸发水;④降低温度;⑤升高温度,以上方法中,能达到目的是( ) A. ①②④ B. ①③④ C. ①②⑤ D. ①③⑤7.海洋是人类巨大的资源宝库,海洋资源的开发前景十分广阔。
下列有关海洋资源的叙述错误的是( ) A. 利用海水可以提取镁盐制取镁 B. 海水中溶解盐的质量分数高达5% C. 海底蕴藏着大量的煤、石油和天然气 D. 海洋中蕴含着丰富的海洋动力资源8.近年来,我国海水淡化工程总体规模稳步增长,对缓解今后淡水危机具有重要意义。
下列有关海水淡化的说法,错误的是( )A. 目前能做到规模化和产业化的主要是膜法和热法B. 海水淡化需要一定的成本和能耗,我们要珍稀每一滴水C. 蒸馏法淡化海水利用的原理是构成物质的微粒大小不同D. 为检验蒸馏法得到的冷凝水样中是否含有氯化钠,可向其中滴加几滴硝酸银溶液9.下列化学方程式书写正确且属于复分解反应的是( )A. CO 2+2NaOH =Na 2CO 3+H 2O题号一 二 三 四 总分 得分密 封 线 内 不 得 答 题B. CaCO 3+2HCl =CaCl 2+H 2O +CO 2↑C. BaCl 2+H 2SO 4=BaSO 4+HCID. Fe 2O 3+6HCI =2FeCl 2+3H 2O10.“宏观−微观−符号”是学习化学的重要内容和方法。
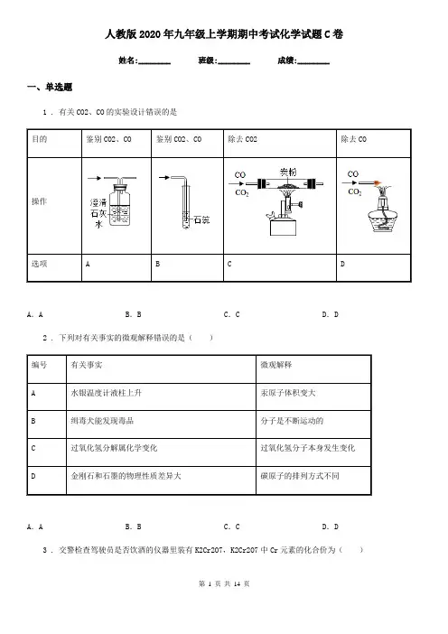
人教版2020年九年级上学期期中考试化学试题C卷姓名:________ 班级:________ 成绩:________一、单选题1 . 有关CO2、CO的实验设计错误的是目的鉴别CO2、CO鉴别CO2、CO除去CO2除去CO 操作选项A B C DA.A B.B C.C D.D2 . 下列对有关事实的微观解释错误的是()编号有关事实微观解释A水银温度计液柱上升汞原子体积变大B缉毒犬能发现毒品分子是不断运动的C过氧化氢分解属化学变化过氧化氢分子本身发生变化D金刚石和石墨的物理性质差异大碳原子的排列方式不同A.A B.B C.C D.D3 . 交警检查驾驶员是否饮酒的仪器里装有K2Cr2O7,K2Cr2O7中Cr元素的化合价为()A.+7价B.+6价C.+5价D.+4价4 . 实验室制取氧气和二氧化碳需选用的一组药品正确的是()A.双氧水、大理石与稀硫酸B.高锰酸钾、石灰石与稀硝酸C.双氧水与二氧化锰、石灰石与稀盐酸D.双氧水、石灰石与浓盐酸5 . 在点燃条件下,A和B反应生成C和D。
反应前后分子变化的微观示意图如下所示。
关于该过程,下列说法正确的是()A.一个A分子由3个原子构成B.A中氮元素与氢元素的质量比为l:3C.生成C和D的分子个数比为l:lD.该反应属于置换反应6 . 下列做法不符合“节能减排”的是A.大力普及私家轿车B.秸秆还田、作饲料,综合利用C.大力推广电代煤、燃气代替煤工程D.发展公共交通,提倡绿色出行7 . 生活中的下列现象不属于化学变化的是()A.玻璃破碎B.人畜粪便发酵成沼气C.动植物呼吸D.用葡萄酸葡萄酒8 . 下列是生活中的物质,不属于混合物的是A.矿泉水B.洁净的空气C.冰水D.加碘食盐9 . 下列化学符号中,能表示一个原子,一种元素,还能表示一种物质的是A.Cu B.O C.H D.Cl10 . 下列四种粒子的结构示意图中,说法正确的是()A.它们表示四种不同的元素B.②表示的是原子C.①③④表示的元素都是非金属元素D.①④表示的是阳离子11 . 已知某蜡烛在一密闭容器内燃烧至熄灭过程中,O2和CO含量随时间变化曲线如图通过对该图的分析推理,可得出的结论是()A.蜡烛发生了不完全燃烧B.蜡烛由碳、氢元素组成C.曲线①表示CO含量的变化D.蜡烛熄灭时,容器内氧气耗尽12 . 某同学用量简呈取液体时,先仰视读数为20mL,倒出一部分液体后,再俯视读数为11mL,则该同学倒出的液体体积为()A.小于9mL B.大于9mL C.等于9mL D.无法确定13 . 下列客现事实对应的微观解释正确的是()A.把液化气压缩进钢瓶﹣﹣分子体积变小B.公园里闻到花的香味﹣﹣分子不断运动C.电解水得到氢气和氧气一一水由氢分子和氧分子构成D.冰水混合物属于纯净物一一冰和水都含有相同原子14 . 下图为水电解的实验装置图和微观示意图,下列叙述不正确的是A.图1中a处的气体具有可燃性B.图1中水电解的反应类型是分解反应C.图2中水分解的微观顺序是acbD.图2中b属于化合物15 . 下列说法不正确的是A.原子的质量主要集中在原子核上B.分子、原子、离子都是构成物质的微粒C.原子通过得失电子可以形成离子,但离子不能形成原子D.氧原子的原子核内有8个质子和8个中子,则氧原子核外一定有8个电子16 . 下列粒子示意图中,表示﹣2价阴离子的是()A.C.D.B.17 . 如图所示的密闭装置中进行白磷燃烧试验,在白磷被点燃至装置恢复到室温的这段时间内,集气瓶中的下列物理量随时间变化的图象明显不正确的是A.A B.B C.C D.D18 . 以下物质的用途,利用其物理性质的是()A.氮气填充食品包装袋B.氧气供给呼吸C.活性炭用于防毒面具D.氢气可作燃料19 . 下列有关“化学与生活”的认识不科学的是A.天然气是应用广泛的燃料B.吃水果和蔬菜可以补充维生素C.可以食用甲醛溶液浸泡的海产品D.可降解塑料的问世减少了白色污染20 . 按体积分数计算,空气中含量最高的气体是A.氮气(N2)B.氧气(O2)C.二氧化碳气体(CO2)D.水蒸气(H2O)21 . 某科学家除去空气中的O2与CO2得N2样品,并在相同条件下比较等体积的样品质量(m1)与纯N2质量(m2),重复多次,结果均为m1>m2,样品中含哪种气体可解释该结果()A.氖B.氩C.甲烷D.水蒸气22 . 马铃薯富含淀粉、蛋白质、维生素 C、磷、钙等。
嘉定区2020学年九年级第一学期期中学业质量调研测试化学试卷可能用到的相对原子质量:H-1C-12O-16Cl-35.5S-32K-39一、选择题(1-20单项选择,21-25为不定项选择,共30分)1.银的元素符号是A.AgB.HgC.MgD.He2.属于化学变化的是A.瓷碗破碎B.风力发电C.石蜡熔化D.菜刀生锈3.垃圾分类回收是绿色新时尚,矿泉水瓶可归为A.湿垃圾B.有害垃圾C.干垃圾D.可回收垃圾4.空气中氧气的体积分数约为()A.78%B.21%C.0.94%D.0.03%5.属于化学性质的是A.导电性B.硬度C.可燃性D.密度6.属于纯净物的是A.海水B.蒸馏水C.自来水D.盐汽水7.化学式书写正确的是A.氧化镁:OMgB.氢氧化钙:CaOH2C.二氧化锰MNO2D.氯化钠:NaCl8.打雷时空气中的氮气和氧气会生成一氧化氮(NO)气体,其中氮元素的化合价是A.+2B.+1C.-2D.-19.下列对一些事实的解释中,不合理的是选项事实解释A八月十五桂花香分子不停地运动B 物质的热胀冷缩现象分子间的间隔改变C 1个水分子的质量约是3×10-26kg分子的质量很小D25m 3的氧气可以装入0.024m 3的钢瓶中氧分子的体积变小A.AB.BC.CD.D10.化学方程式书写正确的是A.S+O 2点燃SO 2↑ B.4P+5O 2点燃2P 2O 5C.Mg+O 2点燃MgO 2 D.4Fe+3O 2点燃2Fe 2O 311.实验操作正确的A.倾倒液体B.量取液体C.加热液体D.过滤12.酒精燃烧的化学反应方程式:2622C H O+3O 2X+3H O 点燃,则X 的化学式为A.COB.CO 2C.O 2D.C13.物质的用途主要是由其物理性质决定的是A.氮气用作保护气 B.氧气用于医疗急救C.氧气做火箭的助燃剂D.稀有气体用于制作霓虹灯14.物质燃烧的现象描述正确的是A.硫在氧气中燃烧发出淡蓝色火焰 B.碳在氧气中燃烧发出红光C.镁带在空气中燃烧发出耀眼的白光D.磷在空气中燃烧产生白色烟雾15.下列符号中,只表示微观意义的是A.HB.H2C.2O2D.He16.根据化学方程式:2H2+O2点燃2H2O不能获取的信息是A.氢气具有可燃性B.该反应属于化合反应C.氧气的密度比空气大D.每2mol氢气和1mol氧气在点燃的条件下反应生成了2mol水17.如图是测定空气中氧气的含量的实验装置。
江苏省常州市正衡初级中学2020学年度九年级化学期中质量检测卷说明:1.试卷满分为100分。
考试时间为90分钟。
考试时允许使用CZl206、HY82型函数计算器。
2.可能用到的相对原子质量:Ar(H)=1 Ar(C)=12 Ar(O)=16 Ar(Cl)=35.5 Ar(N)=14 Ar(I)=127 Ar(K)=39 Ar(Na)=23 Ar(Ca)=40 Ar(S)=32第Ⅰ卷一、选择题(本题包括20小题,共40分。
每小题只有一个选项符合题意)1.约五六千年前,半坡原始居民所从事的生产活动中,发生化学变化的是………………()A.建筑房屋 B.用麻织布 C.磨制石器 D.烧制陶器2.实验室里取8ml水进行加热,下列需用的化学仪器组合正确的是…………………………()①带铁夹的铁架台②10ml量筒③100ml量筒④酒精灯⑤石棉网⑥试管⑦试管夹⑧胶头滴管A.②④⑥⑦ B.①③④⑥⑧ C.①②④⑥⑧ D.①②④⑤⑥3.下列是某同学对一些实验或生活现象的分析,其中分析结论错误的是…………………()4.水是维持人类生命和健康的营养素之一,下列关于“水”的观点不科学的是…………()A.水通电分解,正极与负极产生的气体体积比是2:1B.硬水和软水可以用肥皂水加以鉴别C.生活中通过煮沸水可以降低水的硬度D.蒸馏水是由水蒸气冷凝得到的纯净的水5.人类生活离不开氧气。
下列关于氧气性质的说法错误的是………………………………()A.氧气在1.01×105Pa、—218.4℃的条件下可变为淡蓝色的雪花状固体B.铁丝在氧气中燃烧,火星四射,剧烈燃烧,生成物是黑色的四氧化三铁C.鱼类能在水中生活,证明氧气在水中有一定的溶解性D.自然界中发生的燃烧、动植物呼吸、金属的锈蚀都是缓慢氧化的过程6.新型胃动力药吗丁啉的每个分子中含223个碳原子、24个氢原子、1个氯原子、5个氮原子、2个氧原子,由此可判断吗丁啉组成中含有的元素种类是……………………………………………()A.223种 B.255种 C.5种 D.无法确定7.“淮牌精制海盐”是生活中常用的食盐,配料主要是精制海盐、碘酸钾。
2020年秋季学期九年级化学期中质量检测试卷考试时间:90分钟满分:100分可能用到的相对原子质量:C—12 H—1 O—16一、选择题(本大题有20小题,每小题2分,共40分,每小题有四个选项,其中只有一个选项符合题意。
)1.组装一套的化学实验装置,一般应遵循的次序是A.自下而上,再从左到右 B.自上而下,再从左到右C.从右到左,再自上而下 D.自下而上,再从右到左2.实验室欲制备一氧化氮气体。
已知该气体的密度比空气大,难溶于水,常温下一氧化氮与空气中的氧气发生反应,生成二氧化氮。
收集一氧化氮气体的方法是A.向下排空气法 B.向上排空气法C.排水法D.向上排空气法或排水法3.下列实验操作的“先、后”顺序正确的是A.先装好药品,后检查装置的气密性B.用胶头滴管吸取液体,先插入被吸液体,再按住胶头C.给试管里液体加热时,先均匀受热,再集中加热D.用排水法集满气体后,先熄灭酒精灯,后撤导气管4.正确记录实验数据是一项实验基本技能。
某同学记录的实验数据错误的是A.用托盘天平称取13.2g食盐固体B.用10mL量筒量取8.36mL蒸馏水C.向10mL试管中倒入约3mL蒸馏水D.普通温度计上显示的室温读数为25.5℃5.以下实验基本操作正确的是A. B.C.D.6.关于“催化剂”在化学反应前后的说法有:①质量减少;②质量不变;③化学性质改变;④化学性质不变;⑤二氧化锰可作各种化学反应的催化剂。
在上述说法中正确的是A.②和④B.①和③C.②和③D.②③和⑤7.在对人体呼出的气体进行探究前,甲同学根据生物学知识提出:“呼出气体中的水蒸气可能比空气中的多”。
那么,这属于科学探究的哪一环节A.猜想或假设 B.提出问题 C.制订计划 D.得出结论8.下列各图为检查装置气密性的操作,其中漏气的装置是A. B. C. D.9.高铁酸钠(Na2FeO4)是一种新型高效水处理剂。
下列有关高铁酸钠的说法错误的是A.属于氧化物 B.钠、铁、氧三种元素的质量比是23∶28∶32C.铁元素化合价为+6 D.由两种金属元素和一种非金属元素组成10.在医院里给病人输氧时,常使用下图所示装置。
2020—2021学年度第一学期期中调研考试九年级化学试题可能用到的相对原子质量:H-1C-120-16第I 卷(选择题,共24分)一、本大题共8小题,每小题3分,共24分。
每题只有一个选项符合题目要求。
1.下列关于氧气的说法错误的是()A.分离液态空气获得氧气是物理变化B.植物的光合作用会消耗氧气C.氧气大约占空气体积的21%D.纯氧可以用于医疗急救2.下列实验操作不正确的是()A.倾倒液体药品B.点燃酒精灯C.检验气密性D.闻药品气味3.下列化学符号中数字“2”的意义正确的是()A.Fe 2+:一个铁离子带2个单位正电荷B.O Ca 2 :氧化钙中钙元素化合价为+2价C.CO 2:1个二氧化碳分子中含有1个氧分子D.2H:2个氢分子4.2020年10月5日,黑龙江鸡东县一家9人在家中聚餐时疑似食物中毒,8人死亡,经流行病学调查和疾控中心采样检测后,在其食用的玉米面中检出高浓度米酵菌酸(C 28H 38O 7).下列关于米酵菌酸的说法正确的是()A.米酵菌酸属于氧化物B.米酵菌酸的相对分子质量为486gC.米酵菌酸中碳元素的质量分数最大D.米酵菌酸由28个碳原子、38个氢原子和7个氧原子构成5.下列推理或归纳合理的是()A.在化合物中金属元素一定显正价,非金属元素不可能显正价B.铁丝能在氧气中燃烧,空气中有氧气,所以铁丝也能在空气中燃烧C.同种元素的原子质子数相同,所以具有相同质子数的粒子一定是同种元素D.化合物是由不同元素组成的纯净物,所以只含一种元素的物质一定不是化合物6.某反应的微观示意图如下,有关说法不正确的是()A.a物质中氮元索的化合价为+3价B.该反应中所涉及的四种物质有一种单质C.a、b、c、d四种物质均由分子构成D.该反应过程中,原子的种类没有发生改变7.对资料或实验证据的分析氧气的质量是否正确,直接关系到科学探究是否符合客观事实。
如图为实验室用等质量的高锰酸钾和氯酸钾(另加少量二氧化锰)分别制取氧气的数据分析示意图。
人教版九年级化学上册期中考试卷(含答案与解析)(时间:60分钟,满分100分)学校:___________班级:___________姓名:___________考号:___________一、选择题(20小题,每小题2分,共40分)1、下列变化属于物理变化的是()A.蜡烛燃烧B.水的电解C.干冰升华D.铁的冶炼2、空气中各成分体积分数如图所示,其中区域“a”代表的是()A.氧气B.氦气C.氮气D.二氧化碳3、物质的下列性质中,属于化学性质的是()A.颜色、气味B.密度、硬度C.氧化性、可燃性D.熔点、沸点4、臭氧(O3)能杀死细菌,可用作消毒杀菌剂。
臭氧属于()A.纯净物B.混合物C.氧气D.稀有气体5、下列物质由分子直接构成的是()A.氧气B.金刚石C.铜D.氯化钠固体6、2020年6月,某高速路上一辆液化石油气槽罐车发生爆炸,爆炸产生的以下物质不属于空气污染物的是()A.NO2B.COC.粉尘 D H2O7、碳酸氢钠(NaHCO3)俗名小苏打,常用作食品加工方面的发酵剂。
关于小苏打中碳元素的化合价计算正确的是A.-2B.+2C.+4D.+68、下列示意图所示,是初中化学常见的气体,其中有一种可用于食品防腐,也用于充装易变形、易碎食品。
这种气体是()A. B.C. D.9、下列事实能够说明“分子在不停地运动”的是()A.公园里花香四溢B.春天里柳絮飞扬C.海面上浪花飞溅D.天空中乌云翻滚10、列物质在氧气中燃烧,产生大量白烟的是()A.红磷B.铁丝C.硫D.碳11、如图是某元素的原子结构示意图,下列有关该原子的说法错误的是()A.质子数为11 B.易得电子形成阴离子C.最外层有1个电子 D.该原子有三个电子层12、下列关于空气的说法错误的是()A.氮气和氧气约占空气体积的78%和21%B.目前计入空气污染指数的有害气体包括SO2、CO2、NO2等C.工业上利用分离液态空气制取氧气,这一过程属于物理变化D.为改善空气质量,提倡“绿色出行”,以公共交通工具为主13、下列关于水的说法正确的是()A.用肥皂水不能区别硬水和软水B.蒸馏后得到的水是纯净物C.生活污水可以随意排放D.在河水样品中加入明矾可以除去水中所有杂质14、下列图示实验操作中,正确的是()A. 读取液体体积B. 加入块状药品C. 点燃酒精灯D. 倾倒液体15、氧气是空气的主要成分之一。
2020—2021年人教版九年级化学上册期中考试卷及答案【完美版】(时间:60分钟分数:100分)班级:姓名:分数:一、选择题(每小题只有1个选项符合题意。
共20小题,每题2分,共40分)1、下列关于化学反应2X+Y==2Z的叙述,错误的是()A.Z一定是化合物B.在反应中X、Y、Z三种物质的粒子数目比为2:1:2C.若X和Y的相对分子质量分别为M和N,则Z的相对分子质量为(M+N)D.若ag X完全反应生成bgZ,则同时消耗(b-a)gY.2、实验室用氯酸钾固体(二氧化锰作催化剂)制取氧气,下列装置组合正确的是()A.①③B.①⑤C.②③D.②④3、一定质量的锌、铁分别和等量的盐酸反应,产生氢气质量与时间的关系如图所示,下列说法不正确的是()A.t1时,产生氢气的质量锌比铁大 B.t1时,产生氢气的速率锌比铁大C.t2时,参加反应锌的质量与铁相同 D.t2时,锌、铁消耗的盐酸质量相同4、地壳中含量最多的非金属元素是()A.Si B.Fe C.Al D.O5、下列有关实验操作的“先”与“后”的说法中,正确的是()A.制取气体时,先装药品,后检查装置的气密性B.用托盘天平称量10g固体药品时,先放砝码,后放药品C.用滴管取细口瓶内的液体时,先将其伸入液体内,后挤压取液D.加热KMnO4并用排水法收集O2的实验结束时,先熄灭酒精灯,后移出导管6、将呼出的气体与空气相比较,含量明显降低的是()A.稀有气体 B.氧气C.二氧化碳 D.氮气7、为了除去粗盐中的Ca2+、Mg2+、SO42﹣及泥砂,可将粗盐溶于水,然后进行下列五项操作①过滤;②加过量NaOH溶液;③加适量盐酸;④加过量Na2CO3溶液;⑤加过量BaCl2溶液.下列操作顺序中最合适的是()A.②④⑤①③B.⑤④②③①C.⑤②④③①D.②⑤④①③8、化学概念在逻辑上存在如下关系()下列对概念间相互关系的说法正确的是A.混合物与纯净物属于交叉关系 B.糖类与淀粉属于并列关系C.中和反应与复分解反应属于并列关系 D.合成材料与塑料属于包含关系9、甲、乙、丙有如图所示的转化关系(“→”表示反应一步实现,部分物质和反应条件已略去),下列各组物质按照甲、乙、丙的顺序不符合要求的是()A.C、CO、CO2B.H2O2、H2O、O2C.KOH、K2CO3、KNO3D.Fe2O3、FeCl3、Fe(OH)310、“84消毒剂”是以次氯酸钠为主要有效成分的消毒液。
2020-2021学年第一学期期中考试九年级化学试卷(满分为100分,考试时间为60分钟)可能用到的相对分子质量: H:1,C:12, O:16,N-14 Br- 80 Ca:40一、选择题(本大题包括 12 小题,每小题 3 分,共 36 分。
每小题只有一个选项正确) 1.下列变化不属于化学变化的是()A.植物的光合作用B. 冰雪融化C. 白磷自燃D.食物腐烂2. 某物质只含一种元素,则该物质()A.一定是单质 B.一定是混合物 C.一定是纯净物 D.一定不是化合物3. 下列叙述完全符合质量守恒定律的是( )A.水结成冰前后,质量保持不变B.50 ml水和50 ml乙醇混合后总体积小于100 mlC.在100 g过氧化氢溶液中,含有30 g过氧化氢和70 g水D.1.2 g碳与3.2 g氧气恰好完全反应可生成4.4 g二氧化碳4.某+4价元素R的氧化物中含氧的质量分数约为72.7%,则该元素的相对原子质量为A 12B 16C 64D 235.民族英雄于谦的石灰吟:“千锤万凿出深山,烈火焚烧若等闲。
粉身碎骨浑不怕,要留清白在人间。
”请你从化学的视角,找出符合诗句中物质变化顺序的选项()A、CaCO3→Ca(OH)2→CaO→CaCO3B、CaCO3→CaO→Ca(OH)2→CaCO3C、CaCO3→Ca(OH)2→CaCl2→CaCO3 C、Ca(OH)2→CaCO3→CaO→CaCO36、化学实验操作中常常有许多“先后”之分,否则就会出现事故或者使实验失败。
下列实验操作的先后顺序正确的是()A.检查装置气密性时,先用手紧捂试管,后将导管伸入水中B.实验室制取二氧化碳时,先加稀盐酸,后加石灰石C.用滴管吸取液体时,先在空气中挤捏胶帽排出空气,后伸入液体中吸取D.排水法收集氧气,先熄灭酒精灯,后移出导气管7. 某化合物X在催化剂的作用下被氧化的方程式为;4X + 5O 2 4NO + 6H2O,根据质量守恒定律,X的化学式为______A. NH3B.NH2C.NH4D.N2H28.把一定质量的甲,乙、丙、丁四种物质放入一密闭容器中,在一定条件下反应一段时间后,测得反应后各物质的质量分数变化如图所示。
名校调研系列卷.九年级期中测试化学(人教版)可能用到的相对原子质量:H-1 C-12 N-14 O-16 K-39 Mn- 55一、选择题(选择题包括10小题,每小题3分,共30分,每小题只有一个选项符合题意)1.物质的下列四种性质中。
有一种与其他三种有本质区别,这种性质是A硬度B熔点C.可燃性D.导电性2.老年人缺钙易导致骨质疏松,这里的“钙”指的是A.分子B.原子C.单质D.元素3. 下列实验操作规范的是A.取用少量液体B.闻气味C.取用固体粉末D.加热液体4.“风蒲猎猎小池塘,过雨荷花满院香”。
用微粒观点解释我们能闻到荷花香的原因是()A.分子间有间隔B. 分子的体积很小C. 分子在不断运动D. 分子大小发生了变化5.下列说法正确的是A.空气中含量最多的是氧气B.氧气可用作火箭发射的燃料C.硫在空气中燃烧发出明亮的蓝紫色火焰D.空气中含有氮气、氧气、二氧化碳等分子6.某同学将蜡烛燃烧后的蜡油收集起来.发现质量变小,下列说法中,正确的是( )A.蜡烛减少的质量定等于生成物的质量B.要分析此现象,必须考虑所有的反应物和生成物C.燃烧后各生成物的质量一定等于燃烧前蜡烛的质量D.蜡烛燃烧后质量变小,说明蜡烛燃烧时质量不再守恒7.水与人们的生活息息相关,下列有关水的说法不正确的是A.过滤能降低水的硬度B,长期饮用蒸馏水不利于人体的健康C.用肥皂水鉴别硬水和软水D.蒸馏可得到纯度很高的水8.研究人员发明了世界上最黑的物质“超级黑”,它是用比头发丝细一万信的碳纳米管(碳单质)制造的,其导热效率为铜的七倍,坚固程度为钢的十倍。
下列说法正确的是()A. “超级黑”说明破单质都是黑色B. “超级黑”的结构和性质与金刚石相似C.“超级黑”在一定条件下能够燃烧D. “超级黑”是一种新型的金属材料9.豆浆被称为“植物奶”,其中含有的异黄酮(C15H10O2)具有防癌功能.下列关于异黄酮说法正确的是A.异黄酮中共含有27个原子B.异黄酶中碳元素的质量分数最大C.1个异黄酮分子中含有1个氧分子D.异黄酮中C.H.O三种元素的质量比为15:10:210.下列对有关实验的分析正确的是二、非选择题(本题包括15小题,每空1分,化学方程式2分,共70分)11.根据化学用语知识填空:(1)3个碳酸根离子;(2)保持氮气化学性质的最小粒子;(3)“H2O”中数字2的意义是。
最新人教版九年级下册化学第八单元金属和金属材料期中试卷一(考试时间:90分钟,总分100分)班级:__________ 姓名:__________ 分数:__________一、单选题(每小题3分,共计24分)1、下列实验方案能达到目的的是A.用铁丝燃烧测定空气中氧气的含量B.用洗洁精的泡沫水检验硬水和软水C.用闻气味的方法鉴别氨水和蒸馏水D.用食盐水除去铁制品表面的铁锈2、观察是学好化学的一个重要方法。
下列对实验现象描述正确的是A.铁丝伸入稀盐酸中,其表面产生大量氢气B.铁丝放在空气中,其表面很快形成红色物质C.铁丝在氧气中剧烈燃烧、火星四射、生成黑色固体D.铁丝伸入硫酸铜溶液中,其表面形成一层银白色固体3、化学与生产、生活密切相关。
下列说法不正确的是A.铝比铁活泼,所以铁制品比铝制品更耐腐蚀B.室温下存放的蜡烛不会燃烧,是由于还没有达到它的着火点C.将“地沟油”经加工处理变生物柴油,实现了厨余垃圾的合理利用D.进入久未开启的菜窖之前做灯火实验4、下列除杂方法正确的是A.A B.B C.C D.D5、理科学习对逻辑思维能力有较高的要求.下列说法正确的是A.合金中不一定都是金属,但至少含有两种金属B.“氢前置氢”,所以铁可以置换出硫酸中的氢气C.同种元素的原子和离子相比,质子数相同,核外电子数不同,所以化学性质不同D.使用化石燃料会造成环境污染,因此应停止化石燃料的开采和利用6、世界每年因锈蚀而损失的金属数量巨大,防止金属锈蚀已成为科学研究中的重大问题。
下列有关金属锈蚀与保护的措施中不正确...的是A.铝的抗腐蚀性能比铁强,生活中可用钢丝球洗刷铝锅B.同样的铁制品在海南比在兰州更易锈蚀C.根据金属与氧气反应的难易程度可以初步比较金属的活动性D.金属资源是不可再生资源,要有计划、合理开采7、已调平的托盘天平(高灵敏度)两边各放一个等质量的烧杯,向烧杯中倒入质量相等、质量分数也相等的足量的稀硫酸,然后在左边的烧杯中放入一定质量的镁粉,同时在右边的烧杯中放入等质量的锌粉,在实验过程中天平指针的偏转情况为A.先左后右B.先右后左C.向右偏D.向左偏8、下列实验方案正确的是A.区别CuSO4溶液、FeSO4溶液和NaCl溶液—观察溶液颜色B.区别开CO、H2、CH4三瓶无色气体—点燃、观察火焰颜色C.除去铁粉中的铜粉—稀盐酸D.除去CO2中的CO—点燃二、填空题(每小题4分,共计20分)1、随着科技进步,金属冶炼技术不断发展。
新疆乌鲁木齐市2020版九年级上学期化学期中考试试卷D卷姓名:________ 班级:________ 成绩:________一、单选题 (共20题;共40分)1. (2分)下列叙述中正确的是()A . 硫燃烧需要先点燃,所以硫燃烧是吸收热量的B . 水蒸气液化放出热量,这是化学反应的放热现象C . 化石燃料的燃烧都放出热量D . 干冰升华时需吸收大量热,这是化学反应中的吸热现象【考点】2. (2分) (2019九上·兴平月考) 近段时间几乎笼罩全国连续多日的雾霾天气给人们的生活、工农业生产都带来的极大的影响,为了减轻这一天气对人类的危害。
下列做法不合理的是()A . 举行“地球一小时”熄灯活动B . 雾霾天出门戴N95专业口罩(过滤孔径在0.1微米左右)C . 严格要求各企业一定要达标排放,特别是高能耗企业D . 为了减小PM2.5对环境的影响,禁止家庭使用私家车【考点】3. (2分)(2018·桂林) 地壳中含量最多的元素是()A . 氧B . 硅C . 钙D . 铁【考点】4. (2分) (2017九上·全椒期末) 下列各组物质按单质、化合物和混合物顺序排列的是()A . 冰、生石灰、天然气B . 金刚石、高锰酸钾、石油C . 液态氧、碘酒、生理盐水D . 甲烷、盐酸、酒精【考点】5. (2分) (2019九上·沈阳月考) 当打开一个装有液态空气的容器盖,并将一根燃着的木条置于容器口上方时,观察到的现象是()A . 燃烧得更旺B . 燃着的木条熄灭C . 先燃烧得更旺,后熄灭D . 无明显现象【考点】6. (2分) (2019九上·伊宁期中) 普通食醋中含3%~5%的醋酸。
下列属于醋酸化学性质的()A . 常温下为无色液体B . 能溶于水C . 易挥发D . 能腐蚀铁制炊具【考点】7. (2分) (2016九上·江津月考) 下列物质分解后的几种产物中,含有单质和氧化物的是()①水②双氧水③氯酸钾④高锰酸钾A . ①②B . ③④C . ①③D . ②④【考点】8. (2分)下列物质在氧气中充分燃烧后,能生成白色固体的是()A . 氢气B . 酒精C . 铁丝D . 红磷【考点】9. (2分) (2016九上·宛城期中) 饮料中的果味大多来自酯类.丁酸乙酯(C6H12O2)是无色具有菠萝香味的液体,常用作食品、饮料的调香剂.下列叙述中正确的是()A . 丁酸乙酯是由20个原子构成的B . 丁酸乙酯的相对分子质量为116gC . 丁酸乙酯中碳、氢、氧元素的质量比为18:3:8D . 一个丁酸乙酯分子中,含有一个氧分子【考点】10. (2分)(2017·苏州模拟) “火法炼铜”时发生的主要反应为Cu2S + O2 2Cu + SO2 ,该反应属于()A . 化合反应B . 分解反应C . 置换反应D . 复分解反应【考点】11. (2分)(2017·清苑模拟) 如图所示的实验操作正确的是()A .B .C .D .【考点】12. (2分)(2017·来宾) 如图商品包装盒上的“钙”和“锌”指的是()A . 元素B . 原子C . 离子D . 分子【考点】13. (2分)已知亚硫酸钠对应的亚硫酸盐中硫元素的化合价为+4,则亚硫酸钠的化学式为()A . H2SO4B . SO2C . Na2SO3D . H2SO3【考点】14. (2分)(2017·自贡) 水是生命之源,下列有关水的说法不正确的是()A . 地球上的水储量是丰富的,可供利用的淡水资源是无限的B . 生活中通过煮沸的方法可以降低水的硬度C . 用蒸馏的方法可以将海水淡化D . 爱护水资源主要从节约用水和防治水体污染两方面采取相应措施【考点】15. (2分) (2019九上·大同期中) 下列四个图像中,能正确反映对应关系的是()A . 加热一定量的高锰酸钾B . 加热一定量的氯酸钾和二氧化锰的混合物C . 电解一定量的水D . 分别用等体积等浓度的过氧化氢溶液制取氧气【考点】16. (2分) (2017九上·永定期中) 6000升氧气在加压的情况下可装入容积为40升的钢瓶中。
沈阳市新民市2020年九年级上学期化学期中考试试卷C卷姓名:________ 班级:________ 成绩:________一、选择题 (共14题;共14分)1. (1分)下列图示实验操作正确的是()A . 读取液体体积B . 倾倒液体C . 闻气体气味D . 给液体加热2. (1分)下列化学用语与含义相符的是()A . Ca+2(钙离子)B . MgCl2(氯化镁)C . 2H(2个氢元素)D . O2(2个氧原子)3. (1分)(2019·宜宾模拟) 10月16日至25日,第七届全国城市运动会在江西省南昌市举行,在开幕式上的精彩表演中,发生化学变化的是()A . 焰火表演B . 霓虹灯表演C . 音乐喷泉D . 气球升空4. (1分)(2018·松北模拟) 下列实验现象记录正确的是()A . 硫在氧气中燃烧,产生淡蓝色火焰,放出热量B . 氢气还原氧化铜:紫红色固体变为黑色C . 向氢氧化钾溶液中滴入几滴氯化铁溶液:无色溶液中产生红褐色沉淀D . 大理石中加入少量稀盐酸:白色固体表面有气泡冒出,固体减少至消失5. (1分) (2018九上·北京期中) 科学家曾在宇宙中发现了一种由氢元素组成的物质,可表示为H3 ,下列说法正确的是()A . 这种物质属于单质B . H3与H2混合在一起,属于纯净物C . 这种物质是氢气D . H3是一种氢的化合物6. (1分) (2016九上·双流期中) 6000L氧气在加压情况下能装入容积为40L的钢瓶中,其主要原因是()A . 分子的体积很小B . 分子的质量很小C . 加压时分子体积变小D . 加压时分子间的间隔变小7. (1分) (2019九上·伊宁期中) 2017年6月5日是世界环境日,中国的主题是“绿水青山就是金山银山”。
下列行为符合该理念的是()A . 塑料制品很便宜,用完就扔B . 大量燃放烟花爆竹,增强节日气氛C . 实验后的废液直接倒入水池中D . 尽量乘公交车或骑自行车出行8. (1分) (2019九上·金坛月考) 下列关于电解水的说法中,正确的是()A . 电解水时,正极上产生的气体与负极上产生的气体质量比约为1:2B . 电解水能产生氧气,是因为在水中溶解有一定量的氧气C . 电解水实验中,为增强水的导电性,常在水中加入少量的稀硫酸或氢氧化钠D . 电解水时生成氧气和氢气,说明水是由氧气和氢气组成的9. (1分) (2016九上·利川期中) 下列说法错误的是()A . 构成物质的微粒有原子、分子、离子B . 墙内开花墙外香,说明分子是不断运动的C . 在发生化学变化时,原子种类不变,元素种类也不变D . 保持水的化学性质的粒子是氢分子和氧原子10. (1分)(2018·河北) 下图所示是某化学反应的微观示意图,下列说法正确的是()A . 该反应属于置换反应B . 生成物丙由2个氢原子和1个氧原子构成C . 生成物丁中碳和氧元素的质量比为1:2D . 参加反应的甲和乙的分子个数比为2:711. (1分)(2019·濉溪模拟) 铁是人体必需的微量元素。
福建省2020版九年级上学期化学期中考试试卷C卷姓名:________ 班级:________ 成绩:________一、选择题 (共9题;共18分)1. (2分)加热某种固体有气体产生,对于这一变化的分析正确的是()A . 是化学变化B . 可能是物理变化,也可能是化学变化C . 是物理变化D . 既不是物理变化,也不是化学变化2. (2分)下列实验操作正确的是()A . 氧气的验满B . 浓硫酸的稀释C . 过滤D . 给液体加热3. (2分)下列物质的鉴别方法错误的是()A . 用木条鉴别浓盐酸和浓硫酸B . 用肥皂水鉴别硬水和软水C . 用燃着的木条鉴别二氧化碳和氮气D . 用水鉴别硝酸铵和氢氧化钠固体4. (2分)小玲同学对所学的部分化学知识作了如下归纳,其中有错误的一项是()A、化学之最①地壳中含量最多的元素是氧元素②自然界中最硬的物质是金刚石B、实验安全①点燃可燃性气体,先检验气体纯度②稀释浓硫酸时,将水注入浓硫酸中C、环保理念①研制和开发新能源替代传统能源②减少使用一次性塑料袋D、生活经验①利用洗涤剂的乳化作用清洗油污②利用煮沸的方法软化硬水A . AB . BC . CD . D5. (2分) (2015九上·蓝田期末) 高铁酸钠是一种能氧化、杀菌、脱色、除臭的新型高效水处理剂.其化学式为Na2FeO4 ,其中Fe元素的化合价是()A . +6B . +4C . +3D . +26. (2分)下列做法中,不利于保护水资源的是A . 使用节水型马桶B . 合理使用农药和化肥C . 生活污水任意排放D . 工业废水处理达标后排放7. (2分)(2016·呼和浩特) 下列说法中正确的是()A . 当水结成冰时,分子的运动就停止了B . 电子数相同的微粒化学性质相同C . 分子都是由不同原子构成的D . 结构示意图为和的微粒,表示的是同种元素的不同微粒8. (2分) (2016九上·射阳期中) 劣质的塑胶有一股浓浓的塑胶味扑鼻而来,主要是甲苯、二甲苯等物质超标,甲苯的化学式为C7H8 .下列关于甲苯的说法中正确的是()A . 甲苯分子的相对分子质量为92gB . 甲苯由碳和氢气组成C . 甲苯由7个氢原子和8个氧原子构成D . 等质量的甲苯和水所含的分子数目比为9:469. (2分)(2018·通州模拟) 下表是某同学在错题本中整理的部分内容,其中完全正确的是()A.化学用语B.现象描述H——表示一个氢分子2Fe2+——表示两个铁离子红磷在氧气中燃烧——产生大量白雾硫在空气中燃烧——产生蓝紫色火焰C.性质与其对应用途D.事实与解释石墨质软而滑腻——做润滑剂N2常温下性质稳定——制氮肥、炸药端午时节粽飘香——分子不断运动O2和O3化学性质不同——分子构成不同A . AB . BC . CD . D二、选择填充题 (共1题;共2分)10. (2分)(2017·濠江模拟) 某种电池的正极材料由锂(Li)、钴(Co)和氧元素组成,三种元素的化合价分别是+1、+3、﹣2,则该物质的化学式为()A . LiCoOB . LiCoO2C . LiCoO3D . LiCoO4三、填空题 (共6题;共32分)11. (7分)(2017·西塞山模拟) 化学基础知识是学好化学的关键,请按下列要求填空.(1)请用化学符号填空:①两个氮分子________;②铝离子________.(2)如图中A、B、C、D是四种粒子的结构示意图,E是钙元素在元素周期表中的信息.请回答下列问题:(填序号)①A、B、C、D四种粒子结构示意图中,属于同种元素的粒子是________.②A粒子的化学性质与B、C、D中哪一种粒子的化学性质相似________.(3)如图所示是某化学反应的微观示意图.其中不同的小球分别代表不同元素的原子.请回答一下问题:①该反应________(选填“属于”或“不属于”)置换反应,共有________种生成物.②该反应的化学方程式为:________.12. (2分)(2016·河南) 盐酸除铁锈(Fe2O3)的化学方程式为________.金属铝较活泼,为什么通常铝制品却很耐腐蚀?________.13. (2分)(2015九上·湘西期中) 碘的原子结构示意图如图1所示,试回答:(1) X的值为________.(2)碘元素的化学性质与图2哪种元素的化学性质最相似________ (填序号).14. (5分) (2016九上·太原期中) 含碳物质在生活、生产中扮演着重要的角色.以下三个反应都是生活、生产中常见反应.①汽车中存在:H2CO3=H2O+X↑②工业制生石灰:CaCO3 CaO+CO2↑③铜锈受热时涉及:Cu2(OH)2CO3 2CuO+H2O+CO2↑(1)①中X的化学式是________,该反应的基本反应类型是________.(2)上述三个反应有许多相似之处,请写出其中一条________;这三个反应也有许多不同之处,请指出其中一个反应与另外两个的不同之处(答一条)________.(3)请再写出一个有CO2生成的化学方程式________.15. (8分)赤铜是一种铜的氧化物,因其外观与铜粉的颜色相似,故名“赤铜”.某兴趣小组欲确证草酸晶体的热分解产物,并测定赤铜的化学式,请你参与过程分析.【资料】1、草酸晶体(H2C2O4•3H2O)在浓硫酸作用下受热分解,化学方程式为:H2C2O4•3H2O CO2↑+CO↑+4H2O2、浓硫酸具有吸水性,常用作气体干燥剂;无水硫酸铜遇水分变蓝色(1)下列可用作草酸晶体在浓硫酸作用下加热分解的装置如图1所示是________(填字母编号).(2)【问题讨论】用如图2所示装置进行实验(装置C中澄清石灰水足量):该兴趣小组进行上述实验时,先点燃热分解装置中的酒精灯,一段时间后再点燃E处的酒精灯,原因是________.(3) B装置的作用是________.证明草酸晶体的热分解产物中有CO2的现象是________,该反应的化学方程式为________.(4)从环保角度考虑,该套实验装置的明显缺陷是________.(5)【数据分析与计算】称取赤铜样品7.2g(假设样品是纯净物),用上述装置进行实验,待赤铜完全反应后,测得E装置玻璃管内固体粉末的质量为6.4克,试计算确定该赤铜的化学式________.(写出计算过程)(6)根据你求出的赤铜化学式,写出E装置中发生反应的化学方程式________.16. (8分)(2016·怀化) 某学习小组对粗盐中杂质(难溶性和可溶性)的去除展开相关探究.(1)粗盐中难溶性杂质去除的实验步骤为①溶解,②过滤,③________(写操作名称),④计算产率.(2)步骤②中需要用到的玻璃仪器有:玻璃棒、烧杯、________(写仪器名称),其中玻璃棒的作用是________.(3)【提出猜想】甲同学:该粗盐中含有难溶性杂质外,是否还含有可溶性杂质?【查阅资料】①粗盐中可能含有镁盐(Mg2+)和硫酸盐(SO42﹣)等可溶性杂质.②一些物质的溶解性表阳离子阴离子OH﹣CL﹣Na+溶溶溶溶Ba2+溶溶不不Mg2+不溶溶不说明:“溶”表示该物质可溶于水,“不”表示该物质不溶于水.③Mg(OH)2为白色物质,不溶于氢氧化钠溶液;BaSO4为白色物质,不溶于盐酸;MgCO3,BaCO3为白色物质都能溶于盐酸.【实验设计】①取少量除去难溶性杂质后的盐,溶于水配成溶液.②取少量所配溶液于试管中,滴加氢氧化钠溶液,产生白色沉淀,继续滴加氢氧化钠溶液,沉淀不溶,说明该盐含有可溶性的________盐.③另取少量所配溶液于试管中,滴加氯化钡溶液,产生白色沉淀,再加稀盐酸,沉淀不溶,说明该盐含有可溶性的________盐.(4)【实验结论】该盐含有可溶性杂质________.(5)【实验拓展】以下为乙同学设计的去除食盐中可溶性杂质的试验流程:①该实验过程中,除杂试剂都要过量,原因是________.②过量Na2CO3溶液用来除________离子(填离子序号).四、推断题 (共1题;共3分)17. (3分)已知A、B为两种黑色粉末,D为红色单质.A、B、C、D、E五种物质之间的转化关系如图所示.请回答:(1)C的化学式为________ ;(2)反应①的化学方程式为________ ;该反应的基本类型是________ .五、计算题 (共1题;共3分)18. (3分)医药用的阿斯匹林的组成里含4.50%的氢、35.5%的氧、60.0%的碳,式量为180,阿斯匹林化学式为CxHyOz ,则x= ________,y= ________,z= ________参考答案一、选择题 (共9题;共18分)1-1、2-1、3-1、4-1、5-1、6-1、7-1、8-1、9-1、二、选择填充题 (共1题;共2分)10-1、答案:略三、填空题 (共6题;共32分)11-1、11-2、11-3、12-1、13-1、13-2、14-1、14-2、14-3、15-1、15-2、15-3、15-4、15-5、15-6、16-1、16-2、16-3、16-4、16-5、四、推断题 (共1题;共3分)17-1、五、计算题 (共1题;共3分) 18-1、。
2020年九年级化学期中考试卷(1-4单元)考试时间:90分钟可能用到的相对原子质量,C:12 H:1 O:16 N:14 P:31一、选择题(每题 2分,共分)1、“绿色化学”是21世纪化学发展的主导方向。
“绿色化学”要求从根本上灭污染,是一门能彻底阻止污染产生的化学。
它包括“绿色生产”和“绿色销毁”等内容。
2020年衡阳市在整顿音像市场的活动中,查获了一批盗版光盘,并进行了“绿色销毁”。
以下做法属于“绿色销毁”的是()A、泼上汽油焚烧B、倒入湘江C、深埋于土中D、碾压粉碎后回收利用2、某学生用量筒量取液体时,将量筒放平,倒入液体,面对刻度线,第一次俯视凹液面最低处,读数为 19mL;倒出部分液体后,又平视凹液面最低处,读数为11mL。
则该学生倒出的液体实际体积是()A、8mLB、大于 8mLC、小于 8 mLD、无法判断3、古诗词是古人为我们留的宝贵精神财富。
下列诗句中只涉及物理变化的是()A 、野火烧不尽,春风吹又生 B、春蚕到死丝方尽,蜡烛成灰泪始干C、只要功夫深,铁杵磨成针D、爆竹声中一岁除春风送暖入屠苏4、纳米材料被誉为21世纪最有前途的新型材料。
纳米碳管是一种由碳原子构成的直径为几个纳米( 纳米= 10-米)的空心管,下列说法错误的是()A、纳米碳管是1种新型的化合物B、纳米碳管是1由碳元素组成的单质C、纳米碳管如果完全燃烧,生成物是C02D、纳米碳管在常温下化学性质稳定5、对下列实验现象描述错误的是()A、木炭在氧气中燃烧比在空气中燃烧更旺,发出白光B、硫粉在氧气中燃烧发出明亮的黄色火焰C、铝箔在氧气中剧烈燃烧,放出大量的热和耀眼的白光D、红磷在氧气中燃烧会产生大量白烟6、某元素的原于结构示意图如右图,下列说法正确的是()A、第一层有6个电子B、该元素为金属元素C、该原子核电核数为16D、这种原子容易失电子7、关于水通电这个实验描述正确的是()A、使用的是交流电B、正极产生O2,负极产生H2C、正极产生的气体是负极产生气体的2倍D、负极产生的气体可以用带火星的水条检验8、最近,有科学家根据蒸汽机原理,发明了一种液态氮蒸汽机,这种蒸汽机靠液态氮来驱动。
液态氮为()A、混合物B、化合物C、氧化物D、单质9、地中含量最多的金属元素和非金属元素分别是()A:O、Si B:Al 、Fe C:C、H D:Al、O10、自2020年5月1日我国“道路交通安全法”实施以来,交管部门进一步强化对司机酒开车的监控处罚力度。
交警常用装有重铬酸钾的仪器检测机是否酒后开车,因为乙醇分子等可以使橙红色的重铅酸钾变成绿色的硫酸铬。
重铬酸钾K2Cr2O3和硫酸铬Cr2(SO4)3中,铬元素的化合价依次为()A、+3、+6B、+6、+3C、+3、+5D、+5、+ 311、蒸馏水不宜养鱼,因为蒸馏水中几乎不含()A、氧原子B、氧元素C、氧分子D、水分子12、下列说法正确的是()A、无色、无臭、清澈透明的水一定是纯净物B、活性碳可以吸附掉一些溶解的杂质C、青少年长期饮用纯争水有益健康D、使用便水对生活和生产有益13、下列物质排放到空气中,不会造成空气污染的是()A 、汽车排放的尾气B 、焚烧垃圾产生的气体C、化工厂排放的废气D、动植物呼吸排出的气体14、下列物质中,不可能由同一种元素组成的是()①单质②氧化物③化合物④混合物A、①②B、②③C、②③ D。
③④15、下列各组粒于中,核外电子数相等的是()A:Mg 2+、O B:S2-、Cl C :Al与Al3+ D:H2O、Na+16、下列现象既能说明分子之间有间隔,又能说明分于在不停地运动的是(〕A 、人在花园中能闻到花香 B、分子肉眼看不见C、固体碘受热变成碘蒸气D、空气受压体积变小17、既要除去密闭容器中的氧气,又不能混入其他气体,最好选用()A、铁丝B、碳粉C、红磷D、硫粉18、实验室量简有多种规格,量取 475 mL水,最好选用的量筒()A、10mLB、20mLC、50mLD、100mL19、下列实验操作正确的是()A B C D20、下列元素符号中,书写错误的是()A、钾KB、氩arC、汞HgD、铝Al21、有人用下列方法除去硬水中某些可溶性钙、镁化合物,以降低水的硬度,你认为可行的是()A、煮沸B、降温析出C、过滤D、加盐酸22、下列反应中,既是化合反应又是氧化反应的是()A、氧化汞---汞十氧气B、甲烷+ 氧气---氧化碳十水C、氧化钙十水——氢氧化钙D、磷+ 氧气---五氧化二磷23、常温下,碘与镁化合时速率很慢,若滴入几滴水,则反应相当剧烈;形成一股美丽的紫色烟雾,这里水所起的作用是()A、反应物B、氧化剂C、催化剂D、还原剂24、为了经济的可持续发展,我们必须保护水资源。
下列做法错误的是( )A、生活污水任意排放B、工业废水经过处理后再排放C、农业上合理施用农药和化肥D、应用新技术、新工艺减少污染物的产生25、有不纯的硝酸铵(NH4NO3) 样品,经测定样品中含氮量为36.5%,则这样品中可能含有的杂质是()A、NH4HCO3B、NH4ClC、(NH4)2SO4D、CO(NH2)2二、填空题(每空一分,共28分)26、化学用语(1)2个氢分子_____ 5个镁离子______ ;氩气______ ;(2) 氧化铜中铜的化合价为十2价_____________________ ;(3)H2O中2的意义_______________________27、元素的种类决定于原子核内的_______;元素的化学性质跟它的原子的___________关系非常密切,原子的质量主要集中在________28、实验装置如图所示,甲、乙两个集气瓶用导管连接,玻璃管A的下端紧系一只气球,将此装置放置在阳光下,一段时间后,可能观察到的现象;(l)白磷(2) 气球_______________________________________________29、2020年6月5日世界环境日的主题为:“水-----20亿人生命之所系”,请你参与下列问题的讨论:(1)2020年9月南京城北污水系统处理一期工程将如期完成。
届时湖南路、中山路、新摸范马路及下关部分地区的水环境将首先得到改善。
为了检测废水是否达到排放标准,首先进行过滤实验。
在实验室过滤出去废水中的固体杂质,所需的玻璃仪器有_________、_________、________。
(2)三峡工程二期已于2020年6月1日开始蓄水。
为防止三峡库区水被污染,应该采取的措施是(填序号)①清理蓄水库库底固体废物;②防治船舶污染;③整治相关河流污染:④清理库区和上游区工业污染30、(1)某元素原于结构示意图为该元素原子核内有_________ 个质子,最外电子层有____________ 个电子。
(2)运送“神州五号”载人飞船的是“长征二号F”捆绑式大推力运载火箭,升空时的主要燃料之一是偏二甲肼(化学式为C2H8N2)偏二甲肼由_____ 种元素组成,一个偏二甲肼分子中含有_____ 个为原子。
它的相对分子质量为_________。
(3)有X、Y、Z、W四种元素,X元素的阴离X2-及Y元素阳离子Y+的最外层都是第二层;Z元素的原子核外有三个电子层,其最外层电子数为核外电子总数的l/3;W元素的原子核内无中子。
则X2-的符号为____________,Y原子结构示意图为___________,Z元素的名称为________;W元素组成的单质化学式为________。
31、根据下列事实说明生气中含有的成分。
(能填化学式, 填化学式)(l)天然气可以在空气中燃烧_________;(2)空气是制造氮肥的资源_______;(3)冰棒放在玻璃杯里,杯子外壁附一层水珠________;(4)澄清石灰水在空气中久置形成了一层白膜________;(5)通电时,各种电光管会发出不同颜色的光___________.三、实验题(每空 1分,共12分)②A B C(1)实验目的:①用高锰酸钾制取一瓶氧气,做铁丝燃烧的实验②粗略测定加热2克高锰酸钾所收集到的氧气体积(2)反应原理:(用文字表达式表示)①高锰酸钾制氧气:____________________________②铁丝在氧气中燃烧:___________________________(3)仪器认识:写出仪器名称:1:_______②________(4)装置连接:为达到实验目的②,各装置的正确连接顺序为(填字母);a---( )---( )--d(5)问题分析:①实验过程中,发现B瓶中的水变红了,原因是____________________②用收集到的氧气做铁丝燃烧实验时,发现瓶底炸裂,产生这种结果的操作原因可能是_________________________________________。
33、为了在实验室中探究“氢气与空气密度大小的比较”,请你利用以下所提供的仪器或药品(任意选择仪器或药品),设计一种简单的实验方案,简述该方案所需要用到的仪器或药品、操作方法、有关现象和实验结论。
仪器:制氢装置导气管酒精灯试管集气瓶铁架台带干燥剂的干燥管锥型瓶药品:肥皂水小气球制氢药品(锌和稀硫酸)过氧化氢溶液高锰酸钾氯酸钾二氧化锰四、计算题(4”+6”=10”共10分)34、蛋白质是机体生长及修补受损组织的主要原料,人体通过食物获得的蛋白质在胃肠中与水反应,生成氨基酸(化学式为C4H11O2NS)就是其中的一种。
请回答下列问题:(l)蛋氨酸中各元素的质量比C:H:O:N:S=_____________________(2)蛋氨酸中,氮元素的质量分数为__________________(3)合格奶粉每100克中含蛋白质约18克,蛋白质中氮元素的平均质量分数为16%,则每100克合格奶粉中,氮元素质量为_________克;现测定某奶粉每100克中含有氮元素的质量为0.5克。
则这种奶粉属于_________(填“合格”或“不合格”)奶粉。
35、己知河水中某种藻类成分的化学式为C X HyO110N16P,其相对分子质量为3600,碳元素的质量分数为40%,问 X和 y的值为多少?[参考答案]一、选择题二、填空题26.2H 2 5Mg2+Ar Cu +2O 一个水分子中有2个氢原子27.质子数 最外层电子数 原子核 28.自燃,冒出白烟 胀大29.玻璃棒 漏斗 烧杯30. 17 7 三 8 60 O磷 H 231. O 2 N 2 H 2O CO 2 稀有气体 三、实验题32.高锰酸钾 △-锰酸钾+二氧化锰+氧气铁+氧气点燃四氧化三铁 试管 量筒 c b 未塞棉花 瓶底未放水或细砂33. (有理由均给分) 四、计算题34.48:11:32:14:32 10.2% 2.88 不合格 35. 120 145。