江苏省检测收费标准
- 格式:doc
- 大小:517.50 KB
- 文档页数:20
江苏省检验收费标准江苏省检验收费标准是指在江苏省范围内,对各类产品进行检验所需收取的费用标准。
检验收费标准的制定,是为了规范检验行为,保障检验质量,维护市场秩序,促进经济发展。
下面将对江苏省检验收费标准进行详细介绍。
首先,江苏省检验收费标准适用范围包括但不限于食品、药品、化工产品、医疗器械、机械设备等各类产品的检验。
具体收费标准根据不同的产品类型和检验项目而有所不同,一般以每项检验收费为基本计费单位。
同时,针对特殊项目或特殊要求,也可以进行额外的收费协商。
其次,江苏省检验收费标准的制定原则主要包括公平、公正、合理、透明等。
在制定过程中,需要充分考虑市场需求、行业特点、技术水平、成本费用等因素,确保收费标准符合市场规律和行业发展趋势。
同时,还应当充分听取各方意见,确保制定的收费标准能够得到广泛认可和支持。
另外,江苏省检验收费标准的执行机构主要包括江苏省质量技术监督局及其下属的各级质量监督检验机构。
这些机构负责对各类产品进行检验,并依据相关标准和规定收取检验费用。
同时,还需要建立健全的收费管理制度,确保收费程序规范、透明、公正,防止收费过高或不合理现象的发生。
最后,对于江苏省检验收费标准的调整和变更,应当充分考虑市场需求和行业发展趋势,及时进行修订和完善。
在制定新的收费标准时,需要充分评估对市场和企业的影响,确保调整后的收费标准能够更好地适应市场需求和行业发展,促进经济可持续发展。
综上所述,江苏省检验收费标准是保障产品质量和市场秩序的重要手段,其制定和执行都需要充分考虑市场需求和行业特点,确保收费标准合理、公正、透明。
只有如此,才能更好地发挥检验的作用,促进经济健康发展。
江苏省建筑工程检测试验收费标准
为了规范江苏省建筑工程检测试验收费的收取,以下是江苏省
建筑工程检测试验收费标准的相关内容:
一、收费依据
建筑工程检测试验收费的收取依据包括但不限于以下几个方面:
1. 建筑工程的类型和规模;
2. 建筑工程的施工质量要求;
3. 建筑工程的施工周期和工期;
4. 建筑工程的环境保护和安全要求。
二、收费项目
建筑工程检测试验收费主要包括以下项目:
1. 工程质量检测费用;
2. 工程验收费用;
3. 工程监理费用;
4. 工程检测设备及材料费用;
5. 工程整改费用。
三、计费标准
具体的建筑工程检测试验收费计费标准根据建筑工程的不同类
型和规模而有所差异。
建筑工程检测试验收费应当根据实际情况,
综合考虑相关因素进行合理确定。
四、收费程序
建筑工程检测试验收费的收取程序如下:
1. 建设单位或施工方向建设工程质量监督部门提出检测试验申请;
2. 建设工程质量监督部门组织相关专业机构进行检测试验,并
根据实际情况确定检测试验收费;
3. 建设单位或施工方按照建设工程质量监督部门确定的检测试
验收费进行支付。
五、收费监督
建筑工程检测试验收费的收取应当接受相关部门的监督,并且
建设单位或施工方有权要求检测机构提供相关费用计算依据和明细。
六、违规处理
对于未按照规定收取建筑工程检测试验收费或者收取不当费用的行为,相关部门将依法给予处罚。
以上是江苏省建筑工程检测试验收费标准的相关内容,以确保检测试验收费的合理收取和规范管理。
如有问题,请及时与相关部门联系。
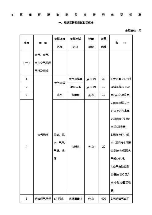
江苏省环境监测专业服务收费标准(修订)根据江苏省物价局、江苏省财政厅、江苏省环境保护厅《关于印发<江苏省环境监测专业服务收费管理办法(修订)>和<江苏省环境监测专业服务收费标准(修订)>的通知》文件现公布《江苏省环境监测专业服务收费标准(修订)》一、现场采样及测试收费标准金额单位:元二、现场物理监测收费标准金额单位:元现场采样、测试、监测收费说明:1.监测现场所需交通工具,开孔、搭架等辅助工作条件,由委托人协助解决。
受委托单位提供监测车、船可酌情向委托人收费。
2.环境监测机构派出人员(不含辅助人员)到委托人指定现场调查、作业按每人每天130元向委托单位收取人工费(按到达和离开作业现场计算)。
对个人委托的室内环境监测服务,不收人工费。
3.凡注明夜间采样、监测、测量可以加收,时间从22:00-6:00计算。
使用不需人工值守的自动仪器的,夜间采样、监测、测量不得加收。
三、样品特别处理收费标准金额单位:元四、检测分析收费标准金额单位:元(一)理化检测(二)生物检测(二)放射性检测环境监测专业服务收费说明:1.外单位索取环境监测数据按所需用数据监测收费总和的10%收费,当年监测数据按所需用数据监测收费总和的15%收取。
2.需提供环境监测报告的,环境监测报告编制费按采样费、分析费之和加收。
具体加收标准为:数据型环境监测报告加收10-15%,评价型环境监测报告加收15-20%。
3.编制快报、月报、季报、年报等环境质量报告的编制费按该报告所涉及的监测数据的监测收费总和的10%取;多媒体声像报告在收取编制费的同时需另加收20%的报告制作费;各类环境质量报告的印制费按实际印制费收取。
4.委托人要求监测单位在国家法定节日进行现场采样和现场物理监测、理化检测、生物检测、放射性检测的,可在收费标准基础上加收一倍。
五、民用建筑工程室内环境污染检测收费标准金额单位:元民用建筑工程室内环境污染检测环境说明:1.本表现定的收费标准为最高收费标准,各市可根据当地实际制定本地的收费标准。
见证取样送检制度为进一步提高建设工程质量,保证检测数据的真实性、公正性和准确性,本中心制度定如下见证取样送样制度;1、本市所有受监工程使用的全部原材料、半成品材料及砼、砂浆试块、钢筋连接件等均必须见证取样送检;否则,业务室应拒收样本。
2、见证员、取样员应经市建设局培训考核合格,并持证上岗履行其职责。
3、取样员必须在见证员旁证下按规定取样封样;见证员应盖章或签字于封条上,否则应监护送样,并在委托书上签字。
4、每一工程办理质监手续时,由质监站签发见证卡,并同时加盖质监站和见证单位印章,复印件无效。
该卡一式两份,中心及见证人各执一份,送检时应出示对照,并存入竣工档案。
5、见证卡所有见证内容必须由见证人亲笔填写并签名,他人填写一律无效,且不得随意更改;若确需更改,应经调查核实并经有关各方同意后方可更改,签更改人名。
6、见证取样送检的检测报告均加盖红色“见证取样”印章;本中心或质监站现场抽样的报告加盖“现场抽样”印章,作为评定工程质量等级的依据;其他检测加盖蓝色“送样”印章,并不得作为工程质保资料。
7、所有检测试验,其结果达不到规定标准的,必须在24小时内报告质监站,不经质监站处理并同意,不得进行二次取样试验,二次取样试验一般应进行现场抽样或现场检测。
以上制度特向社会公布,并恳请有关方面和人员进行广泛监督。
封闭式管理和密码管理制度根据省质量监督管理的规定,本中心实行封闭管理和密码管理制度以确保检测试验工作的公正性,特制定以下管理制度;1、本中心所有检测试验均必须实行密码检测。
与检测无关人员一律不得进入检测现场,否则,追究检测人员责任。
2、所有检测项目均只有业务室对处联络,业务员不得从事检测试验,检测人员亦不得插手业务联系,不得查阅委托书及密码编制薄。
3、送检委托书由业务员按数字编码。
所有送检样品不得现接现试,应上午接样下午下达检测任务,下午接样第二上午下达检测任务。
4、委托书数码由业务员通过密码本进行编制,且一律随机用英文编码,然后再将该码填入检测任务单下达送给各检测组,并一律隐去与送样单位有关的可能泄密的内容。
江苏交通检测收费标准江苏省交通检测收费标准是指对各类车辆进行交通安全技术检测时所收取的费用。
根据《中华人民共和国道路交通安全法》和《中华人民共和国机动车登记条例》的相关规定,江苏省交通管理部门制定了相应的交通检测收费标准,以保障道路交通安全,保护人民群众的生命财产安全。
一、车辆类型及收费标准。
1. 小型汽车,每次检测收费100元人民币。
2. 大型客车,每次检测收费150元人民币。
3. 货车,每次检测收费200元人民币。
4. 摩托车,每次检测收费50元人民币。
5. 电动车,每次检测收费30元人民币。
二、收费标准执行范围。
江苏省交通检测收费标准适用于全省范围内的交通安全技术检测站点,包括省级、市级和县级检测站点。
所有经营交通安全技术检测业务的单位和个人都必须严格按照规定的收费标准执行,不得私自调高或降低收费标准。
三、收费标准执行程序。
1. 车辆所有人或代理人携带车辆行驶证、身份证等相关证件到达指定的交通安全技术检测站点。
2. 工作人员核对相关证件后,根据车辆类型收取相应的检测费用。
3. 车辆所有人或代理人在交通安全技术检测站点接受检测,并领取检测报告。
4. 检测完成后,缴纳相应的检测费用,领取相应的收据。
四、收费标准执行监督。
江苏省交通管理部门将建立健全的监督检查机制,对各级交通安全技术检测站点的收费行为进行定期检查和抽查,对发现的违规收费行为将依法进行处理。
五、收费标准宣传和公示。
江苏省交通管理部门将通过官方网站、交通安全宣传栏等渠道,公示各类车辆交通检测收费标准,向社会公众公开收费标准内容,确保收费标准的透明和公正。
六、收费标准调整。
根据国家相关政策和法规的调整,江苏省交通管理部门将及时对交通检测收费标准进行调整,并向社会公众公布调整后的收费标准。
七、结语。
江苏省交通检测收费标准的制定和执行,旨在规范交通安全技术检测收费行为,保障交通安全,维护人民群众的合法权益。
各级交通安全技术检测站点和车辆所有人或代理人都应严格遵守收费标准,共同维护良好的交通秩序,为社会和谐稳定做出贡献。
环境监测专业服务收费说明:
1、外单位索取环境监测数据按所需用数据监测收费总和的10%收费,当年监测数据按所需用数据监测收费总和的15%收取。
2、需提供环境监测报告的,环境监测报告编制费按采样费、分析费之和加收。
具体加收标准为:数据型环境监测报告加收不超过15%,评价型环境监测报告加收不超过20%。
3、编制快报、月报、季报、年报等环境质量报告的编制费按该报告所涉及的监测数据的监测收费总和的10%收取;多媒体声像报告在收取编制费的同时需另加收20%的报告制作费;各类环境质量报告的印制费按实际印制费收取。
4、委托人要求监测单位在国家法定节假日进行现场采样和现场物理监测、理化检测、生物检测、放射性检测的,可在收费标准基础上加收一倍。
见证取样送检制度为进一步提高建设工程质量,保证检测数据的真实性、公正性和准确性,本中心制度定如下见证取样送样制度;1、本市所有受监工程使用的全部原材料、半成品材料及砼、砂浆试块、钢筋连接件等均必须见证取样送检;否则,业务室应拒收样本。
2、见证员、取样员应经市建设局培训考核合格,并持证上岗履行其职责。
3、取样员必须在见证员旁证下按规定取样封样;见证员应盖章或签字于封条上,否则应监护送样,并在委托书上签字。
4、每一工程办理质监手续时,由质监站签发见证卡,并同时加盖质监站和见证单位印章,复印件无效。
该卡一式两份,中心及见证人各执一份,送检时应出示对照,并存入竣工档案。
5、见证卡所有见证内容必须由见证人亲笔填写并签名,他人填写一律无效,且不得随意更改;若确需更改,应经调查核实并经有关各方同意后方可更改,签更改人名。
6、见证取样送检的检测报告均加盖红色“见证取样”印章;本中心或质监站现场抽样的报告加盖“现场抽样”印章,作为评定工程质量等级的依据;其他检测加盖蓝色“送样”印章,并不得作为工程质保资料。
7、所有检测试验,其结果达不到规定标准的,必须在24小时内报告质监站,不经质监站处理并同意,不得进行二次取样试验,二次取样试验一般应进行现场抽样或现场检测。
以上制度特向社会公布,并恳请有关方面和人员进行广泛监督。
封闭式管理和密码管理制度根据省质量监督管理的规定,本中心实行封闭管理和密码管理制度以确保检测试验工作的公正性,特制定以下管理制度;1、本中心所有检测试验均必须实行密码检测。
与检测无关人员一律不得进入检测现场,否则,追究检测人员责任。
2、所有检测项目均只有业务室对处联络,业务员不得从事检测试验,检测人员亦不得插手业务联系,不得查阅委托书及密码编制薄。
3、送检委托书由业务员按数字编码。
所有送检样品不得现接现试,应上午接样下午下达检测任务,下午接样第二上午下达检测任务。
4、委托书数码由业务员通过密码本进行编制,且一律随机用英文编码,然后再将该码填入检测任务单下达送给各检测组,并一律隐去与送样单位有关的可能泄密的内容。
江苏省工程质量检测收费标准工程质量检测是保障工程质量和工程安全的重要环节,而收费标准则是规范工程质量检测市场秩序,保障检测机构和客户的权益的重要依据。
江苏省作为我国经济发达的地区之一,工程质量检测市场也日益成熟,因此制定合理的收费标准对于规范市场、提高服务质量至关重要。
下面将详细介绍江苏省工程质量检测收费标准的相关内容。
首先,针对不同类型的工程项目,江苏省制定了不同的工程质量检测收费标准。
具体来说,对于建筑工程、市政工程、交通工程等不同类型的工程项目,收费标准是有所区别的。
这也是考虑到不同类型工程的复杂程度、风险程度以及检测工作的难易程度而进行的合理区分。
其次,收费标准还会根据工程规模和复杂程度进行调整。
一般来说,工程规模越大、复杂程度越高的工程项目,其工程质量检测所需的人力、物力、时间成本也会相对较高,因此收费标准也会相应调整。
这种差异化的收费标准能够更好地满足不同工程项目的实际需求,保障了检测机构的合理收益,也为客户提供了公平合理的服务。
除此之外,江苏省还在工程质量检测收费标准中考虑了不同检测项目的专业性和技术难度。
例如,对于建筑结构、材料强度等常规检测项目,收费标准会相对较低;而对于地质勘察、特种结构等技术难度较高的检测项目,收费标准则会相对较高。
这种差异化的收费标准能够更好地激励检测机构提升专业技术水平,也能够更好地满足客户对于高质量检测服务的需求。
最后,江苏省工程质量检测收费标准还充分考虑了市场价格水平和竞争情况。
通过对市场价格进行调研和比较分析,结合检测机构的实际经营成本和合理利润空间,制定了符合市场规律和监管要求的收费标准。
这样既可以保障检测机构的正常经营,也可以避免因恶性竞争导致的服务质量下降和市场乱象。
综上所述,江苏省工程质量检测收费标准的制定充分考虑了不同类型工程、工程规模和复杂程度、检测项目的专业性和技术难度,以及市场价格水平和竞争情况等多方面因素。
这些因素的综合考量使得收费标准更加合理、公平,既保障了检测机构的合理利润,也为客户提供了优质的检测服务。
1、外单位索取环境监测数据按所需用数据监测收费总和的10%收费,当年监测数据按所需用数据监测收费总和的15%收取。
2、需提供环境监测报告的,环境监测报告编制费按采样费、分析费之和加收。
具体加收标准为:数据型环境监测报告加收不超过15%,评价型环境监测报告加收不超过20%。
3、编制快报、月报、季报、年报等环境质量报告的编制费按该报告所涉及的监测数据的监测收费总和的10%收取;多媒体声像报告在收取编制费的同时需另加收20%的报告制作费;各类环境质量报告的印制费按实际印制费收取。
4、委托人要求监测单位在国家法定节假日进行现场采样和现场物理监测、理化检测、生物检测、放射性检测的,可在收费标准基础上加收一倍。
江苏省环境监测专业服务收费标准一、现场采样及测试收费标准金额单位:元采样项目采样测试计量收费序号类别备注名称方法单位标准大气、废气、室内空气现(一)场采样及测试大气采样.大流量小时连点.次.项续采样按元点 .大气采样器简易设备点.次.项次.项收费。
降水收集器点.次.需要采样小时以上进行富集的项目按元点 .大气采样次.项收费。
风速、风.采样点位、频向、气压、仪器法点.次次、项目按《环气温、湿境监测技术规度范》大气部分执行。
.空气自动监测烟道烟气采样测试生产废气测滤膜重量≤吨锅炉台.次法滤膜重量吨锅炉台.次法滤膜重量吨锅炉台.次法滤膜重量≥吨锅炉点.次法林格曼黑一组数目视法度据、、、等仪器法个数据生产工艺不等速采孔.次.项尾气测试样仪器按元点 .小时均值 .项收费。
.当烟道气或工艺尾气温度> ℃,加收费用。
.高空作业,距地面 M 加收费用。
(以后每增加M 加的费用)。
.炉窑按风量折算,参照相应吨位锅炉收费标准的倍执行。
.单独测林格曼黑度时才收费,试机械设备等速采样孔.次.项排气测试否则已包括在锅炉测试中。
.除尘效率测试按同等锅炉的汽油汽车尾气辆.次.项车、、、测试仪柴油车烟不透光烟辆.次.项度度计汽车尾气测试尾气测试摩托车辆.次.项仪(二)固体物品采倍收费。
.在生产废气监测中,对放射、有毒、有害工艺尾气,加收费用。
.开设监测孔、管道内的点位设置、监测频次和项目按《环境监测技术规范》废气部分执行。
按财政部国家计委《关于进一步明确取消机动车尾气检测收费范围等有关问题的通知》(财综字 [] 号)执行。
接受委托检测时收取。
样工艺原料、建筑材料、样装饰材料采样表层(深样度≤M )中层土壤样品采(M<深样集度≤M )下层(深样度>M )(三)水质采样表层(深样度≤M )河流、湖体、中层深水水库等(M<深样底质样品采度≤M )集下层(深样度>M表层(距.采样点位、频地表水瞬时样点.次.项水面≤次、项目按《环M)中下层(距水瞬时样点.次.项面>M )地下水瞬时样点.次.项表层(距水面≤瞬时样点.次.项河流、湖体、M )深水水库等中下层复杂水体(距水瞬时样点.次.项面>M )工业废水瞬时样点.次.项近海海域(≤海瞬时样点.次.项里)海水远海海域(> 海瞬时样点.次.项里)境监测技术规范》地表水和废水部分执行。
江苏省特种设备检验检测收费标准
本文档旨在介绍江苏省特种设备检验检测的收费标准。
特种设备是指安全性、重要性较高的设备,必须通过检验检测来确保其正常运行和使用安全。
江苏省制定了以下收费标准:
1. 检验费用
- 设备检验费用: 指对特种设备进行全面检验的费用。
根据设备类型、规模和工作条件的不同,收费标准也会有所不同。
设备检验费用: 指对特种设备进行全面检验的费用。
根据设备类型、规模和工作条件的不同,收费标准也会有所不同。
2. 检测费用
- 设备检测费用: 指对特种设备进行各项检测的费用。
根据检测项目的不同,收费也会有所不同。
设备检测费用: 指对特种设备进行各项检测的费用。
根据检测项目的不同,收费也会有所不同。
3. 其他费用
- 出差费用: 检验检测人员进行实地工作时所发生的差旅费用,包括交通费、住宿费等。
出差费用: 检验检测人员进行实地工作时所发生的差旅费用,包括交通费、住宿费等。
- 材料费用: 特种设备检验检测中所需要的材料费用,如标准样品、检测工具等。
材料费用: 特种设备检验检测中所需要的材料费用,如标准样品、检测工具等。
请注意,以上收费标准为一般情况下的参考,具体费用以江苏省特种设备安全监察院或相关机构发布的最新标准为准。
相关部门将根据特种设备的类型、规模和工作条件的不同,结合实际情况进行费用的核算和调整,并及时公布。
特种设备的所有者或使用单位应当按照规定的收费标准支付相应的检验检测费用。
以上是关于江苏省特种设备检验检测收费标准的简要介绍。
如有任何疑问,请咨询江苏省特种设备安全监察院或相关机构。