检测委托单 编号
- 格式:doc
- 大小:38.00 KB
- 文档页数:1
1.4.
2.1.样品编号格式:
××××××- ×××××
A B C
A:检测项目代码
B:年代号
C:年流水号
2.2.1 委托编号(现场检测用委托单编号格式)
委托编号的格式:
××××(X)××××××
A B C D E F
A:检测项目委托代码
B:年代号
C:(地区代号)
D:月代号
E:日代号
F: 日流水号
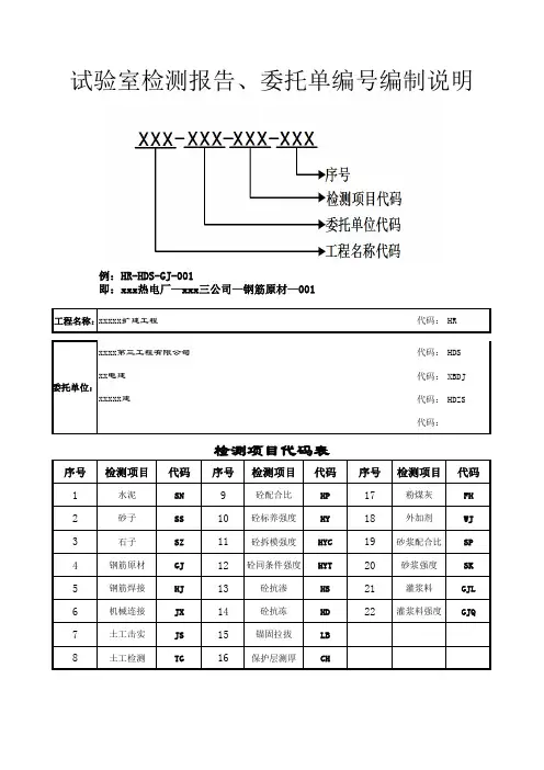
4.3检测报告的编号
4.3.1报告编号应体现编号的统一性、连续性和唯一性原则。
4.3.2检测报告编号的构成:
XXXX XX (X) - XXXXX
A B C D
A:检测项目代码(见7附件“检测报告项目代码表”)
B:年代号
C:(地区代号)
D: 年流水号
地区代码:A-中山,B-珠海,C-阳江,D-江门,E-云浮,F-湛江,G-广州
.4.2.2室内常规材料检测项目代码
室内常规材料检测项目代码表:见上“检测报告项目代码表”
7 附件。
第五部分:委托单、试验记录、试验报告的编号要求
1、所有的编号按中心试验室设计的“编号方案”执行,需经专业监理工程师同意后执行;
2、所有的编号应连续,不得中途任意插入;不得出现重复编号。
试验报告编号
编号说明:管理体系以报告编号作为唯一性标识,报告编号方式按以下顺序规则,宁杭客运专线代号、分室编号、报告种类代号、报告顺序号四部分组成。
NH ××××××××
报告顺序号
报告种类代号
分室编号
宁杭客运专线代号
附注经总监办批准,同意委托编号以年月日及顺序号(两位数)编制;试验记录编号及报告编号以年月及顺序号(三位数)编制。
例第一试验分室细集料
委托编号以年月日及顺序号(两位数)编制:01JS09051701;
试验记录编号以年月及顺序号(三位数)编制:01JS0905001;
报告编号以年月及顺序号(三位数)编制:NH01JS0905001;其它的编号以此类推。
说明:
1.本份资料剪取于宁杭指工发[2009]24号《试验检测管理办法(试行)》通知;2.为了进一步明确委托单编号、试验记录编号、报告编号的统一编制方法;
陈碧宗
2009-7-14。
无损检测委托单(焊接接头)委托单编号:委托日期:XX年XX月XX日无损检测委托单(续页)(焊接接头)委托单编号:委托日期:年月日无损检测委托单(其他部件)委托单编号:委托日期:年月日3、FHJC/JWT-001~002-2016无损检测委托单(焊接接头)填写说明及要求无损检测委托单一般要求说明:无损检测委托单编号一般分二节,第一节为检测部件类别(焊接接头H、其他部件Q)+无损检测方法的英文首字母(射线检测为R、超声波检测为U、磁粉检测为M、渗透检测为P、涡流检测为E)+W+机组号(或年份),第二节为该委托单的机组(或年度)数字流水号,流水号为三位,不足三位时用‘0’补齐。
如某项目#5机组的第2份焊接接头射线检测委托单的编号为:HRW05-002;某项目#5机组的第3份焊接接头超声波检测委托单的编号为:HUW05-002。
委托单有续页的,编号时主页与续页为同一编号。
不合格项须重新委托检测,编号时在原委托单编号的流水号后加“R1、R2或R3”以示区别返修次数来跟踪。
1.FHJC/JWT-001-002-2016无损检测委托单(焊接接头)填写说明及要求1)委托单编号:按照无损检测委托单一般要求说明进行填写。
2)委托日期:根据委托实际日期填写。
3)项目名称:和工程竣工资料对应的项目名称一致,应写全称。
4)委托单位:填写需要检测的委托部门,应写全称,如焊接工程公司。
5)部件名称:根据委托的部件填写,如#1机组联轴器螺栓。
6)部件编号:一般为委托部件的系统代号或图纸号7)温度、压力:委托部件的温度压力,无法核实是否具有温度或压力,则填“/”。
8)接头类型:焊接接头的类别等级,一般为Ⅰ、Ⅱ、Ⅲ级,根据实际情况由委托方核实填写。
9)焊接方法:应规范统一,例如:全氩弧焊(GTAW)、电焊(SMAW)、氩弧焊+电焊(GTAW+SMAW)10)坡口形式:一般为V型、U型或X型等11)热处理状态:填写是否进行热处理,一般填写热处理后或者“/”。
无损检测委托单(焊接接头)委托单编号:委托日期:XX年XX月XX日无损检测委托单(续页)(焊接接头)委托单编号:委托日期:年月日无损检测委托单(其他部件)委托单编号:委托日期:年月日3、FHJC/JWT-001~002-2016无损检测委托单(焊接接头)填写说明及要求无损检测委托单一般要求说明:无损检测委托单编号一般分二节,第一节为检测部件类别(焊接接头H、其他部件Q)+无损检测方法的英文首字母(射线检测为R、超声波检测为U、磁粉检测为M、渗透检测为P、涡流检测为E)+W+机组号(或年份),第二节为该委托单的机组(或年度)数字流水号,流水号为三位,不足三位时用‘0’补齐。
如某项目#5机组的第2份焊接接头射线检测委托单的编号为:HRW05-002;某项目#5机组的第3份焊接接头超声波检测委托单的编号为:HUW05-002。
委托单有续页的,编号时主页与续页为同一编号。
不合格项须重新委托检测,编号时在原委托单编号的流水号后加“R1、R2或R3”以示区别返修次数来跟踪。
1.FHJC/JWT-001-002-2016无损检测委托单(焊接接头)填写说明及要求1)委托单编号:按照无损检测委托单一般要求说明进行填写。
2)委托日期:根据委托实际日期填写。
3)项目名称:和工程竣工资料对应的项目名称一致,应写全称。
4)委托单位:填写需要检测的委托部门,应写全称,如焊接工程公司。
5)部件名称:根据委托的部件填写,如#1机组联轴器螺栓。
6)部件编号:一般为委托部件的系统代号或图纸号7)温度、压力:委托部件的温度压力,无法核实是否具有温度或压力,则填“/”。
8)接头类型:焊接接头的类别等级,一般为Ⅰ、Ⅱ、Ⅲ级,根据实际情况由委托方核实填写。
9)焊接方法:应规范统一,例如:全氩弧焊(GTAW)、电焊(SMAW)、氩弧焊+电焊(GTAW+SMAW)10)坡口形式:一般为V型、U型或X型等11)热处理状态:填写是否进行热处理,一般填写热处理后或者“/”。
防雷检测委托单委托单位:(单位名称)联系人:(姓名)联系电话:(电话号码)地址:(单位地址)被委托单位:(防雷检测机构)联系人:(姓名)联系电话:(电话号码)地址:(机构地址)委托单编号:(编号)委托日期:(日期)检测目的:为了确保委托单位的建筑物、设备和人员的安全,特委托被委托单位进行防雷检测,以评估防雷系统的性能和有效性。
检测范围:1. 建筑物防雷系统的检测和评估。
2. 设备和仪器的防雷接地系统的检测和评估。
3. 涉雷作业区域的防雷系统的检测和评估。
检测要求:1. 按照国家相关标准和技术规范进行检测。
2. 对建筑物、设备和人员相关的雷电传导途径进行全面检测。
3. 准确测量接地系统的电阻和接地电位差。
4. 检测过程中,及时记录检测数据和现场情况,编写详细的检测报告。
费用及支付方式:1. 检测费用共计(金额)人民币,由委托单位承担。
2. 支付方式:(支付方式,如银行转账、现金等)检测工期:1. 预计工期为(天数)工作日,具体工期另行与委托单位协商确定。
委托单位责任:1. 提供被委托单位进行检测所需的建筑图纸、设计文件、设备清单等相关资料。
2. 提供并保证被检测对象的安全条件和便利。
被委托单位责任:1. 按照相关标准和技术规范进行检测,确保检测结果准确可靠。
2. 按时提交检测报告,并详细说明检测过程和检测结果。
其他事项:1. 如有需要,委托单位将协助被委托单位办理相关证件和手续,以确保检测工作的顺利进行。
2. 委托单位和被委托单位可以根据需求和实际情况进行进一步的协商和调整。
本委托单自双方签字盖章之日起生效,在双方完成相应责任并结清相关费用后终止。
委托单位:(签字盖章)被委托单位:(签字盖章)。
无损检测委托单(焊接接头)委托单编号:委托日期:XX年XX月XX日无损检测委托单(续页)(焊接接头)委托单编号:委托日期:年月日无损检测委托单(其他部件)委托单编号:委托日期:年月日3、FHJC/JWT-001~002-2016无损检测委托单(焊接接头)填写说明及要求无损检测委托单一般要求说明:无损检测委托单编号一般分二节,第一节为检测部件类别(焊接接头H、其他部件Q)+无损检测方法的英文首字母(射线检测为R、超声波检测为U、磁粉检测为M、渗透检测为P、涡流检测为E)+W+机组号(或年份),第二节为该委托单的机组(或年度)数字流水号,流水号为三位,不足三位时用‘0’补齐。
如某项目#5机组的第2份焊接接头射线检测委托单的编号为:HRW05-002;某项目#5机组的第3份焊接接头超声波检测委托单的编号为:HUW05-002。
委托单有续页的,编号时主页与续页为同一编号。
不合格项须重新委托检测,编号时在原委托单编号的流水号后加“R1、R2或R3”以示区别返修次数来跟踪。
1.FHJC/JWT-001-002-2016无损检测委托单(焊接接头)填写说明及要求1)委托单编号:按照无损检测委托单一般要求说明进行填写。
2)委托日期:根据委托实际日期填写。
3)项目名称:和工程竣工资料对应的项目名称一致,应写全称。
4)委托单位:填写需要检测的委托部门,应写全称,如焊接工程公司。
5)部件名称:根据委托的部件填写,如#1机组联轴器螺栓。
6)部件编号:一般为委托部件的系统代号或图纸号7)温度、压力:委托部件的温度压力,无法核实是否具有温度或压力,则填“/”。
8)接头类型:焊接接头的类别等级,一般为Ⅰ、Ⅱ、Ⅲ级,根据实际情况由委托方核实填写。
9)焊接方法:应规范统一,例如:全氩弧焊(GTAW)、电焊(SMAW)、氩弧焊+电焊(GTAW+SMAW)10)坡口形式:一般为V型、U型或X型等11)热处理状态:填写是否进行热处理,一般填写热处理后或者“/”。
工程检测委托单编号与委托合同一、工程检测委托单编号1.1 委托单编号格式一般来说,工程检测委托单的编号应该包含以下信息:- 年份:表示委托单是在哪个年份生成的;- 项目名称或编号:用于区分不同的工程项目;- 检测类型代码:用于区分不同类型的检测;- 流水号:用于区分同一项目中的不同检测任务。
例如,一个可能的委托单编号格式为:“2023-001-E01-0001”,其中“2023”表示年份,“001”表示项目编号,“E01”表示电气系统检测,而“0001”则是该类检测的第一个任务。
1.2 委托单内容除了编号外,委托单还应包含以下内容:- 委托单位名称和地址:填写委托单位的名称和详细地址;- 联系人和联系方式:填写联系人的名字和联系电话;- 被检项目名称和位置:填写需要检测的项目名称和具体位置;- 检测内容和要求:明确列出需要检测的内容和特殊要求;- 检测时间:约定具体的检测日期和时间段;- 其他事项:如有其他需要说明的事项,也应在此列明。
二、工程检测委托合同范本2.1 合同标题和双方信息合同的标题应明确表明其性质,例如:“XX项目工程检测委托合同”。
应列出甲方(委托方)和乙方(受托方)的名称、地址和法定代表人等信息。
2.2 合同主体内容2.2.1 检测范围和标准应明确列出本次检测的范围,包括哪些部分或系统将被检测。
同时,应引用相关的国家标准或行业规范作为检测依据。
2.2.2 权利和义务双方的权利和义务是合同的核心部分。
甲方有义务提供必要的条件和支持,如提供相关资料、场地等;乙方则有义务按照约定的时间和标准完成检测工作,并出具真实有效的检测报告。
2.2.3 费用和支付方式应明确检测的费用总额以及支付方式和时间。
通常,费用会在检测完成后根据实际工作量进行结算。
2.2.4 违约责任如果一方未能履行合同义务,应承担相应的违约责任。
这可能包括赔偿对方的损失、支付违约金等。
2.2.5 争议解决方式。
送检委托单上的见证人和证号号送检委托单上的见证人和证号号一、引言在各种法律和科学实验的背景下,委托单被广泛应用于各种行业。
作为一种重要的文件,委托单上的见证人和证号号起到了至关重要的作用。
本文将深入探讨委托单上见证人和证号号的功能、特点以及相关问题,并对其进行分析和解读,以帮助读者更全面、深刻地理解这一主题。
二、见证人的作用和意义1. 见证人的定义和角色见证人是指在委托单上签字并确认相关事实或结果的人员。
他们具有独立、中立的立场,以维护证据的真实性和可信度。
在委托实验、检测或其他法律和科学领域的活动中,见证人的存在和参与可以提高结果的可靠性和公正性。
2. 见证人的要求和标准见证人应具备专业知识和技能,能够理解委托单的内容和目的,并有能力独立判断和证实所需的结果或事实。
见证人应该具备无偏见、中立的立场,以确保结果和结论的客观性和可信度。
3. 良好见证人的特点良好的见证人应具备以下特点:- 专业素养:具备相关专业知识和经验,能够准确理解和评估委托单内容。
- 中立客观:能够主观公正地行使职责,不受任何利益或个人偏见的影响。
- 严格认真:对委托单的处理和见证过程应严格遵守规定,并对结果负责任。
- 保密性:能够妥善处理委托单中的敏感信息,并确保其机密性。
三、证号号的含义和作用证号号是指在委托单上标注的唯一编号,用于标识和追踪委托单的相关信息。
证号号的作用不仅体现在委托过程中的追溯性和记录性,也反映了委托单的真实性和有效性。
1. 证号号的生成和规范在生成证号号时,一般会采用一定的规范和流程。
可以将委托单的类型、所属部门、时间等信息纳入编号中,以保证编号的唯一性和信息的完整性。
2. 证号号的作用和意义证号号的作用主要体现在以下几个方面:- 追溯性:通过证号号,可以方便追踪委托单的信息和过程,保证委托单的可追溯性和可审计性。
- 记录性:证号号不仅是委托单的唯一标识,也是记录委托活动的重要依据。
通过证号号可以了解委托单的发起时间、参与人员等重要信息。
附件4:
试验检测样品、记录、报告等的编号规定
一、编号规则
按“样品/ 记录/报告的首字母(大写)—所辖合同段编号—日期(年月)—样品标识—流水号”五区段的格式进行编号。
说明:
1、样品/记录/报告的首字母(大写):即样品用“ YP”表示,记录用“ JL”表示,报告用“ BG” 表示, 流水号按各个标段单独进行流水号连接。
2、所辖合同段编号:按下表规定选择。
3、日期(年月):年份采用4 位数表示。
4、样品标识:按身份识别编号规则,具体参照下表选择对应的样品标识。
委托单、任务单、样品、记录、报告身份识别编号规则示例
样品(对象)标识身份识别编号规则示例
5、流水号: 采用 3 位数字表示, 根据样品或试验先后顺序连续编号, 按月流水, 不得间断,
如 001、 002、 003 。
二、样品描述
三、结论填写
试验规范结论填写一览表
三、其他事项
1、试验条件:用于描述试验时的环境条件。
例:室内:温度:20℃;相对湿度:50% 。
现场检测:室外。
2、试验日期:记录表格落款区时间为复核时间,报告落款区时间为签发时间。
采用8 位数字表示,年
月日中间用“ -”间隔。
例:2018-08-15。
试验用时间跨度的两个日期中用“~”连接。
例:2018-08-15 ~2018-08-16 。
3、仪器设备:规格型号+仪器名称+内部编号或有唯一性的编号
4、空格:如无内容填写,在空白的适中位置画一横线,如纵向有几行无内容填写,可用一斜线代之。
计量校准检测委托单委托单位(甲方):
单位名称:
联系人:
联系电话:
地址:
被委托单位(乙方):
单位名称:
联系人:
联系电话:
地址:
一、委托内容
1. 检测项目
请乙方对以下计量器具进行校准检测:
(1)计量器具名称:
(2)计量器具编号:
(3)计量范围:
(4)计量器具类别:
2. 检测要求
请乙方按照国家相关标准和规定进行校准检测,并提供相应的检测报告。
3. 检测时间要求
请乙方在收到本委托单后的三个工作日内确认检测时间,并在规定时间内完成检测。
4. 检测地点
检测地点:委托单位地址(甲方提供)
二、委托费用和付款方式
1. 委托费用
委托费用总计:
其中,乙方责任范围内费用:
2. 付款方式
(1)委托单位将根据乙方提供的检测报告确认的费用进行支付。
(2)付款方式:
三、其他注意事项
1. 委托单位提供的计量器具应符合国家相关规定,不得提供虚假、损坏或非法使用的计量器具。
2. 如乙方在检测过程中发现计量器具存在问题或无法完成检测,应及时通知委托单位。
3. 乙方应对委托单位提供的计量器具进行认真、负责的校准检测,并确保检测结果的准确性和可靠性。
4. 委托单位有权要求乙方提供检测报告原件或认证复印件。
五、委托双方确认
委托单位(甲方):
单位名称:
联系人(签字):
日期:
被委托单位(乙方):
单位名称:
联系人(签字):
日期:。
(含抗压、抗折、抗冻、抗水渗透)见证人:见证人证书编号:见证日期:2019年11月10日取样人:证书编号:送样日期:2019年11月10日(含抗压、抗折、抗冻、抗水渗透)见证人:见证人证书编号:见证日期:2019年11月16日取样人:证书编号:送样日期:2019年11月16日(含抗压、抗折、抗冻、抗水渗透)见证人:见证人证书编号:见证日期:2019年11月20日取样人:证书编号:送样日期:2019年11月20日(含抗压、抗折、抗冻、抗水渗透)见证人:见证人证书编号:见证日期:2019年11月25日取样人:证书编号:送样日期:2019年11月25日(含抗压、抗折、抗冻、抗水渗透)见证人:见证人证书编号:见证日期:2019年11月28日取样人:证书编号:送样日期:2019年11月28日(含抗压、抗折、抗冻、抗水渗透)见证人:见证人证书编号:见证日期:2019年12月06日取样人:证书编号:送样日期:2019年12月06日送样人:收样人:接收日期:2019年12月06日(含抗压、抗折、抗冻、抗水渗透)见证人:见证人证书编号:见证日期:2019年11月21日取样人:证书编号:送样日期:2019年11月21日(含抗压、抗折、抗冻、抗水渗透)见证人:见证人证书编号:见证日期:2019年11月24日取样人:证书编号:送样日期:2019年11月24日(含抗压、抗折、抗冻、抗水渗透)见证人:见证人证书编号:见证日期:2019年11月28日取样人:证书编号:送样日期:2019年11月28日(含抗压、抗折、抗冻、抗水渗透)见证人:见证人证书编号:见证日期:2019年11月30日取样人:证书编号:送样日期:2019年11月30日(含抗压、抗折、抗冻、抗水渗透)见证人:见证人证书编号:见证日期:2019年12月04日取样人:证书编号:送样日期:2019年12月04日(含抗压、抗折、抗冻、抗水渗透)见证人:见证人证书编号:见证日期:2019年12月13日取样人:证书编号:送样日期:2019年12月13日(含抗压、抗折、抗冻、抗水渗透)见证人:见证人证书编号:见证日期:2019年12月13日取样人:证书编号:送样日期:2019年12月13日送样人:收样人:接收日期:2019年12月13日。
实验室编号编号规则一、检测报告编号:检测报告编号分为两类,一类是有委托单的检测报告,一类是有合同的检测报告。
有委托单的检测报告以“1”开头,有合同的检测报告以:“2”开头。
1)低压配电。
”DY+年份-0001”,例如,DY2013-0001。
2)空调风系统。
”KF+年份-0001”,例如,KF2013-0001。
3)空调水系统。
”KS+年份-0001”,例如,KS2013-0001。
4)空调漏风量。
”KL+年份-0001”,例如,KL2013-0001。
5)空调其它。
KQ+年份-0001,例如,KQ2014-00016)室内空气污染物。
“SW+年份-0001”,例如,SW2013-00017)照明检测。
“ZM+年份-0001”,例如,ZM2013-00018)钻芯检测。
ZX+年份-0001,例如,ZX2013-00019)土壤氡。
TD+年份-0001,例如,TD2013-000110)建筑材料有害物质。
涂料类。
TW+年份-0001,例如,TW2013-0001.胶粘剂类。
JW+年份-0001,例如,JW2013-0001水性处理剂类。
SCW+年份-0001,例如,SCW2013-0001.11)12)13)14)15)16)17)18)19)20)电线电缆。
DL+年份-0001,例如,DL2014-0001建筑材料导热系数。
DR+年份-0001,例如,DR2014-0001建筑玻璃节能。
BL+年份-0001,例如,BL2014-0001建筑采光。
JCG+年份-0001,例如,JCG2014-0001建筑室内温度。
JWD+年份-0001,例如,JWD2014-0001生活饮用水、废水。
SZ+年份-0001,例如,SZ2014-0001空气和废气。
WQ+年份-0001,例如,KQ2014-0001噪声。
ZS+年份-0001,例如,ZS2014-0001环评检测。
HP+年份-0001,例如,HP2014-0001环保验收检测。