风险矩阵评价法(R=LS)
- 格式:docx
- 大小:11.10 KB
- 文档页数:3
风险评价方法r s lf 表示
风险矩阵分析法(简称LS),R=L×S,其中R是风险值,事故发生的可能性与事件后果的结合,L是事故发生的可能性;S是事故后果严重性;R值越大,说明该系统危险性大、风险大。
作业条件危险性分析评价法(简称LEC)。
L(likelihood,事故发生的可能性)、E(exposure,人员暴露于危险环境中的频繁程度)和C(consequence,一旦发生事故可能造成的后果)。
给三种因素的不同等级分别确定不同的分值,再以三个分值的乘积D(danger,危险性)来评价作业条件危险性的大小,即:D=L×E×C。
D值越大,说明该作业活动危险性大、风险大。
风险的定义
指特定危害性事件发生的可能性和后果的结合。
人们常常将可能性L的大小和后果S的严重程度分别用表明相对差距的数值来表示,然后用两者的乘积反映风险程度R的大小,即R=LS。
(1)事故发生的可能性L
人身伤害事故和职业相关病症发生的可能性主要取决于对于特
定危害的控制措施的状态M和人体暴露于危害(危险状态)的频繁程度E1;单纯财产损失事故和环境污染事故发生的可能性主要取决于对于特定危害的控制措施的状态M和危害(危险状态)出现的频次
E2.
(2)控制措施的状态M
对于特定危害引起特定事故(这里“特定事故”一词既包含“类型”的含义,如碰伤、灼伤、轧入、高处坠落、触电、火灾、爆炸等;也包含“程度”的含义,如死亡、永久性部分丧失劳动能力、暂时性全部丧失劳动能力、仅需急救、轻微设备损失等)而言,无控制措施时发生的可能性较大,有减轻后果的应急措施时发生的可能性较小,有预防措施时发生的可能性最小。
风险矩阵评价法
基本原理是根据危险源辨识确定的危害及影响程度与危害及影响事件发生的可能性乘积确定风险的大小。
1、确定危害事件发生的严重程度(S)
对照表1从人员伤亡情况、财产损失、法律法规符合性、环境破坏和对企业声誉损坏五个方面对后果的严重程度进行评价取值,取五项得分最高的分值作为其最终的S值。
表1-危害事件发生的严重程度(S)
2、确定危害事件发生的可能性(L)
对照表2从偏差发生频率、安全检查、操作规程、员工胜任程度、控制措施五个方面对危害事件发生的可能性进行评价取值,取五项得分的最高的分值作为其最终的L值。
表2-危害事件发生的可能性(L)
3、确定了S 和L 值后,根据R=L ×S 计算出风险度R 的值,依据表
3的风险矩阵进行
风险评价分级。
(注:风险度 R 值的界限值,以及L 和S 定义不是一成不变的,可依据具体情况加以修订。
)
表3-风险矩阵(R )
根据R的值的大小将风险级别分为以下五级:
R=L×S=17~25:关键风险(Ⅰ级),需要立即停止作业;
R=L×S=13~16:重要风险(Ⅱ级),需要消减的风险;
R=L×S= 8~12:中度风险(Ⅲ级),需要特别控制的风险;
R=L×S= 4~7 :低度风险(Ⅳ级),需要关注的风险;
R=L×S= 1~3 :轻微风险(Ⅴ级),可接受或可容许风险。
表4 风险分级控制模型表
【本文档内容可以自由复制内容或自由编辑修改内容期待你的好评和关注,我们将会做得更好】。
风险矩阵评价法基本原理是根据危险源辨识确定的危害及影响程度与危害及影响事件发生的可能性乘积确定风险的大小。
1、确定危害事件发生的严重程度(S)
对照表1从人员伤亡情况、财产损失、法律法规符合性、环境破坏和对企业声誉损坏五个方面对后果的严重程度进行评价取值,取五项得分最高的分值作为其最终的S值。
表1-危害事件发生的严重程度(S)
2、确定危害事件发生的可能性(L)
对照表2从偏差发生频率、安全检查、操作规程、员工胜任程度、控制措施五个方面对危害事件发生的可能性进行评价取值,取五项得分的最高的分值作为其最终的L值。
表2-危害事件发生的可能性(L)
3、确定了S和L值后,根据R=L×S计算出风险度R的值,依据表3的风险矩阵进行风险评价分级。
(注:风险度R值的界限值,以及L和S定义不是一成不变的,可依据具体情况加以修订。
)
表3-风险矩阵(R)
根据R的值的大小将风险级别分为以下五级:
R=L×S=17~25:关键风险(Ⅰ级),需要立即停止作业;R=L×S=13~16:重要风险(Ⅱ级),需要消减的风险;
R=L×S=8~12:中度风险(Ⅲ级),需要特别控制的风险;R=L×S=4~7:低度风险(Ⅳ级),需要关注的风险;
R=L×S=1~3:轻微风险(Ⅴ级),可接受或可容许风险。
表4风险分级控制模型表。
.
风险矩阵评价法
基本原理是根据危险源辨识确定的危害及影响程度与危害及影响事件发生的可能性乘积确定风险的大小。
1、确定危害事件发生的严重程度(S)
对照表1从人员伤亡情况、财产损失、法律法规符合性、环境破坏和对企业声誉损坏五个方面对后果的严重程度进行评价取值,取五项得分最高的分值作为其最终的S值。
对照表2从偏差发生频率、安全检查、操作规程、员工胜任程度、控制措施五个方面对危害事件发生的可能性进行评价取值,取五项得分的最高的分值作为其最终的L值。
表2-危害事件发生的可能性(L)
. .
R=L定义不是一成不变的,可依据具和S(注:风险度 R值的界限值,以及L风
.
.
根据R的值的大小将风险级别分为以下五级:
R=L×S=17~25:关键风险(Ⅰ级),需要立即停止作业;
R=L×S=13~16:重要风险(Ⅱ级),需要消减的风险;
R=L×S= 8~12:中度风险(Ⅲ级),需要特别控制的风险;
R=L×S= 4~7 :低度风险(Ⅳ级),需要关注的风险;
R=L×S= 1~3 :轻微风险(Ⅴ级),可接受或可容许风险。
.。
风险矩阵法(LS)风险矩阵法(简称LS),R=L×S,其中R是危险性(也称风险度),事故发生的可能性与事件后果的结合,L是事故发生的可能性;S是事故后果严重性;R值越大,说明该系统危险性大、风险大。
判断准则见表G.1~表G.4表G.1事故发生的可能性(L)判断准则等级标准5在现场没有采取防范、监测、保护、控制措施,或危害的发生不能被发现(没有监测系统),或在正常情况下经常发生此类事故或事件。
4危害的发生不容易被发现,现场没有检测系统,也未进行过任何监测,或在现场有控制措施,但未有效执行或控制措施不当,或危害发生或预期情况下发生3没有保护措施(如没有保护装置、没有个人防护用品等),或未严格按操作程序执行,或危害的发生容易被发现(现场有监测系统),或曾经作过监测,或过去曾经发生类似事故或事件。
2危害一旦发生能及时发现,并定期进行监测,或现场有防范控制措施,并能有效执行,或过去偶尔发生事故或事件。
1有充分、有效的防范、控制、监测、保护措施,或员工安全卫生意识相当高,严格执行操作规程。
极不可能发生事故或事件。
表G.2事件后果严重性(S)判别准则等级法律、法规及其他要求人员直接经济损失停工企业形象5违反法律、法规和标准死亡100万元以上部分装置(>2套)或设备重大国际影响4潜在违反法规和标准丧失劳动能力50万元以上2套装置停工、或设备停工行业内、省内影响3不符合上级公司或行业的安全方针、制度、规定等截肢、骨折、听力丧失、慢性病1万元以上1套装置停工或设备地区影响2不符合企业的安全操作程序、规定轻微受伤、间歇不舒服1万元以下受影响不大,几乎不停工公司及周边范围1完全符合无伤亡无损失没有停工形象没有受损表G.3安全风险等级判定准则(R 值)及控制措施表G.4风险矩阵表后果等级54321(表中人员伤亡、直接经济损失情况仅供参考,不具有确定性,可根据各企业风险可接受程度进行相应调整。
)。
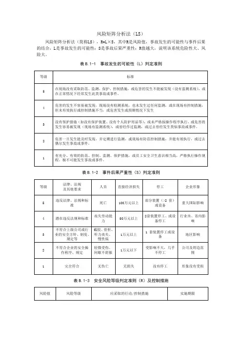
风险评价准则风险矩阵分析法(LS)风险矩阵分析法(简称LS),R=L×S,其中R是风险值,事故发生的可能性与事件后果的结合,L是事故发生的可能性;S是事故后果严重性;R值越大,说明该系统危险性大、风险大。
表C.1-1 事故发生的可能性(L)判定准则表C.1-2 事件后果严重性(S)判定准则表C.1-3 安全风险等级判定准则(R)及控制措施表C.1-4 风险矩阵表后果等级54 3 2 1附件1风险矩阵评价法风险矩阵评价法是以生产设备设施为风险单元,将事件发生的可能性(Likelihood)和严重程度(Severity)赋予可度量的数值,用两个数值的算术乘积判定风险等级,并形成风险矩阵图。
即:风险的数学表达式为:R=L×S。
其中:R—代表风险值;L—代表发生伤害的可能性;S—代表发生伤害后果的严重程度。
一、事件发生的可能性(L)。
从偏差发生频率、硬件控制措施、软件控制措施、等三个方面对危害事件发生的可能性(L)进行评价取值,取五项得分的最高的分值作为其最终的L值。
事件发生的可能性数值参见表1。
表1 事件发生的可能性(L)二、事件发生的严重程度(S)。
从人员伤害、财产损失、停工和对企业形象等四个方面对后果的严重程度(S)进行评价取值,取五项得分最高的分值作为其最终的S值。
事件发生的严重程度数值参见表2。
表2 事件发生的严重程度(S)三、风险矩阵图。
确定了S和L值后,根据R=L×S计算出风险度R的值。
根据R的值的大小将风险级别分为以下四级:R=15~25:一级,重大风险(红色)。
R=10~14:二级,较大风险(橙色)。
R=6~9:三级,一般风险(黄色)。
R=1~5:四级,低风险(绿色)。
详见表3风险矩阵图。
表3 风险矩阵图(R)。
风险矩阵评价法
基本原理是根据危险源辨识确定的危害及影响程度与危害及影响事件发生的可能性乘积确定风险的大小。
1确定危害事件发生的严重程度(S)
对照表1从人员伤亡情况、财产损失、法律法规符合性、环境破坏和对企业声誉损坏五个方面对后果的严重程度进行评价取值,取五项得分最高的分值作为其最终的S值
2、确定危害事件发生的可能性(L)
对照表2从偏差发生频率、安全检查、操作规程、员工胜任程度、控制措施五个方面
对危害事件发生的可能性进行评价取值,取五项得分的最高的分值作为其最终的L值
3、确定了S和L值后,根据R=L S计算出风险度R的值,依据表3的风险矩阵进行
风险评价分级。
(注:风险度R值的界限值,以及L和S定义不是一成不变的,可依据具体情况加以修订。
)
表3-风险矩阵(R)
根据R的值的大小将风险级别分为以下五级:
R=L X S=1725 :关键风险(I级),需要立即停止作业;R=L X S=1316:重要风险(U级),需要消减的风险;R=L X S=812:中度风险(川级),需要特别控制的风险; R=L X S=47 :低度风险(W级),需要关注的风险;
R=L X S=43 :轻微风险(V级),可接受或可容许风险。
表4风险分级控制模型表。
风险矩阵评价法
基本原理是根据危险源辨识确定的危害及影响程度与危害及影响事件发生的可能性乘积确定风险的大小。
1、确定危害事件发生的严重程度(S)
对照表1从人员伤亡情况、财产损失、法律法规符合性、环境破坏和对企业声誉损坏五个方面对后果的严重程度进行评价取值,取五项得分最高的分值作为其最终的S值。
表1-危害事件发生的严重程度(S)
2、确定危害事件发生的可能性(L)
对照表2从偏差发生频率、安全检查、操作规程、员工胜任程度、控制措施五个方面对危害事件发生的可能性进行评价取值,取五项得分的最高的分值作为其最终的L值。
表2-危害事件发生的可能性(L)
3、确定了S和L值后,根据R=L×S计算出风险度R的值,依据表3的风险矩阵进行风险评价分级。
(注:风险度 R值的界限值,以及L和S定义不是一成不变的,可依据具体情况加以修订。
)
表3-风险矩阵(R)
根据R的值的大小将风险级别分为以下五级:
R=L×S=17~25:关键风险(Ⅰ级),需要立即停止作业;
R=L×S=13~16:重要风险(Ⅱ级),需要消减的风险;
R=L×S= 8~12:中度风险(Ⅲ级),需要特别控制的风险;R=L×S= 4~7 :低度风险(Ⅳ级),需要关注的风险;
R=L×S= 1~3 :轻微风险(Ⅴ级),可接受或可容许风险。
表4 风险分级控制模型表。
风险矩阵评价法
基本原理是根据危险源辨识确定的危害及影响程度与危害及影响事件发生的可能性乘积确定风险的大小。
1、确定危害事件发生的严重程度(S)
对照表1从人员伤亡情况、财产损失、法律法规符合性、环境破坏和对企业声誉损坏五个方面对后果的严重程度进行评价取值,取五项得分最高的分值作为其最终的S值。
表1-危害事件发生的严重程度(S)
2、确定危害事件发生的可能性(L)
对照表2从偏差发生频率、安全检查、操作规程、员工胜任程度、控制措施五个方面对危害事件发生的可能性进行评价取值,取五项得分的最高的分值作为其最终的L值。
表2-危害事件发生的可能性(L)
3、确定了S和L值后,根据R=L×S计算出风险度R的值,依据表3的风险矩阵进行风险评价分级。
(注:风险度 R值的界限值,以及L和S定义不是一成不变的,可依据具体情况加以修订。
)
表3-风险矩阵(R)
根据R的值的大小将风险级别分为以下五级:
R=L×S=17~25:关键风险(Ⅰ级),需要立即停止作业;
R=L×S=13~16:重要风险(Ⅱ级),需要消减的风险;
R=L×S= 8~12:中度风险(Ⅲ级),需要特别控制的风险;R=L×S= 4~7 :低度风险(Ⅳ级),需要关注的风险;
R=L×S= 1~3 :轻微风险(Ⅴ级),可接受或可容许风险。
表4 风险分级控制模型表。
安全矩阵评价法(R=LS):根据可靠性与安全性评估风险。
安全矩阵评价法 (R=LS):根据可靠性与安全性评估风险安全矩阵评价法 (R=LS) 是一种根据可靠性与安全性评估风险的方法。
该方法结合了可靠性和安全性的指标,以评估系统或项目的风险水平。
通过这种评估,可以确定可用性和稳定性的关键要素,从而采取适当的风险管理措施。
方法步骤1. 确定可靠性指标 (R):可靠性是指系统或项目在特定条件下正常运行的能力。
常用的可靠性指标包括系统故障率或平均无故障时间 (MTBF)。
根据特定的需求和环境,选择适合的可靠性指标。
2. 确定安全性指标 (LS):安全性是指系统或项目在特定条件下的保密性和完整性。
常用的安全性指标包括机密性、完整性和可用性。
根据特定的需求和环境,选择适合的安全性指标。
3. 构建安全矩阵 (R=LS):安全矩阵是将可靠性指标和安全性指标结合起来,在同一图表中呈现的工具。
以可靠性指标为横轴,安全性指标为纵轴,绘制一个二维矩阵。
根据系统或项目的特性,在矩阵中标出不同风险水平的区域。
4. 评估风险水平:根据系统或项目的实际情况,确定其所处的风险水平。
将系统或项目的可靠性和安全性指标对应到安全矩阵中,查找其所在的区域。
根据所处区域的风险水平,确定相应的风险管理措施。
5. 风险管理措施:根据确定的风险水平,制定适当的风险管理措施。
这些措施可能包括增强系统的可靠性、提升安全性防御措施、建立备份和恢复机制等。
总结安全矩阵评价法 (R=LS) 是一种综合考虑可靠性和安全性的方法,用于评估系统或项目的风险水平。
通过构建安全矩阵,确定风险水平,并制定相应的风险管理措施,可以有效提高系统或项目的可用性和稳定性。
在实际应用中,应根据具体情况选择适合的可靠性和安全性指标,并根据风险水平采取相应的管理措施。
附件4一般危险源风险评价方法—风险矩阵法(LS法)一、风险矩阵法(LS法)的数学表达式为:R = L×S(公式1)式中:R—风险值;L—事故发生的可能性;S—事故造成危害的严重程度。
二、L值的取值过程与标准1.堤防工程:L值应由管理单位三个管理层级(分管负责人、部门负责人、运行管理人员)、多个相关部门(运管、安全或有关部门)人员按照以下过程和标准共同确定:第一步:由每位评价人员根据实际情况和表1,参照附件5初步选取事故发生的可能性数值(以下用L c表示);表1 L值取值标准表第二步:分别计算出三个管理层级中,每一层级内所有人员所取L c值的算术平均数L j1、L j2、L j3。
其中:j1代表分管负责人层级;j2代表部门负责人层级;j3代表运行管理人员层级;第三步:按照下式计算得出L的最终值。
L=0.3×L j1+0.5×L j2+0.2×L j3(公式2)2.淤地坝工程:管理单位按照上述堤防工程的取值过程与标准施行,L 值应由评价人员根据实际情况和表1,参照附件6初步选取事故发生的可能性数值。
如无管理层级,L值为所有评价人员取值的算术平均数。
三、S值取值标准堤防工程以级别作为S取值的依据,S值应按照表2取值。
表2 堤防工程S值取值标准表淤地坝工程以工程规模作为S取值的依据,S值应按照表3取值。
表3 淤地坝工程S值取值标准表四、一般危险源风险等级划分按照上述内容,选取或计算确定一般危险源的L、S值,由公式1计算R值,再按照表4确定风险等级。
表4 一般危险源风险等级划分标准表-风险矩阵法(LS法)。
附件4一般危险源风险评价方法—风险矩阵法(LS法)一、风险矩阵法(LS法)的数学表达式为:R = L×S (公式1)式中:R—风险值;L—事故发生的可能性;S—事故造成危害的严重程度。
二、L值的取值过程与标准L值应由管理单位三个管理层级(分管负责人、部门负责人、运行管理人员)、多个相关部门(运管、安全或有关部门)人员按照以下过程和标准共同确定:第一步:由每位评价人员根据实际情况和表1,参照附件5、附件6初步选取事故发生的可能性数值(以下用Lc表示);表1 L值取值标准表第二步:分别计算出三个管理层级中,每一层级内所有人员所取Lc值的算术平均数L j1、L j2、L j3。
其中:j1代表分管负责人层级;j2代表部门负责人层级;j3代表运行管理人员层级;第三步:按照下式计算得出L的最终值。
L=0.3×L j1+0.5×L j2+0.2×L j3(公式2)三、S值取值标准对于坝后式水电站宜综合考虑水库水位H和工程规模M两个因素,用两者的乘积值V所在区间作为S取值的依据。
V值应按照表2计算,S值应按照表3取值。
表2 V值计算表表3 坝后式水电站S值取值标准表除坝后式水电站外,在分析水电站、泵站工程运行事故所造成危害的严重程度时,以工程规模或等别作为S 取值的依据,S 值应按照表4取值。
表4 水电站、泵站工程S 值取值标准表对于利用塘坝(库容10万m 3及以下)蓄水发电的水电站,其挡水建筑物的一般危险源辨识及风险评价,应按与水电站同等工程规模水库挡水建筑物的有关方法执行(详见《水利水电工程(水库、水闸)运行危险源辨识与风险评价导则》)。
四、一般危险源风险等级划分按照上述内容,选取或计算确定一般危险源的L 、S 值,由公式1计算R值,再按照表5确定风险等级。
表5 一般危险源风险等级划分标准表-风险矩阵法(LS 法)。
风险矩阵评价法
基本原理是根据危险源辨识确定的危害及影响程度与危害及影响事件发生的可能性乘积确定风险的大小。
1确定危害事件发生的严重程度(S)
对照表1从人员伤亡情况、财产损失、法律法规符合性、环境破坏和对企业声誉损坏五个方面对后果的严重程度进行评价取值,取五项得分最高的分值作为其最终的S值
表1-危害事件发生的严重程度(S)
2、确定危害事件发生的可能性(L)
对照表2从偏差发生频率、安全检查、操作规程、员工胜任程度、控制措施五个方面
对危害事件发生的可能性进行评价取值,取五项得分的最高的分值作为其最终的L值
表2-危害事件发生的可能性(L)
风险评价分级。
(注:风险度R值的界限值,以及L和S定义不是一成不变的,可依据具体情况加以修订。
)
表3-风险矩阵(R
根据R的值的大小将风险级别分为以下五级:
R=I_X S=17〜25:关键风险(I级),需要立即停止作业;R=L X S=13〜16:重要风险(U级),需要消减的风险;
R=L X S= 8〜12:中度风险(川级),需要特别控制的风险; R=L X S= 4〜7 :低度风险(W级),需要关注的风险;
R=L X S= 1〜3 :轻微风险(V级),可接受或可容许风险。
表4风险分级控制模型表。