变压器冷却风机控制柜电气二次原理图.1
- 格式:pdf
- 大小:321.80 KB
- 文档页数:4
直流母线电压监视装置原理图-------------------------------------------1 直流绝缘监视装置----------------------------------------------------------1不同点接地危害图----------------------------------------------------------2带有灯光监视的断路器控制回路(电磁操动机构)--------------------3 带有灯光监视的断路器控制回路(弹簧操动机构)--------------------5 带有灯光监视的断路器控制回路(液压操动机构)-------- -----------6 闪光装置接线图(由两个中间继电器构成)-----------------------------8 闪光装置接线图(由闪光继电器构成)-----------------------------------9 中央复归能重复动作的事故信号装置原理图-------------------------9 预告信号装置原理图------------------------------------------------------11 线路定时限过电流保护原理图------------------------------------------12 线路方向过电流保护原理图---------------------------------------------13 线路三段式电流保护原理图---------------------------------------------14 线路三段式零序电流保护原理图---------------------------------------15 双回线的横联差动保护原理图------------------------------------------16 双回线电流平衡保护原理图---------------------------------------------18 变压器瓦斯保护原理图---------------------------------------------------19 双绕组变压器纵差保护原理图------------------------------------------20 三绕组变压器差动保护原理图------------------------------------------21 变压器复合电压启动的过电流保护原理图---------------------------22 单电源三绕组变压器过电流保护原理图------------------------------23 变压器过零序电流保护原理图------------------------------------------24 变压器中性点直接接地零序电流保护和中性点间隙接地保------24线路三相一次重合闸装置原理图---------------------------------------26自动按频率减负荷装置(LALF)原理图--------------------------------29储能电容器组接线图------------------------------------------------------29小电流接地系统交流绝缘监视原理接线图---------------------------29变压器强油循环风冷却器工作和备用电源自动切换回路图------30变电站事故照明原理接线图---------------------------------------------31开关事故跳闸音响回路原理接线图------------------------------------31二次回路展开图说明(10KV线路保护原理图)-----------------------32直流回路展开图说明------------------------------------------------------331、图E-103为直流母线电压监视装置电路图,请说明其作用。
电气二次接线图内容、分类、图形符号、原理图一次电路图中元器件动作均是由二次控制图来控制动作,对于二次原理图看图步骤是从左至右、从上至下逐步熟悉了解掌握。
二次接线图的内容二次接线图是由二次设备所组成的低压回路。
它包括交流电流回路、交流电压回路、断路器控制和信号回路、继电保护回路以及自动装置回路等。
二次接线图是由二次设备的图形符号和文字符号,表明二次设备互相连接的电气接线图。
在实际工作中,二次接线图不但常常遇到,而且数量较多,对它必须充分了解。
二次接线图的分类二次接线图可分为原理图和安装图两大类,其中原理图分为归总式原理图、展开式原理图,安装图分为屏面布置图、屏后接线图。
(1)原理图凡表示动作原理的二次接线图统称为原理图。
由于元件的表示方法不同,原理图包括:a、归总式原理图,即各元件在图中是用整体形式来表示,如电流继电器的表示图形中,下面是线圈,上面是闭合或断开有关直流回路用的触点。
b、展开式原理图,就是将各元件分解为若干部分,例如:上述电流继电器便分成线圈和触点两部分。
它们在图中并不位于一起,而是分散在有关回路中。
(2)安装图根据安装施工的要求,将二次设备的具体位置和布线方式表示出来的图形称为安装图。
安装图包括屏面布置图和屏后接线图。
屏面布置图中,各元件的尺寸和相互距离,均要详细注明,便于在屏上进行安装。
而屏后接线图系将各元件及回路加上编号,施工时,即按编号进行接线,使用起来非常方便。
二次接线图中常用的图形符号二次接线图中,为了说明各元件的连接状况,每个元件须用具有一定特征的图形和文字符号表示出来,以免发生混淆。
如电流继电器文字符号为LJ;时间继电器文字符号为SJ;试验按钮文字符号为YA; 起动按钮文字符号为QA;停止按钮文字符号为TA等。
归总式原理图习惯上常把归总式原理图简称为原理图。
归总式原理图,由于元件为总体形式,看起来比较直观,并且与一次设备画在一起,容易了解它们之间的相互关系和作用,便于形成清晰的概念,这种接线图对于叙述动作原理是有利的。
直流母线电压监视装置原理图-------------------------------------------1 直流绝缘监视装置----------------------------------------------------------1不同点接地危害图----------------------------------------------------------2带有灯光监视的断路器控制回路(电磁操动机构)--------------------3 带有灯光监视的断路器控制回路(弹簧操动机构)--------------------5 带有灯光监视的断路器控制回路(液压操动机构)-------- -----------6 闪光装置接线图(由两个中间继电器构成)-----------------------------8 闪光装置接线图(由闪光继电器构成)-----------------------------------9 中央复归能重复动作的事故信号装置原理图-------------------------9 预告信号装置原理图------------------------------------------------------11 线路定时限过电流保护原理图------------------------------------------12 线路方向过电流保护原理图---------------------------------------------13 线路三段式电流保护原理图---------------------------------------------14 线路三段式零序电流保护原理图---------------------------------------15 双回线的横联差动保护原理图------------------------------------------16 双回线电流平衡保护原理图---------------------------------------------18 变压器瓦斯保护原理图---------------------------------------------------19 双绕组变压器纵差保护原理图------------------------------------------20 三绕组变压器差动保护原理图------------------------------------------21 变压器复合电压启动的过电流保护原理图---------------------------22 单电源三绕组变压器过电流保护原理图------------------------------23 变压器过零序电流保护原理图------------------------------------------24 变压器中性点直接接地零序电流保护和中性点间隙接地保------24线路三相一次重合闸装置原理图---------------------------------------26自动按频率减负荷装置(LALF)原理图--------------------------------29储能电容器组接线图------------------------------------------------------29小电流接地系统交流绝缘监视原理接线图---------------------------29变压器强油循环风冷却器工作和备用电源自动切换回路图------30变电站事故照明原理接线图---------------------------------------------31开关事故跳闸音响回路原理接线图------------------------------------31二次回路展开图说明(10KV线路保护原理图)-----------------------32直流回路展开图说明------------------------------------------------------331、图E-103为直流母线电压监视装置电路图,请说明其作用。
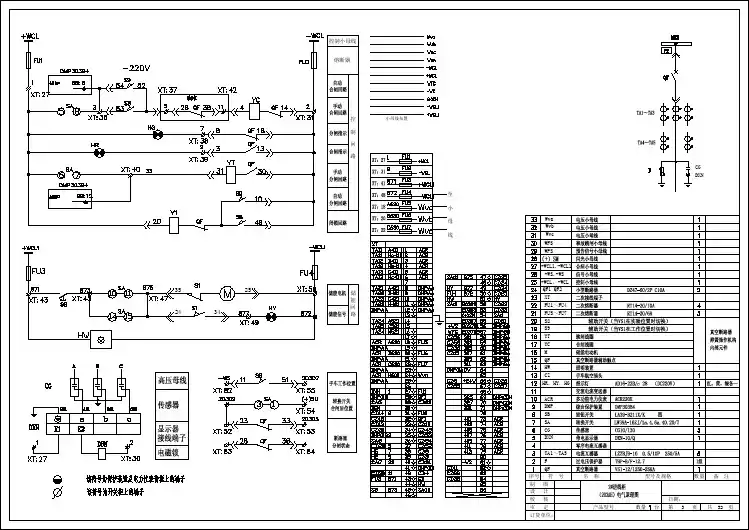
主变冷却器二次系统图解析一、背景:某天然气发电有限公司配置#4台强迫导向风冷双绕组主变压器,每台变压器设置有5组冷却系统,每组冷却系统配备3台风扇、一台潜油泵,供主变运行时冷却,带走热量作用,从而确保主变油温及绕组温度在规定的范围内运行。
主变冷却系统对主变运行起到非常重要作用,因此我们有必要对其二次回路进行深入学习、并掌握,便于在发生冷却器故障时能够更好进行处理,及时恢复,确保主变安全运行。
二、二次图解析:2.1电源切换回路:该回路为两路电源备投控制回路,当工作路失电时备用回路自动投入运行。
冷却器电源一、二分别来自380V MCCA、MCCB段,QF8、QF9分别是两路电源的L3相。
KV1/KV2分别为电源I/电源II的监视器,当电源正常时,其常开触点KV1/KV2闭合。
SA1为电源切换开关,当切至电源I时,①②接通,⑤⑥接通,当电源I正常时,继电器KA1得电,其常开辅助触点KA1(5-9间)闭合,常闭辅助触点KA1(8-6间)断开,交流接触器KM2处于失电状态,其常闭辅助触点KM2(9-11间)闭合,使得交流接触器KM1得电,其常开辅助触点KM1闭合,向主变冷却器供电,一旦电源I失电,继电器KA1及交流接触器KM1均失电,其常闭触点KA1(8-6间)、KM1(10-12间)闭合,使得交流接触器KM2得电,其辅助触点KM2吸合,继续向主变冷却器供电;当SA1切至电源II时,③-④接通,⑦-⑧接通,原理一样;而当SA1切至“0”停止位置时,均不通,主变冷却器会失电全停。
2.2冷却器控制方式回路:K1/K2/k3/K4/K5分别为#1-#5号冷却器故障输入信号继电器,当任一组冷却器潜油泵热偶动作、或冷却风扇电机(3个中任一个)热偶动作,或对应冷却器电源开关跳闸时,故障信号线圈K1-K5得电,辅助接点闭合,发冷却器故障信号输出得电。
SA为就地、远方转换开关,正常我们是切至“就地”控制,“远方”控制未用,停止位置时当切至就地时,上面接通,才能就地进行冷却器切换操作;而当切至“远方”控制时,下面接通,上面断开,则有可能导致主变冷却器控制回路断开,冷却器全停的隐患。