加工车间生产及耗费月报表
- 格式:xls
- 大小:24.00 KB
- 文档页数:1
生产工序日报表模板篇一:车间各工序生产日报表注:车间质检人员认证检查后,各自签字,当日交驻厂监理(认真填写,字迹要清楚,数据要无误)。
车间承口钢圈生产日报表1 班组:2014年月日注:车间质检人员认证检查后,各自签字,当日交驻厂监理(认真填写,字迹要清楚,数据要无误)。
注:车间质检人员认证检查后,各自签字,当日交驻厂监理(认真填写,字迹要清楚,数据要无误)。
车间插口钢圈生产日报表2 班组:2014年月日注:车间质检人员认证检查后,各自签字,当日交驻厂监理(认真填写,字迹要清楚,数据要无误)。
注:车间质检人员认证检查后,各自签字,当日交驻厂监理(认真填写,字迹要清楚,数据要无误)。
车间钢筒卷焊生产日报表3 班组:2014年月日注:车间质检人员认证检查后,各自(转载于: 小龙文档网:生产工序日报表模板)签字,当日交驻厂监理(认真填写,字迹要清楚,数据要无误)。
注:车间质检人员认证检查后,各自签字,当日交驻厂监理(认真填写,字迹要清楚,数据要无误)。
注:车间质检人员认证检查后,各自签字,当日交驻厂监理(认真填写,字迹要清楚,数据要无误)。
管芯浇筑生产日报表5 班组:2014年月日注:车间质检人员认证检查后,各自签字,当日交驻厂监理(认真填写,字迹要清楚,数据要无误)。
管芯浇筑生产日报表5 班组:2014年月日注:车间质检人员认证检查后,各自签字,当日交驻厂监理(认真填写,字迹要清楚,数据要无误)。
篇二:生产日报表格式生产日报表工序﹕NO: ______________厂长:工序拉长:制表日期:审核意见:制程建议:篇三:全厂生产日报表(DOC格式)模板范文四DO1 全厂生产日报表说明:1.依据各部门之生产日报表作统计;2.最好用推移图加以更简单的表达。
四DO2 全厂生产月报表月份:说明:1.把全厂全月的日报加以统计;2.最好用推移图表达。
四DO3 生产日报表(B)部门:四DO3 生产日报表(C)制表:四DO7 生产计划科月报表说明:1.由生产计划部门提出;2.协调生产部门改进。
做账实操-玉饰加工厂的会计账务处理实例一、采购原材料假设玉饰加工厂采购玉石原石、镶嵌材料等原材料,花费200 万元,增值税税率为13%。
1. 借:原材料2000000应交税费——应交增值税(进项税额)260000贷:银行存款2260000二、生产领用原材料企业投入生产,领用上述原材料150 万元。
1. 借:生产成本1500000贷:原材料1500000三、发生直接人工成本本月生产工人工资共计80 万元。
1. 借:生产成本800000贷:应付职工薪酬800000四、分摊制造费用假设本月制造费用共计60 万元,按照一定的分配方法分摊到产品成本中。
1. 借:生产成本600000贷:制造费用600000五、产品完工入库本月生产完工玉饰,总成本为290 万元。
1. 借:库存商品2900000贷:生产成本2900000六、销售产品企业销售玉饰,售价为500 万元,增值税税率为13%。
1. 确认收入:借:应收账款/银行存款5650000贷:主营业务收入5000000应交税费——应交增值税(销项税额)6500002. 结转成本:借:主营业务成本2900000贷:库存商品2900000七、计提固定资产折旧企业的生产设备原值为800 万元,预计使用年限为10 年,残值率为5%,采用直线法计提折旧。
每月折旧额为:8000000×(1 5%)÷10÷12 = 63333.33 元。
1. 借:制造费用63333.33贷:累计折旧63333.33八、支付水电费等费用企业支付本月水电费30 万元。
1. 借:制造费用(或管理费用,根据用途确定)300000贷:银行存款300000九、期末结转损益1. 结转收入:借:主营业务收入5000000贷:本年利润50000002. 结转成本费用:借:本年利润3863333.33(2900000 + 63333.33 + 300000 + 800000 + 600000 650000)贷:主营业务成本2900000制造费用93333.33管理费用(假设无其他管理费用)0销售费用(假设无销售费用)0。
车间员6月工作总结及下月计划车间员6月工作总结及下月计划「篇一」一、安全宣传教育活动。
各部门在每周例行的公司生产调度会上通报安全宣传教育内容,各车间、工段、班组利用班前班后会宣传公司安全文化,并制作内容丰富、形式多样的安全月专题宣传板报。
安全处悬挂安全月主题横幅,下发600册由德州市安全生产监督管理局局编印的《德州市安全生产“五进”宣传手册》到基层班组,宣传企业安全生产主体责任基本知识、职业安全健康基本知识和日常生活安全常识,促使全公司形成“关注安全、关爱生命”的良好氛围。
二、隐患排查治理活动。
公司安委会在安全月对全公司进行了安全综合检查,通过对每个车间、每个工段的细致检查,查找生产设备和生产工艺中存在的各类安全隐患,制定隐患整改方案和计划,由各职能处室到期复查;各车间、工段同时进行各单位的隐患自查自改工作。
通过安全检查和隐患整改措施的落实,进一步改善了全公司安全生产环境。
三、安全生产事故警示教育活动。
安全处组织各车间干部员工共计815人观看事故教育片《黑色瞬间》,下发100册由德州市安全生产监督管理局局编印的《典型案例剖析汇编》到基层班组。
通过对典型事故案例的剖析,教育广大干部员工切实增强自我防范意识和自我保护能力,坚决遏制、防范各类生产事故的发生。
四、应急救援演练活动。
安全月期间,各车间、班组分别针对各自生产特点组织员工进行各种应急防护器材的使用方法学习,公司组织三大生产车间模拟重大危险源事故进行应急救援演练。
通过开展应急预案培训、演练、评估等一系列活动,进一步完善了应急救援体系,提高了干部职工事故救援和应急处置能力。
五、知识技能现场抽问。
根据公司制定的公司、处、车间、工段各层级深入一线员工技能水平抽问考核制定度的要求,6月29日,由张明副总经理带队,安全处组织生产处、设备处、保卫处及生产车间负责人对生产一线员工分别从巡检、交接班制度、生产操作规程、工艺指标、异常处置、设备操作、维修规程、设备管理制度、设备异常处置、安全法律法规、厂规厂法、安全规程、重大危险源管理、事故应急处置等方面抽问,促使基层干部职工进一步加强业务技能的学习,提高综合素质,巩固安全生产基础。
XX公司生产计划变更通知单编号:年月日制单人:批准人:注:一式六联。
一联生产部存根,一联报生产总监,一联报质量管理部,一联报采购部,一联报库管部,一联报销售部。
XX公司生产计划通知单编号:年月日制单人:批准人:注:一式六联。
一联生产部存根,一联报生产总监,一联报质量管理部,一联报采购部,一联报库管部,一联报销售部。
XX公司生产月报表编号:制表人:年月日注:一式三联。
一联生产部留存,一联报生产总监,一联报财务核算部。
XX公司生产月报表编号:制表人:年月日注:一式三联。
一联生产部留存,一联报生产总监,一联报财务核算部。
XX公司生产日报表编号:制表人:年月日注:一式两联。
一联生产部留存,一联报生产总监。
XX公司配料单编号:配料日期:制单人:复核人:退料单编号:年月日退料人:退料部门负责人:库管员:注:一式两联。
一联仓库存根,一联交退料部门。
SC-SC/BD---04XX公司领料单编号:年月日付料:领料:配料:复核:注:一式三联。
一联生产部存根,一联交原料库,一联交生产班组。
SC-SC/BD---13XX公司投入产出统计明细表单位:Kg 产品型号:产品名称:制表人:SC-SC/BD---10XX公司反应产品生产记录SC-SC/BD---11XX公司生产记录SC-SC/BD---05XX公司生产班组长日志组别:组长:年月日注:本表一式两份,一份生产班组长自留,一份上报生产部经理。
如有加班加点将人员、工时记入备注栏。
专业知识整理分享SC-SC/BD---12XX公司生产计划执行情况明细表制表人/日期:专业知识整理分享SC-SC/BD---08 XX公司产品生产记录专业知识整理分享SC-SC/BD---09 XX公司反应产品生产记录专业知识整理分享。
生产计划排产表格篇一:生产计划表格第三十章生产计划表格一、生产计划综合报表二、生产计划安排表总经理:厂长:审核:拟定:三、各部门生产计划安排表300第三十章四、生产规划明细表五、周生产计划表301说明:1.依据月生产计划的执行状况修订。
2.依据产品的要求标准时间制订时程。
3.计划时程栏内注明计划产量。
六、月生产计划表302第三十章审核:计划:七、长远生产计划表303篇二:如何做一个可执行的生产计划排程一、做出详细生产作业计划需要哪些条件?在许多生产管理者眼中,生产作业计划是不重要的,如果我们只停留在小加工作坊的规模,大脑就能把一个月的订单、物料、资源记得清清楚楚,那么生产计划排程的必要性确实不太大,但事实上,随着生产规模的扩大,人脑已经不可能完成如此大数据量的存储功能,这时就到了生产管理的Excel时代,许多生产管理人员对Excel使用非常熟悉,并乐在其中,但如果要问他计划的详细信息,计划的优劣以及可执行性问题,这就遇到了困难,道理很简单,Excel只是将数据的存储从大脑移到了电脑,增大了容量,却仍然没有实质性的改进,但Excel的存储作用却是不言而喻的,它是生产计划排程数据准备的重要手段,但Excel相对于文本来说只是多了一个方便操作的表格,并没有严格的二维数据关系,这时就到了生产管理的ERP/MES时代。
这些基础数据主要包括如下几种:(1)所有产品结构信息。
即生产管理中BOM管理,有了产品结构才能方便的进行订单分解,分解成实际生产的任务。
(2)所有产品的制造工艺信息。
简单来说,就是要能知道任何一个制造任务(如一个零件)可以分解为几步以及每一步之间的逻辑关系,每一步用到哪些物料、需要哪种设备、需要哪些辅助工具,即是生产管理中常说的工艺流程。
(3)所有使用的资源信息。
资源是必备的生产主体,没有资源,生产无从谈起,所以需要对生产所需要的全部资源进行管理,这里所说的资源包含物料、设备、工具等。
对资源的管理主要是对资源能力和成本的管理。
车间的生产计划(11篇)车间的生产计划11、负责前处理车间的安全管理,按要求机查核频次,对车间消防设施、化学品、现场安全隐患点、现场作业方式等排查整改,消除安全隐患,确保安全合规。
2、负责生产过程质量管控,要求并监督各岗位依工艺标准、SOP作业,确保生产正常。
3、现场走动管理,发现各岗位人员操作异常的,及时纠正员工操作不当作业或其他违规违纪行为,确保当班生产产品质量符合标准。
4、负责前处理设备的日常巡检,日周月保养维护及年度大修保养,发现异常立即组织所辖人员进行维护保养,确保设备运转正常。
5、依岗位区域,督导各岗位工器具清洁消毒,现场5S执行及按需辅助配合其他岗位作业。
6、负责班组新进/换岗人员岗前岗中安全培训,组织定期开展前处理教育训练和人员带教、现场生产记录审核等工作。
7、负责OA系统领/退料、现场原辅料领退及主管临时交办其他工作。
车间的生产计划21.能熟练运用人、机、料、法、环管理生产;2.根据本车间生产计划,合理调配人员,组织物料及设备,做好生产安排;3.针对异常问题的处理能及时落实有效的措施;4.车间日常事务及人员劳动纪律监督、生产报表、考勤、绩效考核等工作的处理;5.完成上级交办的其他事物。
车间的生产计划3车间为贯彻落实公司安全生产管理实施细则,结合车间实际情况,特指定本年度计划:一、建立健全安全劳动管理职责1 、为了安全生产,区区有人管,事事有人抓,从车间员工、库房主管、检验主管及办公室人员签订安全责任书,严格按照安全生产制度作业。
2 、组建安全管理网络,做到分区分片的综合管理。
组长:郑轶副组长:李扬、靳飞飞库房区:郑书梅检验区:张和平办公区:郭艳娇二、管理责任1 、宣传贯彻国家相关的法律法规、严格执行下发的安全生产规章制度。
2 、加强职工安全教育,坚持每周安全巡查,发现隐患及时整改并制定整改措施。
3 、重点防火部位,定员定岗,保持消防器材良好适用。
4 、配电柜、闸刀、流水线、台钻、油压机、砂轮机等电器设备必须安装漏电保护器、防护网,坚持手持式电动工具月度绝缘测试,防止触电事故发生。
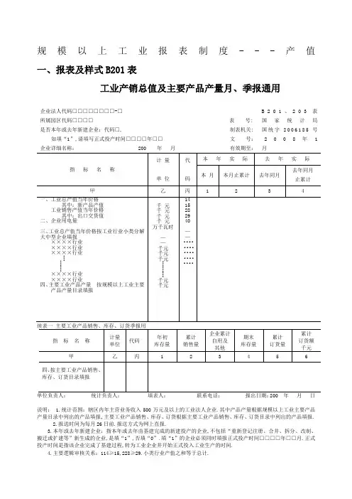
规模以上工业报表制度---产值一、报表及样式B201表工业产销总值及主要产品产量月、季报通用企业法人代码□□□□□□□□-□所属园区代码□□□□是否本年或去年新建企业:代码□, 如填“1”,请填写正式投产时间□□□□年□□企业详细名称: 200 年月表号:制表机关:文号:有效期至:B201、203表国家统计局国统字2006185号2 0 0 8 年 1月说明: 1.统计范围:辖区内年主营业务收入500万元及以上的工业法人企业.其中产品产量根据规模以上工业主要产品产量目录中列出的产品填报,主要工业产品销售、库存、订货根据主要工业产品销售、库存、订货目录中列出的产品填报.2.报送时间为每月26日前.报送方式为网上直报.3.本年或去年新建企业:指本年或去年由基建完成的新建投产的企业,不包括“重新登记注册、合并、拆分、改制、搬迁或扩建等”新生成的企业,是填“1”,否填“0”.填“1”的企业必须同时填报正式投产时间□□□□年□□月.正式投产时间是指该企业完成了基建过程,转为工业企业并开始正式投入工业生产的时间.4.主要逻辑审核关系:114≥15,228≥29.小类行业产值之和等于总计.二、报送时间及方式:该报表为月报,报送时间为当月的26日前,报送方式为网上直报.三、主要指标解释:1.工业总产值当年价格:指工业企业在本年内生产的以货币形式表现的工业最终产品和提供工业劳务活动的总价值量.1工业总产值计算应遵循的原则①工业生产的原则.即凡是企业在本年内生产的最终产品和提供的劳务,均应包括在内.其中的最终产品,不管是否在本年内销售,只要是本年内生产的,就应包括在内.凡不是工业生产的产品,均不得计入工业总产值.②最终产品的原则.即企业生产的成品价值必须是本企业生产的,经检验合格不需再进行任何加工的最终产品.企业对外销售的半成品也应视为最终产品计入工业总产值.而在本企业内各车间转移的半成品和在制品只能计算其期末期初差额价值.③“工厂法”原则.即以法人工业企业作为一个整体计算工业总产值,是其本年内生产的最终产品和提供劳务的总价值量.2工业总产值的内容包括三部分:生产的成品价值、对外加工费收入、自制半成品在制品期末期初差额价值.①成品价值:指企业在本年内生产,并在本年内不再进行加工,经检验合格、包装入库的已经销售和准备销售的全部工业成品包括半成品价值合计.成品价值中包括企业生产的自制设备及提供给本企业在建工程、其他非工业部门和生活福利部门等单位使用的成品价值,但不包括用订货者来料加工的成品半成品价值.工业总产值是按现行价格计算的.成品价值按成品实物量乘以本年不含应交增值税销项税额的产品实际销售平均单价计算.会计核算中按成本价格转帐的自制设备和自产自用的成品,按成本价格计算生产成品价值.②对外加工费收入:指企业在本年内完成的对外承做的工业品加工包括用订货者来料加工生产的加工费收入和对外工业品修理作业所收取的加工费收入.对外加工费收入按不含应交增值税销项税额的价格计算,可根据会计“产品销售收入”科目的有关资料取得.对于以对外加工生产为主,对外加工费收入所占比重较大的企业,如果对外加工费收入出现跨年度支付的情况,为保证总产值生产口径计算的准确性,则应将对外加工费收入按实际情况调整,记录本年应实际收取的对外加工费收入.③自制半成品在制品期末期初差额价值.为了使工业总产值与工业中间投入中的物耗价值一致,以便同口径地计算工业增加值,规定本指标的计算原则是:凡是企业会计产品成本核算中计算半成品、在制品成本,则工业总产值中必须包括自制半成品在制品期末期初差额价值.反之则不包括.自制半成品在制品期末期初差额价值等于自制半成品在制品期末价值减去期初价值后的余额,如果期末价值小于期初价值,该指标为负值,企业在计算产值时,应按负值计算,不能作为零处理.3工业总产值计算的几种具体规定①凡自备原材料,不论其加工繁简程度如何,一律按全价,即包括自备原材料的价值,计算工业总产值.②凡来料加工,加工企业一律按财务上结算的加工费计算工业总产值,即不包括定货者来料的价值.一般分两种情况:a、工业企业之间的来料加工,加工企业即承包单位按财务上结算的加工费计算工业总产值;委托加工的企业即发包单位按全价计算工业总产值.b、工业企业与非工业企业之间的来料加工,当工业企业作为加工企业时一律按加工费计算工业总产值.③自制半成品、在制品期末期初差额价值,原则上应计入工业总产值,但如果会计产品成本核算中不计算自制半成品、在制品成本,则不计入工业总产值;如果会计产品成本核算中计算自制半成品、在制品成本的,则计入工业总产值.2.新产品产值:新产品是指采用新技术原理、新设计构思研制、生产的全新产品,或在结构、材质、工艺等某一方面比原有产品有明显改进,从而显着提高了产品性能或扩大了使用功能的产品.本报表中的新产品产值既包括经政府有关部门认定并在有效期内的新产品,也包括企业自行研制开发,未经政府有关部门认定,从投产之日起一年之内的新产品.3.工业销售产值当年价格:是以货币形式表现的,工业企业在本年内销售的本企业生产的工业产品或提供工业性劳务价值的总价值量.工业销售产值包括的内容为:1销售成品价值:指企业在报告期内实际销售包括本期生产和非本期生产的全部成品、半成品的总价值,即按报告期产品的实际销售数量乘以不含增值税销项税额的产品实际销售平均单价计算.销售成品价值包括为本企业在建工程,生活福利部门等提供的成品和自制设备价值,不包括用定货者来料加工的成品和半成品价值.2对外加工费收入:指企业在报告期内完成的对外承接的工业品加工包括用定货者来料加工的产品的加工费收入;对外工业品修理作业可收取的加工费收入和对内非工业部门提供的加工修理、设备安装等收入.对外加工费收入按不含增值税销项税额的价格计算.4.出口交货值:指工业企业交给外贸部门或自营委托出口包括销往香港、澳门、台湾,用外汇价格结算的产品价值,以及外商来样、来料加工、来件装配和补偿贸易等生产的产品价值.在计算出口交货值时,要把外汇价格按交易时的汇率折成人民币计算.5.本年生产量:指工业企业在本年内生产的并符合产品质量要求的实物数量,包括商品量和自用量两部分.1产品生产量计算应遵循的原则①产品质量标准:产品必须符合规定的质量标准或订货合同规定的技术条件,才可统计生产量.工业产品质量标准一律按国家标准或部颁标准执行.没有国家标准或部颁标准的产品,应按企业主管机关的标准或订货合同规定的技术条件执行,不得擅自更改标准或降低标准,不合格的产品不能计算生产量.②统计时间:本年生产量反映的是本年内的工业生产成果,凡本年内生产的产品都应计算在内,即截止本年最后一天检验合格并办理了入库手续的产品,其中规定要求包装的产品必须包装好才能计算其生产量.至于本年最后一天以哪一个班次作为截止计算产量的班次则由企业主管机关规定,并应与会计核算的结算时间一致.结算时间一经确定,就要严格执行,不得随意提前或移后.③准确度量:准确度量是计算产品产量的重要一环,企业应配备必要的计量设备,对产量进行实际度量,不得随意估算,对确有困难不得不推算的某些产品,一定要按照主管部门规定的推算方法计算,使之尽量接近实际.2产品生产量包括的内容①企业各车间主要车间、辅助车间、附属品车间及副产品车间用自备原材料生产的全部产品产量,不论是要销售的商品量还是本企业的自用量,均应统计生产量.②用订货者来料加工生产的产品,如果订货者是境内非工业企业和境外企业,其产品生产量由加工企业统计;如果订货者是境内工业企业,产品生产量由委托企业即发包企业统计,加工企业即承包企业不统计.③经正式鉴定合格的新产品、自产自用的生产设备、未正式投入生产以前试生产的合格品以及基本建设附产的合格品,都应包括在产品生产量中.④用进口原材料或关键零件生产的产品,或用进口整套散装零件及用进口组装件加工、装配的产品,不论是在国内销售还是外商经销,生产量均统计在国内同种产品生产量中.⑤在我国国土范围内的外商投资和港、澳、台商投资工业企业生产的产品,其生产量全部统计在国内同种产品生产量中.3工业产品生产量不应包括的内容①在生产工业产品的同时,产生的下脚余料或废料,如冶金工业的氧化铁、汤道、中心注管、钢材切头、切尾,机械工业的切屑,木材工业的锯末,粮食加工工业的糠、麸,酿酒工业的酒糟等,一般做下脚料出售,不应统计为产品生产量.②投入生产过程中的原材料没有完全消耗掉,而加以回收、提浓,再供本企业自用的,如机械工业回收的润滑油,合成洗涤剂厂回收的盐酸、硫酸等都不计算产品生产量.③企业从外购进的工业品,未经本企业任何加工的,不得作为本企业的产品生产量统计.④某些产品在检验产品质量时,需做破坏性试验如试验灯泡的使用寿命,手电池的间歇放电时间等,这些用作试验的产品,不计算在产品生产量中.6.本年销售量:指本年内工业企业实际销售的由本企业生产包括上年生产和本年生产的符合规定的质量标准或定货合同规定的技术条件的工业产品的实物数量.用订货者来料加工生产的产品,如果订货者是境内非工业企业和境外企业,其产品销售量由加工企业即承包企业统计;如果订货者是境内工业企业,产品销售量由委托企业即发包企业统计,加工企业不统计.1产品销售量的核算原则:产品销售量以产品销售实现为核算原则,即在产品已发出,货款已经收到或者得到了收取货款的凭据时作为销售实现,统计产品销售量.按照企业销售方式的不同,产品销售量统计遵从以下几种规定:①采用送货制销售的,产品如由本企业运输部门发运,以产品出库单上的数量、日期为准;如委托专业运输部门发运,则以运输部门的承运单上的数量、日期为准.②采用提货制销售的,以给用户开具的发票和提货单上的数量、日期为准.③委托其他单位代销的产品,以企业收到代销单位的代销清单为准.④采用预收货款销售的,在发出产品时作为销售.产品尚未生产出来,已预收货款或预开提货单的,不应算作销售.⑤企业出口销售的产品,陆运以取得承运货物收据或铁路运单,海运以取得出口装船提单,空运以取得空运运单,并向银行办理出口交单的数量、日期为准.企业自营出口的产品,在委托外贸部门代理出口实行代理制的情况下,以收到外贸部门代办的运单和银行交单凭证的数量、日期为准.2统计产品销售量应注意以下几点①只有企业销售的合格产品才能统计其销售量,销售的次品不能计入产品销售量.②企业直接从外购进产成品,只是更换了标签或包装的,不能作为销售量统计.③分清产品销售和预售的界限:预售指产品还没有生产出来以前,用户为了购买这种产品事先向工厂支付货款.预售不能算作销售.相反,有些产品采用了分期付款的形式,只要是用户拿到了这个商品,不管货款是否已付清,作为企业已经取得了收取货款的凭证就应作为销售.3售出产品退货的处理遵从以下规定①退回本年内销售的合格品,应从本年销售量中扣除,同时计入库存量;退回本年内销售的不合格品,要在本年销售量中扣除,还要同时扣除本年生产量.②退回本年以前售出的合格品,本年销售量不变,计入产品库存量中;退回本年以前售出的不合格品,本年销售量和本年生产量均不变.③退回修理的产品,修理后仍交原用户的,不作为退货处理,在统计报表上不做反映.7.年初、年末库存量:指工业企业在年初、年末时点上,尚存在企业产成品仓库中而暂未售出的产品的实物数量.1产品库存量计算应遵循的原则①产品库存必须是处于“实际库存”状态的产品,即产品生产出来经过检验合格并办了入库手续的产品.有的产品虽已结束了生产过程,但还没有验收合格,还没有办理入库手续,不能作为产品库存统计.有的产品已经售出,但按提货制要求还没有办妥货款结算手续的,或按送货制要求未办理承运手续的,仍应作为本企业的产品库存量统计,而不能作为产品销售量统计.②计入产品库存量的产品,必须是本企业有权销售的产品,对于已经销售并已办妥各项手续,但尚未提货的产品,本企业无权支配,这种产品虽然仍存在本企业仓库中,但不应统计为库存量.凡企业有权销售的产品,不论存放在什么地方,均应统计.③产品库存量不能出现负数.如果产品还没有入库就已售出,应将售出的这部分产品补填入库和出库凭证,并相应计入产品产量中.2产品库存量包括的内容①本企业生产的,报告期内经检验合格入库的产品.②库存产品虽有销售对象,但尚未发货的.③非工业企业和境外订货者来料加工产品尚未拨出的.④盘点中的帐外产品.⑤产品入库后发现有质量问题,但未办理退库手续的产品.3产品库存量不应包括的内容①属于提货制销售的产品,已办理货款结算和开出提货单,但用户尚未提走的产品.②代外单位保管的产品.③已结束生产过程但尚未办理入库存手续的产品.8.累计订货量:是指本企业报告期末止尚未兑现的订货数量,即企业现存的订货数量.订货的确认应根据企业正式签订的订、供货合同为依据,对于下面三种类型的企业在填报订货指标时,具体处理如下:1自建销售网点的企业,订货量要包括各销售网点向企业生产总部申请的要货量.但累计订货量只包括到本期末止还没有发货的合同供货的数量,企业已经发送的要货量不作为累计订货量填报.2由代销商负责销售产品的企业,以双方商订的供货量作为订货量.但累计订货量只包括到本期末止还没有发货的合同供货的数量,企业已经发送的供货量不作为累计订货量填报.3采取来料加工或提出技术要求进行定制产品生产的企业,以最初签订加工合同的时间核定订货量.但累计订货量只包括到本期末止还没有实现的订货数量,企业已经实现的订货量不作为累计订货量填报.9.累计订货额:是指本企业报告期末止尚未兑现的订货金额.与订货量的口径是一致的,凡是计算了累计订货量的产品,都应该计算其累计订货额.如果企业收到的订单上只有订货量而没有订货额,则要按照该批产品的预期销售价格或以前的订货单价计算出订货额来填报.四、主要审核关系1、工业总产值当年价格≥02、新产品产值≥0,该指标的计算口径扩大了,注意填报.3. 工业总产值当年价格≥新产品产值4.工业销售产值当年价格≥05.出口交货值≥06.工业销售产值当年价格≥出口交货值7.工业销售产值当年价格与工业总产值当年价格之比即产销率一般介于至之间,不在此范围的注意检查指标计算是否有误.8.企业用电量≥0 ,且企业用电量与工业总产值大致成正比的关系9.大中型企业要填报分小类行业的总产值,且各小类行业的产值之和要等于工业总产值.10. 本年生产量、去年同期生产量≥011. 年初库存量、累计销售量、自用及其他、期末库存量、本年订货量余额、本年订货额余额≥ 012.主要工业产品产量,按照产品目录填报,注意计量单位要和目录一致.产品产量要与工业总产值大致成正比的关系.季度的时候要填报报表中第五部分,即年初库存量、累计销售量、自用及其他、期末库存量、本年订货量余额、本年订货额余额6个指标,本年生产量+年初库存量-累计销售量-自用及其他= 期末库存 .注意每个季度填报的年初库存数据要一致;本年订货额余额与本年订货量余额的计算口径一致.五、注意事项1、本报表报出时间为当月的26日.2、报表中数据要填满,如有部分指标不需要填报的话,用线划掉或填“0”.3、工业总产值、新产品产值、工业销售产值和出口交货值等价值量指标都取整数;企业用电量,产品产量等实物量指标保留两位小数.4、计量单位:用电量的单位是万千瓦时,即万度;产值、销售产值等指标的单位是千元,注意与财务数据的区分.5、“新产品产值”指标的填报.该指标从2006年年初开始就扩大统计口径了,不仅仅指国家、省级新产品产值,只要是采用新的技术原理、新设计构思研制、生产的全新产品,或在结构、材质、工艺等某一方面比原有产品有明显改进,从而显着提高了产品性能或扩大了使用功能的产品.既包括政府有关部门认定并在有效期内的新产品,也包括企业自行研制开发,未经政府有关部门认定,从投产之日起一年内的新产品.6、主要工业产品产量的填报.1每个企业都需填报各自的产品产量,按照规模以上工业主要产品产量目录填报注意计量单位.2根据我市的具体情况,产品产量目录新增“领带”产品目录,代码为17501,单位是万条.3逢季度的时候一定要填报“五、主要工业产品销售、库存、订货季报用”,每个产品都需填报.7、工业总产值和销售产值的计算方法:1由于报表的上报时间为当月26日,所以统计的报告期为前月的26日~本月的26日1月份为1月1日~26日;在报12月份产值时,应将后5天的估报,并在经济效益年报中予以调整.2工业总产值=产品产量产品平均单价例如:1月份的工业总产值=1月份的产品产量上年度的产品平均单价2月累计的工业总产值=2月累计的产品产量1月的产品平均单价2月份当月的工业总产值=2月累计的工业总产值-1月份的工业总产值……12月累计的工业总产值=12月累计的产品产量前11个月产品的累计平均单价12月份的工业总产值=12月累计的工业总产值-11月份累计的工业总产值工业销售产值的计算方法类似8、附有工业企业主要产品单价台帐等几张台帐格式,企业应该做好台帐等基础工作.六、附件附件1、规模以上工业主要产品产量目录附件2、主要工业产品销售、库存、订货目录附件1:规模以上工业主要产品产量目录附件2:主要工业产品销售、库存、订货目录。
车间工厂月度工作计划【10篇】车间工厂月度工作计划篇1我工厂在四月的的规划安排如下:一、不断加强安全管理工作一是坚持开展安全培训工作。
将安全用电、各工种及设备的操作规程和应急抢救知识作为培训重点,不断强化意识安全。
二是突出安全重点,抓好安全薄弱环节的有效监控。
三是坚持安全常规管理,对安全工作常抓不懈。
健全车间安全生产会议、巡回检查、设备检修、交接班等记录,将整个生产过程记录在案,便于分析查找问题。
二、提高员工的质量意识,加大质量管理力度,提高成品一次合格率一是加强生产操作人员质量培训,强化员工质量意识。
二是加强检验员的质量巡检工作,避免重大质量事故的发生,并要求其对当班质量情况记录在案,使我们有迹可循,便于质量管理与研究。
三是建立合理的奖惩制度,在考核机制中加入质量考核,与员工的收入挂钩,奖优罚劣。
通过以上措施保证全年产品一次合格率达到98%。
三、开源节流,降本增效一是合理安排人员,对现有的岗位人员进行梳理,以产定员,尽量减少公司的劳动力成本;二是合理安排工作时间,尽量连续生产,避免能源浪费;三是对原辅材料进行精细管理,杜绝浪费现象的发生,将原辅材料的消耗控制在3%之内;四是将消耗与员工的收益挂钩,有奖有罚四、保证工艺贯彻率苏月份,我们将继续加强员工的生产工艺培训,增加员工对本工位的工艺熟知度,加强员工的技能水平,保证工艺的贯彻率达到98%。
五、加强设备管理一是制订设备保养及管理办法:对设备的日保、周保、月保制度化,定期检查,实施各种激励手段,引导员工运用正确的方法进行设备保养。
二要加强设备保养技能交流、培训,定期召开设备管理会议:主要是纠正不良设备使用和保养行为,交流工作技能。
上述措施有效的保证了设备的高效、稳定运转,为按时保质交货提供了强有力的支持。
六、加强现场管理,推进6S管理制度我们将进一步加强生产现场管理,对生产计划,生产组织,人员、设备、物资调配等不断优化,保持生产现场的整洁有序,推进标准化生产,推进6S管理制度,力争在喜悦分生产管理工作不断提高,走上新台阶。
一、工业总产值的定义工业总产值(当年价格):指工业企业在本年内生产的以货币形式表现的工业最终产品和提供工业劳务活动的总价值量。
1.工业总产值计算应遵循的原则(1)工业生产的原则。
即凡是企业在本年内生产的最终产品和提供的劳务,均应包括在内。
其中的最终产品,不管是否在本年内销售,只要是本年内生产的,就应包括在内。
凡不是工业生产的产品,均不得计入工业总产值。
(2)最终产品的原则。
即企业生产的成品价值必须是本企业生产的,经检验合格不需再进行任何加工的最终产品。
企业对外销售的半成品也应视为最终产品计入工业总产值。
而在本企业内各车间转移的半成品和在制品只能计算其期末期初差额价值。
(3)“工厂法”原则。
即以法人工业企业作为一个整体计算工业总产值,是其本年内生产的最终产品和提供劳务的总价值量。
(二)、工业总产值的内容包括三部分:生产的成品价值、对外加工费收入、自制半成品在制品期末期初差额价值。
(1)成品价值:指企业在本年内生产,并在本年内不再进行加工,经检验合格、包装入库的已经销售和准备销售的全部工业成品(包括半成品)价值合计。
成品价值中包括企业生产的自制设备及提供给本企业在建工程、其他非工业部门和生活福利部门等单位使用的成品价值,但不包括用订货者来料加工的成品(半成品)价值。
工业总产值是按现行价格计算的。
成品价值按成品实物量乘以本年不含应交增值税(销项税额)的产品实际销售平均单价计算。
会计核算中按成本价格转帐的自制设备和自产自用的成品,按成本价格计算生产成品价值。
(2)对外加工费收入:指企业在报告期内完成的对外承做的工业品加工(包括用订货者来料加工生产)的加工费收入和对外工业品修理作业所收取的加工费收入和对内非工业部门提供的加工修理、设备安装等收入。
对外加工费收入按不含应交增值税(销项税额)的价格计算。
对于以对外加工生产为主,对外加工费收入所占比重较大的企业,如果对外加工费收入出现跨年度支付的情况,为保证总产值生产口径计算的准确性,则应将对外加工费收入按实际情况调整,记录本年应实际收取的对外加工费收入。