电缆头制作 接线和线路绝缘测试工程检验批质量验收记录表
- 格式:doc
- 大小:28.00 KB
- 文档页数:3
电缆头制作、导线连接和线路绝缘测试检验批质量验收记录注:本表内容的填写需依据《现场验收检验批检查原始记录》。
本检验批质量验收的规范依据见本页背面。
填写说明一、填写依据1 《建筑电气工程质量验收规范》GB50303-2002。
2 《建筑工程施工质量验收统一标准》GB50300-2013。
二、检验批划分可按照楼层、系统、施工段、竖井等划分检验批。
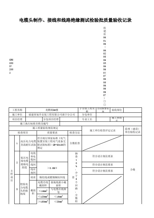
三、GB50303-2002规范摘要主控项目18.1.1 高压电力电缆直流耐压试验必须按本规范第3.1.8条的规定交接试验合格。
18.1.2 低压电线和电缆,线间和线对地间的绝缘电阻值必须大于0.5MΩ。
18.1.3 铠装电力电缆头的接地线应采用铜绞线或镀锡铜编织线,截面积不应小于表18.1.3的规定。
表18.1.3 电缆芯线和接地线截面积(m)注:电缆芯线截面积在16m及以下,接地线截面积与电缆芯线截面积相等。
18.1.4 电线、电缆接线必须准确,并联运行电线或电缆的型号、规格、长度、相位应一致。
一般项目18.2.1 芯线与电器设备的连接应符合下列规定:1 截面积在10m及以下的单股铜芯线和单股铝芯线直接与设备、器具的端子连接。
2 截面积在2.5m及以下的多股铜芯线拧紧搪锡或接续端子后与设备、器具的端子连接。
3 截面积大于2.5m,的多股铜芯线,除设备自带插接式端子外,接续端子后与设备或器具的端子连接;多股铜芯线与插接式端子连接前,端部拧紧搪锡。
4 多股铝芯线接续端子后与设备、器具的端子连接。
5 每个设备和器具的端子接线不多于2根电线。
18.2.2 电线、电缆的芯线连接金具(连接管和端子),规格应与芯线的规格适配,且不得采用开口端子。
18.2.3 电线、电缆的回路标记应清晰,编号准确。
筑业Tel:400-163-8866
电缆头制作、接线和线路绝缘测试检验批质量验收记录GB50303-2002桂建质060105(060205、060306、060407、060506、060607)
注一:芯线与电器设备的连接应符合下列规定:
1.截面积≤10 mm2的单股铜芯线和单股铝芯线直接与设备、器具的端子连接;
2.截面积≤2.5 mm2的多股铜芯线拧紧搪锡或接续端子后与设备、器具的端子连接;
3.截面积>2.5 mm2的多股铜芯线,除设备自带插接式端子外,接续端子后与设备或器具的端子连接;多股铜芯线与插接式端子连接前,端部拧紧搪锡;
4.多股铝芯线接续端子后与设备、器具的端子连接;
5.每个设备和器具的端子接线不多于2根电线。
注二:本表所列项目的检查方法应符合下列规定:
1.绝缘电阻的测试结果,查阅测试记录或测试时旁站或用适配仪表进行抽测;
2.各种距离的尺寸用塞尺、游标卡尺、钢尺、塔尺或采用其他仪器仪表等测量;
3.外观质量情况观察检查;
4.设备规格型号、标志及接线,对照工程设计图纸及其变更文件检查。
注三:电缆头制作和接线应按以下程序进行:
1.电缆连接位置、连接长度和绝缘测试经检查确认,才能制作电缆头;
2.控制电缆绝缘电阻测试和校线合格,才能接线;
3.电线、电缆交接试验和相位核对合格,才能接线。
合格判定标准:按应检数量检查,结果全部符合要求判为合格。
广西建设工程质量安全监督总站监制。
.WORD完美格式.电缆头制作、接线和线路绝缘测试检验批质量验收记录表GB50303-2002.专业知识编辑整理.电缆头制作、接线和线路绝缘测试检验批质量验收记录表GB50303-2002电缆头制作、接线和线路绝缘测试检验批质量验收记录表GB50303-2002.专业知识编辑整理.电缆头制作、接线和线路绝缘测试检验批质量验收记录表GB50303-2002电缆头制作、接线和线路绝缘测试检验批质量验收记录表GB50303-2002.专业知识编辑整理.电缆头制作、接线和线路绝缘测试检验批质量验收记录表GB50303-2002.专业知识编辑整理.电缆头制作、接线和线路绝缘测试检验批质量验收记录表GB50303-2002电缆头制作、接线和线路绝缘测试检验批质量验收记录表GB50303-2002.专业知识编辑整理..WORD完美格式.电缆头制作、接线和线路绝缘测试检验批质量验收记录表GB50303-2002.专业知识编辑整理.电缆头制作、接线和线路绝缘测试检验批质量验收记录表GB50303-2002电缆头制作、接线和线路绝缘测试检验批质量验收记录表GB50303-2002.专业知识编辑整理.电缆头制作、接线和线路绝缘测试检验批质量验收记录表GB50303-2002电缆头制作、接线和线路绝缘测试检验批质量验收记录表GB50303-2002.专业知识编辑整理.电缆头制作、接线和线路绝缘测试检验批质量验收记录表GB50303-2002.专业知识编辑整理.电缆头制作、接线和线路绝缘测试检验批质量验收记录表GB50303-2002电缆头制作、接线和线路绝缘测试检验批质量验收记录表GB50303-2002.专业知识编辑整理..WORD完美格式.电缆头制作、接线和线路绝缘测试检验批质量验收记录表GB50303-2002.专业知识编辑整理.电缆头制作、接线和线路绝缘测试检验批质量验收记录表GB50303-2002电缆头制作、接线和线路绝缘测试检验批质量验收记录表GB50303-2002.专业知识编辑整理.电缆头制作、接线和线路绝缘测试检验批质量验收记录表GB50303-2002电缆头制作、接线和线路绝缘测试检验批质量验收记录表GB50303-2002.专业知识编辑整理.电缆头制作、接线和线路绝缘测试检验批质量验收记录表GB50303-2002.专业知识编辑整理.电缆头制作、接线和线路绝缘测试检验批质量验收记录表GB50303-2002电缆头制作、接线和线路绝缘测试检验批质量验收记录表GB50303-2002.专业知识编辑整理..WORD完美格式.电缆头制作、接线和线路绝缘测试检验批质量验收记录表GB50303-2002.专业知识编辑整理.。
电缆头制作、导线连接和线路绝缘测试检验批质量验收记录
线与设备或器具的连接
应符合下列规定:
1 截面积在10mm及以下的单股铜芯线和单股铝/铝合金芯线可直接与设备或器具的端子连
接;
2 截面积在2.5mm及以下的多芯铜芯线应接续端子或拧紧搪锡后与设备或器具的端子连
接;
3 截面积大于2.5mm
的多芯铜芯线,除设备自带插接式端子外,应接续端子后与设备或器具的端子连接;多芯铜芯线与插接式端子连接前,端部应拧紧搪锡;
4 多芯铝芯线应接续端子后与设备、器具的端子连接,多芯铝芯线接续端子前应去除氧化层并涂抗氧化剂,连接完
成后应清洁干净;
5 每个设备或器具的端子接线不多于2根导线
或2个导线端子。
截面积6mm及以下铜芯导线间的连接应采用导线连接器或缠绕搪锡
连接:
1 导线连接器应符合《家用和类似用途低压电路用的连接器件》GB13140的相关要求,还应符合下列规定:1)导线连接器应与导线截面相匹配;
2)单芯导线与多芯软导线连接时,多芯软导线宜搪锡处理;
3)与导线连接后不应明
露线芯;
填表说明:
1、检验批容量填写:可按系统划分;对于工程量较少的分项工程可统一划分为一个检验批,填写组数。
2、最小/实际检查数量栏中,实际检查数量:按实填写;最小数量填写:按规范规定抽样数量。
3、表头中“施工依据”栏目应依照实际的施工操作依据填写,如施工企业的操作规程、工法、施工工艺标准等。
电缆头制作、导线连接、线路绝缘测试检验批质量验收记录
07010701
单位(子单位)工程
名称
富雅锦园
住宅小区2#楼
分部(子分部)
工程名称
建筑电气/
室外电气
分项工程
名称
电缆头制作、导线连
接、线路绝缘测试
施工单位河南林九建设工程有
限公司
项目负责人史瑞瑞检验批容量20处
分部单位/ 分包单位项目
负责人
/ 检验批部位变配电室
施工依据配电室安装施工方案验收依据《建筑电气工程施工质量验收规范》
GB50303-2002
主控项目
验收项目
设计要求及
规范规定
最小/实际抽
样数量
检查记录检查结果1 高压电力电缆直流耐压试验/ / /
2 低压电线和电缆绝缘电阻测试/
测试结果合格,绝缘电阻
测试记录编号****
3 铠装电力电缆头的接地线/ / /
4 电线、电缆接线全/16 共16处,全部检查,
合格16处
√
一
般项目1 芯线与电气设备的连接全/5
共5处,全部检查,合
格5处
100%
2 电线、电缆的芯线连接金具全/5 共5处,全部检查,合
格5处
100%
3 电线、电缆回路标记、编号全/2 共2处,全部检查,合
格2处
100%
施工单位检查结果
专业工长:
项目质量检查员:
年月日
监理单位验收结论专业监理工程师:
年月日。
电缆头制作、接线和线路绝缘测试工程检验批质量验
收记录表
GB50303—2002
060106□□, 060407□□
060205□□, 060506□□
说明
060106,0
60407
060205,0
60506
060306,0
60607
主控项目
1、高压电力电缆直流耐压试验必须按本规范第3.1.8条的规定交接试验合格。
2、低压电线和电缆,线间和线对地间的绝缘电阻值必须大于0.5MΩ。
3,铠装电力电缆头的接地线应采用铜绞线或镀锡铜编织线,截面积不应小于表18.1.3的规定。
4、电线、电缆接线必须准确,并联运行电线或电缆的型号、规格、长度、相位应一致。
一般项目
1、芯线与电器设备的连接应符合下列规定:1)截面积在10mm2及以下的单股铜
芯线和单股铝芯线直接与设备、器具的端子连接;2)截面积在2.5mm2及以下的多股铜芯线拧紧搪锡或接续端子后与设备、器具的端于连接;3)截面积大于2.5mm2的多股铜芯线,除设备自带插接式端子外,接续端于后与设备或器具的端于连接;多股铜芯线与插接式端子连接前,端部拧紧搪锡;4)多股铝芯线接续端子后与设备、器具的端子连接;5)每个设备和器具的端子接线不多于之根电线。
2、电线、电缆的芯线连接金具(连接管和端子),规格应与芯线的规格适配,且
不得采用开口端子。
3、电线、电缆的回路标记应清晰,编号准确。
检查数量:主控项目1全数检查;2、3抽查10%,少于5个回路,全数检查;4抽查10个回路。
一般项目1、2抽查10%,少于10处,全数检查;3抽查5个回路。
检验方法:见本规范第28.0.7条。
判定:应检数量全部符合本规范规定判为合格。