社保付款凭证
- 格式:xls
- 大小:32.00 KB
- 文档页数:1
公司社会保险缴费凭证怎么开具?公司社会保险缴费凭证可以到开户银⾏开具,当然在办税服务厅开具税收完税证明也可以作为公司社会保险缴费凭证。
这些凭证上会记录有社会保险保险参保⼈员的相关信息,需要妥善保管。
⼀、公司缴费凭证怎么开具?企业缴费成功后,可以到开户银⾏打印《电⼦缴税付款凭证》,也可以前往办税服务厅开具税收完税证明,作为缴费凭证。
具体开具社会公司社会保险缴费凭证的⽅法如下:1、已办理过社会保障卡(以下简称“市民卡”)的⼈员,可凭市民卡通过⾃助查询机进⾏打印2、市民卡正在办理之中或未办理市民卡的⼈员可凭本⼈通过⾃助查询机进⾏打印;3、已办理过⽹上注册的⼈员,可登陆⼈⼒资源进⾏查询打印;4、按以上三种⽅式均⽆法获取参保缴费证明的⼈员,可委托他⼈办理,由受托⼈凭委托⼈的⾝份证复印件和受委托⼈的⾝份证原件到柜台查询打印。
⼆、职员上班多长时间交?1、职员上班三⼗⽇内,单位就需要为其缴纳社保《》第五⼗⼋条 ⽤⼈单位应当⾃⽤⼯之⽇起三⼗⽇内为其职⼯向社会保险经办机构申请办理社会保险登记。
未办理社会保险登记的,由社会保险经办机构核定其应当缴纳的社会保险费。
⾃愿参加社会保险的⽆雇⼯的个体⼯商户、未在⽤⼈单位参加社会保险的⾮全⽇制从业⼈员以及其他灵活就业⼈员,应当向社会保险经办机构申请办理社会保险登记。
国家建⽴全国统⼀的个⼈社会保障号码。
个⼈社会保障号码为公民⾝份号码。
2、单位需要在成⽴后的三⼗⽇之内,到社保局办理社保的开户⼿续根据《社会保险法》第五⼗七条 ⽤⼈单位应当⾃成⽴之⽇起三⼗⽇内凭、登记证书或者单位印章,向当地社会保险经办机构申请办理社会保险登记。
社会保险经办机构应当⾃收到申请之⽇起⼗五⽇内予以审核,发给社会保险登记证件。
⽤⼈单位的社会保险登记事项发⽣变更或者⽤⼈单位依法终⽌的,应当⾃变更或者终⽌之⽇起三⼗⽇内,到社会保险经办机构办理变更或者注销社会保险登记。
市场监督管理部门、民政部门和机构编制管理机关应当及时向社会保险经办机构通报⽤⼈单位的成⽴、终⽌情况,公安机关应当及时向社会保险经办机构通报个⼈的出⽣、死亡以及户⼝登记、迁移、注销等情况。
郑州省社保缴费凭证怎么开社保缴费凭证是参加各类保险在缴纳保费后所取得的缴费的收据或者发票。
一般情况下特指社会统筹的养老保险、医疗保险、失业保险、工伤保险、生育保险的缴费收据和缴费的清单。
下面是店铺带来关于郑州省社保缴费凭证怎么开的内容,希望能让大家有所收获!郑州省社保缴费凭证怎么开如果劳动者的单位参加的是郑州市城镇职工养老保险,则您可持身份证原件至郑州市社会保险事业管理局(棉纺东路55号)打印养老保险缴费查询单。
1、上网查询登陆所在城市的劳动保障网或社会保险业务网站,点击“个人社保信息查询”窗口,输入本人身份证和密码(密码是你的社保证编号或者身份证出生年月),即可查询本人参保信息。
2、电话咨询拨打劳动保障综合服务电话“12333”进行政策咨询和信息查询。
3、可以用二代身份证打印。
去当时缴费的社保局,通过身份证可以查询,在自助终端上打印出来再到服务处盖章拿到现在所在地社保局就可以了。
关于社保缴费凭证简介社保缴费凭证是参加各类保险在缴纳保费后所取得的缴费的收据或者发票。
具体内容一般情况下特指社会统筹的养老保险、医疗保险、失业保险、工伤保险、生育保险的缴费收据和缴费的清单。
举例基本养老保险参保缴费凭证参保人员基本信息姓名性别个人编号公民身份号码户籍地地址在本地参保起止时间本地实际缴费月数本地参保期间个人账户储存额社会保险经办机构信息行政区划代码单位名称电话地址邮政编码经办人(签章):社会保险经办机构(章):年月日(本凭证一式两联,填发此凭证的社保机构和参保人员本人各一联) 重要提示1.本凭证是您参加基本养老保险的权益记录,是申请办理基本养老保险关系转移接续手续的重要凭证,请妥善保管。
2.当您跨省(自治区、直辖市)流动就业时,基本养老保险关系在原参保地社会保险经办机构保留,个人账户储存额按规定继续计算利息。
到新就业地参保时,请向当地社会保险经办机构出示本凭证,办理基本养老保险关系转移接续手续。
3.本凭证如不慎遗失,请与填发此凭证的社会保险经办机构联系,申请补办。
济南基本养老保险参保缴费凭证办理流程用人单位及个人参加社会保险,缴纳社会保险费情况已成为各部门进行资格审核认证的重要内容。
为做好开具社会保险参保缴费证明工作,加强对开具对象的跟踪管理,现将有关规定明确如下:1、对个人需出具参保缴费证明的,由申报服务一科在其《南京市劳动和社会保障卡信息查询表》上加盖业务公章。
对需加盖中心公章的,经申报服务一科科长签字后到综合科加盖中心公章;2、对单位需出具单位(或职工)参保缴费证明的,稽核一科凭单位社会保险登记证或介绍信,在审核其参保缴费情况后开具证明,经分管主任和主任审核同意后到综合科加盖中心公章。
对参保面不足、缴费明显不实、有欠费的单位,稽核一科应要求其立即进行自查整改,对暂时无法立即整改的,列入稽核对象,实行跟踪管理;3、对单位因参加企业年金需出具参保缴费证明的,申报服务二科凭单位社会保险登记证和书面申请。
办理基本养老保险参保缴费凭证所需资料1、填写《xx市企业参保人员跨省就业基本养老保险参保缴费凭证申请表》。
2、本人身份证、社保卡(社保卡丢失的可在单位辞工转保证明上贴本人照片并在照片上加盖单位公章)。
3、单位在申请表上盖章或开具本人辞工转保证明(已与单位终止劳动合同并停交社保时,办理缴费凭证则不需此项)。
办理基本养老保险的流程是:参保人员在离开原参保地到其他省份工作参保时,凭本人身份证及复印件(如果委托他人代为办理的需代办人身份证及复印件、委托人的委托书及身份证复印件)到区社险办开具《基本养老保险参保缴费凭证》。
《基本养老保险参保缴费凭证》长期有效,无论何时何地重新就业参保,即可凭基本养老保险参保缴费凭证到新就业地、转入地社保经办机构办理转入手续,确保社保权益不会因为跨省务工而丧失。
【问题解答】一、打印了基本养老保险参保缴费凭证就表示己转了社保吗?【答】:不是,转移社保不止需要提供缴费凭证,还有其他的材料。
并且之后要拿着这些材料去社保局办理才能完成转移手续。
一、社保费申报
(一)特殊缴费申报
单位可以在“社保费申报-特殊缴费申报”模块查看核定险种及金额。
核对无误后,选择相应的缴费信息,点击“提交申报”-“立即提交”即可完成申报。
若核对有误,可联系参保地社保、医保部门核实应缴费额信息后,重新传递核定信息。
(二)申报记录
特殊缴费申报提交申报成功后,等待获取反馈。
获取申报结果成功后,系统会自动跳转到“申报记录”页面,若发现申报错误,点击“作废”即可作废申报。
二、费款缴纳
(一)缴款
点击“费款缴纳——缴费”模块,查看应缴费款信息,勾选后点击“立即缴款”,输入申报密码即可进入选择缴费方式。
无“税库银三方协议”或原社保银行托收协议未转换成功的,选择银行端凭证缴费的,通过“云闪付”APP完成缴费,可支持私人银行卡。
(二)缴费凭证打印
点击“费款缴纳——缴费凭证打印记录”模块,可查看缴费凭证并可重新打印。
三、社保费完税证明打印
社保费缴纳入库后(通常为缴费后T+1个工作日),可通过
“证明打印”模块可以打印缴费证明。
选择费款所属期后点击“查询”,即可查询并打印该单位的社保费完税证明。
单位怎么缴纳医保的流程
一、完成医保信息录入
1、向地市卫生行政部门提出有关登记材料(包括工商营业执照、组织机构代码证书、章程、最近一年社会保险缴费凭证及责任险保单)以及法定代表人及其他签字负责人的身
份证明复印件,向当地社保部门提出申请。
2、将上述文件填写完整并签字后,由单位法定代表人或授权代表将材料及证书原件
交于当地社保部门,同时说明社会保险缴纳的开始日期。
3、当地社保部门将审核后将相关公司资料录入社保系统,同时列出社会保险缴费清
单及对应的编号。
二、缴纳医保费
1、拿到社保缴费清单及对应编号后,单位应准备好相应费用并形成付款凭证。
2、根据付款凭证,单位可以到社保网点办理社保缴费手续,按照医保费清单中的缴
费项目和金额一一缴交费用,除个人缴费外,单位应当一次性缴清。
3、社保网点将缴费凭证审核后,将缴费金额录入社保系统并给单位开具相应缴费凭证,根据这凭证,转入单位账户的费用即可记入社保缴费金额。
三、医保参保登记
1、单位缴费完毕后,应向当地的社保网点提交参保登记表,同时将相应的缴费凭证、社会保障号码、组织机构代码证以及工商营业执照复印件一起提供,社保网点审核表格及
准备的证明材料后,将缴费信息录入社保系统,并给单位开具参保登记证书,登记完毕,
参保福利实施程序即刻生效。
上述操作完成后,单位即完成了全部社会保险缴费及参保登记的手续,从而享受有关
社会保险福利。
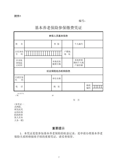
附件1
编号:
基本养老保险参保缴费凭证
经办人(签章): 社会保险经办机构(章):
年 月 日
(本凭证一式两联,填发此凭证的社保机构和参保人员本人各一联)
重要提示
1.本凭证是您参加基本养老保险的权益记录,是申请办理基本养老保险关系转移接续手续的重要凭证,请妥善保管。
2.当您跨省、市、县(区)流动就业时,基本养老保险关系在原参保地社会保险经办机构保留,个人账户储存额按规定继续计算利息。
到新就业地参保时,请向当地社会保险经办机构出示本凭证,办理基本养老保险关系转移接续手续。
3.本凭证如不慎遗失,请与填发此凭证的社会保险经办机构联系,申请补办。
联系方式可到任何一个社会保险经办机构查询。
7。
附件1:
编号:PZ
基本养老保险参保缴费凭证
经办人(签章: 社会保险经办机构(章:
年月日
(本凭证一式两联,填发此凭证的社保机构和参保人员本人各一联
重要提示
1.本凭证是您参加基本养老保险的权益记录,是申请办理基本养老保险关系转移接续手续的重要凭证,请妥善保管。
2.当您跨省 (自治区、直辖市流动就业时,基本养老保险关系在原参保地社会保险经办机构保留,个人账户储存额按规定继续计算利息。
到新就业地参保时,请向当地社会保险经办机构出示本凭证,办理基本养老保险关系转移接续手续。
3.本凭证如不慎遗失,请与填发此凭证的社会保险经办机构联系, 申请补办。
联系方式可到任何一个社会保险经办机构查询。
6。
基本养老保险参保缴费凭证
经办人:(盖章)社会保险经办机构:(盖章)
年月日
(本凭证一式两联,填发此凭证的社保机构和参保人员本人各一份)
重要提示
1、本凭证是你参加基本养老保险的权益记录,是申请办理基本养老保险关系转移持续手续的重要凭证,请妥善保管。
2、当你跨省(自治区、直辖市)流动就业时,基本养老保险关系在原参保地社会保险经办机构保留,个人账户储存额按规定继续计算利息,到新就业地参保时,请向当地社会保险经办机构出示本凭证,办理基本养老保险关系转移持续手续。
3、本凭证如不慎遗失,请与填发此凭证的社会保险经办机构联系申请补办,联系方式可到任何一个社会保险经办机构查询。
马显全:1969-1-31 510232************ 重庆市璧山县璧城街道四面山村6组
徐容:1971-5 10 510232************ 重庆市璧山县璧城街道四面山村6组
朱朝银:1966-11-15 510232************ 重庆市璧山县青杠安乐村3组
冯后会:1966-10-30 510232************ 重庆市璧山县青杠安乐村3组
郑洪荣:1976-6-14 510232************ 重庆市璧山县大兴镇平安村5组。
广州市XXX有限公司2019年月工资条
序号姓名正常工作
时间工资
加班费全勤奖
工作
质量奖
补贴保密费
竞业禁止
补偿费
扣减费用
实发
工资
签收人
签名
个
税
社保费(个人
承担部分)
赔偿
损失
1300
备注:本人已知悉考勤情况,知悉自本人入职之日起本人薪酬中已经包含加班费用,包括但不限于延迟时间、休息日、节假日的加班费;本人确认与公司之前的工资及待遇报酬具已结清,同时确认上述赔偿损失。
广州市XXX有限公司
2019年月工资之外其他付款凭证
序号姓名津贴奖金总计金额签收人签名
备注:本人知悉自本人入职之日起薪酬中已经包含加班费用,包括但不限于延迟时间、休息日、节假日的加班费;本
人确认与公司之前的工资及其他待遇报酬具已结清。
建议:(1)为方便结算,建议贵公司将工资与其他款项分开发放;
(2)工资条中的扣减费用栏,贵公司可根据实际情况予以填写。
如何在北京开社保证明姓名,性别,个人编号,公民身份号码,户籍地,地址,在本地参保起止时间,,本地实际缴费月数,本地参保期间个人账户储存额,行政区划代码,单位名称,,,地址,邮政编码。
离职证明某某先生/女士/小姐自xx-xx年xx月xx日入职我公司担任xx-xx 职务,至xx-xx年xx月xx日因个人原因申请离职,在此间无不良表现,经公司研究决定,同意其离职,已办理离职手续。
因未签订相关保密协议,遵从择业自由。
特此证明公司名称(加盖公章)xx年07月31日其实很简单,叫你公司行政部负责人,进入当地所属社保网页,将你的缴费的记录打印一份,再给到社保部门盖公章即可.最好是请你单位负责保险的人去社保中心代你开,他会比拟容易些,如果自己去得话带着你的身份证,社保卡或者告诉他你的个人社保编号就ok1.办理二代证很简单,先去武汉人才中心领取户口,带上你的有效证明,比方你的一代身份证,领取户口之后,去人才中心附近的一元街派出所亲自数码照相办理,一个月之后领取,可代领2.你直接跟人才中心的人说,人才中心的人很熟悉办这个事情,无非就是证明你的户口落在人才中心等等之类的话!3.户口续签也很简单,带上你跟人才中心托管的协议书,告诉他们你需要续费保管,交钱就行拿公司缴社保的回执单到税务局说明情况后开一个证明,然后再到社保局开买房证明。
你这种情况很奇怪。
正规办理社保的,离开单位社保只有两种情况:1、你的社保已经停保了,在你离开公司时,不然他每个月就要白白损失几百块。
2、你的社保还没停,但你原公司一定还在给你交钱,不交的话,社保局会自动催缴或催促公司办理停保的。
可以转的,要通过单位出面帮你转,但是你要补足地区差价。
我家亲戚从武汉转到上海,就是单位开证明,他自己补差价转的。
职工因购置二手房,首次提取住房公积金时应提供哪些相关证明材料(1)房产证的原件及复印件;(2)契税完税凭证的原件及复印件;(3)提取职工本人的身份证原件及复印件;(4)提取职工本人的银行储蓄账号;职工配偶提取住房公积金,除以上资料外,还需提供夫妻关系证明的原件及复印件、主买房人提取记录单的复印件。
公司社会保险缴费凭证在哪⾥打印?公司社会保险缴费凭证主要打印⽅式有两种,⼀种是线上,⼀种是线下,线上主要是通过当地的社保⽹站进⾏缴纳并打印缴费凭证,线下主要是通过社保⼤厅进⾏打印,具体的地点以实际情况为准。
⼀、公司缴费凭证在哪⾥打印?1、⼤厅打印缴费凭证⼀般通过社保⼤厅,不仅可以顺利的打印缴费凭证,也可以查询⾃⼰社保的余额。
很多⼈想要知道社保缴费凭证在哪⾥打印,关键还是想要看看⾃⼰实际的额度是多少,可以让社保局打印具体的缴费明细,现场打印可以即时知道⾃⼰的缴费情况,对于⽋费的情况需要尽快补缴。
2、⽹上打印缴费凭证现在很多地⽅都使⽤⽹上缴纳社保和查询社保的⽅式,所以想要知道打印社保缴费凭证也可以直接⾃⼰登陆社保⽹站进⾏打印,在填⼊个⼈相关信息之后,就会出来具体的明细,或者让公司专业负责社保的⼈员登录企业的社保账户去打印凭证。
⼆、社保缴费发展状况(1)各地普遍以社会平均的60%—300%为社保缴费基数,⼯资平均数不到下限的按照下限算,超过上限的按照上限计算。
由于历史和现实原因,社会平均⼯资存在虚⾼成分,并不能完全反映出社会群体平均收⼊的真实情况”。
因此,社保缴费基数与社会平均⼯资联动机制本⾝就值得商榷。
此外,社保缴费基数上浮势必加⼤企业和低收⼊群体的缴费负担,如何平衡好参保对象的权利和义务,还需要统筹考量,拿出相应的配套措施。
1、其⼀,降低社保缴费率。
眼下,我国养⽼、医疗、失业、、⽣育5项社保的缴费⽐例,企业为36.6%,个⼈为11%左右,合计超过个⼈⼯资的40%,在国际上属于偏⾼⽔平。
在社保缴费率⼀直居⾼不下的背景下,再来⼤幅提⾼社保缴费基数,⽆疑将进⼀步加重缴费负担,影响参保热情。
扩⼤参保缴费覆盖⾯,适时适当降低社会保险费率。
社保缴费基数和费率的调整必须同步进⾏,合理调整不同收⼊群体⽔平,减轻低收⼊者负担。
2、其⼆,加⼤公共财政投⼊。
数据显⽰,社会保障⽀出占我国财政⽀出12%,远低于西⽅国家30%—50%的⽐例,即使是⼀些中等收⼊国家⽐例也在20%以上。
如何查询个人社保缴费明细1、社保服务网点查询。
参保人员可携带本人有效身份证件及社保卡,到当地的社保服务中心窗口,让社保中心的工作人员帮你查询社保缴费明细和单位社保号,社保中心的工作人员会告诉你的;2、电话查询:用户可以可拨打社保客服热线12333进行查询,拨通电话后根据语音提升操作,一般通过电话查询,需要用户提供身份证号,社保卡号等信息进行身份核实,身份核实之后即可查询单位社保编号、社保缴费状况、社保账户余额等信息;3、社保官网查询。
现在各个地区的社保服务中心都有自己的官方网站,用户可以用搜索引擎搜索当地社保官网,进入官方网站后,登录到个人账户,如果是首次进入社保官网,还没有个人账户,那么可以按照页面提示先注册个人账户,并修改社保查询初始密码。
注册成功后登录到个人账户,在社保缴费栏即可查询单位社保编号,社保缴费明细,缴费年限,个人社保账户余额等信息。
延伸阅读深圳的社保卡能在广州用吗广州的医院如果被设置为深圳医保定点医疗,那么深圳的社保卡就可以在这些定点医疗机构使用。
因为医保目前是市级统筹,所以各市之间的联系必须依靠定点医疗机构。
也就是说持有深圳社保卡的参保人,去定点医疗机构看病,可以直接刷社保卡。
社保卡丢失了怎么办导语:说到信用卡,相信大家熟悉不过了,现在基本人人都有社保,社保卡的重要性不用多说,但社保卡是一张小卡片,不小心很容易丢失,给生活带来不便。
那么社保卡丢失了怎么办?有什么用途呢?社保卡丢失社保卡是政府民生服务的主要载体,有了社保卡,就有了社会保障“记录一生、保障一生、服务一生”的承诺。
社保卡丢失了怎么办1、预挂失:失主可以根据拨通社会保障卡服务电话、到社会保障卡服务项目点申请办理报失、到社会保障卡服务点的自助服务终端处报失等方式预挂失;2、正式挂失:失主带领身份证原件和身份证复印件到社保卡服务点正式挂失;3、补卡:失主递交好相关资料后填好补领申请报告,领到拿卡证实后拿卡。
社保卡有什么用途呢1、就医结算我们常用的是社保卡的医疗保险功能。
编号:
日期:(本凭证一
式两联,填
2、当您发生以下情形,凭本凭证及规定的相关材料,办理基本养老保险关系转移继续手续:(1)在城镇就业并参加城镇企业职工基本养老保险时;(2)随迁安置时未就业,向随迁安置户籍所在地社保机构出示本凭证;(3)随军期间达到退休年龄仍未就业,向户籍所在地社保机构出示本凭证;(4)有关政策规定的其他情形。
3、本凭证如不慎遗失,请与填发此凭证的军队单位后勤机关联系,申请补办。
经办人(盖章): 军队后勤机关(章):
重要提示
1、本凭证是您参保基本养老保险的权益记录,是申请办理基本养老保险关系转移接续手续的重要凭证,请妥善保管。
随军未就业的军人配偶养老保险参保缴费凭证。
天津医保出具《参保凭证》办理流程及所需材料
办理天津医保参保凭证需要一定的流程和所需材料。
下面将详细介绍
天津医保参保凭证的办理流程及所需材料。
办理流程:
1.前期准备:申请人应提前了解天津医保参保的政策和要求,并准备
好所需材料。
2.填写申请表格:申请人需要到当地社会保险事业管理部门领取医保
参保申请表格,并认真填写必要的个人信息。
3.提供所需材料:申请人需要准备并提供以下材料:
(2)户口本:提供户口本复印件,用于查验个人信息。
(3)最近3个月的个人缴费记录:向申请人所在单位的人事部门索取
最近3个月的个人缴费记录,或提供个人社保账户的缴费记录。
(4)社保卡:如已办理社保卡,需要提供社保卡的复印件。
(6)其他材料:根据个人情况,可能需要提供其他的材料,如结婚证、离婚证、子女出生证明等。
4.提交申请材料:将填写完整的申请表格和所需材料递交给当地社会
保险事业管理部门。
5.审核和办理:社会保险事业管理部门将审核所提供的申请材料,确
认个人的医保参保资格。
经审核无误后,按照规定办理参保手续,并出具《参保凭证》。
所需材料:
2.户口本:户口本复印件。
3.个人缴费记录:最近3个月的个人缴费记录。
4.社保卡:社保卡的复印件。
5.照片:近期彩色照片2张,一寸或二寸。
6.其他材料:根据个人情况,可能需要提供其他的材料,如结婚证、离婚证、子女出生证明等。
单位职工参保证明什么是单位职工参保证明?单位职工参保证明是指用于证明职工在单位工作期间参加社会保险的一种证明文件,也称社保证明或社保缴纳证明。
单位职工参保证明是职工在单位离职或者需要申请其他社保服务时所必需提供的证明文件之一。
单位职工参保证明包括哪些内容?单位职工参保证明一般包括以下内容:1.个人基本信息:职工的姓名、性别、身份证号、单位名称等基本信息。
2.参保时间:职工在单位工作期间参加社会保险的时间段,包括养老保险、医疗保险、工伤保险、生育保险和失业保险。
3.参保类型:职工参加的社会保险类型,包括养老保险、医疗保险、工伤保险、生育保险和失业保险。
4.保险缴费情况:职工在参保期间所缴纳社保费用的总额以及每个月具体缴纳的金额。
5.缴费证明:单位职工参保证明还应包括职工的社保缴费证明,即社保卡或者社保付款凭证、个人社保账户明细等,以便职工查询和核对个人社保缴费情况。
单位职工参保证明的作用单位职工参保证明对于职工来说具有极为重要的作用,它能够证明职工在单位工作期间按规定缴纳社会保险费,是职工享受社保待遇的必要证明文件。
1.用于申领社会保险待遇。
例如,职工退休时,需要向社保机构提供单位职工参保证明,以便社保机构核对个人社保缴费情况,确定职工的养老金计算标准。
2.用于申请其他社保服务。
例如,职工需要在单位工作期间申请工伤保险赔偿时,需要向相关单位提供单位职工参保证明以及职工个人社保缴费证明,以证明职工在单位工作期间缴纳了工伤保险费。
3.用于个人信用认证。
单位职工参保证明是职工个人社保缴费记录的重要证明,其对于职工的个人信用认证具有至关重要的作用,有助于提高职工的信用等级,有利于职工在个人贷款、租房等方面获得更多的优惠。
如何申请单位职工参保证明?目前,申请单位职工参保证明的方式主要有两种:网上申请和柜台办理。
1.网上申请通过社保局或者单位的官网,在线申请单位职工参保证明,然后按照网站提示填写一些基本信息即可。