硅芯管技术指标
- 格式:docx
- 大小:31.35 KB
- 文档页数:2
前言本标准是根据国家经贸委行业[2003]22号文“关于下达2003年行业标准项目计划的通知”安排,由中国石油天然气管道工程有限公司会同中国石油天然气管道通信电力工程总公司对《输油(气)管道同沟敷设光缆(硅芯管)设计、施工及验收规范》(SY/T 4108-2005)进行制订。
本标准是在总结了我国多年来与输油(气)管道同沟敷设光缆(硅芯管)的工程实践,在广泛征求意见的基础上,经反复讨论、认真修改并最终审查定稿。
本标准编写规则遵循现行国家标准《标准化工作导则第1部分:标准的结构和编写规则》(GB/T 1.1)。
为了提高标准质量,使设计和施工工作更好地服务于工程,不断提高技术水平,请各单位在执行本标准的过程中,发现需要修改或补充之处,请将意见和资料寄河北省廊坊市金光道22号中国石油天然气管道工程有限公司(邮编065000)。
本标准共分5章和1个附录,主要内容包括范围,规范性引用文件,术语,工程设计,工程施工等。
本标准由石油工程建设施工专业标准化委员会提出并归口。
本标准设计部分由中国石油天然气管道工程有限公司负责解释。
本标准施工部分由中国石油天然气管道通信电力工程总公司负责解释。
本标准主编单位:中国石油天然气管道工程有限公司。
本标准参编单位:中国石油天然气管道通信电力工程总公司。
本标准设计部分主要起草人:董旭、王刚、高建章、邬俊华、刘长生。
本标准施工部分主要起草人:朱建新、张凤录、张金权、白喜章。
目次前言 (Ⅱ)1 范围 (1)2 规范性引用文件 (1)3 术语 (1)3.1高密度聚乙烯硅芯管 HIGH DENSITY POLYETHYLENE SILICON TUBE(HDPE TUBE) (1)3.2与管道同沟敷设 LAYING IN THE SAME TRENCH WITH PIPELINE (2)4 工程设计 (2)4.1一般规定 (2)4.2光缆(硅芯管)穿跨越设计 (4)4.3光缆(硅芯管)特殊地段保护 (5)4.4光缆(硅芯管)附属工程 (5)4.5标志 (6)5 工程施工 (7)5.1一般规定 (7)5.2材料和设备检验 (8)5.3路由复测与配盘 (9)5.4光缆(硅芯管)敷设施工 (9)5.5特殊地段施工 (10)5.6交工验收 (11)附录A (13)1 范围为了使光缆、高密度聚乙烯硅芯管(简称硅芯管)与输油(气)管道(简称管道)同沟敷设的设计、施工及验收中贯彻国家有关方针政策,统一技术要求,做到安全可靠、技术先进、经济合理,制定本规范。
3.1 长途专用管道的施工要求3.1.1 管材的选用及主要性能指标本工程采用目前已广泛应用的新型材料硅芯管,管群由3根硅芯管组成。
根据以往长途硅芯管道施工的经验,光缆截面积与管道内截面的比为1:2.3时,用气吹法敷缆效果最好。
干线光缆直径一般在21mm 以下,为此,本工程管材选用Ф40/33mm的高密度聚乙烯硅芯管,其主要性能要求见表3.1.1-1和表3.1.1-2。
表3.1.1-1 高密度聚乙烯硅芯管规格表3.1.1-2 高密度聚乙烯硅芯管主要性能本工程敷设的硅芯管拟采用黑色、橘色、绿色硅芯管。
3.1.2 管道埋深要求硅芯管道分布在圩堤的外堤肩,考虑到防洪评价等堤防的安全因素,硅芯管的埋深不能高于徐洪河航道设计洪水位。
3.1.3 挖管道沟要求(1)管道线路尽量取直。
(2)拐弯点要成弧形,最小曲率半径应不小于40米。
(3)按当地土质达到设计的深度。
(4)沟底要平坦,不能出现局部梗阻或余土塌方减少沟深。
3.1.4 管道敷设要求(1)管道段长:直线段不宜大于1000米,拐弯地段或坡度变化地段,段长可适当缩短。
(2)硅芯管敷设采用人工铺设方式。
(3)采用的2根及2根以上硅芯管时,硅芯管每隔10米进行捆扎一次。
(4)硅芯管在布放之前,应先将两端管口严密封堵,防止水、土及其他杂物等进入管内。
(5)硅芯管在沟内应平整、顺直。
沟坎及转角处应将光缆沟操平和裁直,使之平缓过渡。
(6)人工抬放硅芯管时施工人员要随时注意掌握硅芯管的弯曲半径,尽量不要小于1米。
(7)硅芯管在沟底应松紧适度,在爬坡和转弯处更应注意,在此地段内,硅芯管应每隔50cm用扎带捆扎一次。
(8)硅芯管在布放完后,经检检查确认符合质量标准后,方可回填土,回填土前应将石块等硬物检出,先回填100mm厚的细或碎土,回填土应高出地面100mm。
(9)硅芯管进手孔前、后2米处不需捆扎。
(10)硅芯管在人(手)孔内开断,为保证气流敷设光缆时辅助管的连接,硅芯管在人(手)孔内的余留长度应不小于15cm;如考虑塑料管须在孔内接续,应将硅芯管分别固定在人(手)孔左右两内壁上,并使硅芯管在孔内前后重叠20cm。
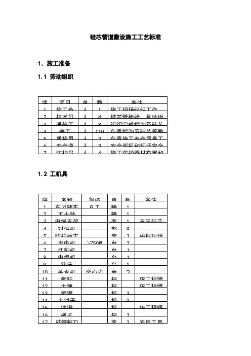
硅芯管道敷设施工工艺标准1.施工准备1.1劳动组织序项目单数备注1 施工负人 1 施工现场组织工作,2 技术员人 4 硅芯管检验,具体组3 通信工人8 组织完成挖沟及硅芯4 普工人110 负责挖沟及硅芯管敷5 质检员人 3 负责施工安全质量工6 安全巡人 3 安全巡视和现场安全7 防护员人 4 施工防护器材布置和1.2工机具序名称规格单数备注1 东风随车8T辆 12 五十铃辆 13 电缆支架套 1 支起硅芯4 对讲机部95 防护标志套 3 根据现场6 发电机>750W 台 27 切割机台18 电焊机台19 钻床台 110 抽水机离心式台211 钢钎把依工程情12 大锤把依工程情13 钢锯把 314 大钳子把 315 铁锹把依工程情16 梯子把 317 硅管割刀套 2 专用工具序名称规格单数备注18 接头紧固套 2 专用工具19 倒角器个 2 专用工具1.3材料序名称规格型单数备注1 钢管m 防护用,依2 硅芯由工程m 依工程情况3 铁线Φ3.0 kg 依工程情况4 尼龙m 依工程情况5 标石个依工程情况6 膨胀套封堵管口,7 水泥m 防护用,依8 汽油93号kg 依工程情况9 积水个依工程情况10 穿钉个依工程情况11 支架个依工程情况12 托板个依工程情况2.操作程序2.1工艺流程施工准备硅芯管材到货管道路由的选择与复测硅芯管单盘检验、气闭性检验管道沟开挖Y合格硅芯管敷设及安装硅芯管的防护管道沟回填N返回厂家,更换硅芯管人手孔设置、修建预留管道试通、保气合格N检查管道,处理故障Y2.2操作要领2.2.1管道路由的选择与复测(1)硅芯管道路由应选择径路顺直、地势平坦、地质稳固、高差较小、土质较好、石方量较小、不易塌陷和冲刷的地段,避开地形起伏很大的山区,避开地上、地下管线及障碍物较多、经常挖掘动土的地段。
(2)复测时核定硅芯管道路由、敷设位置、人(手)孔的建筑地点和建筑方式以及人(手)孔间距,管道防护措施等。
3.1 长途专用管道的施工要求3.1.1 管材的选用及主要性能指标本工程采用目前已广泛应用的新型材料硅芯管,管群由3根硅芯管组成。
根据以往长途硅芯管道施工的经验,光缆截面积与管道内截面的比为1:2.3时,用气吹法敷缆效果最好。
干线光缆直径一般在21mm 以下,为此,本工程管材选用Ф40/33mm的高密度聚乙烯硅芯管,其主要性能要求见表3.1.1-1和表3.1.1-2。
表3.1.1-1 高密度聚乙烯硅芯管规格表3.1.1-2 高密度聚乙烯硅芯管主要性能本工程敷设的硅芯管拟采用黑色、橘色、绿色硅芯管。
3.1.2 管道埋深要求硅芯管道分布在圩堤的外堤肩,考虑到防洪评价等堤防的安全因素,硅芯管的埋深不能高于徐洪河航道设计洪水位。
3.1.3 挖管道沟要求(1)管道线路尽量取直。
(2)拐弯点要成弧形,最小曲率半径应不小于40米。
(3)按当地土质达到设计的深度。
(4)沟底要平坦,不能出现局部梗阻或余土塌方减少沟深。
3.1.4 管道敷设要求(1)管道段长:直线段不宜大于1000米,拐弯地段或坡度变化地段,段长可适当缩短。
(2)硅芯管敷设采用人工铺设方式。
(3)采用的2根及2根以上硅芯管时,硅芯管每隔10米进行捆扎一次。
(4)硅芯管在布放之前,应先将两端管口严密封堵,防止水、土及其他杂物等进入管内。
(5)硅芯管在沟内应平整、顺直。
沟坎及转角处应将光缆沟操平和裁直,使之平缓过渡。
(6)人工抬放硅芯管时施工人员要随时注意掌握硅芯管的弯曲半径,尽量不要小于1米。
(7)硅芯管在沟底应松紧适度,在爬坡和转弯处更应注意,在此地段内,硅芯管应每隔50cm用扎带捆扎一次。
(8)硅芯管在布放完后,经检检查确认符合质量标准后,方可回填土,回填土前应将石块等硬物检出,先回填100mm厚的细或碎土,回填土应高出地面100mm。
(9)硅芯管进手孔前、后2米处不需捆扎。
(10)硅芯管在人(手)孔内开断,为保证气流敷设光缆时辅助管的连接,硅芯管在人(手)孔内的余留长度应不小于15cm;如考虑塑料管须在孔内接续,应将硅芯管分别固定在人(手)孔左右两内壁上,并使硅芯管在孔内前后重叠20cm。
硅芯管是一种常见的电子元件,具有很多不同的规格。
下面是关于硅芯管规格的一些相关参考内容:1.封装类型:硅芯管的封装类型有很多种,常见的有TO-92、TO-220、TO-247等。
不同的封装类型适用于不同的应用场景, TO-92适用于低功率应用,TO-220适用于中功率应用,而TO-247适用于高功率应用。
2.最大电压和电流:硅芯管的最大电压和电流是描述其使用范围的重要参数。
比如,一个规格为20A/600V的硅芯管表示它的最大电流为20A,最大电压为600V,超过这个范围使用可能会损坏。
3.耐压和击穿电压:硅芯管的耐压和击穿电压是衡量其绝缘性能的重要参数。
耐压指硅芯管在正常工作状态下能够承受的最大电压,而击穿电压是指超过这个电压时,在硅芯管内会发生击穿导致电流短路。
一般来说,硅芯管的击穿电压应高于耐压。
4.开启电压和导通电阻:硅芯管的开启电压是指在正常工作状态下,硅芯管开始导通所需要的电压。
导通电阻是指硅芯管导通时的电阻值。
这是影响硅芯管性能和效率的关键参数,通常希望开启电压越低,导通电阻越小。
5.开关速度和功率损耗:硅芯管的开关速度是指硅芯管开启和关闭的速度,通常用开关时间来表示。
功率损耗是指硅芯管在导通和关断过程中产生的能量损失。
开关速度和功率损耗是影响硅芯管工作效率和稳定性的重要指标。
6.温度特性和最大工作温度:硅芯管的温度特性是指在不同温度下,硅芯管的电性能是否会发生变化。
最大工作温度是指硅芯管可以安全工作的最高温度,超过这个温度可能会造成硅芯管失效。
总结起来,硅芯管的规格涉及到封装类型、最大电压和电流、耐压和击穿电压、开启电压和导通电阻、开关速度和功率损耗、温度特性和最大工作温度等参数。
对于使用硅芯管的电子设计工程师来说,了解和选择适合的规格非常重要,以确保硅芯管在电路中能够正确稳定地工作。
hdpe 硅芯管的规格HDPE硅芯管规格详解一、HDPE硅芯管的概述HDPE硅芯管是一种由高密度聚乙烯(HDPE)制成的管道产品,其中填充了硅芯材料。
HDPE硅芯管具有优良的耐腐蚀性、耐磨性和耐压性能,广泛应用于水利、石油、化工、电力等领域。
下面将从管径、壁厚、长度等方面详细介绍HDPE硅芯管的规格。
二、管径规格HDPE硅芯管的管径范围一般从20mm到1600mm不等,可以满足不同工程项目的需求。
根据具体的使用要求,可以选择合适的管径,以确保管道系统的正常运行。
三、壁厚规格HDPE硅芯管的壁厚通常在2mm到45mm之间,这取决于管道所用材料的规格和管道的工作压力等因素。
合理的壁厚能够提高管道的耐压性能和使用寿命,同时还能减少材料的消耗。
四、长度规格HDPE硅芯管的长度通常为6米或12米,也可以根据用户的要求进行定制。
长度规格的选择应根据具体的工程需要和材料运输的便利性进行考虑。
五、其他规格要求除了上述的基本规格,HDPE硅芯管还有一些其他的规格要求需要注意。
例如,管道的耐温性能、耐压能力、耐化学腐蚀性能等都是需要考虑的因素。
在选择HDPE硅芯管时,应根据具体工程项目的要求和环境条件进行合理的选择。
六、应用领域HDPE硅芯管具有优异的性能特点,因此在许多领域得到了广泛应用。
在水利工程中,HDPE硅芯管可用于输送自来水、排污水、灌溉水等。
在石油和天然气行业,它常被用于输送油气和化学品。
此外,HDPE 硅芯管还可用于电力工程、化工工程、工业废水处理等领域。
七、HDPE硅芯管的优势HDPE硅芯管相比于传统的金属管道具有许多优势。
首先,它具有优良的耐腐蚀性能,不易受到化学物质的侵蚀。
其次,HDPE硅芯管重量轻、施工方便,能够降低工程成本。
此外,它还具有良好的耐磨性和耐压性能,能够适应恶劣的工作环境。
八、HDPE硅芯管的安装与维护HDPE硅芯管的安装应按照相关标准和规范进行,保证管道的质量和使用寿命。
在使用过程中,应定期对管道进行巡检和维护,及时发现并处理管道的问题,以确保管道系统的正常运行。
波纹集束管与硅芯管在高速公路光缆管道应用中的分析比较王运虔代晨光(中交机电工程局有限公司北方分公司,北京100085)摘要:通过波纹集束管和硅芯管的管道敷设及吹缆施工比较分析,得出结论,波纹集束管能够作为高速公路光缆管道代用材料;并从管道使用的角度出发,阐述了波纹集束管施工中的一些注意事项。
关键词:高速公路施工;波纹集束管;硅芯管;管道敷设;光缆气吹敷设0引言近年来,波纹集束管(简称COD 管)作为一种新型的通信管材,逐渐在高速公路市场上得到应用。
新疆G3012阿克苏—喀什高速公路全长428.567km ,干线约380km 采用新建9~10孔波纹集束管,其余部分利用原有硅芯管。
本文通过波纹集束管和硅芯管的比较分析,得出结论,波纹集束管能够作为光缆管道代用材料;并从管道使用的角度出发,阐述了波纹集束管施工中的一些注意事项。
1波纹集束管1.1波纹集束管的性能特点波纹集束管外形及剖面结构如图1所示。
波纹集束管采用高密度聚乙烯树脂为原材料,管道结构形式上为波纹外管包裹若干个紧密结合的内管。
外管采用螺旋环形增强刚度,该结构可比直壁管的抗压强度提高8~l0倍,波纹集束管经过混凝土包封后可直接用于横穿过路,有效提高了光缆保护性能,适用于需承受一定压力、埋设环境比较恶劣的地段,特别是改造道路。
布管施工方便、效率高,一次敷设多管,大大缩短了施工周期。
相对硅芯管减少了定距捆绑整理工序,过桥过路无需使用镀锌钢管保护,施工成本远低于同孔数的其他管材。
1.2波纹集束管的技术指标目前对波纹集束管尚无国家标准规范。
本文对只对其管道规格和技术指标做一些简单介绍。
在新疆阿克苏—喀什高速公路使用的波纹集束管有ϕ89(5×ϕ25/21)、ϕ76(4×ϕ25/21)和ϕ70(3×ϕ25/21)三种规格。
干线采用5+4孔管道,进出收费站采用3孔管道。
波纹集束管技术指标如表1所示。
2硅芯管2.1硅芯管的性能特点HDPE 硅芯管是一种内壁带有硅胶质固体润滑剂的新型复合管道,简称硅管,广泛运用于高速公路、铁路等的光电缆通信工程。
硅芯管道敷设施工工艺标准1.施工准备1.1 劳动组织1.2 工机具1.3 材料2.操作程序2.1 工艺流程2.2 操作要领2.2.1 管道路由的选择与复测(1)硅芯管道路由应选择径路顺直、地势平坦、地质稳固、高差较小、土质较好、石方量较小、不易塌陷和冲刷的地段,避开地形起伏很大的山区,避开地上、地下管线及障碍物较多、经常挖掘动土的地段。
(2)复测时核定硅芯管道路由、敷设位置、人(手)孔的建筑地点和建筑方式以及人(手)孔间距,管道防护措施等。
2.2.2 硅芯管道沟开挖(1)根据路由复测台帐,进行径路画线,标记出管道沟的位置,沿标记线开挖管道沟。
(2)管道沟开挖顺直无死弯,沟坎及转角处平缓过渡,转弯半径不易小于3m,沟底平整无大起伏,无突出的尖石和砖块,管道沟保持足够的宽度(视硅芯管数量及排列方式而定)。
(3)石质沟应铺沙土以防石块割破硅芯管,埋深一般为0.6m—1.0m,特殊地段需按设计要求进行防护。
2.2.3 硅芯管道敷设及安装(1)在敷设硅芯管之前,先对硅芯管进行外观检验和气闭检验,检查硅芯管外观有无破损、气闭性是否良好,检查硅芯管两端口上的硅芯端帽是否有脱落,并补齐、封堵严密。
(2)硅芯管道敷设采用“固定拖车法”布放,将硅芯管从轴盘上方取出,并转动轴盘,抬起硅芯管沿管道沟方向布放。
(3)在敷设过程中严禁有水、土、泥及其他杂物等进入管内。
(4)同沟布放多根硅芯管时,应按照设计规定的排列方式按色谱整齐排列,并每隔5m—10m用尼龙绑扎带或塑套铁线进行绑扎。
当布放硅芯管的根数为2时,呈“一”字型排放;当布放硅芯管的根数为3时,呈“品”字型排放;当布放硅芯管的根数大于3时,采用分层叠放方式。
(5)敷设硅芯管从障碍物下方穿过后立即将硅芯管抬起,避免管皮拖地;出现管子扭伤挤扁现象时,采用专用工具进行复原,破损漏气处要断开后采用硅芯管专用接头进行接续,并做好记录及标识。
(6)硅芯管敷设后尽快连接密封,对引入手孔的管道及时对端口封堵。
一、硅芯管、硅芯管、硅芯管的特性:目前,工程设计中所用的硅芯管基本是以高密度聚乙烯为主要原料,管内壁涂覆低摩擦系数的硅塑层,密度为,熔体指数为~,硬度为邵氏±。
其突出特点:环境适应力强、施工速度快、使用寿命长、综合造价低。
)硅芯管内壁滑润、永不脱落、摩擦系数极小,光缆在管道内抽取时非常容易。
)硅芯管曲率半径小(为其外径的十倍)。
敷设时遇到弯曲处和落差处,可随环境地形而定,无须做任何处理,更不必设人井过渡。
)每根(盘)硅芯管的长度可制成任意长度。
一般情况下从运输安全和施工吹放技术等方面考虑,每根(盘)硅芯管标准长度定为。
)硅芯管的底色和彩条可根据工程的实际情况而定。
为加强硅芯管的抗氧化能力,我们推荐采用黑底加彩条的硅芯管。
此种硅芯塑管既可延长其使用寿命,也可有效地区分同沟敷设的多根管道,如黑底加白色、蓝色、黄色、红色、橘色等彩条。
)施工便捷,工程造价大量降低。
目前,国内高等级公路的通信工程,以及电信行业在使用塑料管道或时,一般是一根大管内装三根子管,子管内再穿缆的施工方法。
一根大管的长度多为)防机械损伤光缆被放置在具有足够强度和一定壁厚的硅芯塑料管道内,埋设在公路下或野外土壤中可有效避免因道路建设施工,过往车辆、一般农田水利建设与一般的自然灾害地震等因素造成的拉、压、碰、撞等机械损伤原因损坏光缆而造成的经济损失。
)防化学物质侵蚀:硅芯管具有气密和防腐蚀的功能,加上全密封的接头结构,使放置在内部的光缆免受土壤中酸、碱、盐、()提高建设施工速度、降低生产成本:)埋设管道、反复使用在通信干线施工建设中,只需一次性埋设塑料管道,其穿缆工作,再不受时间和条件的限制,这样,无论是电信网的升级、增容或更换缆线时,再不需要动用大量的人力、物力挖掘,只需从管道中抽出原缆线,再穿入新缆线即可,反复使用,省时、省钱、省力。
)减少人井(或手孔)的数量按国内常规通信线路的施工方法,每隔~,甚至更长,即人井(或手孔)的数量可减少。
其内壁的硅芯管层是固体的,永久的润滑剂;其内壁的硅芯管层是被同步挤压进高密度聚乙烯管道壁内,且均匀地分布整个管道内壁,不会剥落,脱离,与硅管同寿命;其内壁的硅芯管层与高密度聚乙烯具有相同的物理和机械特性;其内壁硅硅芯管的摩擦特性保持不变,缆线在管道内可反复抽取;其内壁的硅芯管层不与水反应,意外事故后可用水冲洗管道。
1外观质量外观颜色均匀一致;内外壁实体应平整、均匀、光滑,无塌陷、坑凹、孔洞、撕裂痕迹及杂质麻点等缺陷;截面无气泡、裂痕;内壁紧密熔结、无开脱现象;外壁上产品标识完整、清楚。
2外壁硬度≥59(邵氏D型)3内壁摩擦系数静态:≤0.25(平板法,对HDPE标准试棒)动态:≤0.154拉伸强度(MPa)≥215断裂伸长率(%)≥3506最大牵引负荷(N)≥80007冷弯曲半径(mm)4008环刚度(KN/m2)≥509扁平试验垂直方向加压至外径变形量为原外径的50%时,立即卸荷,试样不破裂、不分层。
10复原率(%)垂直方向加压至外径变形量为原外径的50%时,立即卸荷,试样不破裂、不分层,10min外径能自然恢复到原来的85%以上。
11耐落锤冲击性能常温温度23℃,高度2m,用15.3kg重锤冲击10个试样,应9个以上无开裂现象。
低温温度-20℃,高度2m,用15.3kg重锤冲击10个试样,应9个以上无开裂现象。
12耐水压密封性能温度20℃,压力50KPa条件下,保持24小时,无渗漏。
13抗裂强度(MPa)≥2.014与管接头的连接力(N)≥670015纵向收缩率(%)≤3.016脆化温度(℃)-7517耐环境应力开裂48h,失效数≤20%18熔体流动速率(g/10min)MFR(190/2.16)≤0.519耐热应力开裂168h,失效数≤20%20工频击穿强度(MV/m)≥2421耐化学介质腐蚀将管材试样分别置于5%的NaCL、40的H2SO4、40%的NaOH溶液中浸泡24h,无明显被腐蚀现象。
3.1 长途专用管道的施工要求3.1.1 管材的选用及主要性能指标本工程采用目前已广泛应用的新型材料硅芯管,管群由3根硅芯管组成。
根据以往长途硅芯管道施工的经验,光缆截面积与管道内截面的比为1:2.3时,用气吹法敷缆效果最好。
干线光缆直径一般在21mm 以下,为此,本工程管材选用Ф40/33mm的高密度聚乙烯硅芯管,其主要性能要求见表表高密度聚乙烯硅芯管规格规格外径(mm)厚度(mm)标称长度(m)标称值允许偏差标称值允许偏差单盘允许偏差Ф33/40mm 40 -0.0+0.4 3.5 -0.0+0.2 2000/3000 -0.0+0.3表高密度聚乙烯硅芯管主要性能序号项目主要性能1 原材料硬度邵氏D612 耐压性应能承受0.5h,0.6Mpa压力3 拉伸强度≥18Mpa4 断裂延伸率≥380%5 抗侧压强度在1500N/100mm压力下,扁径不小于硅芯管外径的70%,卸荷后检测能恢复到硅芯管外径的90%以上,硅芯管无裂纹序号项目主要性能6 内壁摩擦系数≤0.257 弯曲半径Ф33/40mm硅芯管为500mm本工程敷设的硅芯管拟采用黑色、橘色、绿色硅芯管。
3.1.2 管道埋深要求硅芯管道分布在圩堤的外堤肩,考虑到防洪评价等堤防的安全因素,硅芯管的埋深不能高于徐洪河航道设计洪水位。
3.1.3 挖管道沟要求(1)管道线路尽量取直。
(2)拐弯点要成弧形,最小曲率半径应不小于40米。
(3)按当地土质达到设计的深度。
(4)沟底要平坦,不能出现局部梗阻或余土塌方减少沟深。
3.1.4 管道敷设要求(1)管道段长:直线段不宜大于1000米,拐弯地段或坡度变化地段,段长可适当缩短。
(2)硅芯管敷设采用人工铺设方式。
(3)采用的2根及2根以上硅芯管时,硅芯管每隔10米进行捆扎一次。
(4)硅芯管在布放之前,应先将两端管口严密封堵,防止水、土及其他杂物等进入管内。
(5)硅芯管在沟内应平整、顺直。
沟坎及转角处应将光缆沟操平和裁直,使之平缓过渡。
HDPE硅芯塑料管技术指标
HDPE硅芯塑料管是一种采用高密度聚乙烯(HDPE)作为主体材料,内部嵌入硅芯的管材。
硅芯管内芯材料为硅胶,具有良好的抗压性、耐高温性、耐化学腐蚀性等特点,使得管材在一定的工作环境下能够承受较高的压力和温度。
1.基本性能指标:
硅芯管的外径、壁厚和长度应符合国家标准或合同规定的要求。
管材的外观应具有一定的光滑度,不允许有明显的划痕或破损。
管材内外壁应光滑,并且应该没有明显的气泡或污染物。
2.压力性能:
3.硅芯管的耐化学腐蚀性:
管材应具有良好的耐化学腐蚀性,能够在常见的酸、碱、盐等介质中长期稳定使用。
在应用于特定的工作环境下,硅芯管还应具有对特定化学介质的耐腐蚀性能。
4.温度性能:
硅芯管的工作温度应符合国家标准或合同规定的要求。
管材应能够承受一定的工作温度范围内的热应力而不发生变形或破损。
一般来说,硅芯管的额定温度应该大于或等于设计工作温度。
5.硅芯管的抗破裂性:
管材在一定的工作条件下,应具有较高的抗破裂性能,即抗破裂强度应符合国家标准或合同规定的要求。
管材的断裂伸长率也应符合相应的规范。
总的来说,HDPE硅芯塑料管技术指标应包括基本性能指标、压力性能、耐化学腐蚀性、温度性能和抗破裂性等方面的要求。
不同的工作环境和使用需求会对技术指标有具体的要求,因此在实际应用中,需要根据具体的情况进行合理的选择和设计。
硅芯管执行标准硅芯管是一种可控硅器件,也称为晶闸管。
它通常由硅晶体制成,具有开关特性和控制特性,被广泛应用于电力电子、交流调光、变频调速、直流电源、电动汽车等领域。
通常硅芯管具有以下执行标准。
1. IEC标准IEC是国际电工委员会的英文缩写,是国际性标准化组织之一。
IEC标准通常适用于电气和电子设备的国际贸易,硅芯管也不例外。
IEC制定的硅芯管执行标准主要包括硅控整流器及硅控开关和相应的测试方法、性能参数和封装形式等内容。
其中IEC 60747-1:2019《对有源半导体元件的一般要求》是硅芯管的通用标准,它规定了硅芯管的主要性能参数、封装形式、环境适应性、引脚定义、性能测试方法等。
此外,IEC 60747-2-8:2003《硅控整流器及硅控开关的特殊要求》是针对硅芯管的特殊要求而制定的,主要规定硅芯管的电气性能、热稳定性、封装形式和与外界电路的连接方式等。
2. GB标准GB是中国国家标准的缩写,GB制定的硅芯管执行标准主要适用于国内生产和市场应用。
GB标准的硅芯管执行标准主要包括性能指标、封装形式、引脚定义和交货要求等内容。
其中,GB/T 24684-2009《硅控整流器及硅控开关》是硅芯管的主要标准,定义了硅芯管的主要性能指标、封装形式、引脚定义和交货要求等。
此外,GB/T 13016-2008《电活动元件引脚识别代码》是进行硅芯管引脚标识时的必要参考标准。
其中,JEDEC JESD22-A108B和JEDEC JESD22-A111C等标准规定了硅芯管在负温度下的温度循环试验和热应力测试的具体测试方法,以确保硅芯管在极端环境下的稳定性和可靠性。
此外,JEDEC J-STD-020D.1《可焊性试验准则》也是硅芯管执行标准的一部分,它规定了硅芯管封装的可湿性、耐热性和耐焊性等基本要求。
综上所述,硅芯管执行标准是确保硅芯管产品质量和可靠性的重要保障,各国和地区的标准有所不同,但总体要求是相近的。
硅芯管检验报告1. 引言硅芯管是一种关键的电子元件,用于放大和控制电流。
在电子设备制造中,对硅芯管的质量和性能进行检验至关重要。
本文将介绍硅芯管检验流程以及检验结果的分析。
2. 硅芯管检验流程2.1 收集样品首先,我们需要从供应商处收集一定数量的硅芯管样品作为检验对象。
样品数量的选择应基于统计学原则,以确保结果的可靠性。
2.2 外观检查在开始任何功能性测试之前,我们需要对硅芯管的外观进行检查。
外观检查包括检查是否有任何物理损坏、污染或不良制造的迹象。
2.3 电阻测试接下来,我们进行电阻测试以验证硅芯管的导电性能。
通过在不同电压下测量电阻值,我们可以确定硅芯管是否具有预期的电阻特性。
2.4 电压测试在电阻测试之后,我们进行电压测试以评估硅芯管的耐压性能。
通过在一定电流下施加不同的电压,我们可以确定硅芯管的击穿电压,以确保其在实际应用中的可靠性。
2.5 功能测试最后,我们进行功能测试以验证硅芯管的性能。
功能测试可以包括输出特性测试、输入特性测试、频率响应测试等。
通过这些测试,我们可以评估硅芯管的放大能力、线性度以及响应速度等性能指标。
3. 检验结果分析3.1 外观检查结果对硅芯管的外观检查结果应记录并进行分析。
如果发现有任何物理损坏、污染或不良制造的迹象,这可能会影响硅芯管的性能以及其在实际应用中的可靠性。
3.2 电阻测试结果根据电阻测试的结果,我们可以评估硅芯管的导电性能。
如果测量的电阻值与预期值相符,说明硅芯管的导电特性是良好的。
3.3 电压测试结果电压测试的结果可以告诉我们硅芯管的耐压性能。
如果硅芯管能够在预期的电压下正常工作,并且没有发生击穿现象,那么它在实际应用中的可靠性将得到验证。
3.4 功能测试结果功能测试结果是评估硅芯管性能的关键指标。
通过对输出特性、输入特性和频率响应等进行测试,我们可以了解硅芯管的放大能力、线性度以及响应速度等方面的性能。
4. 结论通过硅芯管的检验流程,我们可以评估其质量和性能。
hdpe硅芯管检测标准
HDPE硅芯管是一种用于电力电缆敷设的管道,通常用于保护电
缆免受外部环境的影响。
对于HDPE硅芯管的检测标准,一般来说,
可以从以下几个方面来考虑:
1. 物理性能检测,包括管道的尺寸、外观质量、壁厚、硬度等
方面的检测,以确保管道符合规定的标准尺寸和质量要求。
2. 化学性能检测,包括管道材料的成分、抗氧化性能、耐腐蚀
性能等方面的检测,以确保管道材料符合相关的化学性能标准。
3. 力学性能检测,包括管道的抗压性能、抗拉性能、抗冲击性
能等方面的检测,以确保管道在使用过程中具有足够的强度和耐久性。
4. 热性能检测,包括管道的耐热性能、耐寒性能等方面的检测,以确保管道能够在不同温度环境下正常使用。
总的来说,针对HDPE硅芯管的检测标准应该是综合考虑了物理、化学、力学和热性能等多个方面的要求,以确保管道的质量和可靠
性符合相关标准和规定。
具体的检测标准可能会根据不同的国家或地区的标准规定而有所不同,需要参考当地的相关标准文件。
硅芯管规格硅芯管,也称为硅功率管或硅控整流器,是一种用于控制电流和电压的半导体器件。
它广泛应用于电力电子系统、工业设备和电子产品中。
硅芯管通过控制电流和电压的导通和截止来实现对电源和负载之间能量传递的控制。
在本文中,我们将讨论硅芯管的常见规格和性能参数。
1. 最大额定电流(ID):最大额定电流是指硅芯管能正常工作的最大电流值。
它决定了硅芯管能够承载的最大电流负载。
硅芯管的最大额定电流通常以安培(A)为单位。
2. 电压额定值(VRRM):电压额定值是指硅芯管能够承受的最大反向电压。
它是硅芯管正常工作时可靠性和稳定性的重要参数。
电压额定值通常以伏特(V)为单位。
3. 电气绝缘耐压(VISO):电气绝缘耐压是指硅芯管的输入端和输出端之间的最大电压。
它是硅芯管与外部电路之间的绝缘性能指标。
电气绝缘耐压通常以伏特(V)为单位。
4. 最小开通电流(IH):最小开通电流是指硅芯管能够开始导通的最小控制电流。
硅芯管的开通电流是通过外部激励信号(如电流或电压)提供的。
最小开通电流通常以安培(A)为单位。
5. 最大截止电流(IL):最大截止电流是指硅芯管完全截止时通过的最大电流。
硅芯管的截止是通过减小或中断外部控制信号来实现的。
最大截止电流通常以安培(A)为单位。
6. 发射极到集电极饱和压降(VCEsat):发射极到集电极的饱和压降是指硅芯管在导通状态下发射极和集电极之间的电压降低。
这个参数影响硅芯管的功耗和效率。
发射极到集电极饱和压降通常以伏特(V)为单位。
7. 最大开关频率(fmax):最大开关频率是指硅芯管能够进行正常操作的最大频率。
它与硅芯管的导通和截止能力有关,也可以反映硅芯管的开关速度和响应时间。
最大开关频率通常以赫兹(Hz)为单位。
8. 热阻(θJC):热阻是指硅芯管在工作中产生的热量与芯片温度之间的关系。
它用来描述硅芯管的散热性能,即芯片温度与环境温度之间的温度。
HDPE电力通信硅芯管HDPE电力通信硅芯管是湖北亮诚塑业生产的一种结合了电力管的电气绝缘特性和高密度聚乙烯硅芯管所有特性的内壁带有硅胶质固体润滑剂的新型复合管道,以高密度聚乙烯为主要材料经三台塑料挤出机同步挤压复合而成。
内壁带有硅芯层,内壁光滑可满足气吹敷缆技术,防潮、防虫鼠、耐腐蚀,由于经常铺设在电力沟、管道中,所以电绝缘性能和散热性能要求较高。
一般采用盘管形式,管长≤3000米,抗压力强。
管材的颜色一般采用黑色为本色,管材表面标识经用棕色、灰色、桔红色、深蓝色、大红色、紫色、翠绿色、淡蓝色、淡黄色等颜色区分。
HDPE电力通信硅芯管起源与应用HDPE电力通信硅芯管最早起源于20世纪末欧美地区,1994年在杭—贵—成干线工程福建段试验成功以后在国内开始推广应用。
HDPE电力通信硅芯管用途HDPE电力通信硅芯管为电光缆通信系统建设提供便利,保护电力通信电光缆自身安全,保障电光缆通信正常运作。
HDPE电力通信硅芯管性能特点HDPE电力通信硅芯管的主材料高密度聚乙烯的密度为1350-1500KG/M3,重量一般为同类压力管的1/10,钢管的1/6;高密度聚乙烯耐酸、碱、盐等化学溶剂腐蚀,遇油脂也不开裂;静态内壁摩擦系数≤0.25,动态内壁摩擦系数≤0.15;内壁的硅芯层是固体的,永久的润滑剂;内壁的硅芯层均匀地分布整个管道内壁,不会剥落,脱离,与管材同寿命;内壁的硅芯层与高密度聚乙烯具有相同的物理和机械特性;内壁的硅芯层不与水反应,意外事故后可用水冲洗管道;内外壁均可承受高压电击,不破损,不导电;可耐多种化学介质的腐蚀,土壤中存在的化学物质不会对管道造成任何降解作用;不需外套大管,且可直接在管道内穿缆,不需子管;易散热,保证电缆运行中的热量迅速散发。
HDPE电力通信硅芯管技术参数项目技术指标试验方法落锤冲击10/10不破裂GB/T14152 环刚度≥30KN/㎡GB9647扁平试验不破裂GB5836-86电力通信硅芯管内壁摩擦系数平板法≤0.20以圆鼓法作为判定依据,平板法作为参考值圆鼓法≤0.15电力通信塑料管内壁摩擦系数平板法≤0.27圆鼓法≤0.17复原率标准情况下≥90%拉伸强度≥18Mpa GB8804.2 断裂伸长率≥380%GB8804.2 纵向回缩率≤3.0%GB6671.2 硅管连接头拉力≥4300N最大牵引负荷32/26mm≥6000N40/33mm≥8000N46/38mm≥10000N50/42mm≥10000N拉伸速度500mm/min低温坠落试验在-30℃,高度1m条件下,自由落下,试样不开裂连接密封试验温度20℃,在压力0.15MPa条件下保持15min 压力无变化工频击穿强度≥15KV/mm最小弯曲半径32/26mm≤300mm40/33mm≤450mm46/38mm≤500mm50/42mm≤625mmYD/T841-1996HDPE电力通信硅芯管常用规格规格mm 平均外径d/mm 壁厚及允差/mm不圆度/%标称值允差标准值允差绕盘前绕盘后32/26 32 +0.30 2.5 +0.30≤2≤334/28 34 +0.30 3.0 +0.30≤2≤340/33 40 +0.40 3.5 +0.35≤2.5≤3.546/38 46 +0.40 4.0 +0.35≤3≤550/41 50 +0.50 4.5 +0.40≤3≤563/54 63 +0.60 5.0 +0.40≤3≤5HDPE电力通信硅芯管应用领域室外通信电缆;公共信息网络;有线电视网络;高速公路通讯;邮电通信网络;铁路通信网络;光缆管道系统;石油天然气通信网络建设;水利水电通信建设。
硅芯管产品简介:硅芯管是一种内壁带有硅胶质固体润滑剂的新型复合管道,密封性能好,耐化学腐蚀,工程造价低,广泛运用于高速公路,铁路等的光电缆通信网络系统。
HDPE硅芯管是一种内壁带有硅胶质固体润滑剂的新型复合管道,简称硅管。
由三台塑料挤出机同步挤压复合,主要原材料为高密度聚乙烯,芯层为摩擦系数最低的固体润滑剂硅胶质。
广泛运用于光电缆通信网络系统。
产品特点:其内壁的硅芯层是固体的,永久的润滑剂;其内壁的硅芯层是被同步挤
压进高密度聚乙烯管道壁内,且均匀地分布整个管道内壁,不会剥落,脱离,与硅
管同寿命;
硅芯管技术指标:1 外观质量外观颜色均匀一致;内外壁实体应平整、均匀、光滑,
无塌陷、坑凹、孔洞、撕裂痕迹及杂质麻点等缺陷;截面无气泡、裂痕;内壁紧密
熔结、无开脱现象;外壁上产品标识完整、清楚。
2 外壁硬度≥59(邵氏D型)
3 内壁摩擦系数静态:≤0.25(平板法,对HDPE标准试棒)
动态:≤0.15
4 拉伸强度(MPa)≥21
5 断裂伸长率(%)≥350
6 最大牵引负荷(N)≥8000
7 冷弯曲半径(mm)400
8 环刚度(KN/m2)≥50
9 扁平试验垂直方向加压至外径变形量为原外径的50%时,立即卸荷,试样
不破裂、不分层。
10 复原率(%)垂直方向加压至外径变形量为原外径的50%时,立即卸荷,
试样不破裂、不分层,10min外径能自然恢复到原来的85%以上。
11 耐落锤冲击性能常温温度23℃,高度2m,用15.3kg重锤冲击10个试
样,应9个以上无开裂现象。
低温温度-20℃,高度2m,用15.3kg重锤冲击10个试样,应9个以上无开
裂现象。
12 耐水压密封性能温度20℃,压力50KPa条件下,保持24小时,无渗漏。
13 抗裂强度(MPa)≥2.0
14 与管接头的连接力(N)≥6700
15 纵向收缩率(%)≤3.0
16 脆化温度(℃)-75
17 耐环境应力开裂48h,失效数≤20%
18 熔体流动速率(g/10min)MFR(190/2.16)≤0.5
19 耐热应力开裂168h,失效数≤20%
20 工频击穿强度(MV/m)≥24
21 耐化学介质腐蚀将管材试样分别置于5%的NaCL、40的H2SO4 、40%的NaOH溶液中浸泡24h,无明显被腐蚀现象。
22 耐碳氢化合物性能用庚烷浸泡72h后对硅芯管施加528N的外力,试样不损坏,产生的永久变形不超过5%。
硅芯管产品规格:光缆外径(mm)11以下12 12.5 13.5 14 15 16 硅管内径(mm)24 26/28 26/28 26/28 28/33 33 33
续表
光缆外径(mm)24 25 26 28 30 36
硅管内径(mm)42/50 42/50 50/55 50/55 50/55 50/55
壁厚:硅管最小壁厚为2mm,最大为6mm,如特殊要求壁厚,亦可生产,最常用的厚度为3.0mm、3.5mm、4.0mm。
长度:50/42硅管的出厂标准盘长为1500m,40/33硅管盘长为2000m,32/26硅管的盘长为3000m。
如客户有特殊需要,可在运输及操作方便的条件下,以更长(任意长)的长度出厂。
颜色:可选择任何一种纯色,也可在一纯色的硅管上,镶嵌其他色彩的纵向条纹。