明硐湖不锈钢栏杆计算书
- 格式:doc
- 大小:102.00 KB
- 文档页数:15
栏杆受力计算书尊敬的客户:根据您的要求,本文将为您提供栏杆受力计算书。
为保证栏杆的稳定和安全性,需要对其进行受力计算。
一、栏杆的基本参数栏杆材料:不锈钢栏杆高度:1.2米栏杆长度:5米栏杆形式:平面直线形二、栏杆受力计算步骤1. 各部分受力分析栏杆由多个垂直相连的立柱组成,每个立柱受到上方水平分布荷载和自重的作用力。
此外,由于栏杆高度较高,存在抗风作用力。
2. 栏杆自重计算栏杆自重可通过材料密度和截面积进行计算。
不锈钢的密度为ρ = 7.93 g/cm³。
栏杆的截面积为A = 高度 ×厚度。
根据材料厂商提供的数据,不锈钢板的厚度为0.5厘米。
计算得出栏杆自重W1 = ρ × A × 长度。
3. 上方水平分布荷载栏杆上方可能会有人员推搡栏杆的情况,根据设计要求,为了确保栏杆的抗倾覆能力,我们假设上方水平分布荷载为100牛顿/米。
4. 抗风作用力计算栏杆的高度较高,所以需要考虑可能的抗风作用力。
根据设计标准,假设风压力为每平方米300牛顿,计算得出抗风作用力W3 = 风压力 ×平面投影面积。
5. 栏杆受力计算(1)立柱受力计算立柱受到自重、上方水平分布荷载和抗风作用力的作用力。
计算得出立柱受力总和W Total = W1 + W2 + W3。
(2)栏杆底部受力计算栏杆底部受到立柱受力和自身受力的作用力。
根据静力学原理,底部对角受力为立柱受力总和的平方根。
计算得出底部对角受力W Bottom = √(W Total² + W1²)。
三、计算结果1. 栏杆自重计算栏杆自重W1 = ρ × A × 长度 = 7.93 g/cm³ × 1.2米 × 0.5厘米 × 5米 = 11.895千克。
2. 抗风作用力计算抗风作用力W3 = 风压力 ×平面投影面积 = 300牛顿/平方米 × (1.2米 × 5米) = 1800牛顿。
(完整版)围栏计算书
1. 引言
围栏是用于界定和保护特定区域的结构物。
在设计和建造围栏时,需要进行一系列的计算以确保围栏的稳定性和安全性。
本文档
旨在提供一份完整的围栏计算书,帮助工程师进行围栏设计和施工。
本文将涵盖围栏计算中的关键要素和步骤。
2. 围栏设计要素
围栏的设计需考虑以下要素:
- 围栏高度:根据具体需求和使用场景确定围栏的高度。
- 围栏材料:选择合适的材料,如金属、木材或塑料等,根据
需求和预算进行选择。
- 围栏结构:确定围栏的结构形式,如网状、实心或栅栏等。
- 围栏间距:根据具体要求,确定围栏之间的间距。
3. 围栏计算步骤
以下是进行围栏计算的步骤:
3.1 确定荷载要求
根据围栏的用途和位置,确定所需承受的荷载要求,如风荷载、雪荷载等。
3.2 确定结构类型
根据围栏的高度和形式,确定适合的结构类型,如抗弯结构、
抗剪结构等。
3.3 计算材料强度
根据所选材料的特性和规格,计算材料的强度,以确定其承受
能力。
3.4 计算围栏尺寸
根据荷载要求和材料强度,计算围栏所需的尺寸,包括杆柱的
截面尺寸和固定件的数量。
3.5 施工方案设计
根据计算结果,设计合理的施工方案,包括固定件的布置、连
接方式以及加强措施等。
4. 结论
本文档通过详细阐述围栏的设计要素和计算步骤,希望能够帮助工程师有效地设计和建造围栏。
在实际应用过程中,工程师应根据具体情况进行详细计算和施工方案设计,以确保围栏的稳定性和安全性。
不锈钢栏杆计算书全套一、计算依据L《建筑结构荷载规范》GB 50009-20122、《钢结构设计标准》GB 50017-20173、《建筑防护栏杆技术标准》JGJΛ470-2019二、基本参数防护栏杆顶部横杆距离地面高度H(m) =0.9立杆间距∣a(m)= 2横杆间距s(m) =0.3横杆与立杆连接方式:焊接防护栏杆固定位置:混凝土防护栏杆底部固定方式:化学螺栓三、荷载设计横杆承受集中荷载标准值Fbk(kN) =1立柱顶部承受水平集中荷载标准值FZk(I<N)= 1防护栏杆计算不考虑风荷载四、横杆验算横杆材质及类型方钢管截面类型①63χL2抗弯强度设计值[f](N∕mm2=) 205弹性模量E(N∕mm2)= 206000截面惯性矩I(Cm4) =11.13截面抵抗矩W(Cm3)= 3.53允许挠度1/100横杆按简支梁模型计算:L强度验算横杆所受最大弯矩设计值M=γ0γQ(Fbkla∕4)=0.9 X 1.4 × (1 × 2∕4)=0.63kN.m σ = M/W = 0.63× 106/3530 = 178.47N∕mm2≤[f]= 205N∕mm2满足要求!2、挠度验算横杆所受最大挠度VmaX=Fbkla3/(48EI) = lχ23∕(48χ206000χlL13 ×104)=0mm≤[v] = la/100 = 2000/100 = 20mm满足要求!五.立杆验算横杆材质及类型方钢管截面类型□50×50×2抗弯强度设计值[f](N∕mm2) =205弹性模量E(N∕mm2) =206000截面惯性矩I(Cm4) =14.77截面抵抗矩W(Cm3)= 5.91允许挠度1/100立杆按悬臂梁模型计算:L强度验算立杆所受最大弯矩设计值M=γ0γQ(FzkH)=0.9×1.4×(l ×0.9) = 1.134kN.m σ= M/W = 1.134× 106/5910 = 191.88N∕mm2≤ [f] = 215N∕mm2 满足要求!2、挠度验算立杆所受最大挠度VmaX=FZi<H3∕(3EI) = lχl.23∕(3χ 206000 × 14.77 × 104)=Omm ≤ [v] = H/100 = 1200/100 = 12mm 满足要求!六、螺栓验算化学螺栓直径d(mm) =12化学螺栓抗拉强度设计值[ft] (N/m m2)=170螺栓个数n =4螺栓间距s(mm)= 70外力造成立杆底部弯矩设计值M = 1.134kN.m螺栓所受拉力设计值N = M/(sχ2) = L134χl06∕(70χ2)=81OON单个螺栓截面积A= π d2∕4=3.14 X 122∕4=113.04mm2N∕A=8100∕113.04=71.66N∕mm2≤[ft] = 170N∕mm2满足要求!。
商务城人才公寓玻璃护栏设计计算书设计:校对:审核:批准:苏州工业园区国发国际建筑装饰工程有限公司二〇一〇年十月目录1 计算引用的规范、标准及资料 (1)1.1 幕墙设计规范: (1)1.2 建筑设计规范: (1)1.3 玻璃规范: (2)1.4 钢材规范: (2)1.5 胶类及密封材料规范: (2)1.6 《建筑结构静力计算手册》(第二版) (3)1.7 土建图纸: (3)2 基本参数 (3)2.1 栏杆所在地区 (3)2.2 地面粗糙度分类等级 (3)2.3 抗震设防 (3)3 栏杆承受荷载计算 (4)3.1 风荷载标准值的计算方法 (4)3.2 计算支撑结构时的风荷载标准值 (5)3.3 计算面板材料时的风荷载标准值 (5)3.4 垂直于栏杆平面的分布水平地震作用标准值 (5)3.5 作用效应组合 (6)4 栏杆横杆计算 (6)4.1 栏杆横杆荷载计算 (7)4.2 栏杆横杆强度计算 (7)4.3 栏杆横杆挠度计算 (8)5 栏杆立杆计算 (8)5.1 栏杆立杆荷载计算 (8)5.2 栏杆立杆抗弯强度校核 (10)5.3 栏杆立杆挠度计算 (10)6 栏杆玻璃的计算 (11)6.1 玻璃板块荷载计算 (12)6.2 玻璃的强度计算 (13)6.3 玻璃最大挠度校核 (13)7 栏杆与主体结构连接计算 (14)7.1 后置埋件计算 (14)7.2 栏杆与锚板焊缝连接验算 (19)玻璃护栏设计计算书1 计算引用的规范、标准及资料1.1幕墙设计规范:《铝合金结构设计规范》 GB50429-2007《玻璃幕墙工程技术规范》 JGJ102-2003《点支式玻璃幕墙工程技术规程》 CECS127-2001《点支式玻璃幕墙支承装置》 JG138-2001《吊挂式玻璃幕墙支承装置》 JG139-2001《建筑玻璃应用技术规程》 JGJ113-2009《建筑瓷板装饰工程技术规范》 CECS101:98《建筑幕墙》 GB/T21086-2007《金属与石材幕墙工程技术规范》 JGJ133-2001《小单元建筑幕墙》 JG/T216-20081.2建筑设计规范:《地震震级的规定》 GB/T17740-1999《钢结构防火涂料》 GB14907-2002《钢结构设计规范》 GB50017-2003《高层建筑混凝土结构技术规程》 JGJ3-2002《高层民用建筑设计防火规范》 GB50045-95(2005年版)《高处作业吊蓝》 GB19155-2003《工程抗震术语标准》 JGJ/T97-95《工程网络计划技术规程》 JGJ/T121-99《混凝土结构后锚固技术规程》 JGJ145-2004《混凝土结构设计规范》 GB50010-2002《混凝土用膨胀型、扩孔型建筑锚栓》 JG160-2004《建筑表面用有机硅防水剂》 JC/T902-2002《建筑材料放射性核素限量》 GB6566-2001《建筑防火封堵应用技术规程》 CECS154:2003《建筑钢结构焊接技术规程》 JGJ81-2002《建筑工程抗震设防分类标准》 GB50223-2008《建筑工程预应力施工规程》 CECS180:2005《建筑结构荷载规范》 GB50009-2001(2006年版、局部修订) 《建筑结构可靠度设计统一标准》 GB50068-2001《建筑抗震设计规范》 GB50011-2001(2008年版)《建筑设计防火规范》 GB50016-2006《建筑物防雷设计规范》 GB50057-94(2000年版)《冷弯薄壁型钢结构设计规范》 GB50018-2002《民用建筑设计通则》 GB50352-2005《预应力筋用锚具、夹具和连接器应用技术规程》JGJ85-20021.3玻璃规范:《镀膜玻璃第1部分:阳光控制镀膜玻璃》 GB/T18915.1-2002 《镀膜玻璃第2部分:低辐射镀膜玻璃》 GB/T18915.2-2002 《防弹玻璃》 GB17840-1999《平板玻璃》 GB11614-2009《建筑用安全玻璃第3部分:夹层玻璃》 GB15763.3-2009 《建筑用安全玻璃第2部分:钢化玻璃》 GB15763.2-2005 《建筑用安全玻璃防火玻璃》 GB15763.1-2009 《幕墙用钢化玻璃与半钢化玻璃》 GB17841-2008《热弯玻璃》 JC/T915-2003《压花玻璃》 JC/T511-2002《中空玻璃》 GB/T11944-2002 1.4钢材规范:《建筑结构用冷弯矩形钢管》 JG/T178-2005《不锈钢棒》 GB/T1220-2007 《不锈钢冷加工钢棒》 GB/T4226-2009 《不锈钢冷轧钢板及钢带》 GB/T3280-2007 《不锈钢热轧钢板及钢带》 GB/T4237-2007 《不锈钢丝》 GB/T4240-2009 《建筑用不锈钢绞线》 JG/T200-2007《不锈钢小直径无缝钢管》 GB/T3090-2000 《擦窗机》 GB19154-2003《彩色涂层钢板和钢带》 GB/T12754-2006 《低合金钢焊条》 GB/T5118-1995 《低合金高强度结构钢》 GB/T1591-2008 《建筑幕墙用钢索压管接头》 JG/T201-2007《耐候结构钢》 GB/T4171-2008 《高碳铬不锈钢丝》 YB/T096—1997 《合金结构钢》 GB/T3077-1999 《金属覆盖层钢铁制品热镀锌层技术要求》 GB/T13912-2002 《冷拔异形钢管》 GB/T3094-2000 《碳钢焊条》 GB/T5117-1999 《碳素结构钢》 GB/T700-2006《碳素结构钢和低合金结构钢热轧薄钢板及钢带》GB/T912-2008《碳素结构钢和低合金结构钢热轧厚钢板及钢带》GB/T3274-2007 《优质碳素结构钢》 GB/T699-1999《预应力筋用锚具、夹具和连接器》 GB/T14370-2000 1.5胶类及密封材料规范:《丙烯酸酯建筑密封膏》 JC484-2006《幕墙玻璃接缝用密封胶》 JC/T882-2001《彩色涂层钢板用建筑密封胶》 JC/T884-2001《丁基橡胶防水密封胶粘带》 JC/T942-2004《干挂石材幕墙用环氧胶粘剂》 JC887-2001《工业用橡胶板》 GB/T5574-1994《混凝土建筑接缝用密封胶》 JC/T881-2001《建筑窗用弹性密封剂》 JC485-2007《建筑密封材料试验方法》 GB/T13477.1~20-2002《建筑用防霉密封胶》 JC/T885-2001《建筑用硅酮结构密封胶》 GB16776-2005《建筑用岩棉、矿渣棉绝热制品》 GB/T19686-2005《建筑用硬质塑料隔热条》 JG/T174-2005《建筑装饰用天然石材防护剂》 JC/T973-2005《聚氨酯建筑密封胶》 JC/T482-2003《聚硫建筑密封胶》 JC/T483-2006《绝热用岩棉、矿棉及其制品》 GB/T11835-2007《硫化橡胶或热塑性橡胶撕裂强度的测定》 GB/T529-1999《石材用建筑密封胶》 JC/T883-2001《橡胶袖珍硬度计压入硬度试验方法》 GB/T531-1999《修补用天然橡胶胶粘剂》 HG/T3318-2002《中空玻璃用弹性密封胶》 JC/T486-2001《中空玻璃用丁基热熔密封胶》 JC/T914-20031.6《建筑结构静力计算手册》(第二版)1.7土建图纸:2 基本参数2.1栏杆所在地区上海地区;2.2地面粗糙度分类等级栏杆属于外围护构件,按《建筑结构荷载规范》(GB50009-2001)A类:指近海海面和海岛、海岸、湖岸及沙漠地区;B类:指田野、乡村、丛林、丘陵以及房屋比较稀疏的乡镇和城市郊区;C类:指有密集建筑群的城市市区;D类:指有密集建筑群且房屋较高的城市市区;依照上面分类标准,本工程按B类地形考虑。
栏杆计算书基本参数:重庆地区基本风压0.300kN/m2抗震7度(0.10g)设防《建筑结构可靠度设计统一标准》GB 50068-2001《建筑结构荷载规范》GB 50009-2001《建筑抗震设计规范》GB50011-2001《混凝土结构设计规范》GB50010-2002《钢结构设计规范》GB50017-2003《玻璃幕墙工程技术规范》JGJ 102-2003《浮法玻璃》GB 11614-1999《钢化玻璃》GB/T9963-1998《建筑结构静力计算手册》《本工程设计要求总则》《混凝土结构加固设计规范》玻璃栏杆计算1TA-WL19假设共有10榀, 则每榀宽1357mm,高975mm.1.1、荷载计算(1)、风荷载标准计算:标高为96.0m处风荷载,按维护结构计算,按C类区计算风压W(J):基本风压W(J)=0.55kN/㎡β: 96.0m高处阵风系数(按C类区计算)β=1.60-0.02X4/10=1.608μ(B):96.0m高处风压高度变化系数(按C类计算):(GB50009-2001) μ=1.62+0.08×6/10=1.668μ(T):风荷载载体型系数按《建筑结构荷载规范》GB2009-2001第7.3.3条取μ(T)=-1.20 W(J)=β×μ(B)×μ(T)×W(J)=1.608×1.668×1.2×0.550=1.770kN/㎡(2)、风荷载设计值:W:风荷载设计值(kN/㎡)(W):风荷载作用效应的分项系数:1.4按该工程《设计要求总》则中的规定取W=1.4×2.80=3.92kN/㎡(3)、地震作用计算E(K)=β×a×Gβ:动力放大系数,取5.0a:水平地震影响系数最大值,取0.08G:幕墙构件的自重,0.307kN/㎡故E(K)=0.123kN/㎡1.2 玻璃的选用校核本处选用玻璃种类为:钢化夹胶玻璃1.21、玻璃面积:B:该处玻璃栏杆分格宽:1.267mH:该处玻璃栏杆公格高:0.895mA:该处玻璃板块面积:A×B×H=1.267×0.895=1.134㎡1.2.2、该处玻璃板块自重:G玻璃板块自重T:玻璃板块厚度:12.0㎡玻璃的重力密度为:25.6KN/㎡G=25.6×t/1000=25.6×12/1000=0.307kN/㎡1.2.3该处垂直于玻璃平面的分布水平地震作用:(E):地震作用分项系数:1.3E:垂直于玻璃平面的分布水平地震作用设计值(kN/㎡)E=γ(E)×E(K)=1.3×E(K)=1.3×0.123=0.160kN/㎡1.2.4作用于楼面与栏杆顶之间的均匀分布荷载1kN/㎡:设计值q(L)=1.4×1=1.4kN/m作用于栏杆顶的均匀分布线荷载0.75kN/㎡设计值q(L)=1.4×0.75=1.05kM/㎡1.2.5荷载组合参照《建筑结构荷载规范》GB2009-2001,用于强度计算时采用以下组合:1.4q(L)+0.6×1.4×W(k)1.4W(k)+0.6×1.4×q(L)1.3E(K)+0.2×1.4×W(k)+0.5×1.4×q(L)综合以上荷载的大小,本处强度计算可仅考试组合Q=1.4W(k)+0.6×1.4×q(L)=4.76kN/㎡1.2.6玻璃的强度、扰度计算:校核依据:o≤f(g)=84.000N/m㎡W(k):垂直于玻璃平面的风荷载标准值(M/m㎡)E(k):垂直于玻璃平面的地震作用标准值(N/m㎡)q(L):作用于楼面与标杆顶之间的均匀分布荷载(N/m㎡)σ(WK):在垂直于玻璃平面的风荷载作用下玻璃截面的最大应力标准值(N/m㎡)σ(EK):在垂直于玻璃平面的地震作用下玻璃截的最大应力标准值(N/m㎡)θ:参数η折减系数,可由参数θ按表6.1.2-2采用a:玻璃短边边长:895mmb:玻璃长边边长1267mmt1,t2:玻璃的厚度:t1=t2=6.0mmm:玻璃板的弯矩系数,按边长比a/b查表6.1.2-1得:m=0.0742+0.064/0.05×(0.0683-0.0742)=0.0734在垂直于玻璃平面的风荷载作用下玻璃截面的最大应力标准值计算(N/m㎡)θ=(W(k)+0.5×q(EK))×a4/(E×t4)=2.13η:折减系数,按0=2.13查表得:100风荷载作用应力:σ(Wk)=σ2(Wk)=6×m×W(k)×a2×η/t2= 6×0.0734×2.8/2/103×8952×1.00/62=13.72N/m㎡活荷载作用应力:σ1(EK)= σ2(Ek)=6×m×E(K)×a2×η/t2=6×0.0734×1/2/103×9302×1.00/62=4.9N/m㎡玻璃最大应力设计值:采用组合:1.4W(k)+0.6×1.4×q(L)σ=1.4σ(Wk)+0.6×1.4×σ1(Wk)=23.32N/m㎡<f(g)=84.000N/m㎡玻璃强度满足要求!D(f):在风荷载标准值作用下扰度最大值(mm)D:玻璃的刚度(N·mm)Te:玻璃等效厚度:te=(t13+t23)=7.56mmV:泊松比,按JGJ102-2003 5.2.9条采用,取值为0.20u: 扰度系数:0.0073η:1.00D=(E×te3)/12(1-v2)=2700.5(N·m)D(f)=u×(W(k)+0.6×q(L)×a4×η/D=5.82(mm)由于玻璃的最大扰度d(f)=5.82mm,小于玻璃短边边长的60分一12.917(mm)玻璃的扰度满足要求!以下利用有限元软件sap进行计算,计算模型如下图1.3无玻璃扶手栏杆计算对强度和跨中扰度按照横边框两端固接计算,故两端弯矩最大(1)扶手栏杆采用25×50×2镀锌矩开管组合而成,其截面特性如下:A=284㎡Ix=29604mm4,Iy=9079mm4Wx=2368.293mm3,Wy=3603.147mm3(2)作用有均匀分布活荷载q(L):分布活荷载标准值0.75kN/m 活荷载作用方向分沿竖向和水平方向(3)扶手栏框弯矩(剪力产生作用较小,可忽略)由于打手栏长度较大,在与墙嵌固外弯矩最大荷载在端部产生弯矩M(L)(kN·m)M(L)=0.254N·m(4)扶手栏强度计算活载沿竖向:σ=M/r/Wx=0.254×106/1.05/2368=79.5N/mm2<215N/mm2活载沿水平方向:σ=M(L)//Wy=0.318×106/1.05/3603+0.004×106/1.05/2368强度满足要求(5)扶手栏扰度计算仅计算活荷载沿竖向:U(max):扶手栏杆沿竖向最大扰度U(max)=4.0mm<9mm<2714/250=10.9mm扰度满足要求(6)扶手扶手栏焊缝抵抗矩:Ww=(15.66×55.663/12-10×503/12)/(55.66/2)=17603.1mm3焊缝承受弯矩:M=0.254kN·m剪力:V=0.825kN采用角焊缝,宽4mm,在弯矩作用下其最大应力为σ1=M/Ww=58.5N/mm2<160N/mm2在剪力作用下其最大应力为σ2=V/Aw=2.2N/m㎡<160/m㎡弯剪共同作用下应力为σ=σ12+σ222)1/2=58.6N/m㎡<160N/m㎡故焊缝满足要求.1.4玻璃横边框计算:强度和跨中扰度按照横边框两端固接计算,故两端弯矩最大(1)横边框采用两根50×10方铁拼成,故其截面特性如下:A=1000m㎡I=208333m㎡W=8333㎜2(2) 横边框弯矩:M:荷载作用在跨中产生弯矩最大(kN·m)M=0.285kN·m(3) 横边框强度计算σ=M/γ/w==34.2N/mm<215N/mm2 强度满足要求!(4)横边框扰度计算U(max ): 横边框最大扰度U(max )=Q(1)4 /384/E/1=5.66mm<10.9mm<2714/250=10.9mm扰度可以满足要求!(5)边框焊缝验算焊缝抵抗矩:W w =(25.66×55.663/12-20×503/12)/(55.66/2)=5759.8mm 3焊缝面积:Aw =25.66×55.66-20×50=428.0mm 2栏杆条端部焊缝承受弯矩:M=0.105kN ·m剪力:V=0.878kN采用角焊缝,宽4kN,在弯矩作用下其最大应力为σ =M/Ww=18.2N/mm 2<160N/mm 2在剪力作用下其最大应力为σ2=V/A w =2.1N/mm 2<160Nmm 2弯剪共同作用下应力为σ=(σ12+σ22)1/2=18.3N/2故焊缝满足要求.1.5 玻璃竖边框计算:(1)竖边框采用两块50×10的扁铁在一起,其截面特性如下:A=1000mm2 I=208333mm 4W=8333mm 3 i=A I /=14.4mm(2)竖边框弯矩:M:荷载作用产生剪力(kN ·m )M=1.312kN ·mV:荷载作用产生弯矩(kN )V=1.312kN ·mN:活载作用下的竖向力:N=0.75×1.4×1.357=1.42kN(3)竖边框强度计算强度计算:根据JGJ102-2003 6.3.7得到竖边框在压弯作用下的强度计算公式为A N +WM ≤∮ 1.42×1000/1000+1.312×106 /(1.05×8333)=151.4N/mm 2<215/mm 2稳定计算:根据JGJ102-2003 6.3.8-1,得到竖边框在压弯作用下的承载力计算公式为 ¢N +NE N W M /8.01(-γ≤f,N E = 2E λπ1.14长细比λ=2×0.975/0.0144=135.4查表得ψ=0.37λ=1.05N E = 3.14×2.06×105×1000/(1.1×135.42)32.08kNK φN +E)W(1-0.8N/NMλ=1420/(0.37×1000)+1.312×106/(1.05×8333×1-0.8×1.42/32.08))=159.3N/mm 2<215N/mm 2剪力作用下:τ=V/A=1.31N/mm 2<215N/mm 2弯剪共同作用下:σ=(τ2+σ2)1/2=159.3N/mm 2<215N/mm 2强度满足要求!(4)竖边框扰度计算U(max):竖边=5.4mm<9mm<2714/250=10.9mm扰度可以满足要求!(5)边框焊缝又验算焊缝抵抗矩:Ww=25.66×55.663/12-2×503/12/(55.66/2)=5759.8mm 3焊缝面积:Aw =25.66×55.66-20×50=428.0mm 2栏杆条端部焊缝承受弯矩:M=1.312kN ·m剪力:V=2.8kN采用角焊缝,宽4mm ,在弯矩作用下其最大应力为σ=M/Ww =227.8N/mm 2>160N/mm 2在剪力作用下其最大应力为σ2=V/Aw=6.5N/mm 2<160N/mm 2弯剪共同作用下应力为σ(σ12+σ22)1/2=281.7N/mm 2>160N/mm 2故焊缝无法满足要求,换成8mm 后的焊缝重新计算.焊缝抵抗矩:Ww=(31.31×61.313/12-20×503/12)/(61.31/2)=12824.3mm3焊缝面积:A w =(31.31×63.31-20×50=920.0mm 2在弯矩作用下其最大应力为σ=M/Ww =102.4N/mm 2<160N/mm2 在剪力作用下其最大应力为σ=V/Aw=3.0N/mm 2<160N/mm2 弯剪共同作用下应力为σ=(σ12+σ22)1/2=102.4N/mm 2<160N/mm 2(6)边框内六角螺栓的连接验算取螺栓直径4mm,已知螺栓每隔300mm布置一只,故300mm内两只螺栓的需抵抗的力为4.76×0.3×1.267=1.81kN螺栓承载剪力为:V=Afv= 1.40×π×42/4×2= 3.52kN〉1.81kN故螺栓满足要求1.6预埋件计算预埋件采用膨胀螺栓固定,膨胀螺栓取慧鱼FBN12/15+35 M12,监测得其极限拉力值约为36kN,剪力按Q235钢计算得125×π×122/4=14.1kN锚固区域的混凝土计算承载力为:根据《混凝土加固设计规范》13.3.2N1c=2.8ψaψN5.1,efkcuh f混凝土采用C30,故基材混凝强度等级对锚固承载力的影响系数ψa=1.0,混凝土立方体抗压强度标准f cu.k =20.1MPa,有效锚固深度h ef=70mmψN=ψs.Nψe.N A c,N/A c,N0ψs,N=0.8ψe,N=1/[1+(2e N/S cr,N)]Scr,N=3×hef=210mme N=0ψe,N=1参与受拉螺栓为2根对该工程中的螺栓锚固端的混凝土情况,大致可分为两类:水平栏杆锚固和竖直栏杆锚固对其有效面积为:Ac,N=65100mm2A c,N0=44100mm2所以ψN=ψS,NψE,NAC,N/AC,N0=0.8×1×65100/44100=1.181故N1c=2.8ψaψ5.1,efkcuhf =2.8×1.0×1.181×1.20×701.5=8682.3N=8.68kN对于竖直栏杆锚固,有效混凝土的投影面积分布如下图所示其有效面积为:Ac ,N =48050mm 2A c ,N 0=44100mm 2所以ψN=ψs .N ψe .N Ac.N /Ac.N 0=0.8×1×648050/44100=0.872故N1c=2.8ψa ψN 5.1,ef k cu h f =2.8×1.0×1.181×1.20×701.5 =6410.9N=6.14kN 混凝土的受剪承载力设计值为Vc=0.18ψV 2.03.005.11.ef k cu h d c f平行于剪力方向的边距C1=50mm锚栓外径d 0=12mm有效锚固深度h ef =70mmΨs .y =1Ψh .y =1Ψa .y =1Ψu .y =1A c .y 0=4.5×C 12A c .y =4A c .y 0所以ψv =ψs .v ψh ,v ψa .v ψe .v ψu .v /A cy 0 =1×1×1×1×4=4Vc=0.18Ψv 2.03.005.11.ef k cu h d c f =0.18×4×1.20 ×501.5×120.3×700.2=5.63kN 以上计算了锚固混凝土的抗拉强度和抗剪强度 对于侧面扶手栏的预埋件,其混凝土受拉部分所受拉力为M/0.1=5.74kN<8.68k N混凝土锚固能力满足其所受剪力为V=1.538kN<5.63kN拉剪复合作用下混凝土承载力验算:()()122<+V N ββ()()151.0263.554.1268.874.5<++ 单个膨胀螺丝拉力为:M/d=0.574/0.1/2=2.87kN<Nrk,s/γms=36/1.2=30kN单个膨胀螺丝爱到的剪力为:1.538/2/4=0.192kN<Vrk,s/γms=14.1kN帮侧面的膨胀螺丝满足要求对于底面竖边框的预理件,其混凝土受拉部分所受拉力为$$$$$$$$$$$$$$$$$$$$$$$$$$$$$$$$$$$$$$$$$$$$$$$$$$$$$$$M/0.1=13.12kN>6.41kN,混凝土锚固能力无法满足$$$$$$$$$$$$$$$$$$$$$$$$$$$$$$$$$$$其所受剪力为V=2.80kN<5.63kN单个膨胀螺丝受到拉力为:M/d=1.312/0.1/2=5.56kN<Nrk,s/γms=36/1.2=30kN单个膨胀螺丝受到的拉力为2.795/2/4=0.349kN< Vrk,s/γms=14.1kN故底面的螺丝满足要求2TA-WL24计算选取洞宽尺寸为16800mm内的扶手栏杆作为对象,假设共有10榀,则每榀宽1675mm,高1025mm.2.1玻璃的选用与校核本处选用玻璃种类为:钢化夹胶玻璃1.21、玻璃面积:B:该处玻璃栏杆分格宽:1.267mH:该处玻璃栏杆公格高:0.895mA:该处玻璃板块面积:A×B×H=1.267×0.895=1.134㎡1.2.2、该处玻璃板块自重:G玻璃板块自重T:玻璃板块厚度:12.0㎡玻璃的重力密度为:25.6KN/㎡G=25.6×t/1000=25.6×12/1000=0.307kN/㎡1.2.3该处垂直于玻璃平面的分布水平地震作用:(E):地震作用分项系数:1.3E:垂直于玻璃平面的分布水平地震作用设计值(kN/㎡)E=γ(E)×E(K)=1.3×E(K)=1.3×0.123=0.160kN/㎡1.2.4作用于楼面与栏杆顶之间的均匀分布荷载1kN/㎡:设计值q(L)=1.4×1=1.4kN/m作用于栏杆顶的均匀分布线荷载0.75kN/㎡设计值q(L)=1.4×0.75=1.05kM/㎡1.2.5荷载组合参照《建筑结构荷载规范》GB2009-2001,用于强度计算时采用以下组合:1.4q(L)+0.6×1.4×W(k)1.4W(k)+0.6×1.4×q(L)1.3E(K)+0.2×1.4×W(k)+0.5×1.4×q(L)综合以上荷载的大小,本处强度计算可仅考试组合Q=1.4W(k)+0.6×1.4×q(L)=4.76kN/㎡1.2.6玻璃的强度、扰度计算:校核依据:o≤f(g)=84.000N/m㎡W(k):垂直于玻璃平面的风荷载标准值(M/m㎡)E(k):垂直于玻璃平面的地震作用标准值(N/m㎡)q(L):作用于楼面与标杆顶之间的均匀分布荷载(N/m㎡)σ(WK):在垂直于玻璃平面的风荷载作用下玻璃截面的最大应力标准值(N/m㎡)σ(EK):在垂直于玻璃平面的地震作用下玻璃截的最大应力标准值(N/m㎡)θ:参数η折减系数,可由参数θ按表6.1.2-2采用a:玻璃短边边长:895mmb:玻璃长边边长1267mmt1,t2:玻璃的厚度:t1=t2=6.0mmm:玻璃板的弯矩系数,按边长比a/b查表6.1.2-1得:m=0.0742+0.064/0.05×(0.0683-0.0742)=0.0734在垂直于玻璃平面的风荷载作用下玻璃截面的最大应力标准值计算(N/m㎡)θ=(W(k)+0.5×q(EK))×a4/(E×t4)=2.13η:折减系数,按0=2.13查表得:100风荷载作用应力:σ(Wk)=σ2(Wk)=6×m×W(k)×a2×η/t2= 6×0.0734×2.8/2/103×8952×1.00/62=13.72N/m㎡活荷载作用应力:σ1(EK)= σ2(Ek)=6×m×E(K)×a2×η/t2=6×0.0734×1/2/103×9302×1.00/62=4.9N/m㎡玻璃最大应力设计值:采用组合:1.4W(k)+0.6×1.4×q(L)σ=1.4σ(Wk)+0.6×1.4×σ1(Wk)=23.32N/m㎡<f(g)=84.000N/m㎡玻璃强度满足要求!D(f):在风荷载标准值作用下扰度最大值(mm)D:玻璃的刚度(N·mm)Te:玻璃等效厚度:te=(t13+t23)=7.56mmV:泊松比,按JGJ102-2003 5.2.9条采用,取值为0.20u: 扰度系数:0.0073η:1.00D=(E×te3)/12(1-v2)=2700.5(N·m)D(f)=u×(W(k)+0.6×q(L)×a4×η/D=5.82(mm)由于玻璃的最大扰度d(f)=5.82mm,小于玻璃短边边长的60分一12.917(mm)玻璃的扰度满足要求!以下利用有限元软件sap进行计算,计算模型如下图1.3无玻璃扶手栏杆计算对强度和跨中扰度按照横边框两端固接计算,故两端弯矩最大(1)扶手栏杆采用25×50×2镀锌矩开管组合而成,其截面特性如下:A=284㎡Ix=29604mm4,Iy=9079mm4Wx=2368.293mm3,Wy=3603.147mm3(2)作用有均匀分布活荷载q(L):分布活荷载标准值0.75kN/m 活荷载作用方向分沿竖向和水平方向(3)扶手栏框弯矩(剪力产生作用较小,可忽略)由于打手栏长度较大,在与墙嵌固外弯矩最大荷载在端部产生弯矩M(L)(kN·m)M(L)=0.254N·m(4)扶手栏强度计算活载沿竖向:σ=M/r/Wx=0.254×106/1.05/2368=79.5N/mm2<215N/mm2活载沿水平方向:σ=M(L)//Wy=0.318×106/1.05/3603+0.004×106/1.05/2368强度满足要求(5)扶手栏扰度计算仅计算活荷载沿竖向:U(max):扶手栏杆沿竖向最大扰度U(max)=4.0mm<9mm<2714/250=10.9mm扰度满足要求(6)扶手扶手栏焊缝抵抗矩:Ww=(15.66×55.663/12-10×503/12)/(55.66/2)=17603.1mm3焊缝承受弯矩:M=0.254kN·m剪力:V=0.825kN采用角焊缝,宽4mm,在弯矩作用下其最大应力为σ1=M/Ww=58.5N/mm2<160N/mm2在剪力作用下其最大应力为σ2=V/Aw=2.2N/m㎡<160/m㎡弯剪共同作用下应力为σ=σ12+σ222)1/2=58.6N/m㎡<160N/m㎡故焊缝满足要求.1.4玻璃横边框计算:强度和跨中扰度按照横边框两端固接计算,故两端弯矩最大(2)横边框采用两根50×10方铁拼成,故其截面特性如下:A=1000m㎡I=208333m㎡W=8333㎜2(2) 横边框弯矩:M:荷载作用在跨中产生弯矩最大(kN·m)M=0.285kN·m(3) 横边框强度计算σ=M/γ/w==34.2N/mm<215N/mm2强度满足要求!(4)横边框扰度计算U(max): 横边框最大扰度U(max)=Q(1)4 /384/E/1=5.66mm<10.9mm<2714/250=10.9mm扰度可以满足要求!(5)边框焊缝验算焊缝抵抗矩:W w=(25.66×55.663/12-20×503/12)/(55.66/2)=5759.8mm3 焊缝面积:Aw=25.66×55.66-20×50=428.0mm2栏杆条端部焊缝承受弯矩:M=0.105kN·m剪力:V=0.878kN采用角焊缝,宽4kN,在弯矩作用下其最大应力为σ=M/Ww=18.2N/mm2<160N/mm2在剪力作用下其最大应力为σ2=V/A w=2.1N/mm2<160Nmm2弯剪共同作用下应力为σ=(σ12+σ22)1/2=18.3N/2故焊缝满足要求.1.5 玻璃竖边框计算:(1)竖边框采用两块50×10的扁铁在一起,其截面特性如下:A=1000mm2I=208333mm4W=8333mm3I/=14.4mmi=A(2)竖边框弯矩:M:荷载作用产生剪力(kN ·m ) M=1.312kN ·mV:荷载作用产生弯矩(kN ) V=1.312kN ·mN:活载作用下的竖向力:N=0.75×1.4×1.357=1.42kN (3)竖边框强度计算 强度计算:根据JGJ102-2003 6.3.7得到竖边框在压弯作用下的强度计算公式为A N +WM γ≤∮ 1.42×1000/1000+1.312×106/(1.05×8333)=151.4N/mm 2<215/mm 2稳定计算:根据JGJ102-2003 6.3.8-1,得到竖边框在压弯作用下的承载力计算公式为¢N+NE N W M/8.01(-γ≤f,N E = 2E λπ1.14长细比λ=2×0.975/0.0144=135.4 查表得ψ=0.37 λ=1.05N E = 3.14×2.06×105×1000/(1.1×135.42)32.08kNKφN +E)W(1-0.8N/NMλ=1420/(0.37×1000)+1.312×106/(1.05×8333×1-0.8×1.42/32.08))=159.3N/mm 2<215N/mm 2剪力作用下:τ=V/A=1.31N/mm 2<215N/mm 2弯剪共同作用下:σ=(τ2+σ2)1/2=159.3N/mm 2<215N/mm 2强度满足要求!(4)竖边框扰度计算 U(max):竖边=5.4mm<9mm<2714/250=10.9mm 扰度可以满足要求! (5)边框焊缝又验算焊缝抵抗矩:Ww=25.66×55.663/12-2×503/12/(55.66/2)=5759.8mm 3焊缝面积:Aw =25.66×55.66-20×50=428.0mm 2栏杆条端部焊缝承受弯矩:M=1.312kN ·m 剪力:V=2.8kN采用角焊缝,宽4mm ,在弯矩作用下其最大应力为σ=M/Ww=227.8N/mm2>160N/mm2在剪力作用下其最大应力为σ2=V/Aw=6.5N/mm2<160N/mm2弯剪共同作用下应力为σ(σ12+σ22)1/2=281.7N/mm2>160N/mm2故焊缝无法满足要求,换成8mm后的焊缝重新计算.焊缝抵抗矩:Ww=(31.31×61.313/12-20×503/12)/(61.31/2)=12824.3mm3焊缝面积:A w=(31.31×63.31-20×50=920.0mm2在弯矩作用下其最大应力为σ=M/Ww=102.4N/mm2<160N/mm2在剪力作用下其最大应力为σ=V/Aw=3.0N/mm2<160N/mm2弯剪共同作用下应力为σ=(σ12+σ22)1/2=102.4N/mm2<160N/mm2(6)边框内六角螺栓的连接验算取螺栓直径4mm,已知螺栓每隔300mm布置一只,故300mm内两只螺栓的需抵抗的力为 4.76×0.3×1.267=1.81kN螺栓承载剪力为:V=Afv= 1.40×π×42/4×2= 3.52kN〉1.81kN故螺栓满足要求竖边框剪力:V:荷载作用产生弯矩(kN·m)V=1.235 kN(3)横边框强度计算弯矩作用下:σ=M/γ/w=55.3N/mm2 < 215 N/mm2剪力作用下:τ=V/A=1.24 N/mm2 < 215 N/mm2弯剪满足要求2.5预埋件计算对于侧面扶手栏的预埋件,其混凝土受拉部分所爱拉力为M/0.1=3.37kN<8.68 kN<8.68 kN,混凝土锚固能力满足其所受剪力为V=0.85kN<5.63 kN拉剪复合作用下混凝土承载力验算:(βN)2+(βV)2 <1单个膨胀螺丝受到拉力为:M/d=0.337/0.1/2=1.69 kN< Nrk, s/γms=36/1.2=30kN单个膨胀螺丝受到的剪力为:0.749/2/4=0.11 kN< Vrk,s/γms=14.1kN故侧面的膨胀螺丝满足要求对于底面竖边框的预埋的件,其混凝土受拉部分所受拉力为M/0.1=6.18kN<6.41kN,混凝土锚固能力满足其所受剪力为V=0.704kN<6.41kN拉剪复合作用下混凝土承载力验算:(βN)2+(βV)2 <1单个膨胀螺丝受到拉力为:M/d=6.18/0.1/2=3.09kN<Nrk, s/γms=36/1.2=30kN单个膨胀螺丝受到拉力为:0.704/2/4=0.08kN<Vrk, s/γms=14.1kN故底面的螺丝满足要求3TA-WL23V=2.3kN<5.63kN单个膨胀螺丝受到拉力为:M/d=0.932/0.1/2=4.66kN<Nrk, s/γms=36/1.2=30kN单个膨胀螺丝受到剪力为:2.34/2/4=0.29kN<Vrk, s/γms=14.1kN故底面的螺丝满足要求百页栏杆计算:4TA-ML10每榀宽1750mm,高1800mm构件截面钢材为Q235;截面为:25×100×3钜形管;25×50×2矩形管;50×10扁铁;4.1荷载计算栏杆标高为92.65m,近似取标高为100.0m处风荷载计算(1).风荷载标准值计算:W(J):基本风压W(J)=0.55kN/m2β:100.0m高处阵风系数(按C类区计算)β=1.62μ(B):100.0m高处风压高度系数(按C类区计算) GB50009-2001) μ=1.68μ(T):风荷载体型系数μ=-1.20W(k)= β×μ(B) ×μ×W(J)=1.62 ×1.68×1.2×0.550=1.80kN/m2挡风系数φ=An/A栏杆条宽度:10mm栏杆条间距:50mmφ=10/50=0.2<0.92W(k)= φ×2.80=0.56kN/mm2(2).风荷载设计值:W:风荷载设计值(kN/m2)γ(W):风荷载作用效应的分项系数:1.4按该工程《设计要求总则》中规定取W=0.56×1.4=0.78 kN/m2(3)地震作用计算E(K)= β×α×Gβ:动力放大系数,取5.0α:水平地震影响系数最大值,计算模型如下图G:百叶构件的自重,0.981kN/m2故E=0.392 kN/m2以下利用有限元软件sap进行计算,计算模型如下图4.2竖边框计算:对于楼面对栏杆部分区域,其上主要作用为:风荷载:W=0.784 kN/m2地震作用:E(K)=0.392 kN/m2活载:q(L)=1.0 kN/m2参照《建筑结构荷载规范》GB2009-2001,用于强度计算时采用以下组合:1.4q(L)+0.6×1.4×W(k)1.4W(K)+0.6×1.4×q(L)1.3E(K)+0.2×1.4×W(k)+0.5×1.4×q(L)综合以上荷载的大小,本处强度计算可仅考虑组合Q=1.4q(L)+0.6×1.4×W(k)=2.06 kN/m2用于挠度计算时,荷载取为Q(k)= q(L)+0.6×W(k)=1.47 kN/m2(1)竖这框由25×60×3矩开钢管组合而成,其截面特性如:A=284mm2I=90000 mm4W=3630mm3i=17.8根据JGJ102-20036.3.1说明,矩形钢管厚度应大于3mm,故建议为25×50×3,其截面特性如下:A=414mm2I=125542mm4W=5021.68mm3i=17.4(2)栏杆条线分布荷载设计值(矩形分布)Q(1):线分布荷载设计值B:栏杆条间距:0.05mQ(1)=Q×B=0.103 kN/m2(3)竖边框弯矩和剪力:竖边框底部弯矩和剪力均最大,其值为M=0.553 kN·mV=1.486 kNN=0.75×1.4×1.75=1.84 kN(7)若改为可拆卸栏杆,计算如下:焊接计算:采用角焊疑缝,宽4mm焊缝抵抗矩:W W=(25.66×45.663/12-10×403/12)/45.66/2)=6580mm3焊缝面积:A W=25.66×45.66-20×40=372mm2焊缝承受弯矩:M=0.553 kN·m剪力:V=1.485 kN在弯矩作用下其最大应力为σ1=M/W W=84.0N/mm2<160N/mm2在剪力作用下其最大应力为σ2=V/A w=4.0N/mm2<160N/mm2弯剪共同作用下应力为σ=(σ12+σ22)1/2=84.1N/mm2 <160N/mm2故焊缝满足要求.20×40×2矩形管强度计算:A=224 mm2I=533504 mm4W=2667.2 mm3在弯剪力作用下:σ1=M/W W=207.3N/mm2<215N/mm2强度要求!螺丝计算:竖向作用力:N=1.84kN两螺丝受弯矩产生的剪力:0.533×103/50=10.66 kN所以一个螺丝的剪力为:(10.662+0.922)1/2=10.7kN螺丝计算:竖向作用力:N=1.84kN两螺丝承受弯矩产生的剪力:0.533×103/50=10.66 kN所以一个螺丝承受的剪力为:(10.662+0.922)1/2=10.7 kN螺丝截面:75.53mm3剪力作用下的剪应力: τ=V/A W=136.25N/mm24.3栏杆条计算:(1)栏杆条由50×10扁铁组合而成,其截面特性如下:A=500mm2I=1.4200mm4W=4170mm3(2)荷载线分布荷载设计值同前(3)栏杆条弯矩:M=0.042 kN·m(4)栏杆条挠度计算σ=M/γ/w=10.1N/mm2<215N/mm2强度满足要求.(5)栏杆条挠条焊缝验算U(max):栏杆条最大挠度U(max)=4.2mm<9mm<1800/250=7.2mm挠度可以满足要求!(6)拦杆条焊缝验算焊缝抵抗矩:W W=(15.66×55.663/12-10×503/12)/(55.66/2)=4340.2mm3焊缝面积:A W=15.66×55.66-10×50=371.4mm2栏杆条端部焊缝承受弯矩:M=0.042 kN·m剪力:V=0.062 kN采用角焊缝,宽4mm,在弯矩作用下其最大应力为σ1=M/W W=9.68N/mm2<160N/mm2在剪力作用下其最大应力为σ2=V/A W=0.16N/mm2<160N/mm2弯剪共同作用下应力为σ=(σ12+σ22)1/2=9.68N/mm2<160N/mm2故焊缝满足要求。
栏杆计算书三篇篇一:玻璃护栏设计计算书计算引用的规范、标准及资料幕墙设计规范:《铝合金结构设计规范》GB50429-20XX《玻璃幕墙工程技术规范》JGJ102-20XX《点支式玻璃幕墙工程技术规程》CECS127-20XX《点支式玻璃幕墙支承装置》JG138-20XX《吊挂式玻璃幕墙支承装置》JG139-20XX《建筑玻璃应用技术规程》JGJ113-20XX《建筑瓷板装饰工程技术规范》CECS101:98《建筑幕墙》GB/T21086-20XX《金属与石材幕墙工程技术规范》JGJ133-20XX《小单元建筑幕墙》JG/T216-20XX建筑设计规范:《地震震级的规定》GB/T17740-1999《钢结构防火涂料》GB14907-20XX《钢结构设计规范》GB50017-20XX《高层建筑混凝土结构技术规程》JGJ3-20XX《高层民用建筑设计防火规范》GB50045-95(20XX年版)《高处作业吊蓝》GB19155-20XX《工程抗震术语标准》JGJ/T97-95《工程网络计划技术规程》JGJ/T121-99《混凝土结构后锚固技术规程》JGJ145-20XX《混凝土结构设计规范》GB50010-20XX《混凝土用膨胀型、扩孔型建筑锚栓》JG160-20XX《建筑表面用有机硅防水剂》JC/T902-20XX《建筑材料放射性核素限量》GB6566-20XX《建筑防火封堵应用技术规程》CECS154:20XX《建筑钢结构焊接技术规程》JGJ81-20XX《建筑工程抗震设防分类标准》GB50223-20XX《建筑工程预应力施工规程》CECS180:20XX《建筑结构荷载规范》GB50009-20XX(20XX年版、局部修订) 《建筑结构可靠度设计统一标准》GB50068-20XX《建筑抗震设计规范》GB50011-20XX(20XX年版)《建筑设计防火规范》GB50016-20XX《建筑物防雷设计规范》GB50057-94(2000年版)《冷弯薄壁型钢结构设计规范》GB50018-20XX《民用建筑设计通则》GB50352-20XX《预应力筋用锚具、夹具和连接器应用技术规程》JGJ85-20XX 玻璃规范:《镀膜玻璃第1部分:阳光控制镀膜玻璃》GB/T18915.1-20XX《镀膜玻璃第2部分:低辐射镀膜玻璃》GB/T18915.2-20XX 《防弹玻璃》GB17840-1999《平板玻璃》GB11614-20XX《建筑用安全玻璃第3部分:夹层玻璃》GB15763.3-20XX 《建筑用安全玻璃第2部分:钢化玻璃》GB15763.2-20XX 《建筑用安全玻璃防火玻璃》GB15763.1-20XX《幕墙用钢化玻璃与半钢化玻璃》GB17841-20XX《热弯玻璃》JC/T915-20XX《压花玻璃》JC/T511-20XX《中空玻璃》GB/T11944-20XX钢材规范:《建筑结构用冷弯矩形钢管》JG/T178-20XX《不锈钢棒》GB/T1220-20XX《不锈钢冷加工钢棒》GB/T4226-20XX《不锈钢冷轧钢板及钢带》GB/T3280-20XX《不锈钢热轧钢板及钢带》GB/T4237-20XX《不锈钢丝》GB/T4240-20XX《建筑用不锈钢绞线》JG/T200-20XX《不锈钢小直径无缝钢管》GB/T3090-2000《擦窗机》GB19154-20XX《彩色涂层钢板和钢带》GB/T12754-20XX《低合金钢焊条》GB/T5118-1995《低合金高强度结构钢》GB/T1591-20XX《建筑幕墙用钢索压管接头》JG/T201-20XX《耐候结构钢》GB/T4171-20XX《高碳铬不锈钢丝》YB/T096—1997《合金结构钢》GB/T3077-1999《金属覆盖层钢铁制品热镀锌层技术要求》GB/T13912-20XX《冷拔异形钢管》GB/T3094-2000《碳钢焊条》GB/T5117-1999《碳素结构钢》GB/T700-20XX《碳素结构钢和低合金结构钢热轧薄钢板及钢带》GB/T912-20XX 《碳素结构钢和低合金结构钢热轧厚钢板及钢带》GB/T3274-20XX 《优质碳素结构钢》GB/T699-1999《预应力筋用锚具、夹具和连接器》GB/T14370-2000胶类及密封材料规范:《丙烯酸酯建筑密封膏》JC484-20XX《幕墙玻璃接缝用密封胶》JC/T882-20XX《彩色涂层钢板用建筑密封胶》JC/T884-20XX《丁基橡胶防水密封胶粘带》JC/T942-20XX《干挂石材幕墙用环氧胶粘剂》JC887-20XX《工业用橡胶板》GB/T5574-1994《混凝土建筑接缝用密封胶》JC/T881-20XX《建筑窗用弹性密封剂》JC485-20XX《建筑密封材料试验方法》GB/T13477.1~20-20XX《建筑用防霉密封胶》JC/T885-20XX《建筑用硅酮结构密封胶》GB16776-20XX《建筑用岩棉、矿渣棉绝热制品》GB/T19686-20XX《建筑用硬质塑料隔热条》JG/T174-20XX《建筑装饰用天然石材防护剂》JC/T973-20XX《聚氨酯建筑密封胶》JC/T482-20XX《聚硫建筑密封胶》JC/T483-20XX《绝热用岩棉、矿棉及其制品》GB/T11835-20XX《硫化橡胶或热塑性橡胶撕裂强度的测定》GB/T529-1999《石材用建筑密封胶》JC/T883-20XX《橡胶袖珍硬度计压入硬度试验方法》GB/T531-1999《修补用天然橡胶胶粘剂》HG/T3318-20XX《中空玻璃用弹性密封胶》JC/T486-20XX《中空玻璃用丁基热熔密封胶》JC/T914-20XX《建筑结构静力计算手册》(第二版)土建图纸:基本参数栏杆所在地区xx地区;地面粗糙度分类等级栏杆属于外围护构件,按《建筑结构荷载规范》(GB50009-20XX)A类:指近海海面和海岛、海岸、湖岸及沙漠地区;B类:指田野、乡村、丛林、丘陵以及房屋比较稀疏的乡镇和城市郊区;C类:指有密集建筑群的城市市区;D类:指有密集建筑群且房屋较高的城市市区;依照上面分类标准,本工程按B类地形考虑。
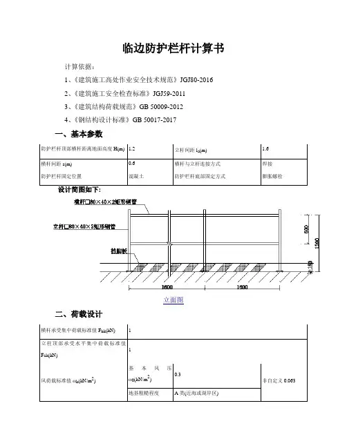
临边防护栏杆计算书计算依据:1、《建筑施工高处作业安全技术规范》JGJ80-20162、《建筑施工安全检查标准》JGJ59-20113、《建筑结构荷载规范》GB 50009-20124、《钢结构设计标准》GB 50017-2017一、基本参数防护栏杆顶部横杆距离地面高度H(m) 1.2 立杆间距l a(m) 1.6横杆间距s(m) 0.6 横杆与立杆连接方式焊接防护栏杆固定位置混凝土防护栏杆底部固定方式膨胀螺栓立面图二、荷载设计横杆承受集中荷载标准值F bk(kN) 1立柱顶部承受水平集中荷载标准值F zk(kN)1风荷载标准值ωk(kN/m2) 基本风压ω0(kN/m2)0.3非自定义0.063 地基粗糙程度A类(近海或湖岸区)横杆受风线荷载标准值q k=ωk s=0.063×0.6=0.038kN/m1、强度验算横杆所受最大弯矩设计值M=γ0γQ(F bk l a/4+q k l a2/8)=0.9×1.4×(1×1.6/4+0.038×1.62/8)=0.519kN.mσ=M/W=0.519×106/9340=55.593N/mm2≤[f]=205N/mm2满足要求!2、挠度验算横杆所受最大挠度νmax=F bk l a3/(48EI)+ 5q k l a4/(384EI)=1×1.63/(48×206000×37.36×104)+5×0.038×1.64/(384×206000×37.36×104) =0mm≤[ν]=l a/100=1600/100=16mm满足要求!四、立杆验算立杆按悬臂梁模型计算:立杆受风线荷载标准值q k=ωk l a=0.063×1.6=0.101kN/m1、强度验算立杆所受最大弯矩设计值M=γ0γQ(F zk H+q k H2/2)=0.9×1.4×(1×1.2+0.101×1.22/2)=1.603kN.mσ=M/W=1.603×106/9340=171.675N/mm2≤[f]=215N/mm2满足要求!2、挠度验算立杆所受最大挠度νmax=F zk H3/(3EI)+5q k H4/(8EI)=1×1.23/(3×206000×37.36×104)+5×0.101×1.24/(8×206000×37.3 6×104)=0mm≤[ν]=H/100=1200/100=12mm满足要求!五、螺栓验算螺栓所受拉力设计值N=M/(s×1)=1.603×106/(100×1)=16034.458N单个螺栓截面积A=πd2/4=3.14×122/4=113.04mm2N/A=16034.458/113.04=141.848N/mm2≤[f t]=170N/mm2满足要求!。
栏杆计算书⾼架层护栏计算书编制:审查:审核:2011年5⽉⽬录第⼀章引⽤标准规范 (2)1.1.建筑设计规范: (2)1.2.钢材规范: (2)1.3.《建筑结构静⼒计算⼿册》(第⼆版) (2)第⼆章护栏⽴柱计算 (3)2.1计算部位 (3)2.2⽴柱受⼒分析 (3)2.2.1⽴柱受⼒计算公式: (3)2.3⽴柱与主体结构焊接焊缝强度校核 (4)2.4⽴柱截⾯特性 (5)2.5⽴柱抗弯强度及抗剪强度验算: (5)第三章护栏横梁计算 (7)3.1计算部位 (7)3.2横梁受⼒分析 (7)3.2.1横梁受⼒计算公式: (7)3.3横梁与⽴柱焊接焊缝强度校核 (7)3.4横梁截⾯特性 (8)3.5横梁抗弯强度及抗剪强度验算: (9)第⼀章引⽤标准规范1.1.建筑设计规范:《建筑结构荷载规范》GB50009-2001 《钢结构设计规范》GB50017-2003 《冷弯薄壁型钢结构设计规范》GB50018-2002《⾼层民⽤钢结构技术规程》JGJ99-98《混凝⼟结构设计规范》GB50010-2002 《建筑结构可靠度设计统⼀标准》GB50068-2001 《建筑装饰⼯程施⼯质量验收规范》GB50210-2001 《建筑钢结构焊接技术规程》JGJ81-2002《碳钢焊条》GB/T5117-1995 《低合⾦钢焊条》GB/T5118-1995 1.2.钢材规范:《不锈钢棒》GB/T1220-1992 《不锈钢冷加⼯钢棒》GB/T4226-1984 《不锈钢冷扎钢板》GB/T3280-1992 《不锈钢热扎钢板》GB/T4237-1992 《不锈钢热扎钢带》GB/T5090《冷拔异形钢管》GB/T3094-2000 《碳素结构钢》GB/T700-1988 《优质碳素结构钢》GB/T699-1999 《合⾦结构钢》GB/T3077-1999 《不锈钢和耐热钢冷扎带钢》GB/T4239-1991 《⾼耐候结构钢》GB/T4171-2000 《焊接结构⽤耐候钢》GB/T4172-2000 《低合⾦⾼强度结构钢》GB/T1591-1994 《碳素结构和低合⾦结构钢热轧薄钢板及钢带》GB/T912-1989 《碳素结构和低合⾦结构钢热轧厚钢板及钢带》GB/T3274-1988 《结构⽤⽆缝钢管》JBJ102《⾦属覆盖层钢铁制品热镀锌层技术要求》GB/T13912-1992 1.3.《建筑结构静⼒计算⼿册》(第⼆版)第⼆章护栏⽴柱计算2.1计算部位计算部位2.2⽴柱受⼒分析⽴柱与主体结构焊接,⽴柱顶端受集中荷载时,为⽴柱最不利受⼒状况。
栏杆力学计算书-CAL-FENGHAI.-(YICAI)-Company One1第一章 设计计算依据1、建筑及结构施工图。
2、规范:《玻璃幕墙工程技术规范》JGJ102-2003(以下简称规范) 《金属与石材幕墙工程技术规范》JGJ133-2001《建筑结构载荷规范》GB50009-2001《民用建筑热工设计规范》GB50176-93《钢结构设计规范》GB50017-2003《建筑设计防火规范》GB50016-2001《高层民用建筑设计防火规范》GB/50045-95《建筑抗震设计规范》GB50011-20013、性能检测标准:《建筑幕墙空气渗透性能检测方法》GB/T15226《建筑幕墙风压变形性能检测方法》GB/T15227《建筑幕墙雨水渗漏性能检测方法》GB/T15228《建筑外窗抗风压性能分级及其检测方法》GB7106-864、工程基本条件及设计依据:a 、粗糙度类别:C 类b 、50年一遇的基本风压:(kPa)c 、50年一遇的基本雪压:(kPa)d 、地震烈度:8度(0.15g)e 、年最大温差(℃):80f 、幕墙平面内变形性能:1/267第二章 设计载荷确定原则施加于幕墙和采光顶上的荷载和作用主要有风载荷、雪荷载、自重、地震作用和温度变化等,通常风载荷引起的作用效应最大。
在进行幕墙构件、连接件和预埋件等的设计计算时,必须考虑各种载荷和作用效应的分项系数,即采用其设计值;在进行位移和挠度设计计算时,各分项系数均取,即采用其标准值。
1、风载荷根据规范,垂直于幕墙表面的风载荷标准值可按下式计算,并且不得小于m 2:0w w s z gz k μμβ式中 w k —作用在垂直幕墙上的风载荷标准值(kN/m 2);βgz —阵风风压系数;按《建筑结构载荷规范》GB50009的规定采用; μz —风压高度变化系数,按《建筑结构载荷规范》GB50009的规定采用; μs —大面风载荷体型系数;w 0—基本风压(kN/m 2),按《建筑结构荷载规范》GB50009的规定采用。
完整版)护栏计算书1.背景介绍护栏是一种常见的安全设施,用于保护人员和车辆不受到意外伤害。
在设计和建造护栏时,我们需要进行一系列计算,以确保其满足安全性和稳定性的要求。
2.护栏计算参数在进行护栏计算之前,需要明确以下参数:护栏长度:需要根据实际需要确定护栏的长度。
护栏高度:根据安全需求和使用环境确定护栏的高度。
材料强度:根据设计要求和预期使用寿命选择合适的材料强度。
荷载要求:根据使用环境和设计要求确定护栏需要承受的荷载类型和大小。
3.护栏计算方法护栏的计算主要涉及以下几个方面:结构设计:根据材料强度和荷载要求,确定护栏的结构形式和尺寸。
卡扣设计:根据实际需要选择合适的卡扣类型和数量,确保护栏的连接稳定性。
基础设计:根据护栏的高度和荷载要求,设计合适的基础以提供足够的支撑力。
4.护栏计算结果分析在进行护栏计算后,需要对计算结果进行分析评估,确保护栏的安全性和稳定性满足设计要求。
5.护栏计算书示例以下是一份护栏计算书的示例:项目名称:XX工程护栏计算书项目编号:XXXXXX设计单位:___设计人员:XXX设计日期:XXXX年XX月XX日1.项目背景该项目为XX工程,需要设计一段长度为20米、高度为1.2米的护栏,用于保护工地周边的行人和车辆安全。
2.护栏参数护栏长度:20米护栏高度:1.2米材料强度:使用Q235碳素钢材料,屈服强度为235MPa。
荷载要求:护栏需要承受10kN/m的自重,0.6kN/m的风荷载和1.5kN/m的车辆冲击荷载。
3.护栏计算方法结构设计:根据材料强度和荷载要求,选择护栏的结构形式为立柱加扶手,立柱间距为2米,扶手间距为0.5米。
卡扣设计:选择了符合国家标准的卡扣,每个立柱使用2个卡扣进行连接。
基础设计:根据护栏高度和荷载要求,设计了混凝土基础,基础尺寸为0.6米×0.6米×0.8米。
4.护栏计算结果经过计算和分析,得出以下结论:护栏结构满足荷载要求,能够承受自重、风荷载和车辆冲击荷载。
桥梁栏杆及人行道板计算书1、栏杆计算:栏杆望柱中线间距离2.13米,栏杆高1.3米。
作用在栏杆扶手上的活载:水平向外荷载采用1KN/m,作用在栏杆立柱柱顶的水平推力采用1KN/m。
立柱底弯矩为2.13/2×1×1.3=1.3845KN*m;栏杆立柱断面为30×30cm;HRB335普通钢筋抗拉强度设计值:f sd=280MPa;C25混凝土轴心抗压强度设计值f cd=11.5MPa;持久状况承载能力极限状态,中桥为二级,桥梁机构的重要性系数γ0取1.0;根据γ0M d≤f cd bx(h0-x/2),其中h0=30-4=26cm;求X值。
X≥1.55mm,f cd bx= f sd A s求得As=19.098mm2。
取用4Φ25 As=4×4.906=19.624cm2。
可以满足承载力要求。
2、人行道板计算:人行道板108.67×79.5cm,厚10cm,采用C25砼,钢筋采用R235普通钢筋;按5kPa的均布荷载或1.5kN的竖向力计算,作用在一块人行道板上。
经验算,集中荷载较为不利,按集中荷载计算。
人行道铺装层厚5cm,容重按25KN/m3;R235普通钢筋抗拉强度设计值:f sd=195MPa;C25混凝土轴心抗压强度设计值f cd=11.5MPa;根据γ0M d≤f cd bx(h0-x/2),其中h0=10-3=7cm 。
求X值。
f cd bx= f sd A s求得A s=104.6mm2。
取用9Φ10 A s=9×0.785=7.065cm2,可以满足承载力要求。
【本文档内容可以自由复制内容或自由编辑修改内容期待你的好评和关注,我们将会做得更好】精选范本,供参考!。
栏杆计算建筑护栏设计计算书设计:校对:审核:批准:目录1 计算引用的规范、标准及资料 (1)1.1 幕墙及采光顶相关设计规范: (1)1.2 建筑设计规范: (1)1.3 玻璃规范: (1)1.4 钢材规范: (2)1.5 胶类及密封材料规范: (2)1.6 相关物理性能等级测试方法: (3)1.7 《建筑结构静力计算手册》(第二版) (3)1.8 土建图纸: (3)2 栏杆承受荷载计算 (3)3 栏杆横杆计算 (3)3.1 杆件强度计算 (4)3.2 杆件剪力计算 (5)3.3 杆件刚度计算 (5)4 附录常用材料的力学及其它物理性能 (7)全金属栏杆设计计算书1 计算引用的规范、标准及资料1.1幕墙及采光顶相关设计规范:《铝合金结构设计规范》 GB50429-2007《玻璃幕墙工程技术规范》 JGJ102-2003《建筑玻璃应用技术规程》 JGJ113-2009《建筑幕墙》 GB/T21086-2007《建筑玻璃采光顶》 JG/T231-2007《建筑用玻璃与金属护栏》 JG/T342-2012《建筑幕墙工程技术规范》 DGJ08-56-20121.2建筑设计规范:《地震震级的规定》 GB/T17740-1999《钢结构设计规范》 GB50017-2003《高层建筑混凝土结构技术规程》 JGJ3-2010《高处作业吊蓝》 GB19155-2003《工程抗震术语标准》 JGJ/T97-2011《混凝土结构后锚固技术规程》 JGJ145-2004《混凝土结构加固设计规范》 GB50367-2006《混凝土结构设计规范》 GB50010-2010《混凝土用膨胀型、扩孔型建筑锚栓》 JG160-2004《建筑防火封堵应用技术规程》 CECS154:2003《建筑钢结构焊接技术规程》 JGJ81-2002《建筑工程抗震设防分类标准》 GB50223-2008《建筑结构荷载规范》 GB50009-2012《建筑结构可靠度设计统一标准》 GB50068-2001《建筑抗震设计规范》 GB50011-2010《建筑设计防火规范》 GB50016-2006《建筑物防雷设计规范》 GB50057-2010《冷弯薄壁型钢结构技术规范》 GB50018-20021.3玻璃规范:《镀膜玻璃第1部分:阳光控制镀膜玻璃》 GB/《镀膜玻璃第2部分:低辐射镀膜玻璃》 GB/《防弹玻璃》 GB17840-1999《平板玻璃》 GB11614-2009《建筑用安全玻璃第3部分:夹层玻璃》《建筑用安全玻璃第2部分:钢化玻璃》《建筑用安全玻璃防火玻璃》《半钢化玻璃》 GB/T17841-2008《热弯玻璃》 JC/T915-2003《压花玻璃》 JC/T511-2002《中空玻璃》 GB/T11944-20021.4钢材规范:《建筑结构用冷弯矩形钢管》 JG/T178-2005 《不锈钢棒》 GB/T1220-2007 《不锈钢冷加工钢棒》 GB/T4226-2009 《不锈钢冷轧钢板及钢带》 GB/T3280-2007 《不锈钢热轧钢板及钢带》 GB/T4237-2007 《不锈钢丝》 GB/T4240-2009 《建筑用不锈钢绞线》 JG/T200-2007 《不锈钢小直径无缝钢管》 GB/T3090-2000 《彩色涂层钢板和钢带》 GB/T12754-2006 《低合金钢焊条》 GB/T5118-1995 《低合金高强度结构钢》 GB/T1591-2008 《建筑幕墙用钢索压管接头》 JG/T201-2007 《耐候结构钢》 GB/T4171-2008 《高碳铬不锈钢丝》 YB/T096—1997 《合金结构钢》 GB/T3077-1999 《金属覆盖层钢铁制品热镀锌层技术要求》 GB/T13912-2002 《冷拔异形钢管》 GB/T3094-2000 《碳钢焊条》 GB/T5117-1995 《碳素结构钢》 GB/T700-2006 《碳素结构钢和低合金结构钢热轧薄钢板及钢带》GB/T912-2008 《碳素结构钢和低合金结构钢热轧厚钢板及钢带》GB/T3274-2007 《优质碳素结构钢》 GB/T699-19991.5胶类及密封材料规范:《丙烯酸酯建筑密封膏》 JC484-2006 《幕墙玻璃接缝用密封胶》 JC/T882-2001 《彩色涂层钢板用建筑密封胶》 JC/T884-2001 《丁基橡胶防水密封胶粘带》 JC/T942-2004 《工业用橡胶板》 GB/T5574-2008 《混凝土建筑接缝用密封胶》 JC/T881-2001 《建筑窗用弹性密封剂》 JC485-2007 《建筑密封材料试验方法》 GB/~20-2002 《建筑用防霉密封胶》 JC/T885-2001 《建筑用硅酮结构密封胶》 GB16776-2005 《建筑用岩棉、矿渣棉绝热制品》 GB/T19686-2005 《建筑用硬质塑料隔热条》 JG/T174-2005 《聚氨酯建筑密封胶》 JC/T482-2003 《聚硫建筑密封胶》 JC/T483-2006 《绝热用岩棉、矿棉及其制品》 GB/T11835-2007 《硫化橡胶或热塑性橡胶撕裂强度的测定》 GB/T529-2008 《橡胶袖珍硬度计压入硬度试验方法》 GB/T531-1999 《修补用天然橡胶胶粘剂》 HG/T3318-2002 《中空玻璃用弹性密封胶》 JC/T486-2001 《中空玻璃用丁基热熔密封胶》 JC/T914-20031.6相关物理性能等级测试方法:《玻璃幕墙工程质量检验标准》 JGJ/T139-2001《玻璃幕墙光学性能》 GB/T18091-2000《彩色涂层钢板和钢带试验方法》 GB/T13448-2006《钢结构工程施工质量验收规范》 GB50205-2001《混凝土结构工程施工质量验收规范》 GB50204-2002(2011版)《建筑防水材料老化试验方法》 GB/T18244-2000《建筑幕墙气密、水密、抗风压性能检测方法》 GB/T15227-2007《建筑幕墙抗震性能振动台试验方法》 GB/T18575-2001《建筑幕墙平面内变形性能检测方法》 GB/T18250-2000《建筑装饰装修工程质量验收规范》 GB50210-2001《金属材料室温拉伸试验方法》 GB/T228-20021.7《建筑结构静力计算手册》(第二版)1.8土建图纸:2 栏杆承受荷载计算本处栏杆为全金属杆结构,这种结构自身在风压和地震作用下的荷载非常小,主要承受的是规范GB50009-2012第5.5.2条规定要求的人为荷载,这个荷载是均布在横杆上并由横杆传到竖杆的,规范的要求如下:住宅、宿舍、办公楼、旅馆、医院、托儿所、幼儿园,栏杆顶部的水平荷载应取m;学校、食堂、剧场、电影院、车站、礼堂、展览馆、体育场,栏杆顶部的水平荷载应取m,竖向荷载应取m,水平荷载和竖向荷载应分别考虑;结合本计算的实际情况,考虑q k=m的顶部水平均布荷载标准值,忽略风荷载及抗震等其它作用。
栏杆计算书-GIL商务城人才公寓玻璃护栏设计计算书设计: 校对: 审核:批准:苏州工业园区国发国际建筑装饰工程有限公司二〇一〇年十月目录1 计算引用的规范、标准及资料 ..................................................................... .. (1)1.1 幕墙设计规范: .................................................................... . (1)1.2 建筑设计规范: .................................................................... . (1)1.3 玻璃规范: .................................................................... ........................................................................ (2)1.4 钢材规范: .................................................................... ........................................................................ (2)1.5 胶类及密封材料规范: .................................................................... . (2)1.6 《建筑结构静力计算手册》(第二版) .................................................................... .. (3)1.7 土建图纸: .................................................................... ........................................................................ ... 3 2 基本参数 ..................................................................... ........................................................................ .. (3)2.1 栏杆所在地区 ..................................................................... . (3)2.2 地面粗糙度分类等级 ..................................................................... . (3)2.3 抗震设防 ..................................................................... ........................................................................ ...... 3 3 栏杆承受荷载计算 ..................................................................... .........................................................................43.1 风荷载标准值的计算方法 ..................................................................... .. (4)3.2 计算支撑结构时的风荷载标准值 ..................................................................... .. (5)3.3 计算面板材料时的风荷载标准值 ..................................................................... .. (5)3.4 垂直于栏杆平面的分布水平地震作用标准值 ..................................................................... (5)3.5 作用效应组合 ..................................................................... . (6)4 栏杆横杆计算 ............................................................................................................................................. (6)4.1 栏杆横杆荷载计算 ..................................................................... .. (7)4.2 栏杆横杆强度计算 ..................................................................... .. (7)4.3 栏杆横杆挠度计算 ..................................................................... .............................................................. 8 5 栏杆立杆计算 ..................................................................... ........................................................................ (8)5.1 栏杆立杆荷载计算 ..................................................................... .. (8)5.2 栏杆立杆抗弯强度校核 ..................................................................... . (10)5.3 栏杆立杆挠度计算 ..................................................................... ............................................................ 10 6 栏杆玻璃的计算 ..................................................................... ........................................................................ (11)6.1 玻璃板块荷载计算 ..................................................................... (12)6.2 玻璃的强度计算 ..................................................................... . (13)6.3 玻璃最大挠度校核 ..................................................................... ............................................................ 13 7 栏杆与主体结构连接计算 ..................................................................... .. (14)7.1 后置埋件计算 ..................................................................... .. (14)7.2 栏杆与锚板焊缝连接验算 ..................................................................... (19)玻璃护栏设计计算书1 计算引用的规范、标准及资料1.1 幕墙设计规范:《铝合金结构设计规范》 GB50429-2007 《玻璃幕墙工程技术规范》 JGJ102-2003 《点支式玻璃幕墙工程技术规程》 CECS127-2001 《点支式玻璃幕墙支承装置》 JG138-2001 《吊挂式玻璃幕墙支承装置》 JG139-2001 《建筑玻璃应用技术规程》 JGJ113-2009 《建筑瓷板装饰工程技术规范》 CECS101:98 《建筑幕墙》 GB/T21086-2007 《金属与石材幕墙工程技术规范》 JGJ133-2001 《小单元建筑幕墙》 JG/T216-2008 1.2 建筑设计规范:《地震震级的规定》 GB/T17740-1999 《钢结构防火涂料》 GB14907-2002 《钢结构设计规范》 GB50017-2003 《高层建筑混凝土结构技术规程》 JGJ3-2002 《高层民用建筑设计防火规范》 GB50045-95(2005年版)《高处作业吊蓝》 GB19155-2003 《工程抗震术语标准》 JGJ/T97-95 《工程网络计划技术规程》 JGJ/T121-99 《混凝土结构后锚固技术规程》 JGJ145-2004 《混凝土结构设计规范》 GB50010-2002 《混凝土用膨胀型、扩孔型建筑锚栓》JG160-2004 《建筑表面用有机硅防水剂》 JC/T902-2002 《建筑材料放射性核素限量》 GB6566-2001 《建筑防火封堵应用技术规程》 CECS154:2003 《建筑钢结构焊接技术规程》 JGJ81-2002 《建筑工程抗震设防分类标准》GB50223-2008 《建筑工程预应力施工规程》 CECS180:2005《建筑结构荷载规范》 GB50009-2001(2006年版、局部修订) 《建筑结构可靠度设计统一标准》 GB50068-2001 《建筑抗震设计规范》 GB50011-2001(2008年版)《建筑设计防火规范》 GB50016-2006 《建筑物防雷设计规范》 GB50057-94(2000年版)《冷弯薄壁型钢结构设计规范》 GB50018-20021《民用建筑设计通则》 GB50352-2005 《预应力筋用锚具、夹具和连接器应用技术规程》JGJ85-20021.3 玻璃规范:《镀膜玻璃第1部分:阳光控制镀膜玻璃》 GB/T18915.1-2002 《镀膜玻璃第2部分:低辐射镀膜玻璃》 GB/T18915.2-2002 《防弹玻璃》 GB17840-1999 《平板玻璃》 GB11614-2009 《建筑用安全玻璃第3部分:夹层玻璃》GB15763.3-2009 《建筑用安全玻璃第2部分:钢化玻璃》 GB15763.2-2005 《建筑用安全玻璃防火玻璃》 GB15763.1-20092008 《幕墙用钢化玻璃与半钢化玻璃》 GB17841-《热弯玻璃》 JC/T915-2003 《压花玻璃》 JC/T511-2002 《中空玻璃》GB/T11944-2002 1.4 钢材规范:《建筑结构用冷弯矩形钢管》 JG/T178-2005 《不锈钢棒》 GB/T1220-2007 2009 《不锈钢冷加工钢棒》 GB/T4226-《不锈钢冷轧钢板及钢带》GB/T3280-2007 《不锈钢热轧钢板及钢带》 GB/T4237-2007 《不锈钢丝》GB/T4240-2009 《建筑用不锈钢绞线》 JG/T200-2007 《不锈钢小直径无缝钢管》GB/T3090-2000 《擦窗机》 GB19154-20032006 《彩色涂层钢板和钢带》 GB/T12754-《低合金钢焊条》 GB/T5118-1995 《低合金高强度结构钢》 GB/T1591-2008 《建筑幕墙用钢索压管接头》 JG/T201-2007 《耐候结构钢》 GB/T4171-2008 《高碳铬不锈钢丝》 YB/T096—1997 《合金结构钢》 GB/T3077-1999 《金属覆盖层钢铁制品热镀锌层技术要求》GB/T13912-2002《冷拔异形钢管》 GB/T3094-2000 《碳钢焊条》 GB/T5117-1999 《碳素结构钢》 GB/T700-2006 《碳素结构钢和低合金结构钢热轧薄钢板及钢带》GB/T912-2008《碳素结构钢和低合金结构钢热轧厚钢板及钢带》GB/T3274-2007《优质碳素结构钢》 GB/T699-1999 《预应力筋用锚具、夹具和连接器》GB/T14370-2000 1.5 胶类及密封材料规范:《丙烯酸酯建筑密封膏》 JC484-20062《幕墙玻璃接缝用密封胶》 JC/T882-2001 《彩色涂层钢板用建筑密封胶》JC/T884-2001 《丁基橡胶防水密封胶粘带》 JC/T942-2004 《干挂石材幕墙用环氧胶粘剂》 JC887-2001 《工业用橡胶板》 GB/T5574-1994 《混凝土建筑接缝用密封胶》 JC/T881-2001 《建筑窗用弹性密封剂》 JC485-2007 《建筑密封材料试验方法》 GB/T13477.1,20-2002 《建筑用防霉密封胶》 JC/T885-2001 2005 《建筑用硅酮结构密封胶》 GB16776-《建筑用岩棉、矿渣棉绝热制品》GB/T19686-2005 《建筑用硬质塑料隔热条》 JG/T174-2005 《建筑装饰用天然石材防护剂》 JC/T973-2005 《聚氨酯建筑密封胶》 JC/T482-2003 《聚硫建筑密封胶》 JC/T483-2006 《绝热用岩棉、矿棉及其制品》 GB/T11835-2007 《硫化橡胶或热塑性橡胶撕裂强度的测定》 GB/T529-1999 《石材用建筑密封胶》 JC/T883-2001 《橡胶袖珍硬度计压入硬度试验方法》 GB/T531-1999 《修补用天然橡胶胶粘剂》 HG/T3318-2002 《中空玻璃用弹性密封胶》 JC/T486-2001 《中空玻璃用丁基热熔密封胶》 JC/T914-2003 1.6《建筑结构静力计算手册》 (第二版)1.7 土建图纸:2 基本参数2.1 栏杆所在地区上海地区;2.2 地面粗糙度分类等级栏杆属于外围护构件,按《建筑结构荷载规范》(GB50009-2001)A类:指近海海面和海岛、海岸、湖岸及沙漠地区;B类:指田野、乡村、丛林、丘陵以及房屋比较稀疏的乡镇和城市郊区;C类:指有密集建筑群的城市市区;D类:指有密集建筑群且房屋较高的城市市区;依照上面分类标准,本工程按B类地形考虑。
工程名称:明硐湖国际新城二期楼梯栏杆、走廊栏杆、屋面栏杆工程幼儿园楼梯栏杆设计计算书设计:校对:审核:批准:深圳市发鹏装饰工程有限公司二〇一六年12月二十九日目录建筑护栏设计计算书1 计算引用的规范、标准及资料1.1幕墙及采光顶相关设计规范:《铝合金结构设计规范》 GB50429-2007《玻璃幕墙工程技术规范》 JGJ102-2003《建筑玻璃应用技术规程》 JGJ113-2009《建筑幕墙》 GB/T21086-2007 《建筑玻璃采光顶》 JG/T231-2007《建筑用玻璃与金属护栏》 JG/T342-2012 《建筑幕墙工程技术规范》 DGJ08-56-2012 1.2建筑设计规范:《地震震级的规定》 GB/T17740-1999 《钢结构设计规范》 GB50017-2003《高层建筑混凝土结构技术规程》 JGJ3-2010《高处作业吊蓝》 GB19155-2003《工程抗震术语标准》 JGJ/T97-2011《混凝土结构后锚固技术规程》 JGJ145-2004《混凝土结构加固设计规范》 GB50367-2006《混凝土结构设计规范》 GB50010-2010《混凝土用膨胀型、扩孔型建筑锚栓》 JG160-2004《建筑防火封堵应用技术规程》 CECS154:2003 《建筑钢结构焊接技术规程》 JGJ81-2002《建筑工程抗震设防分类标准》 GB50223-2008《建筑结构荷载规范》 GB50009-2012《建筑结构可靠度设计统一标准》 GB50068-2001《建筑抗震设计规范》 GB50011-2010《建筑设计防火规范》 GB50016-2006《建筑物防雷设计规范》 GB50057-2010《冷弯薄壁型钢结构技术规范》 GB50018-20021.3玻璃规范:《镀膜玻璃第1部分:阳光控制镀膜玻璃》 GB/T18915.1-2002 《镀膜玻璃第2部分:低辐射镀膜玻璃》 GB/T18915.2-2002 《防弹玻璃》 GB17840-1999《平板玻璃》 GB11614-2009《建筑用安全玻璃第3部分:夹层玻璃》 GB15763.3-2009 《建筑用安全玻璃第2部分:钢化玻璃》 GB15763.2-2005 《建筑用安全玻璃防火玻璃》 GB15763.1-2009《半钢化玻璃》 GB/T17841-2008《热弯玻璃》 JC/T915-2003《压花玻璃》 JC/T511-2002《中空玻璃》 GB/T11944-20021.4钢材规范:《建筑结构用冷弯矩形钢管》 JG/T178-2005《不锈钢棒》 GB/T1220-2007《不锈钢冷加工钢棒》 GB/T4226-2009《不锈钢冷轧钢板及钢带》 GB/T3280-2007《不锈钢热轧钢板及钢带》 GB/T4237-2007《不锈钢丝》 GB/T4240-2009《建筑用不锈钢绞线》 JG/T200-2007《不锈钢小直径无缝钢管》 GB/T3090-2000《彩色涂层钢板和钢带》 GB/T12754-2006《低合金钢焊条》 GB/T5118-1995《低合金高强度结构钢》 GB/T1591-2008《建筑幕墙用钢索压管接头》 JG/T201-2007《耐候结构钢》 GB/T4171-2008《高碳铬不锈钢丝》 YB/T096—1997《合金结构钢》 GB/T3077-1999《金属覆盖层钢铁制品热镀锌层技术要求》 GB/T13912-2002《冷拔异形钢管》 GB/T3094-2000《碳钢焊条》 GB/T5117-1995《碳素结构钢》 GB/T700-2006《碳素结构钢和低合金结构钢热轧薄钢板及钢带》GB/T912-2008《碳素结构钢和低合金结构钢热轧厚钢板及钢带》GB/T3274-2007《优质碳素结构钢》 GB/T699-19991.5胶类及密封材料规范:《丙烯酸酯建筑密封膏》 JC484-2006《幕墙玻璃接缝用密封胶》 JC/T882-2001《彩色涂层钢板用建筑密封胶》 JC/T884-2001《丁基橡胶防水密封胶粘带》 JC/T942-2004《工业用橡胶板》 GB/T5574-2008《混凝土建筑接缝用密封胶》 JC/T881-2001《建筑窗用弹性密封剂》 JC485-2007《建筑密封材料试验方法》 GB/T13477.1~20-2002 《建筑用防霉密封胶》 JC/T885-2001《建筑用硅酮结构密封胶》 GB16776-2005《建筑用岩棉、矿渣棉绝热制品》 GB/T19686-2005《建筑用硬质塑料隔热条》 JG/T174-2005《聚氨酯建筑密封胶》 JC/T482-2003《聚硫建筑密封胶》 JC/T483-2006《绝热用岩棉、矿棉及其制品》 GB/T11835-2007《硫化橡胶或热塑性橡胶撕裂强度的测定》 GB/T529-2008《橡胶袖珍硬度计压入硬度试验方法》 GB/T531-1999《修补用天然橡胶胶粘剂》 HG/T3318-2002《中空玻璃用弹性密封胶》 JC/T486-2001《中空玻璃用丁基热熔密封胶》 JC/T914-20031.6相关物理性能等级测试方法:《玻璃幕墙工程质量检验标准》 JGJ/T139-2001《玻璃幕墙光学性能》 GB/T18091-2000《彩色涂层钢板和钢带试验方法》 GB/T13448-2006《钢结构工程施工质量验收规范》 GB50205-2001《混凝土结构工程施工质量验收规范》 GB50204-2002(2011版)《建筑防水材料老化试验方法》 GB/T18244-2000《建筑幕墙气密、水密、抗风压性能检测方法》 GB/T15227-2007《建筑幕墙抗震性能振动台试验方法》 GB/T18575-2001《建筑幕墙平面内变形性能检测方法》 GB/T18250-2000《建筑装饰装修工程质量验收规范》 GB50210-2001《金属材料室温拉伸试验方法》 GB/T228-20021.7《建筑结构静力计算手册》(第二版)1.8土建图纸:2 基本参数2.1栏杆所在地区贵州省六盘水地区;2.2地面粗糙度分类等级栏杆属于外围护构件,按《建筑结构荷载规范》(GB50009-2012)A类:指近海海面和海岛、海岸、湖岸及沙漠地区;B类:指田野、乡村、丛林、丘陵以及房屋比较稀疏的乡镇和城市郊区;C类:指有密集建筑群的城市市区;D类:指有密集建筑群且房屋较高的城市市区;依照上面分类标准,本工程按C类地形考虑。
2.3抗震设防按《建筑工程抗震设防分类标准》,建筑工程应分为以下四个抗震设防类别:1.特殊设防类:指使用上有特殊设施,涉及国家公共安全的重大建筑工程和地震时可能发生严重次生灾害等特别重大灾害后果,需要进行特殊设防的建筑,简称甲类;2.重点设防类:指地震时使用功能不能中断或需尽快恢复的生命线相关建筑,以及地震时可能导致大量人员伤亡等重大灾害后果,需要提高设防标准的建筑,简称乙类;3.标准设防类:指大量的除1、2、4款以外按标准要求进行设防的建筑,简称丙类;4.适度设防类:指使用上人员稀少且震损不致产生次生灾害,允许在一定条件下适度降低要求的建筑,简称丁类;在围护结构抗震设计计算中:1.特殊设防类,应按高于本地区抗震设防烈度提高一度的要求加强其抗震措施,同时,应按批准的地震安全性评价的结果且高于本地区抗震设防烈度的要求确定其地震作用;2.重点设防类,应按高于本地区抗震设防烈度一度的要求加强其抗震措施,同时,应按本地区抗震设防烈度确定其地震作用;3.标准设防类,应按本地区抗震设防烈度确定其抗震措施和地震作用;4.适度设防类,应按本地区抗震设防烈度确定其抗震措施和地震作用;根据国家规范《建筑抗震设计规范》GB50011-2010,深圳地区地震基本烈度为:7度,地震动峰值加速度为0.1g,由于本工程是标准设防类,因此实际抗震计算中的水平地震影响系数最大值应按本地区抗震设防烈度选取,也就是取:αmax=0.08;3 栏杆承受荷载计算3.1风荷载标准值的计算方法栏杆属于外围护构件,按《建筑结构荷载规范》(GB50009-2012)计算:wk =βgzμzμs1w……8.1.1-2[GB50009-2012]上式中:wk:作用在栏杆上的风荷载标准值(MPa); Z:计算点标高:125m;βgz:高度z处的阵风系数;根据不同场地类型,按以下公式计算:βgz =1+2gI10(z/10)-α……条文说明部分8.6.1[GB50009-2012]其中A、B、C、D四类地貌类别截断高度分别为:5m、10m、15m、30m;A、B、C、D四类地貌类别梯度高度分别为:300m、350m、450m、550m;也就是:对A类场地:当z>300m时,取z=300m,当z<5m时,取z=5m;对B类场地:当z>350m时,取z=350m,当z<10m时,取z=10m;对C类场地:当z>450m时,取z=450m,当z<15m时,取z=15m;对D类场地:当z>550m时,取z=550m,当z<30m时,取z=30m;g:峰值因子,取2.5;I10:10m高名义湍流度,对应A、B、C、D地面粗糙度,可分别取0.12、0.14、0.23和0.39;α:地面粗糙度指数,对应A、B、C、D地面粗糙度,可分别取0.12、0.15、0.22和0.30;对于C类地形,125m高度处的阵风系数为:βgz=1+2×2.5×0.23×(125/10)-0.22=1.6597μz:风压高度变化系数;根据不同场地类型,按《建筑结构荷载规范》条文说明部分8.2.1提供的公式计算:A类场地:μzA=1.284×(z/10)0.24B类场地:μzB=1.000×(z/10)0.30C类场地:μzC=0.544×(z/10)0.44D类场地:μzD=0.262×(z/10)0.60公式中的截断高度和梯度高度与计算阵风系数时相同,也就是:对A类场地:当z>300m时,取z=300m,当z<5m时,取z=5m;对B类场地:当z>350m时,取z=350m,当z<10m时,取z=10m;对C类场地:当z>450m时,取z=450m,当z<15m时,取z=15m;对D类场地:当z>550m时,取z=550m,当z<30m时,取z=30m;对于C类地形,125m高度处风压高度变化系数:μz=0.544×(125/10)0.44=1.6529μs1:局部风压体型系数;按《建筑结构荷载规范》GB50009-2012第8.3.3条:计算围护结构及其连接的风荷载时,可按下列规定采用局部体型系数μs1:1 封闭矩形平面房屋的墙面及屋面可按表8.3.3-1的规定采用;2 檐口、雨篷、遮阳板、边棱处的装饰条等突出构件,取-2.0;3 其它房屋和构筑物可按本规范第8.3.1条规定体型系数的1.25倍取值。