SMT 炉后目检作业指导书
- 格式:xls
- 大小:7.78 MB
- 文档页数:9
二、操作1233.13.23.33.43.53.64566.16.2一、操作流程三、相关图片待检放置将待检验之板整齐放置于“待检验区”;XX 电子科技股份有限公司2018/5/1文件版本A/01页 码第1页,共1页文件编号XX-QPA-PD010制定日期检验元件极性检验项目:BGA/IC 、二极管、LED 等;检验依据:《元件位置图》;检验贴装正确性检验项目:多件、少件;检验依据:《元件位置图》;持板检验双手持板,板与眼睛距60cm ;作业要求:1.必须戴手指套;2.必须戴防静电手环;3.双手只可拿板边。
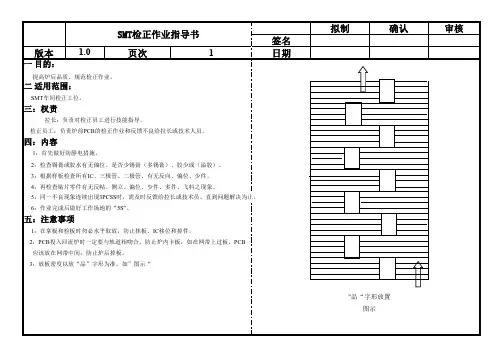
开始检验检验顺序:按"Z"形检验;检验工具:5倍以上放大镜。
检验其它项目检验项目:金手指沾锡、压点、金面划伤;检验依据:《SMT 外观检验标准》;检验贴装准确性检验项目:偏位、移位;检验依据:《SMT 外观检验标准》;检验焊接品质检验项目:连锡、假焊/虚焊、空焊、浮高、墓碑;检验依据:《SMT 外观检验标准》;1.作业员上线时不可配戴手表、手环、戒指等首饰;2.作业时,必须配戴静电环或静电手套、手指套;3.一定要认真作业,避免不良品流至后工序;4.拿取FPC 时,轻拿轻放,并且要双手拿板边;5.注意所有客户机种必须区分清楚,物品需摆放整齐。
填写【合格产品标签】填写项目:客户名称、机型、良品数、不良品数、工号、线别、日期、大板数、小板数;三、注意事项SMT 目检作业指导书送检送检包装以20片为单位用珍珠棉隔开,并用橡皮筋扎捆;不良标示不良品用红色箭头纸标出;不良放置不良品放置于不良品区;检验零件完整性检验项目:元件缺损、划伤、无丝印(IC );检验依据:《SMT 外观检验标准》;待检验放置持板要求用放大镜检验检验顺序送检包装不良标示不良品放置。
SMT炉后目视检查作业指导书一、作业流程:1.全数将传送台或套板OK的PCB取下,仔细检查固化后的是否有假焊、偏移、多件、少料、浮高、短路、零件破损、侧立、误配、反向、反面、少锡等不良,检验标准(依IPC-A-610DCLASS 2客户另有要求除外)如下:A.假焊:部品焊接端与PCB未有锡连接或未完全连接,B.偏移:零件偏移量不超过焊盘尺寸的1/3或角度偏移不能超过35度.C.组件破损:电极上的裂痕或缺口玻璃组件上的裂缝刻度及电阻的缺口损伤等不良.D.反面:有上下面之分的元器件出现反面现象.E.侧立:部品与PCB的接触部分不在同一平面而形成一个夹角.F.误配:PCB上贴装的部品与设计所需的部品P/N不相符.G.反向:有极性的组件贴片方向与实计贴片的方向相反.H.短路:组件与组件、PIN与PIN之间不在同条线路有锡连接.I浮高:部品与焊盘之间空隙超过0.1mm.J.少锡:锡量不足爬上组件焊接端高度之1/32.针对所检查出的不良做出标示并区分放置在红色“不良品”拖盘内,不良现象及时记录报表.(终检处可自行维修,可使用无铅烙铁,但须具有相当水准能力才可作业,且须自检维修此位及周边组件有否破损、连锡、假焊).3.如当班时间内同种不良发生3次以上须向拉长报告,针对严重缺陷需及时反馈相关工程人员.4.全数检查PCB外观,是否残有异物,IC点检记号是否用其它颜色点检,记号不可有划到文字丝印.5.检查OK之PCB用黑色蜡笔在指定的板边固定作上自已的代号区分放置标示,放可流入下一工位(客户要求除外).二、使用工具:1.静电手套2.静电环3.ROHS油性笔4.报表5.不良标签三、注意事项:1.作业前佩戴OK防静电手环和手套.2.PCB轻拿轻放,板边有组件须朝外放置.3.所有机种严禁在板内作记号.4.物料须核对正确,须全部为无铅.5.拿取PCB须拿PCB板板边,勿触摸组件6.IC点检记号不可划到本体丝印。
SMT炉后质量检验作业指导书(毕业设计用)济南铁道职业技术学院电气工程系目录一、质量检验的重要性二、质量检验的目的三、对检验员的要求四、质量检验操作规程(一)检验方法(二)检验步骤及注意事项(三)问题分析(四)检验设备及工具五、注意事项一、质量检验的重要性:第一质量检验是企业生产的耳目,是企业管理科学化、现代化的基础工作之一。
没有质量检验的生产就像是瞎子走路,因为无法掌握生产过程的状态,必将使生产失去必要的控制合调节。
在一些工业发达的国家里,计量合质量检验是企业的一项专业技术,是企业的核心机密。
如果企业消弱了质量检验,就象人体失去了健康的耳目,一切生产都会陷于盲目和混乱中。
第二质量检验是企业最重要的信息资源。
企业许多信息都直接或间接的通过质量检验来获得。
首先是质量指标,没有检验的结果和数据,就无法计算,如合格率、返修率、报废率等等都是如此。
而所有这些指标,都是同企业的经济效益密切相关的,是计算企业经济效益的依据和重要基础。
此外,质量检验的结果还是设计工作、工艺工作、操作水品、文明生产以及整个企业管理水平的综合反映。
第三质量检验是保护用户利益和企业信誉的卫士。
产品质量直接影响到社会和用户的切身利益,也影响到企业的信誉。
到目前为止,素称传统的质量检验把关方式仍然是保护用户利益和企业信誉的有效手段、有人认为,如果放松或取消质量检验,将是企业的一种“自杀”行为。
二、质量检验的目的:第一及时发现质量问题,以便及时解决。
第二控制生产流程,保证产品质量。
第三防止不合格品流失,保护学校荣誉。
三、对检验员的要求:1 负起责任,把好产品质量大关,避免因一时的疏忽使得学校蒙受损失;2 时刻牢记自己职责,为把济铁职院打造成品牌贡献一份力量。
四、质量检验操作规程:(一)检验方法:1 目测;2 用光学检测仪(AOI)检测。
(二)检验步骤及注意事项:1、检查所需设备、仪器是否完好,以及工作台是否良好接地。
2、清扫工作台。
生产无铅产品时要对工作台严格清洗。
本文部分内容来自网络整理,本司不为其真实性负责,如有异议或侵权请及时联系,本司将立即删除!== 本文为word格式,下载后可方便编辑和修改! ==目视检测作业指导书篇一:SMT炉后目视检查作业指导书SMT炉后目视检查作业指导书一、作业流程:1.全数将传送台或套板OK的PCB取下,仔细检查固化后的是否有假焊、偏移、多件、少料、浮高、短路、零件破损、侧立、误配、反向、反面、少锡等不良,检验标准(依IPC-A-610DCLASS 2客户另有要求除外)如下:A.假焊:部品焊接端与PCB未有锡连接或未完全连接,B.偏移:零件偏移量不超过焊盘尺寸的1/3或角度偏移不能超过35度.C.组件破损:电极上的裂痕或缺口玻璃组件上的裂缝刻度及电阻的缺口损伤等不良.D.反面:有上下面之分的元器件出现反面现象.E.侧立:部品与PCB的接触部分不在同一平面而形成一个夹角.F.误配:PCB上贴装的部品与设计所需的部品P/N不相符.G.反向:有极性的组件贴片方向与实计贴片的方向相反.H.短路:组件与组件、PIN与PIN之间不在同条线路有锡连接.I浮高:部品与焊盘之间空隙超过0.1mm.J.少锡:锡量不足爬上组件焊接端高度之1/32.针对所检查出的不良做出标示并区分放置在红色“不良品”拖盘内,不良现象及时记录报表.(终检处可自行维修,可使用无铅烙铁,但须具有相当水准能力才可作业,且须自检维修此位及周边组件有否破损、连锡、假焊).3.如当班时间内同种不良发生3次以上须向拉长报告 ,针对严重缺陷需及时反馈相关工程人员.4.全数检查PCB外观,是否残有异物,IC点检记号是否用其它颜色点检,记号不可有划到文字丝印.5.检查OK之PCB用黑色蜡笔在指定的板边固定作上自已的代号区分放置标示,放可流入下一工位(客户要求除外).二、使用工具:1.静电手套2.静电环3.ROHS油性笔4.报表5.不良标签三、注意事项:1.作业前佩戴OK防静电手环和手套.2.PCB轻拿轻放,板边有组件须朝外放置.3.所有机种严禁在板内作记号.4.物料须核对正确,须全部为无铅.5.拿取PCB须拿PCB板板边,勿触摸组件6.IC点检记号不可划到本体丝印篇二:作业指导书-目视检验篇三:目视检测操作规程目视检测操作规程目录1 范围 .................................................................. (2)2参考标准 .................................................................. (2)3 检查条件和设备 (2)4 人员 .................................................................. (3)5 目测检查—总则 .................................................................36. 目测检查接缝的准备 (3)7 焊接时的目测检查 (4)8 完成焊缝的目测检查 (4)9 修理焊缝的目测检查 (5)1 范围本规范涉及对金属材料熔融焊缝的目测检查。
二、
操作11.11.21.31.422.12.22.3间距要求
1.铝盘与铝盘进炉间隔10CM(即4个手指宽);
2.并排进炉时宽度不可超过网带如图。
三、注意事项SMT 过炉检查作业指引1.端铝盘运输过程中,须双手握盘,保持平稳;
2.过炉前须检查FPC/PCB 支架及夹具摆放是否正确;
3.放治具入回流炉网带时,必须将治具放稳后方可松手;
4.如意外导致回流炉链条卡到铝盘,第一时间通知当班工程人员处理;
5.新类型机种过炉前须询问当线领班或主管确认过炉方式;
6.特殊产品过炉方式按当线领班或主管要求过炉.XX 电子科技有限公司
过炉方式1
模组及摄像头产品过炉方式:图 A 、C ,要求CHIP 横向进炉;方式2
带连接器产品过炉方式如图 B ,确保连接器竖向进炉;确认过炉载具
确认盛装待过炉产品的载具使用、及放板方式是否正确;确认其它
确认双面板生产第二面时有无碰到第一面元件;检查贴装工艺
检查项目:歪件、极性反向等;
一、操作流程三、相关图片确认检查
确认回流炉状态
确认回流焊处于绿灯正常工作状态;文件编号XXX-QPA-PD008制定日期2018/5/1文件版本A/01页 码第1页,共1页。
炉后目检作业指导书炉后目检作业指导书1、炉后目检作业概述1.1 目的本作业指导书旨在指导工作人员进行炉后目检工作,确保产品质量符合要求。
1.2 范围本作业适用于所有进行炉后目检作业的人员。
2、目检前准备工作2.1 确认目检要求在进行目检工作之前,工作人员需要确认目检要求,包括产品规格、质量标准等。
2.2 准备工具和设备工作人员应确保配备合适的工具和设备,如目镜、显微镜、测量工具等。
2.3 准备文档和记录工作人员需要准备相关的文档和记录表,如目检记录表、缺陷分类表等。
3、目检操作步骤3.1 样品准备3.1.1 工作人员应从待目检的产品中抽取样品,确保样品代表性。
3.1.2 样品应进行标识,便于后续处理和追溯。
3.2 目检工艺流程3.2.1 对样品进行外观目检,检查是否存在表面缺陷、划痕等。
3.2.2 对样品进行显微观察,使用目镜或显微镜等工具进行细致观察。
3.2.3 对样品进行尺寸测量,使用测量工具确保尺寸符合要求。
3.3 目检记录3.3.1 工作人员应将目检结果记录在目检记录表中,包括目检时间、样品编号、缺陷类型等。
3.3.2 如发现任何质量问题,应当立即采取措施进行处理,并记录相应的处理结果。
4、目检结束处理4.1 样品分类根据目检结果,将样品进行分类,如合格品、不合格品等。
4.2 报告编制工作人员应根据目检结果编制目检报告,包括目检数据、缺陷分布图表等。
4.3 异常处理如发现目检异常情况,应立即通知质量部门或相关责任人,并按照相关流程进行处理。
4.4 清洁和维护目检工作完成后,工作人员应清理工作区域,并对使用的工具和设备进行维护和保养。
附件:1、目检记录表2、缺陷分类表法律名词及注释:1、质量标准:产品质量的技术要求和质量要求,在法律和标准中有明确的规定。
2、代表性样品:能够准确代表整体特征和质量水平的样品。
3、缺陷类型:根据缺陷的性质和特征进行分类的种类。
4、目检报告:记录目检结果和相关信息的报告,通常用于质量评估和问题分析。
作业内容FPC孔和絲印孔一致對齊,有綠油顯示為OKFPC孔和絲印孔錯開,無綠油顯示為NG插入部以外是補強板接線器插入通孔移位NGMARK不良NG的10%以上浮起為NG部浮起為NG12345線路缺損線路突起導體破損/剝落膠水溢出鍍金變色壓痕11NG圖22334455移位: a≦1/3W可接受 LED在Mark內可接受LED的正確方向NG圖NG圖66版本版本工时(秒)作业名称作业指导书 Production Working Instruction炉后目檢型号IN NO﹕作业标准版 本﹕用量Part No.项目2. 检出之NG品用笔标出不良位置.检查之良品直接放在周转架上, 目检的员工在板上的指定位置打标记.3. 检查LED放置方向,如图所示.注意事项物料编号物料名称序号工具名称序號辅料名称工程品质批准者审核者生产日期更改內容准备者日期更改內容首次发行日期签名防靜電手套静电帶箭头纸10倍显微镜NG品跟踪卡周转架 (SDE-FM-B0290).1. 目检员作业时必须按<<手套,帽子,口罩配戴基准>>(SDE-IN-B0162)来配戴,拿取板边,轻拿轻放.防止撞掉部品.2. 1小时之内若同种不良连续出现3次,及时通知炉前停止过板,通知替位及PE采取对策.3. 严格按照目检顺序逐一检查每个部品,防止漏检.认真如实填写<<BJH--____日报表>>1. 取回流炉后的FPC,置于10倍显微镜下,对照样板和以上图示,依据 <<FPC基板PNP质量标准(适用于Sony Chemical产品)>>(SMD-SP-Q0002), 检查整PCBA的员工检查部品是否有线路缺损,线路突起,导体破损/剥落, 還要把爐前目檢作記號處作為重點目檢,再次檢查是否有不良現象.胶水溢出,镀金变色,压痕等不良;并且注意检查金手指上是否有划伤和氧化.。
作业图面:日期日期工序名称炉后目检文件编号S标准作业指导书标准工时制 程WI-ENG-057-R1.0产品版本制作审核批准产品型号全机型全机型一 目的:检验和监控产品的生产质量标准。
二 适用范围:所有的产品外观。
三 权责:负责SMT产品的质量的监控。
四 作业要求:①:一般普通的元器件可与视线相反的方向60角度左右的斜度目检外观,对假焊、立件、连锡、少料、少锡之判退。
②:有脚的元器件(如:排阻、SOP、QFP、BGA、)都要与视线相同的方向60角度的斜度目检外观,对假焊、少锡、移位之判退。
五:作业步骤:①:接到回流出来的PCBA,冷却、检查。
和熟悉PCBA的贴状况,即对贴装的位置,元件的安装规格,PCBA的回流状况,如:PCBA有无变形、PCB元器件有无烤糊。
②:熟悉和确证后再作流水线式的作业。
六:工艺要求:(见右方作业图面)①:元件损坏:元件碎﹑裂﹑撕开②:元件短路:不在同一线路上的两个焊点被电性连接。
③:元件反向:安装方向不符合PCB上的标记方向。
④:元件浮高:a>0.2mm(肉眼看到有明显缝隙)⑤:移位:即安装的元器件不在相应的焊盘上,一般元件大于或等于焊盘的三分之一,IC移位不得大于四分之一。
⑥锡珠:元件在焊接过程中由于温度,锡膏性能、及板的干燥程度等原因而产生的微小锡珠,一半情况下有少量的锡珠且直径小于0.1-0.2mm可接受⑦立片:元件一端与焊盘焊接,另一端脱离焊盘并直立起来。
七:注意事项操作检验时要带静电环,保持检验台面干净。
Work Instruction序 号1RoHS日期图示1:元件损坏图示2:元件短路图示3:元件反向图示4:元件浮高图示5:移位。
JSL-WI-EQP-SMT-005品质部2019/11/4A01/7一.目的: 本标准为SMT品质检验提供了可接受条件准则,有效实施对SMT焊接完成产品进行检验,确保产品 质量。
二.适用范围:本标准规定了PCBA的SMT焊点质量检验标准三.相关权责部门:电子部SMT四.术语与定义:最佳:对质量追求的一种理想化状态;并非总能达到,也不要求必须达到,它是电子装联技术追求 的目标。
合格:它不是最佳的,但在其使用条件下能保证PCBA正常工作和产品的长期可靠性。
不合格:不能保证PCBA在正常使用环境下的安装,功能和性能要求;应依据设计要求、使用要求和 用户要求对其进行处置(返工、修理或者报废)五.不良名词解释及图示见附档六.注意事項:1、作业员须配戴静电环或静电手套作业。
2、生产中连续出现 3 PCS 相同之不良问题时,须立即通知相关人员找寻原因及改善。
3、良品与不良品要区分并作好标示,不良品在维修OK后,须再次进行目检或AOI检查SMT炉后目检作业指导书深圳市金树林科技有限公司编写:审核:文件编号制订部门制订日期版本页次核准:品质部2019/11/4A01/7不良现象核准:连锡又称为锡桥,元件端头之间,元器件相邻焊点之间,以及焊点与相邻导线,过孔等不该连接的部分被焊锡连接在一起。
元器件在水平位置上移动,导致焊端或引脚不正贴于PCB的焊盘上。
深圳市金树林科技有限公司墓碑又称为曼哈顿现象,指两个焊端的贴片元件,经过回流焊后其中一个焊端离开焊盘表面整个元件呈斜立和直立。
元器件以侧面和PCB接触现象贴片元件正面向于PCB上,底面朝上现象。
编写:审核:反白连锡立碑侧立偏移制订部门制订日期版本页次不良名词解释例图SMT炉后目检作业指导书文件编号品质部2019/11/4A01/7不良现象编写:审核:核准:在回流焊后,附在片式元件旁或散布在焊点附件微小的珠状焊料。
回流不完全现象,焊料未达到其熔点温度或焊接热量不充分,使其在润湿和流动之前就被凝固,根本未形成任何金属合金层,使焊料全部或部分地处于非结晶状态并只是单纯地堆积在被焊金属表面上。
版本A0页次1制订李政书审核适用范围文件编号J-WI-EN-001制定日期2010-7-10执行目的工具1.工作环境电子元器件会受到许多不同来源的意外静电损害,因此在SMT生产及炉后QC时,我们必须做好足够的静电保护(ESD)A.警告标识张贴B.人员和工作台面的静电保护深圳市加协表面贴装有限公司Shenzhen P&C SMT Co.,LTDSMT炉后外观检测作业指导书文件名称静电环,静电线,防静电标签1. 人员用防静电腕带2. EOS 防护容器3. EOS 防护桌面4. EOS 防护地板、地垫5. 建筑物地面6. 共用接地点7. 接地警告标识张贴于厂房和放置在元器件、组件,设备和包装上,用以提醒人员注意操作时对元器件造成的静电或电气过载损害的可能性有铅,无铅SMT产品正确指导员工的操作,提高工作效率,加强产品品质,规范生产管理炉后QC版本A0页次2制订李政书审核适用范围文件编号J-WI-EN-001制定日期2010-7-10执行目的工具2.电子组件操作指导1. 保持工作站干净整洁。
在工作区域不可有任何食品、饮料或烟草制品。
2. 尽可能减少用手握执电子组件,以防止损坏。
3. 使用手套时,需要及时更换,防止因手套肮脏引起的污染。
4. 不可用裸露的手或手指接触可焊表面。
人体油脂和盐分会降低可焊性、加重腐蚀,还会导致其后涂覆或裹覆的低粘附性。
5. 不可使用含有硅的手套,它们会引起可焊性和涂覆粘附性问题。
6. 绝不可堆叠电子组件,否则会导致机械性损伤。
需要在组装区使用特定的搁架用于临时存放。
7. 对于没有ESDS 标志的部件应当作ESDS 部件操作。
8. 人员必须经过培训并遵循ESD 规章制度执行。
9. 除非有合适的防护包装,否则决不能运送ESDS 设备。
有铅,无铅SMT产品炉后QC正确指导员工的操作,提高工作效率,加强产品品质,规范生产管理静电环,静电线,防静手套深圳市加协表面贴装有限公司文件名称SMT炉后外观检测作业指导书Shenzhen P&C SMT Co.,LTD3.PCB外观检测A:PCB外观检测首先要查看是否有漏件情况B:有极性的元件,如二极管,钽电容,电解电容,IC等,必须检查零件的方向是否正确.C:零件是否外形破损,外壳是否烧焦D:检查零件焊接是否合格,合格的焊接,如图不良产品的解决措施:维修或更换损坏的零件,并及时通知技术人员,检查炉温和贴片机设置等等必须熟悉BOM,了解该产品是否有空贴位置,然后逐个查看应该贴装有元件的位置,是否有元件,元件是否正确,0603以上贴片电阻,三极管,IC等可查看他们的丝印是否正确以下是制程不良1.焊锡膏回流不完全温度不够,锡膏没有融化的不良产品的解决措施:根据不同的产品选择使用有铅或无铅的烙铁加锡,或用热风枪加热局部使锡膏融化及时通知技术人员检查炉温是否正常.锡膏印刷是否正常2.润湿不良缺陷• 需要焊接的引脚或焊盘不润湿。