集装箱类型和尺寸代码表2012
- 格式:doc
- 大小:106.50 KB
- 文档页数:5
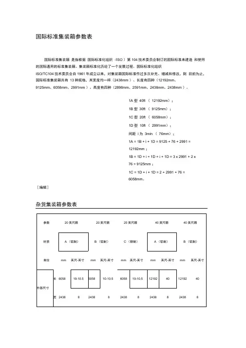
国际标准集装箱参数表国际标准集装箱是指根据国际标准化组织(ISO )第104技术委员会制订的国际标准来建造和使用的国际通用的标准集装箱。
集装箱标准化历经了一个发展过程。
国际标准化组织ISO/TC104技术委员会自1961年成立以来,对集装箱国际标准作过多次补充、增减和修改,到目前为止,国际标准集装箱共有13种规格,其宽度均一样(2438mm )、长度有四种(12192mm、9125mm、6058mm、2991mm )、高度有四种(2896mm、2591mm、2438mm、2438mm )。
1A 型40ft (12192mm);1B 型30ft (9125mm);1C 型20ft (6058mm);1D 型10ft (2991mm);间距i 为3min (76mm);1A = 1B + i + 1D = 9125 + 76 + 2991 =12192mm ;1B = 1D + i + 1D + i + 1D = 3 x 2991 + 2 x76 = 9125mm ;1C = 1D + i + 1D = 2 + 2991 + 76 =6058mm。
[编辑]杂货集装箱参数表最后补充一点:如果是使用叉车进行集装箱装箱,则在计算过程中要在门头高度上减少80-100 , 考虑到预留叉车抬高空间,以免集装箱门头撞到货物并对其造成损伤。
(MODI IN 2009-12-23) [编辑]敞顶集装箱参数表参数20英尺箱40英尺箱材质铝制铝制单位mm 英尺-英寸mm 英尺-英寸外部尺寸长6058 10-10 1/2 12192 40 宽2438 8 2438 8 高2438 8 2591 8内部尺寸长5930 19-5 7/16 12056 39-6 5/8宽2350 7-8 1/2 2351 7-8 1/2 名义高度2180 7-1 7/8 2324 7-7 净空高度2083 6-10门框尺寸宽2350 7-8 1/2 2340 7-8 1/16高2154 7-0 13/16 2286 7-7 单位m 3立方英尺m3立方英尺容积30.4 1073 60.8 2147[编辑]硬顶集装箱参数表[编辑]板架集装箱参数表参数20英尺箱20英尺箱40英尺箱40英尺箱材质 A (钢制) B (钢制) A (钢制) B (钢制)[编辑]冷冻型集装箱参数表[编辑]干散货集装箱参数表单位m3 立方英尺m3 立方英尺容积30.8 1086 30.5 1076 单位kg 磅kg 磅自重1980 43702400 5511总重24000 52913 44800载重22020 48543 39289 [编辑]通风集装箱参数表参数20英尺箱20英尺箱材质玻璃钢铝单位mm 英尺-英寸mm 英尺-英寸外部尺寸长6058 19-10 1/2 6058 19-10 1/2 宽2438 8 2438 8高2438 8 2438 8内部尺寸长5901 19-4 5/16 5925 19-5 1/4[编辑]罐状集装箱参数表单位mm 英尺-英寸mm 英尺-英寸长6058 19-10 1/2 6058 19-10 1/2 外部尺寸宽2438 8 24388 高2438 8 2438 8长5247 17-2 9/16 5860 19-2 3/4 内部尺寸直径1900 6-2 3/4 2050 6-8 3/4 单位m3立方英尺m3立方英尺容积14.383 508 18.3 646.173 单位N/cm 2磅/英寸2N/cm 2磅/英寸2压力 1.8 X9.8 25 0.7 S9.8 9.954单位kg 磅kg 磅自重3120 6380 3250 7165总重24000 52913 24000 52913载重20880 46533 20750 45748。
集装箱尺寸类型代码
一代码说明
1 本代码使用的是UN/ISO标准代码,代码库提供了84和95版本,建议使用95版的数字
-字符型代码。
2 代码结构
(1)本标准引用ISO/DIS 6346.2的第4.2.2条款;
箱型代码:由两位字符表示:
X X
箱型编号
箱型标识符
注:第1位由一个拉丁字母表示箱型;
第2位由一个数字表示该箱型的特征。
(2) 集装箱尺寸代码结构引用ISO/DIS 6346.2中附录D的规定。
该代码由两位字符表示:
X X
箱长代码
箱高和箱宽代码
注:第1个字符表示箱长;
第2个字符表示箱宽和箱高。
3 代码表
(1)集装箱类型代码表
本组代码等同采用IS0 6364.2附录E中的表E1;详见表1。
表 1
注:原代号指本标准1984年版本规定的箱型代号。
(2)集装箱尺寸代码表本组代码等同采用ISO 6346.2附录D中的表D1和表D2;详见表2和表3。
表 2
表 3
4 使用说明
按照ISO 6364.2中第6章"标记的标志方法",箱型和尺寸代码应作为一个整体在集装箱上标识。
其组配代码结构为:
X X X X
箱型代码
尺寸代码
例如: 22G1指箱长为20英尺(6068mm),箱宽为8英尺(2438mm)和箱高为
8英尺6英寸(2591mm),上方有透气罩的通用集装箱。
集装箱种类及尺寸规格普通集装箱 GP以装运件杂货为主,通常用来装运文化用品、日用百货、医药、纺织品、工艺品、化工制品、五金交电、电子机械、仪器及机器零件等。
这种集装箱占集装箱总数的70 ~ 80%。
柜型外部尺寸 m内部容积 m配货毛重 T体积 CBM20 GP 6.058×2.438×2.591 5.898×2.352×2.385 17.52840 GP12.192×2.438×2.59112.032×2.352×2.385225640 HQ12.192×2.438×2.89612.032×2.352×2.698226845 HQ13.716×2.438×2.89613.556×2.352×2.6982986开顶集装箱 OT这种集装箱没有箱顶,可用起重机从箱顶上面装卸货物,装运时用防水布覆盖顶部,其水密要求和干货箱一样。
适合于装载体积高大的物体,如玻璃板等。
柜型外部尺寸 m内部容积 m配货毛重 T体积 CBM20 OT 6.058×2.438×2.591 5.898×2.352×2.342 2032.540 OT12.192×2.438×2.59112.034×2.352×2.33030.566框架集装箱 FR没有箱顶和两侧,其特点是从集装箱侧面进行装卸。
以超重货物为主要运载对象,还便于装载牲畜,以及诸如钢材之类可以免除外包装的裸装货。
柜型外部尺寸 m内部容积 m配货毛重 T体积 CBM 20 FR 脚架式 6.058×2.438×2.591 5.650×2.030×2.073 2224 20 FR 板框式 6.058×2.438×2.591 5.638×2.228×2.2332228 40 FR 脚架式12.192×2.438×2.59111.784×2.030×1.9433946.5 40 FR 板框式12.192×2.438×2.59111.776×2.228×1.9553651冷冻集装箱 RF利用冷冻机制冷,温度可在-28℃ ~ +26℃之间调整,这种箱子适合在夏天运输黄油、巧克力、冷冻鱼肉、炼乳、人造奶油等物品。
集装箱尺寸类型代码一代码说明1 本代码使用的是UN/ISO标准代码,代码库提供了84和95版本,建议使用95版的数字-字符型代码。
2 代码结构(1)本标准引用ISO/DIS 6346.2的第;箱型代码:由两位字符表示:X X箱型编号箱型标识符注:第1位由一个拉丁字母表示箱型;第2位由一个数字表示该箱型的特征。
(2) 集装箱尺寸代码结构引用ISO/DIS 6346.2中附录D的规定。
该代码由两位字符表示:X X箱高和箱宽代码箱长代码注:第1个字符表示箱长;第2个字符表示箱宽和箱高。
3 代码表(1)集装箱类型代码表本组代码等同采用IS0 6364.2附录E中的表E1;详见表1。
表 1注:原代号指本标准1984年版本规定的箱型代号。
(2)集装箱尺寸代码表本组代码等同采用ISO 6346.2附录D中的表D1和表D2;详见表2和表3。
表 2表 3>2.438 mm 和 2.500 mm4 使用说明按照ISO 6364.2中第6章"标记的标志方法",箱型和尺寸代码应作为一个整体在集装箱上标识。
其组配代码结构为:X X X X箱型代码尺寸代码例如: 22G1指箱长为20英尺(6068mm),箱宽为8英尺(2438mm)和箱高为8英尺6英寸(2591mm),上方有透气罩的通用集装箱。
二代码的维护与管理由于箱型尺寸代码是国际集装箱运输EDI中最重要的代码之一,所以在此给出了此代码的详细构成的解释和说明。
就集装箱运输业务发展的速度与趋势来看,本代码可以充分满足集装箱运输业务需要,没有漏码问题,近期不用增码。
希望各用户严格按照代码生成规则使用本代码。
在使用过程中如还有疑问,请与中心个别联系。
集装箱【货柜】箱型代码表(收藏)集装箱(货柜)箱型代码代码集装箱箱型10GP 10英尺通用箱10RT 10英尺冻柜12ST 12英尺特种箱20BK 20'散装货箱20BO 20'平板式箱20FR 20'板架式箱20GP 20'通用箱20HC 20'大型箱20HH 20'半高箱20HT 20’挂衣箱20HZ 20'危险品箱20OH 20'超高箱20OL 20'超长箱20OS 20'侧壁全开20OT 20'开顶式箱20OW 20'超宽箱20PC 20'平台箱20RE 20'空冷藏箱20RF 20'冷藏箱20RH 20'高空冻箱20SP 20'专用箱20TK 20'罐式箱20WH 20'液体箱22DO 20'半开门40BK 40'散装货箱40BO 40'平板式箱40FR 40'板架式箱40GP 40'通用箱40HC 40'大型箱40HH 40'半高箱40HR 40'超高冷箱40HT 40'挂衣箱40HZ 40'危险品箱40OH 40'超高箱40OL 40'超长箱40OS 40'侧壁全开40OT 40'开顶式箱40OW 40'超宽箱40PC 40'平台箱40RE 40'空冷藏箱40RF 40'重冷藏箱40RH 40超高空冻箱40SP 40'专用箱40TK 40'罐式箱40WH 40'液体箱43DO 40'半开门45BK 45'散装货箱45BO 45'平板式箱45FR 45'板架式箱45GP 45'通用箱45HC 45'大型箱45HH 45'半高箱45HZ 45'危险品箱45OH 45'超高箱45OL 45'超长箱45OS 45'侧壁全开45OT 45'开顶式箱45OW 45'超宽箱45PC 45'平台箱45RF 45'冷藏箱45SP 45'专用箱45TK 45'罐式箱45WH 45'液体箱53RF 53’冷藏箱。
集装箱类型代码表:
注:原代号指本标准1984年版本规定的箱型代号。
集装箱尺寸代码表:
>2.438 mm 和 2.500
mm
使用说明
按照ISO 6364.2中第6章“标记的标志方法”,箱型和尺寸代码应作为一个整体在集装箱上标识。
其组配代码结构为:
X X X X
箱型代码
尺寸代码
例如: 22G1指箱长为20英尺(6068mm),箱宽为8英尺(2438mm)和箱高为8英尺6英寸(2591mm),上方有透气罩的通用集装箱。
本标准附录A(提示的附录)中给出部分国内集装箱类型与尺寸的查询参考表。
本标准附录B(提示的附录)中给出ISO6346第6章规定的集装箱识别标记及其代码的布置图样。
集装箱箱型代码10GP10英尺通用箱10RT10英尺冻柜12ST12英尺特种箱20BK20'散装货箱20BO20'平板式箱20FR20'板架式箱20GP20'通用箱20HC20'大型箱20HH20'半高箱20HT20’挂衣箱20HZ20'危险品箱20OH20'超高箱20OL20'超长箱20OS20'侧壁全开20OT20'开顶式箱20OW20'超宽箱20PC20'平台箱20RE20'空冷藏箱20RH20'高空冻箱20SP20'专用箱20TK20'罐式箱20WH20'液体箱22DO20'半开门40BK40'散装货箱40BO40'平板式箱40FR40'板架式箱40GP40'通用箱40HC40'大型箱40HH40'半高箱40HR40'超高冷箱40HT40'挂衣箱40HZ40'危险品箱40OH40'超高箱40OL40'超长箱40OS40'侧壁全开40OT40'开顶式箱40OW40'超宽箱40RE40'空冷藏箱40RF40'重冷藏箱40RH40超高空冻箱40SP40'专用箱40TK40'罐式箱40WH40'液体箱43DO40'半开门45BK45'散装货箱45BO45'平板式箱45FR45'板架式箱45GP45'通用箱45HC45'大型箱45HH45'半高箱45HZ45'危险品箱45OH45'超高箱45OL45'超长箱45OS45'侧壁全开45OT45'开顶式箱45OW45'超宽箱45PC45'平台箱45RF45'冷藏箱45SP45'专用箱45TK45'罐式箱45WH45'液体箱53RF53’冷藏箱。
集装箱类型代码表
注:原代号指本标准1984年版本规定的箱型代号
集装箱尺寸代码表
使用说明
按照ISO 6364.2中第6章“标记的标志方法”,箱型和尺寸代码应作为一个整体在集装箱上标识。
其组配代码结构为:
箱型代码
尺寸代码
例如:22G1指箱长为20英尺(6068mm),箱宽为8英尺(2438mm)和箱高为8英尺6英寸(2591mm),上方有透气罩的通用集装箱。
本标准附录A (提示的附录)中给出部分国内集装箱类型与尺寸的查询参考表。
本标准附录B (提示的附录)中给出ISO6346第6章规定的集装箱识别标记及其代码的布置图样。
集装箱类型代码表:
注:原代号指本标准1984年版本规定的箱型代号。
集装箱尺寸代码表:
>2.438 mm 和 2.500
mm
使用说明
按照ISO 6364.2中第6章“标记的标志方法”,箱型和尺寸代码应作为一个整体在集装箱上标识。
其组配代码结构为:
X X X X
箱型代码
尺寸代码
例如: 22G1指箱长为20英尺(6068mm),箱宽为8英尺(2438mm)和箱高为8英尺6英寸(2591mm),上方有透气罩的通用集装箱。
本标准附录A(提示的附录)中给出部分国内集装箱类型与尺寸的查询参考表。
本标准附录B(提示的附录)中给出ISO6346第6章规定的集装箱识别标记及其代码的布置图样。
10GP 10英尺通用箱10RT 10英尺冻柜12ST 12英尺特种箱20BK 20'散装货箱20BO 20'平板式箱20FR 20'板架式箱20GP 20'通用箱20HC 20'大型箱20HH 20'半高箱20HT 20’挂衣箱20HZ 20'危险品箱20OH 20'超高箱20OL 20'超长箱20OS 20'侧壁全开20OT 20'开顶式箱20OW 20'超宽箱20PC 20'平台箱20RE 20'空冷藏箱20RF 20'冷藏箱20RH 20'高空冻箱20SP 20'专用箱20TK 20'罐式箱22DO 20'半开门40BK 40'散装货箱40BO 40'平板式箱40FR 40'板架式箱40GP 40'通用箱40HC 40'大型箱40HH 40'半高箱40HR 40'超高冷箱40HT 40'挂衣箱40HZ 40'危险品箱40OH 40'超高箱40OL 40'超长箱40OS 40'侧壁全开40OT 40'开顶式箱40OW 40'超宽箱40PC 40'平台箱40RE 40'空冷藏箱40RF 40'重冷藏箱40RH 40超高空冻箱40SP 40'专用箱40TK 40'罐式箱43DO 40'半开门45BK 45'散装货箱45BO 45'平板式箱45FR 45'板架式箱45GP 45'通用箱45HC 45'大型箱45HH 45'半高箱45HZ 45'危险品箱45OH 45'超高箱45OL 45'超长箱45OS 45'侧壁全开45OT 45'开顶式箱45OW 45'超宽箱45PC 45'平台箱45RF 45'冷藏箱45SP 45'专用箱45TK 45'罐式箱45WH 45'液体箱53RF 53’冷藏箱。
集装箱类型代码表:
注:原代号指本标准1984年版本规定的箱型代号。
集装箱尺寸代码表:
>2.438 mm 2.500
使用说明
按照ISO 6364.2中第6章“标记的标志方法”,箱型和尺寸代码应作为一个整体在集装箱上标识。
其组配代码结构为:
X X X X
箱型代码
尺寸代码
例如: 22G1指箱长为20英尺(6068mm),箱宽为8英尺(2438mm)和箱高为8英尺6英寸(2591mm),上方有透气罩的通用集装箱。
本标准附录A(提示的附录)中给出部分国内集装箱类型与尺寸的查询参考表。
本标准附录B(提示的附录)中给出ISO6346第6章规定的集装箱识别标记及其代码的布置图样。
集装箱尺寸类型代码一代码说明1 本代码使用的是UN/ISO标准代码,代码库提供了84和95版本,建议使用95版的数字-字符型代码。
2 代码结构(1)本标准引用ISO/DIS 6346.2的第4.2.2条款;箱型代码:由两位字符表示:X X箱型编号箱型标识符注:第1位由一个拉丁字母表示箱型;第2位由一个数字表示该箱型的特征。
(2) 集装箱尺寸代码结构引用ISO/DIS 6346.2中附录D的规定。
该代码由两位字符表示:X X箱高和箱宽代码箱长代码注:第1个字符表示箱长;第2个字符表示箱宽和箱高。
3 代码表(1)集装箱类型代码表本组代码等同采用IS0 6364.2附录E中的表E1;详见表1。
表 1注:原代号指本标准1984年版本规定的箱型代号。
(2)集装箱尺寸代码表本组代码等同采用ISO 6346.2附录D中的表D1和表D2;详见表2和表3。
表 2表 32.438 mm(8 ft) >2.438 mm 2.500 mm4 使用说明按照ISO 6364.2中第6章"标记的标志方法",箱型和尺寸代码应作为一个整体在集装箱上标识。
其组配代码结构为:X X X X箱型代码尺寸代码例如: 22G1指箱长为20英尺(6068mm),箱宽为8英尺(2438mm)和箱高为8英尺6英寸(2591mm),上方有透气罩的通用集装箱。
二代码的维护与管理由于箱型尺寸代码是国际集装箱运输EDI中最重要的代码之一,所以在此给出了此代码的详细构成的解释和说明。
就集装箱运输业务发展的速度与趋势来看,本代码可以充分满足集装箱运输业务需要,没有漏码问题,近期不用增码。
希望各用户严格按照代码生成规则使用本代码。
在使用过程中如还有疑问,请与中心个别联系。
全)集装箱尺寸、箱型及代码对照表(收藏20GP、40GP和40HQ是三种最常用的集装箱1)20GP的尺寸为:长20英尺X宽8英尺X高8.5英尺,简称20尺普柜。
2)40GP的尺寸为:长40英尺X宽8英尺X高8.5英尺,简称40尺普柜。
3)40HQ的尺寸为:长40英尺X宽8英尺X高9.5英尺,简称40尺高柜。
长度单位换算方法:1英寸=2.54cm1英尺=12英寸=12*2.54=30.48cm集装箱的长宽高计算:1)宽度:8英尺=8*30.48cm=2.438米2)普柜高度:8英尺6英寸=8.5英尺=8.5*30.48cm=2.59米3)高柜高度:9英尺6英寸=9.5英尺=9.5*30.48cm=2.89米4)小柜长度:20英尺=20*30.48cm=6.096米5)大柜长度:40英尺=40*30.48cm=12.192米集装箱的箱体体积计算:1)20GP的体积=长*宽*高=6.096*2.438*2.59米≈38.5CBM,实际可装货物约30m32)40GP的体积=长*宽*高=12.192*2.438*2.59米≈77CBM,实际可装货物约65m33)40HQ的体积=长*宽*高=12.192*2.438*2.89米≈86CBM,实际可装货物约75m345HQ的尺寸和体积又是多少?长=45英尺=45*30.48cm=13.716米宽=8英尺=8*30.48cm=2.438米高=9英尺6英寸=9.5英尺=9.5*30.48cm=2.89米45HQ的箱体体积=长*宽*高=13.716*2.438*2.89≈96CBM,实际可装货物约85m38 种常见的集装箱及代码1)干货箱:箱型代码GP;95码22G12)干货高箱:箱型代码GH(HC/HQ);95码25G13)挂衣箱:箱型代码HT;95码22V14)开顶箱:箱型代码OT;95码22U15)冷冻箱:箱型代码RF;95码22R16)冷高箱:箱型代码RH;95码25R17)油罐箱:箱型代码TK;95码22T18)框架箱:箱型代码FR;95码22P1明细如下▼仔细观察一下上表,发现“规律”了吗?1)箱型代码第一个字母为“G”的,都是普通集装箱(普通箱和挂衣箱、冷冻箱、框架箱等特种箱相对),因为G就是General,表示普通的、一般的、通用的2)箱型代码第二个字母为“H”的,都高箱,因为H就是High,表示高的3)95码第一位数字为2 的是20英尺,开头为4的是40英尺,开头为L的是45英尺4)95码第二位数字为2的非高箱(8.5英尺高);为5的为高箱(9.5英尺高)——这个要特别注意:5 并不代表45英尺,如40HQ的95代码为45G1,这个极易让人误以为是45HQ的柜子,其实45G1指的是40HQ(如下图)▼对了,95码是啥意思?95码就是联合国UN/ISO标准代码库里面所提供的95版本的数字-字符型代码版权声明:本文为国际货代精英原创,欢迎分享,无须授权即可转载。
OT=OPEN TOP 开顶箱TK=TANK 罐箱HR=HIGH REEFER 冷高柜HQ=高柜GP=普柜FL=平板柜AC=通风柜我们通常见到的20英尺、40英尺集装箱叫干货集装箱(Dry Cargo Container),也叫杂货集装箱,还有人称其为货柜。
这种集装箱用来运输无需控制温度的件杂货,使用范围很广,常用的有20英尺和40英尺两种,还有一种加高了的40英尺集装箱也属于干货集装箱。
这种集装箱结构特点是常为封闭式。
一般在一端或侧面设有箱门,箱内设有一定的加固货物的装置,这种箱子在使用时要求箱内清洁、不渗水、漏水。
对装入的货物要求有适当的包装,以便充分利用集装箱的箱容。
现在我们来详细介绍一下这三种常用干货集装箱的外尺寸和内容积:20英尺集装箱:外尺寸为6.1M×2.44M×2.59M (20ft×8ft×8ft6in);内容积为5.69M×2.13M×2.18M。
这种集装箱一般配装重货,配货毛重一般不允许超过17.5吨,能容纳货物体积约为24-26立方米。
40英尺集装箱:外尺寸为12.2M ×2.44M×2.59M (40ft×8ft×8ft6in);内容积为11.8M×2.13M×2.18M。
这种集装箱一般配装轻泡货,配货毛重一般不允许超过22吨,能容纳货物体积约为54立方米40英尺加高集装箱:外尺寸为12.2M×2.44M×2.9M (40ft×8ft×9ft6in); 内容积为11.8M×2.13M×2.72M。
这种集装箱也配装轻泡货,配货毛重同样不允许超过22吨,能容纳货物体积约为68立方米。
除了这三种常用的集装箱,其他种类的集装箱一般被称为特种集装箱,如果货物要求装特种集装箱,一般在订舱时要向船公司预定,因为船公司不可能在每一港口都配有这种特种箱。
集装箱类型代码表:
注:原代号指本标准1984年版本规定的箱型代号。
集装箱尺寸代码表:
使用说明
按照ISO 6364.2中第6章“标记的标志方法”,箱型和尺寸代码应作为一个整体在集装箱上标识。
其组配代码结构为:
X X X X
箱型代码
尺寸代码
例如: 22G1指箱长为20英尺(6068mm),箱宽为8英尺(2438mm)和箱高为8英尺6英寸(2591mm),上方有透气罩的通用集装箱。
本标准附录A(提示的附录)中给出部分国内集装箱类型与尺寸的查询参考表。
本标准附录B(提示的附录)中给出ISO6346第6章规定的集装箱识别标记及其代码的布置图样。