沉降菌测试记录
- 格式:doc
- 大小:24.50 KB
- 文档页数:1
沉降菌测试方法1、把ф90m m×15mm硼硅酸玻璃培养皿包在报纸里,放入恒温烤箱中加热至180℃后,干烤2小时。
2、取X克培养基放入X克蒸馏水,放入高压消毒锅中加热溶化,冷至45℃时,在无菌操作要求下将培养基注入培养皿,每皿约15ml。
3、待琼脂凝固后,将培养基平皿倒置于33℃恒温培养箱中培养48小时,若培养基平皿上确无菌落生长,即可采样用。
制备好培养皿宜在2—8℃环境中保存。
4、采样时,一般在100级层流罩中放置3个培养皿,在100000级,10000级按面积大小一般放2个培养皿。
打开培养皿盖,使培养基表面暴露0.5小时,再将培养皿盖上后倒置于恒温培养箱33℃培养,时间不小于48小时,采样点位置离地0.8m—1.5m左右。
5、将培养皿举起用肉眼直接计数,用记号笔点记然后用5—10倍放大镜检查是否遗漏,若培养皿上有2个或2个以上菌落重叠,分辨时仍以2个或2个以上菌落计数,不要漏计培养皿边缘生长菌落,并注意细菌菌落与培养基沉淀物区别。
6、沉降菌测试前,被测洁净室已消毒。
被测洁净室温湿度须达到规定要求,静压差、换气次数、空气流速必须控制在规定值内,测试状态有静态和动态两种,测试状态选择须符合生产要求,并在报告中注明测试状态。
7、测试人员必须穿戴符合环境洁净度级别工作服,静态测试时,室内测试人员不得多于2人。
测试时间对单向流100级净化房间及层流工作台,测试应在净化空调系统正常运行不少于10min后开始,对非单向流,100000级以上净化房间,测试应在净化空调系统正常运行不少于30min 后开始。
8、平均菌落数计算:M 1+M 2+M 3 平均菌落数=.........21nMnM M ++ n —培养皿总数 M 1—1号培养皿菌落数 M 2—2号培养皿菌落数 M n —n 号培养皿菌落数用平均菌落数判断洁净空气中微生物。
洁净室内平均菌落数必须低于所选定的评定标准,(100级≤1个;10000级≤3个;100000级≤10个)。
范围:各生产车间、化验室。
责任人:质控部检验员。
正文:1 标准依据:ISO14644-1,新版《药品生产质量管理规范》。
2 微生物监测的标准:为评估无菌生产的微生物状况,应对微生物进行动态监测,监测方法有沉降菌法、定量空气浮游菌采样法和表面取样法(如:棉签擦拭法和接触碟法)等。
动态取样应避免对洁净区造成不良影响,对表面和操作人员的监测,应在关键操作完成后进行。
在正常的生产操作监测外,可在系统验证、清洁或消毒等操作完成后增加微生物监测。
2.1 微生物监测的动态标准洁净区微生物监测的动态标准如下:(2)单个沉降碟的暴露时间可以少于4小时,同一位置可使用多个沉降碟连续进行监测并累积计数。
3 测试方法3.1 方法概述本测试方法采用沉降法,即通过自然沉降原理收集在空气中的生物粒子于培养基平皿,经若干时间,在适宜的条件下让其繁殖到可见的菌落进行计数,以平板培养皿中的菌落数来判定洁净环境内的活微生物数,并以此来评定洁净室(区)的洁净度。
3.2 所用的仪器和设备3.2.1 高压消毒锅使用时应严格按照仪器标准操作维修保养规程。
3.2.2 恒温培养箱定期对培养箱进行检定。
3.2.3 培养皿一般采用 90mm×15mm的硼硅酸玻璃培养皿。
3.2.4 培养基普通肉汤琼脂培养基或其他药典认可的培养基。
其配制方法见附录A(标准的附录)。
3.3 测试步骤3.3.1 采样方法将已制备好的培养皿按4.4.1的要求放置,打开培养皿盖,使培养基表面暴露0.5h,再将培养皿盖盖上后倒置。
3.3.2 培养3.3.2.1 全部采样结束后,将培养皿倒置于恒温培养箱中培养。
3.3.2.2 在30℃~35℃培养箱中培养,时间不少于48h。
3.3.2.3 每批培养基应有对照试验,检验培养基本身是否污染。
可每批选定3只培养皿作对照培养。
3.3.3 菌落计数3.3.3.1 用肉眼直接计数,标记或在菌落计数器上点计,然后用5~10倍放大镜检查,不得遗漏。
沉降菌测试方法1、把ф90m m×15mm硼硅酸玻璃培养皿包在报纸里,放入恒温烤箱中加热至180℃后,干烤2小时。
2、取X克培养基放入X克蒸馏水,放入高压消毒锅中加热溶化,冷至45℃时,在无菌操作要求下将培养基注入培养皿,每皿约15ml。
3、待琼脂凝固后,将培养基平皿倒置于33℃恒温培养箱中培养48小时,若培养基平皿上确无菌落生长,即可采样用。
制备好培养皿宜在2—8℃环境中保存。
4、采样时,一般在100级层流罩中放置3个培养皿,在100000级,10000级按面积大小一般放2个培养皿。
打开培养皿盖,使培养基表面暴露0.5小时,再将培养皿盖上后倒置于恒温培养箱33℃培养,时间不小于48小时,采样点位置离地0.8m—1.5m左右。
5、将培养皿举起用肉眼直接计数,用记号笔点记然后用5—10倍放大镜检查是否遗漏,若培养皿上有2个或2个以上菌落重叠,分辨时仍以2个或2个以上菌落计数,不要漏计培养皿边缘生长菌落,并注意细菌菌落与培养基沉淀物区别。
6、沉降菌测试前,被测洁净室已消毒。
被测洁净室温湿度须达到规定要求,静压差、换气次数、空气流速必须控制在规定值内,测试状态有静态和动态两种,测试状态选择须符合生产要求,并在报告中注明测试状态。
7、测试人员必须穿戴符合环境洁净度级别工作服,静态测试时,室内测试人员不得多于2人。
测试时间对单向流100级净化房间及层流工作台,测试应在净化空调系统正常运行不少于10min后开始,对非单向流,100000级以上净化房间,测试应在净化空调系统正常运行不少于30min 后开始。
8、平均菌落数计算:M 1+M 2+M 3 平均菌落数=.........21nMnM M ++ n —培养皿总数 M 1—1号培养皿菌落数 M 2—2号培养皿菌落数 M n —n 号培养皿菌落数用平均菌落数判断洁净空气中微生物。
洁净室内平均菌落数必须低于所选定的评定标准,(100级≤1个;10000级≤3个;100000级≤10个)。
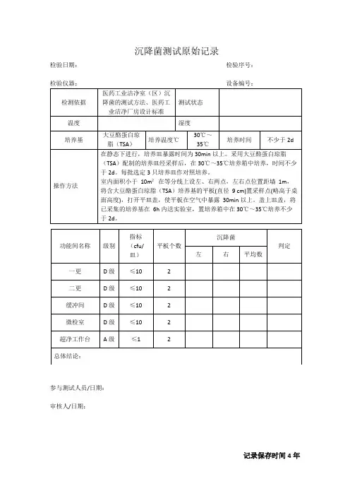
洁净车间沉降菌检测记录(总3页)--本页仅作为文档封面,使用时请直接删除即可----内页可以根据需求调整合适字体及大小--沉降菌检测记录记录编号:AI/R QA-005检测依据:《GB/T16294-2010医药工业洁净室(区)沉降菌的测试方法》检测步骤:1 培养皿(¢90mm×15mm的玻璃培养皿)采样前应仔细检查每个培养皿的质量,如发现破损或污染的应剔除。
将培养皿121℃湿热灭菌20分钟或于180℃干热灭菌2小时,灭菌后取出备用。
2 培养基配制取适量培养基,按培养基说明书配制比例加纯化水后加热溶解,溶解后分装于烧瓶,放入高温灭菌锅,121℃高温下灭菌20分钟后取出备用。
灭菌后的培养基冷却至约60℃,在万级洁净室中的百级超净台上,无菌操作要求下将灭菌过的培养基分装于培养皿中,每个培养皿约20mL,冷却凝固后便可使用。
制备好的培养基平皿应在2℃~8℃保存,一般有效期以一周为宜或按厂商提供的标准执行,需保存的剩余培养基应采用适宜方法在平皿上做好培养基的名称及制备日期的标记。
3 采样方法将已制备好的培养皿按测点图的要求放置,打开培养皿盖,使培养基表面暴露,再将培养皿盖盖上后倒置。
4 培养全部采样结束后,将培养皿倒置于恒温培养箱中培养。
在30℃-35℃培养箱中培养,时间不少于48h。
培养皿在用于检测时,为避免培养基本身污染,每次取3个对照皿同时进行对照试验,与采样皿同法操作但不需暴露采样,然后与采样后的培养皿一起放入培养箱内培养,作阴性对照培养,结果应无菌落生长。
5 菌落计数用肉眼直接计数,标记或在菌落计数器上点计,有条件的可用5-10倍放大镜检查有否遗漏。
若培养皿上有2个或2个以上的菌落重叠,可分辨时仍以2个或2个以上菌落计数。
检测记录:注:1、结果判定栏中,用“√”表示。
2、若部分洁净区域检测不符合,则需重新打扫卫生后复测。
检测人:复核人:。
沉降菌测试方法范文沉降菌测试方法,也称为沉降法菌落计数法或霉菌菌落计数法,是一种用于测定液体或固体样品中微生物总数的方法。
它是通过将待测样品稀释后,将其均匀涂布在富营养培养基上,然后在适宜的条件下培养并计数菌落数量来进行的。
以下是沉降菌测试方法的详细步骤:材料准备:1.培养基:选择适合菌落生长和明显可见的适宜富营养培养基,如琼脂培养基。
2.空气采样器:使用空气采样器采集空气中的微生物样本。
3.灭菌工具:包括火焰灭菌器、灭菌锅等。
4.精密量筒:用于稀释待测样品。
步骤:1.预处理样品:a.若待测样品为液体,则需要首先将其充分混匀。
b.若待测样品为固体,则需要将其用适宜的方法制备成液体悬浮液,以保证样品中微生物的均匀分布。
2.稀释样品:a.确定合适的稀释倍数,选择合适的容器,并在其中加入适量的培养基。
b.使用精密量筒将待测样品稀释至合适的浓度。
通常情况下,稀释倍数应为10的指数倍数,如10^-1、10^-2等。
3.涂布样品:a.取一支已灭菌的玻璃棒或镊子,沾取一定量的稀释后的样品。
b.将沾有样品的玻璃棒或镊子均匀涂布在琼脂培养基的表面,确保涂布均匀、无气泡和交叉污染。
4.培养样品:a.将琼脂培养基培养皿倒置,放入已灭菌的培养皿,并将其封闭。
b.将培养皿置于适当的温度和湿度条件下,一般为28-37摄氏度。
c.培养时间一般为24-48小时,根据不同微生物种类和培养基的要求可进行相应调整。
5.菌落计数:a.取出培养好的琼脂培养基培养皿,记录上面出现的菌落数量。
b.对于数目较多的菌落,可以进行随机选择部分区域进行计数,然后乘以相应倍数估算总菌落数量。
整个过程中,需注意严格的灭菌操作以及防止交叉污染的发生。
计数结果应及时记录并进行统计分析。
目的制定标准的洁净室(区)沉降菌的测试方法,指导沉降菌的测试工作。
范围适用于洁净室(区)沉降菌的测定和验证。
责任QC微生物室检验员负责洁净室(区)沉降菌的测试,QC主管和QA部门负责对测试的数据进行统计分析。
程序1.定义1.1.菌落:微生物培养后,由一个或几个微生物繁殖而形成的微生物集落,简称CFU。
1.2.沉降菌:通过自然沉降原理收集在空气中的活微生物粒子,通过专用的培养基,在适宜的条件下让其繁殖到可见的菌落数。
1.3.动态测试:洁净室(区)已处于正常生产状态设备在指定的方式下进行,并且有指定的人员按照规范操作的状态。
2.测试方法2.1.测试过程2.1.1.设备和培养基:恒温培养箱、购买预灌装TSA平皿或者自制TSA平皿。
2.2.测试条件2.2.1.洁净室(区)的温度和相对湿度应与其生产及工艺要求相适应(无特殊要求时,温度在18~26℃,相对湿度在45%~65%为宜)。
2.2.2.风速、压差应在合格范围内。
2.2.3.动态测试。
2.3.测试方法2.3.1.将准备好的培养皿按采样点要求放置或放在沉降架上(约)。
将采样台面取样位置或采样辅助设施表面消毒,打开培养皿,将培养皿盖置于已消毒位置,将培养皿置于培养皿盖上,使培养基表面充分暴露后,将培养皿盖盖上后倒置。
2.3.2.在每一只培养皿上标记好具体的取样位置及取样日期,将所有培养皿在QC微生物室进行培养观察。
2.4.培养观察计数2.4.1.全部采样结束后,将培养皿倒置于恒温培养箱中培养,在20~25℃培养箱中培养3天,30~35℃培养箱中培养2天后观察计数。
2.4.2.每批培养基应有阴性对照试验,检验培养基本身是否污染。
可每次选定2只培养皿作对照培养。
2.5.计算2.5.1.平均菌落数M= M1+M2+…MNNM1=1号培养皿菌落数M2=2号培养皿菌落数Mn=n号培养皿菌落数n=培养皿总数2.5.2.结果判定2.5.2.1.最终结果采用平均值。
但每个碟的菌落数亦不得多于标准规定。
微生物检验室沉降菌测试原始记录评定标准十万级w 10CFU 皿;万级w 3CFU 皿;百级w 1CFU 皿RSB60-00°C采样点图示 见附图:报告日期 _________结 论 _______________________ 检验者 ____________ 复核者 ___________________RSB64-00固体制剂车间沉降菌测试原始记录(2)编 号______________________ 测试依据SPG108-01环境温度________________ °C培养基批号__________________ 测试单位 ______________ 测试状态 ______________ 相对湿度% _____________培养温度 ______________采样点图示 见附图:评定标准:十万级w 10CFU皿;万级w 3CFU皿;百级w 1CFU皿结论___________________检验者_________________ 复核者______________RSB63-00 固体制剂车间沉降菌测试原始记录(1 )评定标准: 十万级w 10CFU/皿; 万级w 3CFU/皿; 百级w 1CFU/皿 结 论 检验者 复核者 _____________________RSB61-00原料车间沉降菌测试原始记录编 号 ______________________ 测试单位 ________________ 测试依据SPG108-01 测试状态 _______________环境温度 _______________ ° C 相对湿度% ______________ 培养基批号 _________________ 培养温度 _________________ °C 静压差 ___________________ 检测日期 __________________ 报告采样点图示 见附图:日期评定标准:十万级w 10CFU/皿;万级w 3CFU/皿;百级w 1CFU/皿检验者复核者RSB62-00 原料车间沉降菌测试原始记录评定标准:十万级w 10CFU皿;万级w 3CFU皿;百级w 1CFU皿结论检验者复核者____________________RSB61-01 原料车间沉降菌测试原始记录编号测试单位测试依据SPG108-01 测试状态环境温度°C相对湿度% 培养基批号培养温度静压差检测日期采样点图示见附图:报告日期 _________评定标准:十万级w 10CFU/皿;万级w 3CFU/皿;百级w 1CFU/皿结论________________ 检验_______________ 复核者_______________。
RSB60-00 微生物检验室沉降菌测试原始记录测试依据SPG108-01 测试状态环境温度°C 相对湿度%培养基批号培养温度°C静压差检测日期报告日期评定标准十万级≤10CFU/皿;万级≤3CFU/皿;百级≤1CFU/皿结论检验者复核者RSB64-00 固体制剂车间沉降菌测试原始记录(2)测试依据SPG108-01 测试状态环境温度°C 相对湿度%培养基批号培养温度°C静压差检测日期报告日期评定标准:十万级≤10CFU/皿;万级≤3CFU/皿;百级≤1CFU/皿结论检验者复核者RSB63-00 固体制剂车间沉降菌测试原始记录(1)测试依据SPG108-01 测试状态环境温度°C 相对湿度%培养基批号培养温度°C静压差检测日期报告日期评定标准:十万级≤10CFU/皿;万级≤3CFU/皿;百级≤1CFU/皿结论检验者复核者RSB61-00 原料车间沉降菌测试原始记录测试依据SPG108-01 测试状态环境温度°C 相对湿度%培养基批号培养温度°C静压差检测日期报告日期评定标准:十万级≤10CFU/皿;万级≤3CFU/皿;百级≤1CFU/皿结论检验者复核者RSB62-00 原料车间沉降菌测试原始记录测试依据SPG108-01 测试状态环境温度°C 相对湿度%培养基批号培养温度°C静压差检测日期报告日期评定标准:十万级≤10CFU/皿;万级≤3CFU/皿;百级≤1CFU/皿结论检验者复核者RSB61-01原料车间沉降菌测试原始记录编 号 测试单位 测试依据 SPG108-01 测试状态 环境温度 °C 相对湿度% 培养基批号 培养温度 °C静 压 差 检测日期 报告日期评定标准: 十万级≤10CFU/皿; 万级≤3CFU/皿; 百级≤1CFU/皿 结 论 检 验 者 复核者。
结论:根据洁净区监测的管理程序沉降菌检测要求检测,结果符合规定㠞备注:符合规定划“√”不符合规定划“×”
结论:根据洁净区监测的管理程序沉降菌检测要求检测,结果符合规定㠞备注:符合规定划“√”不符合规定划“×”
结论:根据洁净区监测的管理程序沉降菌检测要求检测,结果符合规定㠞备注:符合规定划“√”不符合规定划“×”
结论:根据洁净区监测的管理程序沉降菌检测要求检测,结果符合规定㠞备注:符合规定划“√”不符合规定划“×”
结论:根据洁净区监测的管理程序沉降菌检测要求检测,结果符合规定㠞备注:符合规定划“√”不符合规定划“×”
结论:根据洁净区监测的管理程序沉降菌检测要求检测,结果符合规定㠞备注:符合规定划“√”不符合规定划“×”
结论:根据洁净区监测的管理程序沉降菌检测要求检测,结果符合规定㠞备注:符合规定划“√”不符合规定划“×”
结论:根据洁净区监测的管理程序沉降菌检测要求检测,结果符合规定㠞备注:符合规定划“√”不符合规定划“×”。