数控车工(技师·高级技师)(职业技能培训鉴定教材)
- 格式:docx
- 大小:17.63 KB
- 文档页数:11
数控车工职业鉴定标准一.职业概况1、职业名称:数控车床操作工2、职业定义:操作数控车床,进行工件车削加工的人员。
3、职业等级:本职业共设四个等级,分别为中级〔相当于国家职业资格四级〕、高级〔相当于国家职业资格三级〕、技师〔相当于国家职业资格二级〕、高级技师〔相当于国家职业资格一级〕。
4、职业环境:室内、常温。
5、职业能力特点:具有较强的运算能力和空间感、形体知觉及色觉,手指、手臂灵活,动作和谐。
6、差不多文化程度:高中毕业〔含同等学历〕。
7、培训要求:〔1〕培训期限:全日制职业学校教育,依照其培养目标和教学打算确定。
晋级培训期限:中级许多于400标准学时;高级许多于300标准学时。
〔2〕培训教师:基础理论课教师应具备本科及本科以上学历,具有一定的教学体会;培训中、高级人员的教师应具备本职业技师以上职业资格证书或本专业中级以上专业技术职务任职资格;培训技师的教师应具备本职业高级技师职业资格证书或本专业高级专业技术职务任职资格;培训高级技师的教师应具备本职业高级技师职业资格证书2年以上或本专业高级专业技术职务任职资格。
〔3〕培训场地设备:满足教学需要的标准教室;数控车床及完成加工所需的工件、刀具、夹具、量具和机床辅助设备;运算机、正版国产或进口CAD/CAM自动编程软件和数控加工仿真软件等。
8、鉴定要求〔l〕适用对象:从事和预备从事本职业的人员。
〔2〕申报条件——中级〔具备以下条件之一者〕l〕取得相关职业〔指车、铣、镗工,以下同〕初级职业资格证书后,连续从事相关职业3年以上,经本职业中级正规培训达规定的标准学时,并取得毕〔结〕业证书。
2〕取得相关职业中级职业资格证书后,且连续从事相关职业1年以上,经本职业中级正规培训达规定的标准学时数,并取得毕〔结〕业证书。
3〕取得中等职业学校数控加工技术专业或大专以上〔含大专〕相关专业毕业证书。
——高级〔具备以下条件之一者〕l〕取得本职业中级职业资格证书后,连续从事本职业4年以上,经本职业高级正规培训达规定的标准学时数,并取得毕〔结〕业证书。
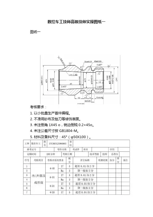
数控车工技师高级技师实操图纸一图纸一考核要求:1. 以小批量生产首件编程。
2. 不准用砂布及锉刀等修饰表面。
3. 未注倒角1X45 o,锐边倒钝0.2×45o。
4. 未注公差尺寸按 GB1804-M。
5. 材料及备料尺寸:45°(φ50X100)。
3、技能练习题一毛坯图(材质:45号钢)4、工、量具清单刀具清单量具清单5、参考工艺⑴.设坐标原点。
⑵.钻孔为φ22,调用镗孔刀,用G71、G70指令粗、精车出1:10锥度、φ25内孔,并控制尺寸精度。
⑶.调用外圆尖刀,用G73、G70指令粗、精车出R40、R6、R5圆弧面、φ48外圆、锥度,并控制尺寸精度。
⑷.返回原点,换回粗车外圆车刀,消除刀补。
⑸.掉头,用变径套φ48夹住φ48外圆车另一头并控制工件总长。
⑹.设坐标原点。
⑺.钻孔为φ25,调用镗孔刀,用G71、G70指令粗、精车出φ28内孔、倒角,并控制尺寸精度。
⑻.调用外圆尖刀,用G71、G70指令粗、精车出螺纹表面,并控制尺寸精度。
⑼.调用切槽刀,用单段指令,把φ32槽车出后,倒角。
⑽.调用螺纹车刀,利用G76指令,将M42的螺纹车出。
⑾.返回原点,换回粗车外圆车刀,消除刀补。
⑿.结束程序。
6、注意事项⑴.一切操作必须听从工作人员的统一指挥。
⑵.按规定穿工作服,并准备规定的防护用具。
⑶.保证自备的仪器、工、量具齐备良好。
⑷.严格按照操作规程和安全规程操作。
⑸.发生事故时,要沉着、积极配合工作人员处理。
数车车技工师和高级技师复习资料目录技师(高级技师)前言第一章国家职业标准第二章知识要求练习题第三章技能要求练习题第四章试题样卷第五章参考答案第一章国家职业标准一.基本要求1. 职业道德(1).职业道德是人们职业活动紧密联系的符合,职业特点所要求的道德准则、道德情操与道德品质的总和(2).职业道德具有行业性、广泛性、实用性、时代性的特点2.职业守则(1).遵守法律、法规和有关规定(2).爱岗敬业、具有高度的责任心(3).严格执行工作程序、工件规范、工艺文件和文件安全操作规程(4).工作认真负责、团结合作(5).爱护设备及工具、夹具、刀具、量具(6).着装整洁,符合规定;保持工作环境清洁有序,文明生产3. 基础知识(1).基础理论知识1).识图知识2).公差与配合3).常用金属材料几热处理知识4).常用非金属材料知识(2).机械加工知识1).机械传动知识2).机械加工常用设备知识(分类、用途)3).金属切削常用刀具知识4).典型零件(主轴、箱体、齿轮、等)的加工工艺5).设备润滑及切削液的使用知识6).工具、夹具、量具使用与维护知识(3).钳工基础知识1).划线知识2).钳工操作知识(4).电工知识1).通用设备常用电器的种类及用途2).电力拖动及控制原理基础知识3).安全用电知识(5).安全文明生产与环境保护知识1).现场文明生产要求2).安全操作与劳动保护知识(6).质量管理知识1).企业的质量方针2).岗位的质量方针‘3).岗位的质量保证措施与责任(7).相关法律、法规知识1).劳动法相关知识2).合同法相关知识第二章知识要求练习题一、判断题()1、液压传动系统在工作时,必须依靠油液内部的压力来传递运动。
()2、双作用叶片泵转子每转一周,每个密封容积就完成两次吸油和压油。
()3、流量控制阀节流口的水力半径小,受油温的影响小。
()4、熔断器中熔体是由易熔金属铝、锡、铜、银、及其合金制成。
()5、操作人员若发现电动机或电器有异常时,应立即停车修理,然后再报告值班电工。
高级数控车工职业技能鉴定试题题库及答案高级数控车工职业技能鉴定试题题库及答案一选择题以下四个备选答案中其中一个为正确答案请将其代号填入括号内1图样中螺纹的底径线用 C 绘制A 粗实线B 细点划线C 细实线D 虚线2装配图的读图方法首先看 B 了解部件的名称A 零件图B 明细表C 标题栏D 技术文件3公差代号H7的孔和代号 C 的轴组成过渡配合A f6B g6C m6D u64牌号为45的钢的含碳量为百分之 CA 45B 45C 045D 00455液压泵的最大工作压力应 C 其公称压力A大于 B小于 C小于或等于 D等于6轴类零件的调质处理热处理工序应安排在 BA粗加工前B粗加工后精加工前C精加工后D渗碳后7下列钢号中 A 钢的综合力学性能最好A 45B T10C 20D 088 刀具半径尺寸补偿指令的起点不能写在B 程序段中AG00 B G02G03 C G019画螺纹连接图时剖切面通过螺栓螺母垫圈等轴线时这些零件均按 A 绘制 A 不剖 B 半剖 C 全剖 D 剖面10一对相互啮合的齿轮其模数 B 必须相等才能正常传动A 齿数比B 齿形角C 分度圆直径D 齿数11数控车床中目前数控装置的脉冲当量一般为 BA 001B 0001C 00001D 0112 MC是指D的缩写A 自动化工厂B 计算机数控系统C 柔性制造系统FMCD 数控加工中心13工艺基准除了测量基准装配基准以外还包括 AA 定位基准B 粗基准C 精基准D 设计基准14零件加工时选择的定位粗基准可以使用 AA 一次B 二次C 三次D 四次及以上15 程序中的主轴功能也称为 DAG指令BM指令CT指令DS指令16车床上的卡盘中心架等属于 A 夹具A 通用B 专用C 组合D 标准17工件的定位精度主要靠 A 来保证A 定位元件B 辅助元件C 夹紧元件D 其他元件18切削用量中 A 对刀具磨损的影响最大A 切削速度B 进给量C 进给速度D 背吃刀量19刀具上切屑流过的表面称为 AA 前刀面B 后刀面C 副后刀面D 侧面20配合代号H6f5应理解为A配合A 基孔制间隙B 基轴制间隙C 基孔制过渡D 基轴制过渡21 不符合着装整洁文明生产要求的是 BA按规定穿戴好防护用品B工作中对服装不作要求C遵守安全技术操作规程D执行规章制度22标准麻花钻的顶角φ的大小为 CA 90°B 100°C 118°D 120°23传动螺纹一般都采用 CA 普通螺纹B 管螺纹C 梯形螺纹D 矩形螺纹24 加工铸铁等脆性材料时应选用 B 类硬质合金A钨钴钛 B钨钴 C钨钛 D钨钒25数控机床有不同的运动方式需要考虑工件与刀具相对运动关系及坐标方向采用 B 的原则编写程序A 刀具不动工件移动B 工件不动刀具移动C 根据实际情况而定D 铣削加工时刀具不动工件移动车削加工时刀具移动工件不动26为了保持恒切削速度在由外向内车削端面时如进给速度不变主轴转速应该 CA不变B由快变慢C由慢变快D先由慢变快再由快变慢27数控机床面板上JOG是指 BA 快进B 点动C 自动D 暂停28 数控车床的开机操作步骤应该是 BA 开电源开急停开关开CNC系统电源B 开电源开CNC系统电源开急停开关C 开CNC系统电源开电源开急停开关D 都不对29CNC是指 B 的缩写A自动化工厂B计算机数控系统C柔性制造系统D数控加工中心30机床照明灯应选 C V供电A 220B 110C 36D 8031精车时加工余量较小为提高生产率应选用较大的 CA 进给量B 切削深度C 切削速度D 进给速度32闭环控制系统的位置检测装置安装装在 CA传动丝杠上B伺服电机轴端C机床移动部件上D数控装置33影响已加工表面的表面粗糙度大小的刀具几何角度主要是 DA 前角B 后角C 主偏角D 副偏角34数控机床面板上AUTO是指 CA 快进B 点动C 自动D 暂停35含碳量小于 A 钢称为低碳钢A025 B015 C06 D21136调质处理是指 D 和高温回火相结合的一种工艺A完全退火 B去应力退火 C正火 D淬火37以下材料中耐磨性最好的是 BA纯铜 B铸铁 C中碳钢 D高碳钢38加大前角能使车刀锋利减少切屑变形减轻切屑与前刀面的摩擦从而 A 切削力A降低C增大 D升高39为了减少刀具磨损刀具前角应 DA小些 B较小些 C大些 D较大些40刀具角度中对断屑影响较大的是 CA前角 B后角 C主偏角 D副偏角41以下不属于啮合传动的是 BA链传动 B带传动 C齿轮传动 D螺旋传动42液压系统的工作压力取决于 DA泵的额定压力 B泵的流量 C压力表 D外负载43工件的 C 个自由度都得到限制工件在夹具中只有唯一的位置这种定位称为完全定位A4 B5 C6 D744 A 是计算机床功率选择切削用量的主要依据A主切削力 B径向力 C轴向力 D周向力45 对工件进行热处理时要求某一表面达到的硬度为HRC60~65其意义为CA布氏硬度60~65 B维氏硬度60~65C洛氏硬度60~65 D精度46 将图样中所表示物体部分结构用大于原图形所采用的比例画出的图形称为 CA局部剖视图 B局部视图 C局部放大图 D移出剖视图47 对设备进行局部解体和检查由操作者每周进行一次的保养是 AA例行保养 B日常保养 C一级保养 D二级保养48 限位开关在电路中起的作用是 DA短路保护B过载保护 C欠压保护D行程控制49刀具路径轨迹模拟时必须在 C 方式下进行A 点动B 快点C 自动D 手摇脉冲50在自动加工过程中出现紧急情况可按 D键中断加工A 复位B 急停C 进给保持D 三者均可51 车床数控系统中用哪一组指令进行恒线速控制BAG00 S_ BG96 S_ CG01 F DG98 S_52 程序校验与首件试切的作用是 CA检查机床是否正常B提高加工质量C检验程序是否正确及零件的加工精度是否满足图纸要求D检验参数是否正确53 机械效率值永远是BA大于1 B小于1 C等于1 D负数54 常温下刀具材料的硬度应在 A 以上A HRC60B HRC50C HRC80D HRC10055 圆柱铣刀刀位点是刀具中心线与刀具底面的交点C 是球头的球心点A端面铣刀 B 车刀 C球头铣刀 D倒角铣刀56 刀具容易产生积屑瘤的切削速度大致是在B 范围内A低速 B中速 C减速 D高速57 夹紧力的方向应尽量垂直于主要定位基准面同时应尽量与D方向一致A退刀 B振动 C换刀 D切削58 在精加工和半精加工时为了防止划伤加工表面刃倾角宜选取 CA负值 B零 C正值 D10°59 暂停指令是CAG00 BG01 CG04 DM0260《公民道德建设实施纲要》提出在全社会大力倡导D 的基本道德规范A遵纪守法诚实守信团结友善勤俭自强敬业奉献B爱国守法诚实守信团结友善勤俭自强敬业奉献C遵纪守法明礼诚信团结友善勤俭自强敬业奉献D爱国守法明礼诚信团结友善勤俭自强敬业奉献61 车普通螺纹车刀的刀尖角应等于 D 度A30 B55 C45 D6062 安装刀具时刀具的刃必须 C 主轴旋转中心A 高于B 低于C 等高于D 都可以63 切削脆性金属材料时在刀具前角较小切削厚度较大的情况下容易产生CA带状切屑 B节状切屑 C崩碎切屑 D粒状切屑64 不属于切削液作用的是 CA冷却 B润滑 C提高切削速度 D清洗65 下列关于滚珠丝杠螺母副说法不正确的是 BA通过预紧可消除轴向间隙B通过预紧可提高轴向高度C不能自锁D适当的预紧力应为最大的轴负载66 测量与反馈装置的作用是为了CA提高机床的安全性 B提高机床的使用寿命 C提高机床的定位精度加工精度 D提高机床的灵活性67 砂轮的硬度取决于BA磨粒的硬度 B结合剂的粘接强度磨粒粒度 D磨粒率68 只读存储器只允许用户读取信息不允许用户写入信息对一些常需读取且不希望改动的信息或程序就可存储在只读存储器中只读存储器英语缩写 C ACRT BPIO CROM DRAM69 精基准是用D 作为定位基准面A未加工表面B复杂表面C切削量小的D加工后的表面70 在现代数控系统中系统都有子程序功能并且子程序B 嵌套A只能有一层 B可以有限层 C可以无限层 D不能71 进行轮廓铣削时应避免B 切入和退出工件轮廓A切向 B法向 C平行 D斜向72 刀具号由T后面的D 数字组成A一位 B两位 C三位 D四位73 机械零件的真实大小是以图样上的A 为依据A比例 B公差范围 C技术要求 D尺寸数值74 前刀面与基面间的夹角是CA后角 B主偏角 C前角 D刃倾角75 采用固定循环编程可以BA加快切削速度提高加工质量B缩短程序的长度减少程序所占内存C减少换刀次数提高切削速度D减少吃刀深度保证加工质量76 按数控系统的控制方式分类数控机床分为开环控制数控机床C 闭环控制数控机床A点位控制数控机床B点位直线控制数控机床C半闭环控制数控机床D轮廓控制数控机床77 影响数控车床加工精度的因素很多要提高加工工件的质量有很多措施但A 不能提高加工精度A将绝对编程改变为增量编程B正确选择车刀类型C控制刀尖中心高误差D减小刀尖圆弧半径对加工的影响78 加大前角能使车刀锋利减少切屑变形减轻切屑与前刀面的摩擦从而 A 切削力A降低 B减少 C增大 D升高79.退火正火一般安排在A 之后A毛坯制造 B粗加工 C半精加工 D精加工80.数控系统中 A指令在加工过程中是模态的AG01F BG27G28 CG04 DM0281 为了保障人身安全在正常情况下电气设备的安全电压规定为BA42V B36V C24V D12V82 在视图表示球体形状时只需在尺寸标注时加注 C 符号用一个视图就可以表达清晰A RB ΦC SΦD O83.数控编程时应首先设定DA机床原点 B固定参考点 C机床 D工件坐标系坐标系84 分析切削层变形规律时通常把切削刃作用部位的金属划分为C 变形区A二个 B四个 C三个 D五个85由直线和圆弧组成的平面轮廓编程时数值计算的主要任务是求各 B坐标A节点 B基点 C交点 D切点86 圆弧插补指令G03 X- Y- R- 中XY后的值表示圆弧的 BA起点坐标值 B终点坐标值 C圆心坐标相对于起点的值87 目前第四代数控系统采用的元件为CA电子管 B晶体管 C大规模集成电路88 开环控制系统用于 A 数控机床上A经济型 B中高档 C精密89 数控车床的默认加工平面是BAXY平面 BXZ平面 CYZ平面90 在工件上既需要加工平面又需要加工孔时可采用 BA粗铣平面---钻孔---精铣平面B先加工平面后加工孔C先加工孔后加工平面D任何一种形式91 G00指令与下列的 C 指令不是同一组的AG01 BG02G03 CG0492 G02 X20 Y20 R-10 F100 所加工的一般是CA整圆 B夹角〈 180°的圆弧 C180°〈夹角〈360°的圆弧93 进给功能用于指定BA进刀速度 B进给速度 C进给转速 D进给方向94 圆弧插补方向顺时针和逆时针的规定与C 有关AX轴 BZ轴 C不在圆弧平面内的坐标轴95 数控车床的基本控制轴数是 BA一轴 B二轴 C三轴 D四轴96 加工 B 零件宜采用数控设备A大批量 B多品种中小批量 C单件97 车床上刀尖圆弧只有在加工 C 时才产生误差A端面 B圆柱 C圆弧98 数控机床的核心是 BA伺服系统 B数控系统 C反馈系统 D传动系统99 绕X轴旋转的回转运动坐标轴是 AAA轴 BB轴 CC轴100 用于指令动作方式的准备功能的指令代码是 BAF代码 BG 代码 CT代码101 主轴转速指令S后的数字的单位为 CArs Bmmmin Crmin102 在CRTMDI面板的功能键中显示机床现在位置的键是 AAPOS BPROG COFFSET SETTING103 车削时切削热大部分是由 C 传散出去A 刀具B 工件C 切屑 D空气104 一般切削 C 材料时容易形成节状切屑A 塑性B 中等硬度C 脆性 D高硬度105 在数控机床上使用的夹具最重要的是DA夹具的刚性好B夹具的精度高C夹具上有对刀基准D夹具装夹方便106 一般机械工程图采用A原理画出A正投影B中心投影C平行投影D点投影107 在基准制的选择中应优先选用AA基孔制B基轴制C混合制D配合制108 当零件所有表面具有相同的表面粗糙度要求时可在图样的B 标注A左上角B右上角C空白处D任何地方109 梯形螺纹的牙型角为AA30B40C55D60110 目前机床导轨中应用最普遍的导轨型式是 CA 静压导轨B 滚动导轨 C滑动导轨111 刀具磨钝标准通常都按B的磨损值来制定A月牙洼深度B前刀面C后刀面D刀尖二判断题请将判断的结果填入题前的括号中正确的填√错误的填×1退火和回火都可以消除钢的应力所以在生产中可以通用×2 YG8刀具牌号中的数字代表含钴量的80 ×3 钢渗碳后其表面即可获得很高的硬度和耐磨性×4 不完全定位和欠定位所限制的自由度都少于六个所以本质上是相同的×5 所谓非模态指令指的是在本程序段有效不能延续到下一段指令√6 数控机床重新开机后一般需先回机床零点√7 加工单件时为保证较高的形位精度在一次装夹中完成全部加工为宜√8 零件的表面粗糙度值越小越易加工×9基准孔的下偏差等于零√10用高速钢车刀应选择比较大的切削速度×11从刀具寿命考虑刃倾角越大越好×12只要选设计基准作为定位基准就不会产生定位误差×13CNC机床坐标系统采用右手直角笛卡儿坐标系用手指表示时大拇指代表Z 轴×14机床电路中为了起到保护作用熔断器应装在总开关的前面×15带传动主要依靠带的张紧力来传递运动和动力×16 熔断器是起安全保护装置的一种电器√17在常用螺旋传动中传动效率最高的螺纹是梯形螺纹×18液压系统适宜远距离传动×19编制工艺规程时所采用的加工方法及选用的机床它们的生产率越高越好×20广泛应用的三视图为主视图俯视图左视图√21 刀具的耐用度取决于刀具本身的材料√22螺旋机构可以把回转运动变成直线运动√23为了保证安全机床电器的外壳必须接地√24发生电火灾时首先必须切断电源然后救火和立即报警√25 硬质合金焊接式刀具具有结构简单刚性好的优点√26 各种热处理工艺过程都是由加热保温冷却三个阶段组成的×27 直接找正安装一般多用于单件小批量生产因此其生产率低√28 定尺寸刀具法是指用具有一定的尺寸精度的刀具来保证工件被加工部位的精度√29 工件在夹具中定位时欠定位和过定位都是不允许的 √30 为了进行自动化生产零件在加工过程中应采取基准统一√31 一般以靠近零线的上偏差或下偏差为基本偏差 √32 公差等级代号数字越大表示工件的尺寸精度要求越高×33 高速钢在强度韧性等方面均优于硬质合金故可用于高速切削×34 YT类硬质合金中含钴量愈多刀片硬度愈高耐热性越好但脆性越大×35 数控车床操作切削运动分主运动和进给运动两种车削时车刀的移动是进给运动√36 对于没有刀具半径补偿功能的数控系统编程时不需要计算刀具中心的运动轨迹可按零件轮廓编程×37 一般情况下在使用砂轮等旋转类设备时操作者必须带手套×38 数控车床操作通常在命名或编程时不论何种机床都一律假定工件静止刀具移动√39 退火的目的是改善钢的组织提高其强度改善切削加工性能×40 数控机床的伺服系统由驱动装置和执行机构两个部分组成√41 在金属切削过程中高速度加工塑性材料时易产生积屑瘤它将对切削过程带来一定的影响√42 数控车床操作G代码可以分为模态G代码和非模态G代码√43 数控车床操作在开环和半闭环数控机床上定位精度主要取决于进给丝杠的精度√44 闭环数控机床的检测装置通常安装在伺服电机上×45 只有当工件的六个自由度全部被限制才能保证加工精度×46 W18Cr4V是一种通用型高速钢√47 低碳钢的含碳量为≤0025 ×48 数控车床适宜加工轮廓形状特别复杂或难于控制尺寸的回转体零件箱体类零件精度要求高的回转体类零件特殊的螺旋类零件等×49 滚动轴承内圈与轴的配合采用间隙配合×50 液压传动中动力元件是液压缸执行元件是液压泵控制元件是油箱×51 恒线速控制的原理是当工件的直径越大进给速度越慢×52 积屑瘤的生成对加工有一定好处√53 CIMS是指计算机集成制造系统FMS是指柔性制造系统√54 指令M03为主轴反转M04为主轴正转×55机床上的卡盘中心架等属于通用夹具√56 通常在命名或编程时不论何种机床都一律假定工件静止刀具移动√57 当数控加工程序编制完成后即可进行正式加工×58 圆弧插补中对于整圆其起点和终点相重合用R编程无法定义所以只能用圆心坐标编程√59 车刀的后角在精加工时取小值粗加工时取大值×60 在数控加工中如果圆弧指令后的半径遗漏则圆弧指令作直线指令执行×61 点位控制系统不仅要控制从一点到另一点的准确定位还要控制从一点到另一点的路径×62 Ry参数对某些表面上不允许出现较深的加工痕迹和小零件的表面质量有实用意义√63螺纹指令G92 X410 W-430 com速度加工螺纹×64 同一工件无论用数控机床加工还是用普通机床加工其工序都一样×65 在执行G00指令时刀具路径不一定为一直线√66 刀具补偿功能包括刀补的建立刀补的执行和刀补的取消三个阶段√67 数控机床的进给路线不但是作为编程轨迹计算的依据而且还会影响工件的加工精度和表面粗糙度√68 数控机床中MDI是机床诊断智能化的英文缩写×69 按数控系统操作面板上的RESET键后就能消除报警信息√70 常用的固体润滑剂有石墨二硫化钼锂基润滑脂×71 使用千分尺前应做归零检验√72 在程序中F只能表示进给速度×73 在程序中XZ表示绝对地址UW表示相对坐标地址√74 高速钢车刀在低温时以机械磨损为主√75 职业道德的实质内容是建立全新的社会主义劳动关系√76 安装内孔加工刀具时应尽可能使刀尖齐平或稍高于工件中心√77 在切削用量中对刀具耐用度影响最大的是切削速度其次是切削深度影响最小的是进给量×78 数控刀具应具有较高的耐用度和刚度良好的材料热脆性良好的断屑性能可调易更换等特点√三简答题1简述G00与G01指令的主要区别答G00指令要求刀具以点位控制方式从刀具所在位置用最快的速度移动到指定位置快速点定位移动速度不能用程序指令设定G01是以直线插补运算联动方式由某坐标点移动到另一坐标点移动速度由进给功能指令F设定机床执行G01指令时程序中必须含有F指令2 简述机床原点编程原点的概念如何确定答机床原点是机床上设置的一个固定的点即机床坐标系的原点是厂家在出厂前就已确定下来的数控机床进行加工运动的基准参考点用户不能随意改变编程原点是指编程人员根据加工零件图样选定的编制零件程序的原点即编程坐标系的原点编程原点应尽量选择在零件的设计基准或工艺基准上并考虑到编程的方便性3 刀尖圆弧半径补偿的作用是什么使用刀尖圆弧半径补偿有哪几步在什么移动指令下才能建立和取消刀尖圆弧半径补偿功能答因为刀具总是有刀尖圆弧半径所以在零件轮廓加工过程中刀位点运动轨迹并不是零件的实际轮廓它们之间相差一个刀尖圆弧半径为了使刀位点的运动轨迹与实际轮廓重合就必须偏移一个刀尖圆弧半径这种偏移称为刀尖圆弧半径补偿刀尖圆弧半径补偿分为三步即刀补的建立刀补的执行和刀补的撤销建立刀补的指令为G41和G42取消刀补的指令为G405 对夹具的紧装置有哪些基本要求答牢——夹紧后应保证工件在加工过程中的位置不发生变化正——夹紧后应不破坏工件的正确定位快——操作方便安全省力夹紧迅速简——结构简单紧凑有足够的刚性和强度且便于制造6.对刀的目的是什么选择对刀点应注意哪些问题答对刀的目的是告诉数控系统工件在机床坐标系中的位置实际上是将工作原点编程零点在机床坐标系中的位置坐标值预存到数控系统确定对刀点应注意以下的原则尽量与零件的设计基准或工艺基准一致便于用常规量具的车床上进行找正该点的对刀误差应较小或可能引起的加工误差为最小尽量使加工程序中的引入或返回路线短并便于换刀7 工件粗基准选择的原则是什么答应选择不加工表面作为粗基准对所有表面都要加工的零件应根据加工余量最小的表面找正应选择较牢固可靠的表面作粗基准应选择平整光滑的表面铸件装夹时应让开浇口部分粗基准不可重复使用8 数控机床加工程序的编制方法有哪些它们分别适用什么场合答程序编制方法有两种手工编程与自动编程手工编程使用于多工序但内容简单计算方便的场合自动编程适用于型面复杂计算量大的场合比如模具制造类编程9 简单回答传统切削与高速切削在对刀具的磨损上有何主要区别各自的表现形式及原因答在传统切削中刀具的磨损形式主要是后刀面和侧面沟槽磨损是由于工件被加工表面和刀具的后刀面产生摩擦而导致的磨损在高速切削中刀具的磨损形式主要是前刀面磨损月牙洼磨损是由于在高速切削时切削速度的加快导致切削温度上升切屑和刀具的前刀面产生热应力和化学反应从而导致热扩散磨损和化学磨损10.什么叫做工件的定位加工工件时确定工件在机床上或夹具中占有正确位置的过程称工件的定位11.对刀具切削部分材料的基本要求是什么答高硬度高耐磨性足够的强度和韧性高的耐热性良好的工艺性经济性12 加工硬化对切削加工有什么影响答其影响有因加工硬化后工件表面硬度增加给下道工序造成难切削和难加工的局面使刀具加速磨损使巳加工的表面出现微细的裂纹和表面残余应力影响工件的表面质量加工硬化能使已加工表面的硬度强度和耐磨性提高从而能改善零件使用性能13 制订工艺路线时为什么要划分加工阶段答当零件质量要求较高时往往需要把工件整个加工过程划分几个阶段一般可分为粗加工半精加工精加工和超精加工等四个阶段划分加工阶段是为了保证零件质量合理使用机床及时发现毛坯缺陷和适应热处理工序的需要14 硬质合金可转位车刀有何特点答断屑效果好不需要刃磨节省刃磨时间刀杆可长期使用节约材料不用焊接无焊接后产生的不良后果便于标准化系列化集中生产的同一型号刀片的几何形状一致加工时尺寸变化小切削效果能相对稳定有利于提高零件的加工质量和提高劳动生产率简化了刀具的管理工作四编程题1数控车床加工如图所示零件按要求完成零件的加工程序编制一号刀为外圆车刀二号刀为切槽刀三号刀为螺纹刀不考虑刀尖圆弧半径补偿要求1 毛坯直径82mm2 精加工余量03mm3 精加工进给率F01粗加工进给率F034 粗加工每次进刀1mm退刀05mm5 切刀槽宽4mm6 未注倒角为2×45°左端程序O0001G99 M03 S600T0101G00 X100Z100X84Z2G71 com。
《数控车工国家职业技能鉴定指南
(高级、技师、高级技师/ 国家职业资格三级、二级、一级)》
教学指南
一、课程的性质与任务
本书以《国家职业标准——数控车工》为依据,对参加数控车工(国家职业资格三级、二级、一级)鉴定考试的考生梳理知识、强化训练、提高应试能力有直接的帮助和指导作用。
体现了数控车工的职业特色,突出针对性、典型性、实用性,涵盖了相应级别考核的主要理论知识和操作技能。
为便于考生把握相应等级的考核要求,指南给出了学习要点、工作要求及鉴定要素;为便于考生熟悉考核内容、题型,指南以试题的形式阐述了相应等级应掌握的考核点并配有参考答案或评分标准。
本书是参加数控车工(国家职业资格三级、二级、一级)鉴定考试的必备参考指导用书,可作为高等职业院校、技师学院、技工及高级技工学校、中等职业学校相关课程的教材,也可作为企业技师培训教材和相关技术人员的自学用书。
二、教学提要、课程内容、教学要求
第一章应试指导
第一节数控车工职业技能鉴定简介
第二节数控车工职业技能鉴定的试卷构成
第三节数控车工职业技能鉴定题型及特点
第二章高级(三级)数控车工鉴定指南
第一节学习要点
第二节理论知识试题考点解析
第三节操作技能试题
第四节模拟试卷
第五节理论知识习题
第六节参考答案
第三章数控车工技师鉴定指南
第一节鉴定应试指导
第二节理论知识试题解题指导
第三节操作技能试题解题指导
第四节模拟试卷
第五节理论知识模拟试卷参考答案。
131A 数控车工国家职业技能鉴定标准表 A-1 中级车工(数控车工)国家职业技能鉴定标准附录B 数控铣工国家职业标准1.职业概况1.1 职业名称数控铣工。
1.2、职业定义从事编制数控加工程序并操作数控铣床进行零件铣削加工的人员。
1.3职业等级本职业共设四个等级,分别为:中级(国家职业资格四级)、高级(国家职业资格三级)、技师(国家职业资格二级)、高级技师(国家职业资格一级)。
1.4职业环境室内、常温。
1.5职业能力特征具有较强的计算能力和空间感,形体知觉及色觉正常,手指、手臂灵活,作协调。
1.6基本文化程度高中毕业(或同等学历)。
1.7培训要求1.7.1培训期限全日制职业学校教育,根据其培养目标和教学计划确定。
晋级培训期限:中级不少于400标准学时;高级不少于300标准学时;技师不少于300标准学时;高级技师不少于300标准学时。
1.7.2培训教师培训中、高级人员的教师应取得本职业技师及以上职业资格证书或相关专业中级及以上专业技术职称任职资格;培训技师的教师应取得本职业高级技师职业资格证书或相关专业高级专业技术职称任职资格;培训高级技师的教师应取得本职业高级技师职业资格证书2年以上或取得相关专业高级专业技术职称任职资格。
1.7.3培训场地设备满足教学要求的标准教室、计算机机房及配套的软件、数控铣床及必要的刀具、夹具、量具和辅助设备等。
1.8鉴定要求1.8.1 适用对象从事或准备从事本职业的人员。
1.8.2申报条件——中级:(具备以下条件之一者)(1)经本职业中级正规培训达规定标准学时数,并取得结业证书。
(2)连续从事本职业工作不少于5年。
(3)取得经劳动保障行政部门审核认定的,以中级技能为培养目标的中等以上职业学校本职业(或相关专业)毕业证书。
(4)取得相关职业中级《职业资格证书》后,连续从事相关职业不少于2年,经正规培训并取得毕业证书。
——高级:(具备以下条件之一者)(1)取得本职业中级职业资格证书后,连续从事本职业工作不少于2年,经本职业高级正规培训,达到规定标准学时数,并取得结业证书。
数控车工高级技师国家职业标准数控车工,指从事编制数控加工程序并操作数控工车床进行零件车削加工的人员。
其能力特征通常表现为:具有较强的计算能力和空间感,形体知觉及色觉正常,手指、手臂灵活,动作协调等。
数控车工职业共设四个等级,分别为:中级〔国家职业资格四级〕、高级〔国家职业资格三级〕、技师〔国家职业资格二级〕、高级技师〔国家职业资格一级〕。
1数控车工高级技师培训要求培训期限全日制职业学校教育,根据其培养目标和教学方案确定。
晋级培训期限:高级技师不少于2021准学时。
培训教师培训高级技师的教师应取得本职业高级技师职业资格证书2年以上或取得相关专业高级专业技术职务任职资格。
培训场地设备满足教学要求的标准教室、计算机机房及配套的软件、数控车床及必要的刀具、夹具、量具和辅助设备等。
2数控车工高级技师根本要求职业守那么〔1〕遵守国家法律、法规和有关规定。
〔2〕具有高度的责任心,爱岗敬业、团结合作。
〔3〕严格执行相关标准、工作程序与标准、工艺文件和平安操作规程。
〔4〕学习新知识新技能,勇于开拓和创新。
〔5〕保护设备、系统及工具、夹具、量具。
〔6〕着装整洁,符合规定;保持工作清洁有序,文明生产。
根底知识〔1〕根底理论知识:包括机械制图、工程材料及金属热处理知识、机电控制知识、计算机根底知识以及专业英语根底等。
〔2〕机械加工根底知识:包括机械原理、常用设备知识〔分类、用途、根本结构及维护保养方法〕、常用金属切削刀具知识、典型零件加工工艺、设备润滑和冷却液的作用方法、工具、夹具、量具的使用与维护知识、普通车床、钳工根本操作知识等。
〔3〕平安文明生产与环境保护知识:包括平安操作与劳动保护知识、文明生产知识、环境保护知识。
〔4〕质量管理知识:包括企业的质量方针、岗位质量要求以及岗位质量保证措施与责任。
〔5〕相关法律、法规知识:包括劳动法相关知识、环境保护法相关知识以及知识产权保护法相关知识。
3数控车工高级技师鉴定要求数控车工高级技师鉴定对象是指从事或准备从事本职业的人员。
高级数控车工培训计划、大纲南京市肯信数控职业培训学校高级数控车工培训计划一、培训目标1.1 总体目标培养具备以下条件的人员:掌握高级数控车工的相关基础知识,能够独立完成高级数控车工要求掌握的工件加工、精度经验和误差分析等操作的技术工人。
1.2 理论知识培训目标依据《数控车工国家职业标准》中对高级数控车工的理论知识要求,通过培训,使培训对象重点掌握机械零部件的测绘方法、常用金属材料性能及热处理知识、机电控制原理、刀具知识、专专用夹具和组合夹具知识、常用量仪的工作原理及使用方法、机械加工工艺知识、机械加工质量控制知识等。
1.3 操作技能培训目标依据《数控车工国家职业标准》中对高级数控车工的操作技能要求,通过培训使培训对象具备较强的识图能力,能够进行简单零部件的测绘,具备对复杂零件制定数控车削加工工艺的能力,能够合理使用专用夹具和组合夹具,能够合理使用各种刀具、工具、量具、卡具,能够熟练操作数控车床进行复杂零件的数控手工编程,能够利用计算机辅助制造软件进行复杂零件的造型和自动编程,能够加工细长轴零件、深孔类零件、内螺纹、多线螺纹、锥螺纹、内外径槽、端面槽、简单配合件,能够对数控车床和系统的常见故障进行分析、判断和处理,达到独立上岗操作的水平。
二、教学要求2.1 理论知识要求2.1.1 专业基础知识2.1.2 加工准备知识2.1.3 数控编程知识2.1.4 数控车床操作知识2.1.5 零件加工知识2.1.6 数控车床日常维护与精度检验知识2.2 操作技能要求2.2.1 加工准备2.2.2 数控编程2.2.3 数控车床操作2.2.4 零件加工2.2.5 数控车床日常维护与精度经验三、教学计划安排总课时数:300课时。
理论知识授课:84课时。
理论知识复习:26课时。
操作技能授课:23课时。
操作技能练习:147课时。
机动课时:20课时。
南京市肯信数控职业培训学校高级数控车工培训大纲一、课程任务和说明通过培训,使培训对象掌握高级数控车工的理论知识和操作技能。
数控车工高级技师培训计划一、培训目标本培训计划旨在培养具备数控车工高级技师水平的专业人才,能够熟练掌握数控车床的操作技能,具有良好的机械加工认知和数控编程能力,能够独立完成数控车床的程序编写和加工操作,具备一定的管理能力和团队协作精神,为企业输送高素质的技术人才。
二、培训内容1. 数控车床基本知识培训了解数控车床的构造、工作原理,熟悉数控系统的使用和编程方法,熟悉各类刀具和夹具的使用及维护保养。
2.数控编程基础掌握数控编程语言,了解数控车床的程序编写过程和操作要点,能够独立编写数控车床的加工程序。
3.数控车床操作技能熟练掌握数控车床的操作技能,包括工件夹紧、刀具更换、参数设置、切削工艺的选择和调整等,能够熟练进行数控车床的加工操作。
4.数控车床加工精度控制熟悉数控车床的加工精度控制方法,掌握数控车床加工中的误差来源和处理方法,能够通过调整工艺参数和刀具选择等手段提高加工精度。
5.数控车床维护及故障排除掌握数控车床的日常维护保养知识,能够进行常见故障的排除和维修工作。
6.数控车床加工工艺优化学习数控车床加工工艺优化的方法,了解数控车床加工的优化技术和工艺规范,能够根据实际加工情况进行工艺调整和优化。
7.管理与团队协作能力培养学员的管理能力和团队协作精神,使其具备一定的团队领导和协调能力。
三、培训方式本培训计划采用理论教学和实践操作相结合的培训方式,注重学员实际操作能力的培养。
1.理论教学采用课堂授课的方式,教授数控车床的基础知识和编程技能,培训学员的理论知识和专业能力。
2.实践操作设置实训工位,进行实际操作训练,让学员在实际操作中熟练掌握数控车床的操作技能和加工工艺优化方法。
3.案例分析通过真实案例的分析和讨论,培养学员的问题解决能力和思维能力,提高学员的实际操作水平。
四、培训时间安排根据学员的实际情况和培训进度,本培训计划安排为期3个月的培训时间,每周安排5天的培训课程,每天8小时的培训时间。
五、培训考核1.理论考核每周进行一次理论知识考核,通过考核成绩来评价学员的理论学习情况。
数控车工技师培训实施方案一、培训目标1、总体目标掌握车工基本理论知识和操作技能,熟悉制图、金属材料和热处理、公差配合与技术测量及车工工艺与技能训练的基本知识。
掌握车刀的刃磨、常用量具的使用与工件测量、外圆、阶台、沟槽、螺纹、内孔等表面的加工方法,了解数控机床,掌握数控车床的编程方法,并应用到实际当中去,养成安全文明生产意识。
2、理论知识培训目标依据《车工国家职业标准》对中级、高级车工理论知识及数控理论的要求,通过培训,使培训对象掌握制图的基本知识以及投影作图、机件的表达、机械图样的组成等知识;掌握金属学的基本知识;掌握常用金属材料的牌号、性能及用途;掌握国家标准中有关极限与配合等方面的基本术语及其定义;熟悉极限与配合标准的基本规定了解常用数控车床的结构、性能、传动原理,并掌握使用和维护方法;熟悉安全生产和文明生产的要求。
3、操作技能培训目标通过培训使培训对象掌握车工基本操作,能够看懂简单的工件零件图,掌握车刀的刃磨,正确使用常用量具进行测量,能独立完成一般零件的加工;能适应企业实际工作的需要,对本工种的设备和工、夹、量、刃具及量仪合理地使用和维护,并能排除一般故障;熟悉安全生产知识,养成安全文明生产的习惯.二、培训方法1、灵活多样的教学模式,采用多媒体教学,形象化的知识有利于学生接受。
2、结合设备运用现场教学,即边操作边讲解的教法;3、学生首先进行手动操作练习,掌握操作规律,然后进行机动操作练习。
即先手动后机动的操作练习法;4、实训指导老师要检查考核学生的操作情况并及时指导;5、数控车床操作中,哪些方面会造成数控车床安全事故? 学生回答,实训指导老师进行指导。
三、培训大纲第一章绪论教学的目的和要求:了解数控机床基本概念、特点、分类及适用范围.了解数控机床的的发展趋势。
1、概述2、数控机床的产生及发展趋势教学重点和难点:重点数控机床的特点及适用范围,难点数控机床的产生及发展趋势。
第二章数控机床的基础知识教学目的和要求:掌握数控机床的组成及工作原理,掌握数控机床的分类,掌握机床坐标系判别方法。
数控车高级工职业技能鉴定标准介绍数控车高级工是现代制造业中非常重要的一种职业,他们的主要任务是设计、设置和操作数控机床,将原材料加工成零部件或产品。
数控车高级工的工作需要高超的技能和丰富的经验,因此职业技能鉴定对于数控车高级工的学习和发展非常重要。
以下是数控车高级工职业技能鉴定标准的介绍:一、职业描述数控车高级工是一种高级技工,他们能够独立完成较高难度和复杂性能的数控车床加工任务,对加工工艺有深入的了解,能够根据零部件的要求制定加工工艺方案,并负责加工过程中的各项操作。
二、职业技能鉴定标准1. 基本知识和技能:掌握基本机械加工原理,熟悉数控车床的结构和工作原理,能够进行数控编程和模拟仿真。
2. 零件加工技能:能够独立分析和解决复杂零件的加工工艺问题,熟练掌握铣、钻、攻丝等加工技术,能够根据图纸要求选择合适的加工方案和刀具,并进行加工和加工后处理。
3. 机床维护和保养:能够进行数控车床的维护和保养,具备日常机床保养和紧急维修的能力,能够识别机床故障,并采取有效的措施解决。
4. 质量控制:能够独立完成零部件的质量检测和评估,了解零部件的加工要求和工艺标准,能够根据产品质量要求进行工艺控制和检验。
5. 安全生产:具备安全生产意识和技能,能够进行机床操作前的安全检查,熟悉机床安全操作规范,能够正确使用各种个人防护装备,保证生产过程的安全。
三、职业技能鉴定方法数控车高级工的职业技能鉴定一般采用实际操作和面试相结合的方法。
具体评估过程包括以下几个环节:1. 考核标准和要求的介绍:考官向被评估人员介绍职业技能鉴定标准和要求,明确评估的内容和标准。
2. 实际操作:考官根据职业技能鉴定标准的要求,选择合适的机床和模拟工件进行实际操作,考察被评估人员的实际技能和操作水平。
3. 面试:考官向被评估人员提问,考察其对加工工艺、机床操作和质量控制等方面的理解和掌握程度。
四、职业技能鉴定的意义数控车高级工是制造业中非常重要的一种职业,他们的工作质量和技能水平直接关系到产品质量和企业的生产效率。
第五章 车复杂、畸形、精密工件培训要点 复杂、畸形、精密工件的装夹、加工、测量及保证加工精度的方法:复杂畸形、精密工件的有关计算;典型工件的工艺分析。
第一节 车 圆 锥一、圆锥基本术语1.圆锥直径 圆锥在垂直轴线截面上的直径,如图5-1所示。
常用的圆锥直径有:最大圆锥直径D 、最小圆锥直径d 和给定截面圆锥直径d x 。
2.圆锥长度L 最大圆锥直径与最小圆锥直径之间的距离,如图5-1所示。
3.圆锥角α 在通过圆锥轴线的截面内,两条素线间的夹角,如图5-1所示。
车削时常用圆锥半角α/2。
图5-1 圆锥基本术语4.锥度C 最大圆锥直径D 与最小圆锥直径d 之差对圆锥长度L 之比LdD C -=圆锥半角α∕2与锥度C 的关系为LdD C 222tan-==α当圆锥半角<20°时,也可用近似公式计算C K ⨯≈2/α式中 D ——最大圆锥直径(mm); d ——最小圆锥直径(mm); L ——圆锥长度(mm); C ——锥度;α/2——圆锥半角(°); K ——系数,可查表5-1。
表5-1 计算圆锥半角的K 值C ≤0.199 >0.199~0.289 >0.289~0.357 >0.357~0.414 >0.414~0.464 >0.464~0.51 K 28.6 28.528.428.328.228.1C >0.51~0.552 >0.552~0.593 >0.593~0.631 >0.631~0.667 >0.667~0.702 >0.702~0.736 K28.027.927.827.727.627.5二、车圆锥的方法1.常用的车削方法 根据工件的精度要求和批量的不同,可分别采用转动小滑板法、偏移尾座法、靠模法、宽刃刀切削法和铰内圆锥。
采用转动小滑板法、偏移尾座法、靠模法车圆锥时,车刀运动轨迹与所要车削的圆锥素线平行。
自2009年5月毕业参加工作以来,我已从一名幼稚的学生逐步成长为一名合格的数控工种专业技术人员,经过几年的实习现场教学工作,我已总结出一套适合自己教学方法。
工作几年以来,我先后从事过普通车工、数控车工、数控铣工、3D打印与快速成型技术等工作岗位。
现在从事的是:数控车工,数控技术、车工工艺、机械基础、AutoCAD制图,Pro-E 绘图等教学工作。
在多年的一线教学主要工作中,一直兢兢业业,对待工作一丝不苟,一直奉行科学教学,严谨教学,强化质量管理、成本管理、进度管理、安全管理的要求,保证了每个项目的教学工作都能达到学校的教学要求。
我一直以积极的态度发挥自己的长处,积极工作。
如2013年学生技能等级考核实行无纸化考试方法以来,我所辅导班级的数控车中、高级工通过率能达到90%以上。
在我从事或介入的其他工作也有很多,如参与学生职业技能竞赛、学院示范校的建设等工作。
在我所从事的各项工作中,都能尽职尽责,积极思考,不断学习新知识,新技能,紧跟时代步伐,努力的不断提高自己,圆满的完成了领导所交给的各项任务。
自工作以来,我多次被单位评为优秀教师、专业技术人员年度优秀,所撰写的论文被中国职协评为优秀作品等。
经过多年的一线教学工作,本人在工作上、思想上都有了很大的进步。
当然成绩只代表过去,在以后的工作中我会加倍努力,争取做的更好。
因为技术在不断进步更新,时代在不断发展,只有通过不断地学习,辅以求精务实,脚踏实地的工作作风,方能胜任自己的工作岗位。
因此,结合自身实际情况及工作需要,本人特向单位及组织申请报考数控车工高级技师!。
数控车工(技师·高级技师)(职业技能培训鉴定教材)数控车工(技师·高级技师)(职业技能培训鉴定教材)*本页商品由亚马逊提供,与王朝网络无关,有任何问题请与亚马逊联系.参考价格:查看价格分类:图书,教材教辅与参考书,社会实用教材,各种技工,商家:亚马逊品牌:基本信息·出版社:中国劳动社会保障出版社·页码:327页·出版日期:2008年·isbn:7504567833·条形码:9787504567833·包装版本:第1版·装帧:平装·开本:16·正文语种:中文·丛书名:职业技能培训鉴定教材产品信息有问题吗?请帮我们更新产品信息.内容简介《数控车工》由劳动和社会保障部教材办公室组织编写.教材以《国家职业标准·数控车工》为依据,紧紧围绕“以企业需求为导向,以职业能力为核心”的编写理念,力求突出职业技能培训特色,满足职业技能培训与鉴定考核的需要.《数控车工》详细介绍了数控车工技师、高级技师要求掌握的最新实用知识和技术.全书分为9个模块单元,主要内容包括:加工准备、数控编程、零件加工、数控车床维护与精度检验、培训与管理.每一单元后安排了单元测试题及答案,供读者巩固、检验学习效果时参考使用.第一部分数控车工技师第1单元加工准备/3-66第一节读图与绘图/4一、装配图识读二、工装装配图的画法三、常用数控机床的机械结构图绘制及装配图识读第二节制定加工工艺/29一、零件的多种工艺分析方法二、数控加工工艺方案合理性的分析方法及改进措施三、特殊材料的加工方法四、先进制造技术的特点及发展趋势第三节零件的装夹/45一、车床专用夹具的设计要求和设计步骤二、车床夹具设计实例三、专用夹具的制造特点和结构工艺性第四节刀具准备/49一、切削刀具的选用原则二、延长刀具寿命的方法三、刀具耐用度的选择因素四、刀具的破损及预防五、新型刀具材料六、刀具使用寿命参数的设定方法七、数控车床刀具参数的设定单元考核要点/60单元测试题/61单元测试题答案/63第2单元数控编程/67-153第一节手工编程/68一、车削(铣)加工中心概述二、车削(铣)加工中心指令及用途三、车削(铣)中心加工程序的编制实例第二节计算机辅助编程/105一、计算机辅助设计/制造(cad/cam)软件二、cad/cam软件的使用三、车削零件的造型和加工轨迹的生成实例四、数控加工后置处理技术及加工代码的生成第三节数控加工仿真/150一、利用仿真软件对数控加工进行工艺分析二、利用仿真软件优化数控加工工艺单元考核要点/152单元测试题/152单元测试题答案/153第3单元零件加工/155-192第一节轮廓加工/156一、多拐曲轴的加工二、在车削中心上加工复杂零件三、在车削中心上加工工件实例第二节配合件的加工/164一、具有多处尺寸链配合的零件的加工特点二、配合件的加工举例第三节零件的精度检验/174一、精密零件的精度检验二、自制检具设计知识三、误差分析及改进措施单元考核要点/190单元测试题/191单元测试题答案/192第4单元数控车床维护与精度检验/193-205第一节数控车床的维修/194一、数控机床的专业外语词汇与常用技术资料二、数控车床的维修方法第二节数控车床故障诊断和排除/198一、数控车床液压、电气系统故障维修二、数控车床刀架故障维修第三节数控车床精度检验/202一、数控车床定位精度检验二、数控车床性能检验单元考核要点/203单元测试题/204单元测试题答案/205第5单元培训与管理/207-222第一节操作指导/208一、操作指导书的编制方法二、指导本职业中级、高级工进行实际操作第二节理论培训/209一、培训教材的编写方法二、中级、高级工的理论培训第三节质量管理/211一、iso系列标准体系简介二、iso9000族标准三、iso9000:2000术语第四节生产管理/215一、生产管理的基本知识二、生产计划、调度及人员的管理第五节技术改造与创新/219一、数控加工工艺的综合知识二、加工工艺、夹具、刀具的改进单元考核要点/221单元测试题/221单元测试题答案/222第二部分数控车工高级技师第6单元加工准备/225-260第一节读图与绘图/226一、复杂工装的设计方法二、绘制复杂工装装配图三、常用数控车床电气、液压原理图第二节制定加工工艺/238一、加工误差的综合分析二、保证和提高加工精度的途径三、机械加工中的振动四、复杂、精密零件的加工工艺知识五、车削中心、车铣中心加工工艺文件编制的方法第三节零件的定位与装夹/250一、误差分析二、综合分析实例第四节刀具准备/254一、细长轴精车刀的设计与制造二、深孔工件车刀的设计与制造单元考核要点/258单元测试题/259单元测试题答案/259第7单元零件加工/261-278第一节异型零件加工/262一、高难度零件的概念二、高难度异型零件的加工特点三、加工高难度零件的工艺技术措施四、异型零件加工实例第二节零件精度检验/271一、误差分析及改进措施二、高难度零件检验单元考核要点/276单元测试题/276单元测试题答案/277第8单元数控车床维护与精度检验/279-290第一节数控车床的维修/280一、数控车床大修二、数控系统机床参数设定第二节数控车床故障诊断和排除/283一、数控车床液压、气压系统维修二、可编程控制器系统维修第三节数控车床精度检验/285一、机床精度检验二、误差调整补偿第四节数控设备网络化/287一、数控机床接口通信技术二、数控设备网络化管理单元考核要点/288单元测试题/289单元测试题答案/290第9单元培训与管理/291-326第一节操作指导/292一、操作理论教学指导书的编写方法二、实际操作指导第二节理论培训/294一、教学计划与教学大纲的编制方法二、理论培训第三节质量管理/303一、质量分析与控制方法二、数控加工质量的控制方法第四节技术改造与创新/314一、科技论文撰写二、组织实施技术改造与创新及论文的撰写单元考核要点/325单元测试题/325单元测试题答案/326……[看更多目录]序言1994年以来,劳动和社会保障部职业技能鉴定中心、教材办公室和中国劳动社会保障出版社组织有关方面专家,依据《中华人民共和国职业技能鉴定规范》,编写出版了职业技能鉴定教材及其配套的职业技能鉴定指导200余种,作为考前培训的权威性教材,受到全国各级培训、鉴定机构的欢迎,有力地推动了职业技能鉴定工作的开展.劳动保障部从2000年开始陆续制定并颁布了国家职业标准.同时,社会经济、技术不断发展,企业对劳动力素质提出了更高的要求.为了适应新形势,为各级培训、鉴定部门和广大受培训者提供优质服务,教材办公室组织有关专家、技术人员和职业培训教学管理人员、教师,依据国家职业标准和企业对各类技能人才的需求,研发了职业技能培训鉴定教材.新编写的教材具有以下主要特点:在编写原则上,突出以职业能力为核心.教材编写贯穿"以职业标准为依据,以企业需求为导向,以职业能力为核心"的理念,依据国家职业标准,结合企业实际,反映岗位需求,突出新知识、新技术、新工艺、新方法,注重职业能力培养.凡是职业岗位工作中要求掌握的知识和技能,均作详细介绍.在使用功能上,注重服务于培训和鉴定.根据职业发展的实际情况和培训需求,教材力求体现职业培训的规律,反映职业技能鉴定考核的基本要求,满足培训对象参加各级各类鉴定考试的需要.在编写模式上,采用分级模块化编写.纵向上,教材按照国家职业资格等级单独成册,各等级合理衔接、步步提升,为技能人才培养搭建科学的阶梯型培训架构.横向上,教材按照职业功能分模块展开,安排足量、适用的内容,贴近生产实际,贴近培训对象需要,贴近市场需求.在内容安排上,增强教材的可读性.为便于培训、鉴定部门在有限的时间内把最重要的知识和技能传授给培训对象,同时也便于培训对象迅速抓住重点,提高学习效率,在教材中精心设置了"培训目标""特别提示""单元考核要点"等栏目,以提示应该达到的目标,需要掌握的重点、难点、鉴定点和有关的扩展知识.另外,每个学习单元后安排了单元测试题,方便培训对象及时巩固、检验学习效果.本书在编写过程中得到北京市劳动和社会保障局、北京市工贸技师学院、北方工业大学、北京市工业技师学院、北京市汽车工业高级技工学校的大力支持和热情帮助,在此一并致以诚挚的谢意.编写教材有相当的难度,是一项探索性工作.由于时间仓促,不足之处在所难免,恳切希望各使用单位和个人对教材提出宝贵意见,以便修订时加以完善.文摘插图:粘结磨损一般发生在中等偏低的切削速度下.高速钢刀具抗剪、抗拉强度较高,因而具有较大的抗粘结磨损能力.在中、低速切削时,粘结磨损是硬质合金刀具磨损的主要原因.(3)扩散磨损.由于切削时的高温,加之刀具表面始终与被切出的新表面相接触,因此,摩擦副中的某些化学元素有很强的化学活泼性,在固态下可互相扩散,刀具和工件、切屑中的化学元素互相扩散,改变了原来材料的成分与结构,降低了刀具材料的性能,使刀具变得脆弱,从而加速了刀具磨损.这就是扩散磨损.硬质合金刀具与钢料之间的扩散发生在高速切削中,而且扩散与切削温度有很强的依赖关系,在扩散过程中,原子沿浓度梯度的相反方向进行扩散.下面以硬质合金刀具切削钢材为例说明扩散及扩散磨损(见图1-34).从800℃开始,刀具中的钴迅速向切屑、工件中扩散;wc分解为钨和碳,分别向钢中扩散.一方面,由于切屑、工件相对刀具高速运动,它们与刀具的表面在接触区保持着扩散元素的浓度梯度,即总有新的工件表面和切屑向刀具表面流过来,使扩散得以持续进行,致使硬质合金表面发生贫碳、贫钨现象;由于粘结相钴的减少,使硬质合金粘结强度降低.一方面,切屑、工件中的铁和碳则向刀具中扩散,形成新的低硬度、高脆性的复合碳化物.总之,相互扩散的结果,降低了硬质合金刀具表面的硬度和强度,使刀具磨损加剧.扩散速度因化学元素而异.钛元素的扩散速度远远低于钴、钨和碳的扩散速度,加之tic不易分解,所以在切削钢材时,yt、类硬质合金比yg类硬质合金抗扩散磨损能力强,tic基、钛(碳、氮)基硬质合金及涂层硬质合金则抗扩散磨损能力更强.温度是影响扩散速度的最主要原因,温度越高则扩散越快.故高温下刀具磨损显著加快.扩散磨损往往与粘结磨损、磨料磨损同时发生.(王朝网络)。