加油站安全生产风险点名册
- 格式:doc
- 大小:1.74 MB
- 文档页数:266
安全风险点名册 xxx 加油站xxx2022 年 10 月 26 日基本信息表填表人:联系电话:填表日期:单位名称xxx 加油站法定代表人xxx 联系电话xxx组织机构代码 (或者工商营业执照注册号)详细地址行业类别xxx化工邮政编码生产经营活动类型xxx增值主要产品主要经营汽油、柴油主要原料无固定资产总值(万元) 年销售收入(万元)占地面积(m2)2200 职工人数(人)备注(1)生产经营活动类型分为增值、必要的非增值活动、不必要的非增值活动;(2)职工人数包括劳务派遣工作人员。
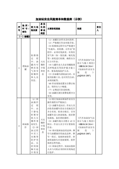
风险点编号: 001 填报时间: 2022 年 10 月 26 日风险点名称风险点位置诱发事故类型加油作业加油岛车辆伤害、火灾爆炸、财产损失、环境污染、油品泄漏风险等级 3 级风险管控责任部门采取管控措施情况责任人xxx 加油站手机号码(1)岗位工作人员需经培训合格后上岗;(2)加油机内防爆电盒、泵、加油机身等所有部件进行静电跨接,所有接地线接到一个接地体上;(3)防爆接线盒内电缆接线口用绝缘胶泥进行封堵;(4)加油机底部进行填沙;(5)张贴安全操作规程及安全警示标识;(6)作业场所禁止烟火、禁止打手机等;(7)劳动防护用品穿戴齐全;(8)按规定配备灭火器和灭火毯等消防器材。
存在隐患情况无应急处置主要措施属地监管政府专业监管部门(1)配备消防铲、消防桶;(2)配备灭火毯;(3)配备事故照明灯具;(4)人员配备劳动防护用品、消防服、口罩、防护罩等;(5)罐区、加油区及站房设置灭火毯;(6)人员配备防静电工作服、防护手套等;(7)编制事故应急救援预案、专项预案及现场处置方案。
主管部门风险点基本情况风险点编号: 002 填报时间: 2022 年 10 月 26 日风险点名称风险点位置诱发事故类型风险等级风险管控 责任部门采取管控 措施情况 存在隐患情况应急处置 主要措施属地监管政府专业监管部门卸油作业罐区车辆伤害、火灾爆炸、财产损失、环境污染、油品泄漏3 级责任人xxx 加油站手机号码(1)制订了相关安全管理制度及岗位操作规程; (2)定期对从业人员进行培训教育;(3)油罐为埋地,埋地油罐位于罐池内,罐池四周由混凝土进行整体 浇灌,起到防渗作用;(4)油罐由有资质的企业进行生产,油罐及其管线进行防腐处理; (5)油罐设有防漂抱带;(6)卸油采用密闭卸油方式;(7)管线法兰(小于 5 个螺栓)用铜片接地装置; (8)设加油油气回收系统;(9)油罐设置导出静电、防雷接地装置; (10)油罐及装卸口设置油号标识;(11)卸油过程中住手其它作业(如加油); (12)罐区设置警示标识;(13)油罐定期进行测厚等检测; (14)设置液位报警;(15)油罐上设通风管及阻火器; (16)设置固定式静电接地报警器;(17)油罐区设置推车式干粉灭火器、灭火毯; 2m3 消防沙、消防桶、 消防锨等;(18)加油车辆设置防溜木;(19)卸油软管采用防静电软管; (20)卸油过程中车辆熄火作业;(21)设置指定路线引车、车辆停靠在指定卸车车位,油罐车车头朝向 道路出口一侧。
加油站安全生产风险点1、加油站风险识别有哪些加油站,其危害因素识别的内容主要集中在:1、火灾爆炸:用火、用电、油罐区施工、工艺操作、易燃易爆物资贮存等;2 、中毒和窒息:油气泄漏、储油罐顶、进入有限空间、有毒有害化学品、地沟、污水池、污油池等;3、触电:电气设施、暂时用电、雷电等;4、油气泄漏:工艺装置、输油管道;5、灼烫:煤气灶、电磁炉、焊接等;6、高处坠落:高处作业等;7、物体打击:设施维护;8、坍塌:山体滑坡等;9 、车辆伤害:交通事故。
(1)加油站安全生产风险点扩展资料:注意事项1、散装买油需注意出于安全方面的考虑,加油站普通是不向个人出售散装油的,也就是说必须开车来加油。
但如果车辆真的因没油抛锚在了路上,车主又不想通过救援的方式,那末这种情况下拎着油桶买油也是被允许的。
但这有两个前提,首先为了安全必须使用铁质油桶来打油,铁质油桶在汽配城等地都有销售,普通加油站也有销售。
此外就是需要工作单位或者居住地居委会开具相关证明,带着证明就可以来买油了。
2、雷电天气不加油原则上加油站是24 小时营业的,但在一些极端天气下会暂停服务。
比如强雷电天气时为了安全往往加油站会住手营业,待雷电结束再重新营业,因此建议车主夏季雨季多关注天气变化,适时调整加油时间。
3、加油站打手机加油站内禁止打手机,是一个传言。
加油站普遍采用电脑控制,在加油站接打手机,会造成加油站的部份设备引起感应,从而影响设备的正常工作,最终导致计量不许。
而实际上,这种情况也是不可能的。
2、加油站危(wei)险源有哪些作为车主要非常清晰地知道:加油站,加气站,油罐储藏区都是非常危(wei)险的地方。
如果不注意安全细节,分分钟引起不安全的事故。
在此提醒:为了自己和大家的安全,千万不要在加油站等易燃易爆区,做如下10 件危(wei)险的事。
1、禁止吸烟加油站是绝对禁止吸烟的,汽车驶入加油站后,驾驶员和乘客不管是在站内还是站外,都不能吸烟。
因为加油站附近会萃来了大量的可燃性气体份子,细微的火星都可能引起火灾甚至爆炸。
序号风险点名 称风险点具体位置诱发事故类型伤亡/财产损失预测风险等级存在隐患情况主要管控措施负责人联系方式1汽油柴油储存系统油罐区火灾爆炸人员伤亡(1-20)万元设备、物料、厂房损坏(1万元至100万元)3级1、储存附件存在缺陷2、油罐车卸油时,油品跑冒滴漏;3、未定期检查维系;4、作业人员未按照操作规程作业或违章作业。
5、未进行防雷防静电接地1、制定油罐车卸油安全操作规程和安全作业操作规程; 2、将油罐外壁和管道进行接地,地面暗敷防雷网。
3、定期检查油罐及其安全附件,发现隐患及时处理。
2加油系统加油站加油机火灾爆炸人员伤亡(1-20)万元设备、物料、厂房损坏(1万元至100万元)3级1、电器设备、设施、线路存在缺陷2、电器线路、设施布置、安全不符合要求3、违章作业4、有烟头、车辆烟囱喷出火花等1、制定加油机安全作业操作规程2、将加油机进行接地,地面3加油系统加油岛车辆伤害人员伤亡(1-20)万元设备、物料、厂房损坏(1万元至100万元)3级1、司机技术水平低或状态不佳,现场人员麻痹大意。
2、道路不畅,有施工或危险路段没有警示灯3、疲劳驾驶4、工作人员监护指挥不力。
1、在醒目位置设置,“限速”、“注意安全”等安全警示标识。
2、工作人员加强现场管理,现场指挥,合理利用加油机减少车辆聚集。
3、制定车辆伤害应急预案。
民丰加油站风险点公示牌。
加油站双重预防体系一企一册生产经营单位安全生产风险点名册单位名称(盖章):主要负责人(签字):二零二零年五月生产经营单位基本信息单位名称:法定代表人:组织机构代码(或工商营业执照注册号):详细地址:联系邮政编码:生产经营活动类型:行业类别:主要产品:主要原料:固定资产总值(万元):占地面积(平方米):年销售收入(万元):职工人数(人):备注:填表人:联系填报日期:生产经营单位安全生产风险点登记表风险点编号:GGJYZ-JHA-001风险点名称:加油作业风险点详细位置:诱发事故类型:火灾、中毒、其他伤害伤亡/财产损失预测:1人以上轻伤;职业相关疾病;部分失能;事故直接经济损失1万元及以上,10万元以下风险点基本情况:采取管控措施情况:1.设置防撞护栏,5公里限速牌;2.设置摩托车加油区;3.设置油气回收装置;4.严格落实“加油七步法”,按规定动作引车到位;5.全员培训“加油七步法”操作;6.防静电工作服、劳保鞋;7.发生泄漏时立即停止加油作业,迅速撤离泄漏污染区人员至安全区,并进行隔离,尽可能的切断泄漏源。
风险等级:风险管控责任部门:车间责任人手机号码:存在隐患情况:1.未设置限速标识;2.未按“加油七步法”操作。
应急处置主要措施:车间配备应急药箱,如伤害较重,拨打120送医。
属地监管政府主管部门和专业监管部门负责监督。
生产经营单位安全生产风险点登记表风险点编号:GGJYZ-JHA-002风险点名称:卸油作业风险点详细位置:诱发事故类型:火灾、车辆伤害、其他伤害伤亡/财产损失预测:1人以上轻伤;职业相关疾病;部分失能;事故直接经济损失1万元及以上,10万元以下风险点基本情况:采取管控措施情况:1.设置5公里限速牌;2.设置固定式静电消除器、移动式静电消除器;3.设置监控器监视;4.严格落实“卸油十步法”;5.全员培训“卸油十步法”操作规程;6.防静电工作服、劳保鞋、安全帽;7.司机立即关闭卸油阀门,停止卸油作业。
加油站安全风险分级管控清单风险点:卸油作业过程存在的风险点。
作业步骤(场所/设施/部位):卸油前检查车辆和罐体是否完好,卸油时确保管线连接正确,释放静电,停止加油,周围无明火、热源等引火源。
危险源/检查标准名称:引导车辆检查。
管控措施:班组应负责教育、培训、个体防护用品穿戴齐全,应急预案和应急处置班组应负责制定。
风险事故类型等级编类名序号型称号:1.管控层级:驾驶员驾驶车辆不当,车辆伤害三级。
2.发生碰撞:罐体渗漏,阻火器、静电拖地带等不规范,火灾三级。
3.其它爆炸运输车辆、罐体油罐车静电聚集出现火灾,三级。
4.突发火情不能及时使火灾等无法控制,四级。
5.用消防器材无法扑灭火灾,其它爆炸损、渗漏,管道、阀门启闭错误或火灾,四级。
6.取样作业不规范,引发火灾,三级。
7.高处坠落或静电火灾,阻火器、静电报警未确认油罐空容量,引火灾,四级。
8.管线连接错误,造成混油;管线连接不密封、破损,引发漏油,静电引发火灾,或卸油火灾,二级。
9.卸油站点管电火花风险,其它爆炸,三级。
10.卸净收油量不足,控油操作不当,其它伤害三级。
11.拆除连管线未规范拆除,控油接管线操作不当,其它伤害三级。
12.卸后复核液位仪显示正常,阀门启闭正常,其它伤害三级。
13.引导离站点√√√。
管控措施:静电报警器连接装置和接地体连接良好。
戴齐全,确保工作人员佩戴安全帽、安全鞋、防护手套等必要防护用品应急预案应制定完善,包括应急处置流程、应急设备的准备和使用等内容定期检查操作井、通气管、阻火器等安全附件是否完好,防止出现锈蚀、变形等现象罐体、管路、阀门等设备也需要定期检查,确保无破损、渗漏等安全隐患岗位操作人员需要注意车辆熄火、加油枪自封开启灵敏等细节,避免发生车辆伤害、火灾、爆炸等事故班组需要开展安全操作规程教育培训,提高员工的安全意识和应急处置能力加油机的电源线路、导除静电装置、油枪自封开启灵敏、控制面板显示正常等方面也需要定期检查,确保设备完好无误差紧急切断阀等安全附件也要保持完好,以应对突发情况。
第1号风险点清单企业名称:XXX区XX加油站风险单元名称:办公室单元
第2号风险点清单企业名称:XXX区XX加油站
风险单元名称:保管作业单元
第3号风险点清单企业名称:XXX区XX加油站
风险单元名称:加油作业单元
第4号风险点清单企业名称:XXX区XX加油站
风险单元名称:加油作业单元
第4号风险点清单企业名称:XXX区XX加油站
风险单元名称:装卸作业单元
第5号风险点清单企业名称:XXX区XX加油站
风险单元名称:装卸作业单元
第5号风险点清单企业名称:XXX区XX加油站
风险单元名称:车辆运输作业单元
第6号风险点清单企业名称:XXX区XX加油站
风险单元名称:车辆运输作业单元。