梁裂缝计算表格
- 格式:xls
- 大小:36.00 KB
- 文档页数:1
计算结果部分
40004200985095000.80.790.03720.426
1.0000
54.0
200000501.01.4760.750
准永久组合计算轴向力值 N l =
裂缝宽度计算 (JTG3362-2018 第6.4条)
构件截面半径 r=频遇组合计算的轴向力值 Ns=钢筋弹性模量 Es=
使用阶段轴向力偏心距增大系数准永久组合计算弯矩值 Ml=纵向钢筋所在圆周半径 rs =钢筋应力
偏心距 e0=Ms/Ns=
与构件受力性质有关的系数 C3=
频遇组合计算弯矩值 Ms=钢筋表面形状系数 C1=
作用长期效应影响系数 =
纵向受拉钢筋有效配筋率最外侧受拉钢筋保护层厚度 c=210.5l s
M C M =+=/te s te A A ρ=
2
00
11240002s
s
l e
r r a η⎛⎫=+
= ⎪⎝⎭
-3
020
0.60.10.450.260.2s s ss s s s e N r A r e r r ηση⎛⎫- ⎪
⎝⎭==⎛⎫⎛⎫++ ⎪
⎪⎝⎭⎝⎭
28
0.055
Ⅳ类0.15
最大裂缝宽度
最大裂缝宽度限值 :
钢筋混凝土构件所在的环境类别 :
纵向钢筋直径 d=
123
0.36 1.7ss cr s te c d W C C C E σρ⎛⎫+== ⎪+⎝⎭
数
据
输
入
部
分
下表格中的蓝色数据。
黄色格未被
引用
e0/r0.532995。
梁的开裂弯矩计算公式我们经常说,工程中的裂缝分为很小的开裂和很大的裂纹,大裂纹是比较常见的。
而大裂纹就是工程中的节点的开裂了,并且具有一些特性,比较难控制。
裂缝是结构中产生较大裂缝,产生裂缝有很多原因,其中有些原因需要解决。
有些原因需要防范,可能一些结构需要考虑抗震等因素。
而大裂纹就是指大范围内的大面积损坏,导致结构失效的裂纹。
它一般是由梁的强度、变形、荷载作用等引起的。
梁的开裂后,梁上的荷载就会集中到梁的上端和下端。
一般情况下,梁端附近会产生较大的应力,导致梁的上端产生裂缝。
由于混凝土的开裂会使梁表面产生大量应力集中区,这些应力会导致梁表面产生裂缝及损坏。
一、混凝土应力混凝土的产生就是由于内部的应力积累。
当内部有许多相互贯通的孔洞时,我们称之为内部应力聚集。
内部应力聚集就会使混凝土产生裂缝。
混凝土内部应力也称之为内部应力。
这就是混凝土内部各种成分分布规律。
内部应力具有三种不同的形式:应变函数)、剪切函数)、压力函数)。
混凝土内部应力的作用是使结构发生变化的,所以会影响到结构的寿命。
混凝土内部应力会导致结构表面出现很多裂隙和明显的裂缝。
这些裂缝的形成主要是由混凝土内部不均匀收缩引起的。
内部应力与外部应力存在差异:混凝土内部的应力是由内部质量决定的;外部的应力是由外部应力控制的。
这两种状态对其破裂以及破坏起到了决定性的作用。
二、裂缝特征混凝土结构在出现裂缝时,通常会产生一个或多个,甚至若干个裂缝。
这些裂缝通常都是比较细小的,并且具有一定的抗弯抗拉强度、抗剪强度等。
我们常见的裂缝一般有三种类型:①竖向裂缝:由于混凝土的体积收缩与混凝土的强度收缩的不同而产生的裂缝;②水平裂缝通常是由混凝土应力的变化引起的;③垂直裂缝的形成与裂缝较小的应力的变化有关;④水平裂缝:垂直裂缝通常会比水平裂缝更小。
⑤横向裂缝:纵向裂缝一般是由应力引起的;⑥水平裂缝:由于混凝土塑性收缩的影响,混凝土出现不同程度的裂缝。
三、计算方法裂纹的计算方法有很多,主要有弯矩之分。
⾃⼰编制的表格-两孔箱涵(结构、配筋、裂缝、基底应⼒)箱涵结构计算(恒载+活载)钢筋混凝⼟箱涵结构设计⼀、设计资料1、孔径及净空净跨径L0 =9.1m净⾼h0 = 5.4m孔数m=22、设计安全等级⼀级结构重要性系数r0 = 1.13、汽车荷载荷载等级公路 —Ⅰ级4、填⼟情况涵顶填⼟⾼度H = 2.1m⼟的内摩擦⾓Φ =30°填⼟容重γ1 =18kN/m3地基容许承载⼒[σ0] =200kPa5、建筑材料普通钢筋种类HRB400主钢筋直径22mm钢筋抗拉强度设计值f y =360MPa涵⾝混凝⼟强度等级C30涵⾝混凝⼟抗压强度设计值f cd =14.3MPa涵⾝混凝⼟抗拉强度设计值f td = 1.43MPa钢筋混凝⼟重⼒密度γ2 =25kN/m3基础混凝⼟强度等级C20混凝⼟重⼒密度γC =23.5kN/m3⼆、设计计算(⼀)截⾯尺⼨拟定 (见图L-01)顶板厚度δ1 =0.8m底板厚度δ1 =1mC1 =0.4m侧墙厚度t =1mC2 =0.4m中墙厚度t' =0.8m横梁计算跨径L P = L0+(t+t')/2 =10mL = 2L0+2t+t' =21mL1=10m侧墙计算⾼度h P = h0+δ = 6.2mh = h0+(δ1+δ2) =7.2m基础襟边 c =0.1m基础⾼度 d =0.3m基础宽度 B =21.2m⼟压⼒分项系数γ3= 1.1⾃重分项系数γ4= 1.05(⼆)荷载计算1、恒载恒载竖向⼟压⼒q恒⼟ =γ 3 γ1H =41.58kN/m2顶板⾃重q恒⾃ =γ 4 γ2δ1 =21.00kN/m2恒载⽔平压⼒顶板(顶板底⾯)处e P1 =γ 3 γ1(H+δ1)tan2(45°-φ/2) =19.14kN/m2图 L-01底板(底板顶⾯)处e P2 =γ 3γ1(H+h0+δ1)tan2(45°-φ/3) =54.78kN/m22、活载汽车后轮着地宽度0.6x0.2m,后轮分布间距1.4x1.8m,由《公路桥涵设计通⽤规范》(JTG D60—2004)第4.3.4条规定,按30°⾓向下分布。
计算结果部分2.4640738410.4635307782546.2(2)3827.76kN 或 kN·m 6698.58kN 或 kN·m 6698.58kN 976.29kN·m 0.65m0.01109530MPa 0.146m1.0142钢筋应力-106.2Mpa 钢筋应力≤24MPa,不必验算裂缝200000Mpa 50mm 1.01.28625mm 钢筋弹性模量 E s =混凝土保护层厚度 C=钢筋表面形状系数 C 1=作用长期效应影响系数 =纵向钢筋直径 d=作用短期效应组合内力值 M s =构件截面半径 r=纵向受拉钢筋配筋率 ρ=As/πr 2=混凝土立方体抗压强度标准值 f cu,k =偏心距 e 0=Ms/Ns=使用阶段轴向力偏心距增大系数裂缝宽度计算 (JTG D62-2004 第6.4.5条)作用长期效应组合内力值 N l =作用短期效应组合内力值 N s =作用短期效应组合内力值 N s =210.5lsN C N =+=+=2000)(/400011hl h e s η=∙⎥⎥⎦⎤⎢⎢⎣⎡-⎪⎭⎫ ⎝⎛-=-320,265.10.180.2πr 42.59ρησr e f N s k cu S SS最大裂缝宽度-0.019mm < 0.2 mm,满足Ⅱ类0.20mm最大裂缝宽度限值 :钢筋混凝土构件所在的环境类别 :=⎥⎦⎤⎢⎣⎡⎪⎪⎭⎫ ⎝⎛++=C dE C C w S SS k f 52.1004.003.021ρσ钢筋应力≤24MPa,不必验算裂缝宽度根据“C.0.2-1 的e0=ηe0”用excel菜单"工具->单变量求解" 可快速解得ξ< 0.2 mm,满足规范要求。
结构设计表格在陈洪伟\结构共享目录中有结构设计计算系列表格,如果有兴趣欢迎试用。
所有表格都是用Excel编制,并且完全遵循《混凝土结构设计规范》有关规定执行。
由于表格中有比较复杂的数学计算和逻辑运算,为了避免误操作破坏公式及表格结构,所有公式栏均用密码锁住,填写表格时只需输入基本数据即可,所有中间计算都是表格自动进行,选取单元格正确输入各种基本数据,一般而言,表格可以得到正确的结果。
须注意的是,用Excel时应关闭拖放功能(在工具菜单——选项——编辑中,不选取拖放功能即可),否则会出错。
如有问题或不明之处请与陈洪伟联系。
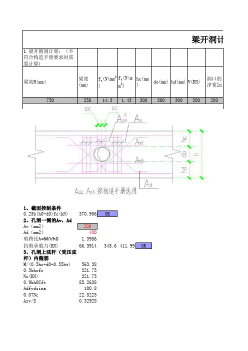
1、结构计算简图;2、结构主要数据统计;3、楼面荷载计算表格;4、梁墙荷载计算表格;5、矩形板强度、裂缝弹性计算表格——查表法;6、矩形板强度弹性计算表格——查表法;7、矩形板强度塑性计算表格;8、抗拔桩裂缝计算表格;9、梁裂缝计算表格;10、梁挠度计算表格;11、预应力梁挠度计算表格;12、梁正截面强度计算表格——拉弯、压弯构件;13、楼体计算表格;14、SATWE总信息表格。
本人编制了施工图设计提纲(征求意见稿)和SATWE总信息表格,希望大家提出各自的建议及意见,也可以根据这个意见稿的思路编制各自喜爱的版本。
以后的工程在进行施工图设计以前专业负责人最好先编制一份施工图设计提纲及结构设计计算总信息表格,并在建筑提资图上绘制结构布置草图,经过校对、审核后再进行施工图设计,这样可以避免许多不必要的返工和矛盾,校对、审核也可以提前介入、了解工程的情况,否则往往是要出图时才知道工程具体情况,如果这时提出较大的原则问题大家都比较麻烦,修改工作量也较大。
在设计分工时建议整体计算由一个人负责完成,最好是专业负责人,不同的子项可以由不同的人计算。
迈达斯斜截面抗裂验算表迈达斯斜截面抗裂验算表是一种常用于混凝土结构设计中的工具,用于确定混凝土梁或柱在受力作用下的抗裂能力。
它是根据试验结果和理论推导得出的,可以帮助工程师准确评估结构的抗裂性能。
下面将介绍一些与迈达斯斜截面抗裂验算表相关的内容。
1. 迈达斯斜截面理论基础:迈达斯斜截面抗裂验算表的理论基础是混凝土的应力-应变关系和裂缝宽度控制理论。
混凝土在受力作用下会发展裂缝,而迈达斯斜截面理论通过对裂缝发展过程的分析,提出了一种有效的抗裂设计方法。
2. 抗裂设计的目的:抗裂设计的目的是确保结构在使用寿命内能够保持稳定,并且不产生过大的裂缝宽度,以防止裂缝的扩展进一步影响结构的使用性能和安全性。
3. 迈达斯斜截面抗裂验算表使用方法:迈达斯斜截面抗裂验算表通常是以Excel表格的形式呈现,工程师可以输入相关参数和材料性能,然后根据表格中的计算公式得出结果。
表格中包含了不同裂缝宽度控制等级对应的设计参数,工程师根据具体的项目要求选择合适的控制等级进行验算。
4. 迈达斯斜截面抗裂验算表的应用范围:迈达斯斜截面抗裂验算表可以用于各种混凝土结构设计,包括梁、柱、墙等,也可以用于不同类型的荷载作用下的抗裂设计。
表中的参数和计算公式经过了大量试验验证,具有较高的准确性和可靠性。
5. 其他抗裂设计方法:除了迈达斯斜截面抗裂验算表,还有其他一些抗裂设计方法,如基于等效矩理论的抗裂设计方法、基于裂缝宽度控制的抗裂设计方法等。
不同的设计方法适用于不同的结构类型和设计要求,工程师可以根据实际情况选择合适的方法进行设计。
综上所述,迈达斯斜截面抗裂验算表是一种常用的混凝土结构抗裂设计工具,具有较高的准确性和可靠性。
工程师可以根据表中的设计参数和计算公式,针对具体的工程项目进行抗裂能力的评估和设计。
除了迈达斯斜截面抗裂验算表,还有其他一些抗裂设计方法可供选择,工程师可以根据实际情况选择最合适的方法进行设计。
防震缝宽度计算法
当建筑高度不超过15m时防震缝最小宽度取100mm,超过15m时防震缝宽度应在100mm的基础上按下表增加
柱截面估算方法
一、柱轴力计算:
轴力设计值N=γ(荷载分项系数1.35)×A(柱受荷面积)×q(每㎡重量)q=15KN/㎡(中柱)、20KN/㎡(边柱)、25KN/㎡(角柱)、
2
四、柱截面面积(mm2)计算:
Ac=N×1000÷μc
Bc(柱截面宽)×Hc(柱截面高)≥Ac
Hc÷Bc宜≯1.5
超限高层建筑工程主要X围的参照简表建质[2006]220号一、房屋高度(m)超过下表规定的高层建筑工程
注:平面和竖向均不规则,或Ⅳ类场地,按减少20%控制;6度的短肢墙、错层结构,高度适当降低。
二、同时具有下表所列三项与三项以上不规则的高层建筑工程
三、具有下表所列某一项不规则的高层建筑工程
四、其他高层建
注:表中大型建筑工程的X围,参见《建筑工程抗震设防分类标准》GB 50223-2004。