房屋建筑工程施工安全考核检查表.doc
- 格式:docx
- 大小:18.39 KB
- 文档页数:8
建筑工程施工安全检查记录表项目名称:施工单位:检查日期:检查人员:存在问题及整改情况:1. 工地周边环境安全- 周边道路交通组织合理,符合安全要求。
- 工地周边公共设施无妨碍施工安全的障碍物。
- 周边有防护栏或警示标志,提醒行人注意施工区域。
2. 施工现场基础设施安全- 施工现场出入口明确标识,通道畅通无阻。
- 施工现场消防设施完备,易于使用并正常工作。
- 施工现场临边、洞口等危险地段设置了防护措施。
3. 施工机械设备安全- 施工机械设备经过检查,运行正常并经过维护。
- 施工机械设备操作人员持证上岗,熟练掌握机械操作技能。
- 施工机械设备周边区域无杂物,并设置了警戒线。
4. 施工材料使用安全- 施工材料质量符合标准,无损坏或异常情况。
- 施工材料存放整齐,无松动或倾斜情况。
- 施工材料使用区域清理干净,无杂乱物堆放。
5. 施工作业人员安全- 施工作业人员佩戴齐全的个人防护装备。
- 施工作业人员按照安全操作规程进行作业。
- 施工作业人员遵守施工现场秩序管理规定。
6. 施工现场安全防护- 施工现场设置了明显的安全警示标识。
- 施工现场存在的危险源设置了合理的防护措施。
- 施工现场设有专人负责安全检查及问题整改。
7. 施工现场临时用电安全- 施工现场采取了合理的临时用电工程措施。
- 施工现场用电设备定期检查并进行维护。
- 施工现场用电电缆敷设整齐,避免交叉、悬空及暴露。
8. 施工现场危险化学品安全- 施工现场危险化学品分类储存,并设置明显标识。
- 施工现场危险化学品配备了相应的防护设施。
- 施工现场危险化学品使用符合法律法规要求。
整改措施及责任人:1. XX问题,由责任人A负责,整改期限:XX月XX日前。
2. XX问题,由责任人B负责,整改期限:XX月XX日前。
3. XX问题,由责任人C负责,整改期限:XX月XX日前。
以上是对本次建筑工程施工安全检查的记录和整改情况说明,请各相关责任人按时整改,确保施工现场安全。
建设工程施工现场安全检查表施工现场安全检查内容1、项目经理、安全员等管理人员在不在现场监督分部分项工程的施Xo2、施工单位的主要负责人、项目负责人、专职安全生产管理人员、作业人员或者特种作业人员是否经安全教育培训或者经考核不合格即从事相关工作。
3、施工组织设计及专项施工方案是否经过监理单位批准再施工。
4、施工前是否对有关安全施工技术要求作出详细交底,或者双否是否签字确认。
5、特种作业人员未按照规定持证上岗并未经专门的安全培训考核。
6、现场围挡:是否沿工地四周连续设置。
7、封闭管理:施工现场出口有无大门,门口有无设置企业标志。
8、施工场地:工地地面有无硬化处理;有无排水设置,有无排水不通畅的现象。
9、建筑材料/构件/具料是否按总平面布置堆放挂名称、品种、规格等标牌,对方是否整齐。
10、是否在尚未竣工的建筑物内设置员工集体宿舍。
11、施工作业区与办公、生活区是否明显划分。
12、现场放火:是否有消防措施、制度或灭火器材配置不足及未设置消防通道、消防水源现象。
13、施工现场标牌:大门口是否挂了五牌一图:有无安全标语、宣传栏、读报栏、黑板报等。
14、生活设施:厕所、食堂是否符合卫生要求。
15、保健急救:是否有保健医药箱,是否有急救措施和急救器材。
16、安全标志:是否施工现场的危险部位设置明显的安全警示标志。
17、安全文明施工费:是否有安全文明施工费使用计划。
18、立杆基础:立杆基础是否用混凝土做垫层,是否有不平,不实,无排水措施,无扫地杆的。
19、架体与建筑结构拉结:脚手架架体是否存在于建筑结构拉结数量不足,拉结不坚固、不规范现象。
20、杆件间距:立杆、大横杆、小横杆间距是否超过规定要求。
21、剪刀墙:是否按规定设置剪刀墙,剪刀墙是否沿脚手架高度连续设置。
22、脚手板:脚手板是否铺满,脚手板材质是否符合要求。
23、施工层是否设置1.2m高防护栏杆和挡脚板,施工层脚手架外侧是否设置密目式安全网或网间不严密或破旧现象。
建筑工程施工现场安全生产检查表本文档用于建筑工程施工现场进行安全生产检查,以确保施工过程中的安全,防范事故的发生。
工程概况•工程名称:•工程地点:•工程负责人:•施工单位:施工现场的一般要求•现场是否布置了安全警示标志?•现场是否设置了安全防护网、安全通道和临时围栏?•施工现场是否划分了不同区域?•有无地下障碍物和危险区域的相关安全预防措施?施工设备和机械的安全检查•施工设备是否经过安全检修并具备使用条件?•机械操作人员是否持有合格证?•机械作业区域是否设置了警示标志?•设备和机械是否固定牢固,不存在松动或安全隐患?施工材料和用具的安全检查•施工材料是否符合国家标准及质量验收标准?•施工用具是否经过检修并具备使用条件?•施工材料的储存是否科学合理,避免堆放不当导致安全风险?施工人员的安全检查•施工人员是否经过必要的安全培训和资格认证?•施工人员是否使用个人防护装备?•施工人员是否遵守施工现场的安全规章制度?•有无违章操作和违规行为?安全生产措施的执行情况•施工现场是否制定了安全生产措施计划?•安全生产措施的执行情况如何?•安全生产教育培训情况是否到位?施工现场的危险源排查•对施工现场的危险源进行了何种排查?•危险源是否得到有效控制和管理?•对已控制的危险源是否进行了定期检查和维护?现场安全巡查记录•进行了多少次现场安全巡查?•巡查中发现了哪些问题?•问题得到了怎样的解决和整改?安全事件及事故的记录分析•施工现场发生过哪些安全事件或事故?•安全事件或事故的原因分析和责任追究情况?•采取了哪些措施避免类似事件或事故再次发生?签名•监理单位负责人签名:•施工单位负责人签名:•监督部门负责人签名:是建筑工程施工现场安全生产检查表的内容,通过对施工现场各个方面的安全检查,可以确保施工过程中的安全。
同时,如果发现问题和隐患,应及时采取相应措施进行整改,以防止安全事件和事故的发生。
在整个施工过程中,各方应共同努力,落实安全生产责任,确保工程顺利进行。
建筑施工安全检查表建筑施工安全检查表项目名称:检查时间:月日序号检查项目检查内容1 全面管理 1.是否制定管理目标,并分解、考核;是否建立安全生产责任制。
2.项目经理、安全员、特种作业人员是否持证上岗,安全员是否由企业直派。
基坑、脚手架、模板、起重设备是否编制专项方案,项目安审批手续齐全。
2 文明施工 1.现场是否连续围档,有大门,门前道路、场地是否硬化。
2.是否设置办公区、生活区,并与作业区进行三区分开。
3.是否设置消防水源,配备消防器材。
3 基础工程 1.基础是否硬化,并设排水措施。
4 脚手架工程 1.跨距、步距、高度是否符合设计要求,剪刀撑是否连续设置。
2.拉结是否一顶一拉,24m以上脚手架是否采用钢性连结。
3.是否采用密目网封闭,封闭是否严密牢固。
5 模板工程 1.立杆接长,底部垫板,纵横连结是否符合要求,模板荷载是否符合规范。
2.模板是否有量化验收,模板拆除前是否有混凝土强度报告。
6 用电工程 1.是否采用TN-S系统供电,三级配电、二级防护是否到位,是否直接传递给立杆。
2.材料是否集中分区堆放,并标识。
3.漏电保护器参数是否匹配。
4.是否设立符合规范要求的总配电室。
5.是否存在私拉乱扯现象。
7 升降机工程 1.安全装置是否齐全、灵敏、有效。
2.安拆队伍是否有资质,是否经过安装验收、检测。
3.操作、指挥、司索人员是否持有有效证件上岗。
4.升降机是否制定防碰撞措施。
5.是否使用单独开关箱供电,电缆是否采取隔离措施。
8 塔吊工程 1.是否选用正规厂家生产产品,有无制造许可证、产品合格证明。
2.防冒顶、高坠、楼层停靠、吊蓝、安全门等安全保险装置是否物料提齐全。
3.与墙体连续是否采用人字型连结,位置符合要求。
4.进料口、料台口是否设置安全防护门。
5.是否按规范附墙,安装后有无验收,是否采用单绳提升吊篮。
9 施工机具 1.各类施工机具安全防护装置是否齐全。
2.是否搭设机械作业棚。
3.是否违规使用倒顺开关操作机械。
附件 1:建设工程施工质量安全检查表(一)受检工程基本状况表工程所在省(市、县):督查构组员签字:督查日期:建设工程施工质量安全检查表(二)工程建设强制性原则执行状况检查表项目名称:督查构组员签字:督查日期:建设工程施工质量安全检查表(三)工程建设有关责任主体和机构质量行为检查表项目名称:督查构组员签字:督查日期:建设工程施工质量安全检查表(四)建筑施工安全生产检查表(建设单位)单位名称:检查人:检查日期:年月日建设工程施工质量安全检查表(五)建筑施工安全生产检查表(监理单位)单位名称:检查人:检查日期:年月日建设工程施工质量安全检查表(六)单位名称:建筑施工安全生产检查表(施工单位)检查人:检查日期:年月日建设工程施工质量安全检查表(七)施工现场安全生产检查表(实体检查)项目名称:检查人:检查日期:年月日附件 2:大气污染防治专项整治大气污染防治专项整治检查表检查人:检查日期:年月日附件 3:扫黑除恶专项斗争内江市住建系统扫黑除恶检查表被检查单位(项目)负责人签字:检查构组员签字:附件 4:“创国卫”工作内江市创立国家卫生都市在建工地检查得分表附表-秋冬季蓝天保卫战攻坚行动专项检查表(一)(非道路移动源方面)市:检查日期:检查构组员(签字):-秋冬季蓝天保卫战攻坚行动专项检查表(二)(工地扬尘方面)市:检查日期:检查构组员(签字):-秋冬季蓝天保卫战攻坚行动专项检查表(三)(混凝土搅拌站扬尘方面)市:检査日期:检查构组员(签字):。
施工安全检查表一、施工现场基本情况。
1. 工程名称,__________2. 施工地点,__________3. 施工单位,__________4. 施工负责人,__________5. 安全检查日期,__________。
二、施工现场环境及设施。
1. 施工现场是否有明显的安全警示标识?2. 施工现场是否有安全通道,并是否畅通无阻?3. 施工现场是否设置了安全防护网、警示标志等安全设施?4. 施工现场是否有易燃易爆危险品,是否有专人进行监管?三、施工作业人员安全防护。
1. 施工作业人员是否穿着符合要求的安全防护服和安全帽?2. 施工作业人员是否配备了必要的安全防护用具,如手套、护目镜等?3. 施工作业人员是否接受了必要的安全培训和教育?四、施工机械设备安全状况。
1. 施工机械设备是否经过定期检测和维护?2. 施工机械设备是否有明显的安全隐患,如漏电、断电等?3. 施工机械设备是否有操作规程和安全操作指南?五、施工现场卫生和秩序。
1. 施工现场是否保持整洁,无杂物堆放?2. 施工现场是否有定期清理垃圾和污水的措施?3. 施工现场是否设置了临时生活区,是否符合卫生要求?六、施工现场安全管理。
1. 施工现场是否设置了安全管理人员,是否有明确的安全管理制度?2. 施工现场是否进行了安全隐患排查和整改?3. 施工现场是否有应急预案和应急设施?七、其他安全情况。
1. 施工现场是否存在其他安全隐患,如高空坠落、电气安全等?2. 施工现场是否有外来人员进入,是否有进行安全教育和告知?以上为施工安全检查表,希望各位施工单位和相关人员认真执行,严格按照要求进行检查和整改,确保施工现场的安全生产。
同时也希望相关部门能够加强监管,共同营造一个安全、和谐的施工环境。
建筑施工安全检查汇总表
AQ 2.3.1.1□注:安全检查评分按照《建筑施工安全检查标准》JGJ59-99进行阶段评价检查应由总监理工程师签署意见,施工企业单独组织的日常检查也可用此表。
安全管理检查表
AQ 2.3.1.2□
文明施工检查表
AQ 2.3.1.3□
文明施工检查表(续表)
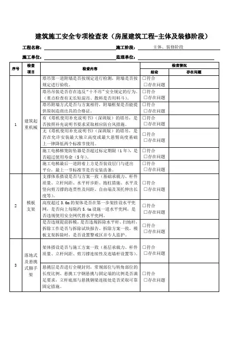
落地式外脚手架检查表
AQ 2.3.1.4□
悬挑式脚手架检查表
AQ 2.3.1.5□
AQ 2.3.1.6□
AQ 2.3.1.8□JGJ59-99 表3.0.4-5
附着式升降脚手架(整体提升架或爬架)检查表
AQ 2.3.1.9□
附着式升降脚手架(整体提升架或爬架)检查表(续表)
基坑支护安全检查表
AQ 2.3.1.10□
模板工程安全检查表
“三宝”、“四口”检查表
AQ 2.3.1.12□
施工用电检查表
物料提升机(龙门架、井字架)检查表
AQ 2.3.1.14□
物料提升机(龙门架、井字架)检查表(续表)
外用电梯(人货两用电梯)检查表
AQ 2.3.1.15□
塔吊检查表
AQ 2.3.1.16□
起重吊装安全检查表
AQ 2.3.1.17□
施工机具检查表
施工机具检查表(续表)
注:阶段检查时,专业理监工程师应参加检查,并签署意见。
建筑工程安全检查表一、项目信息:项目名称:项目地址:项目负责人:施工单位:监理单位:检查日期:二、工地现场情况检查:1. 工地周边环境是否整洁,有无垃圾和危险废弃物堆积?2. 施工现场是否设置了安全警示标志牌,标明施工区域和禁止入内区域?3. 施工现场是否进行了适当的围挡围栏,并设置了防护网?4. 施工现场是否存在高处坠落的危险,是否设置了安全网和安全绳?5. 施工现场是否设置了消防器材,如灭火器和消防水源?6. 施工现场是否存在电源线路暴露和电气设备安全隐患?7. 施工现场是否存在机械设备和起重设备使用不当的情况?8. 工人是否佩戴相应的安全防护用品,如安全帽、防护鞋、手套等?三、建筑物结构安全检查:1. 楼层楼面是否坚固,有无开裂、下沉或变形的迹象?2. 楼梯是否牢固,有无破损或滑倒的危险?3. 墙体是否稳固,有无开裂、渗水或倾斜的情况?4. 屋面是否完好,有无破损、漏水或脱落的现象?5. 地基基础是否牢固,有无沉降或沉稳不均的迹象?6. 栏杆和护栏是否牢固可靠,无松动或倒塌的风险?四、电气安全检查:1. 电线电缆是否合理敷设,无严重扭曲、破损或老化现象?2. 电气设备是否有必要的接地保护,是否存在电击风险?3. 电气回路是否正常,有无漏电、短路或断路等问题?4. 电气箱及开关插座是否整洁、无明火或烟雾?五、消防安全检查:1. 紧急疏散通道是否畅通,无堵塞、杂物或障碍物?2. 消防通道和消防设施是否齐全,有无损坏或遮挡?3. 消防设备是否正常运行,如消防栓、灭火器等?4. 建筑物内是否设置了独立的疏散楼梯和疏散标识?六、建筑材料和机械设备安全检查:1. 建筑材料是否符合安全规范,无过期或损坏的情况?2. 机械设备是否符合安全要求,是否存在使用不当的风险?3. 施工机械是否定期维护保养,是否存在故障或安全隐患?七、施工人员安全意识检查:1. 施工人员是否接受过相关的安全培训和资质认证?2. 施工人员是否遵守工地安全规章制度,佩戴必要的安全防护用品?3. 施工人员是否具备安全意识,对危险源和紧急情况有足够的认识和应对能力?八、其他安全隐患检查:1. 工地周边交通安全情况,是否存在交通阻塞或施工区域违规占道的情况?2. 施工现场是否存在起火、爆炸、坍塌等突发事件的应急预案和安全措施?以上为建筑工程安全检查表,通过对工地现场情况、建筑物结构、电气安全、消防安全、建筑材料和机械设备、施工人员安全意识等方面的全面检查,保证工地安全,预防事故的发生。