钢结构检验批(国标)
- 格式:doc
- 大小:393.00 KB
- 文档页数:13
表J.O.1 钢结构(钢构件焊接)分项工程检验批质量验收记录
表J.O.2 钢结构(焊钉焊接)分项工程检验批质量验收记录
表J.O.3 钢结构(普通紧固件连接)分项工程检验批质量验收记录
表J.O.4 钢结构(高强度螺栓连接)分项工程检验批质量验收记录
表J.O.5 钢结构(零件及部件加工)分项工程检验批质量验收记录
表J.O.6 钢结构(构件组装)分项工程检验批质量验收记录
表J.O.7 钢结构(预拼装)分项工程检验批质量验收记录
表J.O.8 钢结构(单层结构安装)分项工程检验批质量验收记录
表J.O.9 钢结构(多层及高层结构安装)分项工程检验批质量验收记录
表J.O.10 钢结构(网架结构安装)分项工程检验批质量验收记录
表J.O.11 钢结构(压型金属板)分项工程检验批质量验收记录
表J.O.12 钢结构(防腐涂料涂装)分项工程检验批质量验收记录
钢结构(防火涂料涂装)分项工程检验批质量验收记录。
表J.O.1 钢结构(钢构件焊接)分项工程检验批质量验收记录
表J.O.2 钢结构(焊钉焊接)分项工程检验批质量验收记录
表J.O.3 钢结构(普通紧固件连接)分项工程检验批质量验收记录
表J.O.4 钢结构(高强度螺栓连接)分项工程检验批质量验收记录
表J.O.5 钢结构(零件及部件加工)分项工程检验批质量验收记录
表J.O.6 钢结构(构件组装)分项工程检验批质量验收记录
表J.O.7 钢结构(预拼装)分项工程检验批质量验收记录
表J.O.8 钢结构(单层结构安装)分项工程检验批质量验收记录
表J.O.9 钢结构(多层及高层结构安装)分项工程检验批质量验收记录
表J.O.10 钢结构(网架结构安装)分项工程检验批质量验收记录
表J.O.11 钢结构(压型金属板)分项工程检验批质量验收记录
表J.O.12 钢结构(防腐涂料涂装)分项工程检验批质量验收记录
表J.O.13钢结构(防火涂料涂装)分项工程检验批质量验收记录。
表J.O.1钢结构(钢构件焊接)分项工程检验批质量验收记录
表J.O.2 钢结构(焊钉焊接)分项工程检验批质量验收记
录
表J.O.3 钢结构(普通紧固件连接)分项工程检验批质量验
收记录
表J.O.4 钢结构(高强度螺栓连接)分项工程检验批质量验
收记录
表J.O.5 钢结构(零件及部件加工)分项工程检验批质
量验收记录
表J.O.6 钢结构(构件组装)分项工程检验批质量验收
记录
表J.O.7 钢结构(预拼装)分项工程检验批质量验收记
录
表J.O.8 钢结构(单层结构安装)分项工程检验批质量
验收记录
表J.O.9 钢结构(多层及高层结构安装)分项工程检验
批质量验收记录
表J.O.10 钢结构(网架结构安装)分项工程检验批质量
验收记录
表J.O.11 钢结构(压型金属板)分项工程检验批质量验
收记录
表J.O.12 钢结构(防腐涂料涂装)分项工程检验批质量
验收记录
表J.O.13钢结构(防火涂料涂装)分项工程检验批质量
验收记录。
引言概述:钢结构是一种常见且重要的建筑结构形式,其安全性对于建筑物的稳定性和耐久性至关重要。
为确保钢结构的质量和安全性,检验批是必不可少的环节。
本文将详细介绍钢结构检验批的相关内容,包括检验批的定义、目的、程序和要求等。
正文内容:一、钢结构检验批的定义1.1什么是钢结构检验批1.2检验批的作用和重要性1.3检验批的法律法规依据二、钢结构检验批的目的2.1确保钢结构质量2.2预防和避免事故发生2.3保障工程安全和建设质量2.4防止违规操作和不合格施工材料使用三、钢结构检验批的程序3.1检验批的计划编制3.2检验批的审核和批准3.3检验批的实施和监督3.4检验批结果的记录和报告四、钢结构检验批的要求4.1检验批的组织与配合4.2检验批的时间和数量4.3检验批的抽查和检测方法4.4检验批的记录和档案4.5检验批的验收标准与结果处理五、钢结构检验批中常见问题及解决方法5.1建设单位的责任与义务5.2监理单位的监督与管理5.3施工单位的配合与执行5.4检测机构的专业能力与信誉5.5相关部门的协作与沟通总结:钢结构的检验批是保证钢结构质量与安全性的重要环节。
通过本文的详细阐述,我们了解了钢结构检验批的定义、目的、程序和要求等内容。
合理制定检验批计划,严格执行相关要求,加强各方配合与沟通,能够有效预防事故发生,确保钢结构工程的质量和安全。
建议在实际工作中加强对钢结构检验批的重视与实施,以确保工程的质量和安全性。
引言:钢结构在现代建筑中扮演着重要的角色,它具有高强度、抗震性能好、施工周期短等优点,因此在各类建筑项目中被广泛应用。
为了确保钢结构的质量和安全性,对其进行检验是至关重要的。
本文将从不同的角度探讨钢结构的检验批,包括检验批的概念、分类以及具体的检验项目,以帮助读者更好地了解钢结构的检验工作。
概述:1.检验批的定义和作用检验批是指在施工过程中按一定的规模、阶段或时间划分而进行的一次性检验,用于验证工程质量的合格性。
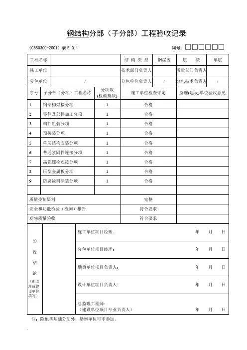
钢结构分部(子分部)工程验收记录(GB50300-2001 )表E.0.1 编号:□□□□□□工程名称结构类型钢屋盖单层施工单位技术部门负责人质量部门负责人分包单位分包单位负责人分包技术负责人序号子分部(分项)工程名称分项数(检验批数)施工单位检查评定监理(建设)单位验收意见钢结构焊接分项合格零件及部件加工分项合格构件组装分项合格预接装分项合格单层结构安装分项合格普通紧固件连接分项合格高强螺栓连接分项合格压型金属板分项合格防腐涂料涂装分项质量控制资料安全和功能检验(检测)报告观感质量验收验收结论(由监理或建设单位填写)合格完整符合要求符合要求施工单位项目经理:年月日分包单位项目经理:年月日勘察单位项目负责人:年月日设计单位项目负责人:年月日总监理工程师:(建设单位项目专业负责人)年月日注:除地基基础分部外,勘察单位可不参加。
钢结构焊接分项工程质量验收表(GB50300-2001 )表 E.0.1编号:□□□□□□钢结构(钢构件焊接)分项工程检验批质量验收记录(GB50205-2001 )表J.0.1精品文库零件及部件加工分项工程质量验收表(GB50300-2001 )表 E.0.1编号:□□□□□□钢结构(零件及部件加工)分项工程检验批质量验收记录(GB50205-2001 )表JO5 Array编号:010905/020405 □□□续下表010905/020405□□□接上表材料规格尺寸钢材表面质量切割精度矫正质量边缘加工精度及允许偏差合格质量标准(按本规范)施工单位自检记录或结果监理(建设)单位验收记录或结果第4.2.3条和第4 .2.4条第4.2.5条符合要求符合要求零件宽度、长度切割面平面度割纹深度局部缺口深度±3.0-1 -2 -1 -20.05t ,且不应大于2.00.31.00.1 0.3 0.2 0.2 0.3 0.1 0.3 0.2 0.1 0.3机械剪切允许偏差零件宽度、长度±3.0-2 -1 -1 -2 边缘缺棱型钢端部垂直度1.02.0第7.3.3条、第7.3.4条和第7.3.5条零件宽度、长度加工边直线宽相邻两边夹角加工面垂直度加工面表面粗糙度±1.0I /3000,且不应大于2.0± 6'0.025t,且不应大于0.5符合要求-1-1-1-1-2 -1-30.3 0.3 0.2 0.4 0.1 0.2 0.1 0.2 0.1 0.212 11 23 21 24 18 15 32 11010905/020405□□口接上表项目允许偏差施工单位自检记录或结果监理(建设)单位验收记录或结果圆度d < 120 1.5d>120 2.5同一轴线上两铣平面平行度d < 120 0.2d>120 0.3铳平面距球中心距离± 0.2相邻两螺栓孔中心线夹角1 ± 30’两铳平面与螺栓孔轴线垂:直度05r球毛坏直径d < 120+2.040d>120+3.0L.5直径± 0.005d± 2.5圆度 2.5壁厚减薄量0.13t,且不应大于1.5两半球对口错边 1.0管件加工精度第7.5.5条符合要求焊接球加工精度螺栓球加工精度制孔精度第762条和第7.6.3条符合要求施工操作依据完整质量检查记录(质量证明文件)完整施工单位检查结果评定项目专业质量检查员:项目专业技术负责人:构件组装,分项工程质量验收表(GB50300-2001 )表 E.0.1编号:□□□□□□精品文库工程名称检验批部位1~9/A~D 轴钢构件施工单位项目经理监理单位总监理工程师施工依据标准依据国家标准 GB50205-2001施工 分包单位负责人 /主控项目合格质量标准(按本规范) 施工单位自检 评定记录或结果监理(建设)单位验收记录或结果1 吊车梁(桁架第8.3.1条/2端部铳平精度 的允许偏差 两端铣平时构件长度盘0两端铣平时零件长度书.5铣平面的平面度0.3铣平面对轴线的垂直度L/15003外形尺寸的 允许偏差 单层柱、梁、衔架受力 支托(支承面)表面至第 一个安装孔距离 鱼.0多节柱铣平面至第一个 安装孔距离±.0实腹梁两端最外侧安装孔距离主.0 j构件连接处的截面几何尺寸1主.0柱、梁连接处的腹板中心线偏移1 2.0受压构件(杆件)弯曲 矢高L.1000,且不应大于10.0一般项目合格质量标准 (按本规范) 施工单位自检 评定记录或结果监理(建设)单位 验收记录或结果1 焊接H 型钢接缝 第8.2.1条 符合要求2 焊接H 型钢精度 第8.2.2条 符合要求3 焊接组装精度 第8.3.2条 符合要求4顶紧接触面第8.3.3条 符合要求5 轴线交点错位第8.3.4条符F 合要求6 焊缝坡口精度的允许偏差 坡口角度钝边±.0m m7铳平面保护第8.4.3条符合要求(GB50205-2001 )表 J.0.6项目专业 技术负责人: 年 月日监理 健设)验收 结论钢结构(构件组装)分项工程检验批质量验收记录编号:020406□□□工位 查论 专业监理工程师:(建设单位项目专业技术负责人)预拼「分项工程质量验收表(GB50300-2001 )表 E.0.1编号:□□□□□□检验批质量检查记录完整1备注施工单位检查结论项目专业技术负责人:年月日监理健设)验收结论专业监理工程师:(建设单位项目专业技术负责人)年月日钢结构(预拼装)分项工程检验批质量验收记录编号:020407口口口(GB50205-2001)表J.0.7工程名称分项工程名称预拼装施工单位验收部位1~9/A~D轴钢梁监理单位总监理工程师施工依据标准依据国家标准GB50205-2001施工专业工长(施工员)质量验收规范的规定施工单位自检记录监理(建设)单位验收记录或结果主控项目1 多层板叠螺栓孔。
钢结构分部(子分部)工程验收记录(GB50300-2001)表编号:□□□□□□注:除地基基础分部外,勘察单位可不参加。
钢结构焊接分项工程质量验收表(GB50300-2001)表编号:□□□□□□钢结构(钢构件焊接)分项工程检验批质量验收记录(GB50205-2001)表编号:010901/020401□□□零件及部件加工分项工程质量验收表(GB50300-2001)表编号:□□□□□□钢结构(零件及部件加工)分项工程检验批质量验收记录(GB50205-2001)表编号:010905/020405□□□010905/020405□□□接上表+ +构件组装分项工程质量验收表(GB50300-2001)表编号:□□□□□□钢结构(构件组装)分项工程检验批质量验收记录(GB50205-2001)表编号:020406L1500L1000,且不应大于51.0mm预拼装分项工程质量验收表(GB50300-2001)表编号:□□□□□□钢结构(预拼装)分项工程检验批质量验收记录(GB50205-2001)表编号:020407□□□单层结构安装分项工程质量验收表(GB50300-2001)表编号:□□□□□□钢结构(单层结构安装)分项工程检验批质量验收记录(GB50205-2001)表编号:020408□□□L1000L1000H100,且不应大于普通坚固件连接分项工程质量验收表(GB50300-2001)表编号:□□□□□□钢结构(普通紧固件连接)分项工程检验批质量验收记录(GB50205-2001)表编号:010903/020403□□□高强度螺栓连接分项工程质量验收表(GB50300-2001)表编号:□□□□□□钢结构(高强度螺栓连接)分项工程检验批质量验收记录(GB50205-2001)表编号:010904/020404□□□压型金属板分项工程质量验收表(GB50300-2001)表编号:□□□□□□钢结构(压型金属板)分项工程检验批质量验收记录(GB50205-2001)表编号:020411□□□15 H800,且不应大于H800,且不应大于H800,且不应大于防腐涂料涂装分项工程质量验收表(GB50300-2001)表编号:□□□□□□钢结构(防腐涂料涂装)分项工程检验批质量验收记录(GB50205-2001)表编号:020412□□□建筑屋面分部(子分部)工程验收记录(GB50300-2001)表编号:□□□□注:除地基基础分部外,勘察单位可不参加。
一、关于发布国家标准《钢结构结构施工质量验收规范》的通知建标[2002]11号根据我部“关于印发《二OOO至二OO一年度工程建设国家标准制订、修订计划》的通知”(建标[2001]87号)的要求,由冶金工业部建筑研究总院会同有关单位共同修订的《钢结构结构施工质量验收规范》,经有关部门会审,批准为国家标准,编号为GB50205-2001自2002年3月1日起施行。
其中,4。
2.1、4。
3。
1、4。
4.1 、5.2。
2 、5。
2.4 、6。
3.1 、8.3。
1 、10。
3。
4 、11。
3.5 、12。
3。
4 、14。
2.2 、14.3.3为强制性条文,必须严格执行.原《钢结构结构施工质量验收规范》GB50205—95和《钢结构结构施工质量检验评定标准》GB50221—95同时废止。
本规范由建设部负责管理和对强制性条文的解释,冶金工业部建筑研究总院负责具体技术内容的解释,建设部标准定额研究所组织中国计划出版社出版发行.中华人民共和国建设部二OO二年一月十日二、前言本规范是根据中华人民共和国建设部建标[2001]87号文“关于印发《二OOO年至二OO一年度工程建设国家标准制定、修订计划》的通知”的要求,由冶金工业部建筑研究总院会同有关单位共同对原《钢结构结构施工质量验收规范》GB50205-95和《钢结构结构施工质量检验评定标准》GB50221—95修订而成的.在修订过程中,编制组进行了广泛的调查研究,总结了我国钢结构工程施工质量验收的实践经验,按照“验评分离,强化验收,完善手段,过程控制"的指导方针,以现行国家标准《建设工程施工质量验收统一标准》GB50300为基础,进行全面修改,并以多种方式广泛征求了有关单位和专家的意见,对主要问题进行了反复修改,最后经审查定稿.本规范共分15章,包括总则、术语、符号、基本规定、原材料及成口进场、焊接工程、紧固件连接工程、钢零部件加工工程、钢构件组装工程、钢网架结构安装工程、压型金属板工程、钢结构涂装工程、钢结构分部工程竣工验收以及9个附录。
钢结构检验批.钢结构检验批1. 引言本文档旨在提供钢结构检验批的详细说明和要求,确保钢结构的安全和质量。
所有相关人员都应遵守并执行本文档中的规定。
2. 检验人员责任和资质要求2.1 检验人员应持有相关资质证书,并具备一定的工作经验。
2.2 检验人员应熟悉钢结构的设计、施工和检验标准,了解相关法律法规。
3. 钢结构材料检验3.1 钢材验收要求:3.1.1 外观检查:检查钢材表面是否有锈蚀、划痕或者其他缺陷。
3.1.2 尺寸检查:检查钢材的尺寸是否符合设计要求。
3.1.3 化学成份检查:检查钢材的化学成份是否符合标准要求。
3.1.4 机械性能检查:进行拉伸试验等,检验钢材的机械性能。
3.2 非破坏性检测:根据需要进行超声波、磁粉、渗透等非破坏性检测,确保钢材无内部缺陷。
3.3 补偿装置的检查:针对需要使用的补偿装置进行检查,确保其质量和可靠性。
4. 钢结构焊接工艺检验4.1 焊工和焊接工艺评定:焊工应具备焊接作业的相关资质,焊接工艺应符合设计要求。
4.2 焊缝检查:检查焊缝的外观质量、尺寸和形状是否符合标准要求。
4.3 焊接接头无损检测:进行超声波、射线等无损检测,确保焊缝无瑕疵。
4.4 受力焊缝的试验:进行抗剪承载力试验等必要试验,确保焊缝的强度和可靠性。
5. 钢结构安装检验5.1 基础准备工作检查:检查基础的准备工作是否符合设计要求。
5.2 钢结构安装过程检查:检查吊装、定位、连接等安装工序是否符合安装图纸和标准。
5.3 安装质量检查:检查焊缝、螺栓连接、涂层等安装质量是否符合标准要求。
...附件:1. 钢结构设计图纸2. 钢结构材料检验报告3. 钢结构焊接工艺评定证书4. 钢结构安装记录法律名词及注释:1. 建造法:指维护建造安全、保护建造物、促进建造行业健康发展的法律法规。
2. 建造施工合同:指建设单位与施工单位之间的合同,约定了双方在建造施工过程中的权利义务和责任。
3. 送电工程:指供电设备、送电路线等相关设施构成的电力系统。
注:1.检查方法和检查数量见前页附表一。
2.合格标准:主控项目全部符合要求;一般项目80%及以上的检查点符合要求,且偏差最大不得超出其允许偏差的1.2倍。
表三一、二级焊缝质量等级及缺陷分级注:探伤比例的计数方法按以下原则确定:(1)对工厂制作焊缝,按每条焊缝计算百分比,且探伤长度≥220mm,当焊缝长度不足200mm时,对整条焊缝进行探伤。
(2)对现场安装焊缝,按同一类型、同一施焊条件的焊缝条数计算百分比,探伤长度≥200mm,并不少于1条焊缝。
注:1.检查方法和检查数量见前页附表一。
2.合格标准:主控项目全部符合要求;一般项目80%及以上的检查点符合要求,且偏差最大不得超出其允许偏差的1.2倍。
表三一、二级焊缝质量等级及缺陷分级注:探伤比例的计数方法按以下原则确定:(1)对工厂制作焊缝,按每条焊缝计算百分比,且探伤长度≥220mm,当焊缝长度不足200mm时,对整条焊缝进行探伤。
(2)对现场安装焊缝,按同一类型、同一施焊条件的焊缝条数计算百分比,探伤长度≥200mm,并不少于1条焊缝。
注:1.检查方法和检查数量见前页附表一。
2.合格标准:主控项目全部符合要求;一般项目80%及以上的检查点符合要求,且偏差最大不得超出其允许偏差的1.2倍。
表三一、二级焊缝质量等级及缺陷分级注:探伤比例的计数方法按以下原则确定:(1)对工厂制作焊缝,按每条焊缝计算百分比,且探伤长度≥220mm,当焊缝长度不足200mm时,对整条焊缝进行探伤。
(2)对现场安装焊缝,按同一类型、同一施焊条件的焊缝条数计算百分比,探伤长度≥200mm,并不少于1条焊缝。
注:1.检查方法和检查数量见前页附表一。
2.合格标准:主控项目全部符合要求;一般项目80%及以上的检查点符合要求,且偏差最大不得超出其允许偏差的1.2倍。
表三一、二级焊缝质量等级及缺陷分级注:探伤比例的计数方法按以下原则确定:(1)对工厂制作焊缝,按每条焊缝计算百分比,且探伤长度≥220mm,当焊缝长度不足200mm时,对整条焊缝进行探伤。
钢结构分部(子分部)工程验收记录
(GB50300-2001)表编号:□□□□□□
钢结构焊接分项工程质量验收表
(GB50300-2001)表编号:□□□□□□
(GB50205-2001)表编号:010901/020401□□□
零件及部件加工 分项工程质量验收表(GB50300-2001)
表 编号:□□□□□□
钢结构(零件及部件加工)分项工程检验批质量验收记录
(GB50205-2001)表编号:010905/020405□□□
010905/020405□□□接上表
构件组装分项工程质量验收表
(GB50300-2001)表编号:□□□□□□
(GB50205-2001)表编号:020406□□□
预拼装分项工程质量验收表
(GB50300-2001)表编号:□□□□□□
(GB50205-2001)表编号:020407□□□
单层结构安装分项工程质量验收表
(GB50300-2001)表编号:□□□□□□
(GB50205-2001)表编号:020408□□□
接上表
普通坚固件连接分项工程质量验收表
(GB50300-2001)表编号:□□□□□□
(GB50205-2001)表编号:010903/020403□□□
高强度螺栓连接分项工程质量验收表
(GB50300-2001)表编号:□□□□□□
(GB50205-2001)表编号:010904/020404□□□
压型金属板分项工程质量验收表
(GB50300-2001)表编号:□□□□□□
(GB50205-2001)表编号:020411□□□
防腐涂料涂装分项工程质量验收表
(GB50300-2001)表编号:□□□□□□。
钢结构分部(子分部)工程验收记录(GB50300-2001)表E.0.1 编号:□□□□□□注:除地基基础分部外,勘察单位可不参加。
钢结构焊接分项工程质量验收表(GB50300-2001)表E.0.1编号:□□□□□□钢结构(钢构件焊接)分项工程检验批质量验收记录(GB50205-2001)表J.O.1编号:010901/020401□□□零件及部件加工分项工程质量验收表(GB50300-2001)表E.0.1编号:□□□□□□钢结构(零件及部件加工)分项工程检验批质量验收记录(GB50205-2001)表J.0.5 编号:010905/020405□□□构件组装分项工程质量验收表(GB50300-2001)表E.0.1编号:□□□□□□钢结构(构件组装)分项工程检验批质量验收记录(GB50205-2001)表J.0.6 编号:020406预拼装分项工程质量验收表(GB50300-2001)表E.0.1编号:□□□□□□钢结构(预拼装)分项工程检验批质量验收记录(GB50205-2001)表J.O.7编号:020407□□□单层结构安装分项工程质量验收表(GB50300-2001)表E.0.1编号:□□□□□□钢结构(单层结构安装)分项工程检验批质量验收记录(GB50205-2001)表J.0.8 编号:020408□□□普通坚固件连接分项工程质量验收表(GB50300-2001)表E.0.1编号:□□□□□□钢结构(普通紧固件连接)分项工程检验批质量验收记录(GB50205-2001)表J.O.3编号:010903/020403□□□高强度螺栓连接分项工程质量验收表(GB50300-2001)表E.0.1编号:□□□□□□钢结构(高强度螺栓连接)分项工程检验批质量验收记录(GB50205-2001)表J.O.4编号:010904/020404□□□压型金属板分项工程质量验收表(GB50300-2001)表E.0.1编号:□□□□□□钢结构(压型金属板)分项工程检验批质量验收记录(GB50205-2001)表J.0.11 编号:020411□□□防腐涂料涂装分项工程质量验收表(GB50300-2001)表E.0.1编号:□□□□□□钢结构(防腐涂料涂装)分项工程检验批质量验收记录(GB50205-2001)表J.0.12 编号:020412□□□(GB50300-2001)表F.0.1 编号:□□□□(GB50300-2001)表F.0.1 编号:□□□□金属板材屋面分项工程质量验收表(GB50300-2001)表E.0.1编号:□□□□□□钢结构(金属板材屋面)分项工程检验批质量验收记录(GB50207-2002)表7.3编号:040403□□□细部构造分项工程质量验收表(GB50300-2001)表E.0.1编号:□□□□□□钢结构(细部结构)分项工程检验批质量验收记录(GB50207-2002)表9.0编号:040404□□□。
表J.O.1钢结构(钢构件焊接)分项工程检验批质量验收记录
表J.O.2 钢结构(焊钉焊接)分项工程检验批质量验收记录
表J.O.3 钢结构(普通紧固件连接)分项工程检验批质量验收记录
表J.O.4 钢结构(高强度螺栓连接)分项工程检验批质量验收记录
表J.O.5 钢结构(零件及部件加工)分项工程检验批质量验收
记录
表J.O.6 钢结构(构件组装)分项工程检验批质量验收记录
表J.O.7 钢结构(预拼装)分项工程检验批质量验收记录
表J.O.8 钢结构(单层结构安装)分项工程检验批质量验收记
录
表J.O.9 钢结构(多层及高层结构安装)分项工程检验批质量验
收记录
表J.O.10 钢结构(网架结构安装)分项工程检验批质量验收记
录
表J.O.11 钢结构(压型金属板)分项工程检验批质量验收记录
表J.O.12 钢结构(防腐涂料涂装)分项工程检验批质量验收记
录
表J.O.13钢结构(防火涂料涂装)分项工程检验批质量验收记
录。
钢结构分部(子分部)工程验收记录(GB50300-2001)表E.0.1 编号:□□□□□□注:除地基基础分部外,勘察单位可不参加。
1钢结构焊接分项工程质量验收表(GB50300-2001)表E.0.1 编号:□□□□□□。
3钢结构(钢构件焊接)分项工程检验批质量验收记录(GB50205-2001)表J.O.1 编号:010901/020401□□□零件及部件加工分项工程质量验收表(GB50300-2001)表E.0.1 编号:□□□□□□。
5钢结构(零件及部件加工)分项工程检验批质量验收记录(GB50205-2001)表J.0.5 编号:010905/020405□□□。
010905/020405□□□接上表。
7。
构件组装分项工程质量验收表(GB50300-2001)表E.0.1 编号:。
9钢结构(构件组装)分项工程检验批质量验收记录(GB50205-2001)表J.0.6 编号:020406。
11预拼装 分项工程质量验收表(GB50300-2001)表E.0.1 编号:□□□□□□钢结构(预拼装)分项工程检验批质量验收记录(GB50205-2001)表J.O.7 编号:020407□□□12。
13单层结构安装 分项工程质量验收表(GB50300-2001)表E.0.1 编号:□□□□□□钢结构(单层结构安装)分项工程检验批质量验收记录(GB50205-2001)表J.0.8 编号:02040814。
1516。
17普通坚固件连接 分项工程质量验收表(GB50300-2001)表E.0.1 编号:□□□□□□钢结构(普通紧固件连接)分项工程检验批质量验收记录(GB50205-2001)表J.O.3 编号:010903/020403□□□18。
19高强度螺栓连接 分项工程质量验收表(GB50300-2001)表E.0.1 编号:钢结构(高强度螺栓连接)分项工程检验批质量验收记录(GB50205-2001)表J.O.4 编号:010904/020404□□□20。
一、关于发布国家标准《钢结构结构施工质量验收规范》的通知建标[2002]11号根据我部“关于印发《二OOO至二OO一年度工程建设国家标准制订、修订计划》的通知”(建标[2001]87号)的要求,由冶金工业部建筑研究总院会同有关单位共同修订的《钢结构结构施工质量验收规范》,经有关部门会审,批准为国家标准,编号为GB50205-2001自2002年3月1日起施行。
其中,4.2.1、4.3.1、4.4.1 、5.2.2 、5.2.4 、6.3.1 、8.3.1 、10.3.4 、11.3.5 、12.3.4 、14.2.2 、14.3.3为强制性条文,必须严格执行。
原《钢结构结构施工质量验收规范》GB50205-95和《钢结构结构施工质量检验评定标准》GB50221-95同时废止。
本规范由建设部负责管理和对强制性条文的解释,冶金工业部建筑研究总院负责具体技术内容的解释,建设部标准定额研究所组织中国计划出版社出版发行。
中华人民共和国建设部二OO二年一月十日二、前言本规范是根据中华人民共和国建设部建标[2001]87号文“关于印发《二OOO年至二OO一年度工程建设国家标准制定、修订计划》的通知”的要求,由冶金工业部建筑研究总院会同有关单位共同对原《钢结构结构施工质量验收规范》GB50205-95和《钢结构结构施工质量检验评定标准》GB50221-95修订而成的。
在修订过程中,编制组进行了广泛的调查研究,总结了我国钢结构工程施工质量验收的实践经验,按照“验评分离,强化验收,完善手段,过程控制”的指导方针,以现行国家标准《建设工程施工质量验收统一标准》GB50300为基础,进行全面修改,并以多种方式广泛征求了有关单位和专家的意见,对主要问题进行了反复修改,最后经审查定稿。
本规范共分15章,包括总则、术语、符号、基本规定、原材料及成口进场、焊接工程、紧固件连接工程、钢零部件加工工程、钢构件组装工程、钢网架结构安装工程、压型金属板工程、钢结构涂装工程、钢结构分部工程竣工验收以及9个附录。
钢结构分项工程检验批方案为了确保钢结构分项工程的质量,保障工程建设的顺利进行,根据国家相关规定和标准,制定本检验批方案。
一、检验批的范围本次检验批的范围包括所有钢结构分项工程,包括但不限于钢柱、钢梁、钢构件的制作、加工、安装等环节。
二、检验批的依据本次检验批的依据主要包括国家有关规定和标准,包括《建筑工程质量验收规范》(GB50300)等。
三、检验批的目的本次检验批的目的在于对钢结构分项工程的质量进行全面、严格的检验,确保工程建设的质量,保障工程建设的顺利进行。
四、检验批的内容1. 钢材材质检验:对钢材的材质进行检验,包括强度、化学成分等。
2. 钢构件制作检验:对钢构件的制作工艺进行检验,包括外观质量、几何尺寸、焊接质量等。
3. 钢构件防护处理检验:对钢构件的防护处理进行检验,确保防锈、防腐等工作符合相关标准和规定。
4. 钢结构安装检验:对钢结构的安装工艺进行检验,包括连接质量、安装偏差等。
5. 钢结构验收检验:对完工的钢结构进行全面检验,确保符合设计要求和安全要求。
6. 焊接工艺检验:对钢结构的焊接工艺进行检验,包括焊缝形态、焊接质量等。
五、检验批的实施1. 检验批的组织:由施工单位负责组织检验批工作,成立检验批组,并组织相关人员参与检验工作。
2. 检验批的程序:(1)制定检验计划,明确检验的内容、标准和方法。
(2)开展初步验收,对施工过程中的各个环节进行初步验收。
(3)开展现场检验,对所有的工程进行现场检验,并填写检验记录。
(4)整理检验结果,形成检验批报告。
3. 检验批的记录:对所有的检验过程进行全程记录,包括检验计划、检验记录、检验报告等。
4. 检验批的结果:根据检验结果,对不符合要求的地方进行整改,并重新进行检验。
5. 检验批的验收:经过所有的检验工作完成后,由相关部门进行验收,并发放验收合格证明。
六、检验批的信息化管理为了提高检验批工作的效率和质量,可以采用信息化管理手段,使用相关的软件系统对检验批工作进行全面、科学的管理。
表J.O.1 钢结构(钢构件焊接)分项工程检验批质量验收记录
表J.O.2 钢结构(焊钉焊接)分项工程检验批质量验收记录
表J.O.3 钢结构(普通紧固件连接)分项工程检验批质量验收记录
表J.O.4 钢结构(高强度螺栓连接)分项工程检验批质量验收记录
表J.O.5 钢结构(零件及部件加工)分项工程检验批质量验收记录
表J.O.8 钢结构(单层结构安装)分项工程检验批质量验收记录
表J.O.9 钢结构(多层及高层结构安装)分项工程检验批质量验收记录
表J.O.10 钢结构(网架结构安装)分项工程检验批质量验收记录
表J.O.11 钢结构(压型金属板)分项工程检验批质量验收记录
表J.O.12 钢结构(防腐涂料涂装)分项工程检验批质量验收记录
表J.O.13钢结构(防火涂料涂装)分项工程检验批质量验收记录。
表J.O.1 钢结构(钢构件焊接)分项工程检验批质量验收记录
表J.O.2 钢结构(焊钉焊接)分项工程检验批质量验收记录
表J.O.3 钢结构(普通紧固件连接)分项工程检验批质量验收记录
表J.O.4 钢结构(高强度螺栓连接)分项工程检验批质量验收记录
表J.O.5 钢结构(零件及部件加工)分项工程检验批质量验收记录
表J.O.6 钢结构(构件组装)分项工程检验批质量验收记录
表J.O.7 钢结构(预拼装)分项工程检验批质量验收记录
表J.O.8 钢结构(单层结构安装)分项工程检验批质量验收记录
钢结构(多层及高层结构安装)分项工程检验批质量验收记录
表J.O.9
表J.O.10 钢结构(网架结构安装)分项工程检验批质量验收记录
表J.O.11 钢结构(压型金属板)分项工程检验批质量验收记录
表J.O.12 钢结构(防腐涂料涂装)分项工程检验批质量验收记录
表J.O.13钢结构(防火涂料涂装)分项工程检验批质量验收记录。