功率因数换算表
- 格式:xls
- 大小:182.00 KB
- 文档页数:1
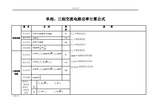
单相、三相交流电路功率计算公式相电压:三相电源中星型负载两端的电压称相电压。
用UA、UB、UC 表示。
相电流:三相电源中流过每相负载的电流为相电流,用IAB、IBC、ICA 表示。
线电压:三相电源中,任意两根导线之间的电压为线电压,用UAB、UBC、UCA 表示。
线电流:从电源引出的三根导线中的电流为线电流,用IA、IB、IC 表示。
如果是三相三线制,电压电流均采用两个互感器,按V/v接法,测量结果为线电压和线电流;如果是三相四线制:1、电压可采用V/v接法,电流必须采用Y/y接法,测量结果为线电压和线电流,线电流也等于相电流。
2、电压和电流均采用Y/y接法,测量结果为相电压和相电流,相电流也等于线电流。
Y/y接法时,电压互感器一次接在火线及零线之间,每个电压互感器二次输出接一个独立仪表。
每根火线穿过一个电流互感器,每个电流互感器二次输出接一个独立仪表。
电压V/v接法时,电压互感器一次接在火线之间,二次分别连接一个电压表,如需测量另一个线电压,可将两个互感器的二次输出的n端连接在一起,a、b端连接第三个电压表。
电流V/v接法时,两根火线分别穿过一个电流互感器,每个互感器的二次分别接一个电流表,如需测量第三个线电流,可将两个的s2端连接在一起,与两个互感器的s1端一起共三个端子,另外,将三个电流表的负端连在一起,其它三个端子分别与上述三个端子连接在一起。
三相电流计算公式I=P/(U*1.732)所以1000W的线电流应该是1.519A。
功率固定的情况下,电流的大小受电压的影响,电压越高,电流就越小,公式是I=P/U 当电压等于220V时,电流是4.545A,电压等于380V时,电流是2.63A,以上说的是指的单相的情况。
380V三相的时候,公式是I=P/(U*1.732),电流大小是1.519A三相电机的电流计算 I= P/(1.732*380*0.75) 式中: P是三相功率 (1.732是根号3) 380 是三相线电压 (I是三相线电流) 0.75是功率因数,这里功率因数取的是0.75 ,如果功率因数取0.8或者0.9,计算电流还小。
一二功率因数功率因数定义 功率因数,英文名称为Power Factor,简称PF,常用符号为λ。
功率因数是电力系统的一个重要技术参数,功率因数为有功功率和视在功率的比值,由于在正弦电路中,功率因数等于位移因数cosφ,功率因数与位移因数两个概念容易被混淆,甚至,大多数人认为,cosφ就是功率因数。
在非正弦电路中,功率因数与位移因数有不同的物理意义,两者有本质的区别。
对于某个设备,如果其输入有功功率,有功功率为正值,反之,输出有功功率,有功功率为负值。
因此,功率因数的取值范围为:-1~+1。
《GB/T 2900.1-2008 电工术语 基本术语》中,将有功功率与视在功率的比值定义为有功因数,而将功率因数定义为有功功率的绝对值与视在功率的比值。
按照这个定义,功率因数的取值范围为:0~1。
本文遵循一般习惯,沿用有功功率与视在功率的比值这个定义。
功率因数相关基础知识 视在功率也称表观功率,视在功率定义为电压有效值与电流有效值的乘积,用S表示,基本单位为VA,即: S=UI (1) 有功功率定义为瞬时功率在一个周期内的积分的平均值,用P表示,基本单位为W,假设交流电周期为T,电压、电流的瞬时值表达式分别为u(t)、i(t),有功功率按照下式计算: (2) 有功功率也称平均功率。
在正弦交流电中,根据有功功率的定义式,下式成立: P=UIcosφ (3) φ为电压、电流的相位差,cosφ为位移因数。
无功功率Q按下式定义: Q=UIsinφ Q的单位为Var。
因此,在正弦电路中,下式成立: S2=P2+Q2三 由于正弦电流电路中的有功功率、无功功率、和视在功率三者之间是一个直角三角形的关系,可以通过“复功率”来表示。
若用视在功率S表示复功率,则有功功率P为复功率的实部,而无功功率Q为复功率的虚部。
对于感性负载,Q为正值,对于容性负载,Q为负值。
在非正弦电路中,无功功率的定义有所改变,将基波和谐波电压、电流相位差引起的无功功率定义为位移无功功率,将由不同频率成分电压和电流引起的无功功率定义为畸变无功功率,而将两者的方和根称为广义无功功率。
24第五部分常用数据25三、常用单位换算:、公制与英制1.26(二)1马力=735.5瓦马力1千瓦=1.36=0.376千瓦2、四、用电设备电流计算表:1、电动机的电流计算表:270.75计算;三相电动机功率因数,效率均以0.85计算。
五、送电线路常用数据:1、常用架空导地线的型号及其意义:L—铝;G—钢;J—绞;Q—轻型;J—加强;F—防腐;X —稀土;LJ—硬铝绞线;LGJ—钢芯铝绞线;LGJQ—轻型钢芯铝绞线LGJJ—加强型钢芯铝绞线;LGJF—防腐型钢芯铝绞线;GJ—钢绞线2、导线常用技术参数(74和83标准)(1)产品标准:GB1179-7428(2)产品标准:GB 1179-83293、钢芯铝绞线导线的电阻及正序电抗30300/70 0.04732 0.296 0.300 0.304 0.308 0.311 0.315 0.318317、空载线路电容电流计算:Q c?I c U32LUbQ?0c I——线路电容电流(安)式中:c U——线路额定电压(伏)Q——线路电容的充电功率(千乏)c-6)/公里×10——电纳(西门b0L——空载线路长度(公里)32—ΩΩ总长不超过500m的放射形接地体或连续伸长接地体,其接地电阻不限制。
也可采用物理型降阻剂措施,有效降低接地电阻。
10、绝缘子(2)线路和发电厂、变电所设备外绝缘各污秽等级和对应盐密、爬电比距。
33(3)常用绝缘子主要数据:34表3 标准型钢化玻璃绝缘子型号和参数(南京厂)3536372复合绝缘子结构示图:5-1图38复合绝缘子表示方法:。
单相、三相交流电路功率计算公式精彩文档相电压:三相电源中星型负载两端的电压称相电压。
用UA、UB、UC 表示。
相电流:三相电源中流过每相负载的电流为相电流,用IAB、IBC、ICA 表示。
线电压:三相电源中,任意两根导线之间的电精彩文档压为线电压,用UAB、UBC、UCA 表示。
线电流:从电源引出的三根导线中的电流为线电流,用IA、IB、IC 表示。
如果是三相三线制,电压电流均采用两个互感器,按V/v接法,测量结果为线电压和线电流;如果是三相四线制:1、电压可采用V/v接法,电流必须采用Y/y 接法,测量结果为线电压和线电流,线电流也等于相电流。
2、电压和电流均采用Y/y接法,测量结果为相电压和相电流,相电流也等于线电流。
Y/y接法时,电压互感器一次接在火线及零线之间,每个电压互感器二次输出接一个独立仪表。
每根火线穿过一个电流互感器,每个电流互感精彩文档器二次输出接一个独立仪表。
电压V/v接法时,电压互感器一次接在火线之间,二次分别连接一个电压表,如需测量另一个线电压,可将两个互感器的二次输出的n端连接在一起,a、b端连接第三个电压表。
电流V/v接法时,两根火线分别穿过一个电流互感器,每个互感器的二次分别接一个电流表,如需测量第三个线电流,可将两个的s2端连接在一起,与两个互感器的s1端一起共三个端子,另外,将三个电流表的负端连在一起,其它三个端子分别与上述三个端子连接在一起。
三相电流计算公式精彩文档I=P/(U*1.732)所以1000W的线电流应该是1.519A。
功率固定的情况下,电流的大小受电压的影响,电压越高,电流就越小,公式是I=P/U 当电压等于220V时,电流是4.545A,电压等于380V时,电流是2.63A,以上说的是指的单相的情况。
380V三相的时候,公式是I=P/(U*1.732),电流大小是1.519A三相电机的电流计算 I= P/(1.732*380*0.75) 式中: P是三相功率 (1.732是根号3) 380 是三相线电压 (I是三相线电流) 0.75是功率因数,这里功率因数取的是0.75 ,如果功率因数取0.8或者0.9,计算电流还小。
单相、三相交流电路功率计算公式文案大全相电压:三相电源中星型负载两端的电压称相电压。
用UA、UB、UC 表示。
相电流:三相电源中流过每相负载的电流为相电流,用IAB、IBC、ICA 表示。
线电压:三相电源中,任意两根导线之间的电压为线电压,用UAB、UBC、UCA 表示。
线电流:从电源引出的三根导线中的电流为线电流,用IA、IB、IC 表示。
如果是三相三线制,电压电流均采用两个互感器,按V/v接法,测量结果为线电压和线电流;如果是三相四线制:文案大全1、电压可采用V/v接法,电流必须采用Y/y接法,测量结果为线电压和线电流,线电流也等于相电流。
2、电压和电流均采用Y/y接法,测量结果为相电压和相电流,相电流也等于线电流。
Y/y接法时,电压互感器一次接在火线及零线之间,每个电压互感器二次输出接一个独立仪表。
每根火线穿过一个电流互感器,每个电流互感器二次输出接一个独立仪表。
电压V/v接法时,电压互感器一次接在火线之间,二次分别连接一个电压表,如需测量另一个线电压,可将两个互感器的二次输出的n端连接在一起,a、b端连接第三个电压表。
电流V/v接法时,两根火线分别穿过一个文案大全电流互感器,每个互感器的二次分别接一个电流表,如需测量第三个线电流,可将两个的s2端连接在一起,与两个互感器的s1端一起共三个端子,另外,将三个电流表的负端连在一起,其它三个端子分别与上述三个端子连接在一起。
三相电流计算公式I=P/(U*1.732)所以1000W的线电流应该是1.519A。
功率固定的情况下,电流的大小受电压的影响,电压越高,电流就越小,公式是I=P/U 当电压等于220V时,电流是4.545A,电压等于380V时,电流是2.63A,以上说的是指的单相的情况。
380V三相的时候,公式是I=P/(U*1.732),电流大小是1.519A三相电机的电流计算 I= P/(1.732*380*0.75) 式中: P是三相功率 (1.732是根号3) 380 是三相线电压 (I是三相线电流) 0.75是功率因数,这里功率因数取的是0.75 ,如果功率因数取0.8或者0.9,计算电流还小。
电机功率和电流的换算关系电机功率和电流的换算关系 1计算电机功率和电流的换算关系 3三相电动机的功率计算公式为:P=3UIcosθη (公式1)其中:P-电动机的额定输出轴功率(KW)U-相电压(V)I-相电流(A)cosφ —电动机的功率因数η —电动机的效率cosφ功率因数是指电动机消耗的有功功率占视在功率的比值。
η 电动机效率是指电动机的输出功率占有功功率的比值。
如果电动机是星形接法,线电压是相电压的1.732倍,线电流等于相电流,电动机实际消耗的功率:P=1.732UIcosφη(公式2)。
如果电动机是三角形接法,线电压等于相电压,线电流是相电流的1.732倍,P=1.732UIcosφη(公式3)。
比如一台电动机消耗的有功功率为15千瓦,而由于电动机的线圈有阻抗,所以要消耗电能而发热。
致使输出功率为14千瓦,那么它的效率就是14/15=0.93.3。
电机功率和电流的换算关系 41、三相变频调速异步电动机从铭牌中可以看出,该电动机的各项数据如下:P-电动机的额定输出轴功率(175KW)U-相电压(690V)I-相电流(192A)cosφ —电动机的功率因数:0.82η —电动机的效率:92%=0.92代入公式2中P=1.732UIcosφη=1.732×690×192×0.82×0.92=173101W=173KW≈175KW。
2、三相异步电动机从铭牌中可以看出,该电动机的各项数据如下:P-电动机的额定输出轴功率(90KW)U-相电压(380V)I-相电流(167A)cosφ —电动机的功率因数:0.87η —电动机的效率:94.2%=0.942代入公式3中P=1.732UIcosφη=1.732×380×167×0.87×0.942=90078W=90.1KW≈90KW。
3、三相异步电动机从铭牌中可以看出,该电动机的各项数据如下:P-电动机的额定输出轴功率(2.2KW)U-相电压(380V)I-相电流(5.7A)cosφ —电动机的功率因数:0.74η —电动机的效率:79%=0.79代入公式2中P=1.732UIcosφη=1.732×380×5.7×0.74×0.79=2193W =2.19KW≈2.2KW。
许多用电设备均是根据电磁感应原理工作的,如配电变压器、电动机等,它们都是依靠建立交变磁场才能进行能量的转换和传递。
为建立交变磁场和感应磁通而需要的电功率称为无功功率,因此,所谓的"无功"并不是"无用"的电功率,只不过它的功率并不转化为机械能、热能而已;因此在供用电系统中除了需要有功电源外,还需要无功电源,两者缺一不可。
在功率三角形中,有功功率P与视在功率S的比值,称为功率因数cosφ,其计算公式为:cos φ=P/S=P/根号(P^2+Q^2) P为有功功率,Q为无功功率S=根号(P^2+Q^2) 。
在电力网的运行中,功率因数反映了电源输出的视在功率被有效利用的程度,我们希望的是功率因数越大越好。
这样电路中的无功功率可以降到最小,视在功率将大部分用来供给有功功率,从而提高电能输送的功率。
1 影响功率因数的主要因素(1)大量的电感性设备,如异步电动机、感应电炉、交流电焊机等设备是无功功率的主要消耗者。
据有关的统计,在工矿企业所消耗的全部无功功率中,异步电动机的无功消耗占了60%~70%;而在异步电动机空载时所消耗的无功又占到电动机总无功消耗的60%~70%。
所以要改善异步电动机的功率因数就要防止电动机的空载运行并尽可能提高负载率。
;(2)变压器消耗的无功功率一般约为其额定容量的10%~15%,它的空载无功功率约为满载时的1/3。
因而,为了改善电力系统和企业的功率因数,变压器不应空载运行或长期处于低负载运行状态。
;(3)供电电压超出规定范围也会对功率因数造成很大的影响。
当供电电压高于额定值的10%时,由于磁路饱和的影响,无功功率将增长得很快,据有关资料统计,当供电电压为额定值的110%时,一般无功将增加35%左右。
当供电电压低于额定值时,无功功率也相应减少而使它们的功率因数有所提高。
但供电电压降低会影响电气设备的正常工作。
所以,应当采取措施使电力系统的供电电压尽可能保持稳定。
功率电阻换算公式电流I,电压V,电阻R,功率W,频率F W=I的平方乘以R V=IR W=V的平方除以R电流=电压/电阻功率=电压*电流*时间电流I,电压V,电阻R,功率W,频率FW=I的平方乘以R V=IR电流I,电压V,电阻R,功率W,频率F W=I的平方乘以R V=IR W=V的平方除以R电压V(伏特),电阻R(欧姆),电流强度I(安培),功率N(瓦特)之间的关系是:V=IR,N=IV =I*I*R,或也可变形为:I=V/R,I=N/V等等.但是必须注意,以上均是在直流(更准确的说,是直流稳态)电路情况下推导出来的!其它情况不适用.如交流电路,那要对其作补充和修正求电压、电阻、电流与功率的换算关系电流=I,电压=U,电阻=R,功率=PU=IR,I=U/R,R=U/I,P=UI,I=P/U,U=P/IP=U2/R,R=U2/P就记得这一些了,不知还有没有还有P=I2R P=IU R=U/I 最好用这两个;如电动机电能转化为热能和机械能。
电流符号: I符号名称: 安培(安)单位: A公式: 电流=电压/电阻 I=U/R单位换算: 1MA(兆安)=1000kA(千安)=1000000A(安)1A(安)=1000mA(毫安)=1000000μA(微安)单相电阻类电功率的计算公式= 电压U*电流I单相电机类电功率的计算公式= 电压U*电流I*功率因数COSΦ三相电阻类电功率的计算公式= 1.732*线电压U*线电流I (星形接法)= 3*相电压U*相电流I(角形接法)三相电机类电功率的计算公式= 1.732*线电压U*线电流I*功率因数COSΦ(星形电流=I,电压=U,电阻=R,功率=PU=IR,I=U/R,R=U/I,P=UI,I=P/U,U=P/IP=U2/R,R=U2/P就记得这一些了,不知还有没有还有P=I2R ⑴串联电路P(电功率)U(电压)I(电流)W(电功)R(电阻)T(时间)电流处处相等 I1=I2=I总电压等于各用电器两端电压之和 U=U1+U2总电阻等于各电阻之和 R=R1+R2U1:U2=R1:R2总电功等于各电功之和 W=W1+W2W1:W2=R1:R2=U1:U2P1:P2=R1:R2=U1:U2总功率等于各功率之和 P=P1+P2⑵并联电路总电流等于各处电流之和 I=I1+I2各处电压相等 U1=U1=U总电阻等于各电阻之积除以各电阻之和 R=R1R2÷(R1+R2)总电功等于各电功之和 W=W1+W2I1:I2=R2:R1W1:W2=I1:I2=R2:R1P1:P2=R2:R1=I1:I2总功率等于各功率之和 P=P1+P2⑶同一用电器的电功率①额定功率比实际功率等于额定电压比实际电压的平方Pe/Ps=(Ue/Us)的平方2.有关电路的公式⑴电阻 R①电阻等于材料密度乘以(长度除以横截面积) R=密度×(L÷S)②电阻等于电压除以电流 R=U÷I③电阻等于电压平方除以电功率 R=UU÷P⑵电功 W电功等于电流乘电压乘时间 W=UIT(普式公式)电功等于电功率乘以时间 W=PT电功等于电荷乘电压 W=QT电功等于电流平方乘电阻乘时间 W=I×IRT(纯电阻电路)电功等于电压平方除以电阻再乘以时间 W=U?U÷R×T(同上)⑶电功率 P①电功率等于电压乘以电流 P=UI②电功率等于电流平方乘以电阻 P=IIR(纯电阻电路)③电功率等于电压平方除以电阻 P=UU÷R(同上)④电功率等于电功除以时间 P=W:T⑷电热 Q电热等于电流平方成电阻乘时间 Q=IIRt(普式公式)电热等于电流乘以电压乘时间Q=UIT=W(纯电阻电路功率=1.732*额定电压*电流是三相电路中星型接法的纯阻性负载功率计算公式功率=额定电压*电流是单相电路中纯阻性负载功率计算公式P=1.732×(380×I×COSΦ)是三相电路中星型接法的感性负载功率计算公式单相电阻类电功率的计算公式= 电压U*电流I单相电机类电功率的计算公式= 电压U*电流I*功率因数COSΦ三相电阻类电功率的计算公式= 1.732*线电压U*线电流I (星形接法)= 3*相电压U*相电流I(角形接法)三相电机类电功率的计算公式= 1.732*线电压U*线电流I*功率因数COSΦ(星形接法)= 3*相电压U*相电流I*功率因数COSΦ(角形接法)三相交流电路中星接和角接两个功率计算公式可互换使用,但相电压、线电压和相电流、线电流一定要分清。
电流和功率的换算公式 - 电工公式电流I,电压V,电阻R,功率W,频率FW=I的平方乘以RV=IRW=V的平方除以R电流=电压/电阻功率=电压*电流*时间电流I,电压V,电阻R,功率W,频率FW=I的平方乘以RV=IR电流I,电压V,电阻R,功率W,频率FW=I的平方乘以RV=IRW=V的平方除以R电压V(伏特),电阻R(欧姆),电流强度I(安培),功率N(瓦特)之间的关系是:V=IR,N=IV =I*I*R,或也可变形为:I=V/R,I=N/V等等.但是必需留意,以上均是在直流(更精确的说,是直流稳态)电路状况下推导出来的!其它状况不适用.如沟通电路,那要对其作补充和修正求电压、电阻、电流与功率的换算关系电流=I,电压=U,电阻=R,功率=PU=IR,I=U/R,R=U/I,P=UI,I=P/U,U=P/IP=U/R,R=U/P就记得这一些了,不知还有没有还有P=IR P=IU R=U/I 最好用这两个;如电动机电能转化为热能和机械能。
电流符号: I符号名称: 安培(安)单位: A公式: 电流=电压/电阻 I=U/R单位换算: 1MA(兆安)=1000kA(千安)=1000000A(安)1A(安)=1000mA(毫安)=1000000μA(微安)单相电阻类电功率的计算公式= 电压U*电流I单相电机类电功率的计算公式= 电压U*电流I*功率因数COSΦ三相电阻类电功率的计算公式= 1.732*线电压U*线电流I (星形接法)= 3*相电压U*相电流I(角形接法)三相电机类电功率的计算公式= 1.732*线电压U*线电流I*功率因数COSΦ(星形电流=I,电压=U,电阻=R,功率=PU=IR,I=U/R,R=U/I,P=UI,I=P/U,U=P/IP=U/R,R=U/P就记得这一些了,不知还有没有还有P=IR ⑴串联电路 P(电功率)U(电压)I(电流)W(电功)R (电阻)T(时间)电流处处相等 I1=I2=I总电压等于各用电器两端电压之和 U=U1+U2总电阻等于各电阻之和 R=R1+R2U1:U2=R1:R2总电功等于各电功之和 W=W1+W2W1:W2=R1:R2=U1:U2P1:P2=R1:R2=U1:U2总功率等于各功率之和 P=P1+P2⑵并联电路总电流等于各处电流之和 I=I1+I2各处电压相等 U1=U1=U总电阻等于各电阻之积除以各电阻之和 R=R1R2÷(R1+R2)总电功等于各电功之和 W=W1+W2I1:I2=R2:R1W1:W2=I1:I2=R2:R1P1:P2=R2:R1=I1:I2总功率等于各功率之和 P=P1+P2⑶同一用电器的电功率①额定功率比实际功率等于额定电压比实际电压的平方Pe/Ps=(Ue/Us)的平方2.有关电路的公式⑴电阻 R①电阻等于材料密度乘以(长度除以横截面积) R=密度×(L÷S)②电阻等于电压除以电流 R=U÷I③电阻等于电压平方除以电功率 R=UU÷P⑵电功 W电功等于电流乘电压乘时间 W=UIT(普式公式)电功等于电功率乘以时间 W=PT电功等于电荷乘电压 W=QT电功等于电流平方乘电阻乘时间 W=I×IRT(纯电阻电路)电功等于电压平方除以电阻再乘以时间 W=UU÷R×T(同上)⑶电功率 P①电功率等于电压乘以电流 P=UI②电功率等于电流平方乘以电阻 P=IIR(纯电阻电路)③电功率等于电压平方除以电阻 P=UU÷R(同上)④电功率等于电功除以时间 P=W:T⑷电热 Q电热等于电流平方成电阻乘时间 Q=IIRt(普式公式)电热等于电流乘以电压乘时间 Q=UIT=W(纯电阻电路功率=1.732*额定电压*电流是三相电路中星型接法的纯阻性负载功率计算公式功率=额定电压*电流是单相电路中纯阻性负载功率计算公式P=1.732×(380×I×COSΦ)是三相电路中星型接法的感性负载功率计算公式单相电阻类电功率的计算公式= 电压U*电流I单相电机类电功率的计算公式= 电压U*电流I*功率因数COSΦ三相电阻类电功率的计算公式= 1.732*线电压U*线电流I (星形接法)= 3*相电压U*相电流I(角形接法)三相电机类电功率的计算公式= 1.732*线电压U*线电流I*功率因数COSΦ(星形接法)= 3*相电压U*相电流I*功率因数COSΦ(角形接法)三相沟通电路中星接和角接两个功率计算公式可互换使用,但相电压、线电压和相电流、线电流肯定要分清。
KW和KVA的换算及意义在交流电路中,电功率的概念有三个:有功功率、无功功率、视在功率;KVA表示视在功率,它包含了无功功率和有功功率,KW表示有功功率,Kvar 表示无功功率;它们之间的关系和换算还有一个概念——功率因数cosФ,有功功率KW=UIcosФ、无功功率Kvar=UIsinФ、而视在功率KVA=UI.U-电压、I-电流在向供电局申请用电时应该填报你需要使用的有功功率,也就是需要多少KW就行.补充回答:如果你计算的建筑总用电量合计为4500KW,象这样大的用电量,供电局肯定要求你安装无功补偿装置;假定你补偿后的功率因数能达到0.9以上,以0.9计算;那视在功率就需要4500/0.9=5000KVA,再考虑一定的负荷余量及变压器的规格型号,恐怕最小得用5600KVA的变压器才行;当然这只是计算,实际运用中,还得看你的负荷的同时率等因素来考虑;kW是有功功率的单位 ,kVA是视在功率的单位;视在功率就是电压与电流之积,三相交流电路中就是根号3倍相电压、相电流之积或者根号3倍线电压、线电流之积;视在功率乘以功率因数cosФ就是有功功率 ;如果您说的变压器输出的线路上的负载的功率因素等于1实际上是不太可能出现功率因素等于1的,那变压器标称的KVA数就是可带负载的KW数;但由于在用电线路上功率因素不等于1,一般都在“滞后”状态,所以实际的用电设备的总功率要小于变压器的VA数;但是如果要估算一台变压器可以在额定范围内带多大的负载,您可以按变压器的“VA数乘以0.8”来计算是比较适宜的;也就是说您的这台1250KVA的变压器,大概可以带1000KW的用电设备;一台额定功率为1250千伏安KVA的变压器,满载最好在900---1100千瓦KW,要留有一点负荷备用,负荷低浪费,负荷太高容易引起变压器过热;千伏安KVA =千瓦KW 1W =1V×1A100KVA 的变压器可以带最大的安全范围的负载,一般来说因为KVA是个“视在功率”,它是有功功率和无功功率的总和,所以如果线路上是纯电阻负载的才可以“总功率”和变压器的KVA数相同;但是由于线路上一般都有感性负载,功率因素不可能达到1,所以它的可带的负载的额定值肯定要比变压器的KVA 数小才能符合要求;我们假设线路上的功率因素为0.85,那100KVA的变压器就可以带85KW的负载,总之您可以查一下,您那里线路上的功率因素情况,把变压器的KVA数乘以功率因素就是可带的安全负载范围了;一般来讲,变压器的KVA 数乘以0.85也就是比较适宜的一个取值;发电机和变压器的单位都可以是KW或KVA,KW和KVA表示的意义一样,都指“功率”;而电力变压器常用KVA作容量的单位,原因是在负载没有确定的情况下,是不能得到有功功率符号P,单位KW和无功功率符号Q,单位KVAR的大小的,只有使用KVA为单位,表示视在功率,符号S;S^2=P^2+Q^可以理解负载为纯阻抗时,变压器的有功功率;1KVA=1KW,物理课中应该学过功率P=UI吧 P的单位是W,U的单位是V,I 的单位是A,所以1W=1V1A在设备铭牌标示上,KVA用来表示视在功率,即设备的容量,KW用来表示有功功率,这是我们的习惯.参:KW:有功功率P单位KVA:视在功率S单位VAR:无功功率QS=P平方+Q平方的开方P=Scosφφ是功率因数S=UI=I^2│Z│,Z为复数阻抗有功功率单位KW与视在功率单位KVA差一个cosφ新建一座工厂设备总功率为830KW应该选择多大功率的变压器用一台还是用几台比较合适按照工厂总体的投资设计规模,有一部分为工厂的电力设施的投资份额;贵厂的设备总功率为830kW;830千瓦kW是有功功率,变压器的800kVA为视在功率;建议贵厂在规划报建时,咨询一下当地供电部门;并按照厂用电的负载量和投资规模进行一次核算;贵厂的电力负荷的感性负载,在运行过程中需要向这些设备提供相应的无功功率;需要在厂电网中安装适量的并联电容器,即无功功率补偿;降低输电线路因输送无功功率造成的电能损耗,改善厂电网的运行条件;按照城市配电网技术导则要求:以两台变压器为最佳选择;a配电变压器应选用9系列及以上的低损耗、低噪音、接线组别为Dyn11的节能环保型变压器;正在运行的高损耗变压器应逐步更换为低损耗变压器;b为提高变压器的经济运行水平,其最大负荷电流宜不低于额定电流的60%;c低压配电网应结线简单可靠,采用以配电变压器为中心的放射式结构;相邻变压器的低压400V母线之间装设联络开关,正常情况下各变压器独立运行,事故时经倒闸操作、断开故障设备后继续向用户供电;负荷计算是一件比较麻烦的工作,首先要知道各个用电设备的种类,然后计算有功功率和无功功率再选择计算方式......;但是一般设备总功率为830KW的工厂最后的计算视在功率不会大于800KVA.采用800KVA的变压器应该是没有什么问题的;采用两台变压器可以根据实际的负荷情况灵活分别投入,可以减少无功损耗,但是一次的投资太多,对于800千伏安的小容量,建议还是使用一台变压器为好;更何况还必须设置电容补偿柜;kVA是视在功率,用字母S表示,单位是伏安或者千伏安,S=UI电压与电流的乘积,变压器和发电机都是以这个视在功率表示输出的电能;kW表示的是有功功率,用字母P来表示,单位是瓦或者是千瓦,P=UIcosa乘积,cosa称为功率因数,还有一个楼主没有提到的是无功功率,用字母Q表示,单位是乏或者是千乏,Q=UIsina;它们之间的关系是用一个直角三角形来表示的,斜边就是表示为视功率S,视在功率的邻边表示的是有功功率P,它们之间的天夹角为a;对边表示的是无功功率Q;由此可以看出变压器或者是发电机所输出的电能是一个固定不变的数值,角度越大,所输出的有功功率将会减小,无功功率将会加大;用电器的分为电感负荷和电阻负荷,我们所用的白炽灯、碘钨灯、电熨斗等用电器都是电阻性负荷,这种用电器的功率因数为1,日光灯、电动机等负荷为电感性负荷,功率因数就要小于1了,越是接近于1,表示无功损耗要小,输出的有功功率就多,这时变压器的效率就高,一般供电局对一个变电所是有考核指标的,功率因数控制在一定的范围内,超过标准是要处罚的;为了改变功率因数,可以采用并联电容器的方法可以提高功率因数;。
变压器功率计算方法
一、变压器功率计算
1、定义
2、功率计算公式
计算变压器功率的公式是:
P = VI cosΦ
其中P表示变压器的功率,V表示电压,I表示电流,cosΦ表示功率因数。
3、示例
比如,有一个变压器,输入电压为220V,输出电压为110V,电流为200A,功率因数为0.85,此时可以计算变压器的功率:
P=(220×110×200×0.85)/1000=30.6kVA
变压器的功率为30.6kVA。
此外,还可以使用KW与KVA之间的换算关系来计算变压器功率,KW 与KVA的换算关系是:
KW = KVA × cosΦ
因此,上文中的变压器功率可以换算为:
KW=30.6×0.85=25.81KW
变压器的功率为25.81KW。
二、变压器功率选择
1、变压器功率的选择应当大于或等于电路的额定需求功率;
2、变压器功率的选择应当满足系统的可靠性和可用性需要;。