干粉灭火器外形尺寸
- 格式:doc
- 大小:911.50 KB
- 文档页数:3
灭火器型号
一、4公斤干粉灭火器:
1、型号:
MFZ/ABC4
2、意义:
手提式干粉灭火器;
3、压力要求:
不低于1.0MPa;
二、8公斤干粉灭火器:
1、型号:
MFZ8型
三、35公斤干粉灭火器:
1、型号:
MFTZL35
四、使用说明
1、灭火级别:2A55B;
2、灭火剂ABC干粉(磷酸二氢铵53%);(硫酸铵25%)
3、使用温度:
-20℃—+55℃;
4、水压试验压力2.1MPa;
5、驱动气体N21.2MPa(20℃);
6、灭火剂量:4±0.08kg。
五、注意事项:
1、灭火器应放置在干燥无腐蚀气体场所,不得火烤、爆晒。
2、经常检查灭火器内部压力,发现压力表指针低于绿区应补充驱动气体;
3、拆卸灭火器前,应先旋松器头螺帽,待卸压后方可拆卸。
4、灭火器的维修应由专业部门承担;
5、灭火器一经开启,必须按规定要求时行再充装;
6、灭火器每次再充装前,必须进行2.1MPa水压试验,合格后方可使用。
六、使用方法
1、拨出保险栓;
2、将喷口对准火焰根部;
3、按下压把扫射;
七、适用范围
1、普通固体材料火;
2、可燃液体火;
3、气体和蒸气火;
2011-7-1。
干粉灭火器标准规范干粉灭火器是一种常见的灭火设备,广泛应用于家庭、工厂、商场、学校等各种场所。
它具有使用方便、灭火效果好、适用范围广等优点,因此备受人们青睐。
然而,由于干粉灭火器的种类繁多,规格不一,因此需要有一套标准规范来指导其生产和使用,以确保其灭火效果和安全性。
本文将就干粉灭火器的标准规范进行详细介绍。
首先,干粉灭火器的外观应符合国家相关标准,包括外壳材质、外形尺寸、标识标志等方面。
外壳材质应选用耐腐蚀、耐高温、耐冲击的材料,以确保在各种恶劣环境下都能正常工作。
外形尺寸应符合设计要求,方便携带和使用。
标识标志应清晰可见,包括产品型号、生产厂家、使用方法等信息,以便用户正确使用。
其次,干粉灭火器的灭火剂应符合国家标准,包括成分、粒径、密度等要求。
灭火剂的成分应符合环保要求,不含有害物质,不会对环境造成污染。
粒径应适中,能够在使用过程中均匀喷洒,确保灭火效果。
密度应适中,既能够确保灭火剂在灭火器内部稳定存储,又能够在使用时迅速喷洒到火灾现场。
此外,干粉灭火器的使用说明书应符合国家标准,包括使用方法、注意事项、维护保养等内容。
使用说明书应简明清晰,文字表述准确,图示清晰,以便用户正确使用。
注意事项应包括灭火器的适用范围、使用注意事项、使用限制等内容,避免用户在使用过程中出现误操作。
维护保养内容应包括定期检查、保养方法、使用寿命等内容,确保灭火器长期有效。
最后,干粉灭火器的生产和检测应符合国家标准,包括生产工艺、质量控制、产品检测等方面。
生产工艺应科学合理,确保产品质量稳定可靠。
质量控制应严格执行,确保每一台灭火器都符合标准要求。
产品检测应定期进行,确保产品性能稳定,符合标准要求。
总之,干粉灭火器的标准规范对于确保其灭火效果和安全性至关重要。
只有严格执行标准规范,才能够生产出质量可靠的干粉灭火器,保障人们的生命财产安全。
希望相关生产企业和用户能够重视干粉灭火器的标准规范,共同努力,提升干粉灭火器的品质和安全性。
1kgABC干粉灭火器产品描述:外喷涂防腐蚀钢瓶丝网和不干胶可供选择筒体均带铁底圈,灭火器可以配墙式挂钩/车用挂具灭火器有国内型式认可证书(其他灭火剂可供选择)规格筒体外径×高度容积(L)灭火剂灭火级别灭火器重量(kg)MFZ/ABC 1kg ∮85×261.51.2ABC50%磷酸二氢铵+25%硫酸铵1A21B1.86MFZ/ABC 1kg ∮90×229.51.32kgABC干粉灭火器产品描述:外喷涂防腐蚀钢瓶丝网和不干胶可供选择筒体均带铁底圈,灭火器可以配墙式挂钩/车用挂具灭火器有国内型式认可证书规格筒体外径×高度容积(L)灭火剂灭火级别灭火器重量(kg)MFZ/ABC2kg ∮110×306 2.42ABC50%磷酸二氢铵+25%硫酸铵1A21B 3.383kgABC干粉灭火器产品描述:外喷涂防腐蚀钢瓶丝网和不干胶可供选择筒体均带铁底圈,灭火器可以配墙式挂钩/车用挂具灭火器有国内型式认可证书(其他灭火剂可供选择)规格筒体外径×高度容积(L)灭火剂灭火级别灭火器重量(kg)MFZ/ABC3kg ∮130×329 3.65ABC50%磷酸二氢铵+25%硫酸铵2A34B 4.734kgABC干粉灭火器产品描述:外喷涂防腐蚀钢瓶丝网和不干胶可供选择筒体均带铁底圈,灭火器可以配墙式挂钩/车用挂具灭火器有国内型式认可证书(其他灭火剂可供选择)规格筒体外径×高度容积(L)灭火剂灭火级别灭火器重量(kg)MFZ/ABC 4kg ∮130×422 4.84ABC50%磷酸二氢铵+25%硫酸铵2A55B 6.265kgABC干粉灭火器产品描述:外喷涂防腐蚀钢瓶丝网和不干胶可供选择筒体均带铁底圈,灭火器可以配墙式挂钩/车用挂具灭火器有国内型式认可证书(其他灭火剂可供选择)规格筒体外径×高度容积(L)灭火剂灭火级别灭火器重量(kg)MFZ/ABC 5kg ∮140×450.56.05ABC50%磷酸二氢铵+25%硫酸铵3A89B 7.588kgABC干粉灭火器产品描述:外喷涂防腐蚀钢瓶丝网和不干胶可供选择筒体均带铁底圈,灭火器可以配墙式挂钩/车用挂具灭火器有国内型式认可证书(其他灭火剂可供选择)规格筒体外径×高度容积(L)灭火剂灭火级别灭火器重量(kg)MFZ/ABC 8kg ∮163×525 9.71ABC50%磷酸二氢铵+25%硫酸铵4A144B 11.75Welcome To Download欢迎您的下载,资料仅供参考!。
MFABC4-2,5A灭火器解释1、通常这个是指灭火器的灭火级别,也就是能扑救1A(或具备扑救1A)火灾的灭火器,是手提式的。
2、根据火灾的分类,A类火灾是指固体火灾,1A是最小的固体火灾单位。
3、其实这个1A是有一个国家标准的,大概是若干根长度宽度厚度都给定的小木条搭起一个小正方体,它的燃烧就算是1A,灭火器能把这个扑救掉,就算是具备1A能力,灭火器就是根据这个指标来确定灭火能力的。
4、我们常用的4公斤干粉(ABC型)灭火器,其灭火级别是2A55B。
也就是说它的灭火级别,灭固体火时是2A,灭液体火时是55B。
========1A代表什么呢?它代表在实验中用72根40×40×500mm长的木条,按每层6根堆成12层的木堆垛。
在堆垛下方用1L的引燃油预燃3分钟。
然后让木堆垛燃烧至损失重量百分之五十几,火势最旺,最难扑灭的时候用灭火器扑救,能把火扑灭,表示这灭火器具有1A的灭火性能。
1A灭火器的灭火能力不低哦!但只有专业的检测人员能成功地用它扑灭1A的火,非专业人士能达到其六、七成的水平就不错了。
2A用112根40×40×635mm的木条按每层7根堆16层做同样的测试。
A前面的数值更大,代表做测试的木条越多,木条越长。
21B是用21升汽油或丙酮(三分之二燃料加三分之一水)做灭火试验。
灭得了这个体积的火,表示灭火器具有21B的灭火性能。
1具灭火器如果能灭几类火,就标几个灭火性能级别数值。
例如:标有1A和21B的2kg的ABC干粉灭火器表示其具备1A 和21B的灭火级别。
3A表示灭火器的级别是3A,指5kg手提式干粉灭火器,灭火级别里的1A所代表的含义是在实验中用72根500MM长的木条。
灭火级别由数字和字母组成,数字表示灭火级别的大小,字母表示灭火级别的单位值及灭火器适用扑救火灾的种类。
4kg干粉灭火器的灭火级别是:2A,55B,还达不到3A的灭火级别。
5公斤及以上的ABC干粉灭火器的才能达到3A灭火级别。
干粉灭火器外形尺寸标准化管理处编码[BBX968T-XBB8968-NNJ668-MM9N]
产品描述:
外喷涂防腐蚀钢瓶
丝网和不干胶可供选择
筒体均带铁底圈,灭火器可以配墙式挂钩/车用挂具
灭火器有国内型式认可证书
(其他灭火剂可供选择)
产品描述:
外喷涂防腐蚀钢瓶
丝网和不干胶可供选择
筒体均带铁底圈,灭火器可以配墙式挂钩/车用挂具
灭火器有国内型式认可证书
(其他灭火剂可供选择)
产品描述:
外喷涂防腐蚀钢瓶
丝网和不干胶可供选择
筒体均带铁底圈,灭火器可以配墙式挂钩/车用挂具
灭火器有国内型式认可证书
(其他灭火剂可供选择)
产品描述:
外喷涂防腐蚀钢瓶
丝网和不干胶可供选择
筒体均带铁底圈,灭火器可以配墙式挂钩/车用挂
具
灭火器有国内型式认可证书(其他灭火剂可供选择)
产品描述:
外喷涂防腐蚀钢瓶
丝网和不干胶可供选择
筒体均带铁底圈,灭火器可以配墙式挂钩/车用挂具
灭火器有国内型式认可证书
(其他灭火剂可供选择)
产品描述:
外喷涂防腐蚀钢瓶
丝网和不干胶可供选择
筒体均带铁底圈,灭火器可以配墙式挂钩/车用挂具
灭火器有国内型式认可证书
(其他灭火剂可供选择)。
手提式干粉灭火器文件编号:目录1 型式、规格2 技术要求3 试验方法4 检验规则5 标志、包装本标准适用于手提贮气瓶式干粉灭火器(以下简称灭火器)。
1 型式、规格1.1 型式该种灭火器是干粉型贮气瓶式。
贮气瓶在灭火器上安装的型式分为外装式和内装式。
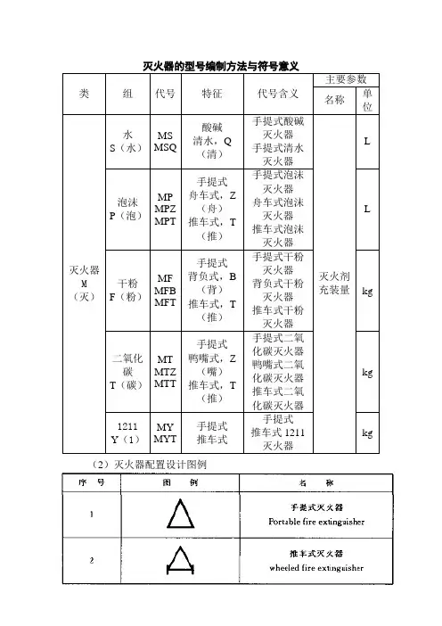
灭火器的型号编制方法应按GN 11--82《消防产品型号编制方法》的规定。
1.2 规格灭火器的规格按充装的干粉重量划分,系列规格分为1公斤、2公斤、(3公斤)、4公斤、5公斤、(6公斤)、8公斤、10公斤共8种。
注:括号内的规格应尽量不采用。
1.3 基本参数1.3.1灭火器在20±5℃时,其性能参数应符合表1的规定表1注:1.有效喷射距离指由灭火器喷嘴的顶端起至灭火剂散落最集中点的水平距离。
1.3.2灭火器的使用温度范围应符合GB 4351-84《手提式灭火器通用技术条件》中第3.3.1款的规定。
本标准推荐使用的温度范围为-10℃--+55℃或-20℃--+55℃。
在使用温度范围内的喷射性能应符合GB 4351-84中第3.3.2款的规定。
1.3.3可间歇喷射的灭火器,其每次间歇喷射的滞后时间不得大于3秒。
1.3.4灭火器的灭火性能应符合GB4351-84中第3.4条的规定。
1.3.5灭火器的总重量不得大于20公斤。
2 技术要求2.1机械强度2.1.1灭火器和贮气瓶的筒体最小壁厚的设计应符合GB 4351-84中第3.6.1款的规定。
2.1.2灭火器、贮气瓶的筒体及受内压的器头、筒体与器头的连接零件等的水压强度应符合GB 4351-84中第3.6.2款的规定。
2.l.3灭火器、贮气瓶的爆破强度应符合GB 4351-84中第3.6.3款的规定。
2.1.4灭火器的抗振动性能应符合GB 4351-84中第3.6.4和3.6.5款的规定。
2.1.5灭火器的抗冲击性能应符合GB4351-84中第3.6.6款的规定。
2.2结构2.2.1灭火器的操作机构要求应符合GB4351-84中第3.10.l款的规定。
6公斤干粉灭火器尺寸标准
根据国际标准,6公斤干粉灭火器的尺寸一般为:
高度(包括把手):约550-600毫米
直径:约150-180毫米
这些尺寸仅供参考,实际尺寸可能会有轻微的差异,因为不同厂家可能会有不同的设计和制造标准。
如果需要具体的尺寸信息,建议参考具体品牌和型号的产品说明书或与供应商进行咨询。
此外,根据当地法规和标准,不同地区的干粉灭火器尺寸可能会有所不同。
因此,在选择和使用干粉灭火器时,应遵循当地的法律法规和安全要求。
手提贮压式ABC干粉灭火器
产品概述:
手提贮压式ABC干粉灭火器是一种新型高效灭火器材,它适用於扑灭木材等普通固体材料,乙醇油类等可燃液体、可燃气体,电器设备等
初起火灾,贮压式干粉灭火器已广泛地应用於车辆、工矿、宾馆、计算
机房、文件资料、贵重仪器等地方、是一种不可缺少的防火安全设施。
灭火剂:
贮压式ABC干粉灭火器内的灭火药剂是全全硅化磷酸铵盐干粉,其流动性好,抗结块性强、无毒、无味、无导电性、可长期保存。
本系列有1kgABC、2kgABC、3kgABC、4kgABC、5kgABC、8kg等规格ABC干粉灭火器
主要技术参数:。
4kg干粉灭火器技术参数
4kg干粉灭火器技术参数如下:
1.灭火剂种类:根据上面提到的分类,4kg干粉灭火器可以使用BC干粉灭火剂或ABC干粉灭火剂。
具体种类需要根据灭火器型号和适用场景来确定。
2.灭火器结构:4kg干粉灭火器通常采用手提式或推车式结构。
手提式灭火器便于携带,适用于较小范围的火灾扑救;推车式灭火器适用于较大场所,移动方便。
3.驱动气体:二氧化碳是常用的驱动气体,用于驱动干粉灭火器喷射。
二氧化碳在常温下工作压力为1.5MPa。
4.喷射性能:4kg干粉灭火器的喷射距离一般在10米左右,喷射时间取决于灭火器结构和喷嘴设计。
喷射速率一般在30-60秒内。
5.适用范围:4kg干粉灭火器适用于生产车间、办公室、物资仓库、油库、变配电房、电缆隧道、电缆井、矿井、港口码头、机场机库、石油化工生产及贮存等场所高效扑救A、B、C、E类火灾及烷基D类火灾等。
6.型号编制:根据GB16668-2010《干粉灭火系统及部件通用技术条件》规定,4kg干粉灭火器型号编制方法如下:ZF □□□–□–□。
其中,□代表相应参数,如类别代号、特征代号、主参数(干粉充装质量,kg)、灭火剂种类、灭火剂粒径等。
请注意,具体技术参数可能因不同厂家和型号而有所差异。
在选购干粉灭火器时,请根据实际需求和场所选择合适的产品。
手提式干粉灭火器GB 4402—1998前言本标准参照国际标准化组织ISO/DIS 7165—1995《消防──手提式灭火器──性能和结构要求》和GB 4351—1997《手提式灭火器通用技术条件》,对GB 4402—84《手提式干粉灭火器》进行修订。
本标准由中华人民共和国公安部提出。
本标准由全国消防标准化技术委员会第五分技术委员会归口。
本标准起草单位:公安部上海消防科学研究所。
本标准主要起草人:李跃伟、毛毅平、陈兴璐。
1 范围本标准规定了手提式干粉灭火器的技术要求、试验方法、检验规则、标志和包装、维修与报废等要求。
本标准适用于手提贮气瓶式干粉灭火器(以下简称灭火器)。
2 引用标准下列标准所包含的条文,通过在本标准中引用而构成为本标准的条文。
本标准出版时,所有版本均为有效。
所有标准都会被修订,使用本标准的各方应探讨使用下列标准最新版本的可能性。
GB 197—81 普通螺纹公差与配合(直径1~355 mm)GB 1804—92 一般公差线性尺寸的未注公差GB 4066—94 碳酸氢钠干粉灭火剂GB 4351—1997 手提式灭火器通用技术条件GB 15060—94 磷酸铵盐干粉灭火剂GN 11—82 消防产品型号编制方法GA 90—94 手提式灭火器检验规则GA 95—1995 灭火器的维修与报废3 型式与规格3.1 型式该种灭火器是通过贮气瓶的气体压力作为驱动源来喷射灭火剂。
贮气瓶在灭火器上安装型式分为外装式和内装式。
灭火器的型号编制方法应按GN 11的规定。
标记示例:注1 当灭火器型号中干粉灭火剂特征代号不标注(除碳酸氢钠干粉外)时,应用文字或基料的化学分子式标明其名称。
2 用磷酸铵盐干粉灭火剂应标明其磷酸二氢铵的含量。
3.2 规格灭火器的规格按充装的干粉灭火剂重量划分,系列规格为分1 kg、2 kg、(3 kg)、4 kg、5 kg、(6 kg)、 8 kg、10 kg共八种。
注:括号内的规格应尽量不采用。
广东灭火器规范规格
1、二氧化碳灭火器
①手提式二氧化碳灭火器
规格:分为2公斤、3公斤、5公斤、7公斤4种
②推车式二氧化碳灭火器
规格:分为12kg、20kg、24kg三种。
2、干粉灭火器
①手提贮压式干粉灭火器规格:分为1、2、3、4、5、6、8和10kg八种。
②推车式干粉灭火器(贮压式,充装ABC干粉灭火剂)规格:分为20、25、35、50、70种100Kg六种。
3、泡沫灭火器
手提式机械泡沫灭火器:规格分为3L、4L、6L、9L四种。
一个计算单元内配置的灭火器数量不得少于2具。
每个设置点的灭火器数量不宜多于5具。
当住宅楼每层的公共部位建筑面积超过100㎡时,应配置1具1A的手提式灭火器;每增加100㎡时,增配1具1A的手提式灭火器。
手提贮压式干粉灭火器1 主题内容与适用范围本标准规定了手提贮压式干粉灭火器的型式、规格、基本参数、技术要求和试验方法等要求。
本标准适用于手提贮压式干粉灭火器(以下简称灭火器)。
2 引用标准GBl97普通螺纹公差与配合(直径1-355mm)GB1804公差与配合未注公差尺寸的极限偏差GB2828逐批检查计数抽样程序及抽样表(适用于连续批的检查)GB2829周期检查计数抽样程序及抽样表(适用于生产过程稳定性的检查GB3323钢熔化焊对接接头射线照相和质量分级GB3864工业用气态氮GB4066碳酸氢钠干粉灭火剂GB4351手提式灭火器通用技术条件GB4402手提式干粉灭火器ZBC84006磷酸铵盐干粉灭火剂GN11消防产品型号编制方法3 型式、规格和基本参数3.1型式该种灭火器是贮压式干粉型。
灭火器的型号编制方法应按GN11的规定标记示例:-4------充装干粉公称重量(4kg)L------干粉灭火剂特征代号(L表示磷酸铵盐干粉灭火剂)Z---------贮压式F--------干粉灭火剂M-------灭火器3.2规格灭火器的规格按充装的干粉重量划分,系列规格分为1、2、3、4、5、6、8和10kg共8种注:括号内的规格应尽量不采用。
3.3基本参数3.3.1灭火器在20±5℃时,其性能参数应符合表1的规定。
表1略注:有效喷射距离指由灭火器喷嘴的顶端起至灭火剂散落最集中点的水平距离。
3.3.2灭火器的使用温度范围应符合Ga4351中第3.3.1条的规定。
本标准推荐使用的温度范围为-20~55℃。
在最高或最低使用温度下的喷射性能应符合下列规定:a.有效喷射时间,相对于20±5℃时的有效喷射时间的偏差不得大于±25%,且不得小于6sb.喷射滞后时间不得大于5s。
c.喷射剩余率不得大于15%。
3.3.3可间歇喷射的灭火器,其间歇喷射滞后时间不得大于3S。
3.3.4灭火器的灭火性能应符合GB4351中第3.4条的规定。
悬挂式灭火器
主要技术参数:
悬挂式干粉灭火器适用范围:
自动灭火装置可适用的火灾类型: A类火灾、B类火灾、C类火灾。
A类火灾指固体有机物质燃烧的火灾。
这类物质燃烧后,一般均会形成炽热的余烬,如木材、纸张、棉织品等物质的火灾。
B类火灾指液体或可熔融固体燃烧的火灾。
如汽油、柴油、煤油、沥青,以及醇、酯、醚、酮、油脂类等物质的火灾。
C类火灾指气体燃烧的火灾。
如煤气、液化石油气、天然气等可燃气体的火灾。
D类火灾指轻金属燃烧的火灾。
如钾、钠、镁、铅、海绵状钛等轻金属的火灾。
E类火灾电气火灾
无论是哪种火灾,自动灭火装置可适用的条件是:(1) 火灾的初期阶段。
(2)表层火灾。
1kgABC干粉灭火器
产品描述:
外喷涂防腐蚀钢瓶
丝网和不干胶可供选择
筒体均带铁底圈,灭火器可以配墙式挂钩/车用挂具
灭火器有国内型式认可证书
(其他灭火剂可供选
择)
规格筒体外
径×高
度
容
积
(L)
灭火剂
灭火
级别
灭火
器重
量
(kg)
MFZ/ABC 1kg ∮85×
261.5
1.2
ABC50%
磷酸二
氢铵
+25%硫
酸铵
1A21B
1.86
MFZ/ABC 1kg ∮90×
229.5
1.3
2kgABC干粉灭火器
产品描述:
外喷涂防腐蚀钢瓶
丝网和不干胶可供选择
筒体均带铁底圈,灭火器可以配墙式挂钩/车用挂具灭火器有国内型式认可证书
规格筒体外径×高
度
容积
(L)
灭火剂
灭火级
别
灭火
器重
量
(kg)
MFZ/ABC
2kg ∮110×306 2.42
ABC50%
磷酸二
氢铵
+25%硫
酸铵
1A21B 3.38
3kgABC干粉灭火器
产品描述:
外喷涂防腐蚀钢瓶
丝网和不干胶可供选择
筒体均带铁底圈,灭火器可以配墙式挂钩/车用挂具
灭火器有国内型式认可证书
(其他灭火剂可供选择)
规格筒体外径×高
度
容积
(L)
灭火剂
灭火级
别
灭火
器重
量
(kg)
MFZ/ABC
3kg ∮130×329 3.65
ABC50%
磷酸二
氢铵
+25%硫
酸铵
2A34B 4.73
4kgABC干粉灭火器
产品描述:
外喷涂防腐蚀钢瓶
丝网和不干胶可供选择
筒体均带铁底圈,灭火器可以配墙式挂钩/车用挂具
灭火器有国内型式认可证书
(其他灭火剂可供选择)
规格筒体外径×高
度
容积
(L)
灭火剂
灭火级
别
灭火
器重
量
(kg)
MFZ/ABC 4kg ∮130×422 4.84
ABC50%
磷酸二
氢铵
+25%硫
酸铵
2A55B 6.26
5kgABC干粉灭火器
产品描述:
外喷涂防腐蚀钢瓶
丝网和不干胶可供选择
筒体均带铁底圈,灭火器可以配墙式挂钩/车用挂具
灭火器有国内型式认可证书
(其他灭火剂可供选择)
规格筒体外
径×高
度
容积
(L)
灭火剂
灭火
级别
灭火
器重
量
(kg)
MFZ/ABC 5kg ∮140
×
450.5
6.05
ABC50%
磷酸二
氢铵
+25%硫
酸铵
3A89B 7.58
8kgABC干粉灭火器
产品描述:
外喷涂防腐蚀钢瓶
丝网和不干胶可供选择
筒体均带铁底圈,灭火器可以配墙式挂钩/车用挂具
灭火器有国内型式认可证书
(其他灭火剂可供选择)
规格筒体外径×高
度
容积
(L)
灭火剂
灭火级
别
灭火
器重
量
(kg)
MFZ/ABC 8kg ∮163×5259.71
ABC50%
磷酸二
氢铵
+25%硫
酸铵
4A144B 11.75。