激素类化学药品生产防护管理规程
- 格式:doc
- 大小:30.00 KB
- 文档页数:6
药品生产质量管理规范国家食品药品监督管理局电子版目录第一章总则1第二章质量管理1第三章机构与人员2第一节原则2第二节关键人员2第三节培训4第四节人员卫生4第四章厂房与设施5第一节原则5第二节生产区6第三节仓储区7第四节质量控制区7第五节辅助区8第五章设备8第一节原则8第二节设计和安装8第三节维护和维修8第四节使用、清洁及状态标识9第五节校准9第六节制药用水10第六章物料与产品10第一节原则10第二节原辅料11第三节中间产品与待包装产品12第四节包装材料12第五节成品13第六节特殊管理的物料和产品13第七节其它13第七章确认与验证14第八章文件管理15第一节原则15第二节质量标准16第三节工艺规程17第四节批生产记录18第五节批包装记录19第六节操作规程和记录19第九章生产管理20第一节原则20第二节防止生产过程中的污染和交叉污染21第三节生产操作22第四节包装操作22第十章质量控制与质量保证23第一节质量控制实验室管理23第二节物料和产品放行27第三节持续稳定性考察计划28第四节变更控制29第五节偏差处理29第六节纠正和预防措施30第七节供应商的审计和批准30第八节产品质量回顾分析31第九节投诉32第十一章委托生产与委托检验32第一节原则32第二节委托方33第三节受托方33第四节合同33第十二章产品发放与召回34第一节原则34第二节发放34第三节召回34第十三章药品不良反应34第十四章自检35第一节原则35第二节自检35第十五章术语35第一章总则第一条根据《中华人民共和国药品管理法》和《中华人民共和国药品管理法实施条例》的有关规定,制定本规范.第二条本规范是对药品生产质量进行控制和管理的基本要求,以确保持续稳定地生产出适用于预定用途、符合注册批准或规定要求和质量标准的药品,并最大限度减少药品生产过程中污染、交叉污染以及混淆、差错的风险.第三条药品生产质量管理的特殊要求,以附录的形式发布并根据情况随时修订.第四条企业可以采用经过验证的创新或改进的方法,达到不低于本规范的要求。
化学品安全防护用品管理制度1. 引言为了保护员工的健康和安全,有效预防事故和减少环境风险,本公司制定了化学品安全防护用品管理制度。
本制度适用于所有接触化学品操作的员工,目的是确保他们能够正确选择、使用和维护适当的安全防护用品,以最大程度地减少事故和伤害的发生。
2. 安全防护用品分类个人防护装备:包括防护眼镜、防护面罩、防护手套、防护服、安全鞋等。
这些装备主要用于保护操作人员免受化学品直接接触造成的伤害。
通风设备:包括局部通风设备和排风系统,用于有效控制化学品的散发和扩散,从而减少室内化学物质浓度,保持空气清新。
储存设备:包括化学品柜、储罐、储槽等,用于储存化学品,防止泄漏和溢出,避免事故和环境污染的发生。
3. 安全防护用品管理制度3.1 安全防护用品选购与配备安全性能:确保用品符合国家和行业标准,具有适当的防护功能。
耐久性:选购耐用、易维护的安全防护用品,避免频繁更换。
合适性和舒适性:根据员工的身体特点,选择合适大小的防护用品,确保戴着舒适。
适用性:根据工作环境和化学品特性,选择适当的防护级别和材料。
3.2 安全防护用品使用与维护公司应对安全防护用品的使用和维护进行规范,确保员工正确佩戴和使用,并及时进行维护和更换。
具体要求如下:佩戴正确:员工在进行化学品操作前,必须正确佩戴所需的防护用品,包括防护眼镜、防护面罩、防护手套等。
定期检查:公司应定期检查员工所使用的安全防护用品,确保其完好,并拍摄记录以备查。
维护保养:员工应按照使用说明书要求正确维护和保养安全防护用品,包括清洁、修复和更换。
及时更新:当安全防护用品发生破损或失效时,员工应立即上报,并及时更换。
3.3 培训与意识提升为了确保员工正确使用安全防护用品,并增强其安全意识,公司应开展相关培训和意识提升活动。
具体措施如下:新员工培训:公司应对新员工进行安全防护用品的正确使用培训,内容包括佩戴、维护和更换等方面。
定期培训:定期组织安全培训,提醒员工注意安全防护用品的使用,并分享相关案例和经验。
药品生产质量管理规范(98年修订)正文:---------------------------------------------------------------------------------------------------------------------------------------------------- 国家药品监督管理局令(第9号)《药品生产质量管理规范(1998年修订)》于1999年3月18日经国家药品监督管理局局务会审议通过,现予发布。
本规范自1999年8月1日起施行。
局长:郑筱萸一九九九年六月十八日药品生产质量管理规范(1998年修订)第一章总则第一条根据《中华人民共和国药品管理法》规定,制定本规范。
第二条本规范是药品生产和质量管理的基本准则。
适用于药品制剂生产的全过程、原料药生产中影响成品质量的关键工序。
第二章机构与人员第三条药品生产企业应建立生产和质量管理机构。
各级机构和人员职责应明确,并配备一定数量的与药品生产相适应的具有专业知识、生产经验及组织能力的管理人员和技术人员。
第四条企业主管药品生产管理和质量管理的负责人应具有医药或相关专业大专以上学历,有药品生产和质量管理经验,对本规范的实施和产品质量负责。
第五条药品生产管理部门和质量管理部门的负责人应具有医药或相关专业大专以上学历,有药品生产和质量管理的实践经验,有能力对药品生产和质量管理中的实际问题作出正确的判断和处理。
药品生产管理部门和质量管理部门负责人不得互相兼任。
第六条从事药品生产操作及质量检验的人员应经专业技术培训,具有基础理论知识和实际操作技能。
对从事高生物活性、高毒性、强污染性、高致敏性及有特殊要求的药品生产操作和质量检验人员应经相应专业的技术培训。
第七条对从事药品生产的各级人员应按本规范要求进行培训和考核。
第三章厂房与设施第八条药品生产企业必须有整洁的生产环境;厂区的地面、路面及运输等不应对药品的生产造成污染;生产、行政、生活和辅助区的总体布局应合理,不得互相妨碍。
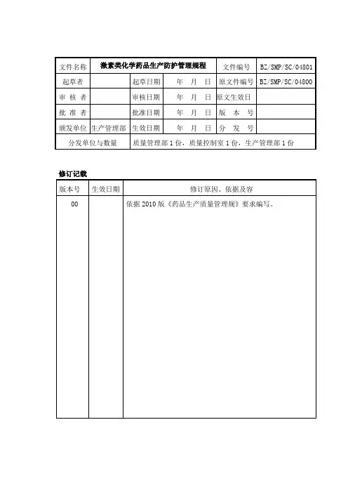
修订记载目的:建立激素类化学药品生产防护标准操作规程,使激素类化学药品生产防护的操作规化、标准化,从而有效防止环境污染和交叉污染,保证产品质量。
围:适用于激素类化学药品的生产防护操作。
职责:生产管理部中有资格的技术人员负责编写;质量管理部负责管理;生产管理部部长、质量管理部负责审核,生产副总经理批准;激素类化学药品生产的相关操作人员执行。
容:1 生产环境的防护1.1 激素类化学药品生产的功能区域(操作间)与公共区域(走廊)应当保持不低于5帕斯卡的相对负压。
1.2 激素类化学药品生产区域(操作间)的回风装置,需安装可拆卸的一次性初效滤纸过滤器。
1.3 激素类化学药品生产区域(操作间)的进风装置,需采用专用的、已清洁的初、中效过滤器,和新(专用)的高效过滤器。
1.4 对粉碎、制粒、总混、压片等粉尘量较大的生产区域(操作间),需加设移动式除尘设备进行局部除尘。
2 生产设备的防护2.1 激素类化学药品生产用模具(冲头、冲模等)和工(容)器具施行专品种专用。
2.2 对粉碎、压片等粉尘量较大的生产岗位所使用的设备(粉碎机、压片机等),除设备自带吸尘器外,需在加料口加设移动式吸尘器进行局部除尘。
3 生产物料的防护3.1 激素类化学药品生产用物料的领用、发放、使用、退库等按生产车间物料管理规程(BZ/SMP/WC/00100)执行。
在领用、发放、使用、退库过程中采用单品种单独操作,不得与其它激素类化学药品或非激素类药品,同时进行操作。
3.2 激素类化学药品的物料进出生产区按物料进出生产区管理规程(BZ/SMP/SC/01600)进行操作,其中对物料外包装清洁需使用专用、洁净的清洁工具(塑料笤帚、洁净丝光毛巾等)。
进入洁净区脱去外包装的物料需装入专用加盖洁净桶中。
3.3 激素类化学药品的物料在物料暂存间按物料暂存间管理规程(BZ/SMP/SC/00900)进行管理。
所使用的物料暂存间不得同时存放其它激素类化学药品或非激素类药品的物料。
2023年执业药师之药事管理与法规精选试题及答案二单选题(共40题)1、根据《疫苗流通和预防接种管理条例》,纳入国家免疫规划疫苗的最小外包装的显著位置应标明A.“免费”字样B.“免疫规划”专用标识C.“免费”和“计划免疫”字样D.“免费”字样和“免疫规划”专用标识【答案】 D2、属于分布区域缩小,资源处于衰竭状态的重要野生药材是A.羚羊角B.防风C.厚朴D.党参【答案】 C3、欲查询某药品是否需要进行皮内敏感试验内容,在药品说明书中可查询A.【用法用量】B.【不良反应】C.【注意事项】D.【警示语】【答案】 C4、有关资料显示,国外几十家,甚至几家医药批发企业就承担了全国的药品供应,而我国的药品批发企业,多数企业规模小,运营成本高,市场分散,经营行为不规范。
目前,全国已有数千家药品商业企业实施了股份制改造,打破了地区、行业、所有制的限制,以联合、兼并、参股、控股的形式建立了大公司、大集团,并大量推广了代理配送制,总代理、总经销已经成为主要的销售方式,初步达到降低费用、增加效益的目的。
A.按药品的剂型、用途以及储存要求分类陈列B.外用药与其他药品分开摆放C.第二类精神药品应当陈列D.处方药、非处方药分区陈列【答案】 C5、根据《城镇职工基本医疗保险用药范围管理暂行办法》在基本医疗保险药品目录中,列出的品种属于基本医疗保险基金不予支付的药品是A.口服泡腾剂B.中药饮片C.中成药D.血液制品【答案】 B6、武汉市药品监督管理部门突查武昌某中医门诊部,查获400余袋无文号治肝假药和60多瓶水剂。
根据群众举报线索,对位于武昌紫阳路的某中医门诊部一楼药房进行检查,发现400余袋紫色、棕色、黑色的药丸,外包装塑料袋上无任何标示,以及60多瓶褐色水剂一批。
药房处方上,记录有转阴1号、5号、6号记录。
这些无文号药剂是该门诊部肝病和耳鼻喉专科用药。
专科承包人张某交待,他来自广西,这些无文号的药丸是所谓的“转阴排毒丸”,是在门诊后的注射室里分装的。
中华人民共和国卫生部令第79 号《药品生产质量管理规范(2010年修订)》已于2010年10月19日经卫生部部务会议审议通过,现予以发布,自2011年3月1日起施行。
部长陈竺二○一一年一月十七日第一章总则第一条为规范药品生产质量管理,根据《中华人民共和国药品管理法》、《中华人民共和国药品管理法实施条例》,制定本规范。
第二条企业应当建立药品质量管理体系。
该体系应当涵盖影响药品质量的所有因素,包括确保药品质量符合预定用途的有组织、有计划的全部活动。
第三条本规范作为质量管理体系的一部分,是药品生产管理和质量控制的基本要求,旨在最大限度地降低药品生产过程中污染、交叉污染以及混淆、差错等风险,确保持续稳定地生产出符合预定用途和注册要求的药品。
第四条企业应当严格执行本规范,坚持诚实守信,禁止任何虚假、欺骗行为。
第二章质量管理第一节原则第五条企业应当建立符合药品质量管理要求的质量目标,将药品注册的有关安全、有效和质量可控的所有要求,系统地贯彻到药品生产、控制及产品放行、贮存、发运的全过程中,确保所生产的药品符合预定用途和注册要求。
第六条企业高层管理人员应当确保实现既定的质量目标,不同层次的人员以及供应商、经销商应当共同参与并承担各自的责任。
第七条企业应当配备足够的、符合要求的人员、厂房、设施和设备,为实现质量目标提供必要的条件。
第二节质量保证第八条质量保证是质量管理体系的一部分。
企业必须建立质量保证系统,同时建立完整的文件体系,以保证系统有效运行。
第九条质量保证系统应当确保:(一)药品的设计与研发体现本规范的要求;(二)生产管理和质量控制活动符合本规范的要求;(三)管理职责明确;(四)采购和使用的原辅料和包装材料正确无误;(五)中间产品得到有效控制;(六)确认、验证的实施;(七)严格按照规程进行生产、检查、检验和复核;(八)每批产品经质量受权人批准后方可放行;(九)在贮存、发运和随后的各种操作过程中有保证药品质量的适当措施;(十)按照自检操作规程,定期检查评估质量保证系统的有效性和适用性。
中华人民共和国卫生部令第79 号《药品生产质量管理规范(2010年修订)》已于2010年10月19日经卫生部部务会议审议通过,现予以发布,自2011年3月1日起施行。
第一章总则第一条为规范药品生产质量管理,根据《中华人民共和国药品管理法》、《中华人民共和国药品管理法实施条例》,制定本规范。
第二条企业应当建立药品质量管理体系。
该体系应当涵盖影响药品质量的所有因素,包括确保药品质量符合预定用途的有组织、有计划的全部活动。
第三条本规范作为质量管理体系的一部分,是药品生产管理和质量控制的基本要求,旨在最大限度地降低药品生产过程中污染、交叉污染以及混淆、差错等风险,确保持续稳定地生产出符合预定用途和注册要求的药品。
第四条企业应当严格执行本规范,坚持诚实守信,禁止任何虚假、欺骗行为。
第二章质量管理第一节原则第五条企业应当建立符合药品质量管理要求的质量目标,将药品注册的有关安全、有效和质量可控的所有要求,系统地贯彻到药品生产、控制及产品放行、贮存、发运的全过程中,确保所生产的药品符合预定用途和注册要求。
第六条企业高层管理人员应当确保实现既定的质量目标,不同层次的人员以及供应商、经销商应当共同参与并承担各自的责任。
第七条企业应当配备足够的、符合要求的人员、厂房、设施和设备,为实现质量目标提供必要的条件。
第二节质量保证第八条质量保证是质量管理体系的一部分。
企业必须建立质量保证系统,同时建立完整的文件体系,以保证系统有效运行。
第九条质量保证系统应当确保:(一)药品的设计与研发体现本规范的要求;(二)生产管理和质量控制活动符合本规范的要求;(三)管理职责明确;(四)采购和使用的原辅料和包装材料正确无误;(五)中间产品得到有效控制;(六)确认、验证的实施;(七)严格按照规程进行生产、检查、检验和复核;(八)每批产品经质量受权人批准后方可放行;(九)在贮存、发运和随后的各种操作过程中有保证药品质量的适当措施;(十)按照自检操作规程,定期检查评估质量保证系统的有效性和适用性。
药品生产质量管理规范国家食品药品监督管理局电子版目录第一章总则1第二章质量管理1第三章机构与人员2第一节原则2第二节关键人员2第三节培训4第四节人员卫生4第四章厂房与设施5第一节原则5第二节生产区5第三节仓储区7第四节质量控制区7第五节辅助区8第五章设备8第一节原则8第二节设计和安装8第三节维护和维修8第四节使用、清洁及状态标识9第五节校准9第六节制药用水10第六章物料与产品10第一节原则10第二节原辅料11第三节中间产品与待包装产品12第四节包装材料12第五节成品13第六节特殊管理的物料和产品13第七节其它13第七章确认与验证14第八章文件管理15第一节原则15第二节质量标准16第三节工艺规程17第四节批生产记录18第五节批包装记录19第六节操作规程和记录19第九章生产管理20第一节原则20第二节防止生产过程中的污染和交叉污染21第三节生产操作22第四节包装操作22第十章质量控制与质量保证23第一节质量控制实验室管理23第二节物料和产品放行27第三节持续稳定性考察计划28第四节变更控制29第五节偏差处理29第六节纠正和预防措施30第七节供应商的审计和批准30第八节产品质量回顾分析31第九节投诉32第十一章委托生产与委托检验32第一节原则32第二节委托方33第三节受托方33第四节合同33第十二章产品发放与召回34第一节原则34第二节发放34第三节召回34第十三章药品不良反应35第十四章自检35第一节原则35第二节自检35第十五章术语35第一章总则第一条根据《中华人民共和国药品管理法》和《中华人民共和国药品管理法实施条例》的有关规定,制定本规范。
第二条本规范是对药品生产质量进行控制和管理的基本要求,以确保持续稳定地生产出适用于预定用途、符合注册批准或规定要求和质量标准的药品,并最大限度减少药品生产过程中污染、交叉污染以及混淆、差错的风险。
第三条药品生产质量管理的特殊要求,以附录的形式发布并根据情况随时修订。
药品生产质量管理规范国家食品药品监督管理局电子版目录第一章总则 (1)第二章质量管理 (1)第三章机构与人员 (2)第一节原则 (2)第二节关键人员 (3)第三节培训 (6)第四节人员卫生 (6)第四章厂房与设施 (7)第一节原则 (7)第二节生产区 (8)第三节仓储区 (10)第四节质量控制区 (11)第五节辅助区 (11)第五章设备 (12)第一节原则 (12)第二节设计和安装 (12)第三节维护和维修 (13)第四节使用、清洁及状态标识 (13)第五节校准 (14)第六节制药用水 (14)第六章物料与产品 (15)第一节原则 (15)第二节原辅料 (17)第三节中间产品与待包装产品 (18)第四节包装材料 (19)第六节特殊管理的物料和产品 (19)第七节其它 (20)第七章确认与验证 (21)第八章文件管理 (23)第一节原则 (23)第二节质量标准 (24)第三节工艺规程 (26)第四节批生产记录 (27)第五节批包装记录 (28)第六节操作规程和记录 (29)第九章生产管理 (30)第一节原则 (30)第二节防止生产过程中的污染和交叉污染 (32)第三节生产操作 (33)第四节包装操作 (33)第十章质量控制与质量保证 (35)第一节质量控制实验室管理 (35)第二节物料和产品放行 (41)第三节持续稳定性考察计划 (42)第四节变更控制 (44)第五节偏差处理 (44)第六节纠正和预防措施 (45)第七节供应商的审计和批准 (46)第八节产品质量回顾分析 (47)第九节投诉 (48)第十一章委托生产与委托检验 (49)第二节委托方 (50)第三节受托方 (50)第四节合同 (50)第十二章产品发放与召回 (51)第一节原则 (51)第二节发放 (51)第三节召回 (52)第十三章药品不良反应 (52)第十四章自检 (53)第一节原则 (53)第二节自检 (53)第十五章术语 (53)第一章总则第一条根据《中华人民共和国药品管理法》和《中华人民共和国药品管理法实施条例》的有关规定, 制定本规范。
药品生产质量管理规范(1992年修订)正文:---------------------------------------------------------------------------------------------------------------------------------------------------- 药品生产质量管理规范(1992年12月28日卫生部令第27号修订发布)第一章总则第一条根据《中华人民共和国药品管理法》第九条及《中华人民共和国药品管理法实施办法》第二十六条规定,特制定《药品生产质量管理规范》(简称《规范》)。
第二条本《规范》是药品生产企业管理生产和质量的基本准则。
适用于药品制剂生产的全过程及原料药生产中影响成品质量的各关键工艺。
第二章人员第三条药品生产企业必须配备一定数量的与药品生产相适应的具有医药专业知识、生产经验及组织能力的各级管理人员和技术人员。
第四条负责生产和质量管理的企业领导人必须具有大专以上或与之相当的学历,并具有药品生产及质量管理的经验,能够按《规范》的要求组织生产,对《规范》的实施和产品质量负全部责任。
第五条药品生产和质量管理的部门负责人应受过高等专业教育或具有相当学历,必须具有药品生产和质量管理的实践经验,有能力对药品生产和质量管理中的实际问题作出正确的判断和处理。
药品生产和质量管理的负责人不得互相兼任,也不得由非在编人员担任。
第六条从事药品生产操作及质量检验的人员应经专业技术培训,使之具有基础理论知识和实际操作技能。
对从事高生物活性、高毒性、强污染性、强致敏性及有特殊要求的药品生产操作和质量检验人员应给予相应的专业技术培训。
第七条药品生产企业必须对各类人员进行《规范》的培训,其培训计划由企业指定部门制订,每年至少组织考核一次。
第三章厂房第八条药品生产企业必须有整洁的生产环境;生产区的地面、路面及运输等不应对药品的生产造成污染;生产、行政、生活和辅助区的总体布局应合理,不得相互妨碍。
2023年执业药师之药事管理与法规高分通关题库A4可打印版单选题(共30题)1、根据《药品、医疗器械、保健、特殊医学用途配方食品广告审查管理暂行办法》,医疗器械广告涉及医疗器械名称、适用范围、作用机理或者结构及组成等内容的,不得超出注册证书或者备案凭证、注册或者备案的产品说明书范围。
第二类医疗器械广告内容的依据是A.国家药品监督管理局批准的产品说明书B.省级药品监督管理部门批准的产品说明书C.国家药品监督管理局备案的产品说明书D.设区的市级药品监督管理部门备案的产品说明书【答案】 B2、医疗机构负责中药饮片临方炮制工作的,应当是具有几年以上炮制经验的中药学专业技术人员A.1年B.2年C.3年D.5年【答案】 C3、可以申请中药一级保护品种的是A.从天然药物中提取的有效物质及制剂B.医疗用毒性中药饮片C.相当于国家一级保护野生药材物种的人工制成品D.国家重点保护野生药材根据《中药品种保护条例》【答案】 C4、可以对药品生产企业生产的新药品种设立监测期的部门是A.所在地县(市)药品监督管理部门B.所在地省级药品监督管理部门C.国家药品监督管理部门D.国家卫生行政部门【答案】 C5、在一个研讨班上,学员对假劣药情形、使用法律和法律责任展开了讨论。
讨论的情形主要包括四个,一是采用多加矫味剂生产儿童退热药;二是多加药用淀粉少用主要生产降压药;三是部分药品超过有效期;四是某抗菌药物的外包装上标示的适应症与批准的药品说明书中适应症表述不一致,其外包装上添加了可以作为前列腺炎的二线用药的适应症等。
A.多加矫味剂生产儿童退热药B.多加药用淀粉生产降压药C.药品超过有效期D.外包装上标示的适应症超过批准的说明书内容的【答案】 D6、病例数应不少于100例A.Ⅰ期临床试验B.Ⅱ期临床试验C.Ⅲ期临床试验D.Ⅳ期临床试验【答案】 B7、药品零售药店对处方药和非处方药应采用A.分区陈列销售方式B.有奖销售方式C.开架自选销售方式D.凭执业医师处方销售方式【答案】 A8、以下关于经营企业麻醉药品、一类精神药品、存放的说法中,正确的是A.专库或专柜存放加锁保管,专账记录B.专库或专柜存放,双人双锁保管,专账记录C.专库或专柜存放,专人保管记录D.专库或专柜存放,专人保管,专账记录【答案】 B9、(2017年真题)关于药品标准的说法错误的是()A.《中国药典》为法定药品标准B.医疗机构制剂标准作为省级地方标准仍允许保留,属于有法律效力的药品标准C.局颁药品标准收载的品种是国内已有生产、疗效较好,需要统一标准但尚未载入药典的品种D.药品生产企业执行的药品注册标准一般不得高于《中国药典》的规定【答案】 D10、(2016年真题)在药品零售企业中,人员资质要求为“应当具有执业药师资格”的是A.法定代表人或企业负责人B.质量管理人员C.企业质量管理部门负责人D.企业质量负责人【答案】 A11、查处方A.对药品性状、用法用量B.对临床诊断C.对科别、姓名、年龄D.对药名、剂型、规格、数量E.对价格收费【答案】 C12、有关药品广告的说法,错误的是()A.药品广告不得说明治愈率或有效率B.药品广告应按批准的说明书说明适应证C.第二类精神药品不得做广告D.药品广告可以患者的名义作疗效证明【答案】 D13、药品生产企业在启动药品召回后,应当将调查评估报告和召回计划提交所在地省级药品监督管理部门备案的时限,三级召回在A.1日内B.2日内C.3日内D.7日内【答案】 D14、按照《药品标签和说明书管理规定》,说明书和标签必须印有规定标识的是A.中药饮片B.中成药C.诊断药品D.非处方药【答案】 D15、医疗机构购进药品,必须有A.真实、完整的药品购进记录B.符合医疗机构临床的需要C.药品采购部门D.真实、完整的药品购销记录【答案】 A16、使用药品类易制毒化学品的企业建立的专用账册保存期限应当自药品类易制毒化学品有效期期满之日起不少于A.5年B.3年C.2年D.1年【答案】 C17、甲是药品上市许可持有人,持有并生产的品种包括处方药硝苯地平控释片鱼腥草注射液,中药饮片黄芪,非处方药维生素C泡腾片乙是药品批发企业,长期与甲保持业务关系,从甲处采购硝苯地平控释片、中药饮片黄芪、维生素C泡腾片,最近决定首次从甲处采购鱼握草注射液甲将乙采购的四种药品同车运输至乙处,乙将到货药品储存在间一库房合药品。
2022年-2023年执业药师之药事管理与法规模考模拟试题(全优)单选题(共50题)1、不符合药品批发企业药品质量验收要求的是A.应当对抽样药品的外观、包装、标签、说明书以及相关的证明文件等逐一进行检查、核对B.同一批号的药品应当至少检查一个最小包装C.零货、拼箱的,应当开箱检查至最小包装D.实施批签发管理的生物制品,应开箱检查至最小包装【答案】 D2、(2017年真题)不合理处方可以分为不规范处方、用药不适宜处方和超常处方。
下列属于用药不适宜处方的是()A.处方医师签名不能准确识别的处方B.存在有潜在临床意义的配伍禁忌的处方C.慢性病需延长处方用量未注明理由的处方D.中成药与中药饮片未分别开具的处方【答案】 B3、根据《非处方药专有标识管理规定(试行)》,使用非处方药专有标识时,可以单色印刷的是()。
A.乙类非处方药的包装?B.内包装和外包装?C.标签和使用说明书?D.使用说明书和大包装?【答案】 D4、使用国家药品监督管理局确定的非处方药的活性成分组成的新的复方制剂可以提出的注册申请是A.药品上市许可申请B.再注册申请C.直接提出非处方药上市许可申请D.仅提供药学及非临床安全性研究资料提出药品上市许可申请【答案】 C5、按照《发改委定价范围内的低价药品目录》,常用低价药品的筛选标准为,化学药日服用费用不超过A.2元B.3元C.5元D.7元【答案】 B6、某中药饮片生产企业于2010年11月取得《药品生产许可证》。
A.2011年10月B.2013年10月C.2015年10月D.2020年10月【答案】 C7、不合格药品为A.红色?B.黄色?C.绿色D.蓝色?库存药品实行色标管理【答案】 A8、保护期分别为30年、20年、10年的是A.一级保护的野生药材物种B.二级保护的野生药材物种C.中药一级保护品种D.中药二级保护品种【答案】 C9、根据《中华人民共和国药品管理法》,医疗机构配制的制剂应当是A.本单位科研需要的品种B.本单位临床需要的品种C.市场供不应求的品种D.本单位临床需要而市场上没有供应的品种【答案】 D10、注射剂和非处方药A.文字表述应当科学、规范、准确B.以说明书为依据,其内容不得超出说明书的范围,不得印有暗示疗效、误导使用和不适当宣传产品的文字和标识C.包含药品安全性、有效性的重要科学数据、结论和信息D.列出所用的全部辅料名称【答案】 D11、某医疗机构通过政府采购体系采购抗过敏急救药肾上腺素、心脏病人急救药阿托品、儿科用药酚麻美敏混悬液(非处方药)、复方福尔可定糖浆(成人用,儿童用量酌减或遵医嘱,假设是独家品种),并用于临床。
药品生产质量管理规范(2010年版)2011年3月1日起施行目录第一章总则 .............................................................................................. 错误!未定义书签。
第二章质量管理 .......................................................................................... 错误!未定义书签。
第一节原则....................................................................................... 错误!未定义书签。
第二节质量保证................................................................................... 错误!未定义书签。
第三节质量控制................................................................................... 错误!未定义书签。
第四节质量风险管理........................................................................... 错误!未定义书签。
第三章机构与人员 ...................................................................................... 错误!未定义书签。
第一节原则....................................................................................... 错误!未定义书签。
《药品生产质量管理规范》药品生产质量管理规范(2010年修订)(卫生部令第79号,2011年1月17日发布,2011年3月1日起施行)第一章总则第一条为规范药品生产质量管理,根据《中华人民共和国药品管理法》、《中华人民共和国药品管理法实施条例》,制定本规范。
第二条企业应当建立药品质量管理体系。
该体系应当涵盖影响药品质量的所有因素,包括确保药品质量符合预定用途的有组织、有计划的全部活动。
第三条本规范作为质量管理体系的一部分,是药品生产管理和质量控制的基本要求,旨在最大限度地降低药品生产过程中污染、交叉污染以及混淆、差错等风险,确保持续稳定地生产出符合预定用途和注册要求的药品。
第四条企业应当严格执行本规范,坚持诚实守信,禁止任何虚假、欺骗行为。
第二章质量管理第一节原则第五条企业应当建立符合药品质量管理要求的质量目标,将药品注册的有关安全、有效和质量可控的所有要求,系统地贯彻到药品生产、控制及产品放行、贮存、发运的全过程中,确保所生产的药品符合预定用途和注册要求。
第六条企业高层管理人员应当确保实现既定的质量目标,不同层次的人员以及供应商、经销商应当共同参与并承担各自的责任。
第七条企业应当配备足够的、符合要求的人员、厂房、设施和设备,为实现质量目标提供必要的条件。
第二节质量保证第八条质量保证是质量管理体系的一部分。
企业必须建立质量保证系统,同时建立完整的文件体系,以保证系统有效运行。
第九条质量保证系统应当确保:(一)药品的设计与研发体现本规范的要求;(二)生产管理和质量控制活动符合本规范的要求;(三)管理职责明确;(四)采购和使用的原辅料和包装材料正确无误;(五)中间产品得到有效控制;(六)确认、验证的实施;(七)严格按照规程进行生产、检查、检验和复核;(八)每批产品经质量受权人批准后方可放行;(九)在贮存、发运和随后的各种操作过程中有保证药品质量的适当措施;(十)按照自检操作规程,定期检查评估质量保证系统的有效性和适用性。
《药品生产质量管理规范》第79号《药品生产质量治理规范(2010年修订)》已于2010年10月19日经卫生部部务会议审议通过,现予以公布,自2011年3月1日起施行。
部长陈竺二〇一一年一月十七日第一章总则第一条为规范药品生产质量治理,按照《中华人民共和国药品治理法》、《中华人民共和国药品治理法实施条例》,制定本规范。
第二条企业应当建立药品质量治理体系。
该体系应当涵盖阻碍药品质量的所有因素,包括确保药品质量符合预定用途的有组织、有打算的全部活动。
第三条本规范作为质量治理体系的一部分,是药品生产治理和质量操纵的差不多要求,旨在最大限度地降低药品生产过程中污染、交叉污染以及混淆、差错等风险,确保连续稳固地生产出符合预定用途和注册要求的药品。
第四条企业应当严格执行本规范,坚持诚实守信,禁止任何虚假、欺诈行为。
第二章质量治理第一节原则第五条企业应当建立符合药品质量治理要求的质量目标,将药品注册的有关安全、有效和质量可控的所有要求,系统地贯彻到药品生产、操纵及产品放行、贮存、发运的全过程中,确保所生产的药品符合预定用途和注册要求。
第六条企业高层治理人员应当确保实现既定的质量目标,不同层次的人员以及供应商、经销商应当共同参与并承担各自的责任。
第七条企业应当配备足够的、符合要求的人员、厂房、设施和设备,为实现质量目标提供必要的条件。
第二节质量保证第八条质量保证是质量治理体系的一部分。
企业必须建立质量保证系统,同时建立完整的文件体系,以保证系统有效运行。
第九条质量保证系统应当确保:(一)药品的设计与研发体现本规范的要求;(二)生产治理和质量操纵活动符合本规范的要求;(三)治理职责明确;(四)采购和使用的原辅料和包装材料正确无误;(五)中间产品得到有效操纵;(六)确认、验证的实施;(七)严格按照规程进行生产、检查、检验和复核;(八)每批产品经质量受权人批准后方可放行;(九)在贮存、发运和随后的各种操作过程中有保证药品质量的适当措施;(十)按照自检操作规程,定期检查评估质量保证系统的有效性和适用性。
修订记载目的:建立激素类化学药品生产防护标准操作规程,使激素类化学药品生产防护的操作规范化、标准化,从而有效防止环境污染和交叉污染,保证产品质量。
范围:适用于激素类化学药品的生产防护操作。
职责:生产管理部中有资格的技术人员负责编写;质量管理部负责管理;生产管理部部长、质量管理部负责审核,生产副总经理批准;激素类化学药品生产的相关操作人员执行。
内容:1 生产环境的防护1.1 激素类化学药品生产的功能区域(操作间)与公共区域(走廊)应当保持不低于5帕斯卡的相对负压。
1.2 激素类化学药品生产区域(操作间)的回风装置,需安装可拆卸的一次性初效滤纸过滤器。
1.3 激素类化学药品生产区域(操作间)的进风装置,需采用专用的、已清洁的初、中效过滤器,和新(专用)的高效过滤器。
1.4 对粉碎、制粒、总混、压片等粉尘量较大的生产区域(操作间),需加设移动式除尘设备进行局部除尘。
2 生产设备的防护2.1 激素类化学药品生产用模具(冲头、冲模等)和工(容)器具施行专品种专用。
2.2 对粉碎、压片等粉尘量较大的生产岗位所使用的设备(粉碎机、压片机等),除设备自带吸尘器外,需在加料口加设移动式吸尘器进行局部除尘。
3 生产物料的防护3.1 激素类化学药品生产用物料的领用、发放、使用、退库等按生产车间物料管理规程(BZ/SMP/WC/00100)执行。
在领用、发放、使用、退库过程中采用单品种单独操作,不得与其它激素类化学药品或非激素类药品,同时进行操作。
3.2 激素类化学药品的物料进出生产区按物料进出生产区管理规程(BZ/SMP/SC/01600)进行操作,其中对物料外包装清洁需使用专用、洁净的清洁工具(塑料笤帚、洁净丝光毛巾等)。
进入洁净区脱去外包装的物料需装入专用加盖洁净桶中。
3.3 激素类化学药品的物料在物料暂存间按物料暂存间管理规程(BZ/SMP/SC/00900)进行管理。
所使用的物料暂存间不得同时存放其它激素类化学药品或非激素类药品的物料。
4 人员、工装的防护4.1 激素类化学药品的生产一线人员和管理人员,每年至少接受一次培训。
培训内容为,按人员培训管理规程(BZ/SMP/RY/00600)制定的关于防污染、防混淆、防差错专用培训方案,培训合格并取得上岗证后方可上岗。
培训不合格者不得上岗,或调离激素类化学药品的生产、管理岗位。
4.2 激素类化学药品的生产人员用工装,按工装工鞋管理规程(BZ/SMP/SC/03300)中的D级洁净区的服装式样要求和一般生产区的服装式样要求进行设计、订做。
专柜贮存、单独编号、单独发放。
工装、工鞋的清洁按工装、工鞋清洁标准操作规程(BZ/SOP/GL/00500)进行清洗。
其中用饮用水(纯化水)漂洗三遍(≥10分钟/遍)至无清洁剂泡沫后,再用纯化水清洗一遍后甩干。
激素类化学药品的生产人员用工装需采用专用清洗设备进行清洗。
5 生产过程的防护5.1 激素类化学药品的生产过程按生产过程管理规程(BZ/SMP/SC/00100)执行。
不得与其它激素类化学药品或非激素类药品在同一房间内同时进行内、外包装操作。
其中清场管理中的清场结束由质量保证员检查合格后进行下一步的生产,采用由质量保证员与工艺员共同检查合格后方可进行下一步的生产。
从而更加严格的执行清场管理规程(BZ/SMP/SC/02200)。
5.2 激素类化学药品生产过程中使用的专用设备、专用生产(周转)容器具、专用生产(周转)工器具、专用清洁工具、专用管道、专用储柜等,在不影响其本身功能的显著位置,加设有白底黑字的“激素类化学药品专用”标识。
对上述各类工(容)器具,按清洁工具管理规程(BZ/SMP/SC/02300)、生产(周转)容器具管理规程(BZ/SMP/SC/00300)、生产(周转)工器具管理规程(BZ/SMP/SC/00300)、生产、卫生状态标识管理规程((BZ/SMP/SC/00400)等管理规程,进行单独编码、单独发放、单独管理。
6 卫生清洁的防护6.1 空气净化系统的卫生清洁防护6.1.1 激素类化学药品生产结束时,将安装在回风装置的阻尼网拆卸。
装入专用废物垃圾塑料袋内封好,由车间岗位操作人员放到物料缓冲间的进出门外(或通过传递窗放到传递窗外),由公司卫生清洁员拿到指定位置(锅炉)进行焚毁(焚毁时不得造成环境污染)。
回风口周围用经纯化水洗净的丝光毛巾擦拭至无污渍,无不洁痕迹,无水渍。
再用75%乙醇(0.2%新洁尔灭)进行擦拭或喷雾消毒后,换上新的阻尼网。
拆卸后的过滤器外框、挡板用饮用水冲洗3-5遍后用纯化水再冲洗3次至内、外表面洁净无不洁痕迹。
用经纯化水洗净、拧干的丝光毛巾擦拭至无水痕。
放置在相应洁净级别生产区域内的洁净工具存放间晾干或烘干后,置专用区域贮存,待下次激素类化学药品生产时使用。
6.1.2 激素类化学药品生产结束时,将空气净化系统按空气净化系统清洁、消毒标准操作规程进行清洁、消毒。
其中初、中效过滤器清洗、干燥后,装入洁净塑料周转袋内,密封。
置专用区域贮存,待下次激素类化学药品生产时使用。
将高效过滤器拆卸,装入专用废物垃圾塑料袋内封好,由车间岗位操作人员放到物料缓冲间的进出门外(或通过传递窗放到传递窗外),由公司卫生清洁员拿到指定位置(锅炉)进行焚毁(焚毁时不得造成环境污染)。
拆卸后的高效过滤器外框、挡板用经纯化水洗净、拧干的丝光毛巾擦拭至无不洁痕迹、无水痕。
再用75%乙醇(0.2%新洁尔灭)进行擦拭消毒。
晾干后,装入洁净塑料周转袋内,密封。
与回风过滤器外框、挡板一并贮存于专用区域内,待下次激素类化学药品生产时使用。
进风口周围用经纯化水洗净的丝光毛巾擦拭至无污渍,无不洁痕迹,无水渍。
再用75%乙醇(0.2%新洁尔灭)进行擦拭或喷雾消毒后,更换非激素类品种生产用的初、中、高效过滤器。
6.2 生产设备的卫生清洁防护6.2.1 激素类化学药品生产结束时,将使用的生产设备按相应设备的清洁标准操作规程进行清洁、消毒。
其中将设备的最终纯化水冲洗或擦拭遍数,由一遍增加到两遍。
从而保证清洁效果的可信性。
6.2.2 激素类化学药品生产结束时,将使用的设备自带吸尘装置和移动除尘设备,按以下步骤进行处理。
6.2.2.1 在除尘设备使用操作间内,拆下除尘设备中的扑尘袋。
6.2.2.2 将扑尘袋中的尾粉装入专用废物垃圾塑料袋内封好,由车间岗位操作人员放到物料缓冲间的进出门外(或通过传递窗放到传递窗外),由公司卫生清洁员拿到指定位置(锅炉)进行焚毁(焚毁时不得造成环境污染)。
6.2.2.3 将清理后的扑尘袋,装入洁净塑料周转袋内封好,由车间岗位操作人员运到相应洁净级别生产区域内的清洁间内,用饮用水浸泡15-20分钟后,双手揉搓清洗至清洗用水澄清、透明。
用饮用水清洗洁净后,再用纯化水冲洗2遍。
6.2.2.4 用纯化水冲洗后的扑尘袋,放置在相应洁净级别生产区域内的洁净工具存放间晾干或烘干后,装入洁净塑料周转袋内,密封。
置专用区域存放,待下次激素类化学药品生产时使用。
6.2.2.5 对除尘设备按相应设备的清洁标准操作规程进行清洁、消毒后,装上新的或已清洁的扑尘袋。
备用。
6.3 厂房设施的清洁防护6.3.1 厂房设施包括墙壁、地面、门窗、地漏、水池、水龙头、面盆等。
6.3.2 激素类化学药品生产结束时,各项的清洁按清洁标准操作规程进行清洁、消毒。
其中在清洁至无污渍,无不洁痕迹,无水渍后,再用纯化水洗净、拧干的丝光毛巾、毛刷或超细纤维拖布,整体擦拭一遍后,再进行消毒。
6.4 专用生产(周转)工(容)器具的清洁防护6.4.1 激素类化学药品生产结束时,按生产(周转)工器具清洁标准操作规程(BZ/SOP/GL/00900)对专用生产(周转)工器具进行清洁、消毒。
其中在清洁、消毒方法中,将用清洁剂洗涤3-5遍后用纯化水冲洗2遍,增加到3遍。
晾干或烘干后的专用生产(周转)工器具,置洁净区模具间的专用储柜内妥善贮存,留待下次激素类化学药品生产时使用。
6.4.2 激素类化学药品生产结束时,按生产(周转)容器具清洁标准操作规程(BZ/SOP/GL/00700)对专用生产(周转)容器具进行清洁、消毒。
其中在清洁、消毒方法中,将用清洁剂洗涤2-3遍后用纯化水冲洗2遍,增加到3遍。
晾干或烘干后的专用生产(周转)容器具,置洁净区容器具存放室的专用区域内内妥善贮存,待下次激素类化学药品生产时使用。
6.5 专用清洁工具的清洁防护6.5.1 激素类化学药品的专用清洁工具包括专用丝光毛巾、专用超细纤维拖布、专用水桶等。
6.5.2 激素类化学药品生产结束时,按清洁工具清洁标准操作规程(BZ/SOP/GL/00300)对专用清洁工具进行清洁、消毒。
其中在清洁、消毒方法中,将用清洁剂洗涤(擦拭)3-5遍后用纯化水冲洗3次,增加到4次。
晾干或烘干后的专用清洁工具,置清洁工具间的指定位置存放并挂上醒目的卫生状态标识,和专用“激素类化学药品专用”标识。
留待下次激素类化学药品生产时使用。
6.6 以上凡是与激素类化学药品直接接触的设备、工器具、容器具等的清洁方法,均需要进行单独验证。
从而保证清洁方法的切实可行,清洁效果的可信可靠。
进而保证产品质量,防止交叉污染。
7 采用阶段性生产方式生产激素类化学药品。
在每年11月份至来年1月份生产,每年2月份至3月份生产、每年4月份至5月份生产,具体生产时间要依据生产计划的要求来定,无论是在一年中的某个月份生产都要遵循阶段性生产。
三个激素类产品在激素类化学药品生产结束后,再生产其它药品时,需对头三批产品中激素类化学药品的残留量进行验证(保证激素类化学药品的残留量在最低限度以下)。
确保激素类化学药品不会对其它普通药品造成污染和交叉污染。
8 附件激素类化学药品专用标识培训:培训部门:生产管理部培训对象:激素类化学药品生产的相关操作人员培训时间:1.0小时。