甘肃省行业用水定额 (完整版)
- 格式:doc
- 大小:1.31 MB
- 文档页数:38
甘肃省水资源管理费用定额标准
本文旨在介绍甘肃省水资源管理费用的定额标准。
甘肃省水利厅制定了水资源管理费用定额标准,旨在保护和合理利用水资源,促进水资源的可持续利用。
管理费用范围
甘肃省水资源管理费用包括水资源建设管理费和水资源使用管理费两部分。
其中,水资源建设管理费用涉及水库、引调水、灌区、电站等水利设施的建设、改建、扩建和维护管理等相关费用。
水资源使用管理费用则涉及水资源的取用、利用、排放等行为所需缴纳的费用。
定额标准
水资源建设管理费用定额标准
水资源建设管理费用定额标准根据不同水利设施和工程的类型、规模、功能等因素进行分类制定。
其中,水库工程按照库容不同分
为大型水库、中型水库、小型水库三类,分别对应不同的建设管理
费用定额标准。
引调水工程、灌区工程、电站工程等同样有相应的
费用定额标准。
水资源使用管理费用定额标准
水资源使用管理费用定额标准主要根据用水单位和用水类型等
进行分类制定。
不同的用水单位(例如工业、农业、城市供水等)
和用水类型(例如生产用水、生活用水等)对应着不同的应缴费用
定额标准。
缴费
甘肃省水资源管理费用根据《甘肃省水资源管理条例》的规定,实行缴费制度。
用水单位应当按照相关定额标准和用水量缴纳相应
的管理费用。
结语
本文介绍了甘肃省水资源管理费用的定额标准,以及其缴纳方式。
作为有关水资源管理的重要经济手段,水资源管理费用的实行对于促进水资源的利用、保护和可持续利用具有重要的意义。
甘肃行业用水定额标准2020
甘肃行业用水定额标准2020如下:
1. 农业用水定额:包括农作物灌溉用水定额和畜禽养殖业用水定额。
农作物灌溉用水定额在省级分区(平庆片)基础上,将全市细分为三个片区;畜禽养殖业用水定额奶牛饲养用水定额较省级标准低5%确定。
2. 工业用水定额:与工业生产有直接关系的主要生产用水、辅助生产用水(包括辅助生产设施以及生活办公用水、食堂用水等)以及附属生产用水(包括基本建设和技改、科研用水等)等水量,不包括供给外部的水量。
在省级定额基础上,补充制定了禽类屠宰行业家禽屠宰用水定额。
3. 建筑业和服务业用水定额:建筑业和服务业用水定额没有具体标准,但需按照严于省级用水定额标准的要求进行管理。
4. 城镇居民和农村居民生活用水定额:城镇居民生活用水定额和农村居民生活用水定额都有相应的标准,其中农村集中式供水地区用水定额较省级标准低5%确定。
以上内容仅供参考,建议查阅《甘肃省行业用水定额(2023版)》获取更准确的信息。
甘肃省物价局、甘肃省建设厅关于修订《甘肃省城市供水价格分类》的通知(2007修订)2007-10-17【大中小】发文单位:甘肃省建设厅甘肃省物价局文号:甘价商(2007)269号发布日期:2007-10-17执行日期:2007-10-17各市、州物价局、建设局(建委),甘肃矿区、甘肃厂区、东风场区物价局、建设局:《省物价局省建设厅关于印发〈甘肃省城市供水价格分类〉的通知》(甘价商[2005]303号,以下简称《水价分类》)下发以来,各地根据当地实际,进一步完善了城市水价管理,规范了水价秩序。
《水价分类》规定,对大中专学校学生生活用水价格按照居民生活用水价格执行,对大中专学校教学和其他学校、幼儿园用水价格执行行政事业用水价格。
最近,国家发展改革委、教育部下发了《关于学校水电气价格有关问题的通知》(发改价格[2007]2463号),规定自2007年10月1日起,将学校教学和学生生活用水价格按照居民生活用水价格执行,并规定了执行居民生活用水价格的学校范围及学校教学和学生生活用水的范围。
据此,需对现行《水价分类》进行修改完善。
现将修订后的《甘肃省城市供水价格分类》印发你们,自2007年10月1日起执行。
原《省物价局省建设厅关于印发〈甘肃省城市供水价格分类〉的通知》(甘价商[2005]303号)中的附件同时废止。
二○○七年十月十七日甘肃省城市供水价格分类一、居民生活用水价格适用于居民住宅生活用水、学校教学和学生生活用水、养老院、社会福利院用水和城市供水管网覆盖地区内的农民生活用水、公共水站用水。
二、行政事业用水价格适用于:(一)党政机关、部队、社团、科研院所等行政事业单位办公用水及医疗卫生机构业务用水、学校教学和学生生活用水以外的用水。
(二)市政绿化、环卫及公园用水。
三、工业用水(不含兰州市工业一、二次水)价格适用于:(一)采矿业用水(二)制造业用水(三)建筑业用水(含临时施工用水)(四)电力、热力、燃气生产供应用水(五)交通运输、仓储业用水四、经营服务用水价格适用于:(一)商品批发和零售业用水(二)各类宾馆、旅店和餐饮业用水(三)房地产业用水(不含建筑主体施工用水)(四)金融业用水(五)邮政、信息传输业用水(六)租赁和商务服务业用水(七)体育、文化和娱乐业用水(八)其他经营服务业用水五、特种用水价格适用于:洗车业用水;直饮水生产企业用水;游泳池、桑拿洗浴、洗脚(包括宾馆饭店、康体娱乐中心、会馆等附设的以上营业性项目)用水。
各种场所用水量定额(最全)word资料热水用水定额、水温和水质1、热水用水定额注:热水温度按55℃计。
2、卫生器具用水定额特征的车间,脏车间指该标准中规定的1、2级卫生特征的车间。
實習(驗)場所名稱:作業環境測定實驗室實習(驗)場所名稱:空污與固廢實驗室實習(驗)場所名稱:環境微生物實驗室實習(驗)場所名稱:儀器分析實驗室實習(驗)場所名稱:機電安全實驗室实验五工业用水总硬度的测定授课次序:19-20 总学时:4学时一、实验目的1、掌握EDTA溶液的配制及浓度的标定方法2、了解水的硬度的表示方法3、掌握配位滴定法测定工业用水总硬度的原理和方法4、掌握铬黑T指示剂的使用条件二、实验原理水的硬度主要用EDTA滴定法测定。
在pH约为10的氨性缓冲溶液中,用铬黑T作指示剂进行滴定,溶液由酒红色变蓝色即为终点。
滴定时,Fe3+,Al3+等干扰离子用三乙醇胺及酒石酸钾钠掩蔽,少量Cu2+,Pb2+,Zn2+等可用KCN,Na2S或巯基乙酸等掩蔽。
水的硬度大小是以Ca、Mg总量折算成CaO的量来衡量的,本实验的表示方法是:以度为计,即1L水中含有10mgCaO称为1°,有时也以mg·L-1表示。
三、实验仪器及试剂1、滴定分析常规仪器;2、EDTA标准溶液:0.02 mol·L-1;3、pH=10的NH3-NH4Cl缓冲溶液:称54gNH4Cl溶于水中,加入浓氨水410mL,用蒸馏水稀释到1L;4、铬黑T指示剂;5、三乙醇胺溶液(1:2);6、HCl溶液(1:1)四、实验注意事项、特别提示1、当水样中Mg2+含量较低时,铬黑T剂终点变色不够敏锐,可加入一定量的Mg-EDTA混合液以增加溶液中Mg2+含量,使终点敏锐。
2、在测定工业用样前应针对水样情况进行适当的前处理,如水呈酸性或碱性,要预先中和;水样如含有机物,颜色较深,需用2 mL浓盐酸及过硫酸铵加热脱色后再测定;水样浑浊,需先过滤(但就注意用纯水先将滤纸洗净);如水样中含有较多的CO32-,也会影响滴定,则需先加酸煮沸,驱除CO23后再进行滴定。
甘肃省发展和改革委员会、甘肃省住房和城乡建设厅关于印发《甘肃省城镇供水价格管理实施细则》的通知文章属性•【制定机关】甘肃省发展和改革委员会,甘肃省住房和城乡建设厅•【公布日期】2023.05.31•【字号】甘发改价格规〔2023〕320号•【施行日期】2023.06.01•【效力等级】地方规范性文件•【时效性】现行有效•【主题分类】国有资产监管正文甘肃省发展和改革委员会、甘肃省住房和城乡建设厅关于印发《甘肃省城镇供水价格管理实施细则》的通知甘发改价格规〔2023〕320号各市州发展改革委、住建局,兰州新区经发局、城建交通局:为进一步规范我省城镇供水价格管理,保障供水、用水双方的合法权益,促进城镇供水事业发展,节约和保护水资源,根据国家发展改革委、住房和城乡建设部《城镇供水价格管理办法》(2021年第46号令)要求,结合我省实际制订《甘肃省城镇供水价格管理实施细则》,现印发给你们,请认真贯彻执行。
甘肃省发展和改革委员会甘肃省住房和城乡建设厅2023年5月31日甘肃省城镇供水价格管理实施细则第一章总则第一条根据国家发展改革委、住房和城乡建设部《城镇供水价格管理办法》(2021年第46号令)、《甘肃省关于进一步深化水价形成机制改革的实施意见》(甘发改价格规〔2020〕327号)政策规定,为规范我省城镇供水价格管理,完善城镇供水价格形成机制,保障供水、用水双方的合法权益,促进城镇供水事业发展,节约和保护水资源,结合我省实际,制定本实施细则。
第二条本实施细则适用于省内制定或调整城镇供水价格行为。
第三条城镇供水价格是指城镇公共供水企业(以下称供水企业)通过一定的工程设施,将地表水、地下水进行净化、消毒处理、输送,使水质水压符合国家规定的标准后供给用户使用的水价格。
第四条县级以上人民政府价格主管部门负责城镇供水价格管理工作,县级以上城镇供水行政主管部门按职责分工,协助做好城镇供水价格管理工作。
第五条城镇供水价格原则上实行政府定价,具体定价权限按《甘肃省定价目录》规定执行。
《甘肃省行业用水定额版》(一)甘肃省行业用水定额版是按照国家有关规定制定的一份文件,旨在规范甘肃省各行业用水行为。
该文件对各行业用水的数量和质量等方面进行了详细的要求,为保障水资源的合理利用和环境的保护做出了积极的贡献。
下面从以下几个方面进行具体分析。
一、制定背景随着人口和经济的持续发展,水资源的日益紧缺问题越来越突出。
为了合理利用水资源,各地区纷纷制定了相应的行业用水定额。
此次甘肃省行业用水定额版的制定也是为了解决该省日益短缺的水资源问题,规范各行业用水行为,推动经济的可持续发展。
二、主要内容1.各行业用水定额:文件中详细规定了甘肃省各行业用水的定额标准,包括工业、农业、生活用水等方面。
该标准参考了国家有关文件及各地区实际情况,符合用水的实际需求,同时也考虑了水资源的底线和环保要求。
各行业必须按照标准进行用水,超额使用将被严格打击。
2.用水管理要求:文件还规定了用水管理的具体要求,包括建立有效的用水监测和统计体系,推行水资源利用效率评估制度,加强用水成本管理等。
这些要求可以在一定程度上保障用水行为的合法合规,并推动企业进行用水的技术改进,提高用水的利用效率。
3.用水质量控制:文件还重点强调了用水质量的控制问题,在各行业用水过程中,要遵守国家有关水质标准和行业规范,防止污染源和污水排放对用水质量造成污染。
加强用水质量监测和管理,及时发现问题并采取措施防止进一步污染。
三、执行效果该定额执行以来,甘肃省的各行业和企业都积极响应,加强了用水管理,农业用水效率得到了提高,工业用水成本也得到了有效控制,一些污染源和黑产黑臭水体也得到了治理。
同时也为各级政府部门和企业提供了可参考的用水标准,推动了水资源的可持续利用。
可以说,该定额在甘肃省的执行效果是显著的,促进了经济社会的持续发展。
综上可以看出,甘肃省行业用水定额版的制定是为了推动水资源的合理利用和环境的保护,而定额的执行是为了保障该目标的实现。
在未来的发展过程中,甘肃省也将持续加强用水管理,深化水资源管理制度改革,在推动经济发展的同时,保障水资源的可持续利用和环境的可持续发展。
行业用水定额(五)
行业名称 产品名称 单位 定额值 备 注 B3101
广播电视设备
制造业
视频发射机 m 3/台 280 生产规模:大二型 电视发射机 m 3/台 840 生产规模:大二型 电视差转机 m 3/台 440 生产规模:大二型
B3102
电子器件制造
业
电 容 器
<![endif]> m 3/万千乏 120 <![endif]>
绝 热 板 m 3/万元 55.1 玻封二级管
m 3/万支 0.2
表35(续)
表36 仪器仪表及文化、办公用机械制造业用水定额
表37 其他制造业用水定额
表38 电力、蒸汽、热水的生产和供应业用水定额
表39 煤气生产和供应业用水定额
表40 土木工程建筑业用水定额
表40(续)
表41 零售业用水定额
表42
餐饮业用水定额
表43 公共设施服务业用水定额
表45 旅馆业用水定额
表46 娱乐服务业用水定额
表47 其他社会服务业用水定额
表48 卫生用水定额
表49 体育用水定额
表50 教育用水定额
表51 科学研究和综合技术服务业用水定额
表52 国家机关及社会团体用水定额
表53 城镇居民生活用水定额
表54 农村居民生活用水定额
附录A
(资料性附录)
用水行业分类代码
A.1 用水行业分类代码见表A.1
表A.1 用水行业分类代码
表A.1(续)
表A.1(续)
表A.1(续)
表A.1(续)
表A.1(续)
附录B
(规范性附录)
农业灌溉分区B.1 灌溉分区见表B.1表B.1 农业灌溉分区。
甘肃省工业和信息化委员会关于组织实施工业节水基础管理推进行动的通知文章属性•【制定机关】甘肃省工业和信息化委员会•【公布日期】2013.04.02•【字号】甘工信发[2013]250号•【施行日期】2013.04.02•【效力等级】地方规范性文件•【时效性】现行有效•【主题分类】水资源正文甘肃省工业和信息化委员会关于组织实施工业节水基础管理推进行动的通知(甘工信发〔2013〕250号)各市(州)工信委:为全面贯彻落实省政府《关于甘肃省“十二五”工业节水工作的意见》(甘政发〔2011〕79号)精神,切实加强工业用水管理,扭转全省工业节水基础管理薄弱局面,提高水资源利用效率,确保完成“十二五”工业节水约束性目标任务,决定组织实施工业节水基础管理推进行动,现将有关事宜通知如下:一、主要工作事项立足本地工业节水管理实际状况,重点组织工业企业开展水平衡测试、规范水计量器具配备与管理、用水定额对标、节水型企业创建四项工作。
二、工作目标及要求水平衡测试、规范水计量器具配备与管理、用水定额对标、节水型企业创建四项重点工作的实施范围、目标、要求及验收等事宜,详见“甘肃工业节水基础管理推进行动计划表”(附件1)。
三、保障措施(一)充分宣传开展工业节水基础管理推进行动的重要性和必要性。
工业节水是一项系统工程,管理节水与技术节水一样,是工业节水的重要工作内容和组成部分,对深入挖掘工业用水潜力有显著功效。
其中,开展水平衡测试是对企业用水现状进行合理化分析,进而制定实施切实可行节水技术、管理措施与规划的基础。
用水定额对标是核定并掌握企业用水是否达到最低要求,落实惩罚性水价的前提。
规范水计量器具配备与管理是切实解决工业企业用水计量不全、不准问题,落实企业用水计划、定额的必备条件。
节水型企业创建则是树立标杆典型,总结经验予以推广普及的基础。
各地要多种形式强化宣传,使广大企业充分认识强化节水基础管理的重大意义。
(二)加强组织领导。
甘肃省行业用水定额(修订本)1.甘肃省城镇生活用水定额表甘肃省城镇居民生活用水定额表注:1.一类地域为兰州市的城关区、七里河区、安宁区和西固区;二类地域为天水市的秦州区和麦积区、白银市的白银区和平川区、嘉峪关市及金昌市的金川区;三类地域为敦煌市、玉门市、肃州区、甘州区、凉州区、临夏市、合作市、西峰区、崆峒区、安定区和武都区;四类地域为其余县市区。
2.城镇居民生活用水和居民楼设施水平有关,分为平房及简易楼房(指给排水和卫生设施不到户的楼房)(A型)、无淋浴设备的楼房(B型)、有淋浴设备的楼房(C型)、高级住宅(指给排水和卫生设施齐全,有集中供热水的住宅)(D型)共四类。
甘肃省城镇公共生活用水定额表表1—2甘肃省城镇公共生活用水定额表续表1—22.甘肃省工业用水定额表甘肃省工业用水定额表甘肃省工业用水定额表续表2甘肃省工业用水定额表续表2甘肃省工业用水定额表续表2甘肃省工业用水定额表续表2续表2续表2甘肃省工业用水定额表续表23.甘肃省农业用水定额表3.1甘肃省河西片农业用水定额表甘肃省河西片自流灌区主要作物用水定额表表3—1—1 单位:m3甘肃省河西片自流灌区主要作物用水定额表续表3—1—1 单位:m3甘肃省河西片井灌区主要作物用水定额表表3—1—2 单位:m3续表3—1—2 单位:m3续表3—1—2 单位:m33.2甘肃省陇中片农业用水定额表甘肃省陇中片自流灌区主要作物用水定额表表3—2—1 单位:m3表3—2—2 单位:m3续表3—2—2 单位:m3续表3—2—2 单位:m3甘肃省陇中片井灌区主要作物用水定额表表3—2—3 单位:m3续表3—2—3 单位:m3续表3—2—3 单位:m33.3甘肃省陇东片农业用水定额表甘肃省陇东片自流灌区主要作物用水定额表表3—3—1 单位:m3表3—3—2 单位:m3续表3—3—2 单位:m3表3—3—3 单位:m3续表3—3—3 单位:m33.4甘肃省甘南临夏片农业用水定额表甘肃省甘南临夏片自流灌区主要作物用水定额表3甘肃省甘南临夏片提水灌区主要作物用水定额表表3—4—2 单位:m3甘肃省甘南临夏片井灌区主要作物用水定额表表3—4—3 单位:m33.5甘肃省陇南天水片农业用水定额表甘肃省陇南天水片自流灌区主要作物用水定额表表3—5—1 单位:m3甘肃省陇南天水片提水灌区主要作物用水定额表表3—5—2 单位:m3甘肃省陇南天水片井灌区主要作物用水定额表表3—5—3 单位:m33.6甘肃省农村居民用水定额表表3—6 单位:L/人·d3.7甘肃省牲畜用水定额表表3—7。
甘肃省水利工程水费计收和使用管理办法正文:---------------------------------------------------------------------------------------------------------------------------------------------------- 甘肃省水利工程水费计收和使用管理办法(1987年1月2日甘政发〔1987〕第1号)第一章总则第一条为合理利用水资源,促进节约用水,保证水利工程必须的运行管理、大修和更新改造费用,充分发挥工程效益,更好地为社会服务,根据国务院发布的《水利工程水费核定、计收和管理办法》,结合我省实际情况,特制订本办法。
第二条各类水利工程都要实行有偿供水,用水单位和用水户必须按规定向水利工程管理单位交付水费。
第三条为保证水费计收工作的顺利进行,各级人民政府应加强对用水单位和用水户按规定交付水费的宣传教育,加强对水费核实、计收和使用管理工作的领导。
第四条集体管理的水利工程,其水费标准核定的计收办法,可根据当地实际情况,参照本办法制订。
第二章水费标准第五条水费标准应在核算供水成本的基础上,根据国家经济政策、当地水资源状况和群众生产生活水平及负担能力,对各类用水和不同类型的水利工程由地县分别核定。
在没有分别核出成本前,先按全省平均成本核定水费标准。
供水成本包括工程运行管理费、大修理费和折旧费及其他按规定应计入成本的费用。
折旧率、大修理费率按水利电力部、财政部〔85〕水电财字第9号《关于颁发水利工程管理单位水利工程供水部分固定资产折旧率和大修理费率表的通知》规定执行。
第六条自流灌区水费标准1.农业用水(包括林草、牧业)实行基本水费加计量水费,具体收费标准另行拟定。
2.工矿企业用水国营工矿和乡镇企业用水,由水利管理单位工程供水的,从库、渠引水点计算,消耗水每方收费五十厘,贯流水(用后进入原供水系统,水质符合标准并结合用于灌溉或其他兴利的)和循环水(用后返回水库内,水质符合标准的),每方收费三十厘。
甘肃省高耗水服务业用水定额修订与应用探析
马榕;王启优;雒仪
【期刊名称】《广东水利水电》
【年(卷),期】2024()1
【摘要】文章以甘肃省高耗水服务业为研究对象,基于甘肃省2018—2020年高耗水服务行业调查样本,采用类比法、经验法、倒二次平均法对高耗水服务业用水定额进行修订,并对修订技术思路和应用进行探析。
研究表明:①甘肃省高耗水服务业需根据不同行业用水特点、影响因素,按照不同单位用水量指标单位制定用水定额;②甘肃省宾馆用水定额为58~223 m^(3)/(床·a),洗染行业用水定额为23~80 L/kg,洗浴行业用水定额为4.5~7.5 m^(3)/(m^(2)·a),洗车行业用水定额为3~60 L/(辆·次),室外滑雪场用水定额为0.75 m^(3)/(m^(2)·a);③新修订的高耗水服务业用水定额值能够满足甘肃省高耗水服务业实际用水需求,具有一定的覆盖性、合理性、先进性、实用性,可以有效推动甘肃省水资源管理与节水型社会建设的有序进行,对未来全面实施各种节水措施,提高水资源的使用效率与效益具有十分重要的意义。
【总页数】5页(P23-26)
【作者】马榕;王启优;雒仪
【作者单位】甘肃省定西水文站;甘肃省水文站;甘肃省平凉水文站
【正文语种】中文
【中图分类】TV213.4
【相关文献】
1.水利部于年内实施用水定额制高耗水行业或将受限
2.黑龙江省建筑、生活及服务业用水定额修订探析
3.甘肃省公共机构用水定额修订与评估研究
4.甘肃省教育行业用水定额修订与应用研究
因版权原因,仅展示原文概要,查看原文内容请购买。
甘肃省水利厅关于对2018年推荐享受政府特殊津贴符合条件人员进行公示的通知文章属性•【制定机关】甘肃省水利厅•【公布日期】2018.06.01•【字号】•【施行日期】2018.06.01•【效力等级】地方规范性文件•【时效性】现行有效•【主题分类】水利其他规定正文甘肃省水利厅关于对2018年推荐享受政府特殊津贴符合条件人员进行公示的通知按照省人社厅《关于开展2018年享受政府特殊津贴人员选拔工作的通知》(甘人社明电〔2018〕19号)要求,现将厅系统逐级申报,符合推荐条件的4名人员有关情况予以公示,接受广大干部群众监督。
如发现有影响推荐的问题,可通过电话、来信、面谈等形式反映,我们将及时受理,认真调查核实。
一、符合条件人员有关情况(按姓氏笔画排序)陈文,男,1970年12月出生,博士研究生,中共党员,正高级工程师,现任省水文局局长。
主要业绩及突出贡献情况:1.黄河宁蒙河段水沙输移仿真系统模型研究及应用(获2015年甘肃省科学技术进步二等奖,排名第二。
证书号:2014-J2-068-R2)2.渭河流域气候变化和土地利用对水资源的影响研究(获2012年甘肃省科学技术进步三等奖,排名第五。
证书号:2011-J3-107-R5)3.甘肃省水资源开发利用控制红线方案研究(获2015年甘肃省科学技术进步三等奖,排名第四。
证书号:2014-J3-090-R4)4.渭河源水文环境演变扰动力分析及应对措施研究(获2017年甘肃省水利科学技术进步一等奖,排名第一。
证书号:2017-J1-12-R1)5.甘肃省用水效率红线控制指标及其考核体系研究(获2012年甘肃省水利科学技术进步一等奖,排名第一。
证书号:2012-01-07-01)6.洮河水电梯级开发的水文效应研究(获2011年甘肃省水利科学技术进步一等奖,排名第一。
证书号:2011-01-10-01)7.主持完成《甘肃省中小河流水文监测系统项目》两期共16项实施方案编制,通过省发改委批复,省水利厅竣工验收。
甘肃省人民政府办公厅关于印发《甘肃省推进农业水价综合改革实施方案》的通知文章属性•【制定机关】甘肃省人民政府办公厅•【公布日期】2016.08.01•【字号】甘政办发〔2016〕118号•【施行日期】2016.08.01•【效力等级】地方规范性文件•【时效性】现行有效•【主题分类】水资源正文甘肃省人民政府办公厅关于印发《甘肃省推进农业水价综合改革实施方案》的通知甘政办发〔2016〕118号各市、自治州人民政府,兰州新区管委会,省政府有关部门:《甘肃省推进农业水价综合改革实施方案》已经省委全面深化改革领导小组第17次会议审议通过,现印发你们,请认真贯彻执行。
甘肃省人民政府办公厅2016年8月1日甘肃省推进农业水价综合改革实施方案为贯彻落实《国务院办公厅关于推进农业水价综合改革的意见》(国办发〔2016〕2号)精神,加快推进全省农业水价综合改革,促进水资源合理配置和高效利用,保障农田水利工程良性发展,结合我省实际,制定本实施方案。
一、总体要求(一)指导思想。
全面贯彻党的十八大和十八届三中、四中、五中全会精神,认真落实党中央、国务院决策部署,按照“五位一体”总体布局和“四个全面”战略布局,牢固树立创新、协调、绿色、开放、共享的发展理念,围绕保障国家粮食安全和水安全,贯彻落实节水优先战略方针,加强供给侧结构性改革和农业用水需求管理,坚持政府和市场协同发力,以完善农田水利工程体系为基础,以健全农业水价形成机制为核心,以创新体制机制为动力,加快建立健全反映水资源稀缺程度的农业水价形成机制,促进农业现代化,助推脱贫攻坚和全面小康社会建设。
(二)基本原则。
坚持综合施策。
农业水价改革与水权制度建设、农田水利建设管理机制创新、农业发展方式转变、投融资机制改革紧密衔接。
综合运用工程配套、管理创新、价格调整、财政奖补、技术推广、结构优化等举措统筹推进改革。
坚持两手发力。
树立市场导向,遵循市场规律,既要使市场在水资源配置中起决定性作用,促进农业节水,也要更好发挥政府作用,简政放权,放管结合,保障基本用水需求,总体上不增加农民负担。
甘肃省行业用水定额(修订本)1.甘肃省城镇生活用水定额表甘肃省城镇居民生活用水定额表注:1.一类地域为兰州市的城关区、七里河区、安宁区和西固区;二类地域为天水市的秦州区和麦积区、白银市的白银区和平川区、嘉峪关市及金昌市的金川区;三类地域为敦煌市、玉门市、肃州区、甘州区、凉州区、临夏市、合作市、西峰区、崆峒区、安定区和武都区;四类地域为其余县市区。
2.城镇居民生活用水和居民楼设施水平有关,分为平房及简易楼房(指给排水和卫生设施不到户的楼房)(A型)、无淋浴设备的楼房(B型)、有淋浴设备的楼房(C型)、高级住宅(指给排水和卫生设施齐全,有集中供热水的住宅)(D型)共四类。
甘肃省城镇公共生活用水定额表表1—2甘肃省城镇公共生活用水定额表续表1—22.甘肃省工业用水定额表甘肃省工业用水定额表甘肃省工业用水定额表续表2甘肃省工业用水定额表续表2甘肃省工业用水定额表续表2甘肃省工业用水定额表续表2续表2续表2甘肃省工业用水定额表续表23.甘肃省农业用水定额表3.1甘肃省河西片农业用水定额表甘肃省河西片自流灌区主要作物用水定额表表3—1—1 单位:m3甘肃省河西片自流灌区主要作物用水定额表续表3—1—1 单位:m3甘肃省河西片井灌区主要作物用水定额表表3—1—2 单位:m3续表3—1—2 单位:m3续表3—1—2 单位:m33.2甘肃省陇中片农业用水定额表甘肃省陇中片自流灌区主要作物用水定额表表3—2—1 单位:m3表3—2—2 单位:m3续表3—2—2 单位:m3续表3—2—2 单位:m3甘肃省陇中片井灌区主要作物用水定额表表3—2—3 单位:m3续表3—2—3 单位:m3续表3—2—3 单位:m33.3甘肃省陇东片农业用水定额表甘肃省陇东片自流灌区主要作物用水定额表表3—3—1 单位:m3表3—3—2 单位:m3续表3—3—2 单位:m3表3—3—3 单位:m3续表3—3—3 单位:m33.4甘肃省甘南临夏片农业用水定额表甘肃省甘南临夏片自流灌区主要作物用水定额表3甘肃省甘南临夏片提水灌区主要作物用水定额表表3—4—2 单位:m3甘肃省甘南临夏片井灌区主要作物用水定额表表3—4—3 单位:m33.5甘肃省陇南天水片农业用水定额表甘肃省陇南天水片自流灌区主要作物用水定额表表3—5—1 单位:m3甘肃省陇南天水片提水灌区主要作物用水定额表表3—5—2 单位:m3甘肃省陇南天水片井灌区主要作物用水定额表表3—5—3 单位:m33.6甘肃省农村居民用水定额表表3—6 单位:L/人·d3.7甘肃省牲畜用水定额表表3—7。
甘肃省行业用水定额(修订本)
甘肃省水利厅
二〇一一年五月
甘肃省行业用水定额(修订本)
根据《中华人民共和国水法》的有关规定,编制用水定额,组织、指导和监督全社会节约用水工作是水行政主管部门的一项重要职责。
我省是严重缺水省份,水资源短缺已成为经济社会可持续发展的重要制约因素,实行用水定额管理,是水行政主管部门下达年度取水计划、制定水中长期供求计划、进行建设项目水资源论证、评估用水和节水、进行取水许可管理的重要依据,是将节水作为一项硬性措施,落实到各行各业、家家户户的具体措施。
根据水利部《关于加强用水定额编制和管理的通知》、水利部《关于抓紧完成用水定额编制工作的通知》和省水利厅《关于开展用水定额编制工作的通知》等文件的要求,2004年10月首次编制完成《甘肃省行业用水定额》,省人民政府以甘政发【2004】80号文向全省印发实施,有效的促进了我省的水资源管理和节水型社会建设工作的开展,对全面推行各项节水措施,考核节水工作,提高水资源利用效率和推广先进的节水技术起到了积极作用。
目前用水定额已经实行6年,随着我省社会经济的快速发展,现有用水结构已发生很大变化,各项节水技术有了较大提高,原有用水定额已不能适应贯彻落实《水法》和《取水许可和水资源费征收管理条例》的要求。
因此,为适应新形势下水资源管理工作的需要,在已有用水定额编制工作经验的基础上,按照实行最严格的水资源管理制度和推进建设节水型社会的要求,重新修订用水定额,更好地实行用
水定额管理。
本次用水定额修订是按照水利部《关于进一步加强用水定额管理的通知》及省水利厅的要求,对2004年《甘肃省行业用水定额》进行修订、补充和完善。
主要是在原《甘肃省行业用水定额》工作的基础上,调查、收集、整理、分析了全省各行业现状用水资料,借鉴、吸收当前已有相关成果,广泛征求了有关专家和部门的意见,充分考虑我省水资源条件、经济社会发展水平、工程技术条件等因素,完成了《甘肃省行业用水定额(修订本)》。
2011年3月1日,甘肃省水利厅在兰州组织召开《甘肃省行业用水定额(修订本)》技术审查会,参加会议的有省发改委、省工信委、省质量技术监督局、省计量研究院、兰州大学、省水利工程质量与安全中心、省水利工程造价与规费中心、省水利厅水利管理局、省水资源委员会办公室等单位的领导和专家。
与会专家对《甘肃省行业用水定额(修订本)》进行了认真的讨论和评审。
会后根据审查意见,又对《甘肃省行业用水定额(修订本)》做了进一步的修订和完善。
定额的制定与实施是一项长期任务,因其难度大,任务艰巨,不能一蹴而就,需逐步完善,在今后的工作中还需进一步研究制定方法,完善定额指标,充分发挥定额在节水评估和水资源管理工作中的作用。
附件:《甘肃省行业用水定额(修订本)》(表1—1~表3—7—1)
附件:甘肃省行业用水定额(修订本)
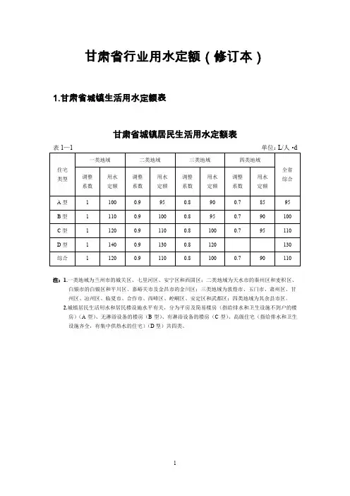
1.甘肃省城镇生活用水定额表
甘肃省城镇居民生活用水定额表
表1—1 单位:L/人·d
注:1、一类地域为兰州市的城关区、七里河区、安宁区和西固区;二类地域为天水市的秦城区和北道区、白银市的白银区和平川区、嘉峪关市及金昌市的金川区;三类地域为敦煌市、玉门市、肃州区、甘州区、凉州区、临夏市、合作市、西峰区、崆峒区、安定区和武都区;四类地域为其余县(区)。
2、城镇居民生活用水和居民楼设施水平有关,分为平房及简易楼房(指给排水和卫生设施不到户的楼房)(A型)、无淋浴设备的楼房(B型)、有淋浴设备的楼房(C型)、高级住宅(指给排水和卫生设施齐全,有集中供热水的住宅)(D型)共四类。
表1—2
续表1—2
2.甘肃省工业用水定额表
甘肃省工业用水定额表表2—1
3.甘肃省农业用水定额表
3.1甘肃省河西片农业用水定额表
甘肃省河西片自流灌区主要作物用水定额表
3
续表3—1—1 单位:m3
表3—1—2 单位:m3
续表3—1—2 单位:m3
续表3—1—2 单位:m3
3.2甘肃省陇中片农业用水定额表
甘肃省陇中片自流灌区主要作物用水定额表
表3—2—1 单位:m3
3
3
3
3
3
3
3.3甘肃省陇东片农业用水定额表
甘肃省陇东片自流灌区主要作物用水定额表
表3—3—1 单位:m3
3
3
3
甘肃省陇东片井灌区主要作物用水定额表
3
3.4甘肃省甘南临夏片农业用水定额表
甘肃省甘南临夏片自流灌区主要作物用水定额表
表3—4—1 单位:m3
3
3
3.5甘肃省陇南天水片农业用水定额表
甘肃省陇南天水片自流灌区主要作物用水定额表
表3—5—1 单位:m3
3
3
3.6甘肃省农村居民用水定额表
甘肃省农村居民用水定额表
表3—6—1 单位:L/人·d
3.7甘肃省牲畜用水定额表
甘肃省牲畜用水定额表
表3—7—1。