工程液压油缸电子版介绍
- 格式:pdf
- 大小:908.70 KB
- 文档页数:29
FAST 液压产品/hydraulic products 目录/index目录/Index目录/Index (1)第一部分产品概述 (2)Part one Products introduce (2)第二部分使用与维护 (3)Part two Notes on using and maintaining hydraulic cylinders (3)本公司保留产品尺寸变更权利We have the droit to changing the products dimensionsFAST 液压产品/ hydraulic products 产品概述/products introduce第一部分产品概述Part One products introduce烟台未来自动装备有限责任公司主要产品有:各种规格的气动执行元件、控制元件、气动附件、真空元件、液压执行元件、气动系统、液压系统以及包装机械和汽车扳金设备。
液压执行元件包括YGX微型油缸L YG系列油缸、采用日本JISB8354-1992 标准设计的YG系列液压缸、FHSG系列工程液压缸、CD系列重载液压缸、Y-HG1冶金设备用液压缸、特种车辆用液压缸以及根据特殊需求生产的各种非标准液压缸。
液压系统包括液压站和根据用户提供的原理图及特殊要求专门设计制造的集成装置。
承接非标准产品及系统转化设计。
The mainly products of YANTAI Future Automatic Equipment Company Limited are kinds of pneumatic actuators, controlling parts, air-operated fittings, vacuum parts, hydraulic actuators, pneumatic systems, hydraulic systems, packing machines and plastic thread drawing machines.The hydraulic actuators include that YGX series minisize hydraulic cylinders, LYG series hydraulic cylinders, the YG series hydraulic cylinders which was designed by Japanese JISB8354-1992 standard, FHSG series engineering hydraulic cylinders, CD series heavy hydraulic cylinders, Y-HG1series metallurgical standard hydraulic cylinders, special vehicle hydraulic cylinders and manufactured various non-standard hydraulic cylinders for clients’ request.The hydraulic systems include that hydraulic system assembly and the compositive equipments that we designed and manufactured basis on your working condition and request, such as pressure, flux and action request about.We can manufacture various non-standard products and systems.第二部分液压缸的使用与维护注意事项Part two Notes on using and maintaining hydrauliccylinders使用与维护/ using and maintaining1.液压缸使用工作油的粘度为29~74mm2/S,推荐使用ISO VG46抗磨液压油。
液压油缸设计手册一、液压油缸概述1.定义及作用液压油缸,作为一种将液压能转换为机械能的元件,广泛应用于各种工程机械、汽车制造、航空航天、工业自动化等领域。
它以油液为工作介质,通过活塞往复运动实现驱动和控制设备的动作。
液压油缸在实现机械自动化、提高生产效率等方面具有重要作用。
2.分类及特点液压油缸按结构可分为单杆、双杆、多杆等类型;按驱动方式可分为手动和电动两种。
液压油缸具有以下特点:(1)输出力大,承载能力高;(2)体积小,重量轻,结构简单;(3)动作平稳,无噪声,无污染;(4)易于控制,便于实现自动化;(5)寿命长,维护方便。
二、液压油缸设计要点1.选材与工艺液压油缸的材料选择应考虑强度、耐磨性、耐腐蚀性等因素。
常见的材料有碳钢、不锈钢、铝合金等。
工艺方面,应根据油缸的工作条件选择合适的加工方法,如焊接、铸造、数控加工等。
2.结构设计与计算液压油缸的结构设计应满足以下要求:(1)确保油缸在正常工作时,密封件的寿命;(2)考虑油缸的安装方式,如耳轴、法兰等;(3)满足油缸在各种工况下的稳定性能;(4)考虑油缸的防尘、防水、防爆等性能。
计算方面,主要包括以下内容:(1)确定油缸的工作压力;(2)计算油缸的驱动力和负载力;(3)计算油缸的有效面积;(4)校核油缸的材料强度、密封件寿命等。
3.油缸尺寸确定根据液压油缸的用途和工况,确定油缸的长度、直径、行程等尺寸。
同时,考虑油缸的安装空间和外形要求。
4.密封与防尘设计密封设计应考虑油缸的工作压力、运动速度、介质性质等因素,选择合适的密封材料和型式。
防尘设计方面,可根据工况要求,采用不同的防尘措施,如防尘圈、防护罩等。
5.油缸性能优化针对液压油缸的性能要求,通过结构优化、材料选择、工艺改进等手段,提高油缸的性能。
三、液压油缸应用领域1.工程机械液压油缸在工程机械中的应用十分广泛,如液压起重机、液压挖掘机、液压支撑等。
2.汽车制造液压油缸在汽车制造领域的应用主要包括车身装配、发动机装配、底盘装配等。
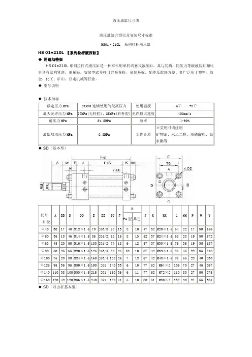
液压油缸介绍以及安装尺寸标准HS01·210L系列拉杆液压缸HS 01•210L 【系列拉杆液压缸】◆用途与特征HS 01•210L系列拉杆式液压缸是一种双作用单杆活塞式液压缸,其与同构、同压力等级液压缸相比更具有结构紧凑、重量轻。
安装型式多样且容易变换,易装易拆,配件及维修方便。
其广泛用于塑料、冶金、化工、矿山、行走机械等行业。
◆型号说明◆技术指标额定压力MPa 21MPa连续使用的最高压力使用温度—5℃ —+8℃最大允许压力MPa 27MPa(无杆腔)、25MPa(有杆腔) 允许最大速度400mm/s 耐压力MPa 31.5MPa 效率>90%最低启动压力MPa 0.3MPa 工作介质※采用时请注明矿物油、水乙二醇、※磷酸脂、高水酯等◆ SD(基本型)代号缸径A BB D DD E EE TG FHJ K KK L MM P W YFA型其它Φ4030 17 40 M12×1.570 ZG3/8 50 13 8 10 47 32 M20×1.564 22 17 30 156 Φ5035 18 46 M14×1.585 ZG1/2 62 15 8 13 52 37 M24×1.568 28 19 30 172 Φ6345 20 55 M16×1.5 100 ZG1/2 74 18 6 12 57 37 M30×1.575 35 19 35 187 Φ8060 25 65 M20×1.5 125 ZG3/4 92 24 10 10 67 42 M39×1.585 45 22 35 218 Φ10075 29 80 M24×1.5 160 ZG3/4 120 26 7 12 67 42 M48×1.595 55 22 40 230 Φ12595 35 95 M30×1.5 190 ZG1 140 33 6 10 77 52 M64×2105 70 27 45 267 Φ140110 38 105 M33×1.5 215 ZG1 160 36 6 11 77 52 M72×2110 80 27 50 275 Φ160120 42 120 M36×1.5 240 ZG1 180 41 5 10 80 51 M80×2132 90 27 55 304 ◆ SD(双出杆基本型)代号缸径A BB D DD E EE TG F ZM J LZ KK L MM P WΦ4030 17 40 M12×1.570 ZG3/8 50 13 244 47 154 M20×1.564 22 17 30 Φ5035 18 46 M14×1.585 ZG1/2 62 15 262 52 172 M24×1.568 28 19 30 Φ6345 20 55 M16×1.5 100 ZG1/2 74 18 295 57 185 M30×1.575 35 19 35 Φ8060 25 65 M20×1.5 125 ZG3/4 92 24 337 67 217 M39×1.585 45 22 35 Φ10075 29 80 M24×1.5 160 ZG3/4 120 26 361 67 231 M48×1.595 55 22 40 Φ125 95 35 95 M30×1.5 190 ZG1 140 33 415 77 275 M64×2105 70 27 45 Φ140110 38 105 M33×1.5 215 ZG1 160 36 436 77 286 M72×2110 80 27 50 Φ160120 42 120 M36×1.5 240 ZG1 180 41 484 80 316 M80×2132 90 27 55 ◆ LA(切向脚架)代号缸径A AB AC AE AH AL EE AM AOHAS AT KK KL MM SA UA YL WFA型其它Φ4030 11 59 77 42±0.1531 ZG3/8 16 16 8 10 98 15 M20×1.5 32 22 111 122 156 30 Φ5035 14 63 97.5 55±0.1534 ZG1/2 19 18 8 13 118 20 M24×1.5 37 28 120 145 172 30 Φ6345 18 71 113 63±0.1539 ZG1/2 19 18 6 12 140 25 M30×1.5 37 35 132 175 187 35 Φ8060 22 80 137.5 75±0.2546 ZG3/4 21 21 10 10 175 30 M39×1.5 42 45 152 210 218 35 Φ10075 26 89 165 85±0.2544 ZG3/4 24 23 7 12 215 35 M48×1.5 47 55 162 260 235 40 Φ12595 33 106 200 105±0.25 49 ZG1 29 28 6 10 270 45 M64×257 70 182 330 272 45Φ140 110 33 114 219.5 112±0.25 49 ZG1 29 28 6 11 280 45 M72×257 80 187 335 280 50 Φ160 120 36 127 245 125±0.25 49 ZG1 31 31 5 10 315 50 M80×262 90 212 375 315 55 ◆ FA(杆侧长方法兰)代号缸径A AB R DD E EE TG JHTF FF KK UB MM UF WA YAFA型其它Φ4030 11 50 M12×1.5 70 ZG3/8 50 47 8 10 98 15 M20×1.573 22 122 28 158 Φ5035 14 60 M14×1.5 85 ZG1/2 62 52 8 13 118 20 M24×1.588 28 145 25 177 Φ6345 18 73 M16×1.5100 ZG1/2 74 57 6 12 140 24 M30×1.5 106 35 175 29 193 Φ8060 22 90 M20×1.5125 ZG3/4 92 67 10 10 175 24 M39×1.5 130 45 210 35 218 Φ10075 26 115 M24×1.5160 ZG3/4 120 67 7 12 215 31 M48×1.5 165 55 260 35 235 Φ12595 33 145 M30×1.5190 ZG1 140 77 6 10 270 37 M64×2205 70 330 41 271 Φ140110 33 160 M33×1.5215 ZG1 160 77 6 11 280 41 M72×2218 80 335 45 280Φ160120 36 180 M36×1.5240 ZG1 180 85 10 315 46 M80×2243 90 375 50 309◆ FB(底部长方法兰)◆CA(单耳环型)代号缸径A BB ZC DDE EE TG FWHLR MR KK CD MM N W YFA型其它Φ40 30 17 276 M12×1.570 ZG3/8 50 32 8 10 25 25 M20×1.520 22 35 30 156 Φ5035 18 312 M14×1.585 ZG1/2 62 36 8 13 32 30 M24×1.525 28 45 30 172 Φ6345 20 357 M16×1.5 100 ZG1/2 74 40 6 12 40 35 M30×1.531.5 35 55 35 187 Φ8060 25 423 M20×1.5 125 ZG3/4 92 50 10 10 50 40 M39×1.540 45 70 35 218 Φ10075 29 475 M24×1.5 160 ZG3/4 120 63 7 12 63 50 M48×1.550 55 80 40 235 Φ12595 35 575 M30×1.5 190 ZG1 140 80 6 10 79 63 M64×263 70 105 45 272 Φ140110 38 621 M33×1.5 215 ZG1 160 80 6 11 89 71 M72×271 80 115 50 280 Φ160120 42 684 M36×1.5 240 ZG1 180 100 5 10 100 80 M80×280 90 125 55 315 ◆TC(中间较轴型)代号缸径A TC D DD E EE TG TDHTL TR KK XG MM VC WPH(最小值)ZTFA型其它Φ403073-0.340 M12×1.5 70 ZG3/8 50 32 8 10 25 2.5 M20×1.5122 22 33 30 107 233 Φ5035 88-0.3546 M14×1.5 85 ZG1/2 62 36 8 13 25 2.5 M24×1.5131 28 33 30 114 255 Φ6345 106 0 55 M16×1.5100 ZG1/2 74 40 6 12 31.5 2.5 M30×1.5148 35 43 35 132 287-0.35Φ80 60 128 0-0.4 65 M20×1.5 125 ZG3/4 92 50 10 10 40 3 M39×1.5 169 45 53 35 153 338Φ100 75 170 0 -0.4 80 M24×1.5 160 ZG3/4 120 63 7 12 50 3 M48×1.5 181 55 63 40 165 374Φ125 95 205 0-0.46 95 M30×1.5 190 ZG1 140 80 6 10 63 4 M64×2 208 70 78 45 209 442Φ140 110 225 0-0.46 105 M33×1.5 215 ZG1 160 80 6 11 71 4 M72×2 218 80 88 50 222 473Φ160 120 255 0-0.52 120 M36×1.5 240 ZG1 180 100 5 10 80 4 M80×2 242 90 98 55 243 521◆ 防尘罩缸径 代号 Φ40 Φ50 Φ63 Φ80 Φ100 Φ125 Φ140 Φ160WW 50 60 70 80 100 120 125 140 X45 45 55 55 55656565◆ 单耳环缸径 代号Φ40 Φ50 Φ63 Φ80 Φ100Φ125Φ140ΦA31.5 -0.1 -0.435. 5 -0.1-0.4 40 -0.1 -0.4 50 -0.1 -0.4 63-0.1 -0.4 80 -0.1 -0.680 -0.1 -0.6100 -01-06B 32 35 47 62 7798 113 1C 70 85 105 132 157 195 220 2d 20 25 31.5 40 5063718F 49 55 65 85 105 135 158 1H 28354355658090 1KK M20×1.5 M24×1.5 M30×1.5 M39×1.5 M48×1.5 M64×2 M72×2 M8E 25 30 35 40 50 65 758G 32 36 40 55 688080 1MM8M8M8M8M10 M10 M10 M1订货标记:YE-缸径、—Ⅰ(示例:YE40-Ⅰ) L 15 15 15 15 20 20 20 25◆ 双耳环订货标记:YE-缸径、—Y (示例:YE40-Y )缸径 代号Φ40 Φ50 Φ63 Φ80 Φ100 Φ125Φ140Φ160YA 31.5 +0.4 +0.135. 5 +0.4 +0.1 40 +0.4 +0.1 50 +0.4 +0.1 63+0.4 +0.1 80 +0.6 +0.180 +0.6 +0.1100 +0.6 +0.1YB 32 35 47 62 7798 113 123YC 70 85 105 130 155 195 220 245 YD 20 25 31.5 40 50 63 71 80 YE 20 25 30 40 50607080YF 40 50 60 80 100 120 140 160 YG 80 90 101 126 153 192 200 240 YH 32 45 50 60 708595 110 YJ 1618202531.5 404050KK M20×1.5 M24×1.5 M30×1.5 M39×1.5 M48×1.5M64×2 M72×2M80×2开口销 Φ3 Φ3 Φ4 Φ5 Φ5 Φ6 Φ8 Φ8 L 15 15 15 15 20202025MM8M8M8M8M10 M10 M10 M12【HS 01•70、140L 系列拉杆液压缸】 ◆ 用途与特征01•70、140L 系列轻型拉杆液压缸是一种双作用单杆活塞式液压缸,其比同结构同压力等级液压缸更具有结构紧凑、重量轻、安装形式多样且容易变换、易装易拆,配件及维修方便,且具有轻量化、适用化、高可靠性特点。
液压油缸设计手册第一章:液压油缸的工作原理和结构设计1.1 液压油缸的工作原理液压油缸是一种将液压能转换为机械能的装置,它利用压力油作为工作介质,通过将液压能转化为机械能来实现工作。
液压油缸的工作原理是通过液压力作用在活塞上,从而驱动活塞做直线运动。
1.2 液压油缸的结构设计液压油缸主要由缸体、活塞、密封件、油口、活塞杆等部分组成。
在设计液压油缸结构时,需要考虑工作压力、工作温度、工作环境等因素,以选择合适的材料和结构设计方案,确保液压油缸能够稳定可靠地工作。
第二章:液压油缸的选型和性能参数计算2.1 液压油缸的选型在选型时需要考虑液压油缸的工作压力、推力、速度、工作温度等因素,根据实际工作条件来选择最适合的液压油缸型号和规格。
2.2 液压油缸的性能参数计算液压油缸的性能参数包括工作压力、推力、速度等,需要通过相关公式和计算方法来确定,确保液压油缸在工作时能够满足设计要求。
第三章:液压油缸的材料选择和密封件设计3.1 液压油缸的材料选择液压油缸的材料选择直接影响着其使用寿命和性能稳定性,需要根据工作条件选择合适的材料,例如缸体和活塞可采用优质的合金钢或不锈钢材料,活塞杆则选择具有高强度和耐磨性的材料。
3.2 液压油缸的密封件设计液压油缸的密封件起着密封作用,保证液压油缸的正常工作,需要根据工作环境和工作压力设计合适的密封结构和材料,以确保液压油缸具有良好的密封性能和使用寿命。
第四章:液压油缸的安装和维护4.1 液压油缸的安装在安装液压油缸时,需要确保其与其他部件的配合精确,活塞杆的外部装配与液压机械部件的连接可靠,同时还要注意安装过程中的油污和杂质。
4.2 液压油缸的维护液压油缸在工作过程中需要定期进行维护,保持液压油清洁,检查密封件是否有磨损或老化,以确保液压油缸的正常使用和延长使用寿命。
结语液压油缸作为重要的液压传动元件,其设计、选型和维护都对液压系统的工作稳定性和可靠性起着至关重要的作用。
液压油缸设计手册第一章:液压油缸概述1.1 液压油缸的定义和作用液压油缸是一种常用的液压执行元件,利用液压油在缸体中的压力变化,产生线性运动或者转动,用于实现各种机械装置的动作控制。
液压油缸广泛应用于冶金、石化、建筑、造船、机械制造等领域。
1.2 液压油缸的结构和工作原理液压油缸通常由缸体、活塞、密封件、进出油口、安装支架等组成。
其工作原理是通过控制油液的流入和流出,使得油缸内部产生一定的压力,从而驱动活塞做直线运动或旋转运动。
第二章:液压油缸设计原理2.1 液压油缸的选型原则在设计液压油缸时,应考虑载荷大小、工作环境、运动速度、活塞行程等因素,选择适合的型号和规格的液压油缸。
2.2 液压油缸的密封性能设计密封性是液压油缸的重要性能指标,设计时应考虑密封件的选择、布局和工作条件,以确保液压油缸的密封可靠性。
2.3 液压油缸的安全性设计在设计液压油缸时,应考虑其在工作过程中可能遇到的过载、压力变化、温度变化等情况,设计相应的安全保护装置和控制系统,以确保液压油缸的安全可靠运行。
第三章:液压油缸的结构设计3.1 缸体和活塞的材料选择液压油缸的缸体和活塞通常由优质碳素钢、合金钢或不锈钢制成,设计时需考虑材料的强度、刚性、耐磨性和耐腐蚀性等性能。
3.2 活塞杆的设计活塞杆是液压油缸的重要部件,设计时需考虑其长度、直径、表面硬度和表面光洁度等参数,以确保活塞杆的工作可靠性和寿命。
3.3 密封件的设计液压油缸的密封件包括活塞密封、杆密封、缸体密封等,设计时需选择适合的密封材料和结构,以确保液压油缸具有良好的密封性能。
第四章:液压油缸的应用和维护4.1 液压油缸的应用范围液压油缸广泛应用于各种工程机械、航空航天、船舶、起重装备、冶金设备等领域,可实现各种复杂机械动作的控制。
4.2 液压油缸的维护和保养液压油缸在使用过程中需要定期检查和维护,包括液压油的更换、密封件的检查、活塞杆的清洁和润滑等,以保证液压油缸的正常工作。
液压油缸基础知识收藏(总11页)-CAL-FENGHAI.-(YICAI)-Company One1-CAL-本页仅作为文档封面,使用请直接删除液压油缸基础知识收藏液压油缸在农业机械中已普遍运用,现按结构及用途整理,希望农机操作者多加了解......液压工作油缸按其工作条件要求不同,可把油缸结构设计成多种形式。
常见的有活塞式油缸、柱塞式油缸和复合油缸等结构形式。
(1)活塞式油缸活塞式油缸的结构组成如图1所示。
主要组成零件有:缸体、活塞、活塞杆、端板和密封圈等。
图1 活塞式油缸结构1—端盖板:2—缸体;3—活塞,4一密封环;5—活塞杆; 6—导向套;7—密封圈;8—压盖活塞式油缸在液压传动中应用较多,这种油缸工作时,主要是通过向油缸中活塞两侧交替输送液压油,利用活塞两侧液压油的压力差实现活塞的往复运动。
如果要想加快活塞的前进速度,可把油缸中的回油通过阀的控制,直接输入到进油管中,参加推动活塞工作,实现活塞的快速移动,但活塞的推力减小了许多。
(2) 柱塞式油缸柱塞式油缸的结构如图2所示。
主要组成零件有:缸体、柱塞、导向套、密封胶圈和端压盖等。
图2 柱塞式油缸结构1 —缸体;2—柱塞;3—导向套;4—密封胶圈;5—端压盖柱塞式油缸与活塞式油缸的不同之处是油缸中的活塞由轴式柱塞来代替,这种油缸多用在要求机械行程较长的液压传动中,而且只能是从一个方向输入压力油,单方向加压,形成推力推动柱塞移动。
柱塞的回程有的是靠柱塞本身自重落下,有的是依靠弹簧的弹力推回原位。
通常应用的柱塞式油缸体,其内孔不需要机械精加工,只要把柱塞外圆精磨就可以组装工作。
(3)复合式油缸图3所示充液式合模装置中用的油缸就是一种复合式油缸。
图中移模油缸是柱塞式油缸,当液压油从柱塞孔进人油缸时,使合模装置快速前移;合模接近终止时,当锁模油缸(活塞式油缸)进入液压油缸后,行程速度变慢,使锁模力达到要求吨位。
这种柱塞式和活塞式配合工作的油缸,称之为复合式油缸。
液压油缸设计手册摘要:1.液压油缸设计概述2.液压油缸的组成部分3.液压油缸的设计原则与方法4.液压油缸的性能参数5.液压油缸的应用领域6.液压油缸的选用与安装7.液压油缸的维护与故障排除8.液压油缸的设计案例分析正文:一、液压油缸设计概述液压油缸作为液压传动系统的重要组成部分,广泛应用于各种工程机械、自动化设备和工业领域。
液压油缸的设计涉及到力学、材料科学、热处理技术等多个方面,合理的設計可以提高液压油缸的使用寿命、工作效率和安全性。
二、液压油缸的组成部分液压油缸主要由缸体、活塞、密封装置、导向装置、驱动装置等组成。
各部分之间相互配合,完成液压油的吸入、压力传递、动作控制等功能。
三、液压油缸的设计原则与方法1.设计原则:液压油缸设计应满足使用要求,确保安全可靠,力求结构简单、紧凑,降低成本。
2.设计方法:根据液压油缸的使用条件,确定其主要尺寸、材料、密封形式等,进行结构设计,然后校核强度、刚度、稳定性等性能。
四、液压油缸的性能参数液压油缸的性能参数主要包括工作压力、行程、活塞面积、承载能力等。
设计时应根据实际工况,合理选择性能参数,使之满足使用要求。
五、液压油缸的应用领域液压油缸在工程机械、冶金设备、汽车制造、航空航天、船舶等领域有着广泛的应用。
不同领域的液压油缸有着不同的使用要求和技术特点。
六、液压油缸的选用与安装1.选用液压油缸时,应根据使用条件选择合适的结构形式、材料、密封形式等。
2.安装液压油缸时,要注意安装位置、方向、支撑结构等,确保液压油缸能正常工作。
七、液压油缸的维护与故障排除1.定期检查液压油缸的密封性能、油液质量、活塞运动情况等,及时更换密封件、添加油液。
2.遇到故障时,可通过外观检查、拆卸检查、试验等方法,找出故障原因,并进行排除。
八、液压油缸的设计案例分析通过对实际工程中的液压油缸设计案例进行分析,探讨液压油缸设计中应注意的问题,为液压油缸设计提供参考。
液压缸的使用说明书一、引言液压缸是一种常见的液压传动装置,广泛应用于工业机械、建筑工程、农业机械等领域。
本使用说明书旨在介绍液压缸的基本原理、安装方法及操作注意事项,以帮助用户正确选择、安装和使用液压缸。
二、液压缸的工作原理液压缸是利用液压力传递力量并产生线性运动的装置。
液压缸由缸筒、活塞、活塞杆、密封件等组成。
当液压油从液压缸的进油口进入缸筒内时,通过液压缸的控制阀控制液压油的进出,从而控制活塞在缸筒内的运动。
液压缸的工作原理是基于压力不可压缩性和流体传力的原理,通过改变液体的流动速度和压力来实现力的传递和线性运动。
三、液压缸的安装方法1. 确保液压缸的安装位置符合要求,避免摆放在过热或易受振动的环境中。
2. 在安装液压缸之前,应先检查液压缸的外观是否完好,是否有磕碰或损坏。
3. 在安装前,应清洁液压缸与其他零部件的连接面,并涂抹适量的润滑油。
4. 确保安装过程中液压缸与其他零部件的连接是稳固可靠的,并按照正确的方式连接油管。
5. 安装完成后,应进行液压缸的调试和检查,确保液压缸能够正常工作。
四、液压缸的操作注意事项1. 在使用液压缸之前,应检查液压系统的工作压力是否在规定范围内,并确认液压系统的油温适宜。
2. 液压缸在工作过程中,应避免超载操作,以防止损坏液压缸或其他机械设备。
3. 液压缸的操作必须符合安全生产规范,切勿进行违规操作或超范围使用。
4. 定期检查液压缸的密封件和活塞杆表面是否有磨损或泄漏现象,如有必要,及时更换或修理。
5. 液压缸的保养应按照规定的周期和方法进行,包括清洗液压缸、更换液压油等。
五、故障排除和维护1. 当液压缸无法正常工作时,应及时排除故障。
常见的故障原因包括液压缸泄漏、活塞杆无法回弹、活塞杆运动不顺畅等。
2. 若发现液压缸有泄漏现象,应检查密封件是否老化或损坏,并及时更换密封件。
3. 若活塞杆无法回弹或运动不顺畅,可能是由于活塞杆表面积碰撞或被污染导致的,应及时清洁或更换活塞杆。
绪论— — — — — — — — — — — — — — 第3页第1章液压传动的基础知识 — — — — — — — — 第4页1.1 液压传动系统的组成 — — — — — — — — 第4页1.2 液压传动的优缺点 — — — — — — — — — 第4页1.3 液压传动技术的发展及应用 — — — — — — 第6页第2 章液压传动系统的执行元件——液压缸 — — — — — — — — — — 第8页2.1 液压缸的类型特点及结构形式 — — — — ——第8页2.2 液压缸的组成 — — — — — — — — — — 第11页第3章 D G型车辆用液压缸的设计— — — — — — 第19页3.1 简介 — — — — — — — — — — — — — 第19页 3.2 DG型液压缸的设计----------- — — — — — 第20页第4章液压缸常见故障分析与排除方法— — — — — 第27页总结— — — — — — — — — — — — — — 第29 页绪论第一章液压传动的基础知识1.1液压传动系统的组成液压传动系统由以下四个部分组成:〈1〉动力元件——液压泵其功能是将原动机输出的机械能转换成液体的压力能,为系统提供动力。
〈2〉执行元件——液压缸、液压马达。
它们的功能是将液体的压力能转换成机械能,以带动负载进行直线运动或者旋转运动。
〈3〉控制元件——压力、流量和方向控制阀。
它们的作用是控制和调节系统中液体的动力、流量和流动方向,以保证执行元件达到所要求的输出力(或力矩)、运动速度和运动方向。
〈4〉辅助元件——保证系统正常工作所需要的辅助装置。
包括管道、管接头、油箱过滤器和指示仪表等。
〈5〉工作介质---工作介质即传动液体,通常称液压油。
液压系统就是通过工作介质实现运动和动力传递的。
1.2液压传动的优缺点优点:〈1〉体积小、重量轻,单位重量输出的功率大(一般可达32M P a,个别场合更高)。
《机械设计⼿册》—液压缸液压缸液压缸的分类液压缸的主要参数液压缸主要技术性能参数的计算通⽤液压缸的典型结构缸筒缸筒结构缸筒材料对缸筒的要求缸筒计算缸筒制造加⼯要求活塞活塞杆结构活塞杆的材料和技术要求活塞杆的计算活塞杆的导向套、密封装置和防尘圈中隔圈缓冲装置特点及⼯作原理排⽓阀油⼝单向阀密封件、防尘圈的选⽤液压缸的设计选⽤说明液压缸的标准系列与产品液压缸部分产品技术参数和⽣产⼚⼯程⽤液压缸型号意义与技术性能典型产品外形尺⼨车辆⽤液压缸冶⾦设备⽤液压缸型号意义UY系列液压缸技术参数中部摆动式(ZB)液压缸外形尺⼨尾部⽿环式(WE)液压缸外形尺⼨头部摆动式(TB)液压缸外形尺⼨头部法兰式(TF)液压缸外形尺⼨中部摆动式等速(ZBD)液压缸外形尺⼨尾部法兰式(WF)液压缸外形尺⼨脚架固定式(JG)液压缸外形尺⼨头部法兰式等速液压缸(TFD)外形尺⼨脚架固定式等速(JGD)液压缸外形尺⼨重载液压缸CD/CG250、CD/CG350系列重载液压缸型号意义技术参数CD250A、CD250B差动重载液压缸 CD250C、CD250D差动重载液压缸 CD250E差动重载液压缸CD250F差动重载液压缸CD350A、CD350B差动重载液压缸 CD350C、CD350D差动重载液压缸 CD350E差动重载液压缸CD350F差动重载液压缸CG250、CG350重载液压缸油⼝尺⼨和活塞杆长度GA型球铰⽿环、SA型衬套⽿环GAK型球铰⽿环(带锁紧螺钉)GAS型球铰⽿环(带锁紧螺钉)带位移传感器的CD/CG250系列液压缸C25、D25系列⾼压重型液压缸型号意义技术规格C25WE、C25WEK、C25WENi型外形尺⼨C25TF、C25TFK、C25TFNi和C25WF、C25WFK、C25WFNi型外形尺⼨ C25ZB、C25ZBK、C25ZBNi型外形尺⼨C25JG、C25JGK、C25JGNi型外形尺⼨D25系列液压缸尺⼨及质量扁头的结构尺⼨液压缸端部⽀座型式防护罩的结构尺⼨液压缸的最⼤允许⾏程CDH2/CGH2、CDH3/CGH3系列液压缸轻型拉杆式液压缸型号意义技术参数单活塞杆SD基本型带防护罩双活塞杆SD基本型LA(切向地脚型)、LB(轴向地脚型)CA(单⽿环)、CB(双⽿环)FA、FY(杆侧长⽅法兰)、FB、FZ(底侧长⽅法兰) FC(杆侧⽅法兰)、FD(底侧⽅法兰)TA(杆侧铰轴)、TC(中间铰轴)单⽿环、双⽿环端部零件多级液压缸齿轮齿条摆动液压缸UB型摆动式液压缸型号意义技术规格UBFZD法兰式轴输出单齿条型UBFZS法兰式轴输出双齿条型UBFKD法兰式孔输出单齿条型UBFKS法兰式孔输出双齿条型UBJZD脚架式轴输出单齿条型UBJZS脚架式轴输出双齿条型UBJKD脚架式孔输出单齿条型UBJKS脚架式孔输出双齿条型UB型摆动液压缸质量带液压动⼒包的UB型摆动液压缸结构外形UBZ重型齿条齿轮摆动液压缸同步分配器液压缸。
液压缸全套图纸说明书绪论——————————————第3页第1章液压传动的基础知识————————第4页1.1 液压传动系统的组成————————第4页1.2 液压传动的优缺点—————————第4页1.3 液压传动技术的发展及应用——————第6页第2 章液压传动系统的执行元件——液压缸——————————第8页2.1 液压缸的类型特点及结构形式——————第8页2.2 液压缸的组成——————————第11页第3章 D G型车辆用液压缸的设计——————第19页 3.1 简介—————————————第19页3.2 DG型液压缸的设计----------- —————第20页第4章液压缸常见故障分析与排除方法—————第27页总结——————————————第29 页绪论第一章液压传动的基础知识1.1液压传动系统的组成液压传动系统由以下四个部分组成:〈1〉动力元件——液压泵其功能是将原动机输出的机械能转换成液体的压力能,为系统提供动力。
〈2〉执行元件——液压缸、液压马达。
它们的功能是将液体的压力能转换成机械能,以带动负载进行直线运动或者旋转运动。
〈3〉控制元件——压力、流量和方向控制阀。
它们的作用是控制和调节系统中液体的动力、流量和流动方向,以保证执行元件达到所要求的输出力(或力矩)、运动速度和运动方向。
〈4〉辅助元件——保证系统正常工作所需要的辅助装置。
包括管道、管接头、油箱过滤器和指示仪表等。
〈5〉工作介质---工作介质即传动液体,一般称液压油。
液压系统就是经过工作介质实现运动和动力传递的。
1.2液压传动的优缺点优点:〈1〉体积小、重量轻,单位重量输出的功率大(一般可达32M P a,个别场合更高)。
〈2〉可在大范围内实现无级调速。
〈3〉操纵简单,便于实现自动化。
特别是和电气控制联合使用时,易于实现复杂的自动工作循环。
〈4〉惯性小、响应速度快,起动、制动和换向迅速。
(液压马达起动只需0.1s)〈5〉易于实现过载保护,安全性好;采用矿物油作为工作介质,自润滑性好。
液压油缸设计手册摘要:1.液压油缸的概述2.液压油缸的设计原理3.液压油缸的主要部件4.液压油缸的设计步骤5.液压油缸的安装与维护6.液压油缸在我国的应用与发展正文:液压油缸是一种将液压能转换为机械能的机械装置,广泛应用于工程机械、汽车、飞机等行业。
本文将详细介绍液压油缸的设计原理、主要部件、设计步骤以及安装与维护。
一、液压油缸的概述液压油缸是将液压能转换为机械能的执行元件,主要由缸体、活塞、密封件、导向套等部件组成。
根据结构形式,液压油缸可分为单杆式和双杆式两种。
二、液压油缸的设计原理液压油缸的工作原理是利用液体在封闭的管道内传递压力,通过活塞上的密封件产生压力差,从而推动活塞产生位移。
液压油缸的设计需要考虑负载、速度、行程、安装空间等因素。
三、液压油缸的主要部件1.缸体:液压油缸的主体部分,承受油压和机械负荷。
2.活塞:在液压油作用下产生位移的部件。
3.密封件:防止液压油泄漏的部件,包括活塞环、缸筒环等。
4.导向套:引导活塞运动,防止活塞与缸体发生摩擦的部件。
5.缓冲装置:吸收液压冲击,保护液压油缸和设备的部件。
四、液压油缸的设计步骤1.确定液压油缸的工作压力、行程、安装方式等参数。
2.选择合适的缸体材料和尺寸。
3.设计活塞及密封件,确定其材料和尺寸。
4.设计导向套,确定其材料和尺寸。
5.设计缓冲装置,确定其类型和参数。
6.根据安装和使用条件,进行强度计算和校核。
7.绘制液压油缸的总装图、零件图和材料清单。
五、液压油缸的安装与维护1.安装前,应对液压油缸进行清洗和检查,确保无损坏和杂质。
2.安装时,应保证各部件的安装位置准确,避免安装误差。
3.使用过程中,应定期检查液压油缸的运行状况,及时更换损坏的密封件和缓冲装置。
4.维护时,应根据使用条件和厂家要求,进行定期保养。
六、液压油缸在我国的应用与发展液压油缸在我国工程机械、汽车、飞机等行业得到了广泛应用,推动了我国相关产业的发展。
随着科技的进步,液压油缸将朝着轻量化、高效率、低噪音、长寿命等方向发展。
液压缸中船重工中南装备有限责任公司(388厂)公司简介中船重工中南装备有限责任公司(又名三八八厂)位于世界著名的水电城—湖北省宜昌市,是集光、机、电、液产品的研发、生产和销售于一体的国家大型综合企业。
公司始建于1965年,目前占地面积共46万平方米,拥有资产5亿元,拥有职工1500多人,其中各类专业技术人员400余人,高级专业技术人员60余人,国家级、省部级专家7人,高级技工140余人,技师40余人。
拥有各类设备、仪器1600余台,其中高、精、尖、大型设备和进口设备120余台。
公司于一九九八年通过ISO9000质量体系认证,二OO一年通过美国API认证,二OO三年通过2000版转换标准质量体系认证,二OO六年通过保密认证,公司拥有自营进出口经营权。
多年来,公司凭借军工技术和资源优势,成功地开发了系列光电产品、抽油泵产品、液压缸产品和启闭机产品,为光电、石油、水电、船舶、建筑、煤炭、冶金等行业提供了品质优良的仪器和装备。
目前,公司已具有年产各种液压缸50000台(套)的生产能力。
产品求精、技术求新、管理求进、服务求信,以人为本,创世界名牌是我们的追求。
公司将本着“信誉第一,顾客至上”的宗旨,为顾客提供满意的产品和服务,公司愿与各界朋友携手并进,共创未来!目 录一、系列混凝土泵车、拖泵专用液压缸二、冶金设备用标准液压缸系列三、HSG系列工程液压缸四、轻型拉杆式液压缸五、重型高压液压缸六、车辆用液压缸系列七、GGK1系列高压液压缸八、液压缸的使用说明、一般性故障及排除方法液压缸概况液压缸是液压系统中最重要的执行元件,它将液压能转换机械能,并与各种传动机构相配合,完成各种的机械运动。
液压缸具有结构简单、输出力大、性能稳定可靠、使用维护方便、应用范围广泛等特点。
我公司是全国最大的液压缸专业研发和制造企业之一,充分利用军工技术及资源优势,可研制缸径从Φ25~Φ800mm,最大行程18000mm的各类型液压缸产品,主要产品有混凝土泵车专用液压缸、拖泵专用液压缸、煤矿掘进机液压缸、矿井液压支架立柱及液压千斤顶、旋挖钻机液压缸、挖掘机油缸、汽车吊油缸、多级液压缸、冶金设备用标准液压缸、HSG工程液压缸、轻型拉杆式液压缸、重型高压液压缸、车辆用液压缸、船用液压缸等系列产品。
同时可根据用户要求,研制各种专用特种液压缸。
公司研制的液压缸系列产品,广泛用于工程、建筑、煤炭、冶金、船舶、机床、运输、石油化工及自动化领域。
用户遍及全国各地,并出口国外,深受用户欢迎。
型号说明注:该型号可简化标注到“行程”为止表一:行业代号代号 行业名称 备 注 Y 冶金行业J 建筑行业G 工程行业C 船舶行业S 运输行业表二:结构型式代号 名 称 备 注HG 双作用活塞杆液压缸 冶金行业HSG 双作用单活塞杆工程液压缸SJ 轻型拉杆式液压缸CD 重型高压差动缸CG 重型高压等速缸DG 车辆用双作用单活塞液压缸 压力16MPaG 车辆用双作用单活塞液压缸 压力25MPaGGK1 车辆用双作用单杆活塞式液压缸YG 其它型式液压缸表三:工作压力代号 公称压力 备 注C P≤6.3MPaE 6.3MPa<P≤16MPaG 16MPa<P≤25MPaH 25MPa<P≤32MPaT P>32MPa表四:缸盖联接方式代号 缸盖联接方式 备 注L 螺纹联接K 卡键联接表五:缸筒、缸头连接方式序号 连 接 方 式 备 注1 缸头耳环带衬套2 缸头耳环装关节轴承3 铰轴用于缸径D≥Φ80(指卡键连接)4 端部法兰5 中部法兰·表六:活塞杆端部连接方式序号 连 接 方 式备 注1 杆端外螺纹 序号2、4、6用于缸径D≥Φ632 杆端内螺纹3 杆端外螺纹杆头耳环带衬套4 杆端内螺纹杆头耳环带衬套5 杆端外螺纹杆头耳环装关节轴承6 杆端内螺纹杆头耳环装关节轴承7 整体式活塞杆耳环带衬套 仅用于Φ40、Φ50缸径 8整体式活塞杆耳环装关节轴承·表七:缓冲部位序号 部 位备 注0 不带缓冲 Φ40、Φ50、Φ60缸径不带缓冲;速比φ=2 时只有缸头端带缓冲1 两端带缓冲2 缸头端带缓冲3 杆头端带缓冲表八:油口连接方式序号 部 位备 注1 内螺纹2 外螺纹3 法兰连接4 油管连接 5其它标记示例示例1:HSG型双作用单活塞杆工程液压缸公称压力16MPa,缸径250mm,杆径140mm,行程2600mm,安装距3200mm ,外螺纹缸盖联接,缸头耳环带衬套连接,杆端外螺纹,不带缓冲,表示为HSG250/140E-2600-3200L11-10。
示例2:混凝土泵车、拖泵专用液压缸公称压力25MPa,缸径200mm,杆径110mm,行程600mm,安装距900mm ,内卡键缸盖联接,缸头耳环带衬套连接,杆端内螺纹,两端带缓冲,表示为B200/110G-600-900K12-11。
一、系列混凝土泵车、拖泵专用油缸1、泵车臂架油缸主要技术参数序号 车 型代 号名 称 D d S L K D1 R d1 d2 B工作压力MPa备注 137M 泵车YG230/125H-1050E 1#臂架油缸 230 125 16421050 592 262 92 100 140 32 2 YG230/125H-1360E 2#臂架油缸 230 125 19801360 620 262 92 90 120 3 YG170/90H-1035E 3#臂架油缸 170 90 15451035 510 195 70 80 90 4 YG10/70H-825E 4#臂架油缸 130 70 1200825 375 150 60 60605 YG60/40H-1600E 前支腿伸缩油缸60 40 16001310 290 85 30 30 M16×1.5406 YG75/55H-700E 前支腿展开油缸75 55 1000700 300 90 45 40 M16×1.5357 YG75/55H-410E 后支腿展开油缸75 55 710 410 300 90 45 40 M16×1.535 8 YG120/90H-1180 左支腿油缸 120 90 1180650 530 140 50 160 9 YG120/90H-1180 右支腿油缸 120 90 1180650 530 140 50 160 1042M 泵车YG180/110H-1302E 1#臂架油缸 180 110 19901302 688 212 80 80 80 11 YG250/150H-1656E 2#臂架油缸 250 150 ******** 784 296 125 125 100 12 YG180/100H-1150E 3#臂架油缸 180 100 17301150 580 212 92 80 80 13 YG130/70H-935E 4#臂架油缸 130 70 1368935 433 154 60 60 60 14 YG60/40H-1500E 前支腿伸缩油缸60 40 19781500 478 85 30 3040注:42米泵车臂架油缸的左右支腿油缸、前后支腿展开油缸借用37米相应油缸。
15 45M 泵车YG220/125H-1269E 1#臂架油缸 220 125 19441269 675 250 90 100 10016 YG280/160H-1705E 2#臂架油缸 280 160 23891705 684 316 105 100 180 17 YG220/125H-1283E 3#臂架油缸 220 125 18621283 579 250 75 80 166 18 YG150/90H-1175E 4#臂架油缸 150 90 17381175 563 173 55 55 80 .19 YG130/70H-840E 5#臂架油缸 130 70 1250840 410 150 55 50 60 20 YG60/40H-1750E 前支腿伸缩油缸60 40 22281750 478 85 30 3040注:45米泵车臂架油缸的左右支腿油缸、前后支腿展开油缸借用37米相应油缸。
2148M 泵车YG220/125H-1298E 1#臂架油缸 220 125 19151298 617 250 90 100 120 32 22 YG130/70H-1020E 5#臂架油缸 130 70 14151020 395 150 55 50 60 23 YG75/55H-1825E 前支腿伸缩油缸75 55 20961825 271 100 30 3040注:48米泵车臂架油缸的2#、3#、4#借用45米相应油缸,左右支腿油缸、前后支腿展开油缸借用37米相应油缸。
2456M 泵车YG230/125H-1678E1#臂架油缸230 125 22781678 600 273 92 90 120 25 YG280/160H-2170E 2#臂架油缸 280 160 28842170 714 332 125 140 100 26 YG230/140H-1721E 3#臂架油缸230 140 23201721 599 273 100 100 100 27 YG170/95H-1274E 4#臂架油缸 170 95 17931274 519 200 75 75 80 28 YG130/95H-650 左支腿油缸130 95 1180650 530 154 60 140 29 YG130/95H-650 右支腿油缸 130 95 1180650 530 154 60140注:56米泵车臂架油缸的前支腿伸缩油缸借用48米相应油缸,前后支腿展开油缸借用37米相应油缸。
2、摆阀油缸、滑阀油缸、主油缸主要技术参数 mm代 号 名 称 D d S L K D1 SR d1工作压力MPa YG90/60H-200J 摆阀油缸 90 60432 200 232 11429.5 M27×232YG100/70H-200J 摆阀油缸 100 70436 200 236 12734 M33×2YG63/40H-225F滑阀油缸 63 40677.5225452.580 M36×1.525续一续二主要技术参数mm 代号名称 D d S L K D1 Dp d1 限位油缸缸径限位油缸行程C120/48.3.11E.1 主油缸 140 95 2996 2000 996 168 160h7 M27×2 100 155 120A1410D.11.1 主油缸160 100 2778 1400 1378 194 160h7 M30×2 100 255 80CIII2013.11.1 主油缸 150 100 3137 2000 1137 180 160h7 M30×2 125 155 120CIII2120D.11.1主油缸160 100 3313 2100 1213 194 160h7 M27×2 125 155 60C1816.11.1A 主油缸 140 90 2139 1800 339 168 160h7 M27×260C1416.11.1 主油缸 140 80 1793 1454 339 168 160h7 M27×250C1410.11.11B 主油缸 100 60 1728 1400 328 127 130h7 M27×2120C2120.11.1 主油缸160 100 2463 2100 363 194 160h7 M27×260C1413.11.1 主油缸 125 80 1793 1454 339 156 160h7 M27×2M30×1.5130h860A1406.11.1A 主油缸 90 65 1811 1413 398 114二、冶金设备用标准液压缸系列 (ISO6020/1-1981)冶金设备用标准液压缸系列共有34种规格,68个品种,缸径40~320mm,使用压力≤16MPa。