流程的讲义设计1
- 格式:ppt
- 大小:1.61 MB
- 文档页数:28
讲义:数据流程图dfd数据流程图(DFD)数据流程图——描述数据流动、存储、处理的逻辑关系,也称为逻辑数据流程图,⼀般⽤DFD (Data Flow Diagram)表⽰。
⼀、数据流程图的基本成分数据流程图⽤到四个基本符号,即:外部实体、数据处理、数据流和数据存储。
现分别介绍如下:1、外部实体外部实体——指系统以外⼜与系统有联系的⼈或事物。
它表达该系统数据的外部来源和去处,例如:顾客、职⼯、供货单位等等。
外部实体也可以是另外⼀个信息系统。
⼀般⽤⼀个正⽅形,并在其左上⾓外边另加⼀个直⾓来表⽰外部实体,在正⽅形内写上这个外部实体的名称。
为了区分不同的外部实体,可以在正⽅形的左上⾓⽤⼀个字符表⽰。
在数据流程图中,为了减少线条的交叉,同⼀个外部实体可在⼀张数据流程图中出现多次,这时在该外部实体符号的右下⾓画⼩斜线,表⽰重复。
若重复的外部实体有多个,则相同的外部实体画数⽬相同的⼩斜线。
外部实体的表⽰如图6.1所⽰。
图6.1外部实体2.数据处理处理指对数据的逻辑处理,也就是数据的变换。
在数据流程图中,⽤带圆⾓的长⽅形表⽰处理,长⽅形分为三个部分,如图6.2所⽰。
图6.2 处理标识部分⽤来标别⼀个功能,⼀般⽤字符串表⽰,如P1、P1.1等等。
功能描述部分是必不可少的,它直接表达这个处理的逻辑功能。
⼀般⽤⼀个动词加⼀个作动词宾语的名词表⽰。
功能执⾏部分表⽰这个功能由谁来完成,可以是⼀个⼈,也可以是⼀个部门,也可以是某个计算机程序。
3.数据流数据流是指处理功能的输⼈或输出,⽤⼀个⽔平箭头或垂直箭头表⽰。
箭头指出数据的流动⽅向。
数据流可以是信件、票据,也可以是电话等。
⼀般说来,对每个数据流要加以简单的描述,使⽤户和系统设计员能够理解⼀个数据流的含义。
对数据流的描述写在箭头的上⽅,⼀些含义⼗分明确的数据流,也可以不加说明,如图6.3所⽰。
图6.3数据流4.数据存储数据存储表⽰数据保存的地⽅。
这⾥"地⽅"并不是指保存数据的物理地点或物理介质,⽽是指数据存储的逻辑描述。
6.2工序流程图[读教材·填要点]工序流程图将组成整个工艺过程的所有工序按照其合理的先后顺序及流入生产的位置,用特定的符号和相互间的连线绘制成的工序安排程序的示意图.[小问题·大思维]1.工序流程图描述的加工工序之间的什么过程?提示:动态过程.2.画工序流程图常按什么顺序来画?图形用什么图形表示?流程线有什么特点?提示:工序流程图可以按照从左到右,也可以按照从上到下的顺序来画,图形用矩形、棱形表示,再用流程线相连,流程线是有向线,表示工序进展的方向.商家生产一种产品,需要先进行市场调研,计划对北京、上海、广州三地市场进行市场调研,待调研结束后决定生产的产品数量.你能用流程图表示出来吗?[自主解答] 法一:派出调研人员赴北京、上海、广州调研,待调研人员回来后决定生产数量.具体过程如下:立项→北京调研→上海调研→广州调研→投产法二:齐头并进(即平行工序)搞调研,以便提早结束调研,尽早投产使产品占领市场.具体过程如下:通过比较法一和法二的工序流程图可以发现,法二比法一更为可取.工序流程图的画法(1)从需要管理的任务的总进度着眼,进行合理工作或工序的划分.(2)明确各工作或工序之间的关系.(3)根据各工作或各工序所需要的工时进行统筹安排.(4)开始时流程图可以画得粗疏,然后进行逐步细化.1.纸杯从原材料(纸张)到商品(纸杯)主要经过四道工序:淋膜、印刷、模切、成型.首先用淋膜机给原纸淋膜PE(聚乙烯),然后用分切机把已经淋膜好的纸分成矩形纸张(印刷后做纸杯壁用)和卷筒纸(做纸杯底用),再将矩形纸印刷并切成扇形杯壁,将卷筒纸切割出杯底,最后黏合成型.请用流程图表示纸杯的加工过程.解:由题意得流程图如下:下图是2018年山东各类成人高考学校招生网上报名流程图.试叙述一名考生报名时所要做的工作.[自主解答] 要完成报名,需依次做好以下工作:(1)网上登记,阅读报名须知;(2)填写考生报名身份证号码,并查看该身份证号码是否已登记(若未登记,则不允许报名,需重新填写身份证号码);(3)填写《山东省2018年各类成人高考学校招生网上报名登记表》,并检查信息是否有效(若无效需重新填写登记表);(4)确定报名成功.阅读流程图,获取信息是流程图应用的主要体现,通过流程图,可知问题如何解决,有哪些步骤,需要注意哪些方面,也可以整体把握某问题解决的流程以进行优化,尤其对工序流程图应用更多.2.某地联通公司推出10011电话服务,其中话费查询业务流程如图所示:解:拨通10011电话→按1号键→按2号键想沏壶茶喝,当时的情况是:开水没有,烧开水的壶要洗,沏茶的壶和茶杯要洗,茶叶已有,问应如何进行?(各工序所需时间分别为:洗水壶1分钟,洗茶壶、茶杯2分钟,烧开水15分钟,取茶叶1分钟,沏茶1分钟)[解] 法一:洗好水壶,灌入凉水,放在炉子上,打开煤气.待水烧开后,洗茶壶、茶杯,取茶叶,沏茶,用流程图表示为:法二:先做好准备工作,即洗水壶、洗茶壶、茶杯,取茶叶、灌凉水烧开水、沏茶,将此方案用流程图表示出来,则有法三:洗好水壶,灌入凉水烧开水,在等待水开的时间内洗茶壶、茶杯,取茶叶,水开后沏茶.如图所示.法三还可用下图表示:[点评] 解决此类问题的关键在于分析好每道工序的时差为多少,在这段时差内,哪些工序可以平行进行,以达到省时的目的.1.下列框图中是流程图的是( )A.整数指数幂→有理数指数幂→无理数指数幂B.随机事件→频率→概率C.买票→候车→检票→上车解析:考查流程图的概念,表示动态的过程,有先后顺序.答案:C2.下列判断不.正确的是( )A.画工序流程图类似于算法的流程图,要先把每一个工序逐步细化,按自上向下或自左到右的顺序B.在工序流程图中可以出现循环回路,这一点不同于算法流程图C.工序流程图中的流程线表示相邻两工序之间的衔接关系D.工序流程图中的流程线都是有方向的指向线解析:由工序流程图的画法特点可知,选项B不正确.答案:B3.下图所示的工序流程图中,设备采购的下一道工序是( )A.设备安装B.土建设计C.厂房土建 D.工程设计解析:由流程图可知,设备采购的下一道工序是设备安装.答案:A4.某公司为客户安装门窗的生产工艺流程如下:第一步:设计;第二步:尺寸确定;第三步:裁切;第四步:冲床冲孔;第五步:五金配件;第六步:组合;第七步:包装;第八步:检验;第九步:出货;第十步:安装.用框图表示这一过程如下:则①处填________,②处填________.答案:裁切包装5.某工程的工序流程图如图,则该工程的总工时为________天.解析:因为各个不同工序中用时最多的是①→②→④→⑥→⑦,即9天.答案:96.某高校大一新生入学注册,分为以下几步:①交录取通知书;②交费;③班级注册;④领书及宿舍钥匙;⑤办理伙食卡;⑥参加年级迎新大会.请用流程图表示新生入学注册的步骤.解:流程图如图所示:一、选择题1.按照下面的流程图做,则得到( )A.1,2,3,4,5,6 B.2,4,6,8,10C.1,2,4,8,16,32 D.2,4,8,16,32解析:要了解流程图的第一步工作向下依次得到1,2,4,8,16,32.答案:C2.如下图所示的是求过两点P1(x1,y1),P2(x2,y2)的直线的斜率的流程图,则空白处应填( )A.x1=x2? B.x1≠x2?C.y1=y2? D.y1≠y2?解析:由程序流程图的功能可知.答案:A3.进入互联网时代,经常发送电子邮件.一般而言,发送电子邮件要分成以下几个步骤:(a)打开电子信箱;(b)输入发送地址;(c)输入主题;(d)输入信件内容;(e)点击“写邮件”;(f)点击“发送邮件”.正确的步骤是( )A.a→b→c→d→e→f B.a→c→d→f→e→bC.a→e→b→c→d→f D.b→a→c→d→f→e解析:可逐步排除,第一步应打开电子信箱,故排除D.第二步应点击“写邮件”,故选C.答案:C4.如图,小黑点表示网络的结点,结点之间的连线表示它们有网线相连,连线标注的数字表示该段网线单位时间内可以通过的最大信息量.现从结点A向结点B传递信息,信息可分开沿不同的路线同时传递,则单位时间内传递的最大信息量是( )A.26 B.24C.20 D.19解析:由A→B有4条路线,4条路线单位时间内传递的最大信息量为3+4+6+6=19.答案:D二、填空题5.如图,判断正整数x是奇数还是偶数,①处应填________.解析:由奇数、偶数性质知余数为1时为奇数,再由判断框意义知r=1.答案:r=1?6.小明每天早晨起床后要做如下事情:洗漱用5分钟,收拾床褥用4分钟,听广播用15分钟,吃早饭用8分钟,要完成这些事情,小明要花费的最少时间为________分钟.解析:把过程简化,把能放在同一个时间内完成的并列,如听广播的同时可以洗涮、收拾被褥、吃早饭等.答案:177.在工商管理学中,MRP指的是物资需求计划,MRP的体系结构如图所示,根据结构图可知影响基本MRP的因素有________、________、________.答案:主生产计划产品结构库存状态8.为解决四个村庄用电问题,政府投资在已建电厂与这四个村庄之间架设输电线路,现已知这四个村庄及电厂之间的距离如图所示(距离单位:千米),则能把电力输送到这四个村庄的输电线路的最短总长度应该是________.解析:要使电厂与四个村庄相连,则需四条线路.注意到最短的四条线路能使电厂与四个村庄相连,所以4+5+5.5+6=20.5.答案:20.5三、解答题9.某市环境保护局信访工作流程如下:(1)信访办受理来访,一般信访填单转办;重大信访报局长批示后转办.(2)及时转送有关部门办理、督办,如特殊情况未能按期办理完毕,批准后可延办,办理完毕后反馈.(3)信访办理情况反馈后,归档备查,定期通报.据上画出该局信访工作流程图.解:流程图如图所示.10.明天小强要参加班里组织的郊游活动,为了做好参加这次郊游的准备工作,他测算了如下数据:整理床铺、收拾携带物品8分钟,洗脸、刷牙7分钟,煮牛奶15分钟,吃早饭10分钟,查公交线路图9分钟,给出差在外的父亲发手机短信6分钟,走到公共汽车站10分钟,等公共汽车10分钟.小强粗略地算了一下,总共需要75分钟,为了赶上7:50的公共汽车,小强决定6:30起床,不幸的是他一下子睡到7:00!请你帮小强安排一下时间,画出一份郊游出行前时间安排流程图,使他还能来得及参加此次郊游.解:出行前时间安排流程图如图所示.这样需要50分钟,故可以赶上7:50的公共汽车,并来得及参加此次郊游.精美句子1、善思则能“从无字句处读书”。
李天宇化工实务讲义课件(一)李天宇化工实务讲义课件教学内容•化工实务概述•化工工艺流程•物料平衡•能量平衡•传热传质•反应工程•分离工程•控制工程•安全与环保教学准备•电脑或投影仪•PowerPoint软件或类似软件教学目标•理解化工实务的基本概念和原理•掌握化工工艺流程设计的基本方法•掌握物料平衡和能量平衡的计算方法•理解传热传质的基本原理和计算方法•理解反应工程的基本原理和计算方法•掌握分离工程的基本原理和计算方法•了解控制工程在化工实务中的应用•理解化工实务中的安全与环保问题设计说明本课件以《李天宇化工实务讲义》为教材,通过PPT展示的形式,结合案例分析和计算演示,帮助学生更好地理解和掌握化工实务知识。
课件内容结构清晰,重点突出,旨在激发学生的学习兴趣和思考能力。
教学过程1.导入:介绍化工实务的重要性和应用领域。
2.概述:讲解化工实务的基本概念和发展历程。
3.工艺流程:介绍化工工艺流程设计的基本步骤和方法。
4.物料平衡:讲解物料平衡的概念和计算步骤,通过案例演示进行实际运用。
5.能量平衡:介绍能量平衡的概念和计算方法,通过实例分析让学生理解其重要性。
6.传热传质:讲解传热传质的基本原理和计算方法,通过图示和计算演示进行说明。
7.反应工程:介绍反应工程的基本概念和计算方法,通过实际案例进行分析和讨论。
8.分离工程:讲解分离工程的原理和常见方法,通过计算演示展示实际应用。
9.控制工程:介绍控制工程在化工实务中的重要性和应用,通过案例让学生思考控制措施的设计。
10.安全与环保:强调化工实务中的安全与环保问题,引导学生思考如何提高生产安全和减少环境污染。
11.总结:对本课的重点知识和要点进行总结,鼓励学生进一步学习和思考。
课后反思本节课的设计结构合理,内容紧密联系,能够激发学生的学习兴趣和思考能力。
通过案例分析和计算演示,帮助学生更好地理解和掌握化工实务知识。
但需要注意的是,课件的设计应尽量简明扼要,避免信息过载,以便学生更好地吸收和理解知识。
流程设计方案
首先,流程设计的基本原则是流程的简化和优化。
在进行流程
设计时,我们应该尽量简化流程,避免流程中的多余环节和繁琐步骤。
同时,也要优化流程,提高流程的效率和质量。
在设计流程时,需要充分考虑到各个环节之间的关联性和协同性,确保流程的顺畅
和高效。
其次,流程设计的步骤包括流程分析、流程建模、流程优化和
流程实施。
在进行流程设计时,首先需要对当前流程进行全面的分析,了解每个环节的具体情况和存在的问题。
然后,可以通过流程
建模工具对流程进行可视化设计,清晰地展现每个环节的流程和关联。
接下来,可以针对流程中存在的问题进行优化,简化流程,提
高效率。
最后,需要将优化后的流程方案进行实施,确保流程设计
的落地和执行。
最后,流程设计的注意事项包括需求明确、沟通顺畅和持续改进。
在进行流程设计时,需要充分了解业务需求,明确流程设计的
目标和方向。
同时,也需要保持与相关部门和人员的沟通顺畅,确
保流程设计方案能够得到有效的反馈和支持。
此外,流程设计是一
个持续改进的过程,需要不断地收集反馈意见,及时调整和优化流
程设计方案,确保流程设计的持续有效性。
综上所述,一个好的流程设计方案需要遵循流程设计的基本原则,按照流程设计的步骤进行设计,并且需要注意一些流程设计的注意事项。
只有这样,才能设计出符合实际需求、高效简洁的流程设计方案,为企业的发展提供有力支持。
EDA技术与应用讲义第章第节EDA设计流程及其工具QUARTUSII快速设计指南-V1EDA技术与应用讲义是关于电子设计自动化技术(EDA)的一本权威教材,其中介绍了EDA设计流程及其工具QUARTUSII的快速设计指南。
本文将重点介绍第一章第节中关于EDA设计流程及其工具QUARTUSII的内容,并提供一些快速设计指南。
一、EDA设计流程EDA设计流程是EDA设计中不可缺少的重要步骤,它主要包括如下几个步骤:1.需求分析:需求分析是整个设计流程中非常关键的一步。
在这个阶段,设计师需要了解客户需求,制定出设计目标,明确设计范围,并且向客户提供关于设计方案的报告。
2.系统级设计:在系统级设计阶段中,设计师需要通过设计文档和模块图来描述整个系统的基本框架、模块间的通信方式和模块的功能特性等。
在这一阶段需要并且经常使用的工具包括:Microsoft Office、Mindmap、XMind等。
3.算法设计与仿真:在这个阶段,设计师通过各种仿真工具对系统进行算法的仿真和验证。
在这一过程中,设计师需要熟练掌握仿真和验证工具,比如MATLAB、Verilog等。
4.电路级设计:电路级设计是EDA设计流程的重要步骤。
设计师需要在此阶段使用EDA工具来实现电路的设计,并进行SPICE仿真。
常用的工具包括SPICE仿真器、电路设计与验证工具等。
5.物理设计:在物理设计阶段中,设计师需要对电路进行物理实现和布局。
可以使用EDA工具中的Autoplacer和Autorouter等工具。
二、QUARTUSII快速设计指南QUARTUSII是EDA设计中广泛使用的FPGA开发工具,它可以从高层次的RTL代码到底层的逻辑等级进行仿真和综合,最终生成bitstream文件上传到FPGA中实现电路的设计。
QUARTUSII的快速设计指南包括:1.了解quartus ii软件:在使用QUARTUSII之前,首先需要熟悉软件的基本操作和使用流程。
《流程的概念》导学案《流程的观点》导学案一、导学目标1. 理解流程的观点和特点。
2. 掌握流程的分类和基本因素。
3. 能够运用流程图进行流程分析和优化。
二、导学内容1. 流程的观点和特点2. 流程的分类3. 流程的基本因素4. 流程图的应用三、导学步骤1. 导入:通过一个实际生活中的例子引入流程的观点,让学生了解流程在平时生活中的应用。
2. 进修:讲解流程的定义和特点,引导学生思考流程的重要性及其在组织管理中的作用。
3. 练习:让学生分组讨论不同类型的流程,并列举实例进行分析。
4. 总结:总结流程的分类和基本因素,强调流程图在流程分析和优化中的重要性。
5. 应用:让学生通过实际案例练习绘制流程图,进行流程分析和改进。
四、导学要点1. 流程是一系列互相关联的活动或步骤,用于完成特定的任务或目标。
2. 流程可以分为管理流程、制造流程、效劳流程等不同类型。
3. 流程的基本因素包括输入、输出、活动、控制和资源。
4. 流程图是一种图形化表示流程的工具,可以帮助人们更直观地理解和优化流程。
五、导学延伸1. 鼓励学生在平时生活中观察不同的流程,思考其优化空间。
2. 组织学生进行实地考察,了解不同组织的流程管理实践。
3. 鼓励学生自主进修流程管理相关的书籍和资料,提升专业知识。
六、课后作业1. 完成《流程的观点》相关的练习题。
2. 分析一个实际流程,绘制流程图并提出改进建议。
3. 阅读相关资料,撰写一篇关于流程管理的小论文。
通过本次导学,置信同砚们对流程的观点和应用有了更深入的理解,希望能够在实际生活和进修中运用所学知识,提升自己的综合能力和实践能力。
愿大家在未来的进修和工作中取得更好的成绩!。
《流程的设计》导学案一、导学目标1. 了解流程设计的观点和重要性。
2. 掌握流程设计的基本原则和方法。
3. 能够运用流程设计的知识解决实际问题。
二、导学内容1. 什么是流程设计?2. 流程设计的重要性。
3. 流程设计的基本原则。
4. 流程设计的方法和工具。
5. 实例分析:如何进行流程设计?三、导学过程1. 什么是流程设计?流程设计是指对一个过程进行规划、设计和优化,以达到提高效率、降低成本、提高质量等目标。
流程设计通常涉及到流程的各个环节、各个步骤以及各个参与者之间的干系。
2. 流程设计的重要性流程设计在组织管理中起着至关重要的作用。
一个高效的流程设计可以帮助组织提高工作效率、降低成本、提高效劳质量,从而提升竞争力。
3. 流程设计的基本原则- 简化流程:尽量简化流程步骤,避免繁琐的环节。
- 优化资源配置:合理分配资源,提高资源利用率。
- 强化沟通协作:增进各个环节之间的沟通和协作,避免信息不对称。
- 不息改进:流程设计是一个持续改进的过程,需要不息优化和调整。
4. 流程设计的方法和工具常用的流程设计方法包括价值链分析、流程图、PDCA循环等。
流程设计工具有流程图软件、模拟软件等。
5. 实例分析:如何进行流程设计?以某公司的销售流程为例,通过分析销售流程的各个环节、各个步骤,找出存在的问题和瓶颈,制定改进方案,优化销售流程。
可以采用价值链分析方法,绘制流程图,进行模拟测试等手段来进行流程设计。
四、导学作业1. 选择一个你熟悉的流程,分析其存在的问题和改进空间。
2. 设计一个新的流程方案,包括流程图和改进措施。
3. 思考如何运用流程设计的知识解决平时生活中的问题。
五、拓展延伸1. 搜索网络上的流程设计案例,了解不同行业的流程设计实践。
2. 参与相关的培训课程或研讨会,深入了解流程设计的最新发展。
3. 阅读相关书籍和学术论文,提升对流程设计的理解和应用能力。
六、小结反思通过本次进修,你对流程设计的观点、重要性、原则、方法和工具有了更深入的了解。
化工原理精馏讲义(1)实验--在线数字精馏一、实验目的1、熟悉板式精馏塔的结构、流程及各部件的结构作用;2、用作图法和计算法确定精馏塔部分回流时理论板数,并计算出全塔效率。
3、测出全塔温度分布,确定灵敏板位置。
4、了解塔釜液位、塔釜加热量、预热、回流比等控制原理。
5、充分利用计算机采集和控制系统具有的快速、大容量和实时处理的特点,进行精馏过程多实验方案的设计,并进行实验验证,得出实验结论。
以掌握实验研究的方法。
6、学会识别精馏塔内出现的几种操作状态,并分析这些操作状态对塔性能的影响。
7、学习精馏塔性能参数的测量方法,并掌握其影响因素。
8、测定精馏过程的动态特性,提高学生对精馏过程的认识。
二、实验装置、流程及操作说明1、实验装置及流程示意(见下页)2、实验体系:酒精水溶液3、进料状态:常温:不经过换热器预热和电预热,直接进料加热:经过电加热预热,设置加热功率实现饱和液进料4、结构参数:塔内径D=68mm,塔总高H=3000mm,塔内采用筛板及弓形降液管,共有15块板。
根据不同进料组成和状态,设置三个进料口,分别在第2、4、8(从下向上)板处。
板间距HT=70mm,板上孔径d=2mm,筛孔数N=50个,开孔率4.3%。
塔顶为列管式冷凝器,冷却水走管外,蒸汽在管内冷凝。
回流比由回流转子流量计与产品转子流量计数值决定。
料液由泵从原料罐中经转子流量计计量后加入塔内。
5、有关测量仪表及控制转子流量计参数:塔顶:回流LZB—316~160ml/min,产品LZB—32.5~25ml/min进料:LZB—4,16~160ml/min冷却水:塔顶全凝器LZB—15,25~250l/h塔底冷却器LZB—10,16~160l/h压力:塔釜膜盒压力表:0~6KPa2塔釜压力传感器:0~6KPa电流:塔釜电加热电流表(指针式):0~20A进料电加热电流表(指针式):0~1A数字仪表型号触摸屏:温度检测:12点回流比输入控制进料预热功率控制塔釜电加热控制:宇电5186、电磁阀:塔顶回流、塔顶产品:2W—025—087、调压器:塔釜和预热加热电压调压模块:40A,电流输入4—20mA8、进料泵:磁力泵15w9、电加热:塔釜功率:3某2kw380V(自控)进料预热功率:300w(自控)10、操作参数:P釜=1.0~2.2KPa;T灵=82~84℃T顶=78~80℃T釜=97~100℃3精馏原理图-数字在线全凝器转子流量计:1、冷却水:LZB-15[25-250l/h];2、冷却水:LZB-10[16-160l/h];3、进料:LZB-4[16-160ml/min]4、塔顶回流:LZB-4[16-160ml/min];馏分罐5、塔顶产品:LZB-3[2.5-25ml/min];6、压力表:0-6KPa膜盒压力表。
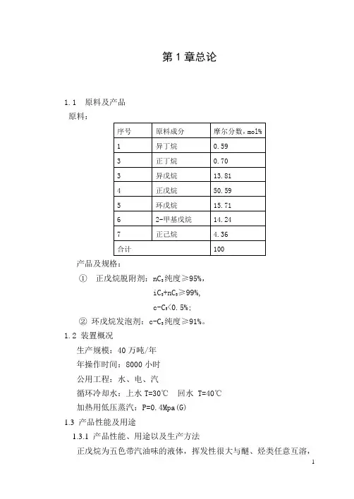
第1章总论1.1 原料及产品原料:产品及规格:①正戊烷脱附剂:nC5纯度≥95%,iC5+nC5≥99%,c-C5<0.5%;②环戊烷发泡剂:c-C5纯度≥91%。
1.2 装置概况生产规模:40万吨/年年操作时间:8000小时公用工程:水、电、汽循环冷却水:上水T=30℃回水 T=40℃加热用低压蒸汽:P=0.4Mpa(G)1.3 产品性能及用途1.3.1 产品性能、用途以及生产方法正戊烷为五色带汽油味的液体,挥发性很大与醚、烃类任意互溶,易燃可用做分子筛脱蜡工艺的脱附剂,聚苯乙烯的发泡剂,用途广泛。
它是碳五馏分加氢后的主要成分,开发它的分离和应用技术有重要意义,它可以由1.5-二溴戊烷与锌作用或氢化环戊二烯制得,正戊烷由石油裂解产物分离而得以乙烯裂解副产品C5为原料,经过解聚、加氢等工艺可以获得高纯度环戊烷,本套装置主要生产正戊烷和环戊烷两种产品,同时副产正丁烷、异丁烷、异戊烷的混合物以及异己烷和正己烷的混合物。
1.3.2 市场需求及其它目前国内高纯度异戊烷、正戊烷、环戊烷及混合戊烷发泡剂生产厂有36家,生产能力150kt/a左右。
其中原料供应稳定、工艺先进、产品质量好、生产规模较大的生产厂家有5家,总生产能力为106kt/a,占全国生产能力的71%,这5家企业主要集中在经济相对发达的东南沿海地区。
戊烷消费量的增长与氟利昂禁用有直接关系,根据1992年各国通过的《蒙特利尔议定书》,要求各国在2000年停止使用臭氧层消耗物质氟利昂,戊烷作为最终替代产品,未来几年其发展潜力巨大。
目前,我国戊烷的年消费量近66h,其中,EPS(发泡聚苯乙烯)戊烷发泡剂的消费量约30kt/a,约占总消费量的45%;聚氨酯的发泡剂消费戊烷33kt /a,约占总消费量的50%;线性低密度聚乙烯戊烷载溶剂消费量3kt /a,约占总消费量的5%。
目前,国内戊烷的供大于求,但产品质量、产品品种、售后服务与国外比有一定差距;预计2010年现有的生产装置规模小、原料不稳定、工艺落后、生产成本高的生产厂家将逐步退出市场。
中考英语语法复习教学设计讲义第一讲:名词一. 教材分析本讲义以中考英语语法复习为主题,第一讲主要涉及名词。
通过本讲义的讲解,学生将掌握名词的分类、名词所有格、不可数名词和可数名词的用法等基本知识。
教材内容紧密围绕中考英语考试大纲,难度适中,旨在帮助学生巩固和提高名词相关知识。
二. 学情分析学生在初中阶段已经学习过名词的基本知识,但部分学生对名词所有格、不可数名词和可数名词的用法仍存在模糊之处。
此外,学生可能对一些特殊例子的理解不够深入,导致在实际运用中出现错误。
因此,在教学过程中,需要针对这些薄弱环节进行重点讲解和操练。
三. 教学目标1.掌握名词的分类;2.理解名词所有格的用法;3.掌握不可数名词和可数名词的用法;4.能够正确运用名词知识解决实际问题。
四. 教学重难点1.名词所有格的用法;2.不可数名词和可数名词的区分及用法。
五. 教学方法1.情境教学法:通过设定生活情境,让学生在实际语境中运用名词知识;2.例句解析法:通过分析典型例句,让学生深入理解名词所有格和不可数/可数名词的用法;3.互动式教学法:引导学生积极参与课堂讨论,提高课堂氛围,促进学生主动学习。
六. 教学准备1.准备相关课件和教学素材;2.设计课堂练习题和课后作业;3.准备教学过程中可能用到的实物道具。
七. 教学过程1.导入(5分钟)利用实物道具,如水果、文具等,引导学生说出相应的名词,从而引入本节课的主题——名词。
2.呈现(10分钟)通过课件展示名词的分类,如人物、地点、物品等,同时介绍名词所有格的用法,如张三的铅笔(Zhang San’s pencil)。
3.操练(15分钟)设计一些练习题,让学生区分不可数名词和可数名词,并正确运用名词所有格。
例如:1.请将下列名词分类为人物、地点和物品。
2.请用适当的名词所有格形式完成句子。
4.巩固(10分钟)让学生分组进行讨论,分享彼此在操练过程中的心得体会,教师巡回指导,针对学生的错误进行讲解。
1.2 流程图1.流程图的概念流程图是由一些图框和流程线组成的,其中图框表示各种操作的类型,图框中的文字和符号表示操作的内容,流程线表示操作的先后次序.2.流程图的图形符号及其应用依次进行多个处理的结构称为顺序结构.顺序结构的形式如图所示,其中A和B两个框是依次执行的.顺序结构是任何一个算法都离不开的最简单、最基本的结构.4.选择结构先根据条件作出判断,再决定执行哪一种操作的结构称为选择结构,也称为分支结构.如图所示,虚线框内是一个选择结构,它包含一个判断框,当条件p成立(或称为“真”)时执行A,否则执行B.思考1:一个选择结构只能有两个执行选项吗?[提示] 一个选择结构只能有两个执行选项.思考2:若有多于两种选项的情况怎样处理?[提示] 可以用多个选择结构嵌套组合来处理.5.循环结构(1)定义:在算法中,需要重复执行同一操作的结构称为循环结构.(2)分类:循环结构分为当型循环和直到型循环.①当型循环:先判断所给条件p是否成立,若p成立,则执行A,再判断条件p是否成立;若p仍成立,则又执行A,如此反复,直到某一次条件p不成立时为止,这样的循环结构称为当型循环.其示意图如图1所示:图1 图2②直到型循环:先执行一次循环体,再判断所给条件是否成立,若不成立,则继续执行循环体,如此反复,直到条件成立时为止,这样的循环结构称为直到型循环.其示意图如图2所示.1.下列对流程图的描述,正确的是( )A.流程图中的循环可以是无止境的循环B.选择结构的流程图有一个入口和两个出口C.选择结构中的两条路径可以同时执行D.循环结构中存在选择结构D[根据选择结构与循环结构的定义可知,A、B、C不正确.D正确.特别提醒:本题易错选B,判断框是一个入口和两个出口,但是选择结构中的两条路径,只能执行其一,不能同时执行,故B不正确.]2.如图所示的流程图的运行结果是________.第2题图第3题图5 2[根据流程图的意义可知,当a=2,b=4时,S=24+42=52.]3.阅读如图所示的流程图,运行相应的算法,输出的结果是________.11 [第一次运行,a=3;第二次运行a=11,11<10不成立,退出.] 4.如图是求实数x的绝对值的算法流程图,则判断框①中可填________.x >0或x ≥0 [根据绝对值定义解答,|x |=⎩⎪⎨⎪⎧x , x ≥0,-x , x <0.]①流程图中的图形符号可以由个人来确定; ②也可以用来执行计算语句; ③输入框只能紧接在起始框之后;④用流程图表示算法,其优点是将算法的基本逻辑结构展现得非常直接.④ [①中框图中的图形符号有严格标准,不能由个人确定;②中只能执行判断语句,不能执行计算语句;③中输入框不一定只能紧接在起始框之后.故①②③不正确,④正确.]1.理解流程图中各框图的功能是解此类题的关键,用流程图表示算法更直观、清晰、易懂.2.起止框用“”表示,是任何流程不可少的,表明程序的开始和结束.3.输入、输出框图用“”表示,可用在算法中任何需要输入、输出的位置,需要输入的字母、符号、数据都填在框内.4.处理框图用“”表示,算法中处理数据需要的算式、公式等可以分别写在不同的用以处理数据的处理框内,另外,对变量进行赋值时,也用到处理框.5.判断框是唯一具有超过一个退出点的图框符号.1.流程图中,符号“”可用于________.(填序号) ①输入;②输出;③赋值;④判断.③ [流程图中矩形方框的功能是赋值和计算.]2.对于流程图的图框符号的理解,下列说法中正确的是________.(填序号) ①输入框、输出框有严格的位置限定; ②任何一个流程图都必须有起止框;③对于一个流程图而言,判断框中的条件是唯一确定的; ④判断框是唯一具有超过一个退出点的图框符号.②④ [任何一个流程图都必须有开始和结束,因此必须有起止框;输入框和输出框可以用在算法中的任意需要输入和输出的位置;判断框中的条件不是唯一的.]思路点拨:对于套用公式型的问题,要注意所给公式中变量的个数及输入、输出部分的设计.先写出算法,再画出对应的流程图.本题可用顺序结构解决.[解] 算法如下: S1 输入a ,b ,h ; S2 S ←12(a +b )·h ;S3 输出S . 流程图如图.应用顺序结构表示算法的步骤(1)仔细审题,理清题意,找到解决问题的方法; (2)梳理解题步骤;(3)用数学语言描述算法,明确输入量,计算过程,输出量; (4)用流程图表示算法过程. 提醒:规范流程图的画法 (1)使用标准的框图符号;(2)框图一般按从上到下、从左到右的方向画,流程线要规范; (3)除判断框外,其他框图符号只有一个进入点和一个退出点; (4)在图形符号内描述的语言要非常简练、清楚.3.已知x =4,y =2,画出计算w =3x +4y 的值的流程图.[解] 本题可用顺序结构解决,利用流程图的定义及符号之间的联系即可画出流程图. 流程图如图:4.已知一个圆柱的底面半径为R ,高为h ,求圆柱的体积.设计一个解决该问题的算法,并画出相应的流程图.[解] 算法如下: 第一步,输入R ,h . 第二步,计算V ←πR 2h .第三步,输出V . 流程图如图所示:【例3】 设计一个算法,输入x 的值,计算并输出y 的值,且y =⎩⎪⎨⎪⎧-x +1,x <0,1,x =0,x +1,x >0,试画出该算法的流程图.[解] 该函数是分段函数,当给出一个自变量x 的值时,必须先判断x 的范围,然后确定利用哪一段的解析式求对应的函数值.因为解析式分了三段,所以判断框需要两个,即进行两次判断.算法步骤如下: 第一步 输入x ;第二步 若x <0,则y ←-x +1;否则执行第三步; 第三步 若x =0,则y ←1;否则,y ←x +1; 第四步 输出y . 流程图如图所示:1.选择结构是在需要进行分类讨论时所应用的逻辑结构,但是在某些问题中,需要经过几次分类才能够将问题讨论完全,这样就需要选择结构的嵌套.所谓嵌套,是指选择结构内,又套有小的分支,对条件进行两次或更多次的判断.常用于一些分段函数的求值问题.选择结构中算法的流程要根据条件流向不同的方向,此结构中的主要部分是判断框.选择结构的嵌套中可以含有多个判断框.一般地,如果是分三段的函数,需要引入两个判断框;如果是分四段的函数,需要引入三个判断框…以此类推.其流程图如图所示.2.在选择结构中,反映的是“先判断,后执行”的思想.选择结构的两个分支在写算法时实质上是一个步骤,不能写成两个步骤.如果一个分支中还有两个子分支,这时有两种处理方法:(1)直接嵌套在这一步中; (2)用“转到”某一步.提醒:根据分段函数,设计算法流程图时,必须引入判断框,运用选择结构,当题目出现多次判断时,一定要先分清判断的先后顺序,再逐层设计流程图.5.如图所示的流程图,若输入的x的值为0,则输出的结果为________.1 [这是一个嵌套的选择结构,当输入x=0时,执行的是y←1,即y=1.故输出的结果为1.]6.设计一个求解一元二次方程ax2+bx+c=0的算法,并画出流程图.[解] 依据求解一元二次方程的方法步骤设计算法,算法步骤如下:S1 输入3个系数a,b,c;S2 计算Δ←b2-4ac;S3 判断Δ≥0是否成立.若是,则计算p←-b2a,q←Δ2a;否则,输出“方程没有实数根”,结束算法;S4 判断Δ=0是否成立.若是,则输出x1=x2=p;否则,计算x1←p+q,x2←p-q,并输出x1,x2.流程图如图所示:[1.循环结构有哪两种形式?[提示] 循环结构有当型循环结构和直到型循环结构两种常见形式.2.当型循环结构和直到型循环结构有何区别?[提示] 当型循环结构与直到型循环结构的区别为当型循环结构首先进行条件的判断,然后再执行循环体,而直到型循环结构是先执行一次循环体,然后再进行条件的判断.3.当型循环结构和直到型循环结构是否可以相互转化?[提示] 这两种循环结构可以相互转化,需要注意的是,两者相互转化时,所满足的条件不同.【例4】指出图中流程图的功能.如果用的是循环结构,则写出用的是哪一种循环结构,并画出用另一种循环结构表示的流程图.思路点拨:依据当型循环和直到型循环的结构特征判断、改写.图中是先执行再判断,故采用的直到型循环结构,可用当型循环结构改写.[解] 题图所示的是计算12+22+32+…+992的值的一个算法的流程图,采用的是直到型循环结构,可用当型循环结构表示,如图所示:1.读如图所示的流程图,完成下面各题:(1)循环体执行的次数是________.(2)输出的结果为________.(1)49 (2)2 450 [(1)∵i←i+2,∴当2n+2≥100时循环结束,此时n≥49.(2)S=0+2+4+6+…+98=2 450.]2.指出图中流程图的功能,如果是循环结构,指出是哪一种循环结构,并画出用另一种循环结构表示的流程图.[解] 依据当型循环和直到型循环结构的特征判断改写.此流程图的功能是计算1×3×5×7×…×97的值.是当型循环结构,可用直到型循环结构表示,如图所示:1.循环结构主要用于解决有规律的重复计算问题,如累加求和、累乘求积等.如果算法问题里涉及的运算进行了多次重复的操作,且先后参与运算的各数之间有相同的变化规律,就可以引入循环变量参与运算,构成循环结构.2.要用好循环结构,需要注意三个环节:(1)确定循环变量和初始值,初始值的确定要结合具体问题,这是循环的基础;(2)确定循环体,循环体是算法中反复执行的部分,是循环进行的主体;(3)确定终止循环的条件,因为一个算法必须在有限步骤内完成.3.转化与化归思想在循环结构中有重要应用.循环结构的两种形式,当型循环结构与直到型循环结构可以相互转化,需要注意的是,相互转化时所满足的判断条件不同.1.本节课的重难点是理解流程图的作用,能用顺序结构,选择结构,循环结构书写算法.2.含条件结构问题的求解策略(1)理清所要实现的算法的结构特点和流程规则,分析功能;(2)结合框图判断所要填入的内容或计算所要输入或输出的值;(3)明确要判断的条件是什么,判断后的条件对应着什么样的结果.3.利用循环结构表示算法的步骤利用循环结构表示算法,第一要先确定是利用当型循环结构,还是直到型循环结构;第二要选择准确的表示累计的变量;第三要注意在哪一步开始循环,满足什么条件不再执行循环体.1.任何一种算法都离不开的基本结构为( )A.顺序结构B.选择结构C.循环结构D.顺序结构和选择结构A[顺序结构是最简单、最基本的结构,是任何一个算法都离不开的基本结构.]2.下列关于流程线的说法,不正确的是( )A.流程线表示算法步骤执行的顺序,用来连接图框B.流程线只要是上下方向就表示自上向下执行,可以不要箭头C.流程线无论什么方向,总要按箭头的指向执行D.流程线是带有箭头的线,它可以画成折线B[依据流程线的画法及其功能判断,A、C、D正确,B不正确.]3.根据所给流程图,当输入x=10时,输出的y的值为________.14.1 [由流程图可知,该流程图的作用是计算分段函数y =⎩⎪⎨⎪⎧1.2x , x ≤7,.9x -4.9, x >7的函数值.当输入x =10时,输出的y 值为1.9×10-4.9=14.1.]4.设计求1+3+5+7+…+99的算法,并画出相应的流程图.[解] 这是求50个数和的一道题,多次求和,可以利用循环结构完成.用变量S 存放求和的结果,变量I 作为计数变量,每循环一次,I 的值增加2.算法如下: S1 S ←0; S2 I ←1;S3 如果I ≤99,那么转S4,否则转S6; S4 S ←S +I ; S5 I ←I +2,转S3; S6 输出S . 流程图如图所示:。
第四章面向对象程序设计目录第一节类和对象第二节定义方法第三节静态成员第四节包装类01 类和对象类的定义类的定义也称为类的声明。
类中含有两部分元素,分别是数据成员变量和成员方法。
类定义的一般格式如下。
修饰符 class 类名 [extends父类名]{修饰符类型成员变量1;修饰符类型成员变量2;……修饰符类型成员方法 1 (参数列表){方法体}……}其中,class是关键字,表明其后定义的是一个类。
含有class的这一行称为类头,后面大括号括住的部分称为类体。
class前的修饰符可以有多个,用来限定所定义的类的使用方式。
类名是用户为该类所起的名字,它必须是一个合法的标识符,并尽量遵从命名约定。
extends是关键字。
如果所定义的类是从某一个父类派生而来,那么,父类的名字要写在extends之后。
类定义中的数据成员变量可以有多个。
成员变量前面的类型是该变量的类型;类中的成员方法也可以有多个,其前面的类型是方法返回值的类型。
如果没有返回值,则写void。
方法体是要执行的真正语句。
在方法体中还可以定义该方法内使用的局部变量,这些变量只在该方法内有效。
方法的参数列表中可以含有0 个或多个参数,每个参数的前面要指明该参数的类型。
类定义中的修饰符是访问权限修饰符,包括 public、private和protected,也可以不写,表示是默认修饰符。
它们既可以用来修饰类,又可以修饰类中的成员,修饰符决定所修饰成员在程序运行时被访问的方式。
具体来说,用public修饰的成员表示是公有的,也就是它可以被其他任何对象访问。
类中限定为private的成员只能被这个类本身访问,在类外不可见。
用 protected修饰的成员是受保护的,只可以被同一包及其子类的实例对象访问。
如果不写任何修饰符,则表明是默认的,相应的成员可以被所在包中的各类访问。
类的示例使用类可以构造所需的各种类型。
例如,程序中要说明日期这个类型,它含有3个成员变量:日、月、年,分别用3个整数来表示。