【CN209530808U】一种金属钠自动投料装置【专利】
- 格式:pdf
- 大小:303.81 KB
- 文档页数:5
专利名称:一种粉料自动投料装置专利类型:实用新型专利
发明人:刘路,潘言龙,沈顿
申请号:CN202021606806.2
申请日:20200805
公开号:CN212831009U
公开日:
20210330
专利内容由知识产权出版社提供
摘要:本实用新型公开了一种粉料自动投料装置,属于粉料自动投料技术领域,其包括壳体,所述壳体的左侧面卡接有驱动装置,所述驱动装置的输出轴卡接有第一齿轮,所述第一齿轮通过链条与三个第二齿轮传动连接,所述第二齿轮内卡接有第一螺旋轴,所述壳体的上表面固定连接有三个进料斗,三个所述进料斗的相对面固定连接。
该粉料自动投料装置,通过设置电机、主动齿轮、从动齿轮、第一齿轮、第一螺旋轴、链条、第二齿轮、主动轮、从动轮和皮带,使得本装置可以达到不同粉料的均匀上料的目的,且过程比较简便,节省了时间,提高了加工的效率,同时本装置通过一个电力驱动即可达到上料的工作,达到了节省能源的目的,从而提高了本装置的实用性。
申请人:恩邦科技(武汉)有限公司
地址:430000 湖北省武汉市经济技术开发区33MD地块(枫树三路108号)一楼105
国籍:CN
代理机构:上海精晟知识产权代理有限公司
代理人:刘宁
更多信息请下载全文后查看。
专利名称:自动吸送料装置专利类型:实用新型专利发明人:曾再添
申请号:CN91203191.3申请日:19910226
公开号:CN2080933U
公开日:
19910717
专利内容由知识产权出版社提供
摘要:一种自动吸送料装置,它包括真空料桶(1),吸料 管(10),电磁拉掣(8),连通管(18),微动开关(5)和进 水管(6)。
它利用真空原理将欲送的液体及内含的固 体物料经吸管先吸入一真空料桶中,直到相当数量后 再由进气管进气至真空料桶,同时将桶中的液体固体 由出料口输出借此达到既可大量快速地自动送料又 不使固体物料在输送过程中受到破坏,所以此装置极 适合食品加工业的工厂,或具有地下深池的作业。
作 迅速传送又不破坏固体原状的液固体混合物料自动 传送用。
申请人:曾再添,曾泓瑜
地址:台湾省台中市大有二街8-3号
国籍:CN
更多信息请下载全文后查看。
专利名称:一种垂直一体化熔融电解提纯金属钠的装置专利类型:实用新型专利
发明人:江瑜,袁小武,林久,阴宛珊,王荣贵
申请号:CN201420060195.4
申请日:20140210
公开号:CN203700538U
公开日:
20140709
专利内容由知识产权出版社提供
摘要:本实用新型涉及一种垂直一体化熔融电解提纯金属钠的装置。
本实用新型电解槽的底部开有金属钠出口;Na-β-AlO膈膜管的底部与电解槽的底部连接,所述的电解槽下方设置有排钠管,所述的排钠管一端与所述的金属钠出口连通,另一端连接有金属钠收集器。
本实用新型的垂直一体化熔融电解提纯金属钠的装置的金属钠出口位于电解槽的底部,在电解过程中阴极产物高纯钠在重力的作用下即可方便的排出并收集,不需通入保护气体在加压状态下才能排出高纯钠,提高了效率,降低了成本。
申请人:中国东方电气集团有限公司
地址:610036 四川省成都市金牛区蜀汉路333号
国籍:CN
代理机构:成都天嘉专利事务所(普通合伙)
代理人:赵丽
更多信息请下载全文后查看。
专利名称:一种化工物料的自动投料装置专利类型:实用新型专利
发明人:堀尾博英
申请号:CN201620050524.6
申请日:20160119
公开号:CN205323691U
公开日:
20160622
专利内容由知识产权出版社提供
摘要:本实用新型涉及一种化工物料的自动投料装置,其包括计重装置、设置在计重装置上且用于盛装化工物料的容器、位于计重装置的下方且能够与容器的出料口相对接的下料斗、与下料斗相连通用于将化工物料分别输送至各个反应器的输送装置、设置在容器的出料口处的控制阀,以及控制控制阀打开或闭合的控制系统,其中控制系统与计重装置相连通,当计重装置的计量满足投料量时,控制系统控制控制阀关闭。
本实用新型化工物料的投入量精确,全程封闭,还能够自动进行投料操作,十分方便,非常实用。
申请人:森田新能源材料(张家港)有限公司
地址:215634 江苏省苏州市张家港市江苏扬子江国际化学工业园长江路东侧、黄海路南侧国籍:CN
代理机构:苏州创元专利商标事务所有限公司
代理人:孙仿卫
更多信息请下载全文后查看。
专利名称:一种自动供料装置专利类型:实用新型专利
发明人:吴海峰
申请号:CN201721406355.6申请日:20171026
公开号:CN207810655U
公开日:
20180904
专利内容由知识产权出版社提供
摘要:本申请提供一种自动供料装置,包括轴容纳通道、设置在所述的轴容纳通道下侧的用于承接从所述的轴容纳通道内掉落的轴的接料装置,所述的接料装置的上表面设置有一沿X轴方向延伸的用于承接所述的轴的凹槽,所述的出料部的下部开口与所述的接料装置的上表面之间形成出料区,推送装置包括推送汽缸,所述的推送汽缸设置有一沿Y轴方向移动的推送头,所述的推送头位于所述的出料部的下部开口的一侧用于将轴从出料区推入所述的接料装置的凹槽内,所述的接料装置靠近推送装置的一侧具有一承接面,所述的承接面位于所述的出料区的下部开口的下侧,所述的承接面为一从远离所述的推送装置的一侧至靠近所述的推送装置的一侧逐渐向下倾斜的斜面。
申请人:苏州汉腾自动化设备有限公司
地址:215000 江苏省苏州市高新区旺米街88号
国籍:CN
代理机构:苏州市中南伟业知识产权代理事务所(普通合伙)
代理人:韩超
更多信息请下载全文后查看。
专利名称:一种金属制品生产用自动放料设备专利类型:实用新型专利
发明人:蓝燕群,金望明
申请号:CN201922213779.6
申请日:20191211
公开号:CN211338136U
公开日:
20200825
专利内容由知识产权出版社提供
摘要:本实用新型公开了一种金属制品生产用自动放料设备,涉及金属制品生产设备技术领域,包括底板,所述底板的顶部固定连接有第一底箱,所述第一底箱的顶部固定连接有第一顶箱,所述第一底箱的内部固定连接有电机,所述电机的输出端固定连接有推板,所述第一底箱靠近推板的一侧开设有推板卡槽。
该金属制品生产用自动放料设备,将待更换的金属卷材放置于传送带上,然后将金属卷材运输至推板的一侧,然后通过推板将金属卷材推至调节板的顶部,电动液压推杆推动调节板将金属卷材推至第二限位板的一侧,最后第二限位板将金属卷材推至固定轴的外表面,第二限位板与固定轴卡接,达到了自动上料和便于更换的目的,节省人力。
申请人:金望明
地址:510000 广东省广州市番禺区大石街东联村工业区中心北路22号103A
国籍:CN
代理机构:成都明涛智创专利代理有限公司
代理人:丁国勇
更多信息请下载全文后查看。
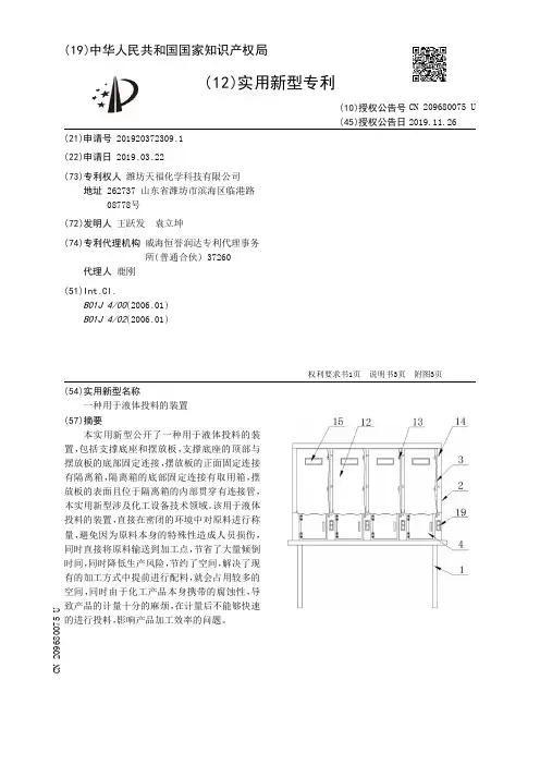
(19)中华人民共和国国家知识产权局(12)实用新型专利(10)授权公告号 (45)授权公告日 (21)申请号 201920372309.1(22)申请日 2019.03.22(73)专利权人 潍坊天福化学科技有限公司地址 262737 山东省潍坊市滨海区临港路08778号(72)发明人 王跃发 袁立坤 (74)专利代理机构 威海恒誉润达专利代理事务所(普通合伙) 37260代理人 鹿刚(51)Int.Cl.B01J 4/00(2006.01)B01J 4/02(2006.01)(54)实用新型名称一种用于液体投料的装置(57)摘要本实用新型公开了一种用于液体投料的装置,包括支撑底座和摆放板,支撑底座的顶部与摆放板的底部固定连接,摆放板的正面固定连接有隔离箱,隔离箱的底部固定连接有取用箱,摆放板的表面且位于隔离箱的内部贯穿有连接管,本实用新型涉及化工设备技术领域。
该用于液体投料的装置,直接在密闭的环境中对原料进行称量,避免因为原料本身的特殊性造成人员损伤,同时直接将原料输送到加工点,节省了大量倾倒时间,同时降低生产风险,节约了空间,解决了现有的加工方式中提前进行配料,就会占用较多的空间,同时由于化工产品本身携带的腐蚀性,导致产品的计量十分的麻烦,在计量后不能够快速的进行投料,影响产品加工效率的问题。
权利要求书1页 说明书3页 附图3页CN 209680075 U 2019.11.26C N 209680075U权 利 要 求 书1/1页CN 209680075 U1.一种用于液体投料的装置,包括支撑底座(1)和摆放板(2),所述支撑底座(1)的顶部与摆放板(2)的底部固定连接,其特征在于:所述摆放板(2)的正面固定连接有隔离箱(3),所述隔离箱(3)的底部固定连接有取用箱(4),所述摆放板(2)的表面且位于隔离箱(3)的内部贯穿有连接管(5),所述摆放板(2)的正面且位于隔离箱(3)的内部固定连接有称重器(6),所述称重器(6)的顶部固定连接有计量管(7),所述计量管(7)内腔的顶部通过连接软片(8)与连接管(5)一端的外表面固定连接,所述计量管(7)外表面的底部通过螺栓螺纹连接有出料管(9),且出料管(9)的外表面与取用箱(4)的顶部滑动连接,所述摆放板(2)背部的底部通过支撑板固定连接有动力泵(10),所述动力泵(10)出料口的表面与连接管(5)的另一端连通,所述动力泵(10)进料口的表面连通有进料管(11)。
(19)中华人民共和国国家知识产权局(12)实用新型专利(10)授权公告号 (45)授权公告日 (21)申请号 201920217503.2(22)申请日 2019.02.19(73)专利权人 宁夏万香源生物科技有限公司地址 753000 宁夏回族自治区石嘴山市惠农区石嘴山经济技术开发区淄山工业园区纬五路经五路(72)发明人 陈春明 周永峰 刘思嘉 宁高虎 (74)专利代理机构 宁夏合天律师事务所 64103代理人 孙彦虎(51)Int.Cl.B01J 19/18(2006.01)B01J 4/00(2006.01)(54)实用新型名称一种镁屑投料装置(57)摘要一种镁屑投料装置,包括送料管、送料阀、料斗、密封盖、除静电棒、镁粉筛分构件;本实用新型设置有镁粉筛分机构,以对镁屑进行筛分,以去除镁屑中的镁粉、细小的镁颗粒,只使符合粒径要求的镁屑输送至反应釜中;本实用新型设置有抽真空管,以对镁屑投料装置进行抽真空,以去除镁屑中残留的空气,防止镁屑被空气部分氧化;本实用新型设置有氮气输送管,以对抽真空后的镁屑投料装置输送氮气,以使镁屑投料装置内部形成氮气环境;解决了人工向反应釜投入镁屑过程中镁屑部分氧化、镁屑含有空气的技术难题,确保向反应釜投入镁屑过程无氧、无镁粉;本实用新型还设置有除静电棒,以去除镁屑中的静电,防止镁屑在输送过程中与火而自燃。
权利要求书1页 说明书5页 附图3页CN 209735599 U 2019.12.06C N 209735599U权 利 要 求 书1/1页CN 209735599 U1.一种镁屑投料装置,其特征在于:包括送料管、送料阀、料斗、密封盖、除静电棒、镁粉筛分构件,所述送料管一端设置于反应釜顶端一侧的内部,所述送料管另一端设置于反应釜顶端一侧的外部,所述送料阀设置于送料管中,以使送料管封闭或畅通,所述料斗底端设置于送料管的另一端上,所述密封盖设置于料斗的顶端,以使料斗顶端密封,所述除静电棒设置于料斗的侧壁上,以去除镁屑中的静电,所述镁粉筛分构件设置于送料管的内部和外部,以使镁粉中的镁屑与镁粉分离。
(19)中华人民共和国国家知识产权局(12)实用新型专利(10)授权公告号 (45)授权公告日 (21)申请号 201920358306.2(22)申请日 2019.03.20(73)专利权人 金川集团股份有限公司地址 737103 甘肃省金昌市金川路98号(72)发明人 王来虎 宛顺磊 冯建华 卢建波 苏兰伍 金岩 崔柱寿 李萍 魏玉梅 张四增 (74)专利代理机构 甘肃省知识产权事务中心62100代理人 武战翠(51)Int.Cl.C25C 7/06(2006.01)C25C 1/12(2006.01)(54)实用新型名称一种无动力抽液装置(57)摘要本实用新型提供了一种无动力抽液装置,包括造液槽,每一造液槽内设有一抽液管,每一抽液管与位于造液槽外的一注水管对应相接通,两者形成倒U型管,至少有一注水管的顶端设有注水阀,所有注水管均与总管相接通,总管通向收液区域。
本实用新型利用虹吸原理和自身重力差,将造液槽中沉淀的海绵铜留在造液槽中,海绵铜以上的溶液用无动力抽液装置抽到收集地坑内,实现了海绵铜与溶液的渣液分离,降低了海绵铜中的含镍量,改善了作业环境,延长了造液槽四周设备设施的使用寿命。
权利要求书1页 说明书2页 附图2页CN 209923458 U 2020.01.10C N 209923458U权 利 要 求 书1/1页CN 209923458 U1.一种无动力抽液装置,包括造液槽,其特征在于:每一造液槽内设有一抽液管,每一抽液管与位于造液槽外的一注水管对应相接通,两者形成倒U型管,至少有一注水管的顶端设有注水阀,所有注水管均与总管相接通,总管通向收液区域。
2.根据权利要求1所述的一种无动力抽液装置,其特征在于:总管与设有出液阀的出液管相接,出液管与引流管相接,引流管通至收液区域。
3.根据权利要求1或2所述的一种无动力抽液装置,其特征在于:每一抽液管呈L型,由横管和纵管组成,纵管位于造液槽内液面以下,纵管顶端与横管一端相接通,注水管纵向设置,其与纵管顶端等齐,底端高于纵管底端,且顶端与横管另一端相接通,形成所述倒U型管。
(19)中华人民共和国国家知识产权局
(12)实用新型专利
(10)授权公告号 (45)授权公告日 (21)申请号 201920213429.7
(22)申请日 2019.02.15
(73)专利权人 福建立亚特陶有限公司
地址 362000 福建省漳州市龙海市港尾镇
城外村
(72)发明人 李华展 陈聪彬 陈杰辉
(74)专利代理机构 泉州市众创致远专利代理事
务所(特殊普通合伙) 35241
代理人 耿岩
(51)Int.Cl.
B01J 4/00(2006.01)
(54)实用新型名称
一种金属钠自动投料装置
(57)摘要
本实用新型公开了一种金属钠自动投料装
置,送料机构设置在防尘框架内部的左侧,储料
机构设置在防尘框架的内部右侧,储料机构的输
出端与送料机构的进料端相连接;支架设置在防
尘框架的内部右侧,储料罐设置在支架的上方,
储料罐的顶部设有进料口,储料罐的左侧设有出
料口,导料板倾斜设置在储料罐的内部,导料板
与储料罐右侧壁的夹角为β,30°≤β≤80°,储
料罐的内部设有推料气缸,推料气缸的活塞杆末
端与挡料板相连接,出料口与挡料板之间形成一
个落料空间;本实用新型结构简单,操作方便,可
以实现自动投放金属钠,密闭的操作环境,可以
消除存在的安全隐患。
权利要求书1页 说明书2页 附图1页CN 209530808 U 2019.10.25
C N 209530808
U
权 利 要 求 书1/1页CN 209530808 U
1.一种金属钠自动投料装置,其特征在于:包括防尘框架、送料机构和储料机构,送料机构设置在防尘框架内部的左侧,储料机构设置在防尘框架的内部右侧,储料机构的输出端与送料机构的进料端相连接;储料机构包括:支架、储料罐、推料气缸、挡料板和导料板,支架设置在防尘框架的内部右侧,储料罐设置在支架的上方,储料罐的顶部设有进料口,储料罐的左侧设有出料口,导料板倾斜设置在储料罐的内部,导料板与储料罐右侧壁的夹角为β,30°≤β≤80°,储料罐的内部设有推料气缸,推料气缸的活塞杆末端与挡料板相连接,出料口与挡料板之间形成一个落料空间,挡料板处于导料板的下方,挡料板的宽度小于出料口的宽度。
2.根据权利要求1所述的一种金属钠自动投料装置,其特征在于,所述送料机构包括:送料支架、传送带、导料支架、第二导料板和调节块,送料支架设置在防尘框架的内部,传送带设置在送料支架的上方,传送带的左侧处于防尘框架的出料口正上方,传送带的右侧与第二导料板相连接,导料支架设置在防尘框架的内部,第二导料板倾斜设置在导料支架的上方,第二导料板的上方两侧设有调节块。
3.根据权利要求1所述的一种金属钠自动投料装置,其特征在于,所述防尘框架下方设有调节阀。
2。