铸造标准
- 格式:doc
- 大小:76.00 KB
- 文档页数:4
铸造原材料技术标准1、总则本标准中的原材料包括造型材料、金属炉料、炉料合金、耐火材料和附加剂等。
本标准规定了本公司原材料的技术要求。
本标准适用于本公司原材料的验收。
2、造型材料2.1原砂序号要求项目技术指标1 适用标准GB/T9442-20102 烧结温度≥1350℃3 SiO2含量≥90%4 含泥量<0.5%5 平均粒度0.14mm-0.22mm(AFS110-75)6 粒度分布90%原砂停留在3—4个筛子上7 水分≤0.3%2.2膨润土序号要求项目技术指标1 适用标准JB/T9227-19992 膨润土含量≥70%3 水含量≤12%4 PH值≥8.55 膨胀指数10-20ml6 吸蓝量20g/100g膨润土7 粒度重量的95%以上通过200目铸造用试验筛2.3煤粉序号要求项目技术指标1 适用标准GB/T9442-20102 水含量≤3%3 灰分≤10%4 挥发份最低30%,最高40%5 含硫量≤1%6 粒度95%以上的颗粒通过200目铸造用试验筛2.4原砂序号要求项目允许范围最佳范围1 适用标准GB/T9442-20102 平均粒度40-80 50-603 粒形—— 圆形4 耗酸值<10ml 尽可能低5 含泥量(质量分数)<0.3% 06 氧化铁(质量分数)<0.3% ——7 含水量<0.25% <0.1%2.5冷芯盒树脂2.6三乙胺2.6.1产品中三乙胺含量≥99%,含水量≤0.3%。
2.7造型材料中水分含量超标的,从总重量中减去超出部分重量的2倍作为计价重量。
3、金属炉料3.1生铁3.1.1铸造灰口铸铁用生铁适用标准GB/T718-2005。
3.1.2化学成分要求如下表化学成分(质量分数)/%牌号 C Si MnSPZ14 ≥1.25~1.60 Z18≥3.30>1.60~2.00>0.9~1.30 ≤0.050 >0.060~0.1003.1.3块状生铁单重2kg ~7kg ,大于7kg 和小于2kg 的铁块之和,每批中应不超过重量的10%。
铸造验收规范标准最新1. 目的与适用范围本规范旨在确保铸造产品的质量,适用于所有金属铸造生产过程中的产品质量控制。
2. 原材料要求- 铸造所用原材料必须符合国家标准或行业标准,包括但不限于金属锭、合金材料等。
- 原材料应具有清晰的标识和可追溯性。
3. 模具与工艺要求- 模具设计应满足产品形状、尺寸精度和生产效率的要求。
- 铸造工艺应根据产品特点和材料特性合理选择。
4. 铸造过程控制- 铸造过程中应严格控制熔炼温度、浇注速度和冷却速率。
- 应定期对铸造设备进行维护和校准,确保其正常运行。
5. 产品尺寸与形状精度- 产品尺寸应符合设计图纸要求,尺寸偏差应控制在规定的范围内。
- 产品形状应符合设计要求,无明显变形或缺陷。
6. 表面质量- 产品表面应光滑、无裂纹、无砂眼、无气泡等缺陷。
- 表面粗糙度应满足设计要求或行业标准。
7. 内部质量- 通过无损检测方法,如X射线、超声波等,确保产品内部无裂纹、缩孔、夹杂等缺陷。
- 内部组织应均匀,无明显的偏析现象。
8. 热处理与性能要求- 根据材料特性和产品要求,进行适当的热处理,如退火、正火、淬火等。
- 产品的性能应满足力学性能、耐蚀性能等要求。
9. 检验与试验- 产品在出厂前应进行严格的检验,包括尺寸检验、外观检验、内部质量检验等。
- 根据需要,可进行力学性能试验、耐蚀性试验等。
10. 标识与包装- 每个产品都应有清晰的标识,包括产品型号、生产日期、批号等。
- 包装应确保产品在运输和储存过程中不受损坏。
11. 质量记录与追溯- 应建立完整的质量记录体系,记录每个生产环节的关键参数和检验结果。
- 产品应具有可追溯性,以便在发现问题时能够追踪到具体批次和生产环节。
12. 持续改进- 企业应持续收集产品质量反馈,不断优化生产工艺和质量控制流程。
结尾本规范标准的制定旨在提高铸造行业的产品质量,确保用户能够获得可靠和高质量的产品。
企业应严格遵守本规范,不断提升自身的生产和管理水平,以满足市场和用户的需求。
276国内动态Vol.70 No.2 2021四项铸造国家标准发布国家市场监督管理总局(国家标准化管理委员会)批准发布909项国家标准(2020年第26号和第28号中国国家 标准公告)。
其中,涉及到全国铸造标准化技术委员会(SAC/TC54)归口管理的四项铸造国家标准,见下表。
序号标准编号标准名称标准主要内容实施日期铝合金石膏型铸造通用技术导则本标准规定了铝合金石膏型熔模铸造的工艺过程、石膏铸型制备、石膏1GB/T 39314—2020铸型粉及铸型性能检测、铸件浇注工艺及设备、铸件清理、铸件检验及废旧石膏型的处理2021-06-01钛合金铸件表面处理技术规范本标准适用于铝合金铸件的石膏型熔模铸造工艺过程2GB/T 39330—2020本标准规定了钛及钦合金铸件表面的表面处理、质量检验、质量控制和技术安全2021-06-01本标准适用于石墨加工型、砂型、金属型和熔模精铸型生产的钛及钛合3GB/T 39428—2020砂型铸钢件表面质量目视检测方法金铸件的表面处理本标准规定了砂型铸造的铸钢件表面质量的目视检测方法及质量等级=2021-06-01本标准适用于砂型铸造的铸钢件4GB/T 39638—2020铸件X射线数字成像检测本标准规定了铸件采用数字探测器阵列(D D A)的X射线数字成像检测技术分级和补偿规则、一般要求、检测技术、图像评定、检测记录和报告等本标准适用于钢、铁、铜及铜合金、镍及镍合金、铝及铝合金、镁及镁合金、钛及钛合金等材料的铸件,其他金属材料铸件也可参照使用2021-07-01(全国铸造标准化技术委员会秘书处供稿)JB/T 13747—2020铸造行业标准发布曰前,中华人民共和国工业和信息化部批准发布656项行业标准(中华人民共和国工业和信息化部公告2020年第15 号)。
其中,涉及到全国铸造标准化技术委员会(SA C7TC54)归口管理的铸造行业标准,见下表。
序号标准编号标准名称标准主要内容实施日期1JB/T 13747—2020砂型铸造生产过程安全操作规范本标准规定了砂型铸造生产全过程的安全操作相关的术语和定义,设备,设备维护一般规定,安全防护,设备操作一般要求,型砂制备、造型、制芯,熔化和浇注,清整和修整等工序安全操作规范。
有色铸造执行标准
有色铸造是一种铸造工艺,通常包括铜合金、铝合金、锌合金等有色金属的铸造。
相关的执行标准主要由国家或行业标准制定,具体标准可能会因地区和时间的不同而有所变化。
以下是一些可能涉及有色铸造的执行标准:
1.GB/T 1176 - 1987《铜合金铸件缺陷分类》
•该标准规定了铜合金铸件的缺陷分类及其术语。
2.GB/T 15115 - 2009《锌合金压铸件质量分级及缺陷分类》
•该标准规定了锌合金压铸件的质量分级及缺陷分类。
3.GB/T 1177 - 1993《铜合金铸造试样的制备》
•该标准规定了铜合金铸造试样的制备方法。
4.GB/T 1178 - 1993《铜合金铸造铸态组织检验方法》
•该标准规定了铜合金铸造铸态组织检验的方法。
5.GB/T 6414 - 2005《铝合金铸件机械性能试验方法》
•该标准规定了铝合金铸件机械性能的试验方法,包括拉伸性能、冲击性能等。
6.GB/T 5231 - 2001《铝及铝合金化学分析方法》
•该标准规定了铝及铝合金的化学分析方法。
7.GB/T 17427 - 2010《高性能铝合金压铸件技术条件》
•该标准规定了高性能铝合金压铸件的技术条件,包括材料、机械性能等。
8.GB/T 19074 - 2003《铝及铝合金压铸件术语》
•该标准规定了铝及铝合金压铸件的术语。
上述标准主要涵盖了有色铸造中常见的铜合金、铝合金、锌合金等材料,以及与铸造过程、性能测试、缺陷分类等相关的内容。
请注意,标准的具体版本和适用范围可能随时间而变化,建议在需要时查阅最新的标准文档。
国家铸钢件铸造标准
国家铸钢件铸造标准包括以下几个方面:
1.铸钢件的设计和制造技术规范:涉及铸钢件的设计、制造、
加工、检验等方面的技术要求和规范。
2.铸钢件制造的质量控制和检验:指铸钢件制造过程中必须遵
守的质量控制和检验要求,如原材料选料、化学成分控制、熔炼工艺、浇注工艺、热处理工艺、检验标准等。
3.铸钢件的工作条件:规定了铸钢件在不同的工作条件下的使
用要求和注意事项,包括使用温度、工作强度、使用环境等等。
4.铸钢件的修复和维护:铸钢件在使用过程中,由于各种原因
可能会出现损坏或磨损,需要进行修复或更换。
该标准规定了铸钢件修复和维护的方法和步骤。
国家铸钢件铸造标准的制定和执行,有利于提高铸钢件制造的技术水平和质量,保障铸钢件的使用安全和可靠性,也促进了我国铸造产业的发展。
铸造行业标准1 铸造通用基础及工艺标准规范汇编1.1 GBT 5611-1998 铸造术语1.1.1 基本术语1.1.2 砂型铸造1.1.3 特种铸造1.1.4 造型材料1.1.5 铸件后处理1.1.6 铸件质量1.1.7 铸造工艺设计及工艺装备1.1.8 铸造合金及熔炼、浇注1.2 GBT 5678-1985铸造合金光谱分析取样方法1.3 GBT 60601-1997 表面粗糙度比较样块铸造表面1.4 GBT 6414-1999 铸件尺寸公差与机械加工余量1.5 GBT1 1351-1989 铸件重量公差1.6 GBT 15056-1994 铸造表面粗糙度评定方法1.7 JBT 2435-1978 铸造工艺符号及表示方法1.8 JBT 40221-1999 合金铸造性能测定方法1.9 JBT 40222-1999 合金铸造性能测定方法1.10 JBT 5105-1991 铸件模样起模斜度1.11 JBT5106-1991 铸件模样型芯头基本尺寸1.12 JBT 6983-1993 铸件材料消耗工艺定额计算方法1.13 JBT7528-1994 铸件质量评定方法1.14 JBT 7699-1995 铸造用木制模样和芯盒技术条件2 铸铁标准规范汇编2.1 GBT 1348-1998 球墨铸铁件2.2 GBT 3180-1982 中锰抗磨球墨铸铁件技术条件2.3 GBT 5612-1985 铸铁牌号表示方法2.4 GBT 5614-1985 铸铁件热处理状态的名称、定义和代号2.5 GBT 6296-1986 灰铸铁冲击试验方法2.6 GBT 7216-1987 灰铸铁金相2.7 GBT 8263-1999 抗磨白口铸铁件2.8 GBT 8491-1987 高硅耐蚀铸铁件2.9 GBT 9437-1988 耐热铸铁件2.10 GBT 9439-1988 灰铸铁件2.11 GBT 9440-1988 可锻铸铁件2.12 GBT 9441-1988 球墨铸铁金相检验2.13 GBT 17445-1998 铸造磨球2.14 JBT 2122-1977 铁素体可锻铸铁金相标准2.15 JBT 3829-1999 蠕墨铸铁金相2.16 JBT 4403-1999 蠕墨铸铁件2.17 JBT 5000.4-1998 重型机械通用技术条件铸铁件2.18 JBT 7945-1999 灰铸铁力学性能试验方法2.19 JBT 9219-1999 球墨铸铁超声声速测定方法2.20 JBT 9220.1-1999 铸造化铁炉酸性炉渣化学分析方法总则及—般规定2.21 JBT 9220.2-1999 铸造化铁炉酸性炉渣化学分析方法高氯酸脱水重量法测定二氧化硅量2.22 JBT 9220.3-1999 铸造化铁炉酸性炉渣化学分析方法重铬酸钾容量法测定氧化亚铁量2.23 JBT 9220.4-1999 铸造化铁炉酸性炉渣化学分析方法亚砷酸钠—亚硝酸钠容量法测定—氧化锰量2.24 JBT 9220.5-1999 铸造化铁炉酸性炉渣化学分析方法氟化钠—EDTA容量法测定三氧化二铝量2.25 JBT 9220.6-1999 铸造化铁炉酸性炉渣化学分析方法DDTC分离EGTA 容量法测定氧化钙量2.26 JBT 9220.7-1999 铸造化铁炉酸性炉渣化学分析方法高锰酸钾容量法测定氧化钙2.27 JBT 9220.8-1999 铸造化铁炉酸性炉渣化学分析方法DDTC分离EDTA容量法测定氧化镁2.28 JBT 9220.9-1999 铸造化铁炉酸性炉渣化学分析方法磷矾钼黄—甲基异丁基甲酮萃取光度法测定五氧化二磷量2.29 JBT 9220.10-1999 铸造化铁炉酸性炉渣化学分析方法硫酸钡重量法测定硫量2.30 JBT9220.11-1999 铸造化铁炉酸性炉渣化学分析方法燃烧—碘酸钾容量法测定硫量2.31 JBT 9228-1999球墨铸铁用球化剂3 铸钢标准规范汇编3.1 GBT 2100-2002 —般用途耐蚀钢铸件3.2 GBT 5613-1995 铸钢牌号表示方法3.3 GBT 5615-1985 铸钢件热处理状态的名称、定义及代号3.4 GBT 5677-1985 铸钢件射线照相及底片等级分类方法3.5 GBT 5680-1998 高锰钢铸件3.6 GBT 6967-1986 工程结构用中、高强度不锈钢铸件3.7 GBT 7233-1987 铸钢件超声探伤及质量评级方法3.8 GBT 7659-1987 焊接结构用碳素钢铸件3.9 GBT 8492-2002 —般用途耐热钢和合金铸件3.10 GBT 8493-1987 —般工程用铸造碳钢金相3.11 GBT 9943-1988 铸钢件渗透探伤及缺陷显示迹痕的评级方法3.12 GBT 9444-1988 铸钢件磁粉探伤及质量评级方法3.13 GBT 11352-1989 —般工程用铸造碳钢件3.14 GBT 13925-1992 铸造高锰钢金相3.15 GBT 14408-1993 —般工程与结构用低合金铸钢件3.16 GBT 16253-1996 承压钢铸件3.17 JBT 50006-1998 重型机械通用技术条件铸钢件3.18 JBT 500014-1998 重型机械通用技术条件铸钢件无损探伤3.19 JBT 6402-1992 大型低合金钢铸件3.20 JBT 6403-1992 大型耐热钢铸件3.21 JBT 404-1992 大型高锰钢铸件3.22 JBT 6405-1992 大型不锈钢铸件3.23 IBT 7024-1993 300~600MW 汽轮机缸体铸钢件技术条件3.24 JBT 7349-2002 混流式水轮机焊接转轮不锈钢叶片铸件3.25 JBT 7350-2002 轴流式水轮机不锈钢叶片铸件3.26 JBT 1026-2001 混流式水轮机焊接转轮上冠、下环铸件4 铸造有色合金标准规范汇编4.1 GBT 1173-1995 铸造铝合4.2 GBT 1174-1992 铸造轴承合金4.3 GBT 1175-1997 铸造锌合金4.4 GB 1176-1987 铸造铜合金技术条件4.5 GB 1177-1991 铸造镁合4.6 GBT 6614-1994 钛及钛合金铸件4.7 GBT 8063-1994 铸造4.8 GBT 9438-1999 铝合金铸件4.9 GB 11346-1989 铝合金铸件射线照相检验针孔(圆形)分级4.10 GBT 15073-1994 铸造钛及钛合金牌号和化学成分4.11 GBT 16746-1997 锌合金铸件4.12 GBT 8733-2000 铸造铝合金锭5 压铸合金标准规范汇编5.1 GBT 13818-1992 压铸锌合金5.2 GBT13821-1992 锌合金压铸件5.3 GBT 13822-1992 压铸有色合金试样5.4 GBT 15114-1994 铝合金压铸件5.5 GBT 15115-1994压铸铝合金5.6 GBT 15116-1994 压铸铜合金5.7 GBT 15117-1994 铜合金压铸件5.8 JB 3070-1982 压铸镁合金技术条件6 熔模铸造标准规范汇编6.1 GB 12214-1990 熔模铸造用硅砂、粉6.2 GB 12215-1090 熔模铸造用铝矾土砂、粉6.3 GBT 14235.1-1993 熔模铸造模料熔点测定方法(冷却曲线法) 6.4 GBT 14235.2-1993 熔模铸造模料抗弯强度测定方法6.5 GBT 14235.3-1993 熔模铸造模料灰分测定方法6.6 GBT 14235.4-1993 熔模铸造模料线收缩率测定方法6.7 GBT 14235.5-1993 熔模铸造模料表面硬度测定方法6.8 GBT 14235.6-1993 熔模铸造模料酸值测定方法6.9 GBT 14235.7-1993 熔模铸造模料流动性测定方法6.10 GBT 14235.8-1993 熔模铸造模料粘度测定方法6.11 GBT 14235.9-1993 熔模铸造模料热稳定性测定方法6.12 JBT 2980.1-1999 熔模铸造型壳高温热变形试验方法6.13 JBT 2980.2-1999 熔模铸造型壳高温抗弯强度试验方法6.14 JBT 4007-1999 熔模铸造涂料试验方法6.15 JBT 4153-1999 型壳高温透气性试验方法6.16 JBT 5100-91 熔模铸造碳钢件技术条件7 铸造用生铁及铁合金标准规范汇编7.1 GBT 717-1998炼钢用生铁7.2 GBT 718-2005 铸造用生铁7.3 GBT 1412-2005 球墨铸铁用生铁7.4 GB 2272-1987 硅铁7.5 GB 3282-1987 钛铁7.6 GBT 3648-1996 钨铁7.7 GB 3649-1987 钼铁7.8 GBT 3650-1995 铁合金验收、包装、储运、标志和质量证明书的一般规定7.9 GBT 3795-2006锰铁7.10 GBT 4008-1996 锰硅合金7.11 GB 4009-1989 硅铬合金7.12 GBT 4010-1994 铁合金化学分析用试样的采取和制备7.13 GBT 4137-2004 稀土硅铁合金7.14 GBT 4138-2004 稀土镁硅铁合金7.15 GBT 41390-2004 钒铁7.16 GB 5683-1987 铬铁7.17 GB 5684-1987 真空法微碳铬铁7.18 GB/T 7737-1997铌铁7.19 GB 7738-1987 铁合金产品牌号表示方法7.20 GB 8729-1988 铸造焦炭7.21 GBT 9971-2004 原料纯铁7.22 GBT 13247-1991 铁合金产品粒度的取样和检测方法7.23 GBT 1 4984-1994 铁合金术语7.24 GBT 15710-1995 硅钡合金7.25 YBT 092-1996合金铸铁球7.26 YBT 093-1996 低铬合金铸铁段8 铸造用造型材料标准规范汇编8.1 GBT 2684-1981 铸造用原砂及混合料试验方法8.2 GBT 7143-1986 铸造用硅砂化学分析方法8.3 GBT9442-1998 铸造用硅砂8.4 GBT 12216-1990 铸造用合脂粘结剂8.5 JBT 2755-1980 铸造用亚硫酸盐木浆废液粘结剂8.6 JBT 3828-1999 铸造用热芯盒树脂8.7 JBT 5107-1991 砂型铸造用涂料试验方法8.8 JBT 6984-1993 铸造用铬铁矿砂8.9 JBT 6985-1993 铸造用镁橄榄石砂9 性能试验方法标准规范汇编9.1 GBT 228-2002 金属材料室温拉伸试验方法9.2 GBT 229-1994 金属夏比缺口冲击试验方法9.3 GBT 230.1-2004 金属洛氏硬度试验第1 部分:试验方法(A、B、C、D、E、F、G、H、K、N、T标尺)9.4 GB/T 230.2-2002 金属洛氏硬度试验第2 部分:硬度计(A、B、C、D、E、F、G、H、K、N、T标尺)的检验与校准9.5 GBT 230.3-2002 金属洛氏硬度试验第3 部分:标准硬度块(A、B、C、D、E、F、G、H、K、N、T标尺)的标定9.6 GBT 231.1-2002 金属布氏硬度试验第1 部分1试验方法9.7 GBT 231.2-2002 金属布氏硬度试验第2 部分:硬度计的检验与校准9.8 GBT 231.3-2002 金属布氏硬度试验第3部分:标准硬度块的标定9.9 GBT 232-1999 金属材料弯曲试验方法9.10 GBT 1172-1999 黑色金属硬度及强度换算值9.11 GBT 2039-997 金属拉伸蠕变及持久试验方法9.12 GBT 4337-1984 金属旋转弯曲疲劳试验方法9.13 GBT 4338-1995 金属材料高温拉伸试验9.14 GBT 7314-2005 金属压缩试验方法9.15 GBT 12778-1991 金属夏比冲击断口测定方法9.16 GBT 13239-1991 金属低温拉伸试验方法9.17 GBT 13298-1991 金属显微组织检验方法只是中国的就不只这么多,其余还有还有欧洲标准、日本标准等等。
铸造件倒角标准
铸造件倒角标准在不同情况下有所不同,以下是一些常见的铸造件倒角标准:
1. 最小要求:一般情况下,铸造件倒角的最小要求是1mm,这个数值可以作为起点参考。
2. 一般标准:常见的铸造件倒角标准在1-3mm之间,一般情况下2mm左右可以满足大部分的产品要求。
3. 特殊情况:针对一些非常特殊的工件或者特殊材料,倒角设置需要根据实际情况进行调整,以保证产品质量和生产效率。
这些铸造件倒角标准仅为一般性指导,具体的标准和规格可能根据工件的设计和用途有所不同,也可能涉及到一些行业标准和规范。
在实际应用中,需要根据具体的情况和需求进行选择和调整。
客户可参照本公司以下技术保证内容及标准,设计精密铸造产品。
● 公差(单位:mm)◇推荐形位公差名义尺寸--10 10-- 30 30 -- 100 100 -- 300 300 -- 1000一般精度0.12 0.18 0.27 0.40 0.60 直线度高精度0.08 0.12 0.18 0.27 0.40一般精度0.18 0.27 0.40 0.60 0.90 圆度高精度0.12 0.18 0.27 0.40 0.60一般精度0.18 0.27 0.40 0.60 0.90 平行度、垂直度、对称度高精度0.12 0.18 0.27 0.40 0.60一般精度0.18 0.27 0.40 0.60 0.90 同轴度高精度0.12 0.18 0.27 0.40 0.60◇推荐尺寸公差﹕名义尺寸公差(一般精度) 公差(高精度)小于3 ±0.200 ±0.1003------6 ±0.240 ±0.1206------10 ±0.260 ±0.13010------16 ±0.270 ±0.14016------25 ±0.290 ±0.15025------40 ±0.320 ±0.16040------63 ±0.350 ±0.18063------100 ±0.390 ±0.200100------160 ±0.440 ±0.220160------250 ±0.500 ±0.250250------400 ±0.550 ±0.280400------630 ±0.600 ±0.320630------1000 ±0.700 ±0.350◇角度公差﹕≤±0.5°● 最小铸造孔径D ≥ Φ2通孔D >Φ7, 长度L = 3D; 通孔 D <Φ7, 长度L = 2D盲孔 D >Φ7, 深度L = 2D; 盲孔 D <Φ7, 深度L = D● 铸造圆角外圆角R ≥ 0.3 内圆角R ≥ 0.5● 最小壁厚一般1.0 mm, 部分可达0.6 mm● 表面粗糙度有色金属: 1.6 μm ~3.2 μm黑色金属: 3.2 μm ~6.3 μm● 铸件外廓尺寸及重量﹕◇外廓一般不超过1400×600×600mm, 重量不超过40kg● 材质选择﹕◇可提供的铸件材料包括﹕铝合金(含铝镁合金、铝锂合金)、铜合金(含铍青铜合金)、不锈钢(含沉淀硬化不锈钢)及镍基合金、钴基合金、铁基合金等。
铸造工件设计标准要求是什么铸造工件的设计标准要求是指在进行铸造工艺设计和产品设计时需要遵守的一系列规定和要求,确保铸造工件的质量和性能达到预期的要求。
以下是铸造工件设计标准要求的内容:1. 产品质量标准:铸造工件的设计应符合产品相关的质量标准,如国家标准、行业标准或用户需求。
同时,产品质量标准还包括铸造工件的表面光洁度、尺寸精度、物理和化学性能等方面的要求。
2. 结构强度:铸造工件在使用中需要承受不同方向、大小和类型的力作用,因此在设计中需要考虑结构的强度和刚度。
通过合理的结构设计和材料选择,确保铸造工件在使用过程中不发生破坏或变形。
3. 材料选择:铸造工件的材料选择应基于其使用环境、工作温度、应力情况等因素进行合理选择。
常用的铸造材料包括铁、钢、铝等,不同材料具有不同的力学性能和耐腐蚀能力。
4. 尺寸精度:铸造工件在设计时需要考虑其尺寸精度要求,以确保与其它零件的匹配和装配。
同时,还需要考虑铸造工艺的限制和缩松等因素对尺寸精度的影响,并进行合理的补偿设计。
5. 壁厚设计:铸造工件的壁厚设计是指确定合理的工件壁厚,以确保其在铸造过程中能够保持良好的铸造性能,同时避免过于薄或过于厚造成的问题,如冷态裂纹、气孔、收缩等。
6. 浇注系统设计:铸造工件的浇注系统设计是指合理确定铸造中的浇注位置、浇注方式和浇注系统构造等因素。
通过优化浇注系统设计,可以减少气孔和夹杂等缺陷的产生,提高铸件的质量。
7. 安全性设计:铸造工件设计还需考虑工件在使用过程中的安全性要求,如避开因破裂或变形而引起的危险以及有害物质的泄露等。
此外,还需考虑工件的使用寿命、预防疲劳和腐蚀等问题。
总之,铸造工件的设计标准要求包括产品质量标准、结构强度、材料选择、尺寸精度、壁厚设计、浇注系统设计和安全性设计等方面的要求,旨在确保铸造工件的质量和性能符合预期。
在铸造工件的设计过程中,应综合考虑这些因素,进行合理设计和优化。
铸造、压铸标准技术标准是国际贸易中的准则,是作为设计、制造、验收产品的依据。
广东省铸造学会、广东省压铸学会收录了部分标准:铸造和压铸的中国国家标准、行业标准,以及美、欧、日、澳、德、俄等国家的相应标准。
压铸标准包括:(一)通用标准;(二)压铸机标准;(三)压铸模标准;(四)合金及工艺标准,包括铝合金、镁合金、锌合金、铜合金、铅锡合金等。
铸造标准包括:(一)基础通用与铸造工艺技术标准;(二)铸钢标准;(三)铸铁标准;(四)铸造有色合金标准;(五)造型材料标准;(六)熔模铸造标准等。
压铸标准目录一、通用标准中国GB/T24001-1996 idt ISO 14001:1996 环境管理体系规范及使用指南GB/T19001-2000 idt ISO/FDIS9001:2000 质量管理体系––要求GB/T5611-1998铸造术语HB7578-1997铸件试制定型规范GB/T8063-94 铸造有色金属及其合金牌号表示方法GB/T13822-92 压铸有色合金试样GB5678-85 铸造合金光谱分析取样方法HB5343-94 铸造工艺质量控制GB/T6414-1999 铸件尺寸公差及机械加工余量GB/T15056-94 铸造表面粗糙度评定方法二、压铸机标准中国JB/T8083-1999 压铸机型式与基本参数JB/T8084.1-1999 冷室压铸机精度JB/T8084.2-1999 冷室压铸机技术条件JB/T6039.2-92 热室压铸机精度JB/T6039.3-92 热室压铸机技术条件三、压铸模标准中国GB8844-88 压铸模技术条件GB8847-88 压力铸造模具术语GB4678.1~15-84 压铸模零件GB4679-84 压铸模零件技术条件美国压铸模四、合金及工艺标准1.铝合金中国GB/T1173-95 铸造铝合金GB/T8733-2000 铸造铝合金锭YS/T282-2000 铝中间合金锭JB/T7946.1-1999 铸造铝硅合金变质JB/T7946.2-1999 铸造铝硅合金过烧JB/T7946.3-1999 铸造铝合金针孔GB/T15115-94 压铸铝合金GB/T15114-94 铝合金压铸件HB5012-86 铝合金压铸件HB/Z220.2-92 铝合金金属型铸造HB/Z220.3-92 铝合金低压铸造HB/Z220.4-92 铝合金压力铸造HB/Z220.7-92 铝合金铸件浸渗GJB1695-93 铸造铝合金热处理规范国际标准 ISO3522-84 铸造铝合金美国ASTMB85-96 铝合金压铸件ASTMB179-96 砂型铸件、永久型铸件及压铸件用铝合金锭ASTMB597-98 铝合金热处理日本JISH2118:2000压铸用铝合金锭JISH5302:2000 铝合金压铸件2.镁合金中国GB1177-91 铸造镁合金GB/T13820-92 镁合金铸件国际标准ISO/DIS16220-1999 铸造镁合金美国ASTMB93/B93M-98 砂型铸件、永久型铸件及压铸件用镁合金锭ASTMB94-94 镁合金压铸件日本JISH2222-1991 压铸用镁合金锭JISH5303-1991 镁合金压铸件欧洲EN1754-1997 镁和镁合金—铸锭和铸件俄罗斯ΓOCT2856-79 铸造镁合金3.锌合金中国GB/T1175-1997 铸造锌合金GB/T13818-92 压铸锌合金GB/T13821-92 锌合金压铸件国际标准ISO301-1981 铸造用锌合金锭美国ASTMB86-98 锌合金压铸件ASTMB240-98 压铸件用锌合金锭ASTMB327-98 压铸锌合金用铝中间合金日本JISH5301-90 锌合金压铸件JISH2021:1999 压铸用锌合金锭欧洲EN 1774-1997 铸造锌合金EN 12844:1998 锌和锌合金-铸件-规格俄罗斯ΓOCT19424-74 压铸锌合金澳大利亚AS1881-1986 锌合金4.铜合金中国GB1176-87 铸造铜合金技术条件GB/T15116-94 压铸铜合金GB/T15117-94 铜合金压铸件美国ASTMB176-95 铜合金压铸件日本JISH2202:2000 铸造用铜合金锭欧洲EN1982:1998 铜和铜合金-铸锭和铸件俄罗斯ΓOCT17711-93 铸造黄铜化学成分5.铅锡合金中国GB/T8740-1988 铸造铅基轴承合金锭GB/T8740-1988 铸造锡基轴承合金锭美国ASTMB102-93 铅合金和锡合金压铸件日本JISH2231-1962 活字金属锭JISH5601-1990 硬铅铸件JISH5401-1958 轴承合金德国DIN1742-71 锡压铸合金DIN1741-1974 压铸用铅合金英国BS3332-1987 白合金轴承合金锭俄罗斯ΓOCT1320-74 巴比特合金。
金属铸造通用技术规范标准1. 引言本文档旨在制定金属铸造通用技术规范标准,以确保金属铸造过程中的质量和安全。
2. 适用范围本标准适用于各种金属铸造方法,包括但不限于砂型铸造、金属型铸造和熔模铸造。
3. 材料选择在金属铸造过程中,应根据所需零件的性能要求选择合适的金属材料,并确保其符合相关的材料标准。
4. 模具设计模具设计应符合以下要求:- 模具内部应有充分的流动道和通气道,以确保金属液的顺利填充和气体的排出。
- 模具的结构应合理,以避免失真和缺陷的产生。
- 模具表面应光滑平整,以确保铸件的表面质量。
5. 浇注系统设计浇注系统设计应考虑以下方面:- 浇注系统应能够将金属液均匀地引导到模腔中,避免产生渣滓和气体包。
- 浇注系统的位置应合理,以便于金属液的填充和浇注过程的控制。
- 浇注系统中的浇口和浇杆应具有足够的强度和耐热性。
6. 铸造工艺控制在金属铸造过程中,应进行严格的工艺控制,以确保铸件的质量和尺寸的准确性。
主要控制参数包括:- 浇注温度和浇注速度- 铸型温度和铸型耐热性- 金属液的成分和净化处理- 铸造过程中的气氛和氧化剂控制7. 熔炼和净化金属铸造中使用的金属材料应进行充分的熔炼和净化处理,以去除杂质和气体。
熔炼和净化过程应符合相关的熔炼工艺标准。
8. 检测和质量控制金属铸造完成后,应进行必要的检测和质量控制。
常用的检测方法包括:- 尺寸检测- 缺陷检测(如裂纹、气孔等)- 化学成分分析- 物理性能测试9. 铸件处理和表面处理根据具体的要求,铸件可能需要进行后续的热处理、机械加工和表面处理,以满足客户的需求和使用要求。
10. 包装和运输铸件在完成后应进行合适的包装,以保护铸件的表面质量和尺寸准确性。
运输过程中应注意避免损坏和变形。
11. 安全与环保要求金属铸造过程中应遵守相关的安全和环保法规,确保工作环境安全和无污染。
12. 标准符号与图例在本文档中,应使用统一的标准符号和图例,以方便读者理解和遵循。
铸造工件设计标准规范最新版铸造工件设计标准规范最新版铸造是一种常见的制造工艺,用于制造各种工件和零件。
为了保证铸造工件的质量和性能,需要遵循一定的设计标准规范。
以下是最新版的铸造工件设计标准规范。
1. 材料选择铸造工件的材料选择应根据工件的使用条件和要求进行合理选择。
常用的有灰铁、球墨铸铁、合金铸铁、铝合金等。
在选择材料时要考虑其机械性能、耐磨性、耐蚀性和可加工性等因素。
2. 设计尺寸铸造工件的设计尺寸应符合工件的使用要求和制造工艺的要求。
设计尺寸时要考虑到热胀冷缩、砂芯融化收缩等因素,合理确定缩小量和公差。
3. 结构设计铸造工件的结构设计应具有合理的结构形式和几何形状,以保证工件的强度和刚度。
同时要尽量避免出现过于复杂和薄壁结构,以免影响铸造工艺和热处理工艺的实施。
4. 浇注系统设计铸造工件的浇注系统设计应合理确定浇注口、冲压头和灌注系统等部件的位置和形式。
浇注系统应保证流体金属能够顺利地填充整个铸模,避免产生砂眼、夹杂和缺陷等。
5. 管理设计铸造工件的管理设计应考虑到工件的加工性能和使用要求,合理确定表面粗糙度和加工余量。
同时要考虑到工件的热处理和表面处理等工艺要求。
6. 检测评定铸造工件的检测评定应根据工件的使用要求和质量标准进行。
常用的检测方法有目测检测、尺寸检测、化学成分分析、力学性能测试和无损检测等。
综上所述,最新版的铸造工件设计标准规范要求在材料选择、设计尺寸、结构设计、浇注系统设计、管理设计和检测评定等方面进行合理的设计和要求。
通过遵循这些标准规范,可以保证铸造工件的质量和性能,提高工件的使用寿命和安全性。
中国铸造标准一、通用基础及工艺1.GB/T5611-1998铸造术语2.GB/T5678-1985铸造合金光谱分析取样方法3.GB/T6060.1-1997表面粗糙度比较样块铸造表面4.GB/T6414-1999铸件尺寸公差与机械加工余量5.GB/T11351-1989铸件重量公差6.GB/T15056-1994铸造表面粗糙度评定方法7.JB/T2435-1978铸造工艺符号及表示方法8.JB/T4022.1-1999合金铸造性能测定方法自由线收缩测定方法9.JB/T4022.2-1999合金铸造性能测定方法热裂倾向的测定10.JB/T5105-1991铸件模样起模斜度11.JB/T5106-1991铸件模样型芯头基本尺寸12.JB/T5992.2-1992机械制造工艺方法分类与代码铸造13.JB/T6983-1993铸件材料消耗工艺定额计算方法14.JB/T7528-1994铸件质量评定方法15.JB/T7699-1995铸造用木制模样和芯盒技术条件二、铸铁1.GB/T1348-1988球墨铸铁件2.GB/T1504-91铸铁轧辊3.GB/T3180-1982中锰抗磨球墨铸铁件技术条件4.GB/T5612-1985铸铁牌号表示方法5.GB/T5614-1985铸铁件热处理状态的名称、定义和代号6.GB/T6296-1986灰铸铁冲击试验方法7.GB/T7216-1987灰铸铁金相8.GB/T8263-1999抗磨白口铸铁件9.GB/T8491-1987高硅耐蚀铸铁件10.GB/T9437-1988耐热铸铁件11.GB/T9439-1988灰铸铁件12.GB/T9440-1988可锻铸铁件13.GB/T9441-1988球墨铸铁金相检验14.GB/T17445-1998铸造磨球15.JB/T2122-1977铁素体可锻铸铁金相标准16.JB/T3829-1999蠕墨铸铁金相17.JB/T4403-1999蠕墨铸铁件18.JB/T5000.4-1998重型机械通用技术条件铸铁件19.JB/T7945-1999灰铸铁力学性能试验方法20.JB/T9219-1999球墨铸铁超声声速测定方法21.JB/T9220.1-1999铸造化铁炉酸性炉渣化学分析方法总则及一般规定22.JB/T9220.2-1999铸造化铁炉酸性炉渣化学分析方法高氯酸脱水重量法测定二氧化硅量23.JB/T9220.3-1999铸造化铁炉酸性炉渣化学分析方法重铬酸钾容量法测定氧化亚铁量24.JB/T9220.4-1999铸造化铁炉酸性炉渣化学分析方法亚硝酸钠-亚硝酸钠容量法测定一氧化锰量25.JB/T9220.5-1999铸造化铁炉酸性炉渣化学分析方法氟化钠-EDTA容量法测定三氧化二铝量26.JB/T9220.6-1999铸造化铁炉酸性炉渣化学分析方法DDTC分离EGTA容量法测定氧化钙量27.JB/T9220.7-1999铸造化铁炉酸性炉渣化学分析方法高锰酸钾容量法测定氧化钙量28.JB/T9220.8-1999铸造化铁炉酸性炉渣化学分析方法DDTC分离EDTA容量法测定氧化镁量29.JB/T9220.9-1999铸造化铁炉酸性炉渣化学分析方法磷矾钼黄-甲基异丁基甲酮萃取亮度法测定五氧化二磷量30.JB/T9220.10-1999铸造化铁炉酸性炉渣化学分析方法硫酸钡重量法测定硫量31.JB/T9220.11-1999铸造化铁炉酸性炉渣化学分析方法煅烧-碘酸钾容量法测定硫量32.JB/T9228-1999球墨铸铁用球化剂33.YB/T036.2-92灰铸铁34.YB/T036.2-92球墨铸铁35.YB/T036.2-92中锰抗磨球墨铸铁36.YB/T036.2-92耐磨铸铁37.YB/T036.2-92耐热铸铁38.YB/T036.2-92抗磨白口铸铁39.YB/T036.2-92铸铁件40.YB/T036.2-92通用阀门球墨铸铁件41.YB/T036.2-92冶金设备制造通用技术条件铸铁件42.YB/T092-0996合金铸铁球三、造型材料1.GB210-1989工业碳酸钠2.GB537-1984硼砂3.GB538-1982硼酸4.GB1612-1988工业水合碱式碳酸镁5.GB1617-1989工业氯化钡6.GB1625-1979氯化锌7.GB2449-1981工业硫磺8.GB/T2684-1981铸造用原砂及混合料试验方法9.GB2946-1982氯化铵10.GB3072-1982石墨电极11.GB/T3518-1995鳞片石墨12.GB4119-1983工业四氯化碳13.GB4209-1984硅酸钠14.GB4291-1984人造冰晶石15.GB4293-1984氟化钠16.GB4794-1984沉淀碳酸钙17.GB4947-1985工业赤磷18.GB5138-1985工业用液氯19.GB5462-1985工业盐20.GB5690-1985氟石精矿21.GB7118-1986氯化钾22.GB/T7143-1986铸造用硅砂化学分析方法23.GB7372-1987工业用二氟二氯甲烷24.GB9004-1988工业氧化镁25.GB9356-1988菱镁石26.GB/T9442-1998铸造用硅砂27.GB/T12216-1990铸造用合脂粘结剂28.JB/T2755-1980铸造用亚硫酸盐木浆废液粘结剂29.JB/T3828-1999铸造用热芯盒树脂30.JB/T5107-1991砂型铸造用涂料试验方法31.JB/T6984-1993铸造用铬铁矿砂32.JB/T6985-1993铸造用镁橄榄石砂33.JB/T7526-1994铸造用自硬呋喃树脂34.JB/T7527-1994铸造用自硬呋喃树脂性能测定方法35.JB/T8583-2008铸造用覆膜砂36.JB/T8834-2001铸造用壳型(芯)酚醛树脂37.JB/T8835-1999铸造用水玻璃38.JB/T9221-1999铸造用湿型砂有效膨润土及有效煤粉试验方法39.JB/T9222-1999湿型铸造用煤粉40.JB/T9223-1999铸造用锆砂41.JB/T9224-1999检定铸造粘结剂用标准砂42.JB/T9225-1999铸造用粘土、膨润土化学分析方法43.JB/T9226-1999砂型铸造用涂料44.JB/T9227-1999铸造用膨润土和粘土45.JB/T53440-1999铸造用水洗天然硅砂产品质量分等46.JC299-1982涂料用滑石粉四、铸钢1.GB/T1503-91铸钢轧辊2.GB/T2100-1980不锈耐酸钢铸件技术条件3.GB/T5613-1995铸钢牌号表示方法4.GB/T5615-1985铸钢件热处理状态的名称、定义及代号5.GB/T5677-1985铸钢件射线照相及底片等级分类方法6.GB/T5680-1998高锰钢铸件7.GB/T6967-1986工程结构用中、高强度不锈钢铸件8.GB/T7233-1987铸钢件超声探伤及质量评级方法9.GB/T7659-1987焊接结构用碳素钢铸件10.GB/T8492-1987耐热钢铸件11.GB/T8493-1987一般工程用铸造碳钢金相12.GB/T9443-1988铸钢件渗透探伤及缺陷显示迹痕的评级方法13.GB/T9444-1988铸钢件磁粉探伤及质量评级方法14.GB/T11352-1989一般工程用铸造碳钢件15.GB12229-89通用阀门碳素钢铸件16.GB12230-89通用阀门奥氏体钢铸件17.GB/T13925-1992铸造高锰钢金相18.GB/T14408-1993一般工程与结构用低合金铸钢件19.GB/T14992-1994铸造高温合金牌号及其化学成分20.GB/T16253-1996承压钢铸件21.JB/T3735-1999铸钢混流式转轮22.JB/ZQ4297-1986合金钢铸件23.JB/ZQ4299-1986不锈钢铸件24.JB/ZQ4300-1986高锰钢铸件25.JB/T5000.6-1998重型机械通用技术条件铸钢件26.JB/T5000.7-1998重型机械通用技术条件铸钢件补焊27.JB/T6402-1992大型低合金钢铸件28.JB/T6403-1992大型耐热钢铸件29.JB/T6404-1992大型高锰钢铸件30.JB/T6405-1992大型不锈钢铸件31.JB/T7024-1993300~600MW汽轮机缸体铸钢件技术条件32.JB/T7031-1993大型磨机类端盖铸钢件33.JB/T7349-1994混流式水轮机焊接转轮不锈钢叶片铸件34.JB/T7350-1994轴流式水轮机不锈钢叶片铸件35.JB/T8709-1998大型轧钢机机架铸钢件36.YB/T036.3-92铸造碳钢37.YB/T036.3-92低合金铸钢38.YB/T036.3-92冶金设备制造通用技术条件铸钢件39.YB/T036.4-92高锰钢铸件40.YB/T036.4-92冶金设备制造通用技术条件高锰钢件41.YB/T070-1995钢锭模42.YB/T139-1998复合铸钢支承辊43.YB/T181-2000电渣熔铸合金钢轧辊44.YB/T5248-1993铸造高温合金的力学性能45.Q/ZB66-73合金铸钢46.Q/ZB67-73特殊性能高合金铸钢五、铸造有色合金1.GB/T466-1982铜锭2.GB466-82铜分类3.GB467-82电解铜4.GB469-95铅锭5.GB470-83锌锭6.GB728-84锡锭7.GB914-84镉锭8.GB915-84铋锭9.GB/T1173-1995铸造铝合金10.GB/T1174-1992铸造轴承合金11.GB/T1175-1997铸造锌合金12.GB/T1176-1987铸造铜合金技术条件13.GB/T1177-1991铸造镁合金14.GB1196-1983重熔用铝锭技术条件15.GB1476-1979碲16.GB1599-1979锑17.GB2524-1981海绵钛18.GB2525-1981金属铈19.GB2881-1991工业硅20.GB3135-1982工业纯氧化铍粉末21.GB3198-1982工业用纯铝箔22.GB3459-1982钨条23.GB3462-1982钼条和钼板坯24.GB/T3499-1995镁锭25.GB/T3620.2-1994钛及钛合金成分、性能及应用26.GB4135-1994银27.GB4369-1984锂28.GB4370-1984高纯锂29.GB5153-1985加工镁及镁合金牌号和化学成分30.GB/T5235-1985加工镍及镍合金31.GB/T6517-1986钴32.GB/T6614-1994钛及钛合金铸件33.GB/T8063-1994铸造有色金属及其合金牌号表示方法34.GB/T8179-1988高纯铝35.GB/T8644-1988重熔用精铝锭36.GB/T8733-2000铸造铝合金锭37.GB/T8734-1988铸造铝合金锭38.GB/T8737-1988铸造黄铜锭39.GB/T8738-1988铸造锌合金锭40.GB/T8739-1988铸造青铜锭41.GB/T9438-1999铝合金铸件42.GB/T10448-1989单层和多层滑动轴承用铸造铜合金43.GB/T10450-1989单层滑动轴承用铝基合金44.GB/T11346-1989铝合金铸件X射线照相检验针孔(圆形)分级45.GB/T13818-1992压铸锌合金46.GB/T13819-1992铜合金铸件47.GB/T13820-1992镁合金铸件48.GB/T15073-1994铸造钛及钛合金牌号和化学成分49.GB/T15116-1994压铸铜合金50.GB/T16746-1997锌合金铸件51.JB/T8740-1988铸造轴承合金锭52.JB/T4394-1999稀土镁合金稀土总量、硅、镁的化学分析方法53.JB/T5000.5-1998重型机械通用技术条件有色金属铸件54.JB/T5108-1991铸造黄铜金相55.GB6896-1986铌条56.JB/T7946.1-1999铸造铝合金金相铸造铝硅合金变质57.JB/T7946.2-1999铸造铝合金金相铸造铝硅合金过烧58.JB/T7946.3-1999铸造铝合金金相铸造铝合金针孔59.JB/T7946.4-1999铸造铝合金金相铸造铝铜合金晶粒度60.YB/T036.5-1992冶金设备制造通用技术条件铜合金铸件61.YB/T036.6-1992冶金设备制造通用技术条件铝合金铸件62.YB142-75铸造铝硅合金锭63.YB200-1975电工用纯铁64.YB652-1970海绵锆65.YB738-82粗铅技术条件66.YB740-82粗铜技术条件67.YB786-75铜中间合金锭68.YS/T72-1994镉69.HB/Z5123-1979熔剂的化学成分70.HB962-1986铝铜系合金力学性能71.HB963-1982铸件分类及切取性能标准72.HB965-1982ZMS合金铸件上切取试样的力学性能73.HB5012-1986Al-Si系压铸合金力学性能74.HB/Z5124-1979ZM5合金的第一种热处理规范75.HB5155-1988高温合金牌号成分性能标准K40376.HB5157-1988高温合金牌号成分性能标准K40677.HB5158-1988高温合金牌号成分性能标准K21178.HB5160-1988高温合金牌号成分性能标准K21479.HB5161-1988高温合金牌号成分性能标准K41780.HB5162-1988高温合金牌号成分性能标准K41881.HB5371-1987铝基中间合金的化学成分82.HB5372-1987铝合金预制锭的化学成分83.HB5531-1988高温合金牌号成分性能标准K417G84.Q/6S93-1980镁合金用中间合金的化学成分六、压铸合金1.GB/T13818-1992压铸锌合金2.GB/T13821-1992锌合金压铸件3.GB/T13822-1992压铸有色合金试样4.GB/T15114-1994铝合金压铸件5.GB/T15115-1994压铸铝合金6.GB/T15116-1994压铸铜合金7.GB/T15117-1994铜合金压铸件8.JB/T3070-1982压铸镁合金七、熔模铸造1.GB/T12214-1990熔模铸造用硅砂、粉2.GB/T12215-1990熔模铸造用铝矾土砂、粉3.GB/T14235.1-1993熔模铸造模料熔点测定方法(冷却曲线法)4.GB/T14235.2-1993熔模铸造模料抗弯强度测定方法5.GB/T14235.3-1993熔模铸造模料灰分测定方法6.GB/T14235.4-1993熔模铸造模料线收缩率测定方法7.GB/T14235.5-1993熔模铸造械料表面硬度测定方法8.GB/T14235.6-1993熔模铸造模料酸值测定方法9.GB/T14235.7-1993熔模铸造模料流动性测定方法10.GB/T14235.8-1993熔模铸造模料粘度测定方法11.GB/T14235.9-1993熔模铸造模料热稳定性测定方法12.JB/T2980.1-1999熔模铸造型壳高温热变形试验方法13.JB/T2980.2-1999熔模铸造型壳高温抗弯强度试验方法14.JB/T4007-1999熔模铸造涂料试验方法15.JB/T4153-1999型壳高温透气性试验方法16.JB/T5100-1991熔模铸造碳钢件技术条件八、铸造用生铁及铁合金1.GB/T717-1998炼钢用生铁2.GB/T718-1982铸造用生铁3.GB719-65生铁的化学分析用试样采取法4.GB/T1412-1985球墨铸铁用生铁5.GB/T2272-1987硅铁6.GB2774-91金属锰7.GB2881-81工业硅技术条件8.GB3210-82磷铁9.GB3211-87金属铬10.GB/T3282-1987钛铁11.GB3283-82五氧化二钒12.GB3418-82电解金属锰13.GB3620-83钛及钛合金牌号和化学成分14.GB/T3648-1996钨铁15.GB/T3649-1987钼铁16.GB3650-83铁合金验收、包装、储运、标志和质量证明书的一般规定17.GB/T3795-1996锰铁18.GB4007-83高炉锰铁19.GB/T4008-1996锰硅合金20.GB/T4009-1989硅铬合金21.GB4010-83铁合金化学分析用试样采取法22.GB/T4137-1993稀土硅铁合金23.GB/T4138-1993稀土镁硅铁合金24.GB/T4139-1987钒铁25.GB4153-84混合稀土金属26.GB4223-84回炉碳素废钢分类及技术条件27.GB4224-84回炉废铁分类及技术条件28.GB4225-84回炉合金废钢分类及技术条件29.GB/T4700.4-1998硅钙合金化学分析方法磷钼蓝分光亮度法测定磷量30.GB/T4700.5-1998硅钙合金化学分析方法红外线吸收法测定碳量31.GB/T4700.7-1998硅钙合金化学分析方法红外线吸收法和燃烧碘酸钾滴定法测定硫量32.GB4864-85金属钙33.GB5062-85钒渣34.GB/T5063-1985钒铝合金35.GB/T5682-1995硼铁36.GB/T5683-1987铬铁37.GB5684-87真空法微碳铬铁38.GB6516-86电解镍39.GB/T7737-1997铌铁40.GB/T7738-1987铁合金产品牌号表示方法41.GB8549-87铁、铬、硼、硅系自熔合金粉42.GB/T8729-1988铸造焦炭43.GB/T10131-1988铌锰铁合金44.GB/T14984-94铁合金术语45.GB/T15710-1995硅钡合金46.YB/T008-1997钒渣47.YB/T14-91铸造用生铁48.YB/T034-1992铁合金用焦炭49.YB/T035-1992焦炭电阻率的测定方法50.YB/T051-1993电解金属锰51.YB/T053-2000包芯线52.YB/T065-1995硅铝合金53.YB/T066-1995硅钡铝合金54.YB/T067-1995硅钙钡铝合金55.YB/T068-1995脱碳低磷粒铁56.YB/T077-1995焦炭光学组织的测定方法57.YB518-64回炉碳素废钢分类及技术条件58.YB519-64回炉废铁分类及技术条件59.YB4025-91铌磷半钢60.YB/T5036-1993磷铁61.YB/T5051-1997硅钙合金62.YB/T5125-1993含钒生铁63.YB/T5129-1993氧化钼块64.YB/T5140-1993氮化铬铁(GB5685-85调整)65.YB/T5210-1993铸造用磷铜钛低合金耐磨生铁66.YB/T5216-1993铌锰铁合金67.YB/Z4-75炼钢脱氧,部分铁合金用铝锭九、化验分析1.JB/T2122-1977铁素体可锻铸铁金相2.JB/T2980.1-1999熔模铸造型壳高温热变形试验方法3.JB/T2980.2-1999熔模铸造型壳高温抗弯强度试验方法4.JB/T4007-1999熔模铸造涂料试验方法5.JB/T4022.1-1999合金铸造性能测定方法自由线收缩测定方法6.JB/T4022.2-1999合金铸造性能测定方法热裂倾向的测定7.JB/T4153-1999型壳高温透气性试验方法8.JB/T4394-1999稀土镁合金稀土总量、硅、镁的化学分析方法9.JB/T5107-1991砂型铸造用涂料试验方法10.JB/T6794-1933型砂试验用模具11.JB/T9156-1999铸造用试验筛12.YB/T045-1993鳞片石墨厚度测定方法13.YB/T105-1997冶金石灰物理检验方法14.YB/T109.1-1997硅钡合金化学分析方法高氯酸脱水重量法测定钡量15.YB/T109.2-1997硅钡合金化学分析方法硫酸钡重量法测定钡量16.YB/T109.3-1997硅钡合金化学分析方法EDTA容量法测定铝量17.YB/T109.4-1997硅钡合金化学分析方法高碘酸钾亮度法测定锰量18.YB/T109.5-1997硅钡合金化学分析方法钼蓝亮度法测定磷量19.YB/T109.6-1997硅钡合金化学分析方法红外线吸收法测定碳量20.YB/T109.7-1997硅钡合金化学分析方法红外线吸收法测定硫量21.YB/T178.1-2000硅铝合金、硅钡铝合金化学分析方法高氯酸脱水重量法测定硅含量22.YB/T178.2-2000硅铝合金、硅钡铝合金化学分析方法硫酸钡重量法测定钡含量23.YB/T178.3-2000硅铝合金、硅钡铝合金化学分析方法EDTA滴定法测定铝含量24.YB/T178.4-2000硅铝合金、硅钡铝合金化学分析方法高碘酸钠分光亮度法测定锰含量25.YB/T178.5-2000硅铝合金、硅钡铝合金化学分析方法磷钼蓝分光亮度法测定磷含量26.YB/T178.6-2000硅铝合金、硅钡铝合金化学分析方法红外线吸收法测定碳含量27.YB/T327-1963耐火材料用铝土矿石分类及技术条件28.YB/T547.1-1995钒渣化学分析方法硫酸亚铁铵滴定法测定五氧化二钒量29.YB/T547.2-1995钒渣化学分析方法高氯酸脱水重量法测定二氧化硅量30.YB/T547.3-1995钒渣化学分析方法火焰原子吸收光谱法和高锰酸钾容量法测定氧化钙量31.YB/T547.4-1995钒渣化学分析方法酸碱容量法和铋磷钼蓝亮度法测定磷量32.YB/T576-1965磷铁化学分析方法33.YB/T585-1965钒铁化学分析方法34.YB/T949-1979化学分析允许差制定方法(试行)35.YB/T2429-1983耐火材料用结合粘土可塑性检验方法36.YB/T2503-1977稀土硅铁、稀土硅铁镁合金化学分析方法37.YB/T4004-1991优质镁砂化学分析方法二安替比林甲烷亮度法测定二氧化钛量38.YB/T4005-1991优质镁砂化学分析方法EDAT容量法测定氧化钙量39.YB/T4006-1991优质镁砂化学分析方法重量法测定灼烧减量40.YB/T4007-1991优质镁砂化学分析方法铬天青S亮度法测定氧化铝量41.YB/T4008-1991优质镁砂化学分析方法乙二醇盐酸容量法测定游离氧化钙量42.YB/T4009-1991优质镁砂化学分析方法钼蓝亮度法测定二氧化硅量43.YB/T4010-1991优质镁砂化学分析方法差减法测定氧化镁量44.YB/T4011-1991优质镁砂化学分析方法钼蓝亮度法测定五氧化二磷量45.YB/T4012-1991优质镁砂化学分析方法高碘酸钾亮度法测定氧化锰量46.YB/T4013-1991优质镁砂化学分析方法邻二氮杂菲亮度法测定三氧化二铁量47.YB/T5038-1993氧化钼块化学分析方法重量法测定湿存水48.YB/T5039-1993氧化钼块化学分析方法钼酸铅重量法测定钼49.YB/T5040-1993氧化钼块化学分析方法硫酸钡重量法测定硫50.YB/T5041-1993氧化钼块化学分析方法燃烧-碘酸钾容量法测定硫51.YB/T5042-1993氧化钼块化学分析方法库仑法测定碳52.YB/T5043-1993氧化钼块化学分析方法正丁醇-三氯甲烷萃取亮度法测定磷53.YB/T5044-1993氧化钼块化学分析方法苯基荧火酮试剂亮度法测定铜54.YB/T5045-1993氧化钼块化学分析方法新铜试剂亮度法测定铜55.YB/T5046-1993氧化钼块化学分析方法孔雀绿亮度法测定锑十、辅助材料1.JB/T2755-1980铸造用亚硫酸盐木浆废液粘结剂2.YB/T042-1993冶金石灰3.YB/T044-1993炼钢用石墨4.YB/T192-2001炼钢用增碳剂5.YB/T5149-1993铸钢丸(GB6484-86调整)6.YB/T5150-1993铸钢砂(GB6485-86调整)7.YB/T5151-1993铸铁丸(GB6486-86调整)8.YB/T5152-1993铸铁砂(GB6487-86调整)9.YB/T5217-1997萤石10.YB/T5279-1999石灰石十一、稀土金属及其合金1.YB/T010-1992混合稀土金属丝棒2.YB/T048-1993钢锭模中稀土棒吊挂方法3.YB/T049-1993连续结晶中稀土丝喂入法4.YB/T4040-1991氧化镝5.YB/T4041-1991氧化铒6.YB/T4045-1991金属钇7.YB/T4046-1991高钇混合稀土氧化物8.YB/T4047-1991高铕混合稀土氧化物十二、耐火材料1.GB/T2273-1998烧结镁砂2.GB/T2275-1987镁砖及镁硅砖3.GB/T2988-1987高铝砖4.GB/T2992-1998通用耐火砖形状尺寸5.GB/T2994-1994高铝质耐火泥浆6.GB/T2997-1982致密定形耐火制品显气孔率、吸水率、体积密度和真气孔率试验方法7.GB/T3003-1982普通硅酸铝耐火纤维毡8.GB/T3043-1989棕刚玉化学分析方法9.GB/T3521-1995石墨化学分析方法10.GB/T3286.1-1998石灰石、白云石化学分析方法氧化钙量和氧化镁量的测定11.GB/T3286.2-1998石灰石、白云石化学分析方法二氧化硅量的测定12.GB/T3286.3-1998石灰石、白云石化学分析方法氧化铝量的测定13.GB/T3286.4-1998石灰石、白云石化学分析方法氧化铁量的测定14.GB/T3286.5-1998石灰石、白云石化学分析方法氧化锰量的测定15.GB/T3286.6-1998石灰石、白云石化学分析方法磷量的测定16.GB/T3286.7-1998石灰石、白云石化学分析方法硫量的测定17.GB/T3286.8-1998石灰石、白云石化学分析方法灼烧减量的测定18.GB/T3286.9-1998石灰石、白云石化学分析方法二氧化碳量的测定19.GB/T5069.1-1985镁质耐火材料化学分析方法重量法测定灼烧失量20.GB/T5069.2-1985镁质耐火材料化学分析方法钼蓝亮度法测定二氧化硅量21.GB/T5069.3-1985镁质耐火材料化学分析方法重量-钼蓝亮度法测定二氧化硅量22.GB/T5069.4-1985镁质耐火材料化学分析方法邻二氮杂菲亮度法测定三氧化二铁量23.GB/T5069.5-1985镁质耐火材料化学分析方法铬天青S亮度法测定氧化铝量24.GB/T5069.6-1985镁质耐火材料化学分析方法EDTA容量法测定氧化铝量25.GB/T5069.7-1985镁质耐火材料化学分析方法二安替比林甲烷亮度法测定二氧化钛量26.GB/T5069.8-1985镁质耐火材料化学分析方法EGTA容量法测定氧化钙量27.GB/T5069.9-1985镁质耐火材料化学分析方法CyDTA容量法测定氧化镁良28.GB/T5069.10-1985镁质耐火材料化学分析方法原子吸收分光亮度法测定氧化锰量29.GB/T5069.11-1985镁质耐火材料化学分析方法原子吸收分光亮度法测定氧化钾、氧化钠量30.GB/T5989-1998耐火制品荷重软化温度试验方法示差-升温法31.GB/T6900.1-1986粘土、高铝质耐火材料化学分析方法重量法测定灼烧减量32.GB/T6900.2-1986粘土、高铝质耐火材料化学分析方法重量-钼蓝亮度法测定二氧化硅量33.GB/T6900.3-1986粘土、高铝质耐火材料化学分析方法邻二氮杂菲亮度法测定三氧化二铁量34.GB/T6900.4-1986粘土、高铝质耐火材料化学分析方法EDTA容量法测定氧化铝量35.GB/T6900.5-1986粘土、高铝质耐火材料化学分析方法过氧化氢亮度法测定二氧化钛量36.GB/T6900.6-1986粘土、高铝质耐火材料化学分析方法EDTA容量法测定氧化钙量37.GB/T6900.7-1986粘土、高铝质耐火材料化学分析方法二甲苯胺蓝Ⅰ-溴化十六烷基三甲铵亮度法测定氧化镁量38.GB/T6900.8-1986粘土、高铝质耐火材料化学分析方法原子吸收分光亮度法测定氧化钙、氧化镁量39.GB/T6900.9-1986粘土、高铝质耐火材料化学分析方法原子吸收分光亮度法测定氧化钾、氧化钠量40.GB/T6900.10-1986粘土、高铝质耐火材料化学分析方法过硫酸铵亮度法测定氧化锰量41.GB/T6900.11-1986粘土、高铝质耐火材料化学分析方法钼蓝亮度法测定五氧化二磷量42.GB/T7322-1997耐火材料耐火度试验方法43.GB/T8931-1988耐火材料抗渣性试验方法44.GB/T14982-1994粘土质耐火泥浆45.JB/T7995-1995黑刚玉化学分析方法46.YB/T099-1997石墨电极焙烧品47.YB/T101-1997炼钢电炉炉底用MgO-CaO-Fe2O3系合成料48.YB/T114-1997硅酸铝质隔热耐火泥浆49.YB/T134-1998高温红外辐射涂料50.YB/T142-1998浸渍石墨电极51.YB/T118-1997耐火材料气孔孔径分布试验方法52.YB/T370-1995耐火制品荷重软化温度试验方法(非示差-升温法)53.YB/T376.1-1995耐火制品抗热震性试验方法(水急冷法)54.YB/T376.2-1995耐火制品抗热震性试验方法(空气急冷法)55.YB/T416-1980镁质及镁硅质铸口砖56.YB/T819-1978炭电极57.YB/T894-1994平炉用镁铝砖形状及尺寸58.YB/T2217-1999电炉用球顶砖形状及尺寸59.YB/T4004-1991优质镁砂化学分析方法二安替比林甲烷亮度法测定二氧化钛量60.YB/T4005-1991优质镁砂化学分析方法EDTA容量法测定氧化钙量61.YB/T4006-1991优质镁砂化学分析方法重量法测定灼烧减量62.YB/T4007-1991优质镁砂化学分析方法铬天青S亮度法测定氧化铝量63.YB/T4008-1991优质镁砂化学分析方法乙二醇盐酸容量法测定游离氧化钙量64.YB/T4009-1991优质镁砂化学分析方法钼蓝亮度法测定二氧化硅量65.YB/T40010-1991优质镁砂化学分析方法差减法测定氧化镁量66.YB/T4011-1991优质镁砂化学分析方法钼蓝亮度法测定五氧化二磷量67.YB/T4012-1991优质镁砂化学分析方法高碘酸钾亮度法测定氧化锰量68.YB/T4013-1991优质镁砂化学分析方法邻二氮杂菲亮度法测定三氧化二铁量69.YB/T4018-1991耐火制品抗热震性试验方法70.YB/T4074-1991镁碳砖71.YB/T4075-1991锆质定径水口砖72.YB/T4076-1991连铸用熔融石英质耐火制品73.YB/T4077-1991铝碳质耐火材料化学分析方法EDTA容量法测定氧化铝量74.YB/T4078-1991锆质定径水口砖化学分析方法苦杏仁酸重量法测定二氧化锆(铪)量75.YB/T4088-2000石墨电极76.YB/T4089-2000高功率石墨电极77.YB/T4090-2000超高功率石墨电极78.YB/T5009-1993镁质耐火泥79.YB/T5010-1993平炉用镁铝砖80.YB/T5011-1997镁铬砖81.YB/T5017-2000炼钢电炉顶用高铝砖82.YB/T5018-1993炼钢电炉顶用砖形状尺寸83.YB/T5020-1993盛钢桶用高铝质衬砖84.YB/T5021-1993盛钢桶内铸钢用高铝质耐火砖85.YB/T5049-1993盛钢桶用滑动铸口砖86.YB/T5083-1997粘土质和高铝质致密耐火浇注料87.YB/T5106-1993粘土质耐火砖88.YB/T5109-1993浇铸用粘土质耐火砖89.YB/T5110-1993浇铸用耐火砖形状尺寸90.YB/T5111-1993盛钢桶用粘土质衬砖91.YB/T5112-1993盛钢桶内铸钢用粘土质耐火砖92.YB/T5113-1993盛钢桶内铸钢用耐火砖形状尺寸93.YB/T5115-1993粘土质和高铝质耐火可塑料94.YB/T5116-1993粘土质和高铝质耐火可塑料试样制备方法95.YB/T5117-1993粘土质和高铝质耐火可塑料线变化率试验方法96.YB/T5118-1993粘土质和高铝质耐火可塑料强度试验方法97.YB/T5119-1993粘土质和高铝质耐火可塑料可塑性指数试验方法98.YB/T5120-1993粘土质和高铝质耐火可塑料含水率试验方法99.YB/T5266-1999电熔镁砂100.YB/T5267-1999全天然料烧结莫来石101.YB/T5268-1999硅石102.YB/T5270-1999铝镁耐火浇注料103.YB/T5278-1999白云石十三、其它1.GB1996-80冶金焦炭2.GB3070-82沥青焦。
铸造变形量标准
铸造变形量标准是根据产品设计要求和铸造工艺条件确定的,主要涉及以下几个方面的指标:
1. 铸造尺寸偏差:铸造件的实际尺寸与设计尺寸之间的差异。
通常使用正负公差表示,分为线性尺寸偏差和形位偏差两种。
线性尺寸偏差用于描述铸件的线性尺寸(如长度、宽度、厚度等)的变化范围,形位偏差用于描述铸件与设计要求之间的相对位置关系。
2. 几何形状偏差:描述铸造件与设计图纸上几何形状之间的差异,如圆度、平直度、垂直度等。
这些指标用于判断铸件表面的平整度和曲面的精度。
3. 表面粗糙度:描述铸造件表面的光滑程度,通常使用Ra值来表达,表示单位长度内表面的平均粗糙度。
4. 内部缺陷:描述铸造件内部的缺陷情况,如气孔、夹杂物、疏松等。
这些缺陷会影响铸件的强度和性能。
5. 增缩量:铸造是通过熔融金属的凝固过程实现的,凝固时金属会发生体积变化。
增缩量标准用于描述铸造件尺寸在凝固过程中的变化。
铸造过程中一般会考虑到增缩量,并在模具或模具材料的设计上进行补偿,以确保最终铸件的尺寸符合要求。
根据不同的铸造材料、工艺和应用要求,铸造变形量标准会有所不同,需要在具体铸造件的设计和生产中进行具体确定。
中国铸造标准一、通用基础及工艺1.GB/T5611-1998铸造术语2.GB/T5678-1985铸造合金光谱分析取样方法3.GB/T6060.1-1997表面粗糙度比较样块铸造表面4.GB/T6414-1999铸件尺寸公差与机械加工余量5.GB/T11351-1989铸件重量公差6.GB/T15056-1994铸造表面粗糙度评定方法7.JB/T2435-1978铸造工艺符号及表示方法8.JB/T4022.1-1999合金铸造性能测定方法自由线收缩测定方法9.JB/T4022.2-1999合金铸造性能测定方法热裂倾向的测定10.JB/T5105-1991铸件模样起模斜度11.JB/T5106-1991铸件模样型芯头基本尺寸12.JB/T5992.2-1992机械制造工艺方法分类与代码铸造13.JB/T6983-1993铸件材料消耗工艺定额计算方法14.JB/T7528-1994铸件质量评定方法15.JB/T7699-1995铸造用木制模样和芯盒技术条件二、铸铁1.GB/T1348-1988球墨铸铁件2.GB/T1504-91铸铁轧辊3.GB/T3180-1982中锰抗磨球墨铸铁件技术条件4.GB/T5612-1985铸铁牌号表示方法5.GB/T5614-1985铸铁件热处理状态的名称、定义和代号6.GB/T6296-1986灰铸铁冲击试验方法7.GB/T7216-1987灰铸铁金相8.GB/T8263-1999抗磨白口铸铁件9.GB/T8491-1987高硅耐蚀铸铁件10.GB/T9437-1988耐热铸铁件11.GB/T9439-1988灰铸铁件12.GB/T9440-1988可锻铸铁件13.GB/T9441-1988球墨铸铁金相检验14.GB/T17445-1998铸造磨球15.JB/T2122-1977铁素体可锻铸铁金相标准16.JB/T3829-1999蠕墨铸铁金相17.JB/T4403-1999蠕墨铸铁件18.JB/T5000.4-1998重型机械通用技术条件铸铁件19.JB/T7945-1999灰铸铁力学性能试验方法20.JB/T9219-1999球墨铸铁超声声速测定方法21.JB/T9220.1-1999铸造化铁炉酸性炉渣化学分析方法总则及一般规定22.JB/T9220.2-1999铸造化铁炉酸性炉渣化学分析方法高氯酸脱水重量法测定二氧化硅量23.JB/T9220.3-1999铸造化铁炉酸性炉渣化学分析方法重铬酸钾容量法测定氧化亚铁量24.JB/T9220.4-1999铸造化铁炉酸性炉渣化学分析方法亚硝酸钠-亚硝酸钠容量法测定一氧化锰量25.JB/T9220.5-1999铸造化铁炉酸性炉渣化学分析方法氟化钠-EDTA容量法测定三氧化二铝量26.JB/T9220.6-1999铸造化铁炉酸性炉渣化学分析方法DDTC分离EGTA容量法测定氧化钙量27.JB/T9220.7-1999铸造化铁炉酸性炉渣化学分析方法高锰酸钾容量法测定氧化钙量28.JB/T9220.8-1999铸造化铁炉酸性炉渣化学分析方法DDTC分离EDTA容量法测定氧化镁量29.JB/T9220.9-1999铸造化铁炉酸性炉渣化学分析方法磷矾钼黄-甲基异丁基甲酮萃取亮度法测定五氧化二磷量30.JB/T9220.10-1999铸造化铁炉酸性炉渣化学分析方法硫酸钡重量法测定硫量31.JB/T9220.11-1999铸造化铁炉酸性炉渣化学分析方法煅烧-碘酸钾容量法测定硫量32.JB/T9228-1999球墨铸铁用球化剂33.YB/T036.2-92灰铸铁34.YB/T036.2-92球墨铸铁35.YB/T036.2-92中锰抗磨球墨铸铁36.YB/T036.2-92耐磨铸铁37.YB/T036.2-92耐热铸铁38.YB/T036.2-92抗磨白口铸铁39.YB/T036.2-92铸铁件40.YB/T036.2-92通用阀门球墨铸铁件41.YB/T036.2-92冶金设备制造通用技术条件铸铁件42.YB/T092-0996合金铸铁球三、造型材料1.GB210-1989工业碳酸钠2.GB537-1984硼砂3.GB538-1982硼酸4.GB1612-1988工业水合碱式碳酸镁5.GB1617-1989工业氯化钡6.GB1625-1979氯化锌7.GB2449-1981工业硫磺8.GB/T2684-1981铸造用原砂及混合料试验方法9.GB2946-1982氯化铵10.GB3072-1982石墨电极11.GB/T3518-1995鳞片石墨12.GB4119-1983工业四氯化碳13.GB4209-1984硅酸钠14.GB4291-1984人造冰晶石15.GB4293-1984氟化钠16.GB4794-1984沉淀碳酸钙17.GB4947-1985工业赤磷18.GB5138-1985工业用液氯19.GB5462-1985工业盐20.GB5690-1985氟石精矿21.GB7118-1986氯化钾22.GB/T7143-1986铸造用硅砂化学分析方法23.GB7372-1987工业用二氟二氯甲烷24.GB9004-1988工业氧化镁25.GB9356-1988菱镁石26.GB/T9442-1998铸造用硅砂27.GB/T12216-1990铸造用合脂粘结剂28.JB/T2755-1980铸造用亚硫酸盐木浆废液粘结剂29.JB/T3828-1999铸造用热芯盒树脂30.JB/T5107-1991砂型铸造用涂料试验方法31.JB/T6984-1993铸造用铬铁矿砂32.JB/T6985-1993铸造用镁橄榄石砂33.JB/T7526-1994铸造用自硬呋喃树脂34.JB/T7527-1994铸造用自硬呋喃树脂性能测定方法35.JB/T8583-2008铸造用覆膜砂36.JB/T8834-2001铸造用壳型(芯)酚醛树脂37.JB/T8835-1999铸造用水玻璃38.JB/T9221-1999铸造用湿型砂有效膨润土及有效煤粉试验方法39.JB/T9222-1999湿型铸造用煤粉40.JB/T9223-1999铸造用锆砂41.JB/T9224-1999检定铸造粘结剂用标准砂42.JB/T9225-1999铸造用粘土、膨润土化学分析方法43.JB/T9226-1999砂型铸造用涂料44.JB/T9227-1999铸造用膨润土和粘土45.JB/T53440-1999铸造用水洗天然硅砂产品质量分等46.JC299-1982涂料用滑石粉四、铸钢1.GB/T1503-91铸钢轧辊2.GB/T2100-1980不锈耐酸钢铸件技术条件3.GB/T5613-1995铸钢牌号表示方法4.GB/T5615-1985铸钢件热处理状态的名称、定义及代号5.GB/T5677-1985铸钢件射线照相及底片等级分类方法6.GB/T5680-1998高锰钢铸件7.GB/T6967-1986工程结构用中、高强度不锈钢铸件8.GB/T7233-1987铸钢件超声探伤及质量评级方法9.GB/T7659-1987焊接结构用碳素钢铸件10.GB/T8492-1987耐热钢铸件11.GB/T8493-1987一般工程用铸造碳钢金相12.GB/T9443-1988铸钢件渗透探伤及缺陷显示迹痕的评级方法13.GB/T9444-1988铸钢件磁粉探伤及质量评级方法14.GB/T11352-1989一般工程用铸造碳钢件15.GB12229-89通用阀门碳素钢铸件16.GB12230-89通用阀门奥氏体钢铸件17.GB/T13925-1992铸造高锰钢金相18.GB/T14408-1993一般工程与结构用低合金铸钢件19.GB/T14992-1994铸造高温合金牌号及其化学成分20.GB/T16253-1996承压钢铸件21.JB/T3735-1999铸钢混流式转轮22.JB/ZQ4297-1986合金钢铸件23.JB/ZQ4299-1986不锈钢铸件24.JB/ZQ4300-1986高锰钢铸件25.JB/T5000.6-1998重型机械通用技术条件铸钢件26.JB/T5000.7-1998重型机械通用技术条件铸钢件补焊27.JB/T6402-1992大型低合金钢铸件28.JB/T6403-1992大型耐热钢铸件29.JB/T6404-1992大型高锰钢铸件30.JB/T6405-1992大型不锈钢铸件31.JB/T7024-1993300~600MW汽轮机缸体铸钢件技术条件32.JB/T7031-1993大型磨机类端盖铸钢件33.JB/T7349-1994混流式水轮机焊接转轮不锈钢叶片铸件34.JB/T7350-1994轴流式水轮机不锈钢叶片铸件35.JB/T8709-1998大型轧钢机机架铸钢件36.YB/T036.3-92铸造碳钢37.YB/T036.3-92低合金铸钢38.YB/T036.3-92冶金设备制造通用技术条件铸钢件39.YB/T036.4-92高锰钢铸件40.YB/T036.4-92冶金设备制造通用技术条件高锰钢件41.YB/T070-1995钢锭模42.YB/T139-1998复合铸钢支承辊43.YB/T181-2000电渣熔铸合金钢轧辊44.YB/T5248-1993铸造高温合金的力学性能45.Q/ZB66-73合金铸钢46.Q/ZB67-73特殊性能高合金铸钢五、铸造有色合金1.GB/T466-1982铜锭2.GB466-82铜分类3.GB467-82电解铜4.GB469-95铅锭5.GB470-83锌锭6.GB728-84锡锭7.GB914-84镉锭8.GB915-84铋锭9.GB/T1173-1995铸造铝合金10.GB/T1174-1992铸造轴承合金11.GB/T1175-1997铸造锌合金12.GB/T1176-1987铸造铜合金技术条件13.GB/T1177-1991铸造镁合金14.GB1196-1983重熔用铝锭技术条件15.GB1476-1979碲16.GB1599-1979锑17.GB2524-1981海绵钛18.GB2525-1981金属铈19.GB2881-1991工业硅20.GB3135-1982工业纯氧化铍粉末21.GB3198-1982工业用纯铝箔22.GB3459-1982钨条23.GB3462-1982钼条和钼板坯24.GB/T3499-1995镁锭25.GB/T3620.2-1994钛及钛合金成分、性能及应用26.GB4135-1994银27.GB4369-1984锂28.GB4370-1984高纯锂29.GB5153-1985加工镁及镁合金牌号和化学成分30.GB/T5235-1985加工镍及镍合金31.GB/T6517-1986钴32.GB/T6614-1994钛及钛合金铸件33.GB/T8063-1994铸造有色金属及其合金牌号表示方法34.GB/T8179-1988高纯铝35.GB/T8644-1988重熔用精铝锭36.GB/T8733-2000铸造铝合金锭37.GB/T8734-1988铸造铝合金锭38.GB/T8737-1988铸造黄铜锭39.GB/T8738-1988铸造锌合金锭40.GB/T8739-1988铸造青铜锭41.GB/T9438-1999铝合金铸件42.GB/T10448-1989单层和多层滑动轴承用铸造铜合金43.GB/T10450-1989单层滑动轴承用铝基合金44.GB/T11346-1989铝合金铸件X射线照相检验针孔(圆形)分级45.GB/T13818-1992压铸锌合金46.GB/T13819-1992铜合金铸件47.GB/T13820-1992镁合金铸件48.GB/T15073-1994铸造钛及钛合金牌号和化学成分49.GB/T15116-1994压铸铜合金50.GB/T16746-1997锌合金铸件51.JB/T8740-1988铸造轴承合金锭52.JB/T4394-1999稀土镁合金稀土总量、硅、镁的化学分析方法53.JB/T5000.5-1998重型机械通用技术条件有色金属铸件54.JB/T5108-1991铸造黄铜金相55.GB6896-1986铌条56.JB/T7946.1-1999铸造铝合金金相铸造铝硅合金变质57.JB/T7946.2-1999铸造铝合金金相铸造铝硅合金过烧58.JB/T7946.3-1999铸造铝合金金相铸造铝合金针孔59.JB/T7946.4-1999铸造铝合金金相铸造铝铜合金晶粒度60.YB/T036.5-1992冶金设备制造通用技术条件铜合金铸件61.YB/T036.6-1992冶金设备制造通用技术条件铝合金铸件62.YB142-75铸造铝硅合金锭63.YB200-1975电工用纯铁64.YB652-1970海绵锆65.YB738-82粗铅技术条件66.YB740-82粗铜技术条件67.YB786-75铜中间合金锭68.YS/T72-1994镉69.HB/Z5123-1979熔剂的化学成分70.HB962-1986铝铜系合金力学性能71.HB963-1982铸件分类及切取性能标准72.HB965-1982ZMS合金铸件上切取试样的力学性能73.HB5012-1986Al-Si系压铸合金力学性能74.HB/Z5124-1979ZM5合金的第一种热处理规范75.HB5155-1988高温合金牌号成分性能标准K40376.HB5157-1988高温合金牌号成分性能标准K40677.HB5158-1988高温合金牌号成分性能标准K21178.HB5160-1988高温合金牌号成分性能标准K21479.HB5161-1988高温合金牌号成分性能标准K41780.HB5162-1988高温合金牌号成分性能标准K41881.HB5371-1987铝基中间合金的化学成分82.HB5372-1987铝合金预制锭的化学成分83.HB5531-1988高温合金牌号成分性能标准K417G84.Q/6S93-1980镁合金用中间合金的化学成分六、压铸合金1.GB/T13818-1992压铸锌合金2.GB/T13821-1992锌合金压铸件3.GB/T13822-1992压铸有色合金试样4.GB/T15114-1994铝合金压铸件5.GB/T15115-1994压铸铝合金6.GB/T15116-1994压铸铜合金7.GB/T15117-1994铜合金压铸件8.JB/T3070-1982压铸镁合金七、熔模铸造1.GB/T12214-1990熔模铸造用硅砂、粉2.GB/T12215-1990熔模铸造用铝矾土砂、粉3.GB/T14235.1-1993熔模铸造模料熔点测定方法(冷却曲线法)4.GB/T14235.2-1993熔模铸造模料抗弯强度测定方法5.GB/T14235.3-1993熔模铸造模料灰分测定方法6.GB/T14235.4-1993熔模铸造模料线收缩率测定方法7.GB/T14235.5-1993熔模铸造械料表面硬度测定方法8.GB/T14235.6-1993熔模铸造模料酸值测定方法9.GB/T14235.7-1993熔模铸造模料流动性测定方法10.GB/T14235.8-1993熔模铸造模料粘度测定方法11.GB/T14235.9-1993熔模铸造模料热稳定性测定方法12.JB/T2980.1-1999熔模铸造型壳高温热变形试验方法13.JB/T2980.2-1999熔模铸造型壳高温抗弯强度试验方法14.JB/T4007-1999熔模铸造涂料试验方法15.JB/T4153-1999型壳高温透气性试验方法16.JB/T5100-1991熔模铸造碳钢件技术条件八、铸造用生铁及铁合金1.GB/T717-1998炼钢用生铁2.GB/T718-1982铸造用生铁3.GB719-65生铁的化学分析用试样采取法4.GB/T1412-1985球墨铸铁用生铁5.GB/T2272-1987硅铁6.GB2774-91金属锰7.GB2881-81工业硅技术条件8.GB3210-82磷铁9.GB3211-87金属铬10.GB/T3282-1987钛铁11.GB3283-82五氧化二钒12.GB3418-82电解金属锰13.GB3620-83钛及钛合金牌号和化学成分14.GB/T3648-1996钨铁15.GB/T3649-1987钼铁16.GB3650-83铁合金验收、包装、储运、标志和质量证明书的一般规定17.GB/T3795-1996锰铁18.GB4007-83高炉锰铁19.GB/T4008-1996锰硅合金20.GB/T4009-1989硅铬合金21.GB4010-83铁合金化学分析用试样采取法22.GB/T4137-1993稀土硅铁合金23.GB/T4138-1993稀土镁硅铁合金24.GB/T4139-1987钒铁25.GB4153-84混合稀土金属26.GB4223-84回炉碳素废钢分类及技术条件27.GB4224-84回炉废铁分类及技术条件28.GB4225-84回炉合金废钢分类及技术条件29.GB/T4700.4-1998硅钙合金化学分析方法磷钼蓝分光亮度法测定磷量30.GB/T4700.5-1998硅钙合金化学分析方法红外线吸收法测定碳量31.GB/T4700.7-1998硅钙合金化学分析方法红外线吸收法和燃烧碘酸钾滴定法测定硫量32.GB4864-85金属钙33.GB5062-85钒渣34.GB/T5063-1985钒铝合金35.GB/T5682-1995硼铁36.GB/T5683-1987铬铁37.GB5684-87真空法微碳铬铁38.GB6516-86电解镍39.GB/T7737-1997铌铁40.GB/T7738-1987铁合金产品牌号表示方法41.GB8549-87铁、铬、硼、硅系自熔合金粉42.GB/T8729-1988铸造焦炭43.GB/T10131-1988铌锰铁合金44.GB/T14984-94铁合金术语45.GB/T15710-1995硅钡合金46.YB/T008-1997钒渣47.YB/T14-91铸造用生铁48.YB/T034-1992铁合金用焦炭49.YB/T035-1992焦炭电阻率的测定方法50.YB/T051-1993电解金属锰51.YB/T053-2000包芯线52.YB/T065-1995硅铝合金53.YB/T066-1995硅钡铝合金54.YB/T067-1995硅钙钡铝合金55.YB/T068-1995脱碳低磷粒铁56.YB/T077-1995焦炭光学组织的测定方法57.YB518-64回炉碳素废钢分类及技术条件58.YB519-64回炉废铁分类及技术条件59.YB4025-91铌磷半钢60.YB/T5036-1993磷铁61.YB/T5051-1997硅钙合金62.YB/T5125-1993含钒生铁63.YB/T5129-1993氧化钼块64.YB/T5140-1993氮化铬铁(GB5685-85调整)65.YB/T5210-1993铸造用磷铜钛低合金耐磨生铁66.YB/T5216-1993铌锰铁合金67.YB/Z4-75炼钢脱氧,部分铁合金用铝锭九、化验分析1.JB/T2122-1977铁素体可锻铸铁金相2.JB/T2980.1-1999熔模铸造型壳高温热变形试验方法3.JB/T2980.2-1999熔模铸造型壳高温抗弯强度试验方法4.JB/T4007-1999熔模铸造涂料试验方法5.JB/T4022.1-1999合金铸造性能测定方法自由线收缩测定方法6.JB/T4022.2-1999合金铸造性能测定方法热裂倾向的测定7.JB/T4153-1999型壳高温透气性试验方法8.JB/T4394-1999稀土镁合金稀土总量、硅、镁的化学分析方法9.JB/T5107-1991砂型铸造用涂料试验方法10.JB/T6794-1933型砂试验用模具11.JB/T9156-1999铸造用试验筛12.YB/T045-1993鳞片石墨厚度测定方法13.YB/T105-1997冶金石灰物理检验方法14.YB/T109.1-1997硅钡合金化学分析方法高氯酸脱水重量法测定钡量15.YB/T109.2-1997硅钡合金化学分析方法硫酸钡重量法测定钡量16.YB/T109.3-1997硅钡合金化学分析方法EDTA容量法测定铝量17.YB/T109.4-1997硅钡合金化学分析方法高碘酸钾亮度法测定锰量18.YB/T109.5-1997硅钡合金化学分析方法钼蓝亮度法测定磷量19.YB/T109.6-1997硅钡合金化学分析方法红外线吸收法测定碳量20.YB/T109.7-1997硅钡合金化学分析方法红外线吸收法测定硫量21.YB/T178.1-2000硅铝合金、硅钡铝合金化学分析方法高氯酸脱水重量法测定硅含量22.YB/T178.2-2000硅铝合金、硅钡铝合金化学分析方法硫酸钡重量法测定钡含量23.YB/T178.3-2000硅铝合金、硅钡铝合金化学分析方法EDTA滴定法测定铝含量24.YB/T178.4-2000硅铝合金、硅钡铝合金化学分析方法高碘酸钠分光亮度法测定锰含量25.YB/T178.5-2000硅铝合金、硅钡铝合金化学分析方法磷钼蓝分光亮度法测定磷含量26.YB/T178.6-2000硅铝合金、硅钡铝合金化学分析方法红外线吸收法测定碳含量27.YB/T327-1963耐火材料用铝土矿石分类及技术条件28.YB/T547.1-1995钒渣化学分析方法硫酸亚铁铵滴定法测定五氧化二钒量29.YB/T547.2-1995钒渣化学分析方法高氯酸脱水重量法测定二氧化硅量30.YB/T547.3-1995钒渣化学分析方法火焰原子吸收光谱法和高锰酸钾容量法测定氧化钙量31.YB/T547.4-1995钒渣化学分析方法酸碱容量法和铋磷钼蓝亮度法测定磷量32.YB/T576-1965磷铁化学分析方法33.YB/T585-1965钒铁化学分析方法34.YB/T949-1979化学分析允许差制定方法(试行)35.YB/T2429-1983耐火材料用结合粘土可塑性检验方法36.YB/T2503-1977稀土硅铁、稀土硅铁镁合金化学分析方法37.YB/T4004-1991优质镁砂化学分析方法二安替比林甲烷亮度法测定二氧化钛量38.YB/T4005-1991优质镁砂化学分析方法EDAT容量法测定氧化钙量39.YB/T4006-1991优质镁砂化学分析方法重量法测定灼烧减量40.YB/T4007-1991优质镁砂化学分析方法铬天青S亮度法测定氧化铝量41.YB/T4008-1991优质镁砂化学分析方法乙二醇盐酸容量法测定游离氧化钙量42.YB/T4009-1991优质镁砂化学分析方法钼蓝亮度法测定二氧化硅量43.YB/T4010-1991优质镁砂化学分析方法差减法测定氧化镁量44.YB/T4011-1991优质镁砂化学分析方法钼蓝亮度法测定五氧化二磷量45.YB/T4012-1991优质镁砂化学分析方法高碘酸钾亮度法测定氧化锰量46.YB/T4013-1991优质镁砂化学分析方法邻二氮杂菲亮度法测定三氧化二铁量47.YB/T5038-1993氧化钼块化学分析方法重量法测定湿存水48.YB/T5039-1993氧化钼块化学分析方法钼酸铅重量法测定钼49.YB/T5040-1993氧化钼块化学分析方法硫酸钡重量法测定硫50.YB/T5041-1993氧化钼块化学分析方法燃烧-碘酸钾容量法测定硫51.YB/T5042-1993氧化钼块化学分析方法库仑法测定碳52.YB/T5043-1993氧化钼块化学分析方法正丁醇-三氯甲烷萃取亮度法测定磷53.YB/T5044-1993氧化钼块化学分析方法苯基荧火酮试剂亮度法测定铜54.YB/T5045-1993氧化钼块化学分析方法新铜试剂亮度法测定铜55.YB/T5046-1993氧化钼块化学分析方法孔雀绿亮度法测定锑十、辅助材料1.JB/T2755-1980铸造用亚硫酸盐木浆废液粘结剂2.YB/T042-1993冶金石灰3.YB/T044-1993炼钢用石墨4.YB/T192-2001炼钢用增碳剂5.YB/T5149-1993铸钢丸(GB6484-86调整)6.YB/T5150-1993铸钢砂(GB6485-86调整)7.YB/T5151-1993铸铁丸(GB6486-86调整)8.YB/T5152-1993铸铁砂(GB6487-86调整)9.YB/T5217-1997萤石10.YB/T5279-1999石灰石十一、稀土金属及其合金1.YB/T010-1992混合稀土金属丝棒2.YB/T048-1993钢锭模中稀土棒吊挂方法3.YB/T049-1993连续结晶中稀土丝喂入法4.YB/T4040-1991氧化镝5.YB/T4041-1991氧化铒6.YB/T4045-1991金属钇7.YB/T4046-1991高钇混合稀土氧化物8.YB/T4047-1991高铕混合稀土氧化物十二、耐火材料1.GB/T2273-1998烧结镁砂2.GB/T2275-1987镁砖及镁硅砖3.GB/T2988-1987高铝砖4.GB/T2992-1998通用耐火砖形状尺寸5.GB/T2994-1994高铝质耐火泥浆6.GB/T2997-1982致密定形耐火制品显气孔率、吸水率、体积密度和真气孔率试验方法7.GB/T3003-1982普通硅酸铝耐火纤维毡8.GB/T3043-1989棕刚玉化学分析方法9.GB/T3521-1995石墨化学分析方法10.GB/T3286.1-1998石灰石、白云石化学分析方法氧化钙量和氧化镁量的测定11.GB/T3286.2-1998石灰石、白云石化学分析方法二氧化硅量的测定12.GB/T3286.3-1998石灰石、白云石化学分析方法氧化铝量的测定13.GB/T3286.4-1998石灰石、白云石化学分析方法氧化铁量的测定14.GB/T3286.5-1998石灰石、白云石化学分析方法氧化锰量的测定15.GB/T3286.6-1998石灰石、白云石化学分析方法磷量的测定16.GB/T3286.7-1998石灰石、白云石化学分析方法硫量的测定17.GB/T3286.8-1998石灰石、白云石化学分析方法灼烧减量的测定18.GB/T3286.9-1998石灰石、白云石化学分析方法二氧化碳量的测定19.GB/T5069.1-1985镁质耐火材料化学分析方法重量法测定灼烧失量20.GB/T5069.2-1985镁质耐火材料化学分析方法钼蓝亮度法测定二氧化硅量21.GB/T5069.3-1985镁质耐火材料化学分析方法重量-钼蓝亮度法测定二氧化硅量22.GB/T5069.4-1985镁质耐火材料化学分析方法邻二氮杂菲亮度法测定三氧化二铁量23.GB/T5069.5-1985镁质耐火材料化学分析方法铬天青S亮度法测定氧化铝量24.GB/T5069.6-1985镁质耐火材料化学分析方法EDTA容量法测定氧化铝量25.GB/T5069.7-1985镁质耐火材料化学分析方法二安替比林甲烷亮度法测定二氧化钛量26.GB/T5069.8-1985镁质耐火材料化学分析方法EGTA容量法测定氧化钙量27.GB/T5069.9-1985镁质耐火材料化学分析方法CyDTA容量法测定氧化镁良28.GB/T5069.10-1985镁质耐火材料化学分析方法原子吸收分光亮度法测定氧化锰量29.GB/T5069.11-1985镁质耐火材料化学分析方法原子吸收分光亮度法测定氧化钾、氧化钠量30.GB/T5989-1998耐火制品荷重软化温度试验方法示差-升温法31.GB/T6900.1-1986粘土、高铝质耐火材料化学分析方法重量法测定灼烧减量32.GB/T6900.2-1986粘土、高铝质耐火材料化学分析方法重量-钼蓝亮度法测定二氧化硅量33.GB/T6900.3-1986粘土、高铝质耐火材料化学分析方法邻二氮杂菲亮度法测定三氧化二铁量34.GB/T6900.4-1986粘土、高铝质耐火材料化学分析方法EDTA容量法测定氧化铝量35.GB/T6900.5-1986粘土、高铝质耐火材料化学分析方法过氧化氢亮度法测定二氧化钛量36.GB/T6900.6-1986粘土、高铝质耐火材料化学分析方法EDTA容量法测定氧化钙量37.GB/T6900.7-1986粘土、高铝质耐火材料化学分析方法二甲苯胺蓝Ⅰ-溴化十六烷基三甲铵亮度法测定氧化镁量38.GB/T6900.8-1986粘土、高铝质耐火材料化学分析方法原子吸收分光亮度法测定氧化钙、氧化镁量39.GB/T6900.9-1986粘土、高铝质耐火材料化学分析方法原子吸收分光亮度法测定氧化钾、氧化钠量40.GB/T6900.10-1986粘土、高铝质耐火材料化学分析方法过硫酸铵亮度法测定氧化锰量41.GB/T6900.11-1986粘土、高铝质耐火材料化学分析方法钼蓝亮度法测定五氧化二磷量42.GB/T7322-1997耐火材料耐火度试验方法43.GB/T8931-1988耐火材料抗渣性试验方法44.GB/T14982-1994粘土质耐火泥浆45.JB/T7995-1995黑刚玉化学分析方法46.YB/T099-1997石墨电极焙烧品47.YB/T101-1997炼钢电炉炉底用MgO-CaO-Fe2O3系合成料48.YB/T114-1997硅酸铝质隔热耐火泥浆49.YB/T134-1998高温红外辐射涂料50.YB/T142-1998浸渍石墨电极51.YB/T118-1997耐火材料气孔孔径分布试验方法52.YB/T370-1995耐火制品荷重软化温度试验方法(非示差-升温法)53.YB/T376.1-1995耐火制品抗热震性试验方法(水急冷法)54.YB/T376.2-1995耐火制品抗热震性试验方法(空气急冷法)55.YB/T416-1980镁质及镁硅质铸口砖56.YB/T819-1978炭电极57.YB/T894-1994平炉用镁铝砖形状及尺寸58.YB/T2217-1999电炉用球顶砖形状及尺寸59.YB/T4004-1991优质镁砂化学分析方法二安替比林甲烷亮度法测定二氧化钛量60.YB/T4005-1991优质镁砂化学分析方法EDTA容量法测定氧化钙量61.YB/T4006-1991优质镁砂化学分析方法重量法测定灼烧减量62.YB/T4007-1991优质镁砂化学分析方法铬天青S亮度法测定氧化铝量63.YB/T4008-1991优质镁砂化学分析方法乙二醇盐酸容量法测定游离氧化钙量64.YB/T4009-1991优质镁砂化学分析方法钼蓝亮度法测定二氧化硅量65.YB/T40010-1991优质镁砂化学分析方法差减法测定氧化镁量66.YB/T4011-1991优质镁砂化学分析方法钼蓝亮度法测定五氧化二磷量67.YB/T4012-1991优质镁砂化学分析方法高碘酸钾亮度法测定氧化锰量68.YB/T4013-1991优质镁砂化学分析方法邻二氮杂菲亮度法测定三氧化二铁量69.YB/T4018-1991耐火制品抗热震性试验方法70.YB/T4074-1991镁碳砖71.YB/T4075-1991锆质定径水口砖72.YB/T4076-1991连铸用熔融石英质耐火制品73.YB/T4077-1991铝碳质耐火材料化学分析方法EDTA容量法测定氧化铝量74.YB/T4078-1991锆质定径水口砖化学分析方法苦杏仁酸重量法测定二氧化锆(铪)量75.YB/T4088-2000石墨电极76.YB/T4089-2000高功率石墨电极77.YB/T4090-2000超高功率石墨电极78.YB/T5009-1993镁质耐火泥79.YB/T5010-1993平炉用镁铝砖80.YB/T5011-1997镁铬砖81.YB/T5017-2000炼钢电炉顶用高铝砖82.YB/T5018-1993炼钢电炉顶用砖形状尺寸83.YB/T5020-1993盛钢桶用高铝质衬砖84.YB/T5021-1993盛钢桶内铸钢用高铝质耐火砖85.YB/T5049-1993盛钢桶用滑动铸口砖86.YB/T5083-1997粘土质和高铝质致密耐火浇注料87.YB/T5106-1993粘土质耐火砖88.YB/T5109-1993浇铸用粘土质耐火砖89.YB/T5110-1993浇铸用耐火砖形状尺寸90.YB/T5111-1993盛钢桶用粘土质衬砖91.YB/T5112-1993盛钢桶内铸钢用粘土质耐火砖92.YB/T5113-1993盛钢桶内铸钢用耐火砖形状尺寸93.YB/T5115-1993粘土质和高铝质耐火可塑料94.YB/T5116-1993粘土质和高铝质耐火可塑料试样制备方法95.YB/T5117-1993粘土质和高铝质耐火可塑料线变化率试验方法96.YB/T5118-1993粘土质和高铝质耐火可塑料强度试验方法97.YB/T5119-1993粘土质和高铝质耐火可塑料可塑性指数试验方法98.YB/T5120-1993粘土质和高铝质耐火可塑料含水率试验方法99.YB/T5266-1999电熔镁砂100.YB/T5267-1999全天然料烧结莫来石101.YB/T5268-1999硅石102.YB/T5270-1999铝镁耐火浇注料103.YB/T5278-1999白云石十三、其它1.GB1996-80冶金焦炭2.GB3070-82沥青焦。
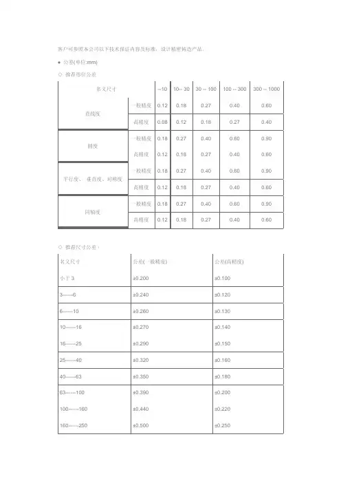
客户可参照本公司以下技术保证内容及标准,设计精密铸造产品。
● 公差(单位:mm)
◇推荐形位公差
名义尺寸--10 10-- 30 30 -- 100 100 -- 300 300 -- 1000
一般精度0.12 0.18 0.27 0.40 0.60 直线度
高精度0.08 0.12 0.18 0.27 0.40
一般精度0.18 0.27 0.40 0.60 0.90 圆度
高精度0.12 0.18 0.27 0.40 0.60
一般精度0.18 0.27 0.40 0.60 0.90 平行度、垂直度、对称度
高精度0.12 0.18 0.27 0.40 0.60
一般精度0.18 0.27 0.40 0.60 0.90 同轴度
高精度0.12 0.18 0.27 0.40 0.60
◇推荐尺寸公差﹕
名义尺寸公差(一般精度) 公差(高精度)
小于3 ±0.200 ±0.100
3------6 ±0.240 ±0.120
6------10 ±0.260 ±0.130
10------16 ±0.270 ±0.140
16------25 ±0.290 ±0.150
25------40 ±0.320 ±0.160
40------63 ±0.350 ±0.180
63------100 ±0.390 ±0.200
100------160 ±0.440 ±0.220
160------250 ±0.500 ±0.250
250------400 ±0.550 ±0.280
400------630 ±0.600 ±0.320
630------1000 ±0.700 ±0.350
◇角度公差﹕≤±0.5°
● 最小铸造孔径D ≥ Φ2
通孔D >Φ7, 长度L = 3D; 通孔 D <Φ7, 长度L = 2D
盲孔 D >Φ7, 深度L = 2D; 盲孔 D <Φ7, 深度L = D
● 铸造圆角
外圆角R ≥ 0.3 内圆角R ≥ 0.5
● 最小壁厚
一般1.0 mm, 部分可达0.6 mm
● 表面粗糙度
有色金属: 1.6 μm ~3.2 μm
黑色金属: 3.2 μm ~6.3 μm
● 铸件外廓尺寸及重量﹕
◇外廓一般不超过1400×600×600mm, 重量不超过40kg
● 材质选择﹕
◇可提供的铸件材料包括﹕铝合金(含铝镁合金、铝锂合金)、铜合金(含铍青铜合金)、不锈钢(含沉淀硬化不锈钢)及镍基合金、钴基合金、铁基合金等。
以下为常用材料可供用户参考﹕
● 铸件质量标准﹕
◇铸件的分类、分级和化学成分、力学性能、表面质量、内部质量遵从HB963-90、HB5312-85、HB5430-89、HB5480-91、RZLB1-86等标准。
● 生产试制周期
◇普通铸造产品在合同生效后4—6周完成模具制作并交付合格样件。
特殊产品另议。
● 熔模铸件定购中注意事项﹕
◇要做好零件结构工艺性审查工作(尺寸精度越高、表面粗糙度越细、铸件形状越复杂、铸件余量越小时更应如此),这样才能使铸件设计和材质选择更合理,铸件质量易于保证,降低铸件生产预算成本,避免因设计问题而导致延误试制时间和付出更多的代价。
(在此过程中遇到问题欢迎联系我们,与我们的铸造工程师进行协商解决)
长度和厚度公差(单位:mm)
尺寸范围一般公差特别公差
0-6 +/-0.10 +/-0.08
6-10 +/-0.13 +/-0.10
10-18 +/-0.16 +/-0.13
18-30 +/-0.20 +/-0.16
30-45 +/-0.25 +/-0.20
45-62 +/-0.30 +/-0.25 62-87 +/-0.35 +/-0.30 87-125 +/-0.45 +/-0.35 125-175 +/-0.50 +/-0.45 175-250 +/-0.60 +/-0.50 250-400 +/-1.00 +/-0.80。