10KV变电所设计
- 格式:doc
- 大小:962.11 KB
- 文档页数:28
10kV及以下变电所设计规范GB50053-94主编部门:中华人民共和国机械工业部批准部门:中华人民共和国建设部施行日期:1994年11月1日第一章总则第1.0.1条为使变电所设计做到保障人身安全、供电可靠、技术先进、经济合理和维护方便,确保设计质量,制订本规范。
第1.0.2条本规范适用于交流电压10kV及以下新建、扩建或改建工程的变电所设计。
第1.0.3条变电所设计应根据工程特点、规模和发展规划,正确处理近期建设和远期发展的关系,远近结合,以近期为主,适当考虑发展的可能。
第1.0.4条变电所设计应根据负荷性质、用电容量、工程特点、所址环境、地区供电条件和节约电能等因素,合理确定设计方案。
第1.0.5条变电所设计采用的设备和器材,应符合国家或行业的产品技术标准,并应优先选用技术先进、经济适用和节能的成套设备和定型产品,不得采用淘汰产品。
第1.0.6条10kV及以下变电所的设计,除应执行本规范的规定外,尚应符合国家现行的有关设计标准和规范的规定。
第二章所址选择第2.0.1条变电所位置的选择,应根据下列要求经技术、经济比较确定:第2.0.2条一、接近负荷中心;第2.0.3条二、进出线方便;第2.0.4条三、接近电源侧;第2.0.5条四、设备运输方便;第2.0.6条五、不应设在有剧烈振动或高温的场所;第2.0.7条六、不宜设在多尘或有腐蚀性气体的场所,当无法远离时,不应设在污染源盛行风向的下风侧;第2.0.8条七、不应设在厕所、浴室或其他经常积水场所的正下方,且不宜与上述场所相贴邻;第2.0.9条八、不应设在有爆炸危险环境的正上方或正下方,且不宜设在有火灾危险环境的正上方或正下方,当与有爆炸或火灾危险环境的建筑物毗连时,应符合现行国家标准《爆炸和火灾危险环境电力装置设计规范》的规定;第2.0.10条九、不应设在地势低洼和可能积水的场所。
第2.0.11条装有可燃性油浸电力变压器的车间内变电所,不应设在三、四级耐火等级的建筑物内;当设在二级耐火等级的建筑物内时,建筑物应采取局部防火措施。
发电厂电气部分课程设计题目110/10KV变电所电气部分设计 ________日期:2015.9.21目录•课程设计任务书• 110/10KV变电所设计说明书--------------------------------------❖1、简要说明所设计变电所在电力系统中的地位(终端);❖❖2、变电所主变压器的台数、容量、具体的型号;❖❖3、采用的主接线的形式[单母线分段(B所);❖❖4、其他高压电器:断路器、隔离开关、电流互感器、电压互感器的规格型号; •110/10KV变电所设计计算书------------------------------------ 变电所选取110kv、10kv两个短路点,计算短路电流•110/10KV变电所设计主接线图•参考文献•感谢课程设计任务书1.课程设计应达到的目的通过本次课程设计,对所学课程的知识进行强化,提高学生分析问题和解决问题的能力,拉近课堂与工程设计的距离,使学生完全掌握变电所一次部分的设计过程、主接线和配电装置的初步设计、变电所主设备的选择方法等。
2.课程设计题目及要求110/10kV变电所电气部分设计一、设计内容1.对待设计变电所在系统中的地位和作用及所供用户的分析。
2.选择待设计变电所主变的台数、容量及型式。
3.分析确定高低压主接线及配电装置型式4.分析确定所用电接线型式。
5. 进行互感器的配置。
6.进行选择设备和导体所必须的短路电流计算。
7.选择变电所高、低压侧的断路器、隔离开关。
8. 设计10kV硬母线系统。
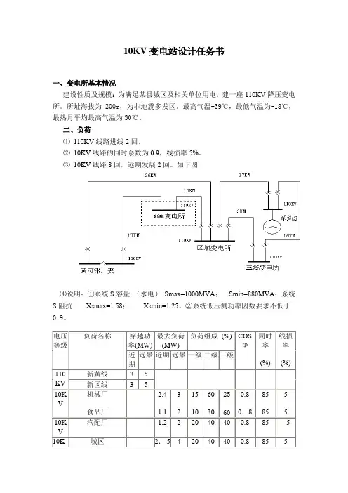
二、有关原始数据1.变电所有关资料(110/10kV)L1 20 km, L2 22 km, L3 19 km, L4 15 km。
2.环境温度年最高温度40℃,最热月最高平均气温32℃3.变电所10kV侧过电流保护动作时间为1秒4. 110kV输电线路电抗按0.4Q /km计5.发电厂变电所地理位置图(附图一)6.典型日负荷曲线(附图二)附图一发电厂变电所地理位置图G:汽轮机 QFQ — 50 — 2,50MW COS@=0.8,附图二典型日负荷曲线X〃=0.124T:变压器SF7 —40000/121±2X2.5%P = 46kW P = 174kW I% = 0.8U% = 10.5 °K3、课程设计任务及工作量的要求(包括课程设计计算说明书、图纸、实物样品等要求)成品提交的设计文件和图纸要求:1.设计说明书1份2.设计计算书1份3.图纸1张:变电所主接线图110/10KV变电所设计说明书(1B)第一章所设计变电所在电力系统中的地位电力系统是由发电机、变压器、输电线路和用电设备(负荷)组成的网络,它包括通过电的或机械的方式连接在网络中的所有设备。
某工厂10kV车间变电所电气部分设计10kV车间变电所电气部分设计一、概述10kV车间变电所作为一座工厂的重要电气设施,负责将供电局提供的高压电力通过变压器降压,将电能供应给车间的各个电气设备。
本文将对10kV车间变电所的电气部分设计进行详细的叙述。
二、所需设备1. 10kV高压开关柜:用于控制和保护高压线路,包括主要开关、保险丝、断路器等。
2. 变压器:将10kV高压电力变压为车间所需要的低压电力。
3. 低压开关柜:包括主供电开关柜、柜式配电装置等,用于控制和保护低压线路。
4. 电能计量装置:用于对供电情况、电能消耗等进行监测和计量。
5. 接地装置:用于将设备和设施的金属外壳和地面接地,保证人员和设备的安全。
6. 照明设备:为车间提供足够的照明。
三、电气系统设计1. 高压侧设计高压侧主要由供电局提供的10kV高压线路、高压开关柜和变压器组成。
高压开关柜具备主开关和断路器等功能,对高压线路进行控制和保护。
变压器通过调整变比,将10kV高压电力变压为车间所需的低压电力。
2. 低压侧设计低压侧由变压器、低压开关柜和柜式配电装置等组成。
低压开关柜通过控制和保护低压线路,将低压电力供应给车间内各个设备。
柜式配电装置对电能进行分配和监测,确保各个设备正常供电。
3. 配电设计根据车间的用电情况和设备功率需求,制定合理的配电方案。
主供电开关柜通过断路器和熔断器对电路进行控制,确保各个设备的正常运行。
柜式配电装置对电能进行计量和监测,实时了解车间的用电情况。
四、安全设计1. 接地设计为保证车间变电所的安全运行,需要对设备和设施进行接地。
通过接地装置,将设备和设施的金属外壳和地面接地,防止电气设备进行漏电或感应电,保证人员和设备的安全。
2. 避雷设计为保证车间变电所在雷电天气下的安全运行,需要进行合理的避雷设计。
采取避雷针和避雷网的形式,将雷击电流引导到大地,保护设备和设施的安全。
3. 灭弧设计高压开关柜的灭弧设计是车间变电所电气部分设计中至关重要的一环。
原始资料(1)待设计的变电站为一发电厂升压站(2)计划安装两台200MW汽轮发电机机组发电机型号:QFSN-200-2 U e=15750VCos=0.85 X g=14.13%P e=200MW(3)220KV,出线五回,预留备用空间间隔,每条线路最大输送容量200MVA,T max=200MW(4)当地最高温度41.7℃,最热月平均最高温度32.5℃,最低温度-18.6℃,最热月地面下0.8米处土壤平均温度25.3℃。
(5)厂用电率为8%,厂用电电压为6KV,发电机出口电压为15.75KV。
(6)本变电站地处8度地震区。
(7)在系统最大运行方式下,系统阻抗值为0.054。
(8)设计电厂为一中型电厂,其容量为2×200 MW=400 MW,最大机组容量200 MW,向系统送电。
(9)变电站220KV与系统有5回馈线,呈强联系方式。
说明书主变压器的选择对于200MW及以上的的发电机组,一般与双绕组变压器组成单元接线,主变压器的容量和台数与发电机容量配套选用。
对于中、小型发电厂应按下列原则选择:(1)为节约投资及简化布置,主变压器应选用三相式。
(2)为保证发电机电压出线供电可靠,接在发电机电压母线上的主变压器一般不少于两台。
在计算通过主变压器的总容量时,至少应考虑5年内负荷的发展需要,并要求;在发电机电压母线上的负荷为最小时,能将剩余功率送入电力系统;发电机电压母线上的最大一台发电机停运时,能满足发电机电压的最大负荷用电需要;因系统经济运行而需限制本厂出力时,亦应满足发电机电压的最大负荷用电。
发电机与主变压器为单元连接时,主变压器的容量可按下列条件中的较大者选择:(1)按发电机的额定容量和扣除本机组的厂用负荷后,留有10%的裕度。
(2)相数的选择:主变压器采用三相或是单相,主要考虑变压器的制造条件、可靠性要求及运输条件等因素。
当不受运输条件限制时,在330KV及以下的发电厂和变电所,均应选用三相变压器。
10kV及以下变电所设计规范GB50053-94主编部门:中华人民共和国机械工业部批准部门:中华人民共和国建设部施行日期:1994年11月1日第一章总则第1.0.1条为使变电所设计做到保障人身安全、供电可靠、技术先进、经济合理和维护方便,确保设计质量,制订本规范。
第1.0.2条本规范适用于交流电压10kV及以下新建、扩建或改建工程的变电所设计。
第1.0.3条变电所设计应根据工程特点、规模和发展规划,正确处理近期建设和远期发展的关系,远近结合,以近期为主,适当考虑发展的可能。
第1.0.4条变电所设计应根据负荷性质、用电容量、工程特点、所址环境、地区供电条件和节约电能等因素,合理确定设计方案。
第1.0.5条变电所设计采用的设备和器材,应符合国家或行业的产品技术标准,并应优先选用技术先进、经济适用和节能的成套设备和定型产品,不得采用淘汰产品。
第1.0.6条10kV及以下变电所的设计,除应执行本规范的规定外,尚应符合国家现行的有关设计标准和规范的规定。
第二章所址选择第2.0.1条变电所位置的选择,应根据下列要求经技术、经济比较确定:一、接近负荷中心;二、进出线方便;三、接近电源侧;四、设备运输方便;五、不应设在有剧烈振动或高温的场所;六、不宜设在多尘或有腐蚀性气体的场所,当无法远离时,不应设在污染源盛行风向的下风侧;七、不应设在厕所、浴室或其他经常积水场所的正下方,且不宜与上述场所相贴邻;八、不应设在有爆炸危险环境的正上方或正下方,且不宜设在有火灾危险环境的正上方或正下方,当与有爆炸或火灾危险环境的建筑物毗连时,应符合现行国家标准《爆炸和火灾危险环境电力装置设计规范》的规定;九、不应设在地势低洼和可能积水的场所。
第2.0.2条装有可燃性油浸电力变压器的车间内变电所,不应设在三、四级耐火等级的建筑物内;当设在二级耐火等级的建筑物内时,建筑物应采取局部防火措施。
第2.0.3条多层建筑中,装有可燃性油的电气设备的配电所、变电所应设置在底层靠外墙部位,且不应设在人员密集场所的正上方、正下方、贴邻和疏散出口的两旁。
10KV变电所及其低压配电系统设计一、引言10KV变电所是电力系统中的重要设施,主要负责将电网中的高压电能转换为适用于用户的低压电能。
在设计10KV变电所及其低压配电系统时,需要考虑到安全、可靠、经济等因素。
本文将就10KV变电所及其低压配电系统设计进行详细说明。
二、10KV变电所设计1.额定电压:10KV变电所的额定电压应根据实际情况确定,一般为10KV或20KV。
2.变压器:10KV变电所中,变压器是将高压电能转换为低压电能的关键设备。
变压器的额定容量应根据负荷情况确定,同时还要考虑到将来的扩容需求。
变压器的选型应根据负载率、效率、损耗等因素进行综合考虑。
3.配电装置:10KV变电所中的配电装置包括开关柜、断路器、隔离开关、接地开关等。
这些设备的选型应根据电网的负荷情况、运行可靠性要求等进行综合考虑。
4.接地系统:10KV变电所的接地系统是保障人员安全的重要组成部分。
它应能有效降低接地电阻,以确保在故障情况下人员的安全。
接地系统的设计应符合国家相关标准的要求。
1.配电装置:低压配电系统的配电装置包括变配电室、母线、开关柜、断路器等。
这些设备应根据负荷情况和安全可靠性要求进行选型。
2.母线系统:低压配电系统的母线系统应能承受负载电流,并具有足够的短路强度。
母线的选型应根据负荷情况、供电模式等因素进行综合考虑。
3.负荷计算:低压配电系统的负荷计算是确定系统容量和设备选型的重要依据。
根据用户的用电负荷情况,计算出所需的配电容量,并在选型时考虑合理的余量,以确保系统运行的可靠性。
4.保护装置:低压配电系统的保护装置应能及时地检测和隔离故障,以保护系统设备和用户的安全。
保护装置的选型应根据负荷情况、故障类型等因素进行综合考虑。
四、总结设计10KV变电所及其低压配电系统需要综合考虑安全、可靠、经济等各方面的因素。
在设计过程中,需要根据实际情况确定额定电压、选型变压器和配电装置,设计合理的接地系统和母线系统,并进行负荷计算和保护装置选型。
10kv变电所设计课程一、简介10kV变电所设计课程旨在培养学生对变电所的设计和运行管理方面的专业知识和实践能力。
本课程注重理论与实践相结合,通过理论讲解、案例分析和实地考察等方式,使学生能够全面了解10kV变电所设计的基本原理和技术要求。
二、课程目标本课程旨在培养学生具备以下能力:1. 掌握10kV变电所设计的基本原理和技术要求;2. 熟悉变电所各项设备的选型和布置;3. 能够进行10kV变电所的线路设计和电气参数计算;4. 能够编制变电所设计方案和施工图纸;5. 理解10kV变电所的运行管理规范,并能够解决常见问题。
三、课程内容1. 10kV变电所的概述1.1 变电所的定义和作用1.2 10kV变电所的基本组成和功能1.3 变电所的分类及其适用场景2. 变电设备的选型和布置2.1 主变压器的选型和容量计算2.2 开关设备的选型和布置2.3 输电线路的选型和布置2.4 联络开关和电流互感器的选型和布置3. 变电所的线路设计和电气参数计算3.1 变电所供电方案的选择3.2 供电线路的设计和电气参数计算3.3 短路电流的计算和分析4. 变电所设计方案和施工图纸的编制4.1 变电所设计方案的编制要点4.2 变电设备基础设计和施工图纸的绘制4.3 变电设备的布置图和接线图的编制5. 变电所的运行管理规范5.1 变电设备的运行与维护管理5.2 变电所的巡视和检修5.3 变电设备的故障处理和事故应急预案四、教学方法1. 理论讲解:通过教师授课,讲解10kV变电所设计的基本原理和技术要求,注重理论与实践相结合。
2. 案例分析:选取实际变电所设计案例,由学生进行分析和讨论,培养其解决实际问题的能力。
3. 实地考察:组织学生参观实际变电所,了解其工作原理和运行管理,并进行实地操作和实践活动。
4. 实验实践:搭建仿真实验平台,让学生亲自进行变电所设计和运行管理的实验操作,掌握相关技能。
五、评估方式根据学生的学习情况和表现,采用以下方式进行评估:1. 课堂参与和作业:学生积极参与课堂讨论和提问,并按时完成相关作业和实验报告。
10KV变电所设计第1章绪论1.1 设计⽬的通过课程设计巩固本课程理论知识,掌握供配电设计的基本⽅法,通过解决各种实际问题,培养独⽴分析和解决实际⼯程技术问题的能⼒,同时对电⼒⼯业的有关政策、⽅针、技术规程有⼀定的了解,在计算、绘图、设计说明书等⽅⾯得到训练,为今后的⼯作奠定基础。
1.2设计任务根据富威机械⼚⽤电负荷,并适当考虑⽣产的发展,按安全可靠、技术先进、经济和的要求,确定⼯⼚变电所的位置与型式;通过计算负荷,确定主变压器台数及容量;进⾏短路电流的计算,选择变电所的主线及⾼、低电⽓设备;选择整定继电保护装置;最后按要求写出设计计算说明书,绘出设计图纸。
1.3设计要求1、要求每个学⽣独⽴完成设计任务。
2、要正确运⽤设计资料。
3、给出变配电所的主接线图。
4、完成课程设计任务书规定容。
5、要求提交成果。
(1)完成课程设计报告书⼀份;(2)A3变配电所的主接线图纸⼀。
第2章负荷计算及⽆功功率补偿2.1负荷计算根据设计要求进⾏分析,机械⼚负荷统计资料见下表2-1:表2-1机械⼚负荷统计单组⽤电设备的负荷计算:有功功率 n d c P K P ?= kw ⽆功功率θarccos tan ?=c c P Q var k视在功率 22c c c Q P S += KVA计算电流 r cc U S I 3=A通过以上公式对⼯⼚各部分进⾏计算,得到计算结果如下: 1、仓库:动⼒部分:228825.0=?=c P kw7.2565.0arccos tan 22=?=cQ varkKVA S c 8.337.252222=+= 2.5138rc U I A 照明部分: 6.1=c P kw 2、铸造车间;动⼒部分:3.8323835.0=?=c P kw var 857.0arccos tan 3.83k Q c =?= KVA S c 119853.8322=+= A U I rc 3.1803119==照明部分: kw P c 8= 3、锻压车间;动⼒部分:kw P c 5.5923825.0=?= var 6.6965.0arccos tan 5.59k Q c =?=KVA S c 6.916.695.5922=+= A U I rc 8.13836.91==照明部分: kw P c 8108.0=?= 4、⾦⼯车间;动⼒部分:kw P c 5.10943825.0=?= var 1466.0arccos tan 5.109k Q c =?= KVA S c 5.1821465.10922=+= A U I r c 5.27635.182==照明部分: kw P c 8108.0=?= 5、⼯具车间;动⼒部分:A U I KVAS k Q kwP rc c c c 5.31339.2069.2062.1575.134var 2.15765.0arccos tan 5.1345.13453825.022===+==?==?=照明部分: kw P c 8108.0=?= 6、电镀车间;动⼒部分:A U I KVAS k Q kwP rc c c c 5.24037.1587.158105119var10575.0arccos tan 1191192385.022===+==?==?=照明部分: kw P c 8108.0=?= 7、热处理车间;动⼒部分:A U I KVA S k Q kwc c c c 2.17431151159269var926.0arccos tan 69691385.022===+==?==?=照明部分: kw P c 8108.0=?= 8、装配车间;动⼒部分:A U I KVAS k Q kwP rc c c c 5.104369693.493.48var3.497.0arccos tan 3.483.4813835.022===+==?==?=照明部分: kw P c 8108.0=?= 9、机修车间;动⼒部分:A U I KVAS k Q kwP rc c c c 3.80353533.405.34var3.4065.0arccos tan 5.345.3413825.022===+==?==?=照明部分: kw P c 458.0=?= 10、锅炉房;动⼒部分:A U I KVAS k Q kwP rc c c c 8.16031.1061.1067.8069var7.8065.0arccos tan 69691385.022===+==?==?=照明部分: kw P c 6.128.0=?=11、宿舍区;照明部分:kw=P c280400将以上数据进⾏整理得到表格如下:表2-2负荷计算计算表多组设备负荷计算:所有车间的照明负荷:kw P m 2.63= kw 6.1028n1i ci =∑=P kvar 8.850n1i ci =∑=Q取全⼚的同时系数为:90.0=rp K 95.0=rq K 。
10kv变电所及低压配电系统的设计LT1引言1.1 用户供电系统电力用户供电系统由外部电源进线、用户变配电所、高低压配电线路和用电设备组成。
按供电容量的不同,电力用户可分为大型(10000kV·A以上)、中型(1000-10000kV·A)、小型(1000kV·A及以下)1.大型电力用户供电系统大型电力用户的用户供电系统,采用的外部电源进线供电电压等级为35kV 及以上,一般需要经用户总降压变电所和车间变电所两级变压。
总降压变电所将进线电压降为6-10kV的内部高压配电电压,然后经高压配电线路引至各个车间变电所,车间变电所再将电压变为220/380V的低电压供用电设备使用。
某些厂区环境和设备条件许可的大型电力用户也有采用所谓“高压深入负荷中心”的供电方式,即35kV的进线电压直接一次降为220/380V的低压配电电压。
2.中型电力用户供电系统一般采用10kV的外部电源进线供电电压,经高压配电所和10kV用户内部高压配电线路馈电给各车间变电所,车间变电所再将电压变换成220/380V的低电压供用电设备使用。
高压配电所通常与某个车间变电所合建。
3.小型电力用户供电系统一般小型电力用户也用10kV外部电源进线电压,通常只设有一个相当于车间变电所的降压变电所,容量特别小的小型电力用户可不设变电所,采用低压220/380V直接进线。
2. 变电所负荷计算和无功补偿的计算2.1 负荷情况本厂多数车间为三班制,最大负荷利用小时h=,除1#、2#、3#T5000max车间部分设备属二级负荷外,其它均属三级负荷。
低压动力设备均为三相,额定电压为380V。
电气照明设备为单相,额定电压为220V。
本厂的负荷统计参见ϕ≥。
下表1-1。
供电部门对功率因数的要求值:10kV供电时,cos0.9变电所位置已选定,每个车间距离变电所的距离为:1#车间:110m ; 2#车间:80m ;3#车间:100m ; 4#车间:90m 。
IOkV及以下变电所设计规范(配变电装置)第一节型式与布置1变电所的型式应根据用电负荷的状况和周围环境情况确定,并应符合下列规定:a.负荷较大的车间和站房,宜设附设变电所或半露天变电所;b.负荷较大的多跨厂房,负荷中心在厂房的中部且环境许可时,宜设车间内变电所或组台式成套变电站;c.高层或大型民用建筑内,宜设室内变电所或组合式成套变电站;d.负荷小而分散的工业企业和大中城市的居民区,宜设独立变电所,有条件时也可设附设变电所或户外箱式变电站;e.环境允许的中小城镇居民区和工厂的生活区,当变压器容量在315kVA及以下时,宜设杆上式或高台式变电所。
2带可燃性油的高压配电装置,宜装设在单独的高压配电室内。
当高压开关柜的数量为6台及以下时,可与低压配电屏设置在同一房间内。
3不带可燃性油的高、低压配电装置和非油浸的电力变压器,可设置在同一房间内。
具有符合IP3X防护等级外壳的不带可燃性油的高、低压配电装置和非油浸的电力变压器,当环境允许时,可相互靠近布置在车间内。
注:IP3X防护要求应符合现行国家标准《低压电器外壳防护等级》的规定,能防止直径大于2.5mm的固体异物进入壳内。
4室内变电所的每台油量为Iookg及以上的三相变压器,应设在单独的变压器室内。
5在同一配电室内单列布置高、低压配电装置时,当高压开关柜或低压配电屏顶面有裸露带电导体时,两者之间的净距不应小于2m;当高压开关柜和低压配电屏的顶面封闭外壳防护等级符合IP2X级时,两者可靠近布置。
注:IP2X防护要求应符合现行国家标准《低压电器外壳防护等级》的规定,能防止直径大于12mm的固体异物进入壳内。
6有人值班的配电所,应设单独的值班室。
当低压配电室兼作值班室时,低压配电室面积应适当增大。
高压配电室与值班室应直通或经过通道相通,值班室应有直接通向户外或通向走道的门。
7变电所宜单层布置。
当采用双层布置时,变压器应设在底层。
设于二层的配电室应设搬运设备的通道、平台或孔洞。
10kV变电所设计课程主要涉及以下内容:
1. 变电站基础设施的设计:包括变压器、开关柜、电容器组、低压配电柜等设备的布置和接线方式;继电保护、遥信、遥控系统等辅助设备的选型和布局;变电站的建筑设计、通风、排烟等设计。
2. 变电站电气系统的设计:包括负荷计算、导线截面和长度的选取、电缆敷设和接头设计、母线系统的设计、地网设计、电源系统的设计等。
3. 变电站安全环保的设计:包括防雷接地、防雷装置、防火和防爆措施、防盗和防破坏措施、噪声和辐射控制、油污处理等设计。
4. 变电站自动化系统的设计:包括变电站监控与控制、SCADA系统设计,智能化终端单元及其通信采集系统的设计,以及自动化控制系统的硬件和软件设计等。
5. 变电站工程项目管理:包括变电站建设项目中的进度管理、成本管理、质量管理、安全管理等,以及项目竣工验收的相关规范和标准。
在课程学习过程中,可以通过设计类似的实际案例来提高学生的设计能力。
同时,还可以进行现场参观、调研、模拟等实践操作,加深对
变电站设计原理和技术要求的理解。
希望以上内容能够帮助你更好地了解10kV变电所设计课程的相关知识。
10KV变电所及低压配电系统的设计一、引言10KV变电所是电力系统中的一个重要环节,用于将高压电能变换成低压电能,提供给工矿企业、商业建筑和居民用电等场所使用。
低压配电系统则是将变电所提供的低压电能进一步分配到各个用电设备上。
本文将对10KV变电所及低压配电系统的设计进行详细阐述。
二、10KV变电所设计1.变电所布置设计变电所的布置需要考虑到运行的安全、经济和便捷性。
首先,变电所要远离住宅区、易燃易爆物品储存地和重要建筑物,以保证人员和财产的安全。
其次,变电所的布置要符合消防和安全出口要求,确保设备的运行维护的便捷性。
最后,变电所的布置要考虑自然通风,保证设备的散热条件。
2.变电所设备选择变电所的设备选择需要根据实际负荷情况和系统的稳定性来确定。
主要设备包括变压器、高压开关设备和辅助设备等。
变压器是变电所的核心设备,要选择容量合适、质量可靠、能效高的产品。
高压开关设备则需要根据操作便捷性、维护保养方便性和运行可靠性来选择。
3.保护和控制系统设计保护和控制系统是10KV变电所的重要组成部分,主要包括高压开关保护、变压器保护和远动控制系统等。
这些系统需要能够实时监测设备的状态,及时发现和处理异常情况。
同时,保护和控制系统还需要能够实现对设备的自动控制和远程通信,提高变电所的运行效率和可靠性。
三、低压配电系统设计1.配电柜布置设计配电柜的布置需要根据工程的实际需要和场地条件来确定。
首先,要根据负荷情况合理布置配电柜的数量和位置,保证每个用电点都能够得到稳定的供电。
其次,要考虑到维护保养的便捷性,保证人员可以安全进行操作。
最后,配电柜之间要保持一定的安全距离,防止发生火灾和短路等事故。
2.电缆敷设设计低压配电系统的电缆敷设需要考虑到电缆的负荷容量、敷设路径和敷设方式等因素。
首先,要根据负荷情况选择合适容量的电缆,以保证供电的稳定性和安全性。
其次,要根据工程的布局设计合理的电缆敷设路径,尽量减少长度和损耗。
摘要变电所是电力系统的重要组成部分,它直接影响整个电力系统的安全与经济运行,是联系发电厂和用户的中间环节,起着变换和分配电能的作用。
这次设计以10KV降压变电所为主要设计对象,分析变电站的原始资料确定变电所的主接线;通过负荷计算确定主变压器台数、容量及型号。
根据短路计算的结果,对变电所的一次设备进行了选择和校验。
同时完成配电装置的布置、防雷保护及接地装置方案的设计。
关键词:变电所电气主接线;短路电流计算;一次设备;防雷保护目录第1章引言.................................................. 错误!未定义书签。
1.1 概述 .................................... 错误!未定义书签。
1.2 原始资料分析 ............................ 错误!未定义书签。
1.2.1 本所设计电压等级................... 错误!未定义书签。
1.2.2 电源负荷地理位置情况............... 错误!未定义书签。
1.2.3 设计任务书......................... 错误!未定义书签。
第2章电气主接线设计 ............................................................ - 5 -2.1 主接线接线方式........................................ - 5 -2.1.1 单母线接线...................................... - 5 -2.1.2 单母线分段接线.................................. - 5 -2.2.3 单母分段带旁路母线.............................. - 5 -2.2.4 桥型接线........................................ - 5 -2.2.5 双母线接线...................................... - 6 -2.2.6 双母线分段接线.................................. - 6 -2.3 电气主接线的选择...................................... - 7 -2.3.1 10kV电气主接线.................................. - 7 -2.3.2 35kV电气主接线.................................. - 8 -2.3.3 110kV电气主接线................................. - 9 -第3章主变压器的选择......................................................... - 11 -3.1负荷计算............................................. - 11 -3.2 主变压器型式的选择................................... - 11 -3.2.1主变台数的选择.................................. - 11 -3.2.2 主变压器容量的选择............................. - 12 -3.2.3 主变相数的选择................................. - 12 -3.2.4绕组数的选择.................................... - 12 -3.2.5 主变调压方式的选择............................. - 13 -3.2.6 连接组别的选择................................. - 13 -3.2.7 容量比以及冷却方式的选择....................... - 13 -第4章所用电的设计.............................................................. - 15 -4.1 所用电接线一般原则.................................... - 15 -4.2 所用变容量型式的确定.................................. - 15 -4.3 所用电接线方式确定.................................... - 15 -4.4 备用电源自动投入装置.................................. - 16 -4.4.1备用电源自动投入装置作用........................ - 16 -4.4.2 适用情况以及优点............................... - 16 -4.4.3 BZT的工作过程及要求[2].......................... - 16 -第5章短路电流计算............................................................... - 18 -5.1短路计算的目的....................................... - 18 -5.2 短路计算过程 ........................................ - 18 -5.2.1 110KV短路电流计算.............................. - 18 -5.2.2 35KV侧短路计算................................. - 23 -5.2.3 10KV侧短路计算................................. - 25 -第6章设备选择..................................................................... - 27 -6.1 选择设备的一般原则和基本要求[3]....................... - 27 -6.2 高压断路器的选择...................................... - 28 -6.2.1 断路器选择的具体技术条件[1]...................... - 28 -6.2.2 断路器选择及校验.............................. - 29 -6.3 隔离开关的选择........................................ - 33 -6.3.1 隔离开关选择的具体技术条件..................... - 33 -6.3.2 隔离开关选择计算............................... - 34 -6.4 电流互感器选择........................................ - 38 -6.4.1 电流互感器的选择技术条件[2]...................... - 38 -6.4.2 电流互感器选择及校验........................... - 39 -6.5 电压互感器选择计算.................................... - 42 -6.5.1 电压互感器选择技术条件[1]........................ - 42 -6.5.2 电压互感器选择................................. - 43 -6.6 各级电压母线的选择.................................... - 44 -6.6.1裸导体选择的具体技术条件........................ - 44 -6.6.2 母线的选择计算................................. - 45 -6.6.3 引接线的选择计算.............................. - 48 -第7章继电保护配置...................................................................... - 51 -7.1 变电所母线保护配置.................................... - 51 -7.2.1 主变压器的主保护............................... - 51 -7.2.2 主变压器的后备保护............................. - 51 -第8章防雷接地..................................................................... - 53 -8.1 避雷器的选择.......................................... - 53 -8.1.1 避雷器的配置原则............................... - 53 -8.1.2 避雷器选择技术条件[5]............................ - 53 -8.1.3 避雷器的选择和校验............................. - 55 -8.2变电所的进线段保护[8].............................. - 57 -8.3 避雷针的配置.......................................... - 58 -8.3.1 避雷针位置的确定............................... - 58 -8.4接地装置的设计 ........................................ - 60 -8.4.1设计原则[1]...................................... - 60 -8.4.2 接地网型式选择及优劣分析............................ - 60 -8.4.3 降低接地网电阻的措施........................... - 61 -8.4.4 接地刀闸的选择与校验........................... - 61 -第9章无功补偿装置的选择 ................................................ - 64 -9.1概述 .................................................. - 64 -9.2 补偿装置的确定........................................ - 64 -9.3 补偿装置容量的选择.................................... - 65 -第10章电气总平面布置及配电装置的选择 ......................... - 66 -10.1 配电装置应满足以下基本要求[1]......................... - 66 -10.2 配电装置特点......................................... - 66 -10.3 屋外配电装置类型及应用............................... - 66 -10.4 配电装置的确定....................................... - 67 -10.5 10KV高压开关柜选择.................................. - 67 -10.6 电气总平面布置....................................... - 68 -第11章结束语...................................................................... - 69 -致谢........................................................................................ - 70 -参考文献.................................................................................. - 71 -附录....................................................................................... - 72 -110KV变电所一次系统设计第2章电气主接线设计电气主接线是变电所电气设计的首要核心部分,也是电力构成的重要环节。
10kV及以下变电所设计规范GB50053-94主编部门:中华人民共和国机械工业部批准部门:中华人民共和国建设部施行日期:1994年11月1日第一章总则第1.0.1条为使变电所设计做到保障人身安全、供电可靠、技术先进、经济合理和维护方便,确保设计质量,制订本规范。
第1.0.2条本规范适用于交流电压10kV及以下新建、扩建或改建工程的变电所设计。
第1.0.3条变电所设计应根据工程特点、规模和发展规划,正确处理近期建设和远期发展的关系,远近结合,以近期为主,适当考虑发展的可能。
第1.0.4条变电所设计应根据负荷性质、用电容量、工程特点、所址环境、地区供电条件和节约电能等因素,合理确定设计方案。
第1.0.5条变电所设计采用的设备和器材,应符合国家或行业的产品技术标准,并应优先选用技术先进、经济适用和节能的成套设备和定型产品,不得采用淘汰产品。
第1.0.6条10kV及以下变电所的设计,除应执行本规范的规定外,尚应符合国家现行的有关设计标准和规范的规定。
第二章所址选择第2.0.1条变电所位置的选择,应根据下列要求经技术、经济比较确定:一、接近负荷中心;二、进出线方便;三、接近电源侧;四、设备运输方便;五、不应设在有剧烈振动或高温的场所;六、不宜设在多尘或有腐蚀性气体的场所,当无法远离时,不应设在污染源盛行风向的下风侧;七、不应设在厕所、浴室或其他经常积水场所的正下方,且不宜与上述场所相贴邻;八、不应设在有爆炸危险环境的正上方或正下方,且不宜设在有火灾危险环境的正上方或正下方,当与有爆炸或火灾危险环境的建筑物毗连时,应符合现行国家标准《爆炸和火灾危险环境电力装置设计规范》的规定;九、不应设在地势低洼和可能积水的场所。
第2.0.2条装有可燃性油浸电力变压器的车间内变电所,不应设在三、四级耐火等级的建筑物内;当设在二级耐火等级的建筑物内时,建筑物应采取局部防火措施。
第2.0.3条多层建筑中,装有可燃性油的电气设备的配电所、变电所应设置在底层靠外墙部位,且不应设在人员密集场所的正上方、正下方、贴邻和疏散出口的两旁。
第1章绪论1.1 设计目的通过课程设计巩固本课程理论知识,掌握供配电设计的基本方法,通过解决各种实际问题,培养独立分析和解决实际工程技术问题的能力,同时对电力工业的有关政策、方针、技术规程有一定的了解,在计算、绘图、设计说明书等方面得到训练,为今后的工作奠定基础。
1.2设计任务根据富威机械厂用电负荷,并适当考虑生产的发展,按安全可靠、技术先进、经济和的要求,确定工厂变电所的位置与型式;通过计算负荷,确定主变压器台数及容量;进行短路电流的计算,选择变电所的主线及高、低电气设备;选择整定继电保护装置;最后按要求写出设计计算说明书,绘出设计图纸。
1.3设计要求1、要求每个学生独立完成设计任务。
2、要正确运用设计资料。
3、给出变配电所的主接线图。
4、完成课程设计任务书规定内容。
5、要求提交成果。
(1)完成课程设计报告书一份;(2)A3变配电所的主接线图纸一张。
第2章负荷计算及无功功率补偿2.1负荷计算根据设计要求进行分析,机械厂负荷统计资料见下表2-1:表2-1机械厂负荷统计单组用电设备的负荷计算:有功功率 n d c P K P ⨯= kw 无功功率 θarccos tan ⨯=c c P Q var k视在功率 22c c c Q P S += KVA计算电流 r cc U S I 3=A通过以上公式对工厂各部分进行计算,得到计算结果如下: 1、仓库:动力部分:228825.0=⨯=c P kw7.2565.0arccos tan 22=⨯=cQ varkKVA S c 8.337.252222=+= 2.5138.33==rc U I A 照明部分: 6.1=c P kw 2、铸造车间;动力部分:3.8323835.0=⨯=c P kw var 857.0arccos tan 3.83k Q c =⨯= KVA S c 119853.8322=+= A U I rc 3.1803119==照明部分: kw P c 8= 3、锻压车间; 动力部分:kw P c 5.5923825.0=⨯= var 6.6965.0arccos tan 5.59k Q c =⨯=KVA S c 6.916.695.5922=+= A U I rc 8.13836.91==照明部分: kw P c 8108.0=⨯= 4、金工车间;动力部分:kw P c 5.10943825.0=⨯= var 1466.0arccos tan 5.109k Q c =⨯= KVA S c 5.1821465.10922=+= A U I rc 5.27635.182==照明部分: kw P c 8108.0=⨯= 5、工具车间; 动力部分:A U I KVAS k Q kwP rc c c c 5.31339.2069.2062.1575.134var 2.15765.0arccos tan 5.1345.13453825.022===+==⨯==⨯=照明部分: kw P c 8108.0=⨯= 6、电镀车间; 动力部分:A U I KVAS k Q kwP rc c c c 5.24037.1587.158105119var10575.0arccos tan 1191192385.022===+==⨯==⨯=照明部分: kw P c 8108.0=⨯= 7、热处理车间;动力部分:A U I KVA S k Q kwP rc c c c 2.17431151159269var926.0arccos tan 69691385.022===+==⨯==⨯=照明部分: kw P c 8108.0=⨯= 8、装配车间; 动力部分:A U I KVAS k Q kwP rc c c c 5.104369693.493.48var3.497.0arccos tan 3.483.4813835.022===+==⨯==⨯=照明部分: kw P c 8108.0=⨯= 9、机修车间; 动力部分:A U I KVAS k Q kwP rc c c c 3.80353533.405.34var3.4065.0arccos tan 5.345.3413825.022===+==⨯==⨯=照明部分: kw P c 458.0=⨯= 10、锅炉房; 动力部分:A U I KVAS k Q kwP rc c c c 8.16031.1061.1067.8069var7.8065.0arccos tan 69691385.022===+==⨯==⨯=照明部分: kw P c 6.128.0=⨯=11、宿舍区;照明部分:kw⨯=7.0=P c280400将以上数据进行整理得到表格如下:表2-2负荷计算计算表多组设备负荷计算:所有车间的照明负荷:kw P m 2.63= kw 6.1028n1i ci =∑=P kvar 8.850n1i ci =∑=Q取全厂的同时系数为:90.0=rp K 95.0=rq K 。
则全厂的负荷计算为:∑==+⨯=+=ni ci c kw P P P 1m 62.982)2.636.1028(9.09.0∑==⨯==ni ci c k Q Q 1var 3.8088.85095.095.0KVA S c 36.12723.80862.98222=+= A U I rc 81.1927336.1272==2.2无功功率补偿电力系统由发电厂、变电站、电力线路和用电设备联系在一起组成的统一整体,由于电能不能大量存储,所以发电、输电、配电和用电必须同时进行,即电力系统必须保持平衡。
然而来自电力线路、电力变压器以及用电设备的无功负载大量存在,使电力系统的功率因数降低。
对于配电系统来说,为数众多的异步电动机、变压器等设备要消耗大量的无功功率,对配电网络的安全稳定运行产生不良影响:1、供电线路的电流增大,使线路和设备的损耗增大,严重时会威胁到设备的安全运行;2、配电系统的视在功率增大,使发电机、变压器等供电设备的容量增加,电力用户的控制设备、测量仪表的规格也相应增大;3、导致供电电压降低。
保持电力系统的平衡,解决配电系统功率因数低的有效途径就是对配电系统进行无功补偿,提高功率因数。
按照我国供电部门的规定,高压供电的用户必须保证功率因数在0.9以上。
无功功率:电网中的感性负载(如电机,扼流圈,变压器,感应式加热器及电焊机等)都会产生不同程度的电滞,即所谓的电感。
感性负载具有这样一种特性-----即使所加电压改变方向,感性负载的这种滞后仍能将电流的方向(如正向)保持一段时间。
一旦存在了这种电流与电压之间的相位差,就会产生负功率,并被反馈到电网中。
电流电压再次相位相同时,又需要相同大小的电能在感性负载中建立磁场,这种磁场反向电能就被称作无功功率。
无功功率比较抽象,它是用于电路内电场与磁场的交换,并用来在电气设备中建立和维持磁场的电功率。
它不对外做功,而是转变为其他形式的能量。
凡是有电磁线圈的电气设备,要建立磁场,就要消耗无功功率。
在交流电路中,由于有感性或容性储能设备,电压与电流有相位差,通俗讲就是电压与电流不在同一时间到达;因此,表面看电压有多大、电流有多大,实际并没有做那么大的功,有电源与储能设备的能量转换。
无功补偿计算如下:由2.1节计算可得变压器低压测的视在计算负荷为:KVA S c 36.1272=这时低压侧的功率因数为:77.036.127262.982cos 1==φ为使高压侧的功率因数≥0.90,则低压侧补偿后的功率因数应高于0.90。
这里取0.95。
则低压侧需要并联电容容量为:var 18.442)95.0arccos tan 77.0arccos (tan 62.982k Q cc =-⨯= 取:var 450k Q cc = 则补偿后变电所低压侧的视在计算负荷为:KVA S c 36.1590)4503.808(62.98222=-+= 计算电流 A U I rc 64.2409336.1590==高压侧的功率损耗为:kw S P c c 86.2336.1590015.0015.0=⨯==∆ var 37.10336.159006.006.0k S Q c c =⨯==∆ 变电所高压侧的计算负荷为:kw P c 48.100686.2362.982=+=var 67.46137.1034503.808k Q c =+-= KVA S c 44.110167.46148.100622=+= A U I c 3.1671344.1101r=⨯=补偿后的功率因数为:92.044.110148.1006cos ==φ满足(大于0.9)的要求。
第3章 变电所主变压器台数和容量及 主结线方案的选择3.1 变压器台数和容量确定一、变压器台数确定1、满足用电负荷对可靠性的要求;1)二级负荷:选择两台主变压器;负荷较大时,也可多于两台;2)二、三级负荷:可选一台变压器,但低压侧敷设与其它变电所相连的联络线作为备用电源;3)三级负荷:选择一台主变压器;负荷较大时,也可选择两台;2、季节性负荷或昼夜负荷变化较大时,技术经济合理时,可选择两台变压器; 根据以上要求与规范,所以在本变电所我们选取两台变压器; 二、变压器容量选择(1)任一台变压器单独运行时。
应满足:c NT S S )7.0~6.0(=(2)任一台变压器单独运行时。
应满足:c T N S S ≥⋅。
即满足一、二级负荷要求。
带入数值可得:KV A ) 771.00~660.91( KV A 1101.44)7.0~6.0(=⨯≈⋅T N S选择变压器的实际容量:考虑到本厂近年的负荷发展,初步取KVA S T N 1000=⋅。
考虑到安全性的问题,确定变压器为SC3系列箱型干式变压器。
型号SC3-1000/10.其主要技术指标如下表3-1所示:表3-1变压器技术指标3.3 主结线方案选择方案Ⅰ:高、低压侧均采用单母线分段。
优点:用断路器把母线分段后,对重要用户可以从不同母线段引出两个回路,用两个电路供电;当一段母线故障时,分段断路器自动切除故障母线保证正常段母线不间断供电和不致使重要用户停电。
缺点:当一段母线或母线隔离开关检修时该母线各出线须停电;当出线为双回路时,常使架空线路出现交叉跨越;扩建时需向两个方向均衡扩建。
方案Ⅱ:单母线分段带旁路。
优点:具有单母线分段全部优点,在检修断路器时不至中断对用户供电。
缺点:常用于大型电厂和变电中枢,投资高。
方案Ⅲ:高压采用单母线带旁路低压单母线分段。
优点:任一主变压器检修或发生故障时,通过切换操作,即可迅速恢复对整个变电所的供电。
缺点:在高压母线或电源进线进行检修或发生故障时,整个变电所仍需停电。