物业公司安保工作流程图
- 格式:doc
- 大小:278.94 KB
- 文档页数:21
物业管理安保管理流程图一、背景介绍物业管理是指对某一建筑物或建筑群进行综合管理的活动,其中安保管理是物业管理的重要组成部分。
安保管理流程图是对物业安保管理工作进行系统化和流程化的展示,旨在确保物业的安全和秩序。
二、安保管理流程图以下是物业管理安保管理流程图的详细描述:1. 安全评估和规划阶段a. 进行物业安全评估,包括对建筑物和周边环境的安全风险评估。
b. 制定安全规划,确定安保目标和策略,制定安保预案。
2. 人员配备阶段a. 根据物业规模和安全需求,确定安保人员的数量和职责。
b. 招募、培训和选拔安保人员,确保其具备必要的技能和知识。
c. 制定安保人员的工作制度和纪律,明确工作职责和权限。
3. 安全设施建设阶段a. 安装监控摄像头、门禁系统等安全设施,确保对物业的全方位监控。
b. 配备消防设备和应急救援设备,提高应对突发事件的能力。
c. 建立安全防范措施,如安装防盗门窗、加强照明等。
4. 安全巡逻和监控阶段a. 安排安保人员进行定期巡逻,确保物业内外的安全。
b. 监控安保设施的运行状态,及时发现并处理异常情况。
c. 配备应急响应团队,对紧急情况进行快速响应和处理。
5. 安全培训和教育阶段a. 定期组织安全培训和教育活动,提高安保人员的技能和意识。
b. 向业主和租户提供安全知识和应急处理指南,增强安全意识。
c. 进行演练和模拟演习,提高应对突发事件的能力。
6. 事件处理和报告阶段a. 安保人员及时处理安全事件,采取必要的措施控制和解决问题。
b. 详细记录安全事件的经过和处理结果,编写安全事件报告。
c. 对重大安全事件进行调查和分析,总结经验教训,提出改进措施。
7. 定期评估和改进阶段a. 定期对安保管理工作进行评估,查找问题和不足之处。
b. 根据评估结果,制定改进计划,优化安保管理流程。
c. 定期召开安保管理会议,交流经验,推动改进措施的落实。
三、总结物业管理安保管理流程图是物业管理中至关重要的一环,通过系统化和流程化的管理,能够有效提高物业的安全性和秩序。
物业管理安保管理流程图一、引言物业管理安保管理流程图是为了确保物业安全、维护住户权益而设计的一种管理工具。
本文将详细介绍物业管理安保管理流程图的标准格式和相关内容。
二、流程图标准格式物业管理安保管理流程图通常采用流程图的形式来展示,以下是其标准格式:1. 开始节点:用一个圆圈表示,标注为“开始”。
2. 输入/输出节点:用一个长方形表示,标注输入/输出的内容。
3. 流程节点:用一个长方形表示,标注具体的流程步骤。
4. 决策节点:用一个菱形表示,标注决策的条件。
5. 连接线:用箭头表示流程的先后顺序。
6. 结束节点:用一个圆圈表示,标注为“结束”。
三、物业管理安保管理流程图内容物业管理安保管理流程图包括以下内容:1. 报警处理流程:a. 开始:接到报警信息。
b. 确认报警:核实报警信息的真实性。
c. 联系住户:与住户联系确认情况。
d. 派遣安保人员:将安保人员派遣到现场进行处理。
e. 处理报警:安保人员根据具体情况采取相应措施。
f. 结束:报警处理完成。
2. 巡逻管理流程:a. 开始:安保人员开始巡逻。
b. 巡逻路线规划:确定巡逻路线和时间安排。
c. 巡逻记录:在巡逻过程中记录发现的问题和异常情况。
d. 异常处理:对发现的问题进行处理,如联系维修人员修理损坏设施。
e. 巡逻结束:巡逻任务完成。
3. 门禁管理流程:a. 开始:住户或者访客到达门禁处。
b. 身份验证:对住户或者访客进行身份验证。
c. 准入控制:根据身份验证结果决定是否准许进入。
d. 记录进出:记录住户或者访客的进出时间和目的。
e. 结束:门禁管理流程完成。
4. 突发事件处理流程:a. 开始:接到突发事件报告。
b. 确认事件:核实事件的真实性和严重程度。
c. 报告上级:向上级报告事件情况。
d. 紧急处置:根据事件的性质和严重程度采取紧急措施。
e. 通知住户:及时通知住户相关信息和应对措施。
f. 结束:突发事件处理完成。
四、总结物业管理安保管理流程图是物业管理中重要的管理工具,通过清晰地展示各项管理流程,可以匡助物业管理人员更好地组织和执行安保工作。
物业管理安保管理流程图一、背景介绍物业管理是指对房地产项目进行综合管理的一项工作,其中安保管理是物业管理中的重要组成部分。
安保管理流程图是为了规范和指导安保工作的进行而设计的图表,它可以清晰地展示安保管理的各个环节和流程,确保安保工作的高效运行和安全性。
二、安保管理流程图概述安保管理流程图主要包括以下几个环节:安保需求评估、安保计划制定、安保措施执行、安保效果评估和持续改进。
下面将对每个环节进行详细描述。
1. 安保需求评估在物业管理中,首先需要进行安保需求评估。
该评估主要包括对物业项目的安全风险进行分析和评估,确定安保的紧急程度和重要性。
评估的结果将为后续的安保计划制定提供依据。
2. 安保计划制定根据安保需求评估的结果,制定相应的安保计划。
安保计划应包括安保目标、安保措施、安保资源配置等内容。
同时,还需要确定安保责任人和相关的安保预算。
3. 安保措施执行安保措施执行是安保管理的核心环节。
根据安保计划,组织安保人员进行巡逻、监控、门禁管理等工作。
此外,还需要建立安保巡查制度,确保安保措施得到有效执行。
4. 安保效果评估对安保措施的效果进行评估是为了了解安保工作的实际效果,并及时发现和解决存在的问题。
评估可以通过安保工作报告、安保巡查记录等方式进行,根据评估结果进行相应的调整和改进。
5. 持续改进安保管理是一个不断优化和改进的过程。
根据安保效果评估的结果,及时调整和改进安保措施和流程。
同时,还需要进行安保人员的培训和提升,提高他们的安保意识和技能水平。
三、安保管理流程图示例安保需求评估 -> 安保计划制定 -> 安保措施执行 -> 安保效果评估 -> 持续改进四、数据示例1. 安保需求评估安保需求评估结果显示,物业项目存在潜在的安全风险,包括入侵、火灾、盗窃等。
评估结果表明,安保的紧急程度为高,重要性为中等。
2. 安保计划制定根据安保需求评估的结果,制定了安保计划。
安保目标是确保物业项目的安全,安保措施包括加强巡逻、安装监控设备、加强门禁管理等。
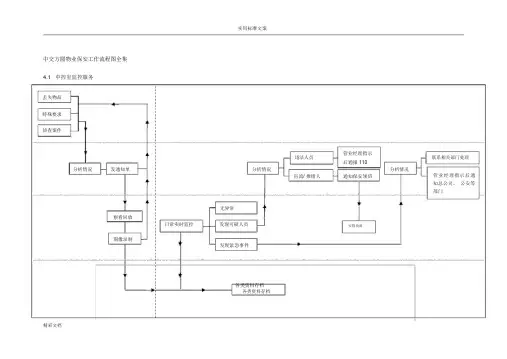
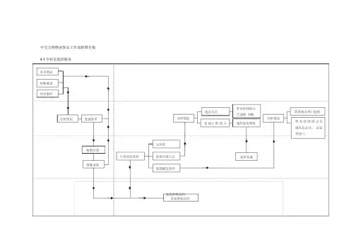
中交方圆物业保安工作流程图全集4.1中控室监控服务客户运作中心接到客户要求,分析客户要求是否合理客户运作中心进行耐心解释保安主管根据通知单中客户是否要求录制进行图像处理不录制保安主管通过内部局域网络进行图像传输客户客户有丢失物品特殊要求客户要求察看监控回放不合理客户运作中心接到客户要求,分析客户要求是否合理客户运作中心进行耐心解释合理客户运作中心发单通知保安主管保安主管收到通知,调查回放记录保安主管向客户运作中心回寄工作单及录制盘保安主管向客户运作中心回寄工作单保安主管根据通知单中客户是否要求录制进行图像处理不录制保安主管通过内部局域网络进行图像传输客户客户有丢失物品特殊要求客户要求察看监控回放不合理客户运作中心接到客户要求,分析客户要求是否合理客户运作中心进行耐心解释合理客户运作中心发单通知保安主管保安主管收到通知,调查回放记录保安主管向客户运作中心回寄工作单及录制盘保安主管向客户运作中心回寄工作单保安主管根据通知单中客户是否要求录制进行图像处理不录制保安主管通过内部局域网络进行图像传输客户客户有丢失物品特殊要求客户要求察看监控回放不合理客户运作中心接到客户要求,分析客户要求是否合理客户运作中心进行耐心解释合理客户运作中心发单通知保安主管保安主管收到通知,调查回放记录保安主管向客户运作中心回寄工作单及录制盘保安主管向客户运作中心回寄工作单保安主管根据通知单中客户是否要求录制进行图像处理不录制保安主管通过内部局域网络进行图像传输客户客户有丢失物品特殊要求客户要求察看监控回放不合理客户运作中心接到客户要求,分析客户要求是否合理客户运作中心进行耐心解释合理客户运作中心发单通知保安主管保安主管收到通知,调查回放记录保安主管向客户运作中心回寄工作单及录制盘保安主管向客户运作中心回寄工作单保安主管根据通知单中客户是否要求录制进行图像处理不录制保安主管通过内部局域网络进行图像传输客户客户有丢失物品特殊要求客户要求察看监控回放不合理客户运作中心接到客户要求,分析客户要求是否合理客户运作中心进行耐心解释合理客户运作中心发单通知保安主管保安主管收到通知,调查回放记录保安主管向客户运作中心回寄工作单及录制盘保安主管向客户运作中心回寄工作单保安主管根据通知单中客户是否要求录制进行图像处理不录制保安主管通过内部局域网络进行图像传输客户客户有丢失物品特殊要求客户要求察看监控回放不合理客户运作中心接到客户要求,分析客户要求是否合理客户运作中心进行耐心解释合理客户运作中心发单通知保安主管保安主管收到通知,调查回放记录保安主管向客户运作中心回寄工作单及录制盘保安主管向客户运作中心回寄工作单保安主管根据通知单中客户是否要求录制进行图像处理不录制保安主管通过内部局域网络进行图像传输客户客户有丢失物品特殊要求客户要求察看监控回放不合理客户运作中心接到客户要求,分析客户要求是否合理客户运作中心进行耐心解释合理客户运作中心发单通知保安主管保安主管收到通知,调查回放记录保安主管向客户运作中心回寄工作单及录制盘保安主管向客户运作中心回寄工作单保安主管根据通知单中客户是否要求录制进行图像处理不录制保安主管通过内部局域网络进行图像传输客户客户有丢失物品特殊要求客户要求察看监控回放不合理客户运作中心接到客户要求,分析客户要求是否合理客户运作中心进行耐心解释合理客户运作中心发单通知保安主管保安主管收到通知,调查回放记录保安主管向客户运作中心回寄工作单及录制盘保安主管向客户运作中心回寄工作单保安主管根据通知单中客户是否要求录制进行图像处理不录制保安主管通过内部局域网络进行图像传输客户客户有丢失物品特殊要求客户要求察看监控回放不合理客户运作中心接到客户要求,分析客户要求是否合理客户运作中心进行耐心解释合理客户运作中心发单通知保安主管保安主管收到通知,调查回放记录保安主管向客户运作中心回寄工作单及录制盘保安主管向客户运作中心回寄工作单保安主管根据通知单中客户是否要求录制进行图像处理不录制保安主管通过内部局域网络进行图像传输客户客户有丢失物品特殊要求客户要求察看监控回放不合理客户运作中心接到客户要求,分析客户要求是否合理客户运作中心进行耐心解释合理客户运作中心发单通知保安主管保安主管收到通知,调查回放记录保安主管向客户运作中心回寄工作单及录制盘保安主管向客户运作中心回寄工作单保安主管根据通知单中客户是否要求录制进行图像处理不录制保安主管通过内部局域网络进行图像传输客户客户有丢失物品特殊要求客户要求察看监控回放不合理客户运作中心接到客户要求,分析客户要求是否合理客户运作中心进行耐心解释合理客户运作中心发单通知保安主管保安主管收到通知,调查回放记录保安主管向客户运作中心回寄工作单及录制盘保安主管向客户运作中心回寄工作单保安主管根据通知单中客户是否要求录制进行图像处理不录制保安主管通过内部局域网络进行图像传输客户客户有丢失物品特殊要求客户要求察看监控回放不合理客户运作中心接到客户要求,分析客户要求是否合理客户运作中心进行耐心解释合理客户运作中心发单通知保安主管保安主管收到通知,调查回放记录保安主管向客户运作中心回寄工作单及录制盘保安主管向客户运作中心回寄工作单保安主管根据通知单中客户是否要求录制进行图像处理不录制保安主管通过内部局域网络进行图像传输客户客户有丢失物品特殊要求客户要求察看监控回放不合理客户运作中心接到客户要求,分析客户要求是否合理客户运作中心进行耐心解释合理客户运作中心发单通知保安主管保安主管收到通知,调查回放记录保安主管向客户运作中心回寄工作单及录制盘保安主管向客户运作中心回寄工作单保安主管根据通知单中客户是否要求录制进行图像处理不录制保安主管通过内部局域网络进行图像传输客户客户有丢失物品特殊要求客户要求察看监控回放不合理客户运作中心接到客户要求,分析客户要求是否合理客户运作中心进行耐心解释合理客户运作中心发单通知保安主管保安主管收到通知,调查回放记录保安主管向客户运作中心回寄工作单及录制盘保安主管向客户运作中心回寄工作单保安主管根据通知单中客户是否要求录制进行图像处理不录制保安主管通过内部局域网络进行图像传输客户客户有丢失物品特殊要求客户要求察看监控回放不合理客户运作中心接到客户要求,分析客户要求是否合理客户运作中心进行耐心解释合理客户运作中心发单通知保安主管保安主管收到通知,调查回放记录保安主管向客户运作中心回寄工作单及录制盘保安主管向客户运作中心回寄工作单保安主管根据通知单中客户是否要求录制进行图像处理不录制保安主管通过内部局域网络进行图像传输客户客户有丢失物品特殊要求客户要求察看监控回放不合理客户运作中心接到客户要求,分析客户要求是否合理客户运作中心进行耐心解释合理客户运作中心发单通知保安主管保安主管收到通知,调查回放记录保安主管向客户运作中心回寄工作单及录制盘保安主管向客户运作中心回寄工作单保安主管根据通知单中客户是否要求录制进行图像处理不录制保安主管通过内部局域网络进行图像传输客户客户有丢失物品特殊要求客户要求察看监控回放不合理客户运作中心接到客户要求,分析客户要求是否合理客户运作中心进行耐心解释合理客户运作中心发单通知保安主管保安主管收到通知,调查回放记录保安主管向客户运作中心回寄工作单及录制盘保安主管向客户运作中心回寄工作单保安主管根据通知单中客户是否要求录制进行图像处理不录制保安主管通过内部局域网络进行图像传输客户客户有丢失物品特殊要求客户要求察看监控回放不合理客户运作中心接到客户要求,分析客户要求是否合理客户运作中心进行耐心解释合理客户运作中心发单通知保安主管保安主管收到通知,调查回放记录保安主管向客户运作中心回寄工作单及录制盘保安主管向客户运作中心回寄工作单保安主管根据通知单中客户是否要求录制进行图像处理不录制保安主管通过内部局域网络进行图像传输客户客户有丢失物品特殊要求客户要求察看监控回放不合理客户运作中心接到客户要求,分析客户要求是否合理客户运作中心进行耐心解释合理客户运作中心发单通知保安主管保安主管收到通知,调查回放记录保安主管向客户运作中心回寄工作单及录制盘保安主管向客户运作中心回寄工作单保安主管根据通知单中客户是否要求录制进行图像处理不录制保安主管通过内部局域网络进行图像传输客户客户有丢失物品特殊要求客户要求察看监控回放不合理客户运作中心接到客户要求,分析客户要求是否合理客户运作中心进行耐心解释合理客户运作中心发单通知保安主管保安主管收到通知,调查回放记录保安主管向客户运作中心回寄工作单及录制盘保安主管向客户运作中心回寄工作单保安主管根据通知单中客户是否要求录制进行图像处理不录制保安主管通过内部局域网络进行图像传输客户客户有丢失物品特殊要求客户要求察看监控回放不合理客户运作中心接到客户要求,分析客户要求是否合理客户运作中心进行耐心解释合理客户运作中心发单通知保安主管保安主管收到通知,调查回放记录保安主管向客户运作中心回寄工作单及录制盘保安主管向客户运作中心回寄工作单保安主管根据通知单中客户是否要求录制进行图像处理不录制保安主管通过内部局域网络进行图像传输客户客户有丢失物品特殊要求客户要求察看监控回放不合理客户运作中心接到客户要求,分析客户要求是否合理客户运作中心进行耐心解释合理客户运作中心发单通知保安主管保安主管收到通知,调查回放记录保安主管向客户运作中心回寄工作单及录制盘保安主管向客户运作中心回寄工作单保安主管根据通知单中客户是否要求录制进行图像处理不录制保安主管通过内部局域网络进行图像传输客户客户有丢失物品特殊要求客户要求察看监控回放不合理客户运作中心接到客户要求,分析客户要求是否合理客户运作中心进行耐心解释合理客户运作中心发单通知保安主管保安主管收到通知,调查回放记录保安主管向客户运作中心回寄工作单及录制盘保安主管向客户运作中心回寄工作单保安主管根据通知单中客户是否要求录制进行图像处理不录制保安主管通过内部局域网络进行图像传输客户客户有丢失物品特殊要求客户要求察看监控回放不合理客户运作中心接到客户要求,分析客户要求是否合理客户运作中心进行耐心解释合理客户运作中心发单通知保安主管保安主管收到通知,调查回放记录保安主管向客户运作中心回寄工作单及录制盘保安主管向客户运作中心回寄工作单。
物业公司安保工作流程图安保工作流程图1. 安保管理流程图2. 物业管理部工作流程图3. 安保主管工作流程图4. 班长日检查工作流程图5 .样板房安保员岗位工作流程图6. 侧门岗安保员工作流程图7. 巡楼安保员操作流程图8. 业主搬迁操作流程图9 .外来人员出入管理流程图10. 消防应急方案出来流程图11. 突发事件处理流程图12. 安保工作重大事项处置流程图13. 电梯困人处理流程图意外停电处理流程图意外停水处理流程图意外停气处理流程图14. 管理处火灾处理流程图15. 车库(场)岗位工作流程图16. 车库(场)收缴费管理流程图17. 车库(场)异常情况处置流程图18. 车辆冲卡处理流程图19. 可疑车辆出场处置流程图部门经理核签后,报主管领导审核。
主管领导审签后,返回部门。
组织部门人员, 根据检杳结果出现的问题并采取整改措施;为量化考核提供依据。
每月:对小区各巡更点进行一次全面检查;参与管理处组织的消防工作检查,发现问题 及时纠正;月末对全月工作情况进行一次检讨,拟定下月工作计划;对表现优秀或违纪 的安保员进行表彰、处理,并整理、归档、上报。
班长、副班长半年:拟制半年1、提前一刻钟到岗;2、整理着装,集合整队;3、队列训练10分钟;4、提出工作要求,安排当班工作;5、带队前往各岗,完成交接班。
1. 每小时巡查各岗位一次,同时负责临时顶班;2. 对各岗位的值班、值勤情况进行认真检查;3. 对值勤过程中本班发生的事件、问题要及时处理并做好记录;4. 对管理处新制定的规定和要求,以及下一班应当注意的事项,要认真做好书面交接。
1. 处理问题的基本原则:.依法办事,执行规定,不徇私情,以理服人;2. 处理业主之间的纠纷应当遵循的基本方法:分清是非,耐心劝导,礼貌待人和坚持可散不可聚,可解不可结,可顺不可逆,可缓不可急。
巡逻岗大门岗车库岗监控中心I、交接班记录有无交接清楚并签字确认;2、责任区内公共设施是否完好;3、责任区内有无闲杂可疑人员;4、小区内的车辆是否完好.有无乱停乱放;5、小区内的绿化地带有无人员践踏;6、礼仪礼节是否到位;7、每班按要求巡楼二次;8、楼层内有无其他异常情况;9、其他安全隐患;10、值班人员仪容仪表是否符合要求;II、对业主、住户反映的问题和投诉是否进行记录并处理。
物业管理安保管理流程图一、背景介绍物业管理是指对房地产项目进行综合管理和维护的工作,其中安保管理是物业管理的重要组成部份。
安保管理流程图是指对物业安保工作进行流程化展示,以确保安全管理工作的有序进行。
本文将详细介绍物业管理的安保管理流程图。
二、安保管理流程图1. 安保需求评估在物业管理中,首先需要进行安保需求评估,确定物业项目的安保需求。
评估包括对项目的规模、功能、环境等进行分析,以确定安保管理的重点和方向。
2. 制定安保策略根据安保需求评估的结果,制定相应的安保策略。
安保策略包括安保目标的设定、安保措施的选择和安保资源的配置等。
3. 编制安保计划在制定安保策略的基础上,编制具体的安保计划。
安保计划包括安保工作的组织架构、安保任务的分工和安保措施的实施计划等。
4. 安保措施执行根据安保计划,执行相应的安保措施。
安保措施包括人员巡逻、门禁管理、监控设备的运行和安全演练等。
5. 安保事件处理在安保工作中,可能会发生各种安保事件,包括突发事件、安全隐患等。
对于安保事件,需要及时采取相应的处理措施,包括报警、调查取证、协助公安机关等。
6. 安保效果评估对安保工作进行定期评估,以评估安保措施的有效性和安保工作的整体效果。
评估结果可用于调整和改进安保管理流程。
7. 安保管理改进根据安保效果评估的结果,及时调整和改进安保管理流程。
包括对安保策略、安保计划和安保措施进行优化和改进,以提高安保管理的效果。
三、案例分析以某物业项目为例,该项目为商业综合体,包括商场、写字楼和住宅区。
根据物业管理的安保管理流程图,该项目的安保管理流程如下:1. 安保需求评估对项目进行规模、功能和环境等方面的评估,确定项目的安保需求。
考虑到商场的高人流量和写字楼的商业价值,安保需求较为重要。
2. 制定安保策略根据安保需求评估的结果,制定相应的安保策略。
确定安保目标为保护商场、写字楼和住宅区的安全,选择安保措施包括人员巡逻、视频监控和门禁管理。
物业管理安保管理流程图一、引言物业管理安保管理流程图是为了确保物业安全、维护秩序和提供优质服务而制定的一项重要管理工具。
本文将详细介绍物业管理安保管理流程图的标准格式,包括流程图的构成要素、流程步骤的详细描述以及相关数据的编写。
二、流程图构成要素物业管理安保管理流程图一般由以下要素构成:1. 流程名称:物业管理安保管理流程图的名称应准确反映其内容,便于识别和理解。
2. 流程图示:流程图示是流程图的核心部分,用于展示流程步骤的顺序和关系。
一般采用流程图符号,包括开始节点、结束节点、活动节点、决策节点等。
3. 流程步骤描述:对每个流程步骤进行详细描述,包括具体操作、责任人、时间要求等。
4. 相关数据:根据实际情况,可以在流程图中添加相关数据,如流程执行时间、人员配备情况等。
三、流程步骤详细描述以下是物业管理安保管理流程图的详细描述:1. 接到报警a. 当接到报警时,安保中心接待人员应及时记录报警内容,并通知安保队员前往现场。
b. 安保队员应迅速赶到现场,了解情况,并与报警人核实相关信息。
2. 处理紧急情况a. 在紧急情况下,如火灾、爆炸等,安保队员应立即启动应急预案,并通知相关部门和居民进行疏散。
b. 安保队员应与消防人员协作,确保灭火工作的顺利进行。
3. 巡逻和监控a. 安保队员应按照规定的巡逻路线进行巡逻,定期巡查各个区域,发现问题及时报告并处理。
b. 安保队员应利用监控设备进行实时监控,发现异常情况立即采取措施。
4. 出入管理a. 安保队员应对进出物业的人员进行身份验证,确保只有合法人员进入物业。
b. 对于外来人员,安保队员应登记其身份信息,并发放临时访客证。
5. 保安培训和考核a. 物业管理公司应定期组织保安培训,提升保安队员的技能和意识。
b. 对保安队员进行定期考核,评估其工作表现,并进行奖惩。
四、相关数据编写在物业管理安保管理流程图中,可以添加相关数据以提供更详细的信息。
以下是一些常见的相关数据:1. 流程执行时间:对每个流程步骤进行时间要求的设定,以确保流程的高效执行。
实用标准文案中交方圆物业保安工作流程图全集4.1中控室监控服务丢失物品特殊要求侦查案件管业经理指示违法人员联系相关部门处理后通报 110分析情况发通知单分析情况分析情况盲流/ 推销人通知保安领班无异常察看回放日常实时监控发现可疑人员安排劝离图像录制发现紧急事件管业经理指示后通知总公司、公安等部门各类资料存档各类资料存档精彩文档4.1中控室监控服务对客户务:客户客户有公安部门丢失物品特殊要求侦查案件客户要求察看监控回放不合理客户运作中心接到客户要求,分析客户要求是否合理客户运作中心进行耐心解释合理客户运作中心发单通知保安主管保安主管收到通知,调查回放记录不录制保安主管根据通知单中客户是否保安主管通过内部局域要求录制进行图像处理网络进行图像传输保安主管向客户运作中心回寄工保安主管向客户运作中心回作单及录制盘寄工作单客户运作中心向客户满意客户运作中心负责对整进行录制内容的演示个流程进行数据存档例行工作:保安员日常实时监控监控图像无异常监控中发现可疑人员监控中发现紧急事件客户运作中心接到中控室保安员通知,具体分析情况确认为推销、发生冲突、集发生斗殴、暴发生跑水等捡拾、废品收会等非触犯力、枪杀等触工程事故,通购等闲杂人法律事件犯法律事件,知相关部门员管业经理指进行处理示后通报公安等部门保安员跟踪安排保安员并将可疑人进行劝阻员劝离客户运作中心负责对整个流程进行数据存档发生火灾、炸弹等不可控制紧急事件,管业经理指示后通报消防、公安部门实用标准文案4.2中控室监控服务——广播系统总蓝图寻人寻物炸弹 / 恐吓等紧急事件歌曲播放通知客户播放时间确认危害程度安排时间通知保安领班背景音乐播放播放火情自动启动播放播放记录存档精彩文档4.2中控室监控服务——广播系统对客户务:寻人祝福寻物点歌客户要求广播播放相关信息客户运作中心接到客户要求,安排合理播放时间客户运作中心发客户运作中心通单通知中控保安知客户播放时间中控保安根据通知单内容进行播放中控保安向客户运作中心回寄工作单客户运作中心收集客满意客户运作中心负责对整户回馈情况个流程进行数据存档紧急情况:发生炸弹 / 恐吓等紧急事件客户运作中心负责对整客户运作中心接到客户报警,立即分析事态危害程度个流程进行数据存档危害其他住户客户运作中心迅速发单通知中控保安中控保安根据通知单内容进行播放中控保安向客户运作中心回寄工作单例行工作:中控保安进行日常背景音乐播放中控保安负责进行数据存档遇不可控制火情时,广播报警系统实用标准文案4.3 中控室监控服务——红外线监控总蓝图特殊要求侦查案件管业经理指分析情况发通知单示后通报 110分析情况盗窃/ 违法人跟踪行踪无异常通报保安领班安排赶往报警地点调查察看报警记录日常实时监控不慎误入批评教育发生报警监控调查报警原因各类资料存档精彩文档4.3 中控室监控服务——红外线监控对客户务:客户有公安部门特殊要求侦查案件客户要求察看红外线报警记录客户运作中心接到客户要求,分析客户要求是否合理合理客户运作中心发单通知保安主管保安主管收到通知,调查报警记录保安主管向客户运作中心回寄工作单及报警记录复印件客户运作中心将报警记录交予客户不合理客户运作中心进行耐心解释满意客户运作中心负责对整个流程进行数据存档例行工作:保安员日常实时监控系统无异常报警发生报警运用监控调查报警原因、具体地点通报保安领班安排人员迅速赶往事故现场调查盗窃 / 违法人员不慎误入批评教育,带离客户运作中心负责对整客户运作中心接到通知,具体分析情况个流程进行数据存档通知保安领管业经理指班进行跟踪示后通报110其行踪保安员跟踪并将可疑人员劝离4.4 中控室监控服务——消防报警系统总蓝图立即通知保安领班烟感出现报警根据监控进行确认实用标准文案通知领导及部门负责人紧急指挥中心管业经理指示后通知消防部门严重温感报警、灭火、广播系统启动赶往报警地点不严重应急扑救误报安排人员进行恢复资料存档精彩文档实用标准文案4.4中控室监控服务——消防报警系统例行工作:中控室消防烟感出现报警中控保安通知保安领班根据监控进行位置确认误报非误报安排人员进行系统恢复安排人员迅速赶往事故现场不可控制可控制温感报警、灭火、广播系统启动安排人员应急扑救通报客户运作中心客户运作中心设为紧客户运作中心负责对整急指挥中心个流程进行数据存档通知领导及各部门负责人管业经理指示后通知消防部门精彩文档实用标准文案精彩文档实用标准文案精彩文档实用标准文案4.5问询服务——小区出入口岗位总蓝图问询具体地点、住户位置等情况解答询问通知经理/领管业经理指示后通知公安部门知情合理询问不知情分析情况通知相关岗位监督非合理询问劝离小区问询记录存档精彩文档实用标准文案4.5 问询服务——小区出入口岗位客户问询地点、位置等情况被询问保安人员分析保安部负责对整个流程问询是否合理进行数据存档合理不合理知情不知情保安人员耐通知客户通知客户运心解答询问运作中心作中心保安员劝离保安员通知相关岗位对其予以监督客户运作中心耐心解答客户运作中心通报值班客户询问经理 / 保安主管有必要没有必要管业经理指示后通报 110精彩文档实用标准文案4.6 人员 / 货物出入管理——内部车辆、外部车辆驶入小区管理总蓝图车辆要驶入小区经常出入的内部车辆或内部车辆证件明显搁置于车辆前挡风有证件的内部车辆敬礼示意放行指挥车辆停驶于小区门口检查内部车辆证件部队车辆 / 武警车辆/ 公安部门车无证件的外部车辆其他社会车辆发放车辆停放计时卡或开具计时票据车辆出入记录存档精彩文档实用标准文案4.6 人员 / 货物出入管理——内部车辆、外部车辆驶入小区管理客户车辆要求驶入小区保安人员指挥车辆停驶于小区门口外侧经常出入的内保安员询问是否为内部车辆部车辆或是否内部检查客户车车辆证是否相符证件不符明显相搁置符于车部队车辆 / 武警车其他社会车辆辆前辆 / 公安部门车辆挡风保安员向其发放车辆计时卡或开具计时票据敬礼示意放行保安部负责对整个流程进行数据存档精彩文档实用标准文案4.7 人员 / 货物出入管理——内部车辆、外部车辆驶出小区管理总蓝图车辆要驶出小区经常出入的内部车辆或内部车辆证件明显搁置于车辆前挡风有证件的内部车辆敬礼示意放行指挥车辆停驶于小区门口检查内部车辆证件部队车辆 / 武警车辆/ 公安部门车无证件的外部车辆其他社会车辆收回车辆停放计时卡或计时票据计算停放时间并根据地区收费标准收费车辆出入记录存档精彩文档实用标准文案4.7人员/货物出入管理——内部车辆、外部车辆驶出小区管理客户车辆要求驶出小区保安人员指挥车辆停驶于小区门口内侧经常出入的内部车辆或内部车辆证件明显搁置于车辆前挡风保安员询问是否为内部车辆是否检查客户车证是否相符不符相符部队车辆 / 武警车其他社会车辆辆 / 公安部门车辆保安员收回车辆计时卡或计时票据计算车辆停放时间并根据地区收费标准收费敬礼示意放行保安部负责对整个流程进行数据存档精彩文档实用标准文案4.8 形象岗工作总蓝图人员出入接受询问进入问询流程常规出入指挥车辆进入车辆管理流程安全警卫重大接待的安全警卫发生问题,记录存档精彩文档实用标准文案4.8 形象岗工作流程图人员出入进入询问流程指挥车辆常规出入进入车辆管理流程分别进行存档安全警卫重大接待的安全警卫精彩文档实用标准文案4.9 巡视工作——执行巡更系统总蓝图正常日常巡视遵守巡更制度不正常整改联系相关部门进行处理并填写相应工作单通知客户整改客户服务问题监督整改工程问题其他问题安全问题立即通报领班安排处理或临时处理隐患问题记录存档精彩文档实用标准文案4.9 巡视工作——执行巡更系统保安人员进行日常巡视检查工作遵守巡更制度及路线打点或记录时间正常保安部进行巡视检查数据存档客户工程服务问题问题通知客户运作中心客户运作中心联系相关部门进行处理并填写相应工作单发现问题其他安全隐患问题问题问题立即通报通知客户运保安领班作中心保安领班客户运作安排保安中心通知人员处理 /客户整改临时处理监管整改客户整改保安部进行巡更数据存档精彩文档实用标准文案4.10 巡视工作——二次装修管理总蓝图办理各项手续申请装修办理装修手续进行内部装修补办手续重新申请装修报各部门进行审批审批通过,通知各部门进行监管报监管意见书动用明火监管(如检查动用明火单)施工证件监管(如核实人证相符)不符合要求责令停工消防器材监管(如检查灭火器配备)符合要求材料搬运监管(如检查沿途土建)时间监管(如早晚入撤施工时间)各种装修隐患(如:占用消防通道)记录存档精彩文档实用标准文案4.10巡视工作——二次装修管理客户办理各项二次装修申请手续客户运作中心通知各部门进行材料审批通过通知各部门进行客户二次装修施工的监管客户办理二次装修施工手续客户进行内部装修施工工程动用施工消防材料装修各种明火证件器材搬运时间隐患监管监管监管监管监管检查保安部对客户施工资料进行存档符合要求不符合要求通知客户运作中心责令停工监管意见书客户运作中心对客户装修资料进行存档客户补办装修手续重新申请装修精彩文档实用标准文案4.11 巡视工作——设备设施的安全管控总蓝图通知相关部门并填写工程维修单楼外公共区域设施是否完好(包括垃圾筒、座椅、照明灯具等)楼内公共区域设施是否完好(包括电梯、门禁、前台、指示牌等)破损按照巡更路线(请参看巡更路线)巡视管区整体土建结构是否完好(包括墙体、地面、门、窗、锁等)完好各种设施是否完好(包括健身器材、各种设备等)记录存档精彩文档实用标准文案4.11巡视工作——设备设施的安全管控保安人员按照巡更路线进行日常巡视工作巡视楼外公共区域设巡视整体土建结构是施是否完好(包括垃圾否完好(包括墙体、地桶、座椅、照明灯具等)面、门、窗、锁等)保安部进行巡视数据的存档工作巡视楼内公共区域设巡视设施是否完好施是否完好(包括电(包括健身器材、各梯、门禁系统、前台、种设备等)指示牌等)通知客户运作中心破损情况客户运作中心通知相关部门进行维修、整改并填写工作单精彩文档实用标准文案4.12 巡视工作——捡拾物品总蓝图确认签字遗失物品未被捡拾与派出所接洽上交捡拾物品每日 / 每月捡拾物品清不符合符合遗失物品特性进一步核实确认完全吻合归还巡视中发现客人遗失的物品备案登记记录存档精彩文档实用标准文案4.12巡视工作——捡拾物品客户遗失物品保安人员巡更过程中发现遗失物品保安部对于捡拾物品进行备案登记每日通报客户运作中心客户运作中心对每日捡拾物品进行备案客户运作中心与派出所接洽,定期上缴捡拾物品未被捡拾符合客户丢失物品特征客户服务中心对客户丢失物进一步与客户核实丢失物品品进行备案特征完全吻合不符合特征归还客户遗失物品客户对捡拾物品进行签字确认精彩文档实用标准文案4.13 巡视工作——对可疑人员的盘查总蓝图发现可疑人员请示管业经理通报公安部门确认为正规客户合理巡视中发现可疑人员通报领班或已走出管区确认其身份及跟踪进入管区目的仍可疑继续跟踪十分可疑报告保安领班通知各岗位进行监督记录存档精彩文档实用标准文案4.13 巡视工作——对可疑人员的盘查客户发现可疑人员保安人员巡视检查中发现可疑人员保安部对可疑人员数报告保安领班据进行存档备案安排人员进行跟踪可疑人员被确认为正规客户或已走出物业管区行踪仍可疑通报领班并回岗继续跟踪如有必要确认可疑人员身份及进入管区的目的合理形色可疑报告保安领班通知客户运作中心通知各岗位进行监督客户运作中心通报管业经理,得到指示后通报公安部门精彩文档实用标准文案4.14 处理日常突发事件——抢劫、盗窃、凶杀、绑架等刑事案件总蓝图发生抢劫、盗窃、凶杀、绑架等刑事案件通知值班 / 管业经理必要时通知总公司、公安部门通知保安主管保护现场维持秩序协助取证巡视中发现抢劫、盗窃、凶杀、绑架等刑事案件控制采访记录存档精彩文档实用标准文案4.14处理日常突发事件——抢劫、盗窃、凶杀、绑架等刑事案件客户举报发生保安在巡视中发抢劫、盗窃、凶现抢劫、盗窃、凶杀、绑架等刑事杀、绑架等刑事案客户运作中心通知管业经理,并发单通知保安主管必要时通知总公司和公安部门保安主管接到通知安排保安人员保护事故现场、维护事故现场的正常秩序,协助取证、提供有力线索,控制媒体记者的采访保安人员处理完毕报告保安主管保安主管检查事故处理效果,并向客户运作中心回寄工作单客户运作中心确认事故处理结果客户运作中心对整个业务流程进行存精彩文档实用标准文案4.15爆炸及可疑爆炸物品的紧急处理预案总蓝图爆炸发生或发现可疑爆炸物品电话通知各个部门通知管业经理,必要时通知总公司和公安部门保安部控制现场客户部稳定业主情绪Service Provide工程部关闭设备医务室联系急救记录存档精彩文档实用标准文案4.15爆炸及可疑爆炸物品的紧急处理预案爆炸发生或发现可疑爆炸物品电话报警,必要时通知总公司、公安部门客户服务中心详细记录,通知各部门负责人赶到现场保安部工程部管业经值班经医务室行政部组织人关闭可理组织理、客及时与门做好力控制能引起临时指户部负室内急抢救伤现场,恶性事挥部,责向业救中心员所有配合公故的设组织协主解联系,车辆的安机关备,搬调各项释,安做好抢准备工工作走可移工作,定业主救伤员作动的贵布置善情绪的准备重物品后工作精彩文档实用标准文案4.16 处理日常突发事件——客户挂失财物总蓝图丢失财物未被捡拾协助报警在《每日 / 每月捡拾物品清单》中查找符合客户丢失物品特性认真询问记录丢失财物时间、地点及特征等情况再次核实丢失物品特征归还记录存档精彩文档实用标准文案4.16处理日常突发事件——客户挂失财物客户丢失财物客户运作中心接收客户来访信息,发单通知保安主管保安主管接到通知后调配保安人员处理保安人员认真询问并记录客户丢失财物的时间、地点及特征的等情况,保安人员将记录信息反馈给保安主管保安主管将相关记录附在工作单中回寄客户运作中心客户运作中心根据工作单机记录在《每日 / 每月捡拾物品清单》中查找未被捡拾客户运作中心通知保安主管协助报警符合客户丢失物品特征客户运作中心发单给保安主管保安主管再次核实丢失物品特征,回单客户运作中心对整个业务流程进行存档记客户运作中心归还客户财物精彩文档实用标准文案4.17 电梯困人的处理总蓝图电梯困人通知各个岗位巡逻岗工程入员救出被困人员电梯维保人员记录存档精彩文档实用标准文案4.17 电梯困人的处理客户服务中心接到困人电话详细记录被困位置、电梯位置以及电梯编号通知巡逻岗、工程部、电梯维保人员第一时间赶到现场电话联系、安慰被困人员救出被困人员,无法及时救出的马上汇报,领导批准后立即报告消防部门或有关部门。
物业管理安保管理流程图一、背景介绍物业管理是指对一个建造物或者物业项目进行综合管理的工作,其中安保管理是物业管理中非常重要的一项工作。
安保管理流程图是指对物业安保管理工作进行流程化、规范化的图示,以便于管理人员和员工清晰了解和执行安保管理工作。
二、安保管理流程图的编制目的编制安保管理流程图的目的是为了规范和优化物业安保管理工作流程,确保物业安全和住户的安全感。
通过明确每一个环节的职责和流程,提高工作效率,减少安全风险,保障物业和住户的利益。
三、安保管理流程图的编制步骤1. 采集资料:采集物业安保管理相关的文件、规章制度、工作手册等资料,以便于了解和总结现有的管理流程和规定。
2. 初步分析:对采集到的资料进行初步分析,了解物业安保管理的主要环节和流程,确定编制流程图的主要内容和方向。
3. 制定流程图框架:根据初步分析的结果,制定流程图的框架,包括主要的流程环节和各个环节之间的关系。
4. 细化流程环节:根据框架,逐步细化每一个流程环节,明确每一个环节的职责和操作步骤。
5. 补充流程细节:在细化流程环节的基础上,补充每一个环节的具体细节,包括所需的工具、材料、人员、时间等。
6. 确定流程顺序:根据流程的逻辑关系,确定各个流程环节的顺序和先后关系。
7. 绘制流程图:根据以上步骤,使用专业的绘图软件或者工具,绘制安保管理流程图。
8. 审核和修改:完成初版流程图后,邀请相关管理人员和员工参预审核,根据他们的意见和建议进行修改和优化。
9. 最终确认:经过多次修改和优化后,最终确认安保管理流程图,并将其正式发布和应用于物业安保管理工作中。
四、安保管理流程图的主要内容1. 出入管理流程:包括住户和访客的出入登记、身份验证、通行证发放等流程。
2. 设备管理流程:包括对物业安保设备的巡检、维护、故障处理等流程。
3. 保安巡逻流程:包括保安巡逻路线、巡逻时间、巡逻内容等流程。
4. 突发事件处理流程:包括火灾、水漏、电力故障等突发事件的报警、应急处置等流程。
物业公司安保工作流程图安保工作流程图1.安保管理流程图2.物业管理部工作流程图3.安保主管工作流程图4.班长日检查工作流程图5.样板房安保员岗位工作流程图6.侧门岗安保员工作流程图7.巡楼安保员操作流程图8.业主搬迁操作流程图9.外来人员出入管理流程图10.消防应急方案出来流程图11.突发事件处理流程图12.安保工作重大事项处置流程图13.电梯困人处理流程图意外停电处理流程图意外停水处理流程图意外停气处理流程图14.管理处火灾处理流程图15.车库(场)岗位工作流程图16.车库(场)收缴费管理流程图17.车库(场)异常情况处置流程图18.车辆冲卡处理流程图19.可疑车辆出场处置流程图XX物业管理有限公司南京公司作业指导书文件号ZH/IB7.5(5)-0-2XXX 版号/状态C/0标题安保管理流程图页数第 1 页共 1 页安保员基本要求规范及规程培训上岗车辆管理物业监控消防安全封闭管理指示标识进出停放出租车管理监控中心安保监控巡逻巡视执行法规消防设施检消防工作检消防训练状态标识封闭时间人员管理监控跟踪物品管理交接班工作交接班要求设备、工作交接未到岗安排安保工作检查各级人员检查主管工作汇报XX 物业管理有限公司南京公司作 业 指 导 书文 件 号 ZH/IB7.5(5)-2-2XXX 版号/状态 C / 0 标 题 物管部工作检查流程图 页 数第1页 共1页根据年初工作计划,物管部每月对公司各管理处工程、安保、清洁绿化工作进行全面检查。
在管理处有关人员陪同下,依据检查项目和标准进行检查。
检查时,检查人须认真记录发现的问题,交当值人员确认签字。
检查完毕,检查人将检查结果向管理处领导通报,并由领导签字确认。
如问题较多,管理处需复印一份存留整改。
月度检查工作完成后,检查人将结果进行汇总,提交部门办公会讨论评分,尔后拟发通报,提交部门经理审核。
部门经理核签后,报主管领导审核。
主管领导审签后,返回部门。
管理处按照通报的内容及时组织整改,于收文后一周内,将整改情况以书面的形式反馈物管部。
安保部工作流程图
不整改 整改合格
根据国家、地方相关法律法规、
局、公司、业主下发的安全和
环境管理规章制度
安全施工、环保前期策划
组织项目有关人员进行危险源和环境因素辨识
汇总、编制本项目危险源和环境因素清单以及重大危险源和重要环境因素 目标、指标和管理方案的确定
综合和专项应急救援预案的制定
安全教育培训、内页资料管理
施工现场安全检查
特种作业人员、特种设备的检查和验收
存在安全隐患
下发整改通知书
隐患整改信息反馈、复查
下发处罚通知
日常检查
上报上级主管部
组织收集当地政府颁布的健康安全和环保的法规及业主的合同要求
会同工程部编制专项施工措施/方案
编制应急预案并组织演练
各部门配合
本单位的法律法规
其他各部门对本部门工作范围内的危险源和环境因素进行辨识、评价、针对重大的风险制定预防措施
发生伤亡事故
立即报告上级单位、同时启
各部门配合动应急预案、开展应急救援
配合调查
分析原因、总结经验教育、
制定纠正和预防措施。
物业管理安保管理流程图引言:物业管理是指对房地产项目进行维护、运营和管理的一系列活动。
而安保管理则是物业管理中非常重要的一环,它涉及到保护业主和租户的人身和财产安全。
为了更好地实施安保管理,制定一份清晰的安保管理流程图是必不可少的。
本文将详细介绍物业管理的安保管理流程图,分为五个部份进行阐述。
一、安保需求评估1.1 安保风险评估:对物业进行全面的安全风险评估,包括周边环境、建造结构、人员流动等方面。
1.2 业主需求调查:与业主进行沟通,了解他们对安保的期望和需求,以便量身定制安保方案。
1.3 安保资源评估:评估物业已有的安保资源,包括人员、技术设备和预算等,确定所需的安保资源。
二、安保方案设计2.1 安保目标设定:根据安保需求评估的结果和业主需求,制定明确的安保目标,如保护人员安全、防止盗窃等。
2.2 安保措施规划:根据安保目标,设计相应的安保措施,包括安保人员配置、监控设备布置、出入口管理等。
2.3 预案制定:制定应对突发事件的应急预案,包括火灾、地震等紧急情况的处理措施。
三、安保人员培训与管理3.1 安保人员招聘:根据安保需求和安保方案,招聘具备相关经验和技能的安保人员。
3.2 培训计划制定:制定安保人员的培训计划,包括安保基础知识、应急处理、沟通技巧等培训内容。
3.3 安保人员管理:建立安保人员的管理制度,包括考勤管理、绩效评估、奖惩机制等,以确保安保人员的工作质量和效率。
四、安保设备运维4.1 监控设备维护:定期检查和维护监控设备,确保其正常运行,并及时修复故障。
4.2 出入口管理系统维护:维护出入口管理系统,确保门禁、闸机等设备的正常运行。
4.3 安防设备更新升级:及时更新和升级安防设备,以适应安保需求的变化,并提高安全性能。
五、安保效果评估与改进5.1 安保效果评估:定期对安保工作进行评估,包括安全事件发生率、安保设备运行情况等,以评估安保效果。
5.2 效果改进措施:根据评估结果,制定改进措施,如增加安保巡逻频次、加强安保设备维护等。
物业管理安保管理流程图一、背景介绍物业管理是指对房地产项目进行综合管理的一系列活动,其中安保管理是物业管理中至关重要的一环。
安保管理流程图是为了确保物业安全和居民安全而制定的一套流程和措施。
本文将详细介绍物业管理中的安保管理流程图。
二、安保管理流程图概述安保管理流程图是一个以图形方式展示的物业安保管理的流程和步骤。
它涵盖了从安保策划、安保措施执行到安保事件处理等全过程,旨在确保物业的安全和居民的安全。
三、安保管理流程图详细内容1. 安保策划阶段在物业管理中,安保策划是安保工作的基础。
在这个阶段,物业管理团队将制定安保目标、安保方案和安保计划。
安保目标可以是确保小区居民的人身安全和财产安全,安保方案可以是安装监控摄像头、增加巡逻人员等,安保计划可以是每天定时巡逻、定期维护设备等。
2. 安保措施执行阶段安保措施执行阶段是物业安保工作的核心阶段。
在这个阶段,物业管理团队将根据安保策划阶段的方案和计划,执行各项安保措施。
例如,安装监控摄像头、增派巡逻人员、设置门禁系统等。
同时,还需要对安保设备进行定期维护和检修,确保其正常运行。
3. 安保事件处理阶段安保事件处理阶段是物业管理中不可或者缺的一环。
在这个阶段,物业管理团队将负责处理各种安保事件,例如突发火灾、盗窃案件、纠纷等。
在处理安保事件时,物业管理团队需要及时报警、组织人员疏散、协助警方调查等。
同时,还需要对安保事件进行记录和分析,以便改进安保措施和预防类似事件的发生。
4. 安保效果评估阶段安保效果评估阶段是为了评估安保措施的有效性和改进安保工作的阶段。
在这个阶段,物业管理团队将对安保措施的实施效果进行评估,并根据评估结果进行调整和改进。
例如,通过居民满意度调查、安保事件发生率统计等方式来评估安保效果,以便对安保工作进行优化和提升。
四、结论物业管理中的安保管理流程图是一个重要的管理工具,它能够匡助物业管理团队规范安保工作流程,确保物业和居民的安全。
通过安保策划、安保措施执行、安保事件处理和安保效果评估等阶段的有序进行,物业管理团队能够更好地应对各种安全风险和突发事件。
物业公司安保工作流程图安保工作流程图
1.安保管理流程图
2.物业管理部工作流程图
3.安保主管工作流程图
4.班长日检查工作流程图
5.样板房安保员岗位工作流程图
6.侧门岗安保员工作流程图
7.巡楼安保员操作流程图
8.业主搬迁操作流程图
9.外来人员出入管理流程图
10.消防应急方案出来流程图
11.突发事件处理流程图
12.安保工作重大事项处置流程图
13.电梯困人处理流程图
意外停电处理流程图
意外停水处理流程图
意外停气处理流程图
14.管理处火灾处理流程图
15.车库(场)岗位工作流程图
16.车库(场)收缴费管理流程图
17.车库(场)异常情况处置流程图
18.车辆冲卡处理流程图
19.可疑车辆出场处置流程图
目的:检查、监督岗位安保员工作情况;全面贯彻、落实公司各项规章制度;及时发现工作中出现的问题并采取整改措施;为量化考核提供依据。