常用场效应管型号参数管脚识别及检测表
- 格式:docx
- 大小:59.24 KB
- 文档页数:19
场效应管参数对照表场效应管(Field Effect Transistor,简称FET),是一种常用的半导体器件,其工作原理基于场效应。
场效应管分为两种基本类型:N-沟道型场效应管(N-channel FET)和P-沟道型场效应管(P-channel FET)。
场效应管有着很多特性参数,下面是场效应管常见参数的对照表。
1. 驱动电压(Vds):场效应管的驱动电压是指在引脚之间的电压差,也成为漏极与源极之间的电压。
该驱动电压决定了场效应管的导通与截止,一般用正参考电压。
2. 阈值电压(Vth):阈值电压是指场效应管悬浮增益区通过导通的初始电压,也就是漏极电流开始出现的电压。
阈值电压决定了FET是否在导通状态,一般用负参考电压。
3.漏极电流(Id):漏极电流是指通过场效应管漏极的电流,当驱动电压大于阈值电压时,场效应管导通,漏极电流会随之增加。
4. 器件尺寸(Size):场效应管的尺寸通常由器件的长度(L)和宽度(W)决定。
尺寸越大,场效应管的漏极电流也越大。
5. 开关速度(Switching Speed):场效应管的开关速度指的是从导通到截止或者从截止到导通的反应时间。
开关速度快的场效应管适用于高频应用。
6. 衰减(Attenuation):场效应管的衰减是指信号经过场效应管后的信号衰减量。
7. 耐压(Vdss):耐压是指场效应管在截止状态下可以承受的最大电压。
一般情况下,Vdss会比驱动电压Vds的值要大。
8. 输入电容(Ciss):输入电容是指场效应管输入端的容量。
输入电容决定了场效应管对输入信号的响应速度。
9. 输出电阻(Rds):输出电阻是指场效应管导通状态下,漏极与源极之间的等效电阻。
输出电阻越小,对负载输出能力越强。
10. 控制源电压(Vgs):控制源电压是指场效应管的栅极电压,通过改变栅极电压,可以控制场效应管的导通与截止。
以上是几个常见的场效应管参数对照表。
不同应用场景的场效应管参数有所不同,使用时需根据具体需求来选择合适的场效应管。
常用场效应管型号参数管脚识别及检测表场效应管管脚识别场效应管的检测和使用场效应管的检测和使用一、用指针式万用表对场效应管进行判别1用测电阻法判别结型场效应管的电极根据场效应管的PN结正、反向电阻值不一样的现象;可以判别出结型场效应管的三个电极..具体方法:将万用表拨在R×1k档上;任选两个电极;分别测出其正、反向电阻值..当某两个电极的正、反向电阻值相等;且为几千欧姆时;则该两个电极分别是漏极D和源极S..因为对结型场效应管而言;漏极和源极可互换;剩下的电极肯定是栅极G..也可以将万用表的黑表笔红表笔也行任意接触一个电极;另一只表笔依次去接触其余的两个电极;测其电阻值..当出现两次测得的电阻值近似相等时;则黑表笔所接触的电极为栅极;其余两电极分别为漏极和源极..若两次测出的电阻值均很大;说明是PN结的反向;即都是反向电阻;可以判定是N沟道场效应管;且黑表笔接的是栅极;若两次测出的电阻值均很小;说明是正向PN结;即是正向电阻;判定为P沟道场效应管;黑表笔接的也是栅极..若不出现上述情况;可以调换黑、红表笔按上述方法进行测试;直到判别出栅极为止..2用测电阻法判别场效应管的好坏测电阻法是用万用表测量场效应管的源极与漏极、栅极与源极、栅极与漏极、栅极G1与栅极G2之间的电阻值同场效应管手册标明的电阻值是否相符去判别管的好坏..具体方法:首先将万用表置于R×10或R×100档;测量源极S与漏极D之间的电阻;通常在几十欧到几千欧范围在手册中可知;各种不同型号的管;其电阻值是各不相同的;如果测得阻值大于正常值;可能是由于内部接触不良;如果测得阻值是无穷大;可能是内部断极..然后把万用表置于R×10k档;再测栅极G1与G2之间、栅极与源极、栅极与漏极之间的电阻值;当测得其各项电阻值均为无穷大;则说明管是正常的;若测得上述各阻值太小或为通路;则说明管是坏的..要注意;若两个栅极在管内断极;可用元件代换法进行检测..3用感应信号输人法估测场效应管的放大能力具体方法:用万用表电阻的R×100档;红表笔接源极S;黑表笔接漏极D;给场效应管加上1.5V的电源电压;此时表针指示出的漏源极间的电阻值..然后用手捏住结型场效应管的栅极G;将人体的感应电压信号加到栅极上..这样;由于管的放大作用;漏源电压VDS和漏极电流Ib都要发生变化;也就是漏源极间电阻发生了变化;由此可以观察到表针有较大幅度的摆动..如果手捏栅极表针摆动较小;说明管的放大能力较差;表针摆动较大;表明管的放大能力大;若表针不动;说明管是坏的..根据上述方法;我们用万用表的R×100档;测结型场效应管3DJ2F..先将管的G极开路;测得漏源电阻RDS为600Ω;用手捏住G极后;表针向左摆动;指示的电阻RDS 为12kΩ;表针摆动的幅度较大;说明该管是好的;并有较大的放大能力..运用这种方法时要说明几点:首先;在测试场效应管用手捏住栅极时;万用表针可能向右摆动电阻值减小;也可能向左摆动电阻值增加..这是由于人体感应的交流电压较高;而不同的场效应管用电阻档测量时的工作点可能不同或者工作在饱和区或者在不饱和区所致;试验表明;多数管的RDS增大;即表针向左摆动;少数管的RDS减小;使表针向右摆动..但无论表针摆动方向如何;只要表针摆动幅度较大;就说明管有较大的放大能力..第二;此方法对MOS场效应管也适用..但要注意;MOS场效应管的输人电阻高;栅极G允许的感应电压不应过高;所以不要直接用手去捏栅极;必须用于握螺丝刀的绝缘柄;用金属杆去碰触栅极;以防止人体感应电荷直接加到栅极;引起栅极击穿..第三;每次测量完毕;应当G-S极间短路一下..这是因为G-S结电容上会充有少量电荷;建立起VGS电压;造成再进行测量时表针可能不动;只有将G-S极间电荷短路放掉才行..4用测电阻法判别无标志的场效应管首先用测量电阻的方法找出两个有电阻值的管脚;也就是源极S和漏极D;余下两个脚为第一栅极G1和第二栅极G2..把先用两表笔测的源极S与漏极D之间的电阻值记下来;对调表笔再测量一次;把其测得电阻值记下来;两次测得阻值较大的一次;黑表笔所接的电极为漏极D;红表笔所接的为源极S..用这种方法判别出来的S、D极;还可以用估测其管的放大能力的方法进行验证;即放大能力大的黑表笔所接的是D极;红表笔所接地是8极;两种方法检测结果均应一样..当确定了漏极D、源极S的位置后;按D、S的对应位置装人电路;一般G1、G2也会依次对准位置;这就确定了两个栅极G1、G2的位置;从而就确定了D、S、G1、G2管脚的顺序..5用测反向电阻值的变化判断跨导的大小对VMOSN沟道增强型场效应管测量跨导性能时;可用红表笔接源极S、黑表笔接漏极D;这就相当于在源、漏极之间加了一个反向电压..此时栅极是开路的;管的反向电阻值是很不稳定的..将万用表的欧姆档选在R×10kΩ的高阻档;此时表内电压较高..当用手接触栅极G时;会发现管的反向电阻值有明显地变化;其变化越大;说明管的跨导值越高;如果被测管的跨导很小;用此法测时;反向阻值变化不大..二、.场效应管的使用注意事项1为了安全使用场效应管;在线路的设计中不能超过管的耗散功率;最大漏源电压、最大栅源电压和最大电流等参数的极限值..2各类型场效应管在使用时;都要严格按要求的偏置接人电路中;要遵守场效应管偏置的极性..如结型场效应管栅源漏之间是PN结;N沟道管栅极不能加正偏压;P沟道管栅极不能加负偏压;等等..3MOS场效应管由于输人阻抗极高;所以在运输、贮藏中必须将引出脚短路;要用金属屏蔽包装;以防止外来感应电势将栅极击穿..尤其要注意;不能将MOS场效应管放人塑料盒子内;保存时最好放在金属盒内;同时也要注意管的防潮..4为了防止场效应管栅极感应击穿;要求一切测试仪器、工作台、电烙铁、线路本身都必须有良好的接地;管脚在焊接时;先焊源极;在连入电路之前;管的全部引线端保持互相短接状态;焊接完后才把短接材料去掉;从元器件架上取下管时;应以适当的方式确保人体接地如采用接地环等;当然;如果能采用先进的气热型电烙铁;焊接场效应管是比较方便的;并且确保安全;在未关断电源时;绝对不可以把管插人电路或从电路中拔出..以上安全措施在使用场效应管时必须注意..5在安装场效应管时;注意安装的位置要尽量避免靠近发热元件;为了防管件振动;有必要将管壳体紧固起来;管脚引线在弯曲时;应当大于根部尺寸5毫米处进行;以防止弯断管脚和引起漏气等..对于功率型场效应管;要有良好的散热条件..因为功率型场效应管在高负荷条件下运用;必须设计足够的散热器;确保壳体温度不超过额定值;使器件长期稳定可靠地工作..总之;确保场效应管安全使用;要注意的事项是多种多样;采取的安全措施也是各种各样;广大的专业技术人员;特别是广大的电子爱好者;都要根据自己的实际情况出发;采取切实可行的办法;安全有效地用好场效应管..常用场效应管型号参数表型号参数IRF530NMOS100V14A79WIRFP9530PMOS100V12A75WIRF540NMOS100V28A150WIRFP9540PMOS60V18A100WIRF630 NMOS200V9A75W IRFP9630 PMOS200V6.5A75WIRF640 NMOS200V18A125WIRF720 NMOS400V3.3A50WNMOS400V5.5A75WIRF740NMOS400V10A125WIRF830NMOS500V4.5A75WIRF840NMOS500V8A125W场效应管分类型号耐压电流封装DISCRETE MOS FET 2N7000 60V;0.115A TO-92MOS FET 2N7002 60V;0.2A SOT-23 DISCRETEMOS FET IRF510A 100V;5.6A TO-220 DISCRETEMOS FET IRF520A 100V;9.2A TO-220 DISCRETEMOS FET IRF530A 100V;14A TO-220 DISCRETEMOS FET IRF540A 100V;28A TO-220 DISCRETEMOS FET IRF610A 200V;3.3A TO-220 DISCRETEMOS FET IRF620A 200V;5A TO-220 DISCRETEMOS FET IRF630A 200V;9A TO-220 DISCRETEMOS FET IRF634A 250V;8.1A TO-220 DISCRETEMOS FET IRF640A 200V;18A TO-220 DISCRETEMOS FET IRF644A 250V;14A TO-220MOS FET IRF650A 200V;28A TO-220 DISCRETEMOS FET IRF654A 250V;21A TO-220 DISCRETEMOS FET IRF720A 400V;3.3A TO-220 DISCRETEMOS FET IRF730A 400V;5.5A TO-220 DISCRETEMOS FET IRF740A 400V;10A TO-220 DISCRETEMOS FET IRF750A 400V;15A TO-220 DISCRETEMOS FET IRF820A 500V;2.5A TO-220 DISCRETEMOS FET IRF830A 500V;4.5A TO-220 DISCRETEMOS FET IRF840A 500V;8A TO-220 DISCRETEMOS FET IRF9520 TO-220 DISCRETEMOS FET IRF9540 TO-220MOS FET IRF9610 TO-220 DISCRETEMOS FET IRF9620 TO-220 DISCRETEMOS FET IRFP150A 100V;43A TO-3P DISCRETEMOS FET IRFP250A 200V;32A TO-3P DISCRETEMOS FET IRFP450A 500V;14A TO-3P DISCRETEMOS FET IRFR024A 60V;15A D-PAK DISCRETEMOS FET IRFR120A 100V;8.4A D-PAK DISCRETEMOS FET IRFR214A 250V;2.2A D-PAK DISCRETEMOS FET IRFR220A 200V;4.6A D-PAK DISCRETEMOS FET IRFR224A 250V;3.8A D-PAK DISCRETEMOS FET IRFR310A 400V;1.7A D-PAKMOS FET IRFR9020TF D-PAK DISCRETEMOS FET IRFS540A 100V;17A TO-220F DISCRETEMOS FET IRFS630A 200V;6.5A TO-220F DISCRETEMOS FET IRFS634A 250V;5.8A TO-220F DISCRETEMOS FET IRFS640A 200V;9.8A TO-220F DISCRETEMOS FET IRFS644A 250V;7.9A TO-220F DISCRETEMOS FET IRFS730A 400V;3.9A TO-220F DISCRETEMOS FET IRFS740A 400V;5.7A TO-220F DISCRETEMOS FET IRFS830A 500V;3.1A TO-220F DISCRETEMOS FET IRFS840A 500V;4.6A TO-220F DISCRETEMOS FET IRFS9Z34 -60V;12A TO-220FMOS FET IRFSZ24A 60V;14A TO-220F DISCRETEMOS FET IRFSZ34A 60V;20A TO-220F DISCRETEMOS FET IRFU110A 100V;4.7A I-PAK DISCRETEMOS FET IRFU120A 100V;8.4A I-PAK DISCRETEMOS FET IRFU220A 200V;4.6A I-PAK DISCRETEMOS FET IRFU230A 200V;7.5A I-PAK DISCRETEMOS FET IRFU410A 500V I-PAK DISCRETEMOS FET IRFU420A 500V;2.3A I-PAK DISCRETEMOS FET IRFZ20A TO-220 DISCRETEMOS FET IRFZ24A 60V;17A TO-220 DISCRETEMOS FET IRFZ30 TO-220MOS FET IRFZ34A 60V;30A TO-220 DISCRETEMOS FET IRFZ40 TO-220 DISCRETEMOS FET IRFZ44A 60V;50A TO-220 DISCRETEMOS FET IRLS530A 100V;10.7A;Logic TO-220F DISCRETEMOS FET IRLSZ14A 60V;8A;Logic TO-220F DISCRETEMOS FET IRLZ24A 60V;17A;Logic TO-220 DISCRETEMOS FET IRLZ44A 60V;50A;Logic TO-220 DISCRETEMOS FET SFP36N03 30V;36A TO-220 DISCRETEMOS FET SFP65N06 60V;65A TO-220 DISCRETEMOS FET SFP9540 -100V;17A TO-220 DISCRETEMOS FET SFP9634 -250V;5A TO-220MOS FET SFP9644 -250V;8.6A TO-220 DISCRETEMOS FET SFP9Z34 -60V;18A TO-220 DISCRETEMOS FET SFR9214 -250V;1.53A D-PAK DISCRETEMOS FET SFR9224 -250V;2.5A D-PAK DISCRETEMOS FET SFR9310 -400V;1.5A D-PAK DISCRETEMOS FET SFS9630 -200V;4.4A TO-220F DISCRETEMOS FET SFS9634 -250V;3.4A TO-220F DISCRETEMOS FET SFU9220 -200V;3.1A I-PAK DISCRETEMOS FET SSD2002 25V N/P Dual 8SOP DISCRETEMOS FET SSD2019 20V P-ch Dual 8SOP DISCRETEMOS FET SSD2101 30V N-ch Single 8SOPMOS FET SSH10N80A 800V;10A TO-3P DISCRETEMOS FET SSH10N90A 900V;10A TO-3P DISCRETEMOS FET SSH5N90A 900V;5A TO-3P DISCRETEMOS FET SSH60N10 TO-3P DISCRETEMOS FET SSH6N80A 800V;6A TO-3P DISCRETEMOS FET SSH70N10A 100V;70A TO-3P DISCRETEMOS FET SSH7N90A 900V;7A TO-3P DISCRETEMOS FET SSH9N80A 800V;9A TO-3P DISCRETEMOS FET SSP10N60A 600V;9A TO-220 DISCRETEMOS FET SSP1N60A 600V;1A TO-220 DISCRETEMOS FET SSP2N90A 900V;2A TO-220MOS FET SSP35N03 30V;35A TO-220 DISCRETEMOS FET SSP3N90A 900V;3A TO-220 DISCRETEMOS FET SSP4N60A 600V;4A TO-220 DISCRETEMOS FET SSP4N60AS 600V;4A TO-220 DISCRETEMOS FET SSP4N90AS 900V;4.5A TO-220 DISCRETEMOS FET SSP5N90A 900V;5A TO-220 DISCRETEMOS FET SSP60N06 60V;60A TO-220 DISCRETEMOS FET SSP6N60A 600V;6A TO-220 DISCRETEMOS FET SSP70N10A 100V;55A TO-220 DISCRETEMOS FET SSP7N60A 600V;7A TO-220 DISCRETEMOS FET SSP7N80A 800V;7A TO-220MOS FET SSP80N06A 60V;80A TO-220 DISCRETEMOS FET SSR1N60A 600V;0.9A D-PAK DISCRETEMOS FET SSR2N60A 600V;1.8A D-PAK DISCRETEMOS FET SSR3055A 60V;8A D-PAK DISCRETEMOS FET SSS10N60A 600V;5.1A TO-220F DISCRETEMOS FET SSS2N60A 600V;1.3A TO-220F DISCRETEMOS FET SSS3N80A 800V;2A TO-220F DISCRETEMOS FET SSS3N90A 900V;2A TO-220F DISCRETEMOS FET SSS4N60A 600V;3.5A TO-220F/P DISCRETEMOS FET SSS4N60AS 600V;2.3A TO-220F/P DISCRETEMOS FET SSS4N60AS 600V;2.3A TO-220FMOS FET SSS4N90AS 900V;2.8A TO-220F DISCRETEMOS FET SSS5N80A 800V;3A TO-220F DISCRETEMOS FET SSS6N60A 600V; TO-220F/P。
型号材料管脚用途参数3DJ6NJ 低频放大NMOS GDS 开关2SJ117 PMOS GDS 音频开关 400V2A40W2SJ118 PMOS GDS 高速开关 140V8A100W50/2SJ122 PMOS GDS 高速开关 60V10A50W60/2SJ136 PMOS GDS 高速开关 60V12A40W 70/2SJ143 PMOS GDS 开关 60V16A35W90/2SJ172 PMOS GDS 激励 60V10A40W73/2SJ175 PMOS GDS 激励 60V10A25W73/2SJ177 PMOS GDS 激励 60V20A35W140/2SJ201 PMOS n2SJ306 PMOS GDS 激励 60V14A40W30/2SJ312 PMOS GDS 激励 60V14A40W30/2SK30 NJ SDG 低放音频NJ SDG 低放低噪音频NJ SGD 音频激励开关1DB2SK118 NJ SGD 音频话筒放大NJ GSD 高频放大NJ DSG 高频低噪放大NJ GSD 高频低噪放大NMOS GSD 高频高速开关2SK241 NMOS DSG 高频放大NJ GSD 音频NMOS GDS 高速开关 400V10A120W100/2SK386 NMOS GDS 高速开关 450V10A120W100/2SK413 NMOS GDS 高速开关(2SJ118)2SK423 NMOS SDG 高速开关NMOS GDS 高速开关 60V10A50W45/2SK447 NMOS SDG 高速低噪开关可驱电机2SK511 NMOS SDG 高速开关NMOS GDS 高速开关2SK539 NMOS GDS 开关2SK560 NMOS GDS 高速开关2SK623 NMOS GDS 高速开关2SK727 NMOS GDS 开关 900V5A125W110/2SK734 NMOS GDS 开关 450V15A150W160/2SK785 NMOS GDS 开关 500V20A150W105/2SK787 NMOS GDS 高速开关 900V8A150W95/2SK790 NMOS GDS 高速开关可驱电机2SK791 NMOS GDS 开关可驱电机2SK794 NMOS GDS 开关可驱电机2SK817 NMOS GDS 开关 60V26A35W40/2SK832 NMOS GDS 高速开关 900V4A85W55/2SK899 NMOS GDS 开关 500V18A125W130/2SK962 NMOS GDS 开关 900V8A150W280/2SK940 NMOS SDG 激励.驱动螺线管驱动2SK1007 NMOS GDS 开关 450V5A60W60/2SK1010 NMOS GDS 高速开关 500V6A80W70/2SK1011 NMOS GDS 高速开关 450V10A100W110/2SK1012 NMOS GDS 高速开关 500V10A100W110/ 2SK1015 NMOS GDS 开关 450V18A125W170/2SK1016 NMOS GDS 开关 500V15A125W170/2SK1017 NMOS GDS 开关 500V20A150W250/2SK1019 NMOS GDS 开关 450V35A300W360/2SK1020 NMOS GDS 开关 500V30A300W360/2SK1060 NMOS GDS 开关 100V5A20W50/2SK1081 NMOS GDS 激励,驱动 800V7A125W 145/ 2SK1082 NMOS GDS 激励,驱动 900V8A125W 145/ 2SK1094 NMOS GDS 激励,驱动 60V15A25W80/2SK1101 NMOS GDS 开关 450V10A50W165/2SK1117 NMOS GDS 开关2SK1118 NMOS GDS 开关 600V6A45W65/2SK1119 NMOS GDS 开关2SK1120 NMOS GDS 开关2SK1161 NMOS GDS 开关 450V10A100W75/2SK1170 NMOS GDS 开关 500V20A120W147/2SK1180 NMOS GDS 投影机用 500V10A85W60/ 2SK1195 NMOS GDS 电梯用 100nS2SK1198 NMOS GDS 高速开关 700V2A35W20/2SK1217 NMOS GDS 开关 90V8A100W280/2SK1221 NMOS GDS 开关 250V10A80W60/2SK1247 NMOS GDS 开关 500V5A30W50/2SK1250 NMOS GDS 开关-感性 500V20A150W130/2SK1254 NMOS GDS 低噪放大 120V3A20W25/2SK1271 NMOS GDS 开关 1400V5A240W55/2SK1272 NMOS GDS 高速开关2SK1329 NMOS GDS 开关 500V12A60W90/2SK1358 NMOS GDS 开关 900V9A150W65/2SK1374 NMOS 贴片NMOS GDS 激励, 开关 60V50A150W78/ 2SK1387 NMOS GDS 激励, 开关 60V35A40W66/2SK1388 NMOS GDS 激励, 开关 30V35A60W125/2SK1419 NMOS GDS 高速开关 60V15A25W55/2SK1445 NMOS GDS 高速开关 450V5A30W45/。
常用全系列场效应管MOS管型号参数封装资1.IRF系列:IRF540N、IRF840、IRF3205等IRF系列是一种N沟道MOS管,具有低电源电流和高开关速度特点,可以工作在高频率下。
常用的封装有TO-220、TO-247、D2-Pak等。
-IRF540N参数:导通电阻:0.077Ω最大耗散功率:150W最大漏电流:50μA最大栅源电压:100V最大漏源电压:100V最大栅极电荷:49nC-IRF840参数:导通电阻:0.85Ω最大耗散功率:125W最大漏电流:10μA最大栅源电压:500V最大漏源电压:500V最大栅极电荷:90nC-IRF3205参数:导通电阻:8mΩ最大耗散功率:110W最大漏电流:250μA最大栅源电压:20V最大漏源电压:55V最大栅极电荷:75nC2.IRFP系列:IRFP250N、IRFP460等IRFP系列是一种P沟道MOS管,具有低导通电阻和高开关速度特点,适合高频率下的应用。
常用的封装有TO-247、TO-3P等。
-IRFP250N参数:导通电阻:0.095Ω最大耗散功率:200W最大漏电流:250μA最大栅源电压:100V最大漏源电压:200V最大栅极电荷:73nC-IRFP460参数:导通电阻:0.27Ω最大耗散功率:180W最大栅源电压:500V最大漏源电压:500V最大栅极电荷:123nC3.IRL系列:IRL540N、IRL3713等IRL系列是一种低电平驱动的MOS管,具有低导通电阻和高开关速度特点,适合低电平驱动电路。
常用的封装有TO-220、D2-Pak等。
-IRL540N参数:导通电阻:0.054Ω最大耗散功率:120W最大漏电流:50μA最大栅源电压:55V最大漏源电压:100V最大栅极电荷:32nC-IRL3713参数:导通电阻:7.5mΩ最大耗散功率:60W最大漏电流:50μA最大栅源电压:20V最大栅极电荷:20nC以上是常用全系列场效应管MOS管型号参数封装资的介绍,不同型号的MOS管具有不同的特点和适用场景,用户可以根据实际需求选择适合的型号和封装方式。
场效应管的种类、管脚排列、检测方法、使用注意事项场效应管的种类、管脚排列、检测方法、使用注意事项场效应管的种类:场效应管K1113 管脚排列图:MOS场效应管的检测方法:(1).准备工作测量之前,先把人体对地短路后,才能摸触MOSFET的管脚。
最好在手腕上接一条导线与大地连通,使人体与大地保持等电位。
再把管脚分开,然后拆掉导线。
(2).判定电极将万用表拨于R×100档,首先确定栅极。
若某脚与其它脚的电阻都是无穷大,证明此脚就是栅极G。
交换表笔重测量,S-D之间的电阻值应为几百欧至几千欧,其中阻值较小的那一次,黑表笔接的为D极,红表笔接的是S极。
日本生产的3SK系列产品,S极与管壳接通,据此很容易确定S极。
(3).检查放大能力(跨导)将G极悬空,黑表笔接D极,红表笔接S极,然后用手指触摸G极,表针应有较大的偏转。
双栅MOS场效应管有两个栅极G1、G2。
为区分之,可用手分别触摸G1、G2极,其中表针向左侧偏转幅度较大的为G2极。
目前有的MOSFET管在G-S极间增加了保护二极管,平时就不需要把各管脚短路了。
MOS场效应晶体管使用注意事项:MOS场效应晶体管在使用时应注意分类,不能随意互换。
MOS场效应晶体管由于输入阻抗高(包括MOS集成电路)极易被静电击穿,使用时应注意以下规则:(1). MOS器件出厂时通常装在黑色的导电泡沫塑料袋中,切勿自行随便拿个塑料袋装。
也可用细铜线把各个引脚连接在一起,或用锡纸包装(2).取出的MOS器件不能在塑料板上滑动,应用金属盘来盛放待用器件。
(3). 焊接用的电烙铁必须良好接地。
(4). 在焊接前应把电路板的电源线与地线短接,再MOS 器件焊接完成后在分开。
(5). MOS器件各引脚的焊接顺序是漏极、源极、栅极。
拆机时顺序相反。
(6).电路板在装机之前,要用接地的线夹子去碰一下机器的各接线端子,再把电路板接上去。
(7). MOS场效应晶体管的栅极在允许条件下,最好接入保护二极管。
系列场效应管型号技术参数以下为一些常见的场效应管型号及其技术参数:1.IRFZ44N:
- 导通电阻(Rds(on)):17mΩ
-最大承受电流(Id):50A
-最大耗散功率(Pd):94W
- 最大栅极源极电压(Vgss):±20V
- 栅极阈值电压(Vgs(th)):2V-4V
- 最大栅极漏极电压(Vdss):55V
2.VN10LP:
- 导通电阻(Rds(on)):3.5Ω
-最大承受电流(Id):500mA
-最大耗散功率(Pd):0.625W
- 最大栅极源极电压(Vgss):±30V
- 栅极阈值电压(Vgs(th)):1V-2V
- 最大栅极漏极电压(Vdss):60V
3.J310:
- 导通电阻(Rds(on)):20Ω
-最大承受电流(Id):25mA
-最大耗散功率(Pd):225mW
- 最大栅极源极电压(Vgss):±30V
- 栅极阈值电压(Vgs(th)):1.5V-4V
- 最大栅极漏极电压(Vdss):25V 4.2N7000:
- 导通电阻(Rds(on)):5Ω
-最大承受电流(Id):200mA
-最大耗散功率(Pd):350mW
- 最大栅极源极电压(Vgss):±20V
- 栅极阈值电压(Vgs(th)):0.8V-3V
- 最大栅极漏极电压(Vdss):60V。
常用场效应管型号及参数表(三)2609 IRFF111 IR N 60 3.5 15 TO-205AF 2610 IRFF112 IR N 100 3.0 15 TO-205AF 2611 IRFF113 IR N 60 3.0 15 TO-205AF 2612 IRFF120 IR N 100 6.0 20 TO-205AF 2613 IRFF121 IR N 60 6.0 20 TO-205AF 2614 IRFF122 IR N 100 5.0 20 TO-205AF 2615 IRFF123 IR N 60 5.0 20 TO-205AF 2616 IRFF130 IR N 100 8.0 25 TO-205AF 2617 IRFF131 IR N 60 8.0 25 TO-205AF 2618 IRFF132 IR N 100 7.0 25 TO-205AF 2619 IRFF133 IR N 60 7.0 25 TO-205AF 2620 IRFF210 IR N 200 2.2 15 TO-205AF 2621 IRFF211 IR N 150 2.2 15 TO-205AF 2622 IRFF212 IR N 200 1.8 15 TO-205AF 2623 IRFF213 IR N 150 1.8 15 TO-205AF 2624 IRFF220 IR N 200 3.5 20 TO-205AF 2625 IRFF221 IR N 150 3.5 20 TO-205AF 2626 IRFF222 IR N 200 3.0 20 TO-205AF 2627 IRFF223 IR N 150 3.0 20 TO-205AF 2628 IRFF230 IR N 200 5.5 25 TO-205AF 2629 IRFF231 IR N 150 5.5 25 TO-205AF 2630 IRFF232 IR N 200 4.5 25 TO-205AF 2631 IRFF233 IR N 150 4.5 25 TO-205AF 2632 IRFF310 IR N 400 1.35 15 TO-205AF 2633 IRFF311 IR N 350 1.35 15 TO-205AF 2634 IRFF312 IR N 400 1.15 15 TO-205AF 2635 IRFF313 IR N 350 1.15 15 TO-205AF 2636 IRFF320 IR N 400 2.5 20 TO-205AF 2637 IRFF321 IR N 350 2.5 20 TO-205AF 2638 IRFF322 IR N 400 2.0 20 TO-205AF 2639 IRFF323 IR N 350 2.0 20 TO-205AF 2640 IRFF330 IR N 400 3.5 25 TO-205AF 2641 IRFF331 IR N 350 3.5 25 TO-205AF 2642 IRFF332 IR N 400 3.0 25 TO-205AF 2643 IRFF333 IR N 350 3.0 25 TO-205AF 2644 IRFF420 IR N 500 1.6 20 TO-205AF 2645 IRFF421 IR N 450 1.6 20 TO-205AF 2646 IRFF422 IR N 500 1.4 20 TO-205AF 2647 IRFF423 IR N 450 1.4 20 TO-205AF 2648 IRFF430 IR N 500 2.75 25 TO-205AF 2649 IRFF431 IR N 450 2.75 25 TO-205AF 2650 IRFF432 IR N 500 2.25 25 TO-205AF 2651 IRFF433 IR N 450 2.25 25 TO-205AF2653 IRFF9111 IR P -60 -2.6 15 TO-205AF2654 IRFF9112 IR P -100 -2.3 15 TO-205AF2655 IRFF9113 IR P -60 -2.3 15 TO-205AF2656 IRFF9120 IR P -100 -4.0 20 TO-205AF2657 IRFF9121 IR P -60 -4.0 20 TO-205AF2658 IRFF9122 IR P -100 -3.5 20 TO-205AF2659 IRFF9123 IR P -60 -3.5 20 TO-205AF2660 IRFF9130 IR P -100 -6.5 25 TO-205AF2661 IRFF9131 IR P -60 -6.5 25 TO-205AF2662 IRFF9132 IR P -100 -5.5 25 TO-205AF2663 IRFF9133 IR P -60 -5.5 25 TO-205AF2664 IRFF9210 IR P -200 -1.6 15 TO-205AF2665 IRFF9211 IR P -150 -1.6 15 TO-205AF2666 IRFF9212 IR P -200 -1.3 15 TO-205AF2667 IRFF9213 IR P -150 -1.3 15 TO-205AF2668 IRFF9220 IR P -200 -2.5 20 TO-205AF2669 IRFF9221 IR P -150 -2.5 20 TO-205AF2670 IRFF9222 IR P -200 -2.0 20 TO-205AF2671 IRFF9223 IR P -150 -2.0 20 TO-205AF2672 IRFF9230 IR P -200 -4.0 25 TO-205AF2673 IRFF9231 IR P -150 -4.0 25 TO-205AF2674 IRFF9232 IR P -200 -3.5 25 TO-205AF2675 IRFF9233 IR P -150 -3.5 25 TO-205AF2676 IRFG1Z0 IR N 100 0.40* 1.0* 2SK×42677 IRFG1Z3 IR N 60 0.35* 1.0* 2SK×42678 IRFG110 IR N 100 0.95* 1.4/U 2SK×42679 IRFG113 IR N 60 0.85* 1.4* 2SK×42680 IRFG6110 IR * ±100 +0.95* 1.4* 2SK×2+2SJ×2 2681 IRFG6113 IR * ±60 +0.85* 1.4* 2SK×2+2SJ×2 2682 IRFG9110 IR P -100 -0.75* 1.4* 2SJ×42683 IRFG9113 IR P -60 -0.65* 1.4* 2SJ×42684 IRFH150 IR N 100 30 150 TO-210AC2685 IRFH250 IR N 200 30 150 TO-210AC2686 IRFH350 IR N 400 15 150 TO-210AC2687 IRFH450 IR N 500 13 150 TO-210AC2688 IRFI530 IR N 100 9.7 39 Iso TO-2202689 IRFI540 IR N 100 17 48 Iso TO-2202690 IRFI630 IR N 200 5.9 32 Iso TO-2202691 IRFI634 IR N 250 5.6 32 Iso TO-2202692 IRFI640 IR N 200 9.8 40 Iso TO-2202693 IRFI644 IR N 250 7.9 40 Iso TO-2202694 IRFI730 IR N 400 3.5 32 Iso TO-2202695 IRFI740 IR N 400 5.4 40 Iso TO-2202697 IRFI830 IR N 500 3.1 32 Iso TO-220 2698 IRFI840 IR N 500 4.6 40 Iso TO-220 2699 IRFIP044 IR N 60 43 100 Iso TO-247 2700 IRFIP054 IR N 60 64 120 Iso TO-247 2701 IRFIP140 IR N 100 23 100 Iso TO-247 2702 IRFIP150 IR N 100 31 120 Iso TO-247 2703 IRFIP240 IR N 200 14 83 Iso TO-247 2704 IRFIP244 IR N 250 11 83 Iso TO-247 2705 IRFIP250 IR N 200 22 96 Iso TO-247 2706 IRFIP254 IR N 250 17 96 Iso TO-247 2707 IRFIP340 IR N 400 8 83 Iso TO-247 2708 IRFIP350 IR N 400 11 96 Iso TO-247 2709 IRFIP440 IR N 500 6.4 83 Iso TO-247 2710 IRFIP448 IR N 500 7.4 89 Iso TO-247 2711 IRFIP450 IR N 500 10 96 Iso TO-247 2712 IRFIZ24 IR N 60 14 37 Iso TO-220 2713 IRFIZ34 IR N 60 20 38 Iso TO-220 2714 IRFIZ44 IR N 60 30 48 Iso TO-220 2715 IRFJ120 IR N 100 8.0 40 TO-213AA 2716 IRFJ121 IR N 60 8.0 40 TO-213AA 2717 IRFJ122 IR N 100 7.0 40 TO-213AA 2718 IRFJ123 IR N 60 7.0 40 TO-213AA 2719 IRFJ130 IR N 100 10 50 TO-213AA 2720 IRFJ131 IR N 60 10 50 TO-213AA 2721 IRFJ132 IR N 100 10 50 TO-213AA 2722 IRFJ133 IR N 60 10 50 TO-213AA 2723 IRFJ140 IR N 100 15 70 TO-213AA 2724 IRFJ141 IR N 60 15 70 TO-213AA 2725 IRFJ142 IR N 100 10 70 TO-213AA 2726 IRFJ143 IR N 60 10 70 TO-213AA 2727 IRFJ220 IR N 200 5.0 40 TO-213AA 2728 IRFJ221 IR N 150 5.0 40 TO-213AA 2729 IRFJ222 IR N 200 4.0 40 TO-213AA 2730 IRFJ223 IR N 150 4.0 40 TO-213AA 2731 IRFJ230 IR N 200 8.0 50 TO-213AA 2732 IRFJ231 IR N 150 8.0 50 TO-213AA 2733 IRFJ232 IR N 200 6.5 50 TO-213AA 2734 IRFJ233 IR N 150 6.5 50 TO-213AA 2735 IRFJ240 IR N 200 13 70 TO-213AA 2736 IRFJ241 IR N 150 13 70 TO-213AA 2737 IRFJ242 IR N 200 11 70 TO-213AA 2738 IRFJ243 IR N 150 11 70 TO-213AA 2739 IRFJ320 IR N 400 3.0 40 TO-213AA2741 IRFJ322 IR N 400 2.5 40 TO-213AA2742 IRFJ323 IR N 350 2.5 40 TO-213AA2743 IRFJ330 IR N 400 4.5 50 TO-213AA2744 IRFJ331 IR N 350 4.5 50 TO-213AA2745 IRFJ332 IR N 400 4.0 50 TO-213AA2746 IRFJ333 IR N 350 4.0 50 TO-213AA2747 IRFJ340 IR N 400 7.5 70 TO-213AA2748 IRFJ341 IR N 350 7.5 70 TO-213AA2749 IRFJ342 IR N 400 6.0 70 TO-213AA2750 IRFJ343 IR N 350 6.0 70 TO-213AA2751 IRFJ420 IR N 500 2.5 40 TO-213AA2752 IRFJ421 IR N 450 2.5 40 TO-213AA2753 IRFJ422 IR N 500 2.0 40 TO-213AA2754 IRFJ423 IR N 450 2.0 40 TO-213AA2755 IRFJ430 IR N 500 4.0 50 TO-213AA2756 IRFJ431 IR N 450 4.0 50 TO-213AA2757 IRFJ432 IR N 500 3.0 50 TO-213AA2758 IRFJ433 IR N 450 3.0 50 TO-213AA2759 IRFJ440 IR N 500 6.0 70 TO-213AA2760 IRFJ441 IR N 450 6.0 70 TO-213AA2761 IRFJ442 IR N 500 5.0 70 TO-213AA2762 IRFJ443 IR N 450 5.0 70 TO-213AA2763 IRFK2D054 IR N 60 120 500 TO-240AA2764 IRFK2D150 IR N 100 72 500 TO-240AA2765 IRFK2D250 IR N 200 54 500 TO-240AA2766 IRFK2D350 IR N 400 25 500 TO-240AA2767 IRFK2D450 IR N 500 22 500 TO-240AA2768 IRFK2DC50 IR N 600 18 500 TO-240AA2769 IRFK2DE50 IR N 800 12 500 TO-240AA2770 IRFK2F054 IR &n, bsp; N 60 120 500 TO-240AA 2771 IRFK2F150 IR N 100 72 500 TO-240AA2772 IRFK2F250 IR N 200 54 500 TO-240AA2773 IRFK2F350 IR N 400 25 500 TO-240AA2774 IRFK2F450 IR N 500 22 500 TO-240AA2775 IRFK2FC50 IR N 600 16 500 TO-240AA2776 IRFK2FE50 IR N 800 12 500 TO-240AA2777 IRFK3D150 IR N 100 125 625 TO-240AA 2778 IRFK3D250 IR N 200 70 625 TO-240AA2779 IRFK3D350 IR N 400 37 625 TO-240AA2780 IRFK3D450 IR N 500 33 625 TO-240AA2781 IRFK3DC50 IR N 600 24 625 TO-240AA2782 IRFK3F150 IR N 100 125 625 TO-240AA 2783 IRFK3F250 IR N 200 70 625 TO-240AA2785 IRFK3F450 IR N 500 33 625 TO-240AA 2786 IRFK3FC50 IR N 600 24 625 TO-240AA 2787 IRFK4H054 IR N 60 150 500 TO-240AA 2788 IRFK4H150 IR N 100 137 500 TO-240AA 2789 IRFK4H250 IR N 200 108 500 TO-240AA 2790 IRFK4H350 IR N 400 50 500 TO-240AA 2791 IRFK4H450 IR N 500 44 500 TO-240AA 2792 IRFK4HC50 IR N 600 35 500 TO-240AA 2793 IRFK4HE50 IR N 800 26 500 TO-240AA 2794 IRFK4J054 IR N 60 150 500 TO-240AA 2795 IRFK4J150 IR N 100 137 500 TO-240AA 2796 IRFK4J250 IR N 200 108 500 TO-240AA 2797 IRFK4J350 IR N 400 50 500 TO-240AA 2798 IRFK4J450 IR N 500 44 500 TO-240AA 2799 IRFK4JC50 IR N 600 35 500 TO-240AA 2800 IRFK4JE50 IR N 800 26 500 TO-240AA 2801 IRFK6H150 IR N 100 150 625 TO-240AA 2802 IRFK6H250 IR N 200 140 625 TO-240AA 2803 IRFK6H350 IR N 400 75 625 TO-240AA 2804 IRFK6H450 IR N 500 66 625 TO-240AA 2805 IRFK6HC50 IR N 600 48 625 TO-240AA 2806 IRFK6J150 IR N 100 150 625 TO-240AA 2807 IRFK6J250 IR N 200 140 625 TO-240AA 2808 IRFK6J350 IR N 400 75 625 TO-240AA 2809 , IRFK6J450 IR N 500 66 625 TO-240AA 2810 IRFK6JC50 IR N 600 48 625 TO-240AA 2811 IRFM040 IR N 50 25 96 TO-254AA 2812 IRFM140 IR N 100 23 96 TO-254AA 2813 IRFM150 IR N 100 25 125 TO-254AA 2814 IRFM240 IR N 200 15 96 TO-254AA 2815 IRFM250 IR N 200 24 125 TO-254AA 2816 IRFM340 IR N 400 8.5 96 TO-254AA 2817 IRFM350 IR N 400 14 125 TO-254AA 2818 IRFM440 IR N 500 6.9 96 TO-254AA 2819 IRFM450 IR N 500 11 125 TO-254AA 2820 IRFM9140 IR P -100 -15 96 TO-254AA 2821 IRFM9240 IR P -200 -9.3 96 TO-254AA 2822 IRFP040 IR N 40 40 150 TO-247AC 2823 IRFP042 IR N 40 40 150 TO-247AC 2824 IRFP044 IR N 60 40 180 TO-247AC 2825 IRFP045 IR N 60 40 180 TO-247AC 2826 IRFP054 IR N 60 70 300 TO-247AC 2827 IRFP064 IR N 60 70 300 TO-247AC2829 IRFP141 IR N 60 29 150 TO-247AC 2830 IRFP142 IR N 100 26 150 TO-247AC 2831 IRFP143 IR N 60 26 150 TO-247AC 2832 IRFP150 IR N 100 41 180 TO-247AC 2833 IRFP151 IR N 60 41 180 TO-247AC 2834 IRFP152 IR N 100 34 180 TO-247AC 2835 IRFP153 IR N 60 34 180 TO-247AC 2836 IRFP240 IR N 200 19 150 TO-247AC 2837 IRFP241 IR N 150 19 150 TO-247AC 2838 IRFP242 IR N 200 17 150 TO-247AC 2839 IRFP243 IR N 150 17 150 TO-247AC 2840 IRFP244 IR N 250 15 150 TO-247AC 2841 IRFP245 IR N 250 14 150 TO-247AC 2842 IRFP250 IR N 200 31 180 TO-247AC 2843 IRFP251 IR N 150 31 180 TO-247AC 2844 IRFP252 IR N 200 26 180 TO-247AC 2845 IRFP253 IR N 150 26 180 TO-247AC 2846 IRFP254 IR N 250 23 180 TO-247AC 2847 IRFP255 IR N 250 21 180 TO-247AC 2848 IRFP260 IR N 200 38 250 TO-247AC 2849 IRFP264 IR N 250 32 250 TO-247AC 2850 IRFP340 IR N 400 10 150 TO-247AC 2851 IRFP341 IR N 350 10 150 TO-247AC 2852 IRFP342 IR N 400 8.4 150 TO-247AC 2853 IRFP343 IR N 350 8.4 150 TO-247AC 2854 IRFP350 IR N 400 16 180 TO-247AC 2855 IRFP351 IR N 350 16 180 TO-247AC 2856 IRFP352 IR N 400 14 180 TO-247AC 2857 IRFP353 IR N 350 14 180 TO-247AC 2858 IRFP360 IR N 400 23 250 TO-247AC 2859 IRFP362 IR N 400 20 250 TO-247AC 2860 IRFP440 IR N 500 8.1 150 TO-247AC 2861 IRFP441 IR N 450 8.1 150 TO-247AC 2862 IRFP442 IR N 500 7.1 150 TO-247AC 2863 IRFP443 IR N 450 7.1 150 TO-247AC 2864 IRFP450 IR N 500 14 180 TO-247AC 2865 IRFP451 IR N 450 14 180 TO-247AC 2866 IRFP452 IR N 500 12 180 TO-247AC 2867 IRFP453 IR N 450 12 180 TO-247AC 2868 IRFP460 IR N 500 20 250 TO-247AC 2869 IRFP462 IR N 500 17 250 TO-247AC 2870 IRFP9140 IR P -100 -19 150 TO-247AC。
场效应管参数对照表
场效应管(FET)是一种电子元器件,常被用作放大器、开关及其他电路中的关键组件。
FET的优点包括高输入阻抗、低噪声、低失真及良好的线性度。
在使用场效应管时,了解一些常用参数是非常重要的。
以下是一份场效应管参数对照表,我们将对其中的每个参数进行详细解释。
1. 型号名称:FET的型号名称通常包含一些信息,如其类型、级数和制造商等。
2. 门源电压(Vgs):这是FET的重要参数之一,指控制引脚和源极之间的电压差。
当电压施加在门极上时,FET的特定区域会形成一个导电通道,从而控制FET的导通情况。
门源电压的变化会直接影响到FET的电流及其它性能指标。
3. 最大漏极电流(Idss):指门源电压为零时,漏极上的最大电流。
这个参数表明了FET的电流承受能力。
4. 开态电阻(Rds on):FET通过时的漏极电阻。
这是一个关键的参数,因为当FET处于导通状态时,其Rds on 值应尽可能小,以最大限度地减少功耗和发热。
5. 放大系数(μ):FET的放大系数是其漏极电流与门极电压之间的比值。
在放大器电路中,FET的电流放大系数是设计中的一个关键参数.
总之,在使用场效应管时要了解这些参数的意义。
这些参数决定了FET能否适合你的应用,因此在选择FET时务必仔细考虑每个参数的权重及其适合的应用。
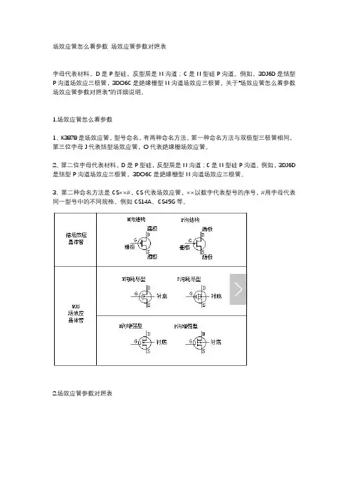
场效应管怎么看参数场效应管参数对照表
字母代表材料,D是P型硅,反型层是N沟道;C是N型硅P沟道。
例如,3DJ6D是结型P沟道场效应三极管,3DO6C是绝缘栅型N沟道场效应三极管。
关于“场效应管怎么看参数场效应管参数对照表”的详细说明。
1.场效应管怎么看参数
1、K3878是场效应管,型号命名,有两种命名方法。
第一种命名方法与双极型三极管相同,第三位字母J代表结型场效应管,O代表绝缘栅场效应管。
2、第二位字母代表材料,D是P型硅,反型层是N沟道;C是N型硅P沟道。
例如,3DJ6D 是结型P沟道场效应三极管,3DO6C是绝缘栅型N沟道场效应三极管。
3、第二种命名方法是CS××#,CS代表场效应管,××以数字代表型号的序号,#用字母代表同一型号中的不同规格。
例如CS14A、CS45G等。
2.场效应管参数对照表。
场效应管分类作用参数和管脚识别
文章主要讲解场效应管分类作用参数和管脚识别的方法。
概念:
场效应晶体管(FieldEffectTransistor缩写(FET))简称场效应管.由多数载流子参与导电,也称为单极型晶体管.它属于电压控制型半导体器件.
特点:
具有输入电阻高(108~109Ω)、噪声小、功耗低、动态范围大、易于集成、没有二次击穿现象、安全工作区域宽等优点,现已成为双极型晶体管和功率晶体
管的强大竞争者.
作用:
场效应管可应用于放大.由于场效应管放大器的输入阻抗很高,因此耦合
电容可以容量较小,不必使用电解电容器.场效应管可以用作电子开关.场效应管
很高的输入阻抗非常适合作阻抗变换.常用于多级放大器的输入级作阻抗变换.
场效应管可以用作可变电阻.场效应管可以方便地用作恒流源.
场效应管的分类:
场效应管分结型、绝缘栅型(MOS)两大类
按沟道材料:结型和绝缘栅型各分N沟道和P沟道两种.
按导电方式:耗尽型与增强型,结型场效应管均为耗尽型,绝缘栅型场效应
管既有耗尽型的,也有增强型的。
场效应晶体管可分为结场效应晶体管和MOS场效应晶体管,而MOS场
效应晶体管又分为N沟耗尽型和增强型;P沟耗尽型和增强型四大类.见下图: 场效应管的主要参数
Idss—饱和漏源电流.是指结型或耗尽型绝缘栅场效应管中,栅极电压。
全系列场效应管参数场效应管(Field Effect Transistor,FET)是一种电子器件,广泛应用于电子电路中的放大、开关和调节等功能。
场效应管有三种主要类型:结型场效应管(JFET)、金属氧化物半导体场效应管(MOSFET)和绝缘体门极场效应管(IGFET)。
(一)结型场效应管(JFET)结型场效应管是最早出现的一种场效应管。
它可以分为N沟道型(N-channel)和P沟道型(P-channel)两种。
1.N沟道型JFET的主要参数:(1)漏极电流(IDSS):即在栅极与源极之间施加零偏压时,漏级电流的最大值。
它是JFET工作时的参考电流。
(2)增益参数(gm):漏极电流对栅极-源极电压变化的响应速度,也是电流放大系数。
(3)转导电导(gm):指沟道中的电流与栅极电压之间的关系。
(4)金属-半导体界面反向电容(Cgd):栅极-漏极间的电容。
(5)漏极电流温度系数(IDSS/°C):指漏极电流随温度变化的百分比。
2.P沟道型JFET的主要参数与N沟道型类似。
(二)金属氧化物半导体场效应管(MOSFET)金属氧化物半导体场效应管是目前最常用的场效应管。
它也可以分为N沟道型和P沟道型两种。
1.N沟道型MOSFET的主要参数:(1)漏极电流(ID):漏极电流的大小。
(2)增益参数(gm):漏极电流对栅极电压变化的响应速度,类似于JFET中的增益参数。
(3)沟道电阻(RDSon):沟道中的电阻。
(4)栅极电压范围(VGS):栅极电压的最大允许范围。
(5)漏极-源极电流温度系数(ID/°C):指漏极-源极电流随温度变化的百分比。
2.P沟道型MOSFET的主要参数与N沟道型类似。
(三)绝缘体门极场效应管(IGFET)绝缘体门极场效应管是一种特殊的MOSFET,其中绝缘层用于隔离栅极和沟道。
1.二极管结型(D-MOSFET)的主要参数:(1)漏极电流(ID):漏级电流的大小。
(2)增益参数(gm):漏级电流对栅极电压变化的响应速度。
常用场效应管参数大全型号材料管脚用途参数3DJ 6NJ 低频放大20V0.35MA0.1W4405/R95242E3C NMOS GDS 开关600V11A150W0.362SJ117 PMOS GDS 音频功放开关400V2A40W2SJ118 PMOS GDS 高速功放开关140V8A100W50/70nS0.5 2SJ122 PMOS GDS 高速功放开关60V10A50W60/100nS0.15 2SJ136 PMOS GDS 高速功放开关60V12A40W 70/165nS0.3 2SJ143 PMOS GDS 功放开关60V16A35W90/180nS0.0352SJ172 PMOS GDS 激励60V10A40W73/275nS0.182SJ175 PMOS GDS 激励60V10A25W73/275nS0.182SJ177 PMOS GDS 激励60V20A35W140/580nS0.0852SJ201 PMOS n2SJ306 PMOS GDS 激励60V14A40W30/120nS0.122SJ312 PMOS GDS 激励60V14A40W30/120nS0.122SK30 NJ SDG 低放音频50V0.5mA0.1W0.5dB2SK30A NJ SDG 低放低噪音频50V0.3-6.5mA0.1W0.5dB2SK108 NJ SGD 音频激励开关50V1-12mA0.3W70 1DB2SK118 NJ SGD 音频话筒放大50V0.01A0.1W0.5dB2SK168 NJ GSD 高频放大30V0.01A0.2W100MHz1.7dB2SK192 NJ DSG 高频低噪放大18V12-24mA0.2W100MHz1.8dB 2SK193 NJ GSD 高频低噪放大20V0.5-8mA0.25W100MHz3dB 2SK214 NMOS GSD 高频高速开关160V0.5A30W2SK241 NMOS DSG 高频放大20V0.03A0.2W100MHz1.7dB2SK304 NJ GSD 音频功放30V0.6-12mA0.15W2SK385 NMOS GDS 高速开关400V10A120W100/140nS0.62SK386 NMOS GDS 高速开关450V10A120W100/140nS0.72SK413 NMOS GDS 高速功放开关140V8A100W0.5 (2SJ118) 2SK423 NMOS SDG 高速开关100V0.5A0.9W4.52SK428 NMOS GDS 高速开关60V10A50W45/65NS0.152SK447 NMOS SDG 高速低噪开关250V15A150W0.24可驱电机2SK511 NMOS SDG 高速功放开关250V0.3A8W5.02SK534 NMOS GDS 高速开关800V5A100W4.02SK539 NMOS GDS 开关900V5A150W2.52SK560 NMOS GDS 高速开关500V15A100W0.42SK623 NMOS GDS 高速开关250V20A120W0.152SK727 NMOS GDS 电源开关900V5A125W110/420nS2.52SK734 NMOS GDS 电源开关450V15A150W160/250nS0.522SK785 NMOS GDS 电源开关500V20A150W105/240nS0.42SK787 NMOS GDS 高速开关900V8A150W95/240nS1.62SK790 NMOS GDS 高速功放开关500V15A150W0.4 可驱电机2SK791 NMOS GDS 电源功放开关850V3A100W4.5 可驱电机2SK794 NMOS GDS 电源开关900V5A150W2.5 可驱电机2SK817 NMOS GDS 电源开关60V26A35W40/230nS0.0552SK832 NMOS GDS 高速开关900V4A85W55/100nS4.02SK899 NMOS GDS 功放开关500V18A125W130/440nS0.33 2SK962 NMOS GDS 电源开关900V8A150W280/460nS2.02SK940 NMOS SDG 激励.驱动60V0.8A0.9W0.55螺线管驱动2SK1007 NMOS GDS 功放开关450V5A60W60/130nS1.62SK1010 NMOS GDS 高速开关500V6A80W70/130nS1.62SK1011 NMOS GDS 高速开关450V10A100W110/240nS0.65 2SK1012 NMOS GDS 高速开关500V10A100W110/240nS0.9 2SK1015 NMOS GDS 功放开关450V18A125W170/230nS0.45 2SK1016 NMOS GDS 电源开关500V15A125W170/230nS0.55 2SK1017 NMOS GDS 电源开关500V20A150W250/490nS0.35 2SK1019 NMOS GDS 电源开关450V35A300W360/900nS0.2 2SK1020 NMOS GDS 电源开关500V30A300W360/900nS0.25 2SK1060 NMOS GDS 功放开关100V5A20W50/140nS0.272SK1081 NMOS GDS 激励,驱动800V7A125W 145/250nS2.2 2SK1082 NMOS GDS 激励,驱动900V8A125W 145/250nS2.8 2SK1094 NMOS GDS 激励,驱动60V15A25W80/300nS0.065 2SK1101 NMOS GDS 功放开关450V10A50W165/360nS0.65 2SK1117 NMOS GDS 电源开关600V6A100W1.252SK1118 NMOS GDS 电源开关600V6A45W65/105nSD1.252SK1119 NMOS GDS 电源开关1000V4A100W3.82SK1120 NMOS GDS 电源开关1000V8A150W1.82SK1161 NMOS GDS 电源开关450V10A100W75/135nS0.82SK1170 NMOS GDS 电源开关500V20A120W147/290nS0.27 2SK1180 NMOS GDS 投影机用500V10A85W60/40nS0.62SK1195 NMOS GDS 电梯用230V1.5A10W37/100nS2SK1198 NMOS GDS 高速开关700V2A35W20/80nS3.22SK1217 NMOS GDS 电源开关90V8A100W280/460nS2.02SK1221 NMOS GDS 电源开关250V10A80W60/150nS0.42SK1247 NMOS GDS 电源开关500V5A30W50/90nS1.42SK1250 NMOS GDS 开关-感性500V20A150W130/260nS0.35 2SK1254 NMOS GDS 低噪放大120V3A20W25/195nS0.42SK1271 NMOS GDS 功放开关1400V5A240W55/260nS4.02SK1272 NMOS GDS 高速开关60V1A0.75W50/500nS0.652SK1329 NMOS GDS 电源开关500V12A60W90/180nS0.62SK1358 NMOS GDS 电源开关900V9A150W65/120nS1.42SK1374 NMOS 贴片50V50mA0.15W0.2US/0.2US502SK1379 NMOS GDS 激励, 开关60V50A150W78/640nS0.017 2SK1387 NMOS GDS 激励, 开关60V35A40W66/500nS0.035 2SK1388 NMOS GDS 激励, 开关30V35A60W125/480nS0.022 2SK1419 NMOS GDS 高速开关60V15A25W55/150nS0.082SK1445 NMOS GDS 高速开关450V5A30W45/175nS1.42SK1459 NMOS GDS 高速开关900V2.5A30W40/160nS6.02SK1460 NMOS GDS 高速开关900V3.5A40W50/265nS3.62SK1463 NMOS GDS 高速开关900V4.5A60W50/265nS3.62SK1482 NMOS GDS 开关功放低噪30V1.5A0.75W65/660nS4.5 2SK1507 NMOS GDS 高速开关600V9A50W110/240nS1.02SK1535 NMOS GDS 通用900V3A30W45/110nS5.02SK1537 NMOS GDS 通用900V5A100W65/145nS3.02SK1540 NMOS GDS 变频开关功放450V7A60W70/135nS0.82SK1544 NMOS GDS 变频开关功放500V25A200W240/590S0.2 2SK1547 NMOS GDS 开关800V4A40W95/170nS4.52SK1567 NMOS GDS 电源开关500V7A35W70/135nS0.92SK1611 NMOS GDS 电源开关800V3A50W40/135nS4.02SK1681 NMOS GDS 电源开关500V30A300W180/320nS0.352SK1745 NMOS GDS 激励, 开关500V18A150W120/210nS0.36 2SK1794 NMOS GDS 电源激励开关900V6A100W50/105nS2.8 2SK1796 NMOS GDS 功放开关900V10A150W90/230nS1.22SK1850 NMOS GDS 开关电机驱动60V10A1.8W110/360nS0.07 2SK1916 NMOS GDS 开关电源用450V18A80W170/33nS0.452SK1937 NMOS GDS 开关UPS用500V15A125W100/230nS0.48 2SK1985 NMOS GDS 开关UPS用900V5A50W35/105nS2.82SK2039 NMOS GDS 电源开关900V5A150W 70/210nS2.52SK2040 NMOS GDS 电源开关600V2A20W 11/45nS52SK2082 NMOS GDS 开关UPS用900V9A150W 85/210nS1.40 2SK2101 NMOS GDS 电源开关800V6A50W 50/130nS2.12SK2141 NMOS GDS 传动驱动600V6A35W 30/880nS1.12SK2147 NMOS GDS 开关UPS用900V6A80W 145/250nS2.8 2SK2161 NMOS SDG 高速开关200V9A25W 27/255nS0.452SK2189 NMOS GDS 高速开关500V10A70W 70/400nS1.02SK2485 NMOS GDS 监视器用电源900V6A100W 30/85 nS 2.80 2SK2487 NMOS GDS 监视器用电源900V8A140W 50/153nS1.1 2SK2611 NMOS GDS 监视器用电源900V9A150W2SK2645 NMOS GDS 监视器用电源500V15A125W2SK4847 NMOS GDS 电源开关100V36125W0.083SK103 NMOS gGDS 高频放大15V0.02A0.2W900MHz3SK122 NMOS gGDS 高频放大20V7-25mA0.2W200MHz1.2dB BS170 NMOS 60V0.3A0.63W12/12nS5.0BUZ11A NMOS GDS 开关50V25A75W60/110nS0.055BUZ20 NMOS GDS 功放开关100V12A75W75/80nSFS3KM NMOS GDS 高速开关500V3A30W23/60nS4.4FS5KM NMOS GDS 高速开关900V3A53W50/190nS4.FS7KM NMOS GDS 高速开关900V5A50W35/105nS2.8FS10KM NMOS GDS 高速开关FS12KM NMOS GDS 高速开关250V12A35W53/120nS0.40FS7SM-16 NMOS GDS 高速开关800V7A150W1.6H120N60 NMOS GDS 开关600V120AIRF130(铁)NMOS GDS 功放开关100V14A79W75/45nS0.16 IRF230(铁)NMOS GDS 功放开关200V9A75W50/40nS0.4 IRF250(铁)NMOS GDS 功放开关200V9A75W50/40nS0.4 IRF440(铁)NMOS GDS 功放开关500V8A125W35/30nS0.85 IRF450(铁)NMOS GDS 功放开关500V13A125W66/60nS0.4 IRF460(铁)NMOS GDS 功放开关500V13A125W66/60nS0.4 IRF530 NMOS GDS 功放开关100V14A79W51/36nS0.18 IRF540 NMOS GDS 功放开关100V28A150W110/75nS0.077 IRF541 NMOS GDS 功放开关80V28A150W110/75nS0.077 IRF610 NMOS GDS 功放开关200V3.3A43W26/13nS1.5 IRF630 NMOS GDS 功放开关200V9A75W50/40nS0.4IRF640 NMOS GDS 功放开关200V18A125W77/54nS0.18 IRF720 NMOS GDS 功放开关400V3.3A50W21/20nS1.8 IRF730 NMOS GDS 功放开关400V5.5A75W29/24nS1.0 IRF740 NMOS GDS 功放开关400V10A125W41/36nS0.55 IRF830 NMOS GDS 功放开关500V4.5A75W23/23nS1.5 IRF840 NMOS GDS 功放开关500V8A125W35/33nS0.85 IRF9530 PMOS GDS 功放开关100V12A75W140/140nS0.4 IRF9531 PMOS GDS 功放开关60V12A75W140/140S0.3 IRF9541 PMOS GDS 功放开关60V19A125W140/141nS0.2 IRF9610 PMOS GDS 功放开关200V1A20W25/15nS2.3IRFS9630 PMOS GDS 功放开关200V6.5A75W100/80nS0.8 IRFBC20 NMOS GDS 功放开关600V2.2A50W15/30nS4.4 IRFBC30 NMOS GDS 功放开关600V3.6A74W20/21nS2.2 IRFBC40 NMOS GDS 功放开关600V6.2A125W27/30nS1.2 IRFBE30 NMOS GDS 功放开关800V2.8A75W15/30nS3.5 IRFD120 NMOS 功放开关100V1.3A1W70/70nS0.3IRFD123 NMOS 功放开关80V1.1A1W70/70nS0.3IRFI730 NMOS GDS 功放开关400V4A32W1.0IRFI744 NMOS GDS 功放开关400V4A32W1.0IRFP054 NMOS GDS 功放开关60V65A180W0.022IRFP140 NMOS GDS 功放开关100V29150W0.85IRFP150 NMOS GDS 功放开关100V40A180W210/140nS0.55 IRFP240 NMOS GDS 功放开关200V19A150W0.18IRFP250 NMOS GDS 功放开关200V33A180W180/120nS0.08 IRFP340 NMOS GDS 功放开关400V10A150W0.55IRFP350 NMOS GDS 功放开关400V16A180W77/71nS0.3 IRFP353 NMOS GDS 功放开关350V14A180W77/71XnS0.4 IRFP360 NMOS GDS 功放开关400V23A250W140/99nS0.2 IRFP440 NMOS GDS 功放开关500V8.1A150W0.85IRFP450 NMOS GDS 功放开关500V14A180W66/60nS0.4 IRFP460 NMOS GDS 功放开关500V20A250W120/98nS0.27IRFP9150 PMOS GDS 功放开关100V25A150W160/70nS0.2 IRFP9240 PMOS GDS 功放开关200V12A150W68/57nS0.5 IRFPF40 NMOS GDS 功放开关900V4.7A150W2.5IRFPG42 NMOS GDS 功放开关1000V3.9A150W4.2IRFPZ44 NMOS GDS 功放开关1000V3.9A150W4.2 ******* IRFU020 NMOS GDS 功放开关50V15A42W83/39nS0.1IXGH20N60ANMOS GDS 600V20A150WIXGFH26N50NMOS GDS 500V26A300W0.3IXGH30N60ANMOS GDS 600V30A200WIXGH60N60ANMOS GDS 600V60A250WIXTP2P50 PMOS GDS 功放开关500V2A75W5.5 代J117J177 PMOS SDG 开关30V1.5mA0.35WM75N06 NMOS GDS 音频功放开关60V75A120WMTH8N100 NMOS GDS 功放开关1000V8A180W175/180nS1.8 MTH10N80 NMOS GDS 功放开关800V10A150WMTM30N50 NMOS 功放开关(铁)500V30A250WMTM55N10 NMOS GDS 功放开关(铁)100V55A250W350/400nS0.04MTP27N10 NMOS GDS 功放开关100V27A125W0.05MTP2955 PMOS GDS 功放开关60V12A75W75/50nS0.3MTP3055 NMOS GDS 功放开关60V12A75W75/50nS0.3MTP40N06 NMOS GDS 功放开关(双)60V40A150W/70nS0.3 MTW20N50 NMOS GDS 功放开关500V20A250W0.27RFP40N10 NMOS GDS 功放开关100V40A160W30/20nS0.04RFP50N02 NMOS GDS 功放开关50V20ARFP50N05 NMOS GDS 功放开关50V50A132W55/15nS0.022 RFP50N06 NMOS GDS 功放开关60V50A145W55/15nS0.022 RFP6N60 NMOS GDS 功放开关600V6A75W80/100nS1.50RFP60N06 NMOS GDS 功放开关60V60A120W50/15nS0.03 RFP70N06 NMOS GDS 功放开关60V70A150WSMP50N06 NMOS GDS 功放开关50V60A125W50nS0.026SMP60N06NMOSG功放开关60V60A125W50nS0.023RFP50N05 NMOS GDS 功放开关50V50A132W55/15nS0.022SMP50N06 NMOS GDS 功放开关50V60A125W50nS0.026SMP60N06 NMOS GDS 功放开关60V60A125W50nS0.02SMW11N20 NMOS GDS 功放开关200V11A150WSMW11P20 PMOS GDS 功放开关200V11A150W-------------SMW20N10 NMOS GDS 功放开关100V20A150WSMW20N10 PMOS GDS 功放开关100V20A150WSSH7N90 NMOS GDS 高速电源开关900V7A150WSSP6N60 NMOS GDS 高速电源开关600V6A150WSSP5N90 NMOS GDS 高速电源开关900V5A125WSSP7N80 NMOS GDS 高速电源开关800V7A75WSUP75N06 NMOS GDS 功放开关60V75A125W0.05W12NA50W NMOS GDS 功放开关50V12A150W300/600nS GT15Q101 NMOS GDS IGBT 1400V15A150WGT25J101 NMOS GDS IGBT 800V25A150WGT25Q101 NMOS GDS IGBT 1400V25A180WGT40T101 NMOS GDS IGBT 1500V40A300WGT60M103 NMOS GDS IGBT 900V60A300WGT60M301 NMOS GDS IGBT 900V60A300WIMBH60 NMOS GDS-100 IGBT 1000V60A300WIMBH60D NMOS GDS-100 IGBT 1000V60A300W(带阻) SDT3055 NMOS GDSTSD45N50V NMOS 场效应模块500V45A400WTN2460L35N120 1200V35A250WEXB841 IGBT驱动BUZ111S NMOS GDS 55V 80A-------------。
场效应管的管脚识别及放大能力估测上传者:dolphin浏览次数:139分享到:开心网人人网新浪微博EEPW微博/view/fba65321192e45361066f580.html?from=related &hasrec=1/s?wd=%B3%A1%D0%A7%D3%A6%BE%A7%CC%E5 %B9%DC%B5%C4%B9%DC%BD%C5%CD%BC&word=%B3%A1%D0%A7%D 3%A6%BE%A7%CC%E5%B9%DC%B5%C4%B9%DC%BD%C5%CD%BC&tn= 80006088_1_hao_pg/s?wd=%B3%A1%D0%A7%D3%A6%BE%A7%CC%E5%B9%DC%D2%F4%C9%AB&rsp=3&oq=%B3%A1%D0%A7%D3%A6%BE%A 7%CC%E5%B9%DC%B5%C4%B9%DC%BD%C5%CD%BC&f=1&tn=80006088 _1_hao_pg&rsv_ers=xn0场效应管的管脚识别及放大能力估测1、结型场效应管的管脚识别:场效应管的栅极相当于晶体管的基极,源极和漏极分别对应于晶体管的发射极和集电极。
将万用表置于R×1k档,用两表笔分别测量每两个管脚间的正、反向电阻。
当某两个管脚间的正、反向电阻相等,均为数KΩ时,则这两个管脚为漏极D和源极S(可互换),余下的一个管脚即为栅极G。
对于有4个管脚的结型场效应管,另外一极是屏蔽极(使用中接地)。
2、判定栅极用万用表黑表笔碰触管子的一个电极,红表笔分别碰触另外两个电极。
若两次测出的阻值都很小,说明均是正向电阻,该管属于N沟道场效应管,黑表笔接的也是栅极。
制造工艺决定了场效应管的源极和漏极是对称的,可以互换使用,并不影响电路的正常工作,所以不必加以区分。
源极与漏极间的电阻约为几千欧。
注意不能用此法判定绝缘栅型场效应管的栅极。
型号材料管脚用途参数 3DJ6NJ 低频放大 20V0.35MA0.1W 4405/R9524 2E3C NMOS GDS 开关 600V11A150W0.36 2SJ117 PMOS GDS 音频功放开关400V2A40W 2SJ118 PMOS GDS 高速功放开关 140V8A100W50/70nS0.5 2SJ122 PMOS GDS 高速功放开关 60V10A50W60/100nS0.15 2SJ136 PMOS GDS 高速功放开关 60V12A40W 70/165nS0.3 2SJ143 PMOS GDS 功放开关60V16A35W90/180nS0.035 2SJ172 PMOS GDS 激励 60V10A40W73/275nS0.182SJ175 PMOS GDS 激励 60V10A25W73/275nS0.18 2SJ177 PMOS GDS 激励60V20A35W140/580nS0.085 2SJ201 PMOS n 2SJ306 PMOS GDS 激励60V14A40W30/120nS0.12 2SJ312 PMOS GDS 激励 60V14A40W30/120nS0.122SK30 NJ SDG 低放音频 50V0.5mA0.1W0.5dB 2SK30A NJ SDG 低放低噪音频50V0.3-6.5mA0.1W0.5dB 2SK108 NJ SGD 音频激励开关 50V1-12mA0.3W70 1DB 2SK118 NJ SGD 音频话筒放大 50V0.01A0.1W0.5dB 2SK168 NJ GSD 高频放大30V0.01A0.2W100MHz1.7dB 2SK192 NJ DSG 高频低噪放大 18V12-24mA0.2W100MHz1.8dB 2SK193 NJ GSD 高频低噪放大 20V0.5-8mA0.25W100MHz3dB 2SK214 NMOS GSD 高频高速开关 160V0.5A30W 2SK241 NMOS DSG 高频放大 20V0.03A0.2W100MHz1.7dB 2SK304 NJ GSD 音频功放30V0.6-12mA0.15W 2SK385 NMOS GDS 高速开关 400V10A120W100/140nS0.62SK386 NMOS GDS 高速开关 450V10A120W100/140nS0.7 2SK413 NMOS GDS 高速功放开关 140V8A100W0.5 (2SJ118) 2SK423 NMOS SDG 高速开关100V0.5A0.9W4.5 2SK428 NMOS GDS 高速开关 60V10A50W45/65NS0.15 2SK447 NMOS SDG 高速低噪开关 250V15A150W0.24可驱电机 2SK511 NMOS SDG 高速功放开关 250V0.3A8W5.0 2SK534 NMOS GDS 高速开关 800V5A100W4.0 2SK539 NMOS GDS 开关 900V5A150W2.5 2SK560 NMOS GDS 高速开关500V15A100W0.4 2SK623 NMOS GDS 高速开关 250V20A120W0.15 2SK727 NMOS GDS 电源开关 900V5A125W110/420nS2.5 2SK734 NMOS GDS 电源开关450V15A150W160/250nS0.52 2SK785 NMOS GDS 电源开关500V20A150W105/240nS0.4 2SK787 NMOS GDS 高速开关900V8A150W95/240nS1.6 2SK790 NMOS GDS 高速功放开关 500V15A150W0.4 可驱电机 2SK791 NMOS GDS 电源功放开关 850V3A100W4.5 可驱电机 2SK794 NMOS GDS电源开关 900V5A150W2.5 可驱电机 2SK817 NMOS GDS 电源开关60V26A35W40/230nS0.055 2SK832 NMOS GDS 高速开关 900V4A85W55/100nS4.0 2SK899 NMOS GDS 功放开关 500V18A125W130/440nS0.33 2SK962 NMOS GDS 电源开关 900V8A150W280/460nS2.0 2SK940 NMOS SDG 激励.驱动60V0.8A0.9W0.55螺线管驱动 2SK1007 NMOS GDS 功放开关450V5A60W60/130nS1.6 2SK1010 NMOS GDS 高速开关 500V6A80W70/130nS1.6 2SK1011 NMOS GDS 高速开关 450V10A100W110/240nS0.65 2SK1012 NMOS GDS 高速开关 500V10A100W110/240nS0.9 2SK1015 NMOS GDS 功放开关450V18A125W170/230nS0.45 2SK1016 NMOS GDS 电源开关500V15A125W170/230nS0.55 2SK1017 NMOS GDS 电源开关500V20A150W250/490nS0.35 2SK1019 NMOS GDS 电源开关450V35A300W360/900nS0.2 2SK1020 NMOS GDS 电源开关500V30A300W360/900nS0.25 2SK1060 NMOS GDS 功放开关100V5A20W50/140nS0.27 2SK1081 NMOS GDS 激励,驱动 800V7A125W145/250nS2.2 2SK1082 NMOS GDS 激励,驱动 900V8A125W 145/250nS2.82SK1094 NMOS GDS 激励,驱动 60V15A25W80/300nS0.065 2SK1101 NMOS GDS 功放开关 450V10A50W165/360nS0.65 2SK1117 NMOS GDS 电源开关600V6A100W1.25 2SK1118 NMOS GDS 电源开关 600V6A45W65/105nSD1.252SK1119 NMOS GDS 电源开关 1000V4A100W3.8 2SK1120 NMOS GDS 电源开关1000V8A150W1.8 2SK1161 NMOS GDS 电源开关 450V10A100W75/135nS0.82SK1170 NMOS GDS 电源开关 500V20A120W147/290nS0.27 2SK1180 NMOS GDS 投影机用 500V10A85W60/40nS0.6 2SK1195 NMOS GDS 电梯用230V1.5A10W37/100nS 2SK1198 NMOS GDS 高速开关 700V2A35W20/80nS3.22SK1217 NMOS GDS 电源开关 90V8A100W280/460nS2.0 2SK1221 NMOS GDS 电源开关 250V10A80W60/150nS0.4 2SK1247 NMOS GDS 电源开关500V5A30W50/90nS1.4 2SK1250 NMOS GDS 开关-感性500V20A150W130/260nS0.35 2SK1254 NMOS GDS 低噪放大120V3A20W25/195nS0.4 2SK1271 NMOS GDS 功放开关1400V5A240W55/260nS4.0 2SK1272 NMOS GDS 高速开关60V1A0.75W50/500nS0.65 2SK1329 NMOS GDS 电源开关500V12A60W90/180nS0.6 2SK1358 NMOS GDS 电源开关900V9A150W65/120nS1.4 2SK1374 NMOS 贴片 50V50mA0.15W0.2US/0.2US502SK1379 NMOS GDS 激励, 开关 60V50A150W78/640nS0.0172SK1387 NMOS GDS 激励, 开关 60V35A40W66/500nS0.035 2SK1388 NMOS GDS 激励, 开关 30V35A60W125/480nS0.022 2SK1419 NMOS GDS 高速开关60V15A25W55/150nS0.08 2SK1445 NMOS GDS 高速开关 450V5A30W45/175nS1.4 2SK1459 NMOS GDS 高速开关 900V2.5A30W40/160nS6.0 2SK1460 NMOS GDS 高速开关 900V3.5A40W50/265nS3.6 2SK1463 NMOS GDS 高速开关900V4.5A60W50/265nS3.6 2SK1482 NMOS GDS 开关功放低噪30V1.5A0.75W65/660nS4.5 2SK1507 NMOS GDS 高速开关600V9A50W110/240nS1.0 2SK1535 NMOS GDS 通用 900V3A30W45/110nS5.02SK1537 NMOS GDS 通用 900V5A100W65/145nS3.0 2SK1540 NMOS GDS 变频开关功放 450V7A60W70/135nS0.8 2SK1544 NMOS GDS 变频开关功放500V25A200W240/590S0.2 2SK1547 NMOS GDS 开关 800V4A40W95/170nS4.52SK1567 NMOS GDS 电源开关 500V7A35W70/135nS0.9 2SK1611 NMOS GDS 电源开关 800V3A50W40/135nS4.0 2SK1681 NMOS GDS 电源开关500V30A300W180/320nS0.35 2SK1745 NMOS GDS 激励, 开关500V18A150W120/210nS0.36 2SK1794 NMOS GDS 电源激励开关900V6A100W50/105nS2.8 2SK1796 NMOS GDS 功放开关900V10A150W90/230nS1.2 2SK1850 NMOS GDS 开关电机驱动60V10A1.8W110/360nS0.07 2SK1916 NMOS GDS 开关电源用450V18A80W170/33nS0.45 2SK1937 NMOS GDS 开关UPS用500V15A125W100/230nS0.48 2SK1985 NMOS GDS 开关UPS用900V5A50W35/105nS2.8 2SK2039 NMOS GDS 电源开关 900V5A150W70/210nS2.5 2SK2040 NMOS GDS 电源开关 600V2A20W 11/45nS5 2SK2082 NMOS GDS 开关UPS用 900V9A150W 85/210nS1.40 2SK2101 NMOS GDS 电源开关 800V6A50W 50/130nS2.1 2SK2141 NMOS GDS 传动驱动 600V6A35W30/880nS1.1 2SK2147 NMOS GDS 开关UPS用 900V6A80W 145/250nS2.82SK2161 NMOS SDG 高速开关 200V9A25W 27/255nS0.45 2SK2189 NMOS GDS 高速开关 500V10A70W 70/400nS1.0 2SK2485 NMOS GDS 监视器用电源900V6A100W 30/85 nS 2.80 2SK2487 NMOS GDS 监视器用电源 900V8A140W50/153nS1.1 2SK2611 NMOS GDS 监视器用电源 900V9A150W 2SK2645 NMOS GDS 监视器用电源 500V15A125W 2SK4847 NMOS GDS 电源开关100V36125W0.08 3SK103 NMOS gGDS 高频放大 15V0.02A0.2W900MHz 3SK122 NMOS gGDS 高频放大 20V7-25mA0.2W200MHz1.2dB BS170 NMOS60V0.3A0.63W12/12nS5.0BUZ11A NMOS GDS 开关 50V25A75W60/110nS0.055 BUZ20 NMOS GDS 功放开关 100V12A75W75/80nS FS3KM NMOS GDS 高速开关 500V3A30W23/60nS4.4 FS5KM NMOS GDS 高速开关 900V3A53W50/190nS4. FS7KM NMOS GDS 高速开关 900V5A50W35/105nS2.8 FS10KM NMOS GDS 高速开关 FS12KM NMOS GDS 高速开关 250V12A35W53/120nS0.40 FS7SM-16 NMOS GDS 高速开关800V7A150W1.6 H120N60 NMOS GDS 开关 600V120A IRF130(铁)NMOS GDS 功放开关 100V14A79W75/45nS0.16 IRF230(铁)NMOS GDS 功放开关200V9A75W50/40nS0.4 IRF250(铁)NMOS GDS 功放开关 200V9A75W50/40nS0.4 IRF440(铁)NMOS GDS 功放开关 500V8A125W35/30nS0.85 IRF450(铁)NMOS GDS 功放开关 500V13A125W66/60nS0.4 IRF460(铁)NMOS GDS 功放开关500V13A125W66/60nS0.4 IRF530 NMOS GDS 功放开关 100V14A79W51/36nS0.18IRF540 NMOS GDS 功放开关 100V28A150W110/75nS0.077 IRF541 NMOS GDS 功放开关 80V28A150W110/75nS0.077 IRF610 NMOS GDS 功放开关200V3.3A43W26/13nS1.5 IRF630 NMOS GDS 功放开关 200V9A75W50/40nS0.4 IRF640 NMOS GDS 功放开关 200V18A125W77/54nS0.18 IRF720 NMOS GDS 功放开关 400V3.3A50W21/20nS1.8 IRF730 NMOS GDS 功放开关400V5.5A75W29/24nS1.0 IRF740 NMOS GDS 功放开关400V10A125W41/36nS0.55 IRF830 NMOS GDS 功放开关500V4.5A75W23/23nS1.5 IRF840 NMOS GDS 功放开关 500V8A125W35/33nS0.85 IRF9530 PMOS GDS 功放开关 100V12A75W140/140nS0.4 IRF9531 PMOS GDS 功放开关 60V12A75W140/140S0.3 IRF9541 PMOS GDS 功放开关60V19A125W140/141nS0.2 IRF9610 PMOS GDS 功放开关 200V1A20W25/15nS2.3 IRF9630 PMOS GDS 功放开关 200V6.5A75W100/80nS0.8 IRFS9630 PMOS GDS 功放开关 200V6.5A75W100/80nS0.8 IRFBC20 NMOS GDS 功放开关600V2.2A50W15/30nS4.4 IRFBC30 NMOS GDS 功放开关600V3.6A74W20/21nS2.2 IRFBC40 NMOS GDS 功放开关600V6.2A125W27/30nS1.2 IRFBE30 NMOS GDS 功放开关800V2.8A75W15/30nS3.5 IRFD120 NMOS 功放开关 100V1.3A1W70/70nS0.3 IRFD123 NMOS 功放开关 80V1.1A1W70/70nS0.3 IRFI730 NMOS GDS 功放开关400V4A32W1.0 IRFI744 NMOS GDS 功放开关 400V4A32W1.0 IRFP054 NMOS GDS 功放开关 60V65A180W0.022 IRFP140 NMOS GDS 功放开关 100V29150W0.85 IRFP150 NMOS GDS 功放开关100V40A180W210/140nS0.55 IRFP240 NMOS GDS 功放开关 200V19A150W0.18 IRFP250 NMOS GDS 功放开关 200V33A180W180/120nS0.08 IRFP340 NMOS GDS 功放开关 400V10A150W0.55 IRFP350 NMOS GDS 功放开关400V16A180W77/71nS0.3 IRFP353 NMOS GDS 功放开关350V14A180W77/71XnS0.4 IRFP360 NMOS GDS 功放开关400V23A250W140/99nS0.2 IRFP440 NMOS GDS 功放开关 500V8.1A150W0.85 IRFP450 NMOS GDS 功放开关 500V14A180W66/60nS0.4 IRFP460 NMOS GDS 功放开关 500V20A250W120/98nS0.27 IRFP9140 PMOS GDS 功放开关100V19A150W100/70nS0.2 IRFP9150 PMOS GDS 功放开关100V25A150W160/70nS0.2 IRFP9240 PMOS GDS 功放开关200V12A150W68/57nS0.5 IRFPF40 NMOS GDS 功放开关 900V4.7A150W2.5 IRFPG42 NMOS GDS 功放开关 1000V3.9A150W4.2 IRFPZ44 NMOS GDS 功放开关 1000V3.9A150W4.2 ******* IRFU020 NMOS GDS 功放开关50V15A42W83/39nS0.1 IXGH20N60ANMOS GDS 600V20A150WIXGFH26N50NMOS GDS 500V26A300W0.3 IXGH30N60ANMOS GDS600V30A200W IXGH60N60ANMOS GDS 600V60A250W IXTP2P50 PMOS GDS 功放开关 500V2A75W5.5 代J117 J177 PMOS SDG 开关 30V1.5mA0.35W M75N06 NMOS GDS 音频功放开关 60V75A120W MTH8N100 NMOS GDS 功放开关1000V8A180W175/180nS1.8 MTH10N80 NMOS GDS 功放开关 800V10A150W MTM30N50 NMOS 功放开关 (铁)500V30A250W MTM55N10 NMOS GDS 功放开关 (铁)100V55A250W350/400nS0.04 MTP27N10 NMOS GDS 功放开关100V27A125W0.05 MTP2955 PMOS GDS 功放开关 60V12A75W75/50nS0.3MTP3055 NMOS GDS 功放开关 60V12A75W75/50nS0.3 MTP40N06 NMOS GDS 功放开关 (双)60V40A150W/70nS0.3 MTW20N50 NMOS GDS 功放开关500V20A250W0.27 RFP40N10 NMOS GDS 功放开关 100V40A160W30/20nS0.04 RFP50N05 NMOS GDS 功放开关 50V50A132W55/15nS0.022 RFP50N06 NMOS GDS 功放开关 60V50A145W55/15nS0.022 RFP6N60 NMOS GDS 功放开关600V6A75W80/100nS1.50 RFP60N06 NMOS GDS 功放开关60V60A120W50/15nS0.03 RFP70N06 NMOS GDS 功放开关 60V70A150WSMP50N06 NMOS GDS 功放开关 50V60A125W50nS0.026 SMP60N06 NMOS GDS 功放开关 60V60A125W50nS0.023 SMW11N20 NMOS GDS 功放开关 200V11A150W SMW11P20 PMOS GDS 功放开关 200V11A150W SMW20N10 NMOS GDS 功放开关100V20A150W SMW20N10 PMOS GDS 功放开关 100V20A150W SSH7N90 NMOS GDS 高速电源开关 900V7A150W SSP6N60 NMOS GDS 高速电源开关600V6A150W SSP5N90 NMOS GDS 高速电源开关 900V5A125W SSP7N80 NMOS GDS 高速电源开关 800V7A75W SUP75N06 NMOS GDS 功放开关60V75A125W0.05 W12NA50W NMOS GDS 功放开关 50V12A150W300/600nSGT15Q101 NMOS GDS IGBT 1400V15A150W GT25J101 NMOS GDS IGBT800V25A150W GT25Q101 NMOS GDS IGBT 1400V25A180W GT40T101 NMOS GDS IGBT 1500V40A300W GT60M103 NMOS GDS IGBT 900V60A300WGT60M301 NMOS GDS IGBT 900V60A300W IMBH60 NMOS GDS-100 IGBT 1000V60A300W IMBH60D NMOS GDS-100 IGBT 1000V60A300W(带阻) SDT3055 NMOS GDS TSD45N50V NMOS 场效应模块 500V45A400W TN2460L 35N120 1200V35A250W EXB841 IGBT驱动。
常用场效应管型号参数管脚识别及检测表公司内部编号:(GOOD-TMMT-MMUT-UUPTY-UUYY-DTTI-常用场效应管型号参数管脚识别及检测表场效应管管脚识别场效应管的检测和使用场效应管的检测和使用一、用指针式万用表对场效应管进行判别(1)用测电阻法判别结型场效应管的电极根据场效应管的PN结正、反向电阻值不一样的现象,可以判别出结型场效应管的三个电极。
具体方法:将万用表拨在R×1k档上,任选两个电极,分别测出其正、反向电阻值。
当某两个电极的正、反向电阻值相等,且为几千欧姆时,则该两个电极分别是漏极D和源极S。
因为对结型场效应管而言,漏极和源极可互换,剩下的电极肯定是栅极G。
也可以将万用表的黑表笔(红表笔也行)任意接触一个电极,另一只表笔依次去接触其余的两个电极,测其电阻值。
当出现两次测得的电阻值近似相等时,则黑表笔所接触的电极为栅极,其余两电极分别为漏极和源极。
若两次测出的电阻值均很大,说明是PN结的反向,即都是反向电阻,可以判定是N沟道场效应管,且黑表笔接的是栅极;若两次测出的电阻值均很小,说明是正向PN结,即是正向电阻,判定为P沟道场效应管,黑表笔接的也是栅极。
若不出现上述情况,可以调换黑、红表笔按上述方法进行测试,直到判别出栅极为止。
(2)用测电阻法判别场效应管的好坏测电阻法是用万用表测量场效应管的源极与漏极、栅极与源极、栅极与漏极、栅极G1与栅极G2之间的电阻值同场效应管手册标明的电阻值是否相符去判别管的好坏。
具体方法:首先将万用表置于R×10或R×100档,测量源极S与漏极D之间的电阻,通常在几十欧到几千欧范围(在手册中可知,各种不同型号的管,其电阻值是各不相同的),如果测得阻值大于正常值,可能是由于内部接触不良;如果测得阻值是无穷大,可能是内部断极。
然后把万用表置于R×10k档,再测栅极G1与G2之间、栅极与源极、栅极与漏极之间的电阻值,当测得其各项电阻值均为无穷大,则说明管是正常的;若测得上述各阻值太小或为通路,则说明管是坏的。
要注意,若两个栅极在管内断极,可用元件代换法进行检测。
(3)用感应信号输人法估测场效应管的放大能力具体方法:用万用表电阻的R×100档,红表笔接源极S,黑表笔接漏极D,给场效应管加上V的电源电压,此时表针指示出的漏源极间的电阻值。
然后用手捏住结型场效应管的栅极G,将人体的感应电压信号加到栅极上。
这样,由于管的放大作用,漏源电压VDS和漏极电流Ib都要发生变化,也就是漏源极间电阻发生了变化,由此可以观察到表针有较大幅度的摆动。
如果手捏栅极表针摆动较小,说明管的放大能力较差;表针摆动较大,表明管的放大能力大;若表针不动,说明管是坏的。
根据上述方法,我们用万用表的R×100档,测结型场效应管3DJ2F。
先将管的G极开路,测得漏源电阻RDS为600Ω,用手捏住G极后,表针向左摆动,指示的电阻RDS为12kΩ,表针摆动的幅度较大,说明该管是好的,并有较大的放大能力。
运用这种方法时要说明几点:首先,在测试场效应管用手捏住栅极时,万用表针可能向右摆动(电阻值减小),也可能向左摆动(电阻值增加)。
这是由于人体感应的交流电压较高,而不同的场效应管用电阻档测量时的工作点可能不同(或者工作在饱和区或者在不饱和区)所致,试验表明,多数管的RDS增大,即表针向左摆动;少数管的RDS减小,使表针向右摆动。
但无论表针摆动方向如何,只要表针摆动幅度较大,就说明管有较大的放大能力。
第二,此方法对MOS场效应管也适用。
但要注意,MOS场效应管的输人电阻高,栅极G允许的感应电压不应过高,所以不要直接用手去捏栅极,必须用于握螺丝刀的绝缘柄,用金属杆去碰触栅极,以防止人体感应电荷直接加到栅极,引起栅极击穿。
第三,每次测量完毕,应当G-S极间短路一下。
这是因为G-S结电容上会充有少量电荷,建立起VGS电压,造成再进行测量时表针可能不动,只有将G-S极间电荷短路放掉才行。
(4)用测电阻法判别无标志的场效应管首先用测量电阻的方法找出两个有电阻值的管脚,也就是源极S和漏极D,余下两个脚为第一栅极G1和第二栅极G2。
把先用两表笔测的源极S与漏极D之间的电阻值记下来,对调表笔再测量一次,把其测得电阻值记下来,两次测得阻值较大的一次,黑表笔所接的电极为漏极D;红表笔所接的为源极S。
用这种方法判别出来的S、D极,还可以用估测其管的放大能力的方法进行验证,即放大能力大的黑表笔所接的是D极;红表笔所接地是8极,两种方法检测结果均应一样。
当确定了漏极D、源极S的位置后,按D、S的对应位置装人电路,一般G1、G2也会依次对准位置,这就确定了两个栅极G1、G2的位置,从而就确定了D、S、G1、G2管脚的顺序。
(5)用测反向电阻值的变化判断跨导的大小对VMOSN沟道增强型场效应管测量跨导性能时,可用红表笔接源极S、黑表笔接漏极D,这就相当于在源、漏极之间加了一个反向电压。
此时栅极是开路的,管的反向电阻值是很不稳定的。
将万用表的欧姆档选在R×10kΩ的高阻档,此时表内电压较高。
当用手接触栅极G时,会发现管的反向电阻值有明显地变化,其变化越大,说明管的跨导值越高;如果被测管的跨导很小,用此法测时,反向阻值变化不大。
二、.场效应管的使用注意事项(1)为了安全使用场效应管,在线路的设计中不能超过管的耗散功率,最大漏源电压、最大栅源电压和最大电流等参数的极限值。
(2)各类型场效应管在使用时,都要严格按要求的偏置接人电路中,要遵守场效应管偏置的极性。
如结型场效应管栅源漏之间是PN结,N沟道管栅极不能加正偏压;P沟道管栅极不能加负偏压,等等。
(3)MOS场效应管由于输人阻抗极高,所以在运输、贮藏中必须将引出脚短路,要用金属屏蔽包装,以防止外来感应电势将栅极击穿。
尤其要注意,不能将MOS 场效应管放人塑料盒子内,保存时最好放在金属盒内,同时也要注意管的防潮。
(4)为了防止场效应管栅极感应击穿,要求一切测试仪器、工作台、电烙铁、线路本身都必须有良好的接地;管脚在焊接时,先焊源极;在连入电路之前,管的全部引线端保持互相短接状态,焊接完后才把短接材料去掉;从元器件架上取下管时,应以适当的方式确保人体接地如采用接地环等;当然,如果能采用先进的气热型电烙铁,焊接场效应管是比较方便的,并且确保安全;在未关断电源时,绝对不可以把管插人电路或从电路中拔出。
以上安全措施在使用场效应管时必须注意。
(5)在安装场效应管时,注意安装的位置要尽量避免靠近发热元件;为了防管件振动,有必要将管壳体紧固起来;管脚引线在弯曲时,应当大于根部尺寸5毫米处进行,以防止弯断管脚和引起漏气等。
对于功率型场效应管,要有良好的散热条件。
因为功率型场效应管在高负荷条件下运用,必须设计足够的散热器,确保壳体温度不超过额定值,使器件长期稳定可靠地工作。
总之,确保场效应管安全使用,要注意的事项是多种多样,采取的安全措施也是各种各样,广大的专业技术人员,特别是广大的电子爱好者,都要根据自己的实际情况出发,采取切实可行的办法,安全有效地用好场效应管。
常用场效应管型号参数表型号参数IRF530NMOS100V14A79WIRFP9530PMOS100V12A75WIRF540100V28A150W IRFP9540 PMOS60V18A100WIRF630 NMOS200V9A75W IRFP9630 PMOS200V75WIRF640 NMOS200V125W IRF720 NMOS 400V50W IRF730 NMOS 400V75W IRF740 NMOS 400V 10A 125W IRF830 NMOS 500V75WIRF840NMOS500V8A125W场效应管分类型号耐压电流封装DISCRETE MOS FET 2N7000 60V, TO-92 DISCRETEMOS FET 2N7002 60V, SOT-23 DISCRETEMOS FET IRF510A 100V, TO-220 DISCRETEMOS FET IRF520A 100V, TO-220 DISCRETEMOS FET IRF530A 100V,14A TO-220 DISCRETEMOS FET IRF540A 100V,28A TO-220 DISCRETEMOS FET IRF610A 200V, TO-220 DISCRETEMOS FET IRF620A 200V,5A TO-220 DISCRETEMOS FET IRF630A 200V,9A TO-220 DISCRETEMOS FET IRF634A 250V, TO-220 DISCRETEMOS FET IRF640A 200V,18A TO-220 DISCRETEMOS FET IRF644A 250V,14A TO-220 DISCRETEMOS FET IRF650A 200V,28A TO-220 DISCRETEMOS FET IRF654A 250V,21A TO-220 DISCRETEMOS FET IRF720A 400V, TO-220 DISCRETEMOS FET IRF730A 400V, TO-220 DISCRETEMOS FET IRF740A 400V,10A TO-220 DISCRETEMOS FET IRF750A 400V,15A TO-220 DISCRETEMOS FET IRF820A 500V, TO-220 DISCRETEDISCRETEMOS FET IRF840A 500V,8A TO-220 DISCRETEMOS FET IRF9520 TO-220 DISCRETEMOS FET IRF9540 TO-220 DISCRETEMOS FET IRF9610 TO-220 DISCRETEMOS FET IRF9620 TO-220 DISCRETEMOS FET IRFP150A 100V,43A TO-3P DISCRETEMOS FET IRFP250A 200V,32A TO-3P DISCRETEMOS FET IRFP450A 500V,14A TO-3P DISCRETEMOS FET IRFR024A 60V,15A D-PAK DISCRETEMOS FET IRFR120A 100V, D-PAK DISCRETEDISCRETEMOS FET IRFR220A 200V, D-PAK DISCRETEMOS FET IRFR224A 250V, D-PAK DISCRETEMOS FET IRFR310A 400V, D-PAK DISCRETEMOS FET IRFR9020TF D-PAK DISCRETEMOS FET IRFS540A 100V,17A TO-220F DISCRETEMOS FET IRFS630A 200V, TO-220F DISCRETEMOS FET IRFS634A 250V, TO-220F DISCRETEMOS FET IRFS640A 200V, TO-220F DISCRETEMOS FET IRFS644A 250V, TO-220F DISCRETEMOS FET IRFS730A 400V, TO-220F DISCRETEDISCRETEMOS FET IRFS830A 500V, TO-220F DISCRETEMOS FET IRFS840A 500V, TO-220F DISCRETEMOS FET IRFS9Z34 -60V,12A TO-220F DISCRETEMOS FET IRFSZ24A 60V,14A TO-220F DISCRETEMOS FET IRFSZ34A 60V,20A TO-220F DISCRETEMOS FET IRFU110A 100V, I-PAK DISCRETEMOS FET IRFU120A 100V, I-PAK DISCRETEMOS FET IRFU220A 200V, I-PAK DISCRETEMOS FET IRFU230A 200V, I-PAK DISCRETEMOS FET IRFU410A 500V I-PAK DISCRETEMOS FET IRFU420A 500V, I-PAK DISCRETEMOS FET IRFZ20A TO-220 DISCRETEMOS FET IRFZ24A 60V,17A TO-220 DISCRETEMOS FET IRFZ30 TO-220 DISCRETEMOS FET IRFZ34A 60V,30A TO-220 DISCRETEMOS FET IRFZ40 TO-220 DISCRETEMOS FET IRFZ44A 60V,50A TO-220 DISCRETEMOS FET IRLS530A 100V,,Logic TO-220F DISCRETEMOS FET IRLSZ14A 60V,8A,Logic TO-220F DISCRETEMOS FET IRLZ24A 60V,17A,Logic TO-220 DISCRETEMOS FET IRLZ44A 60V,50A,Logic TO-220 DISCRETEMOS FET SFP36N03 30V,36A TO-220 DISCRETEMOS FET SFP65N06 60V,65A TO-220 DISCRETEMOS FET SFP9540 -100V,17A TO-220 DISCRETEMOS FET SFP9634 -250V,5A TO-220 DISCRETEMOS FET SFP9644 -250V, TO-220 DISCRETEMOS FET SFP9Z34 -60V,18A TO-220 DISCRETEMOS FET SFR9214 -250V, D-PAK DISCRETEMOS FET SFR9224 -250V, D-PAK DISCRETEMOS FET SFR9310 -400V, D-PAK DISCRETEMOS FET SFS9630 -200V, TO-220F DISCRETEMOS FET SFS9634 -250V, TO-220F DISCRETEMOS FET SFU9220 -200V, I-PAK DISCRETEMOS FET SSD2002 25V N/P Dual 8SOP DISCRETEMOS FET SSD2019 20V P-ch Dual 8SOP DISCRETEMOS FET SSD2101 30V N-ch Single 8SOP DISCRETEMOS FET SSH10N80A 800V,10A TO-3P DISCRETEMOS FET SSH10N90A 900V,10A TO-3P DISCRETEMOS FET SSH5N90A 900V,5A TO-3P DISCRETEMOS FET SSH60N10 TO-3P DISCRETEMOS FET SSH6N80A 800V,6A TO-3P DISCRETEMOS FET SSH70N10A 100V,70A TO-3P DISCRETEMOS FET SSH7N90A 900V,7A TO-3P DISCRETEDISCRETEMOS FET SSP10N60A 600V,9A TO-220 DISCRETEMOS FET SSP1N60A 600V,1A TO-220 DISCRETEMOS FET SSP2N90A 900V,2A TO-220 DISCRETEMOS FET SSP35N03 30V,35A TO-220 DISCRETEMOS FET SSP3N90A 900V,3A TO-220 DISCRETEMOS FET SSP4N60A 600V,4A TO-220 DISCRETEMOS FET SSP4N60AS 600V,4A TO-220 DISCRETEMOS FET SSP4N90AS 900V, TO-220 DISCRETEMOS FET SSP5N90A 900V,5A TO-220 DISCRETEMOS FET SSP60N06 60V,60A TO-220 DISCRETEDISCRETEMOS FET SSP70N10A 100V,55A TO-220 DISCRETEMOS FET SSP7N60A 600V,7A TO-220 DISCRETEMOS FET SSP7N80A 800V,7A TO-220 DISCRETEMOS FET SSP80N06A 60V,80A TO-220 DISCRETEMOS FET SSR1N60A 600V, D-PAK DISCRETEMOS FET SSR2N60A 600V, D-PAK DISCRETEMOS FET SSR3055A 60V,8A D-PAK DISCRETEMOS FET SSS10N60A 600V, TO-220F DISCRETEMOS FET SSS2N60A 600V, TO-220F DISCRETEMOS FET SSS3N80A 800V,2A TO-220F DISCRETEDISCRETEMOS FET SSS4N60A 600V, TO-220(F/P) DISCRETEMOS FET SSS4N60AS 600V, TO-220(F/P) DISCRETEMOS FET SSS4N60AS 600V, TO-220F DISCRETEMOS FET SSS4N90AS 900V, TO-220F DISCRETEMOS FET SSS5N80A 800V,3A TO-220F DISCRETEMOS FET SSS6N60A 600V, TO-220(F/P)。