传输设备查勘手册培训资料全
- 格式:doc
- 大小:9.99 MB
- 文档页数:47
目录一、前言 (1)二、传输专业简介 (1)三、勘察前准备工作 (2)3.1资料准备 (2)3.2仪表及工具准备 (2)四、在局方做勘察准备工作 (3)五、现场实地勘察 (3)六、勘察后总结汇报 (4)七、传输专业设计相关知识 (4)7.1SDH的等级与速率 (4)7.2机房平面布置与设备排列 (5)7.3SDH传输设计主要包含的内容 (5)7.4传输设计中常见传输设备介绍 (6)7.5传输设计中常见配套设备介绍 (6)7.6传输设计中常见配套缆线介绍 (8)7.7开关电源及蓄电池容量计算 (11)7.8接地系统 (11)八、传输专业施工图常用图纸目录 (12)一、前言本文件适用于传输专业勘察工作,按照勘察前准备工作、现场勘察准备工作、现场实地勘察及勘察后总结汇报四个阶段进行描述。
目的是指导勘察人员现场勘察圆满完成。
传输专业勘察手册包含下面几方面内容:1、传输专业勘察要点及机房勘察用表。
2、配套资料:(1)传输设计基础知识:SDH预备知识、SDH原理、SDH设计基础。
(2)配套设备表。
(3)开关电源、蓄电池及电源线线径计算表。
3、烽火公司传输设备技术手册:10G设备:FonsWeaver780、FonsWeaver 780A、FonsWeaver 780B、GF9953-01C;2.5G设备:GF2488-01B(标准型)、GF2488-01D(集成型,IBAS 180);622M/155M设备:GF622-06A(标准型)、GF155-03B/C(集成型);155M设备:IBAS 110A、IBAS 110B;网管资料:OTNM2000网管系统、PDH、协议转换器、光纤收发器网管详细实施方案。
4、华为公司传输设备技术手册:波分:OptiX 1600G、OptiX OSN6800、OptiX Metro 6100;10G设备:OptiX 10G、OptiX OSN 9500、OptiX OSN7500、OptiX OSN3500;2.5G设备:OptiX2500+(Metro 3000);OptiX3100;622M/155M设备:155/ 622H(Metro 1000);155M设备:Metro 500、Metro 100;网管资料:iManager网管。
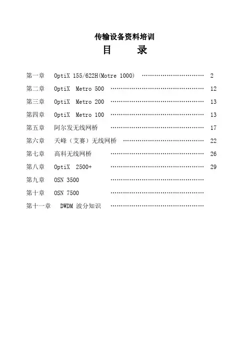
传输设备资料培训目录第一章 OptiX 155/622H(Motre 1000) (2)第二章 OptiX Metro 500 (12)第三章 OptiX Metro 200 (13)第四章 OptiX Metro 100 (13)第五章阿尔发无线网桥 (17)第六章天峰(艾赛)无线网桥 (22)第七章高科无线网桥 (26)第八章 OptiX 2500+ (29)第九章 OSN 3500 ………………………………………第十章 OSN 7500 ………………………………………第十一章 DWDM 波分知识………………………………………第一章OptiX 155/622H(Motre 1000)第一节总体结构OptiX 155/622H采纳盒式集成设计,由机盒、风扇板、电源滤波板、插板区和防尘网构成,满足IEC297 19英寸2U标准插箱设计规范。
机盒外形尺寸为:436mm(宽)×293mm(深)×86mm(高),如图1-1所示。
1. 设备机盒2. 风扇板3. 插板区4. 电源滤波板5. 防尘网图1-1 OptiX 155/622H设备背面外观图从设备背面看,风扇板位于设备的左侧。
OptiX 155/622H设备是通过风扇板上的3个使用-48V或+24V电源的风扇为设备提供通风、散热功能的。
插板区除了必须插入必配的SCB板外,还能够依照用户需求插入不同的业务接口板,除了SCB板以外的其它单板均支持热插拔。
电源滤波板要紧完成对设备电源输入的EMC滤波功能和对设备的防雷击爱护功能。
防尘网减少了设备内器件与灰尘的接触。
第二节正面板说明OptiX 155/622H设备的正面板如图1-2所示。
OptiX 155/622H正面板示意图图1-2左侧有一个红色的“ALMCUT”开关键,当设备有一样或严峻等级以上的故障显现时,将有声光告警产生,现在将告警切除开关由“ALM_ON”按到“ALMCUT”的位置将切除告警声。
传输专业勘察设计安全技术手册江苏省邮电规划设计院有限公司一、通信线路工程勘察设计安全手册1.1勘察阶段通信线路遍布全市大街小巷,环境十分复杂,街道上车水马龙,给线路施工和维护作业带来很多困难,安全作业十分重要。
为了贯彻安全生产方针,提高劳动生产率和工作效率,保证安全生产,防止通信线路工作人员在生产过程中发生伤亡事故,以免给国家和个人造成不必要的损失。
为此凡从事通信线路施工、维护和器材储运等的工作人员和有关领导干部及管理人员均必须充分熟悉和掌握通信通信线路安全技术操作规程及相关的安全作业知识。
1.1.1工作场地安全在下列地点工作,必须设立信号标志。
白天用红旗以便引起行人和各种车辆的注意。
必要时应设围栏,并请交通民警协助,以保证安全。
在工作进行时,应制止一切非工作人员,尤其是儿童,走近工作地区。
(1)街道拐角处或公路转弯处。
(2)在街道上有碍行人或车辆处。
(3)在跨越马路架线需要车辆暂时停止时。
(4)已经揭开盖的人孔。
1.1.2车辆行驶安全(1)驾驶机动车和非机动车,都要严格遵守交通规则。
(2)汽车接送勘察人员时,不得过于拥挤;乘车人员不得站立,禁止做在车头和槽帮上,车辆行驶时,切勿伸头露臂于车厢之外。
要注意沿途的电线、树枝及其他障碍物,防止碰伤。
禁止在车内吸烟和打闹。
汽车停稳后,方可上下车。
1.1.3工具和仪表的使用安全(1)工作时必须选择合适的勘察工具,正确使用,不得任意代替。
各种勘察工具应定期检查。
(2)使用仪表的人员必须熟悉仪表的正确使用方法,并按规定进行操作。
(3)仪表使用前,必须弄清楚需要的工作电源的电压,并按要求接引电源。
(4)交直流电源两用的仪表,在插入电源塞绳和接引电源时,要严防交直流电源接错,烧坏仪表。
(5)使用仪表的现场必须保持清洁干燥,防止日晒雨淋、火烤等,使用中要注意轻拿轻放,防止敲击和碰撞。
(6)仪表转移或运输时,备件要齐全,包装要牢固,要有三防标志,严禁与工具、铁件混装。
以下培训的目的是能够对传输设备及相关的辅助设备进行硬件操作。
1:认清不同厂家传输设备的槽位分布、常见单板的名称及作用为包管传输设备正常工作,电压值要求在-39V~-63V范围内。
华为设备〔SBS系列〕槽位图如下SBS 2500:从机柜正面看SBS 155H:从设备背面看中兴设备〔ZXSM系列〕:ZXSM 155H:从设备正面看华为SBS 2500:L16:STM-16光信号接口板。
实现STM-16信号的光电互换。
主要告警为R-LOS光信号丧掉。
ASP:办理信号处置板。
完成STM-16信号段开销和高阶通道开销的提取和插入,实现STM-16的AU 指针调整,提供与L16的数据接口。
X16:高阶交叉板。
提供高阶交叉功能;执行复用段庇护倒换动作。
TXC:低阶交叉板。
提供低阶交叉功能。
GTC:通用交叉板。
提供交叉功能;执行复用段庇护倒换动作;执行支路板庇护倒换动作。
STG:时钟板。
完成SDH网的同步;按时基准源自动倒换;时钟板主备倒换。
SCC:系统控制通信板。
与本网元的各单板通信,完成单板配置、性能、告警采集,倒换控制;通过DCC与各网元通信,实现整个网络办理。
OHP:开销板。
提供公务。
SL1:STM-1光接口板。
完成光电互换;段开销的提取和插入;支路净负荷处置;指针处置及复用段庇护倒换。
PL3:3路45M支路板。
PD1:63路2 M支路板。
BA2:光放大板。
提高光发射功率,增加光传输距离。
华为SBS 155H:SCB:交叉、时钟、控制板。
功能同2500的X16、TXC、STG、SCC板。
OI2D:2路STM-1光接口板。
功能同2500设备的SL1板。
PT3D:1路45M支路板。
PD2S:16路2 M支路板。
中兴ZXSM 2500OI16:2.5G光信号接口板。
实现STM-16信号的光电互换。
主要告警为R-LOS光信号丧掉。
LP16:2.5G线路处置板。
8路AU-4高阶通道开销处置;段开销提取和插入;APS庇护倒换。
传输设备勘察作业指导书勘察作业指导书现场采集资料/数据通常也叫做现场勘察。
现场勘察是设计⼯作的⼀个⼗分重要的环节,所获取的数据是否全⾯、详细和准确,对规划/设计的⽅案⽐选、设计的深度、设计的质量起到了⾄关重要的作⽤。
因此,我们通常对勘察⼯作都必须做出详细的策划。
4.1勘察作业流程传输系统⼯程项⽬的勘察⼯作通常分为4个阶段,分别为勘察前的准备⼯作、勘察过程、勘察结果汇报和勘察后的资料整理阶段。
4.1.1勘察前的准备⼯作勘察前的准备包括了解⼯程规模、制订勘察计划、准备必要的勘察⼯具和证件。
其中,了解⼯程规模主要是熟悉⼯程总体情况,掌握必要的基础资料,例如可选光缆路由⽅案、通路组织、选⽤设备、局站设置等;制订勘察计划需要主动联系项⽬建设相关的局/站所在地的建设单位的⼯程主管⼈员落实⾏程,同时发送传真件及确认传真的接收。
传真件中应该将本项⽬概要性的内容告知建设单位,同时传真件中要明确提出本次项⽬需要建设单位提前准备的资料和配合事项。
为确保现场采集的数据资料准确性,勘察时必须携带必要的勘察测量的仪表、机具。
传输设备专业勘察⼀般应配备表4-l所列的仪表或机具,设计⼈员可以根据具体勘察的内容选择携带。
特别需要注意的是,出发之前⼀定要进⾏⾃校或测试检验所携带的仪表是否能够正常⼯作,测试⽤的测试绳/跳纤、电源插线板等配件是否齐全良好。
此外还应准备必要的勘察材料和证件。
传输设备单项⼯程的勘察材料包括勘察表、机房平⾯图、⽩纸、铅笔、橡⽪擦、滴性⾊笔、标签等,证件包括⾝份证、边防证(注意边防证的有效期限)、⼯卡(⼯作证)、名⽚和设计合同/委托书/任务书等,最好能带上个⼈的⼀⼨照⽚以便办理机房出⼊证。
4.1.2勘察过程勘察过程包括4个主要⼯作,即资源的收集和调研、具体勘察、现场做标记和向建设单位汇报确认。
资源的收集和调研需要设计⼈员提出必要的需求表,提交资源管理部门审核确认是否还有可⽤资源,按资源管理部门所分配的资源来确定本项⽬具体使⽤资源情况并进⾏下⼀步勘察⼯作。
. .前言查勘是一项实用性很强的工作,每一项查勘都在特定时间、特定地点、特定环境下进行,因此没有完全一样的查勘,只有类似的查勘。
查勘时需要细心的观察和丰富的经验,需要应对各种可能发生的特殊情况,并当场确定解决方案或临时过渡方案。
本手册是传输设备查勘手册(一般汇聚点和基站部分),手册除了介绍查勘方法和要点之外,还收集了一些查勘时可能会遇到的问题及解决方案的案例,希望对设计人员的查勘,以及提高工程质量和工作效率都起到一定帮助作用。
另外,本手册还针对新设计人员、合作单位员工,对基站查勘进行了规和标准化,规定每个环节必须达到的要求,实现查勘标准化,查勘流程可控制,查勘结果可检查。
希望通过传输设备查勘手册的推广使用,使集体的经验得到归纳总结和提炼,并不断在实践中丰富完善,成为帮助查勘人员掌握如何查勘、查勘什么、怎么查勘才符合标准和要求的助手。
目录1查勘概述11.1查勘流程11.1.1 查勘前的准备工作11.1.2 现场查勘工作21.1.3 汇报总结工作31.2查勘注意事项41.3查勘工具41.4查勘照片拍摄要求42平面空间查勘62.1平面布局62.1.1 平面布局包含容62.1.2 平面查勘注意事项7 2.1.3 疑难解答72.2走线架和槽道92.2.1 走线架/槽道简介92.2.2 走线槽道设计选择10 2.2.3 走线槽道与路由勘察11 2.2.4 下走线路由勘察113主设备查勘133.1主设备简介133.2主设备查勘要求153.3疑难解答164配套设备查勘204.1电源204.1.1 电源简介204.1.2 电源查勘要求244.1.3 疑难解答254.2ODF284.2.1 ODF简介284.2.2 ODF查勘要求314.2.3 疑难解答324.3DDF334.3.1 DDF简介334.3.2 DDF查勘要求364.3.3 疑难解答364.4综合机柜374.4.1 综合机柜简介374.4.2 综合机柜查勘要求38 4.4.3 疑难解答405基站查勘记录的标准化44 5.1基站查勘要求表445.2基站查勘记录单441查勘概述查勘在字典里的解释是到现场调查察看。
在我们日常工作中,“查勘”、“勘察”、“现场勘查”都代表同一个意思,即表示在设计前,到现场进行调查和察看,记录相关资料和数据,为后面的设计工作做好准备。
查勘是设计工作的一个十分重要的环节,查勘所获取的数据是否全面、详细和准确,对设计方案的必选、设计的深度和质量起到了至关重要的作用。
传输查勘包括线路查勘和设备查勘两大部分,其中根据传输机房的不同,设备查勘又分为一般汇聚点和基站部分,以及核心机房部分。
本手册为传输设备查勘手册(一般汇聚点和基站部分),主要介绍一般汇聚点和基站机房的查勘方法、常见疑难解答。
1.1查勘流程根据具体的流程,查勘工作分为查勘前的准备工作、现场查勘工作和查勘结束后的汇报总结工作三个部分。
1.1.1查勘前的准备工作(1) 了解工程所在地移动网络的基本情况,掌握工程的建设方案,明确工程建设的理由及对质量和进度的要求。
(2) 明确本期工程的设计容及近、远期规划情况。
(3) 明确本工程设计与其他专业(如电源、管线、交换、无线、数据等)的分工界面和配合关系。
(4) 若为扩容工程,应借阅以前的相关设计文件,熟悉并研究原设计容。
(5) 对委托函/任务书的容、性质、规模等问题不够明确或需要建议补充完善的问题,应与拟定委托函/任务书的单位或部门联系,予以明确和补充。
(6) 熟悉本工程的合同文本、设备配置、机架面板图和分工界面,列出各站点配置的设备数量、需新增的配套设备数量及所需的电源负荷等,并准备相关的设计资料。
(7) 准备查勘工作中需要的表格、查勘工具、仪表、车辆和费用等。
(8) 拟定初步的查勘工作计划、日程及进度安排,及时与建设单位联系,请他们作必要的配合和准备工作(如:提供查勘中需要的资料、派专人协助查勘工作等)。
1.1.2现场查勘工作1.1.2.1 与建设单位联系工作(1) 到现场实地查勘之前,应先赴建设单位,详细介绍本工程的查勘任务、工程的特点、工程设计初步拟定的方案、查勘设计工作计划等,并请他们对查勘设计工作给予指导和协助,派人参加现场查勘工作。
(2) 建设单位若要求变更设计任务书或提出有关本工程的其他要求时,应报请下达任务书(委托函)的主管单位及工程项目总负责人,在未得到明确的指示前,可以按两种方案进行查勘工作。
1.1.2.2 现场技术查勘整理调查搜集的资料和研究设计方案是查勘工作中很重要的环节。
在进行现场技术查勘时,要与电源、管线、土建专业密切配合,应该做到边看、边问、边记。
及时分析总结和整理调查中所得到的资料,以逐步形成设计方案。
一般来说,查勘工作中有新建传输机房和已有传输机房两种情况。
●新建传输机房(1) 调查了解现有传输网的网络组织情况(通信设备制式、规模、容量、路由及局站分布等),以及传输网未来的发展和规划思路(主要是和本工程有关的部分)。
(2) 要与交换、电源、管线、土建等专业密切配合,确定机房各功能区域的划分(主要指电源、交换、数据、无线等机房)。
(3) 详细查清光缆的进出线路由,调查核对传输机房地面荷载,(平房或一层可以不考虑)、净高、层高及相关的工艺资料(如:槽道、孔洞、空调等)。
(4) 征求建设单位维护部门对新设传输机房设备、平面布置的意见,以及对配套设备的选用意见。
●已有传输机房(1) 核对原有机房的总平面布置图,标注各机房的相对位置及间距(主要指电源、交换、数据、无线等机房)。
(2) 核对原有传输机房的设备布置平面图,记录各列安装的设备情况、排列位置、机列面向、列间距离及其他相关尺寸。
无平面图时,需现场测量机房平面尺寸及设备的机列位置、机列面向、列间距离和其他相关尺寸,现场绘制平面图,重点标出电源、接地排、线路侧ODF架的位置。
(3) 调查和核对并详细记录传输机房已有传输设备、数字配线架、光纤分配架、列头柜、直流配电屏的名称、规格型号、数量、端子分布、使用情况及使用方法,并征求建设单位对利旧、更新或新增同类型设备的意见。
(4) 核对原有传输机房槽道/走线架安装图及相关安装尺寸(安装高度、槽道或走线架宽度、地槽及孔洞相对位置等),并商定本工程设备安装方式,初步确定安装工程量。
(5) 核对原有传输机房光缆进出局路由、通信系统、公务系统、网管系统、告警系统、同步系统、电源供给系统的组织、布线连接和路由,商定本工程新增设备的布线路由和位置。
(6) 调查传输机房的活荷载(平房或一层可不考虑),净高及有关的工艺槽道、孔洞等资料,是否满足本工程新增设备的需要。
(7) 调查并核算直流供电系的压降分配是否满足本工程新增设备的需要。
1.1.2.3 向建设单位汇报并征求意见现场查勘工作基本结束以后,在离开查勘地点之前,必需将查勘工作的初步结果向建设单位有关负责人汇报,征求建设单位对工程设计推荐方案的意见。
介绍的主要容包括:(1) 初步推荐的本工程新增设备的安装位置。
(2) 工程设计的围和与相关专业的分工。
(3) 初步推荐的本工程通信系统和配置的设备与原通信系统和设备的衔接、割接开通方案。
(4) 需要建设单位或维护部门配合的其他问题。
(5) 确认所需资料齐全、现场查勘仔细,提出设计方案并汇报,认真填写ISO9001现场查勘记录表,在双方达成共识后,请建设单位负责人签字确认。
1.1.3汇报总结工作查勘结束回院后,需将查勘的全部情况向项目总负责人、审核人做详细的汇报,提出对工程设计推荐方案和有待解决的问题,对一些具体的问题进行分析和解决。
此外,查勘回院后,应先着手绘制平面图,便于建设单位安装光纤配线架或其他配套设备等,同时统计配套设备的数量,包括ODF、DDF、列头柜、直流配电屏及槽道。
1.2查勘注意事项查勘工作是工程设计的基础,在查勘时,除了要广泛的搜集资料,细心的记录现场的每一点一滴外,还需要注意以下几个方面:(1) 对于建设单位提出的超越任务书围的要求,应立即向部门主管或项目总负责人进行汇报,不能随便答应建设单位的要求。
(2) 对于一些未能取得统一的看法,应与建设单位进行协商,广泛征求意见,把问题尽快在编制设计文本前解决。
(3) 对于查勘中发现的问题,应及时和建设单位进行沟通,并从设计角度提出解决方法。
(4) 勘察结束后,一定要向建设单位汇报查勘的情况,并请其在查勘报告上签字确认。
1.3查勘工具为确保现场查勘数据的准确性,查勘时必须携带必要的勘察测量的仪表、机具。
传输设备专业查勘一般应配备的查勘工具详见表1.3-1,查勘人员可根据具体查勘容选择携带必要的查勘工具。
提别提请注意:出发之前一定要检查查勘工具是否能够正常工作。
表1.3-1 查勘工具列表此外,还应准备“工程咨询设计现场勘察记录”表、和工作牌,对于已有传输机房查勘,为方便记录和提高效率,还应在出发前打印机房平面图、设备面板图、路由图、电源图、ODF和DDF等图纸。
1.4查勘照片拍摄要求查勘时随手拍下机房、设备的照片,是“纸笔记录”方式的重要辅助手段,能够有效弥补“纸笔记录”的缺陷和不足,拍照已成为查勘的一项重要工作。
查勘拍照不同于摄影,只要能真实、明确地反映出所拍摄物的现状即可,拍摄时需注意以下几个方面:(1)照片上最好显示拍摄日期;(2)应在每天查勘结束后及时整理当天的查勘照片;(3)拍照后应马上检查拍照效果,决定是否需要补拍;(4)连续查勘多个站点时,可在正式拍摄某个站点前,先在纸上写明站名并拍照,或直接拍摄平面图上的站名信息;在连续拍摄多个类似设备时,也应先拍摄设备标签信息,帮助后期归集整理;(5)拍摄近距物体时,可使用近距、防抖动模式,但需谨慎使用闪光灯,防止反光;(6)对同一物体(如机房空间)可进行多角度拍摄;(7)对查勘拿不准的地方,也可拍摄下来,再与建设单位或其他设计人员讨论定夺;(8)拍照只是辅助手段,并不能完全代替“纸笔记录”,只有正确、有效地同时使用这两种手段,才能圆满、高效地完成查勘任务。
2.1平面布局2.1.1 平面布局包含容平面布局是指整个机房各设备的安装摆放。
其中既要考虑现有设备的布置,也要考虑未来机房发展预留设备位置,同时要符合相关规要求。
平面布局一般分为新建机房及现有机房加装设备两种。
2.1.1.1 新建机房对于新建机房,涉及到的各种设备包含光传输设备、数字配线架、光配线架、交直流电源设备(交流配电屏、直流配电屏、开关电源、列柜),如何安排各种设备的安装位置?不能只考虑目前设备需求,需要进行长远规划,需要注意以下事项:(1) 考虑传输机房与其他机房楼层间上下连接的孔洞的相互连接关系,以及维护的便利性。
(2) DDF架、ODF架是关键的公共设备,它与架间布线、与不同专业之间的布线都有很大关系,应综合考虑尽可能选择最短路由,使各种线缆长度尽可能的短。