高中物理三维设计选修3-1教师用书一
- 格式:doc
- 大小:6.72 MB
- 文档页数:157
1.在“测定金属丝电阻率”的实验中,由ρ=πd2U4Il可知,对实验结果的准确性影响最大的是( )A.导线直径d的测量B.电压U的测量C.电流I的测量D.导线长度的测量解析:四个选项中的四个物理量对金属丝的电阻率均有影响,但影响最大的是直径d,因为在计算式中取直径的平方。
答案:A2.在测金属丝的电阻率的实验中,下列说法中错误的是( )A.用伏安当测电阻时,可采用电流表外接法B.实验中应调节滑动变阻器,取得多组U和I的值,然后求出平均电阻RC.应选用毫米刻度尺测金属丝的长度三次,然后求出平均长度lD. 实验中电流不能太大,以免电阻率发生变化解析:测量的是接入电路中的金属丝的有效长度。
故C错。
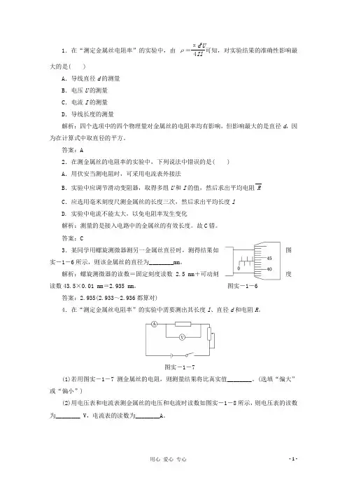
答案:C3.某同学用螺旋测微器测另一金属丝直径时,测得结果如图实-1-6所示,则该金属丝的直径为________mm。
解析:螺旋测微器的读数=固定刻度读数 2.5 mm+可动刻度读数43.5×0.01 mm=2.935 mm。
图实-1-6 答案:2.935(2.933~2.936都算对)4.在“测定金属丝电阻率”的实验中需要测出其长度l、直径d和电阻R。
图实-1-7(1)若用图实-1-7测金属丝的电阻,则测量结果将比真实值________。
(选填“偏大”或“偏小”)(2)用电压表和电流表测金属丝的电压和电流时读数如图实-1-8所示,则电压表的读数为________ V,电流表的读数为________A。
图实-1-8解析:(1)图中电流表采用外接法,故测量值偏小。
(2)电压表精度为0.1 V ,其读数为2.60 V ;电流表精度为0.02 A ,其读数为0.52 A 。
答案:(1)偏小 (2)2.60 0.525.某小组的两位同学采用“伏安法”测金属丝的电阻的实验中,根据同一组数据进行正确描点后,甲、乙两位同学根据自己的理解各作出一条图线,如图实-1-9甲、乙所示,根据你对实验的理解,你认为________同学的图线正确,根据你选择的图线算出该金属丝的电阻为________Ω。
2013【三维设计】高二物理鲁科版选修3-1教师用书:第1部分 第2章 章末小结 专题冲关1.在图2-4中,a 、b 带等量异种电荷,MN 为ab 连线的中垂线,现有一个带电粒子从M 点以一定初速度v 0射出,开始时一段轨迹如图中实线所示,不考虑粒子重力,则在飞越该电场的整个过程中以下说法错误的是( )图2-4 A .该粒子带正电B .该粒子的动能先增大后减小C .该粒子的电势能先减小后增大D .该粒子运动到无穷远处后,速度的大小仍为v 0解析:由粒子开始时一段轨迹可以判定,粒子在该电场中受到大致向右的电场力,因而可以判断粒子带负电,A 错误。
因为等量异种电荷连线的中垂面是一个等势面,又由两个电荷的电性可以判定,由a 到b 电势逐渐升高,即逆着电场线,也就是沿着电场力移动,所以电场力做正功,粒子电势能减小,动能增加。
但因为M 点所处的等量异种电荷连线的中垂面与无穷远等电势,所以在由M 点到无穷远运动的过程中,电场力做的总功为零,所以粒子到达无穷远处时动能仍然为原来值,即速度大小一定仍为v 0,D 正确,因此电势能先减小后增大,动能先增大后减小,B 、C 正确。
答案:A2.试证明比荷(q m )不同的正离子,被同一电场加速后垂直进入同一偏转电场,它们离开偏转电场时的速度方向一定相同。
解析:对正离子的加速过程,有qU 1=12mv 02 对正离子的偏转,垂直电场力方向有v x =v 0,L =v 0t沿电场力方向有v y =at =qU 2mdt 偏转角φ的正切tan φ=v yv x由以上各式可解得tan φ=U 2L 2U 1d ,它是一个与正离子的比荷(q m)无关的量。
可见,比荷不同的正离子离开偏转电场时速度方向相同。
答案:见解析。
2013【三维设计】高二物理鲁科版选修3-1教师用书:第1部分第4章第4节随堂基础巩固1.逻辑电路的信号有两种状态:一是高电位状态,用“1”表示;另一种是低电位状态,用“0”表示。
关于这里的“1”和“0”,下列说法中正确的是( )A.“1”表示电压为1 V,“0”表示电压为0 VB.“1”表示电压为大于或等于1 V,“0”表示电压一定为0 VC.“1”和“0”是逻辑关系的两种可能取值,不表示具体的数字D.“1”表示该点与电源正极相连,“0”表示该点与电源负极相连解析:门电路是用来控制信号的“通过”或“截断”的一种开关电路。
根据指定条件,门电路对输入、输出的因果关系作出判断。
门电路的输入、输出信号都以电位的高低来表示。
若把高电位看做有信号,表示某个条件存在或信号能通过,且以符号“1”表示;把低电位看做无信号,表示某个条件不存在或信号不能通过,以符号“0”表示。
这种逻辑关系称为正逻辑,反之则称为负逻辑。
在通常情况下,不加说明的都指正逻辑,所以“1”和“0”只是两个符号,是两种变量的可能的取值。
故C选项正确。
答案:C2.如图4-4-4所示是由“与”门、“或”门、“非”门三个基本逻辑电路组成的一个组合逻辑电路,A、B、C为输入端,Z为输出端,在完成下面的真值表时,输出端Z空格中从上到下依次填写都正确的是( ) 图4-4-4A.00010101C.00101010 D.以上答案都不正确解析:三个逻辑电路组成一个组合逻辑电路,由图可得:“或”门和“非”门的输出端即为“与”门的输入端,可列真值表为:答案:C3.火警自动报警器用“非”门、电位器、热敏电阻、蜂鸣器和电池等按图4-4-5连接,调节电位器使蜂鸣器正好不报警,然后用火焰靠近热敏电阻,蜂鸣器就会发出报警信号。
在不报警时,P为低电位记“0”,报警时,P为高电位记“1”。
试问:(1)报警时,A点电位为高电位“1”还是低电位“0”?图4-4-5(2)当用火焰靠近热敏电阻时,热敏电阻的阻值是增大还是减小?解析:(1)报警时,P点为高电位“1”,由于此电路运用了“非”门电路,输出端P为高电位时,输入端A点一定是低电位“0”。
一、选择题(本题共8小题,每小题7分,共56分,每小题至少有一个选项符合题意,多选、错选不得分,选对但选不全得4分)1.下列关于电动势的说法中正确的是( )A.电动势就是电势差,也叫电压,单位是 VB.电动势大的电源做功一定多C.电动势大的电源做功一定快D.电动势的大小等于电路中通过单位电荷时电源所提供的电能解析:电动势是由电源本身性质决定的,与外电路没有关系,而电势差是由电源及外电路共同决定的,是随外电路电阻的变化而变化的,故A错误;电源电动势大只能说明电源把其他形式的能量转化为电能的能力大,其做功不一定快也不一定多,故B、C错误;由电动势的物理意义知电动势的大小就等于在电源内部移动单位正电荷所做的功,故D正确。
答案:D2.在如图1所示的逻辑电路中,当A端输入电信号“1”、B端输入电信号“0”时,则在C和D端输出的电信号分别为( )A.1和0 B.0和1C.1和1 D.0和0 图1解析:B、D间是“非”门,当输入信号为“0”时D端输出为“1”,故A、D错误;D、A共为“与”门的输入端。
由“与”门的真值表可知输出端C为“1”,故B错误,C正确。
答案:C3.如图2所示,直线A为电源的U-I图像,直线B为某电阻的U -I图像,用该电源和该电阻组成闭合电路时,下列关于电源的输出功率和电源的效率正确的是( )A.电源的输出功率为4 WB.电源的输出功率为2 W 图2C.电源的效率为33.3%D.电源的效率为50%解析:由图像可得P=UI=4 W,A对,B错。
外电阻R=1 Ω,内阻r=0.5 Ω,效率η=RR+r×100%=66.7%,C、D错。
答案:A4.在如图3所示电路中,当滑动变阻器R3的滑片P向b端移动时( )图3A .电压表示数变大,电流表示数变小B .电压表示数变小,电流表示数变大C .电压表示数变大,电流表示数变大D .电压表示数变小,电流表示数变小解析:滑片P 向b 端滑动时,R 3的有效电阻减小,外电阻R 外减小,干路电流I 增大,U 内增大,U 外减小,即电压表示数减小;由于I 增大,所以U 1增大,而R 2两端的电压为(U 外-U 1)减小,I 2减小,电流表示数应为(I -I 2),所以其示数增大。
(满分50分时间30分钟)一、选择题(本题共7小题,每小题5分,共35分)1.关于电功,下列说法中正确的有( )A.电功的实质是电场力所做的功B.电功是其他形式的能转化为电能的量度C.电场力做功使金属导体内的自由电子运动的速率越来越大D.电流通过电动机时的电功率和热功率相等解析:电场力移动电荷时对电荷所做的功叫电功,是电能转化为其他形式能的量度,A对,B、C、D错。
答案:A2.如图1所示,有一内电阻为4.4 Ω的电解槽和一盏标有“110 V 60W”的灯泡串联后接在电压为220 V的直流电路两端,灯泡正常发光,则( )A.电解槽消耗的电功率为120 WB.电解槽的发热功率为60 W 图1C.电解槽消耗的电功率为60 WD.电路消耗的总功率为120 W解析:灯泡能正常发光,说明电解槽和灯泡均分得110 V电压,且干路电流I=I灯=60110 A,则电解槽消耗的功率P=P灯=60 W,C对A错;电解槽的发热功率P热=I2R=1.3 W,B错;整个电路消耗的功率P总=220 V×60 W110 V=120 W,D正确。
答案:CD3.(2012·佛山高二检测)下列说法正确的是( )A.家庭生活中,常说的“1度”电,指的是电功率的单位B.功率是1千瓦的空调正常工作一个小时所消耗的电功是1度C.1度等于1 000焦耳D.1度等于3.6×106瓦解析:“度”是电功的单位,1度=1 kW·h=1 000 W×3 600 s=3.6×106 J,故A、C、D错误。
功率为1千瓦的空调正常工作1个小时消耗的电功为W=Pt=1 kW·h=1度,故B正确。
答案:B4.下列关于电功、电功率和焦耳定律的说法中正确的是( )A.电功率越大,电流做功越快,电路中产生的焦耳热一定越多B .W =UIt 适用于任何电路,而W =I 2Rt =U 2Rt 只适用于纯电阻的电路C .在非纯电阻电路中,UI >I 2R D .焦耳热Q =I 2Rt 适用于任何电路解析:电功率公式P =W t,功率越大,表示电流做功越快。
[随堂基础巩固]1.下列关于点电荷的说法,正确的是( ) A .点电荷一定是电荷量很小的电荷 B .点电荷是一种理想化模型,实际不存在 C .只有体积很小的带电体,才能作为点电荷 D .体积很大的带电体一定不能看成点电荷解析:当带电体间的距离比它们自身的大小大得多,以至带电体的形状、大小及电荷分布状况对它们的作用力影响可以忽略时,这样的带电体就可以看成点电荷,所以A 、C 、D 错,B 正确。
答案:B2.关于库仑定律的理解,下面说法正确的是( )A .对任何带电荷之间的静电力计算,都可以使用库仑定律公式B .只要是点电荷之间的静电力计算,就可以使用库仑定律公式C .两个点电荷之间的静电力,无论是在真空中还是在介质中,一定是大小相等、方向相反的D .摩擦过的橡胶棒吸引碎纸屑,说明碎纸屑一定带正电解析:库仑定律适用于真空中的点电荷,故A 、B 错。
库仑力也符合牛顿第三定律,C 对。
橡胶棒吸引纸屑,纸屑带正电或不带电都可以,D 错。
答案:C3.如图1-2-8所示,半径相同的两个金属小球A 、B 带有电荷量大小相等的电荷,相隔一定的距离,两球之间的相互吸引力大小为F ,今用第三个半径相同的不带电的金属小球C 先后与A 、B 两个球接触后移开, 图1-2-8 这时,A 、B 两个球之间的相互作用力大小是( )A.18F B.14F C.38FD.34F 解析:由于A 、B 间有吸引力,则A 、B 带异种电荷。
设电荷量都为Q ,则两球之间的相互吸引力为:F =k Q 1Q 2r 2即F =kQ 2r 2。
当C 球与A 球接触后,A 、C 两球的电荷量为:q 1=Q2。
当C球再与B 球接触后,B 、C 两球的电荷量为:q 2=Q -Q22=Q4所以此时A 、B 两球之间的相互作用力的大小为F ′=k Q 2·Q 4r 2=k Q 28r 2=F8,故选项A 正确。
答案:A4.有两个带正电的小球,电荷量分别为Q 和9Q ,在真空中相距l 。
(满分50分时间30分钟)一、选择题(本题共8小题,每小题5分,共40分)1.下列说法中正确的是( )A.在同一等势面上移动电荷,电场力不做功B.等势面上各点场强大小一定相等C.电场中电势高处,电荷的电势能就大D.电场中电场强度大处,电荷的电势能就大解析:等势面上各点的电势相等,所以在同一等势面上移动电荷,电场力不做功,选项A 正确;场强大小与电势无关,选项B错误;电荷的电势能E p=qφ,除与电势有关外,还与电荷的带电量有关,选项C、D错误。
答案:A2.雷雨天气,应谨防雷电,下列哪些做法是正确的( )A.雷雨天气外出时,可以在孤立的高大建筑和大树下避雨B.雷雨天气外出时,在空地上应立即蹲下,以免成为雷电的袭击目标C.雷雨天气时,可以在户外打手机D.在室内,如果听到打雷,应马上关好门窗,以防雷电进屋解析:雷雨天气外出时,不要在孤立的高大建筑和大树下避雨,在空地上应立即蹲下,不要在户外打手机,避免发生雷击,故A、C错误,B正确;若在室内,应立即关好门窗,防止雷电进屋,D正确。
答案:BD3.关于等势面的说法,正确的是( )A.电荷在等势面上移动时不受电场力作用,所以不做功B.等势面上各点的场强相等C.点电荷在真空中形成的电场的等势面是以点电荷为球心的一簇球面D.匀强电场中的等势面是相互平行的垂直电场线的一簇平面解析:在等势面上移动电荷,电场力不做功并不是电荷不受电场力的作用,而是电场力和电荷的移动方向垂直,电场力做功为零,因此A项错误。
等势面上各点的电势相等,但是场强是否相等则不一定,如在点电荷形成的电场中,等势面上各点的场强的大小相等,但是方向却不同,因此B项错误。
根据所学各种等势面的分布情况可知,C、D两项是正确的。
答案:CD4.如图1所示,三个同心圆是同一个点电荷周围的三个等势面,已知这三个圆的半径成等差数列。
A、B、C分别是这三个等势面上的点,且这三点在同一条电场线上。
A、C两点的电势依次为φA 图1=10 V和φC=2 V,则B点的电势是( )A.一定等于6 VB.一定低于6 VC.一定高于6 VD.无法确定解析:三个圆的半径成等差数列,可以得出AB=BC。
【三维设计】高二物理鲁科版选修3-1教师用书:第1部分第6章第1节随堂基础巩固1.一根容易形变的弹性导线,两端固定。
导线中通有电流,方向如图6-1-10中箭头所示。
当没有磁场时,导线呈直线状态;当分别加上方向竖直向上、水平向右或垂直于纸面向外的匀强磁场时,描述导线状态的四个图示中正确的是( )图6-1-10解析:用左手定则可判断出A中导线所受安培力为零,B中导线所受安培力垂直于纸面向里,C、D中所受安培力向右,导线受力以后的弯曲方向应与受力方向一致,故D正确。
答案:D2.磁场中某处磁感应强度的大小,由B=FIL可知( ) A.B随IL的乘积的增大而减小B.B随F的增大而增大C.B与F成正比,与IL成反比D.B与F及IL无关,由FIL的比值确定解析:磁场中某处的磁感应强度的大小仅由磁场本身决定。
B=FIL为比值定义,B与F、I、L无关。
答案:D3.一个可以的线圈L1和一个固定的线圈L2互相绝缘垂直放置,且两个线圈的圆心重合,当两线圈通以如图6-1-11所示的电流时,从左向右看,则线圈L1将( ) A.不动B.顺时针转动图6-1-11 C.逆时针转动D.向纸面内平动解析:法一:利用结论法环形电流I1、I2之间不平行,则必有相对转动,直到两环形电流同向平行为止,据此可得线圈L1的转动方向应是:从左向右看顺时针转动。
法二:等效分析法把线圈L1等效为小磁针,该小磁针刚好处于环形电流I2的中心。
通电后,小磁针的N极应指向该点环形电流I2的磁场方向。
由安培定则知线圈L2产生的磁场方向在其内部为竖直向上,线圈L1等效成小磁针后转动前,N极指向纸内,因此应由向纸内转为向上。
所以从左向右看,线圈L1顺时针转动。
法三:直线电流元法把线圈L1沿转动轴分成上下两部分,第一部分又可以看成无数直线电流元,电流元处在线圈L2产生的磁场中,据安培定则可知各电流元所在处磁场方向向上,由左手定则可知,上部电流元所受安培力均指向纸外,下部电流元所受安培力均指向纸内,因此从左向右看线圈L1顺时针转动。
2013【三维设计】高二物理鲁科版选修3-1教师用书:第1部分第5章第2节随堂基础巩固[随堂基础巩固]1.关于磁感线,下列说法正确的是( )A.磁感线是真实存在的,细铁粉撒在磁铁附近,我们看到的就是磁感线B.磁感线始于N极,终止于S极C. 沿磁感线方向磁场减弱D.磁感线是无头无尾的闭合曲线解析:磁感线是人们为了形象描述磁场而假想的线,实际不存在,细铁粉在磁铁附近的排列可以显示磁感线的分布,但我们看到的不是磁感线,故A错;磁感线是闭合曲线,在磁体外部是从N极到S极,在磁体内部是从S极到N极,故D对,B错;磁感线的疏密表示磁场的强弱,沿磁感线方向磁场可能增强,也可能减弱,故C错。
答案:D2. 如图5-2-9所示,直流电源跟一个线圈连接成闭合回路,线圈的上方和右侧各有一个可以自由转动的小磁针,由图得出的结论正确的是( )A. 小磁针的c端为N极,电源的a端为正极图5-2-9B. 小磁针的c端为N极,电源的a端为负极C. 小磁针的d端为N极,电源的a端为正极D. 小磁针的d端为N极,电源的a端为负极解析:根据小磁针的N极方向可以确定通电线圈外部上方磁场的方向,然后应用安培定则确定线圈中的电流方向,从而判断电源a为负极,同时判断d为N极。
答案:D3.如图5-2-10所示,圆环上带有大量的负电荷,当圆环沿顺时针方向转动时,a、b、c三枚小磁针都要发生转动,以下说法正确的是( )A.a、b、c的N极都向纸里转B.b的N极向纸外转,而a、c的N极向纸里转图5-2-10C.b、c的N极都向纸里转,而a的N极向纸外转D.b的N极向纸里转,而a、c的N极向纸外转解析:带负电圆环顺时针转动,形成逆时针方向等效电流,根据安培定则,判断出环内外磁场方向,可知小磁针转动方向。
答案:B4.如图5-2-11所示,当开关S接通后,说明电流周围磁场中的小磁针的偏转情况。
图5-2-11解析:甲图线框内电流磁感线向内,线框外电流磁感线向外,线框内小磁针N极向纸内偏转,线框外小磁针N极向纸外偏转;乙图通电螺线管下端为N极,两个小磁针顺时针偏转;丙图通电螺线管类似蹄形磁铁,左侧为N极、右侧为S极,左边的小磁针顺时针偏转,右边的小磁针逆时针偏转。
1.电荷电荷守恒定律[先填空]1.摩擦起电:通过摩擦使物体带电的方法称为摩擦起电.2.两种电荷:自然界只存在两种电荷:正电荷和负电荷.(1)用丝绸摩擦过的玻璃棒所带的电荷叫做正电荷.(2)用毛皮摩擦过的橡胶棒所带的电荷叫做负电荷.3.电荷间的相互作用:同种电荷相互排斥,异种电荷相互吸引.4.电荷量:电荷的多少.在国际单位制中,它的单位是库仑,符号C.通常正电荷的电荷量用正数表示,负电荷的电荷量用负数表示,常用的电荷量单位还有微库(μC)和纳库(nC).1 μC=10-6 C,1 nC=10-9 C.5.静电感应和感应起电(1)静电感应:当一个带电体靠近导体时,由于电荷间相互吸引或排斥,导体中的自由电荷便会趋向或远离带电体,使导体靠近带电体的一端带异号电荷,远离带电体的一端带同号电荷的现象.(2)感应起电:利用静电感应使金属导体带电的方法.[再判断]1.感应起电只能使物体带上与带电体异号的电荷.(×)2.用丝绸摩擦过的玻璃棒带正电,用毛皮摩擦过的硬橡胶棒带负电.(√)3.同种电荷相互吸引,异种电荷相互排斥.(×)[后思考]如图111所示,不带电导体A、B相互接触.图111(1)将带正电的小球C放于导体A附近,导体A、B上的金属箔会张开吗?导体A、B上各带有什么电荷?(2)将带正电的小球C拿走,导体A、B上的金属箔会发生什么现象?【提示】(1)会张开,A带负电荷,B带正电荷.(2)将C拿走,金属箔闭合.[合作探讨]用梳子梳头时常看到梳子吸引头发的现象,有时梳子还能吸引纸屑等轻小物体.干燥的冬季脱外衣时常听到“叭叭”的声响且伴有火星,这些都是摩擦起电的结果.图112探讨1:摩擦起电的电荷是从哪来的?【提示】不同的物质相互摩擦,得到电子的物体带负电,失去电子的物体带正电.探讨2:有哪些起电方式?本质相同吗?【提示】摩擦起电,接触带电,感应起电.相同.[核心点击]1.三种起电方式的比较2.摩擦起电适用于绝缘体,感应起电和接触带电适用于导体.(多选)如图113所示,将带电棒移近两个不带电的导体球,甲、乙两个导体球开始时互相接触且对地绝缘.下述几种方法中能使两球都带电的是( ) 【导学号:96322000】图113A.先把两球分开,再移走棒B.先移走棒,再把两球分开C.先将棒接触一下其中的一球,再把两球分开D.移走棒,两导体球不分开【解析】感应起电应遵从以下几个步骤:(1)两导体彼此接触;(2)带电体移近两导体;(3)先分开两导体,再移走带电体.由此可知,A项可以使两球都带电;带电体与非带电体接触,电荷发生转移,使物体带电,C项可以使两球都带电,故选项A、C正确.【答案】AC下列现象中不属于摩擦起电的是( )【导学号:96322001】A.将被丝绸摩擦过的玻璃棒靠近纸屑,纸屑被吸起B.在干燥的冬季脱毛绒衣时,会听到轻微的噼啪声C.擦黑板时粉笔灰纷纷飞扬,四处飘落D.穿着化纤类织物的裤子走路时,裤腿上常容易吸附灰尘【解析】摩擦起电后物体带静电,能吸引轻小物体,也能产生火花放电,故选项C 不属于摩擦起电的现象.【答案】 C把一个带正电的金属球A跟不带电的同样的金属球B相碰,两球都带等量的正电荷,这是因为( ) 【导学号:96322002】A.A球的正电荷移到B球上B.B球的负电荷移到A球上C.A球的负电荷移到B球上D.B球的正电荷移到A球上【解析】金属球中能够自由移动的电荷是自由电子,则B球上的自由电子受A球上所带正电荷的吸引而转移到A 球上,B 球因缺少电子就带上了正电荷.【答案】 B感应起电的规律(1)近异远同:用带电体靠近不带电的导体时,会在靠近带电体的一端感应出与带电体电性相反的电荷,远离端感应出与带电体电性相同的电荷.(2)等量异性:用带电体靠近不带电的导体(或两不带电的相互接触的导体)时,会在原不带电的导体两端(或两不带电的相互接触的导体上)感应出等量异性的电荷.[先填空]1.物质的微观结构 (1)原子结构:原子⎩⎨⎧原子核⎩⎪⎨⎪⎧质子:带正电中子:不带电核外电子:带负电(2)原子电性:原子核的正电荷的数量与核外电子负电荷的数量一样多,整个原子对外界较远的位置表现为电中性.(3)离子的电性:失去电子的原子为带正电的离子;得到电子的原子为带负电的离子. 2.摩擦起电的原因:两个物体相互摩擦时,一些束缚得不紧的电子从一个物体转移到另一个物体,使得原来呈电中性的物体由于得到电子而带负电,失去电子的物体则带正电.3.电荷守恒定律(1)内容:电荷既不能被创造,也不能被消灭,它们只能从一个物体转移到另一个物体,或者从物体的一部分转移到另一部分.(2)理解:在任何自然过程中,电荷的代数和是守恒的. [再判断]1.摩擦起电就是通过摩擦创造了电荷.(×)2.近代物理实验发现,在一定条件下,带电粒子可以产生和湮灭,故在一定条件下,电荷守恒定律不成立.(×)3.带负电的绝缘金属小球放在潮湿的空气中,经过一段时间,该小球的负电几乎为零,可见小球上的负电荷逐渐消失了.(×)[后思考]如图114所示的现象为感应起电过程,为什么一定要先使导体球瞬时接地再移走施感电荷,而不是先移走施感电荷再接地?甲乙丙丁图114【提示】导体球瞬时接地时,导走负电荷,小球最终带正电;若先移走施感电荷,球上感应出来的正、负电荷相互吸引而中和,小球最终不带电.[合作探讨]探讨1:甲、乙两同学各拿一带电小球做实验时不小心两小球接触了一下,结果两小球都没电了!电荷到哪里去了呢?是否违背了电荷守恒定律?【提示】两球上的异种电荷中和了,即正、负电荷代数和为0,对外不显电性,没有违背电荷守恒定律.探讨2:如图115所示的现象为感应起电,为什么发生感应起电的是导体而不是绝缘体?图115【提示】感应起电的实质是在带电体电荷的作用下,物体上的自由电荷的转移,只有导体上的电子(或正、负离子)才能自由移动,而绝缘体上的电子不能自由地移动.所以,导体能发生感应起电,而绝缘体不能.[核心点击]1.物体带电的实质使物体带电不是创造了电荷,使物体不带电也不是消灭了电荷.物体带电的实质是电荷发生了转移,也就是物体间电荷的重新分配.摩擦起电、感应起电和接触起电,均符合电荷守恒定律.2.“中性”与“中和”的理解(1)中性:物体内有电荷存在,但正、负电荷的绝对值相等,对外不显电性.(2)中和:两个带有等量异种电荷的带电体相遇达到电中性的过程. 3.接触起电现象中电荷量的分配无论是带电的导体与不带电的导体接触,还是两个原来带同种电荷的导体接触,还是两个原来带异种电荷的导体接触,最终两导体都将带上同种电荷或都不带电,不可能带上异种电荷,并且接触前后电荷总量不变.两个完全相同的带电绝缘金属小球A 、B ,分别带有电荷量Q A =6.4×10-9C ,Q B =-3.2×10-9 C ,让两绝缘金属小球接触,在接触过程中,电子如何转移?转移了多少?【解析】 两小球接触时,电荷量少的负电荷先被中和,剩余的正电荷再重新分配.即接触后两小球的电荷量为Q A ′=Q B ′=Q A +Q B 2=6.4×10-9+-3.2×10-92C =1.6×10-9C在接触过程中,电子由B 球转移到A 球,自身的净电荷全部中和后,继续转移,直至其带Q B ′的正电,这样,共转移的电子电荷量为ΔQ =|Q B |+Q B ′=3.2×10-9C +1.6×10-9C =4.8×10-9C ,则转移的电子数n =ΔQ e =4.8×10-91.6×10-19=3.0×1010(个).【答案】 电子由B 转移到A 共转移3.0×1010个M 和N 是两个都不带电的物体.它们互相摩擦后,M 带正电荷1.60×10-16C ,下列判断正确的有( ) 【导学号:96322003】A .在摩擦前M 和N 的内部没有任何电荷B .摩擦过程中电子从N 转移到MC .N 在摩擦后一定带负电荷1.60×10-16CD .N 在摩擦过程中失去1.60×10-16C 个电子【解析】 M 和N 相互摩擦,M 带正电是因为M 对核外电子的束缚能力小而失去核外电子的结果;由于电荷守恒,故N 一定带等量负电荷,选项C 正确.【答案】 C完全相同的导体球接触带电时电荷量的分配原则形状、大小都相同的导体接触时会将电荷量平分.(1)用带电量为Q 的金属球与不带电的金属球接触,每个小球带电量均为Q /2,且所带电荷的性质相同;(2)用带电量为Q1的金属球与带电量为Q2的金属球接触,若两球带同种电荷,则每个小球所带电量为总电荷量的一半.若两球带异种电荷,则先中和相同量的异号电荷,然后平分剩余电荷.学业分层测评(一)(建议用时:45分钟)1.电视机的玻璃光屏表面经常有许多灰尘,这主要是因为( )【导学号:96322076】A.这是灰尘的自然堆积B.玻璃有极强的吸附灰尘的能力C.电视机工作时,屏表面温度较高而吸附灰尘D.电视机工作时,屏表面有静电而吸附灰尘【解析】该现象是一种静电现象,即电视机在工作的时候,屏幕表面由于有静电而吸附轻小物体灰尘,即D选项正确.【答案】 D2.由不同材料构成的物体A和B,原本都不显电性,现将A和B互相摩擦之后,结果A 带上了正电,则( ) 【导学号:96322077】A.电子由A转移到了BB.电子由B转移到了AC.A所带的电荷量大于B所带的电荷量D.A所带的电荷量小于B所带的电荷量【解析】A和B互相摩擦后,A带正电,说明A失去了电子,即电子由A转移到了B 上,选项A正确,B错误;根据电荷守恒定律,A和B所带电荷量相等,选项C、D错误.【答案】 A3.将不带电的导体A和带负电的导体B接触后,导体A中的质子数目( )【导学号:96322078】A.增加B.减少C.不变D.先增加后减少【解析】在接触带电的过程中,发生转移的电荷是自由电子,质子并不发生移动,故C正确.【答案】 C4.如图116所示,原来不带电的金属导体MN,在其两端下面都悬挂有金属验电箔片,若使带负电的金属球A靠近导体的M端,可能看到的现象( )图116A.只有M端验电箔片张开,且M端带正电B.只有N端验电箔片张开,且N端带负电C.两端的验电箔片都张开,且左端带负电,右端带正电D.两端的验电箔片都张开,且两端都带正电或负电【解析】根据同种电荷相互排斥可知,金属球A上的负电荷将排斥金属导体MN上的自由电子,使其向N端移动,N端带负电,而M端带正电,故两端的金属箔片均张开,C正确,A、B、D均错误.【答案】 C5.(多选)挂在绝缘细线下的两个轻质小球,表面镀有金属薄膜,由于电荷的相互作用而靠近或远离,分别如图117甲、乙所示,则( )【导学号:96322079】甲乙图117A.甲图中两球一定带异种电荷B.乙图中两球一定带同种电荷C.甲图中两球至少有一个带电D.乙图中两球最多有一个带电【解析】题目中的小球都是镀有金属薄膜的轻质小球,带电物体具有吸引轻小物体的性质,同种电荷相互排斥,异种电荷相互吸引,所以可以判断出甲图的现象可以是两个带异种电荷的小球,也可以是一个小球带电而另一个小球不带电;两个小球由于相互排斥而出现乙图中的现象,则必须都带电且是同种电荷.【答案】BC6.如图118是伏打起电盘示意图,其起电原理是( ) 【导学号:96322080】图118A.摩擦起电B.感应起电C.接触起电D.以上三种方式都不是【解析】导电平板靠近带电绝缘板并接地,导电平板与大地组成“大导体”,发生静电感应,使导电平板带上负电荷,选项B正确.【答案】 B7.使带电的金属球靠近不带电的验电器,验电器的箔片会张开.下列各图表示验电器上感应电荷的分布情况,正确的是( ) 【导学号:96322081】【解析】把带电金属球移近不带电的验电器,根据静电感应现象的规律,若金属球带正电,则将验电器箔片上的自由电子吸引上来,这样验电器的上部将带负电,箔片带正电;若金属球带负电,则将验电器上部的自由电子排斥到远端的箔片上,这样验电器的上部将带正电,箔片带负电.选项B正确.【答案】 B8.如图119所示,A、B、C是三个安装在绝缘支架上的金属体,其中C球带正电,A、B两个完全相同的枕形导体且不带电.试问:图119(1)如何使A带负电,B带等量的正电?(2)如何使A、B都带等量正电?(3)如何使A、B都带等量负电?【解析】(1)把A、B紧密靠拢,让C靠近A,则在A端感应出负电荷,B端感应出等量正电荷,马上把A与B分开后,则A带负电,B带等量的正电.(2)把A、B紧密靠拢,让C靠近B,则在B端感应出负电荷,A端感应出等量正电荷,把A与B分开后再用手摸一下B,则B所带的负电荷就被中和,再把A与B接触一下,A和B就带等量正电荷.(3)把A、B紧密靠拢,让C靠近B,则在B端感应出负电荷,A端感应出等量正电荷,再用手摸一下A或B,则A所带的正电荷就被中和,而B端仍带有负电,移去C以后再把A 与B分开,则A和B就带等量负电荷.【答案】见解析9.(多选)有A、B、C三个完全相同的金属球,A带1.2×10-4 C的正电荷,B、C不带电,现用相互接触的方法使它们都带电,则A、B、C所带的电荷量可能是下面哪组数据( ) 【导学号:96322082】A.4.0×10-5C,4.0×10-5C,4.0×10-5 CB.6.0×10-5C,4.0×10-5C,4.0×10-5 CC.6.0×10-5C,3.0×10-5C,3.0×10-5 CD.5.0×10-5C,5.0×10-5C,5.0×10-5 C【解析】三个球同时接触后各带有4.0×10-5 C的电量,A对;根据电荷守恒定律,接触前、后三球的总电量不变,B、D错误;将B球先与A球接触,再与C球接触,分开后A、B、C各带有6.0×10-5 C、3.0×10-5 C和3.0×10-5 C的电量,C对.【答案】AC10.如图1110所示,用起电机使金属球A带上正电荷,并靠近验电器B,则( ) 【导学号:96322083】图1110A.验电器金箔不张开,因为球A没有和验电器B接触B.验电器金箔张开,因为整个验电器都感应出了正电荷C.验电器金箔张开,因为整个验电器都感应出了负电荷D.验电器金箔张开,因为验电器的下部箔片感应出了正电荷【解析】相对于金属球来讲,金属箔片是距离带电体A较远的一端,根据静电感应规律可知,验电器的两金属箔片都带上了正电荷,而同种电荷相斥,所以金属箔片张开,即D 正确.【答案】 D11.如图1111所示,把一个不带电的枕形导体靠近带正电的小球,由于静电感应,在a、b两端分别出现负、正电荷,则以下说法正确的是( )【导学号:96322084】图1111A .闭合开关S 1,有电子从枕形导体流向大地B .闭合开关S 2,有电子从枕形导体流向大地C .闭合开关S 1,有电子从大地流向枕形导体D .闭合开关S 2,没有电子通过开关S 2【解析】 在S 1、S 2都闭合前,对枕形导体,它的电荷是守恒的.由于静电感应,a 、b 两端出现等量的负、正电荷.当闭合开关S 1、S 2中的任何一个以后,便把大地与枕形导体连通,使大地与枕形导体组成一个新的大导体,因此,导体本身的电荷不再守恒,而是导体与大地构成的系统电荷守恒,由于静电感应,a 端仍为负电荷,大地为远端,感应出正电荷,因此无论是闭合开关S 1还是闭合开关S 2,都有电子从大地流向枕形导体,故选项C 正确.【答案】 C12.半径相同的两个金属小球A 、B 带有相等的电荷量,相隔一定的距离,现让第三个半径相同的不带电的金属小球先后与A 、B 接触后再移开.(1)若A 、B 带同种电荷,求接触后两球所带的电荷量之比; (2)若A 、B 带异种电荷,求接触后两球所带的电荷量之比.【解析】 (1)若A 、B 带同种电荷,设为q ,第三个小球先与A 接触,电荷量平均分配,各带电荷量q 2;第三个小球再与B 接触,两球电荷量之和平均分配,各带34q .因此A 、B 带电荷量之比q A q B =23.(2)若A 、B 两球带异种电荷,设A 为q ,B 为-q ,则第三个小球先和A 接触,电荷量平均分配,各带q 2;第三个小球再和B 接触,先中和再平均分配,各带-14q .所以A 、B 电荷量之比q A q B =21.【答案】 (1)2∶3 (2)2∶12.库仑定律[先填空]1.点电荷:当一个带电体本身的线度比它到其他带电体的距离小很多,以至在研究它与其他带电体的相互作用时,该带电体的形状以及电荷的分布状况均无关紧要,该带电体可看做一个带电的点,这样的电荷称为点电荷.它是一个理想化的物理模型.2.实验探究(1)小球的带电量不变时,与带电体之间的距离越小,丝线偏离竖直方向的角度越大,表明小球受到的作用力越大.(2)小球与带电体之间的距离不变,增加带电体或小球的电荷量时,电荷量越大,丝线偏离竖直方向的角度越大,表明小球与带电体之间的作用力越大.3.实验结论:电荷之间的相互作用力随电荷量的增大而增大,随它们之间距离的增大而减小.[再判断]1.体积很小的带电体都能看成点电荷.(×)2.电荷之间相互作用力的大小只决定于电荷量的大小.(×)3.两电荷的带电量一定时,电荷间的距离越小,它们间的静电力就越大.(√)[后思考]带电体在什么情况下可以看做点电荷?【提示】研究电荷之间的相互作用力时,当带电体间的距离比它们自身的大小大得多,以至于带电体的形状和大小对相互作用力的影响可以忽略时,这样的带电体就可以看做点电荷.[合作探讨]2013年12月2日“嫦娥三号”月球探测器成功发射,升空过程中由于与大气摩擦产生了大量的静电.图121探讨1:在研究“嫦娥三号”与地球的静电力时,能否把“嫦娥三号”看成点电荷?【提示】能探讨2:研究点电荷有什么意义?【提示】点电荷是理想化模型,实际中并不存在,是我们抓住主要因素、忽略次要因素抽象出的物理模型.[核心点击]1.点电荷是理想化的物理模型点电荷是只有电荷量,没有大小、形状的理想化模型,类似于力学中的质点,实际中并不存在.2.点电荷只具有相对意义点电荷是一个相对的概念,一个带电体能否看做点电荷,是相对于具体问题而言的,不能单凭其大小和形状确定.另外,带电体的线度比相关的距离小多少时才能看做点电荷,还与问题所要求的精度有关.从宏观意义上讨论电子、质子等带电粒子时,完全可以把它们视为点电荷.(多选)下列关于点电荷的说法中正确的是( )【导学号:96322004】A.无论两个带电体多大,只要它们之间的距离远大于它们的大小,这两个带电体就可以看做是点电荷B.一个带电体只要它的体积很小,则在任何情况下,都可以看做点电荷C.一个体积很大的带电体,在任何情况下,都不能看做点电荷D.两个带电的金属小球,不一定能将它们作为电荷集中在球心的点电荷处理【解析】无论两带电体自身大小怎样,当两带电体之间的距离远大于它们的大小时,带电体本身的大小对于所研究的问题影响很小,可把带电体看做点电荷,选项A正确,而选项C错误;尽管带电体很小,但两带电体相距很近,以至于本身的大小和形状对问题的影响不能忽略,两带电体也不能被看做点电荷,选项B错误;两个带电金属小球,若离的很近,两球所带的电荷在静电力作用下会分布不均,电荷的分布影响到静电力的大小,若带同种电荷,相互排斥,等效的点电荷间距大于球心距离;若带异种电荷,相互吸引,等效的点电荷间距小于球心距离,因此,选项D正确.【答案】AD下列关于点电荷的说法中,正确的是( )【导学号:96322005】A.体积大的带电体一定不是点电荷B.当两个带电体的大小、形状对它们间相互作用力的影响可忽略时,这两个带电体可看做点电荷C.点电荷就是体积足够小的电荷D.点电荷是电荷量和体积都很小的带电体【解析】带电体能否看成点电荷,不能以体积大小、电荷量多少而论.一个带电体能否看成点电荷,要依具体情况而定,只要在测量精度要求的范围内,带电体的形状、大小等因素的影响可以忽略时,即可视为点电荷,故选项B正确.【答案】 B下列哪些物体可以视为点电荷( )A.电子和质子在任何情况下都可视为点电荷B.不论什么情况下,均匀带电的绝缘球体一定能视为点电荷C.带电的细杆在一定条件下可以视为点电荷D.带电的金属立方体一定不能视为点电荷【解析】带电体能否视为点电荷,要看它们本身的线度是否比它们之间的距离小得多,而不是看物体本身有多大,形状如何,也不是看它们所带的电荷量多大.故A、B、D错,C 对.【答案】 C带电体看做点电荷的条件如果两个带电体相距很远,它们之间的距离比它们每一个的线度大得多,其体积、形状对研究的问题影响很小甚至没有影响,这时可以忽略它的形状和大小,近似地认为每一个带电体的电荷都集中在一个点上,可将带电体看做点电荷.[先填空] 1.内容库仑定律的公式F =kQ 1Q 2r2,式中k 叫做静电力常量,k 的数值是9×109_N·m 2/C 2. 3.静电力叠加原理对于两个以上的点电荷,其中每一个点电荷所受的总的静电力,等于其他点电荷分别单独存在时对该点电荷的作用力的矢量和.[再判断]1.库仑力的大小与电性没有关系.(√)2.相互作用的两个点电荷,不论它们的电荷量是否相等,它们之间的库仑力大小一定相等.(√)3.两个带电小球即使相距非常近,也能用库仑定律计算库仑力的大小.(×) [后思考]有同学根据库仑定律的表达式F =k Q 1Q 2r 2得出当r →0时F →∞,这个结论成立吗?为什么?【提示】 不成立,因为当r →0时两带电体已不能看成点电荷,库仑定律已不再成立.[合作探讨]有两个完全相同的金属小球A 、B (它们的大小可忽略不计),A 带电荷量为7Q ,B 带电荷量为-Q ,当A 、B 在真空中相距为r 时,两球之间的库仑力为F .探讨1:若用绝缘工具使A 、B 相距2r ,则两球的库仑力变为多少? 【提示】 F4探讨2:若用绝缘工具使A 、B 两球相互接触后再放回原处,则两球的库仑力变为多少? 【提示】 97F[核心点击]1.库仑定律适用于真空中两个点电荷之间的相互作用力,与周围是否存在其他电荷无关.2.在使用公式F =kQ 1Q 2r 2时,式中Q 1、Q 2的正、负表示带电性质,力F 的正、负表示库仑力是斥力还是引力,不表示力的方向,因此在应用库仑定律解题时,只将电荷量的绝对值代入公式中,计算出力的大小,力的方向再由同种电荷相斥,异种电荷相吸来确定.3.两个电荷间的距离r →0时,两电荷已失去了点电荷的前提条件,所以违背了库仑定律的适用条件,不能再运用库仑定律计算两电荷间的相互作用力.因此不能认为F →∞.4.库仑力具有力的一切性质,相互作用的两个点电荷之间的作用力遵守牛顿第三定律.库仑力同样遵守平行四边形定则,在解决多个电荷相互作用时矢量合成法则同样有效.中国的FY -3A 卫星上可观测到高能质子和高能电子.如图122所示,分别在A 、B 两点放置点电荷Q 1=+2×10-14C 和Q 2=-2×10-14C .在AB 的垂直平分线上有一点C ,且AB =AC =BC =6×10-2m .如果有一高能电子在C 点处,它所受的库仑力的大小和方向如何?图122【解析】 电子在C 点同时受A 、B 处点电荷的作用力F A 、F B ,如图所示.由库仑定律得F A =F B =k Q 1er2=9.0×109×2×10-14×1.6×10-196×10-22N=8.0×10-21N由平行四边形定则得:静止在C 点的电子受到的库仑力F =F A =F B =8.0×10-21N ,方向平行于AB 向左.。
2013【三维设计】高二物理鲁科版选修3-1教师用书:第1部分 第
5章 章末小结 专题冲关
1.如图5-4所示为通电螺线管的纵截面,“⊗”、“⊙”分别表示导线中电流垂直纸面流进、流出,则螺线管内部和外部a 、b 、c 三个位置上小磁针静止时N 极指向是( ) 图5-4
A .均向右
B .均向左
C .a 、b 向左,c 向右
D .a 、c 向右,b 向左 解析:根据安培定则,可判知a 、b 处的磁场方向都向左,c 处磁场方向向右,所以a 、b 处小磁针静止时N 极都指向左,c 处小磁针静止时N 极指向右,故A 、B 、D 错,C 对。
答案:C
2.如图5-5所示,一个单匝线圈abcd 水平放置,面积为S ,有
一半面积处在竖直向下的匀强磁场中,磁感应强度为B 。
当线圈以ab 边
为
轴转过30°和60°时,穿过线圈的磁通量分别是多少? 图5-5 解析:当线圈分别转过30°和60°时,线圈平面在垂直于磁场方向的有效面积相同,所
以磁通量也相同,都等于12
BS 。
答案:12BS 12
BS。
2013【三维设计】高二物理鲁科版选修 3-1 教师用书:第 1 部分第6章第2节课时追踪训练(满分 50分时间30分钟)一、选择题 ( 此题共 8 小题,每题 4 分,共 32 分)1.对于电荷在磁场中的受力,以下说法中正确的选项是()A.静止的电荷必定不受洛伦兹力的作用,运动电荷必定受洛伦兹力的作用B.洛伦兹力的方向有可能与磁场方向平行C.洛伦兹力的方向必定与带电粒子的运动方向垂直D.带电粒子运动方向与磁场方向平行时,必定不受洛伦兹力的作用分析:由 F=qvB sinθ。
当 B∥ v 时, F=0;当 v=0时, F=0,故A错、D对。
由左手定则知, F 必定垂直于 B 且垂直于 v,故B错、C对。
应选C、D。
答案: CD2.对于电场力与洛伦兹力,以下说法正确的选项是()A.电荷只需处在电场中,就会遇到电场力,而电荷静止在磁场中,有可能遇到洛伦兹力B.电场力对在其电场中的电荷必定会做功,而洛伦兹力对在磁场中的电荷必定不会做功C.电场力与洛伦兹力相同,受力方向都在电场线和磁感线上D.只有运动的电荷在磁场中才有可能遇到洛伦兹力的作用分析:电荷只需处在电场中必定遇到电场力,在磁场中运动的电荷才可能遇到洛伦兹力,故 A 错;当电荷在等势面上挪动时,电场力对其不做功,故 B 错;电荷受洛伦兹力方向与磁感线方向垂直,故 C 错。
答案: D3.对于安培力和洛伦兹力,以下说法中正确的选项是()A.安培力和洛伦兹力是性质不一样的两种力B.安培力和洛伦兹力其实质都是磁场对运动电荷的作使劲C.这两种力都是成效力,其实其实不存在,原由是不恪守牛顿第三定律D.安培力对通电导体能做功,洛伦兹力对运动电荷也能做功分析:电流是电荷的定向挪动形成的,安培力是磁场对导体内定向挪动电荷所施加的洛伦兹力的宏观表现,洛伦兹力一直与电荷运动方向垂直,所以不可以对运动电荷做功;而安培力作用在导体上,能够让导体产生位移,所以能对导体做功。
(满分50分时间30分钟)一、选择题(本题共8小题,每小题4分,共32分)1.关于静电平衡状态的导体,以下说法正确的是( )A.电荷只分布在导体的外表面上B.导体内部场强为零,表面场强不为零C.导体内部场强为零,表面场强也为零D.导体内部的电场只是感应电荷产生的附加电场解析:根据静电平衡的特点,易知A、B正确,C错误;导体内部的电场是外部电场与感应电荷产生的电场的矢量和,则D错误。
答案:AB2.在绝缘板上放有一个不带电的金箔验电器A和一个带正电荷的空腔导体B,下列实验方法中不能使验电器箔片张开的是( )A.用取电棒(带绝缘柄的导体棒)先跟B的内壁接触一下后再跟A接触B.用取电棒先跟B的外壁接触一下后再跟A接触C.用绝缘导线把验电器跟取电棒的导体部分相连,再把取电棒与B的内壁接触D.使验电器A靠近B解析:由于处于静电平衡的导体内部场强处处为零,导体上的电荷都分布在外表面上,所以用取电棒接触B的外壁可以使A带电,但接触内壁不能使A带电,所以A错,B对;用绝缘导线把验电器跟取电棒的导体部分相连,再把取电棒与B的内壁接触,验电器、取电棒和导体就相当于一个导体,这时验电器在外部,所以会带电,C对;使验电器靠近B,由于静电感应,验电器也会带电,所以D对。
答案:A3.一个带有绝缘座的空心金属球壳A带有4×10-8C的正电荷,有绝缘柄的金属小球B带有2×10-8C的负电荷,使B球与球壳A内壁接触。
如图1所示,则A、B带电荷量分别为( )A.Q A=1×10-8 C,Q B=1×10-8 C 图1B.Q A=2×10-8 C,Q B=0C.Q A=0,Q B=2×10-8 CD.Q A=4×10-8 C,Q B=-2×10-8 C解析:根据接触带电原理和静电平衡条件知,正负电荷先中和,剩余电荷只能分布在导体外表面,故B正确,A、C、D错误。
(满分50分时间30分钟)一、选择题(本题共8小题,每小题4分,共32分)1.电场中有A、B两点,把电荷从A点移到B点的过程中,电场力对电荷做正功,则( ) A.电荷的电势能减少B.电荷的电势能增加C.A点的场强比B大D.A点的场强比B小解析:由电场力做功与电势能变化的关系知A正确。
答案:A2.一点电荷仅受电场力作用,由A点无初速度释放,先后经过电场中的B点和C点。
点电荷在A、B、C三点的电势能分别用E p A、E p B、E p C表示,则E p A、E p B和E p C间的关系可能是( ) A.E p A>E p B>E p C B.E p A<E p B<E p CC.E p A<E p C<E p B D.E p A>E p C>E p B解析:点电荷仅受电场力作用,在A点其动能为零,电势能最大,而在B、C两点的动能大小无法确定,故两点的电势能大小不能确定。
答案:AD3.如图1所示,在两点电荷形成的电场中,B点的合场强为零,一电子沿直线从A点移动到C点的过程中,下列说法正确的是( ) 图1 A.电子从A到B的过程中,电场力对其做正功B.电子从A到C的过程中,电场力对其做负功C.电子从A到C的过程中,其电势能先增大后减小D.电子从A到C的过程中,其电势能先减小后增大解析:由于电子带负电,且B点的合场强为零,所以A→B过程中,合场强方向向右,电子受力向左,B→C的过程中,合场强方向向左,电子受力向右。
所以A→C的过程中,电场力对电子先做负功,后做正功,所以电势能先增大后减小,应选C项。
答案:C4.如图2所示,在点电荷电场中的一条电场线上依次有A、B、C 三点,分别把+q和-q的试探电荷依次放在三点上,关于图2它们所具有的电势能E的正确说法是( )A.放上+q时,它们的电势能E A>E B>E CB.放上+q时,它们的电势能E A<E B<E CC.放上-q时,它们的电势能E A>E B>E CD.放上-q时,它们的电势能E A<E B<E C解析:放上+q时,电荷从位置A→B→C,都是电场力做正功,电势能应减小,可见E A>E B>E C。
第1节电荷__电荷守恒定律1.自然界中有两种电荷,富兰克林把它们命名为正、负电 荷:同种电荷相互排斥,异种电荷相互吸引。
2.物体带电的方式有三种:摩擦起电、感应起电、接触起电,这三种起电方式的实质都是电子在物体之间或物体内部的转移。
3.电荷既不会创生,也不会消灭,在电荷的转移过程中, 总量保持不变。
4.元电荷e =1.6×10-19C ,所有带电体的电荷量都等于e 的整数倍。
5.密立根通过油滴实验确定了电荷量的不连续性,并测 定了元电荷的数值。
一、摩擦起电 两种电荷 1.摩擦起电通过摩擦使物体带电的方法。
2.两种电荷及作用(1)两种电荷:用丝绸摩擦过的玻璃棒带正电,用毛皮摩擦过的橡胶棒带负电。
(2)作用:同种电荷相互排斥,异种电荷相互吸引。
3.电荷量(1)定义:电荷的多少,简称电量。
(2)单位:国际单位制中是库仑,符号:C 。
常用单位及其换算关系:1 C =106 μC =109 nC 。
4.原子结构及电性(1)原子⎩⎨⎧电子:带负电原子核⎩⎪⎨⎪⎧质子:带正电中子:不带电(2)原子的电性⎩⎪⎨⎪⎧中性:核外电子数等于质子数正电:失去电子负电:得到电子5.对摩擦起电的微观解释不同物质的原子核对外层电子的束缚和吸引力不同,两种不同的物质相互摩擦时,由于摩擦力做功,使得束缚能力弱的物体失去电子而带正电,吸引能力强的物质得到电子而带负电。
二、电荷守恒定律 1.元电荷一个电子所带电量的绝对值,是电荷的最小单元,记作:e =1.6×10-19_C 。
任何带电体所带电荷量都是元电荷的整数倍。
2.电荷守恒定律电荷既不能被创造,也不能被消灭,它们只能从一个物体转移到另一个物体,或者从物体的一部分转移到另一部分。
也就是说,在任何自然过程中,电荷的代数和是守恒的。
三、静电感应与感应起电 1.静电感应当带电体靠近不带电的导体时,由于电荷的相互作用,使不带电的导体两端出现等量异种电荷的现象。
2.感应起电利用静电感应使导体带电的方法。
3.感应起电的适用条件感应起电只适用于导体。
绝缘体的电子因不能自由移动而不能感应起电。
1.自主思考——判一判(1)丝绸与任何物体摩擦后都带负电。
(×)(2)两不带电的物体相互摩擦后,若一个带正电,另一个一定带等量的负电。
(√) (3)摩擦起电现象使本没有电子和质子的物体中产生了电子和质子。
(×) (4)元电荷实质上是指电子和质子本身。
(×)(5)元电荷不是电荷,而是一个表示电荷量的数值。
(√)(6)在摩擦起电过程中两物体均带了电,违背了电荷守恒定律。
(×) 2.合作探究——议一议 (1)图1-1-1图1-1-1中笑容灿烂的女生为什么又“怒发冲冠”?提示:图中的女生手扶静电起电机,身体带上了静电,头发因带了同种电荷而相互排斥,所以头发呈辐射状。
(2)如图1-1-2所示,橡胶棒AB向右靠近带电小球时,A、B两端能否出现感应电荷?为什么?图1-1-2提示:不能。
因为橡胶棒为绝缘体,其内部电子不能自由移动,故其两端不会出现感应电荷。
(3)带有等量异种电荷的两金属球接触后发生电荷的中和,此时电荷消失了吗?提示:电荷的中和是指等量异种电荷相遇时对外不显电性的现象,电荷并没有消失。
电荷间的相互作用[典例](多选)如图1-1-3所示,a、b、c、d为四个带电小球,两球之间的作用分别为a吸引d,c排斥a,b排斥c,d吸引b,则()图1-1-3A.有两个小球带同种电荷B.有三个小球带同种电荷C.c、d小球带同种电荷D.c、d小球带异种电荷[解析]由d吸引a,d吸引b可知,a与b带同种电荷,且与d带异种电荷;由c排斥a,c排斥b可知,c与a、b带同种电荷,c与d带异种电荷,A、C错,B、D对。
[答案]BD电荷间的相互作用规律为“同性相斥,异性相吸”。
判断电荷间的相互作用,有时也可以用假设法进行分析。
1.有一质量较小的小球A,用绝缘细线悬吊着,当用毛皮摩擦过的硬橡胶棒B靠近它时,看到它们先相互吸引,接触后又互相排斥,则以下判断中正确的是() A.接触前,A、B一定带异种电荷B.接触前,A、B可能带异种电荷C.接触前,A球一定不带任何净电荷D.接触后,A球一定带负电荷解析:选B用毛皮摩擦过的硬橡胶棒B带负电靠近小球A时,先相互吸引,说明接触前A不带电或带正电,故B对;而接触后,二者相互排斥,说明二者又肯定带了同种电荷,但是何种电荷无法判断。
故只能选B。
2.绝缘细线上端固定,下端悬挂一轻质小球a,a的表面镀有铝膜,在a的附近,有一个绝缘金属球b,开始时a、b均不带电,如图1-1-4所示,现使b带电,则()图1-1-4A.a、b之间不发生相互作用B.b将吸引a,吸住后不分开C.b立即把a排斥开D.b先吸引a,接触后又把a排斥开解析:选D b球带电后,吸引a球,接触后两球带上同种电荷相互排斥又分开。
3.有A、B、C三个塑料小球,A和B,B和C,C和A间都是相互吸引的,如果A带正电,则()A.B、C球均带负电B.B球带负电,C球带正电C.B、C球中必有一个带负电,而另一个不带电D.B、C球都不带电解析:选C A带正电,A吸引C,则C可能带负电或不带电;A吸引B,则B可能带负电或不带电;若B带负电,B又吸引C,则C此时不带电;同理,若C带负电,则B不带电。
三种起电方式的理解1.三种起电方式图1-1-52.三种起电方式对比摩擦起电感应起电接触起电产生及条件通常是两种不同绝缘体摩擦时导体靠近带电体时不带电与带电体接触时现象两物体带上等量异种电荷导体两端出现等量异种电荷,且电性与原带电体“近异远同”原来不带电的物体上带上与带电体相同电性的电荷原因因不同物质的原子核对核外电子的束缚力不同而发生电子得失导体中的自由电子受带正(负)电物体吸引(排斥)而靠近(远离)电荷之间的相互排斥实质均为电荷在物体之间或物体内部的转移1.毛皮与橡胶棒摩擦后,橡胶棒带负电,这是因为()A.橡胶棒上的正电荷转移到毛皮上去了B.毛皮上的电子转移到橡胶棒上去了C.橡胶棒失去了电子D.毛皮得到了质子解析:选B毛皮与橡胶棒摩擦后,橡胶棒带负电,这是因为毛皮上的电子转移到橡胶棒上去了,橡胶棒得到电子带负电,毛皮失去电子带正电,故选B。
2.如图1-1-6所示,当将带正电的球C移近不带电的枕形绝缘金属导体AB时,枕形导体上的电荷移动情况是()图1-1-6A.枕形金属导体上的正电荷向B端移动,负电荷不移动B.枕形金属导体中的带负电的电子向A端移动,正电荷不移动C.枕形金属导体中的正、负电荷同时分别向B端和A端移动D.枕形金属导体中的正、负电荷同时分别向A端和B端移动解析:选B金属导体中能够自由移动的是自由电子,正电荷几乎不能移动,当带正电荷的球C移近不带电的枕形金属导体时,发生了静电感应现象,所以自由电子在外电场的作用下向A移动,而正电荷不移动,故选项B正确,A、C、D错误。
3.(多选)下列关于验电器的说法中正确的是()A.将带负电的硬橡胶棒与验电器的小球接近时,金属箔片上质子被吸引从而转移到小球上B.将带负电的硬橡胶棒与验电器的小球接近时,小球上电子被排斥从而转移到金属箔片上C.将带负电的硬橡胶棒与原来不带电的验电器小球接触,验电器的金属箔片因带负电而张开D.将带负电的硬橡胶棒与原来不带电的验电器小球接近,验电器的金属箔片因带负电而张开解析:选BCD同号电荷相互排斥,异号电荷相互吸引。
当带负电的硬橡胶棒靠近验电器的小球时,小球中电子受到排斥力而向金属箔片转移,此时金属小球失去了电子带正电,金属箔片得到电子带负电,金属箔片带同号电荷互相排斥而张开。
金属箔片带电荷量越多,排斥力越大,其张角越大。
当带负电的硬橡胶棒接触验电器小球时,在接触前的靠近过程中同样会引起金属小球中的电子向金属箔片转移,只是接触后硬橡胶棒上的负电子向金属小球再发生转移。
在固体的起电现象中,能转移的电荷只有电子,质子不能自由移动。
电荷守恒定律的理解及应用怎么理解电荷守恒定律?(1)电荷守恒定律和能量守恒定律一样,也是自然界中最基本的守恒定律。
(2)两种典型的摩擦起电现象:一是用丝绸摩擦玻璃棒,玻璃棒带正电;二是用毛皮摩擦橡胶棒,橡胶棒带负电。
玻璃棒和橡胶棒上带的电都不是凭空产生的,而是通过摩擦使物体之间发生了电子得失的现象,符合电荷守恒定律,可以推断:与玻璃棒摩擦过的丝绸要带负电,与橡胶棒摩擦过的毛皮要带正电。
(3)带等量异种电荷的两金属球相接触,发生电荷中和,两球都不再带电,这个过程中两球所带电荷的总量并没有变(为零),电荷也是守恒的。
(4)电荷守恒定律的广泛性:任何电现象都遵守电荷守恒定律,涵盖了包括近代物理实验发现的微观粒子在变化中遵守的规律。
如:由一个高能光子可以产生一个正电子和一个负电子,一对正、负电子可同时湮没、转化为光子。
在这种情况下,带电粒子总是成对产生或湮没,电荷的代数和不变。
[典例] 半径相同的两金属小球A 、B 带有相同的电荷量,相隔一定的距离,今让第三个半径相同的不带电金属小球C 先后与A 、B 接触后移开。
(1)若A 、B 两球带同种电荷,接触后两球的电荷量之比为多大? (2)若A 、B 两球带异种电荷,接触后两球的电荷量之比为多大? [思路点拨][解析] (1)若两球带同种电荷,设q A =q B =Q , C 先与A 接触后:q A ′=q C =Q2C 再与B 接触后:q B ′=q C ′=Q +Q 22=34Q则q A ′q B ′=2∶3。
(2)若两球带异种电荷,设q A =Q ,q B =-Q C 先与A 接触后:q A ′=q C =Q2C 再与B 接触后:q B ′=q C ′=-Q +Q 22=-Q4则:q A ′|q B ′|=2∶1。
[答案] (1)2∶3 (2)2∶1两个完全相同的导体球相互接触后的电荷分配规律 (1)若只有一个导体球带电,则接触后电荷平分; (2)若两个导体球带同种电荷,则总电荷平分;(3)若两个导体球带异种电荷,则先中和,剩余电荷再平分。
1.(多选)甲、乙、丙三个物体开始都不带电,现在使甲、乙两个物体相互摩擦后,乙物体再与丙物体接触,最后得知甲物体带正电1.6×10-15C ,丙物体带电8.0×10-16C 。
则对于最后乙、丙两物体的带电情况,下列说法中正确的是( )A .乙物体一定带有负电荷8.0×10-16CB .乙物体可能带有负电荷2.4×10-15C C .丙物体一定带有正电荷8.0×10-16 CD .丙物体一定带有负电荷8.0×10-16C解析:选AD 由于甲、乙、丙原来都不带电,即电荷总量为0。
甲、乙相互摩擦,导致甲失去的电子的电荷量为1.6×10-15 C ,甲带1.6×10-15 C 的正电,而乙物体得到电子而带1.6×10-15 C 的负电荷;乙物体与不带电的丙物体接触,从而使一部分负电荷转移到丙物体上,故可知乙、丙两物体都带负电荷,由电荷守恒可知,乙的带电荷量为1.6×10-15 C -8.0×10-16 C =8.0×10-16 C ,故A 、D 正确。