灭火器使用时间型号代码
- 格式:doc
- 大小:310.00 KB
- 文档页数:10
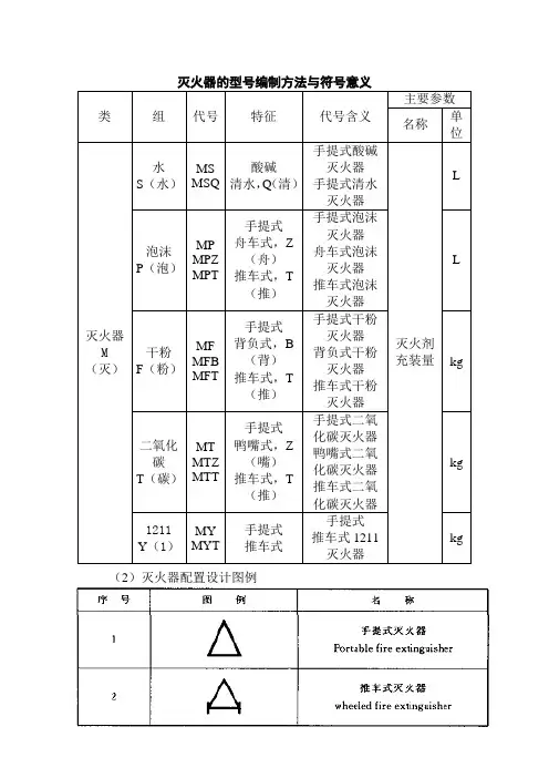
类
组
代
号
特征代号含义
主要参数
名称
单
位
灭火器
M (灭)
水
S(水)
MS
MSQ
酸碱
清水,Q(清)
手提式酸碱灭火器
手提式清水灭火器
灭火剂充装
量
L
泡沫
P(泡)
MP
MPZ
MPT
手提式
舟车式,Z(舟)
推车式,T(推)
手提式泡沫灭火器
舟车式泡沫灭火器
推车式泡沫灭火器
L
干粉
F(粉)
MF
MFB
MFT
手提式
背负式,B(背)
推车式,T(推)
手提式干粉灭火器
背负式干粉灭火器
推车式干粉灭火器
kg
二氧化
碳
T(碳)
MT
MTZ
MTT
手提式
鸭嘴式,Z(嘴)
推车式,T(推)
手提式二氧化碳灭火器
鸭嘴式二氧化碳灭火器
推车式二氧化碳灭火器
kg
1211
Y(1)
MY
MYT
手提式
推车式
手提式/推车式1211灭
火器
kg
(2)灭火器配置设计图例
灭火器适用灭火对象、规格与灭火级别
注:①O表示“适用对象”;▲表示“精密仪器设备不宜选用”;×表示“不用”。
灭火器类型适用性
②化学泡沫灭火器已淘汰;目前抗溶泡沫灭火器常用机械泡沫类型灭火器。
③D类火灾在我国目前还没有定型的灭火器产品,可采用干砂或铸铁屑末来替代。
灭火器检查内容
灭火器的维修与报废期限。
常用灭火器种类及使用年限
火灾是一种常见的危险事件,为了有效地防范和扑灭火灾,灭火器成为了必不可少的安全设备。
不同种类的灭火器适用于不同类型的火灾,而且每种类型的灭火器都有其使用年限。
本文将介绍几种常用的灭火器种类及其使用年限。
干粉灭火器
干粉灭火器是一种多用途的灭火器,适用于A类(固体物质,如木材、纸张)、B类(可燃液体,如汽油、柴油)和C
类(电气设备)火灾。
干粉灭火器通常有5年的使用年限,
但在每年的定期保养和检查后可以继续使用。
二氧化碳灭火器
二氧化碳灭火器适用于B类和C类火灾,尤其在电器火灾
中效果显著。
二氧化碳灭火器的使用年限一般为10年,但需
要经常检查压力是否足够,确保正常使用。
泡沫灭火器
泡沫灭火器通常用于A类和B类火灾,尤其是油脂火灾。
泡沫灭火器的使用年限为5年,但需要每年检查压力和泡沫
液位。
水基灭火器
水基灭火器适用于A类火灾,例如纸张和木材火灾。
水基
灭火器的使用年限为5年,但需要定期保养和检查,确保灭
火效果。
自动灭火系统
自动灭火系统是一种固定系统,通常安装在易燃场所,如厨房和机房。
自动灭火系统的使用年限根据系统的型号和制造商而定,但通常需要每年检查和维护。
以上是几种常用的灭火器种类及其使用年限。
使用灭火器时需要注意正确使用方法,并定期检查和保养,确保在火灾发生时能够有效扑灭火灾,保护生命和财产安全。
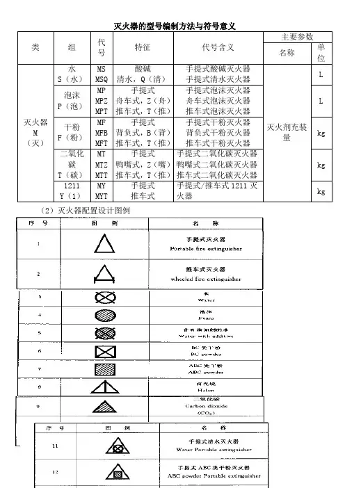
灭火器的型号编制方法与符号意义
灭火器(2)灭火器配置设计图例
灭火器适用灭火对象、规格与灭火级别
注:①O表示“适用对象”;▲表示“精密仪器设备不宜选用”;×表示“不用”。
灭火器类型适用性
注:①新型的添加了能灭B类火灾的添加剂的水型灭火器具有B 类灭火级别,可灭B类火灾。
②化学泡沫灭火器已淘汰;目前抗溶泡沫灭火器常用机械泡沫类型灭火器。
③D类火灾在我国目前还没有定型的灭火器产品,可采用干砂或铸铁屑末来替代。
灭火器检查内容
灭火器的维修与报废期限
精品
感谢下载!
欢迎您的下载,资料仅供参考
感谢下载载。
灭火器的型号编制方法与符号意义
类组代
号
特征代号含义
主要参数
名称
单
位
灭火器
M (灭)
水
S(水)
MS
MSQ
酸碱
清水,Q(清)
手提式酸碱灭火器
手提式清水灭火器
灭火剂充装
量
L
泡沫
P(泡)
MP
MPZ
MPT
手提式
舟车式,Z(舟)
推车式,T(推)
手提式泡沫灭火器
舟车式泡沫灭火器
推车式泡沫灭火器
L
干粉
F(粉)
MF
MFB
MFT
手提式
背负式,B(背)
推车式,T(推)
手提式干粉灭火器
背负式干粉灭火器
推车式干粉灭火器
kg
二氧化
碳
T(碳)
MT
MTZ
MTT
手提式
鸭嘴式,Z(嘴)
推车式,T(推)
手提式二氧化碳灭火器
鸭嘴式二氧化碳灭火器
推车式二氧化碳灭火器
kg
1211
Y(1)
MY
MYT
手提式
推车式
手提式/推车式1211灭
火器
kg
(2)灭火器配置设计图例
灭火器适用灭火对象、规格与灭火级别
注:①O表示“适用对象”;▲表示“精密仪器设备不宜选用”;×表示“不用”。
灭火器类型适用性
②化学泡沫灭火器已淘汰;目前抗溶泡沫灭火器常用机械泡沫类型灭火器。
③D类火灾在我国目前还没有定型的灭火器产品,可采用干砂或铸铁屑末来替代。
灭火器检查内容
灭火器的维修与报废期限。
消防监督员登记表姓名年龄 性别 照 片 单位 职务 政治面貌文化程度 毕业院校联系电话(座机): 联系电话 (手机):培 训 记 录年 月 日至 年 月 日培训班主办单位及培训内容 考试成绩消防监督员发证记录消防监督证编号发证机关 消防监督范围 有效期消防装备情况物资供销公司:时间:年月装备名称型号装备数量购置时间灭火器的使用保养及配置一、灭火器的分类、应用范围、使用和维护保养(一)、干粉灭火器干粉灭火器是以干粉为灭火剂,二氧化碳或氮气为驱动器提到灭火器。
干粉灭火剂是一种干燥、细微易于流动的固态粉末。
由于这些成分主要是无机盐类,又称为化学粉末灭火剂。
在使用时,充装在灭火设备中的干粉借助驱动器提到压力施放,以喷雾的行驶进入燃烧区。
大量浓云般的粉雾,可以阻止氧进入燃烧区,降低火焰对燃料的热辐射作用,减少燃料蒸发,从而降低燃烧强度。
干粉在燃烧过程中吸收热量,放出水蒸气,分解出CO₂,能起到隔热、冷却、窒息作用。
1、使用范围干粉灭火剂分为普通型(BC类)和多用型(ABC类)。
(1)普通型干粉灭火剂主要品种有:钠盐干粉紫甲盐干粉、超级钾盐干粉、钾盐干粉、混合型干粉和氨基干粉等,用于扑救可燃液体、可融化固体、可燃气体及带电设备的火灾。
(2)多用型干粉灭火剂主要包括以磷酸盐为基料的干粉、以磷酸铵和硫酸铵为基料的干粉和以聚磷酸铵为基料的干粉等,这类干粉除扑救上列火灾外,还可以扑救一般物质火灾,如木材、棉、麻、纸张等。
1、规格(1)手提式干粉灭火器按充装灭火剂的重量分为:1、2、3、4、5、6、8、10kg 八个规格。
(2)推车式干粉灭火器按充装灭火剂的重量分为:20、50、100、125kg四个规格。
2、应用限制干粉尽管具有灭火效率高、速度快、无毒等特点,但在使用方面也有一定的局限性。
(1)对自身能够释放氧或提供氧源的化合物(如消化纤维、过氧化物等)不能用干粉灭火。
(2)金属钾、磷、镁、钛、锌等火灾,也不能用干粉灭火。
灭火器上这些代号究竟代表啥意思?
不同种类的灭火器,适用于不同物质的火灾,其结构和使用方法也各不相同。
灭火器的种类较多,按其移动方式可分为手提式和推车式;按其驱动灭火剂的动力来源可分为储气瓶式和储压式;按所充装的灭火剂又可分为水基型、干粉、二氧化碳、洁净气体灭火器等;按灭火类型分为A类灭火器、B类灭火器、C类灭火器、D类灭火器、E 类灭火器等。
各类灭火器一般都有特定的型号和标识,我国灭火器的型号由类、组、特征代号及参数组成。
类、组、特征代号用大写汉语拼音字母表示。
1)灭火器本身代号:
M——灭火器本身代号,一般编在型号首位。
2)灭火剂代号编在型号第二位:
F——干粉灭火剂
T——二氧化碳灭火剂
Y——1221灭火剂
Q——清水灭火剂
3)编在型号第三位的是各类灭火器结构特征代号:
S——手提式
T——推车式
Y——鸭嘴式
Z——舟车式
B——背负式
4)编在型号最末位的是各类灭火剂的质量或容积。
如:
MF/ABC2——2KGABC干粉灭火剂
MSQ9——容积为9L的手提式清水灭火器
MFT50——50KG推车式干粉灭火器
MFZ/ABC4——4KGABC贮压式干粉灭火剂(Z表示贮压式)。
消防常用设备代码表消防常用设备代码表是指用于标示和识别各类消防设备的一套分类和编码系统。
其编码系统可以根据设备的类型、功能、品牌、规格等进行分类,为管理、使用和维护消防设备提供便利。
以下是消防常用设备代码表的参考内容:1. 灭火器代码表:- 1.1 粉末灭火器:H01- 1.2 气体灭火器:H02- 1.3 二氧化碳灭火器:H03- 1.4 水基灭火器:H04- 1.5 泡沫灭火器:H05- 1.6 车辆灭火器:H062. 消防栓代码表:- 2.1 地下消火栓:S01- 2.2 室内消火栓:S02- 2.3 室外消火栓:S03- 2.4 干式消火栓:S04- 2.5 喷淋系统:S053. 火灾报警器代码表:- 3.1 烟感火灾报警器:A01- 3.2 红外热感火灾报警器:A02- 3.3 燃气火灾报警器:A03- 3.4 可燃气体探测器:A04- 3.5 温度火灾报警器:A05- 3.6 火焰探测器:A064. 安全出口标志代码表:- 4.1 安全出口标志(绿色):E01 - 4.2 避难指示灯(绿色):E02- 4.3 避难指示标志(绿色):E03 - 4.4 逃生指示器(绿色):E04- 4.5 喷淋标志(红色):E05- 4.6 警示标志(黄色):E065. 消防应急照明设备代码表:- 5.1 应急照明灯具:M01- 5.2 应急疏散指示标志灯具:M02 - 5.3 应急绿色指示器灯具:M03 - 5.4 应急疏散字样标志灯具:M04 - 5.5 应急防爆灯具:M056. 消防水泵代码表:- 6.1 消防增压供水设备:P01- 6.2 消防水泵:P02- 6.3 消防水箱:P03- 6.4 消防喷淋设备:P04- 6.5 消防水带:P057. 消防防烟系统代码表:- 7.1 排烟系统:F01- 7.2 防烟垂壁:F02- 7.3 防烟窗:F03- 7.4 防烟卷帘门:F04- 7.5 防烟幕帘:F05通过消防常用设备代码表,可以方便快速地进行消防设备的分类、识别和管理。
一、灭火器维修时间之南宫帮珍创作
1.1 手提式和推车式1211灭火器、手提式和推车式干粉灭火器,以及手提式和推车式二氧化碳灭火器期满五年,以后每隔二年,必须进行水压试验等检查。
1.2 手提式和推车式机械泡沫灭火器、手提式清水灭火器期满三年,以后每隔二年,必须进行水压试验检查。
1.3 手提式和推车式化学泡沫灭火器、手提式酸碱灭火器期满二年,以后每隔一年,必须进行水压试验检查。
二、灭火器的报废年限
灭火器从出厂日期算起,达到如下年限的,必须报废:
a.手提式化学泡沫灭火器——5年;
b.手提式酸碱灭火器——5年;
c.手提式清水灭火器——6年;
d.手提式干粉灭火器(贮气瓶式)——8年;
e.手提贮压式干粉灭火器——10年;
f.手提式1211灭火器——10年;
g.手提式二氧化碳灭火器——12年;
h.推车式化学泡沫灭火器——8年;
i.推车式干粉灭火器(贮气瓶式)——10年;
j.推车贮压式干粉灭火器——12年;
k.推车式1211灭火器——10年;l.推车式二氧化碳灭火器——12年。
灭火器的型号编制方法与符号意义类组代号特征代号含义主要参数名称单位灭火器M (灭)水S(水)MSMSQ酸碱清水,Q(清)手提式酸碱灭火器手提式清水灭火器灭火剂充装量L泡沫P(泡)MPMPZMPT手提式舟车式,Z(舟)推车式,T(推)手提式泡沫灭火器舟车式泡沫灭火器推车式泡沫灭火器L干粉F(粉)MFMFBMFT手提式背负式,B(背)推车式,T(推)手提式干粉灭火器背负式干粉灭火器推车式干粉灭火器kg二氧化碳T(碳)MTMTZMTT手提式鸭嘴式,Z(嘴)推车式,T(推)手提式二氧化碳灭火器鸭嘴式二氧化碳灭火器推车式二氧化碳灭火器kg1211Y(1)MYMYT手提式推车式手提式推车式1211灭火器kg(2)灭火器配置设计图例灭火器适用灭火对象、规格与灭火级别注:①O表示“适用对象”;▲表示“精密仪器设备不宜选用”;×表示“不用”。
灭火器类型适用性注:①新型的添加了能灭B类火灾的添加剂的水型灭火器具有B 类灭火级别,可灭B类火灾。
②化学泡沫灭火器已淘汰;目前抗溶泡沫灭火器常用机械泡沫类型灭火器。
③D类火灾在我国目前还没有定型的灭火器产品,可采用干砂或铸铁屑末来替代。
灭火器检查内容灭火器的维修与报废期限。
灭火器的型号集团标准化工作小组 #Q8QGGQT-GX8G08Q8-GNQGJ8-MHHGN#类组代号特征代号含义主要参数名称单位灭火器M (灭)水S(水)MSMSQ酸碱清水,Q(清)手提式酸碱灭火器手提式清水灭火器灭火剂充装量L泡沫P(泡)MPMPZMPT手提式舟车式,Z(舟)推车式,T(推)手提式泡沫灭火器舟车式泡沫灭火器推车式泡沫灭火器L干粉F(粉)MFMFBMFT手提式背负式,B(背)推车式,T(推)手提式干粉灭火器背负式干粉灭火器推车式干粉灭火器kg二氧化碳T(碳)MTMTZMTT手提式鸭嘴式,Z(嘴)推车式,T(推)手提式二氧化碳灭火器鸭嘴式二氧化碳灭火器推车式二氧化碳灭火器kg1211Y(1)MYMYT手提式推车式手提式/推车式1211灭火器kg(2)灭火器配置设计图例灭火器适用灭火对象、规格与灭火级别灭火器类型灭火剂充装量灭火器类型规格代码(型号)灭火级别及使用对象容量/L质量/kgA类B类C类D类E类ABCE水型手提式3MS/Q31A ×××××MS/T3 55B6MS/Q61A ×MS/T6 55B9MS/Q92A ×MS/T9 89B推车式20 MST20 4A ×××××45 MST40 4A ×60 MST60 4A ×125 MST125 6A ×泡沫型(化学泡沫) 手提式3 MP3、MP/AR3 1A 55B××××4 MP4、MP/AR4 1A 55B6 MP6、MP/AR6 1A 55B9 MP9、MP/AR9 2A 89B推车式20 MPT20、MPT/AR20 4A 113B××××45 MPT40、MPT/AR40 4A 144B60 MPT60、MPT/AR60 4A 233B注:①O表示“适用对象”;▲表示“精密仪器设备不宜选用”;×表示“不用”。
消防器材管理卡编号为了保证公司安全生产,防患于未燃,规范消防器材管理,对各岗位的灭火器制定了编号及负责人,望各岗位负责人对灭火器认真负责,杜绝灭火器随处摆放或有动火作业时使用后不归位。
以下编号灭火器归孟庆顺负责一车间:脱溶岗位灭火器MFZL35型编号 NO.001 NO.002灭火器MFZ/ABC8型编号 NO.004 NO.005编号 NO.006 NO.007编号 NO.008 NO.009 二层东楼梯口灭火器MFZ/ABC4型编号NO.014以下编号灭火器归张卫杰负责脱溶岗位灭火器MFZL35型编号 NO.003灭火器MFZ/ABC8型编号NO.010 NO.011编号NO.012投料处灭火器MFZL35型编号 NO.013灭火器MFZ/ABC8型编号NO.015 NO.0166000脱溶底平台灭火器 MFZ/ABC4型编号NO.017 NO.018以下编号灭火器归李献军负责缩合岗位灭火器MFZL35型编号 NO.019灭火器MFZ/ABC8型编号NO.020灭火器MFZ/ABC4型编号NO.021一车间西外灭火器MFZL35型编号 NO.022 编号 NO.023编号 NO.024精馏塔灭火器MFZL35型编号 NO.025 编号 NO.026编号 NO.027灭火器MFZ/ABC8型编号NO.028灭火器MFZ/ABC4型编号NO.029以下编号灭火器归李进国负责离心岗位一车间灭火器MFZL35型编号 NO.030 编号 NO.031编号 NO.032 编号 NO.033 灭火器MFZ/ABC8型编号NO.034 编号NO.035编号NO.036 编号NO.037编号NO.045 编号NO.046 二车间灭火器MFZL35型编号 NO.038 编号 NO.039编号 NO.040灭火器MFZ/ABC8型编号NO.041 编号NO.042编号NO.043 编号NO.044 以下编号灭火器归韦会明负责二车间脱溶灭火器MFZL35型编号 NO.045 编号 NO.046编号 NO.051 编号 NO.054 灭火器MFZ/ABC8型编号NO.047 编号NO.048编号NO.049 编号NO.050编号NO.052 编号NO.053以下编号灭火器归李文山负责投料处灭火器MFZL35型编号 NO.055 编号 NO.056灭火器MFZ/ABC8型编号NO.057 编号NO.058 缩合灭火器MFZL35型编号NO.059 编号 NO.060中合灭火器MFZL35型编号NO.061以下编号灭火器归王新有负责6000 脱溶底下平台灭火器MFZ/ABC4型编号NO.0623000 脱溶底下平台灭火器MFZ/ABC8型编号NO.063西外灭火器MFZL35型编号 NO.064以下编号灭火器归马冰负责冷冻车间灭火器MFZ/ABC8型编号NO.065 编号NO.066编号NO.067 编号NO.068灭火器MFZL35型编号 NO.069 编号 NO.070以下编号灭火器归杨艳杰负责三效车间灭火器MFZ/ABC8型编号NO.071 编号NO.072编号NO.073灭火器MFZ/ABC4型编号NO.074灭火器MFZL35型编号 NO.075以下编号灭火器归张金喜负责锅炉车间灭火器MFZ/ABC8型编号NO.076 编号NO.077以下编号灭火器归彭开贤负责三乙胺车间灭火器MFZ/ABC4型编号NO.078 编号NO.079编号NO.084 编号NO.085灭火器MFZ/ABC8型编号NO.086 编号NO.087灭火器MFZL35型编号 NO.080 编号NO.081编号NO.082 编号NO.083 以下编号灭火器归于振录负责水剂车间灭火器MFZ/ABC8型编号 NO.088 编号NO.089编号NO.090 编号NO.091 以下编号灭火器归史飞负责污水灭火器MFZ/ABC8型编号NO.093 编号NO.094灭火器MFZL35型编号 NO.092以下编号灭火器归刘春军负责干燥灭火器MFZ/ABC8型编号NO.096 编号NO.097灭火器MFZL35型编号 NO.095以下编号灭火器归张志龙负责干燥灭火器MFZ/ABC8型编号NO.099 编号NO.100编号NO.101灭火器MFZL35型编号 NO.098以下编号灭火器归李敬平负责氯甲烷一层灭火器MFZL35型编号 NO.113 编号 NO.114编号 NO.115 编号 NO.116编号 NO.117灭火器MFZ/ABC8型编号 NO.126 编号 NO.127 氯甲烷二层灭火器MFZ/ABC8型编号NO.107 编号NO.108编号NO.109 编号NO.110 氯甲烷二层操作室灭火器MFZ/ABC8型编号NO.111 编号NO.112 氯甲烷三层灭火器MFZ/ABC8型编号NO.102 编号NO.103编号NO.104 编号NO.105编号NO.106氯甲烷气柜灭火器MFZL35型编号NO.118 编号NO.120 三氯化磷灭火器MFZ/ABC8型编号NO.122 编号NO.124灭火器MFZL35型编号NO.119盐酸罐灭火器MFZ/ABC8型编号NO.123硫酸罐区灭火器MFZ35型编号NO.121精馏灭火器MFZL35型编号NO.125。
类组代号特征代号含义主要参数名称单位灭火器M (灭)水S(水)MSMSQ酸碱清水,Q(清)手提式酸碱灭火器手提式清水灭火器灭火剂充装量L泡沫P(泡)MPMPZMPT手提式舟车式,Z(舟)推车式,T(推)手提式泡沫灭火器舟车式泡沫灭火器推车式泡沫灭火器L干粉F(粉)MFMFBMFT手提式背负式,B(背)推车式,T(推)手提式干粉灭火器背负式干粉灭火器推车式干粉灭火器kg二氧化碳T(碳)MTMTZMTT手提式鸭嘴式,Z(嘴)推车式,T(推)手提式二氧化碳灭火器鸭嘴式二氧化碳灭火器推车式二氧化碳灭火器kg1211Y(1)MYMYT手提式推车式手提式/推车式1211灭火器kg(2)灭火器配置设计图例灭火器适用灭火对象、规格与灭火级别注:①O表示“适用对象”;▲表示“精密仪器设备不宜选用”;×表示“不用”。
灭火器类型适用性②化学泡沫灭火器已淘汰;目前抗溶泡沫灭火器常用机械泡沫类型灭火器。
③D类火灾在我国目前还没有定型的灭火器产品,可采用干砂或铸铁屑末来替代。
灭火器检查内容灭火器的维修与报废期限推车式(贮压式)干粉灭火器推车式(储气瓶式)干粉灭火器洁净气体灭火器手提式洁净气体灭火器推车式洁净气体灭火器二氧化碳灭火器手提式二氧化碳灭火器12推车式二氧化碳灭火器。
从出厂日期算起,达到如下年限的必须报废:手提式化学泡沫灭火器--5年;
手提式酸碱灭火器--5年;
手提式清水灭火器--6年;
手提式干粉灭火器(贮气瓶式)--8年;
手提贮压式干粉灭火器--10年;
手提式1211灭火器--10年;
手提式二氧化碳灭火器--12年;
推车式化学泡沫灭火器--8年;
推车式干粉灭火器(贮气瓶式)--10年;
推车贮压式干粉灭火器--12年;
推车式1211灭火器--10年;
推车式二氧化碳灭火器--12年
M代表灭火器
F代表干粉
Z代表贮压式
T代表推车式
L代表ABC(磷酸铵盐)
S代表水系
Q代表强化水
P代表泡沫
灭火器性能参数、灭火器结构图
灭火器
灭火器是由简体、器头、喷嘴等部件组成,借助驱动压力可将所充装的灭火剂喷出,达到灭火的目的。
灭火器由于结构简单、操作方便、轻便灵活、使用广泛,是扑救各类初期火灾的重要消防器材。
灭火器的种类很多,按其移动方式可分为:手提式和推车式;按驱动灭火剂的动力来源可分为:储气瓶式、储压式、化学反应式;按所充装的灭火剂划分有:泡沫灭火器、干粉灭火器、卤代烷灭火器、二氧化碳灭火器、酸碱灭火器、清水灭火器等。
我国灭火器的型号编制是由类、组、特征代号和主参数四个部分组成。
类、组、特征代号用汉语拼音字母表示具有代表性的字头。
主参数是灭火剂的充装量。
其型号编制方法见表6—2。
表6—2 各种灭火器的型号编制方法
三、干粉灭火器
干粉灭火器以液态二氧化碳或氮气作为动力,将灭火器内干粉灭火药剂喷出而进行灭火。
干粉灭火器适用扑救石油、可燃液体、可燃气体、可燃固体物质的初期火灾。
这种灭火器由于灭火速度快、灭火效力高,广泛应用于石油化工企业。
干粉灭火器按充入的干粉药剂分类,有碳酸氢钠干粉灭火器,也称BC干粉灭火器;磷酸铵盐干粉灭火器,也称ABC干粉灭火器;按加压方式分类有储气瓶式和储压式;按移动方式分类有手提式和推车式。
(一)手提式干粉灭火器
手提式干粉灭火器按充装的干粉药剂量,有1、2、3、4、5、6、8、10kg等8种。
其型号有MF1、MF2、MF3、MF4、MF5、MF6、MFS、MFl0。
其技术性能参数如表6—6。
表6—6 手提式干粉灭火器的技术性能
1.构造
(1)储气瓶式干粉灭火器。
主要有简体、器盖、储气瓶、喷射装置组成。
筒体的充装干粉药剂的容器,其水压试验压力为2.4~3.0MPa,由1.2~2.0mm厚的钢板焊接制成;器盖是密封筒体的盖子,在其上部装有开启机构和喷嘴或喷射软管,下部有出粉管,出气管;储气瓶是充装二氧化碳驱动气体的容器,其设计压力为14.7~17.0MPa,水压试验压力为22.5~25.0MPa。
喷射装置由出粉管、喷射软管和喷嘴组成。
储气瓶式干粉灭火器按储气瓶安装的位置有外挂式的内置式两种。
图6—4为外挂式储气瓶干粉灭火器结构图,图6—5为内置式干粉灭火器结构图。
图6—4 MF型手提外挂式干粉灭火器结构图
1—进气管;2—出粉管;3—二氧化碳钢瓶;4—螺母;5—提环;6—筒体;7—喷粉胶管;
8—喷枪;9—拉环
图6—5 MF型手提内置式干粉灭火器
1—压把;2—提把;3—刺针;4—密封膜片;5—进气管;6—二氧化碳钢瓶;
7—出粉管;8—筒体;9—喷粉管固定夹箍;10—喷粉管(带提环);11—喷嘴
(2)贮压式干粉灭火器。
贮压式干粉灭火器与储气瓶式干粉灭火器结构的区别在于:储气瓶式有单独的储气瓶;而储压式则无储气瓶,但有一块显示筒体内部压力的显示器。
2.适用范围
碳酸氢钠干粉灭火器适用于易燃、可燃液体,气体及带电设备的初起火灾扑救。
磷酸铵盐干粉灭火器除用于扑救易燃、可燃液体、气体及带电设备火灾扑救外,还可扑救固体类物质的初起火灾扑救。
但不能扑救轻金属燃烧的火灾。
3.使用方法
灭火时,可手提或肩扛灭火器奔向火场,在燃烧处5m左右,选择上风位置,一手紧握喷粉胶管,一手打开开启装置喷射。
若是外挂式储气瓶干粉灭火器,操作者提起储气瓶上的开启提环;内置式储气瓶或储压式,操作者应先将开启把上的保险销拨下,然后将开启压把压下。
干粉灭火器扑救可燃、易燃液体火灾时,应对准火焰根部扫射。
如被扑救的液体火灾呈流淌状燃烧,应对准火焰根部由近而远,并左右扫射,直至把火焰全部扑灭;如可燃液
体在容器内燃烧,应对准火焰根部左右晃动扫射,使干粉雾流覆盖容器开口表面。
切不能将喷嘴直接对准液面喷射,防止喷流冲击力将可燃液体溅出容器造成火势蔓延扩大。
(二)MFT推车式干粉灭火器
MFT推车式干粉灭火器按干粉灭火剂充装量分有20、25、35、50、70、100kg 6种;按加压气体储气方式分有储气瓶式和储压式两种;按干粉灭火药剂种类分有碳酸氢钠干粉灭火器和磷酸铵盐干粉灭火器。
其主要技术性能参数见表6—7。
表6—7 MFT型推车式干粉灭火器的技术性能
1.构造
推车式干粉灭火器的构造与手提式干粉灭火器的构造基本相同,主要有干粉罐体、二氧化碳储气瓶、进气管、出粉管、喷粉胶管、喷嘴、压力表、开关、车架、车轮等组成。
如图6—6。
图6—6 推车式干粉灭火器
1—出粉管;2—钢瓶;3—护罩;4—压力表;5—进气压杆;6—提环;7—喷枪
2.适用范围与使用方法
MFT推车式干粉灭火器灭火适用范围与MF干粉灭火器相同。
将灭火器推到起火地点,一人迅速打开喷粉胶管转盘,使喷粉软管完全展开,紧握喷枪对准燃烧处;另一人则迅速拨下保险销,提起拉环,使干粉药剂喷出。
四、二氧化碳灭火器
二氧化碳灭火器利用其内部的液态二氧化碳的蒸气压将二氧化碳喷出灭火。
二氧化碳灭火器按充装量分有2、3、5、7kg等四种手提式的规格和20、25kg等两种推车式规格。
主要技术性能见表6—8。
表6—8 二氧化碳灭火器的技术性能指标
(一)手轮式二氧化碳灭火器
该灭火器主要由钢瓶、启闭阀、喷筒、出液管等组成。
钢瓶由无缝钢管经热旋压收底、收口制成,且有较高的耐压强度,用来灌装二氧化碳灭火剂。
钢瓶的水压试验有两种,一种为22.5MPa,另一种为25.0MPa。
启闭阀采用钢锻制,有良好的密封性,由手轮的转动控制开闭;其下部有一根钢制或尼龙材料制成的出液管直通瓶底。
喷筒为喇叭状,由一根钢管与启闭阀出口相连。
为确保安全,当瓶内二氧化碳灭火剂蒸气压达到17.0MPa 以上时,启闭阀一侧的安全膜片会自行爆破,释放二氧化碳气体。
其构造见图6—7。
图6—7 MT型手轮式二氧化碳灭火器
1—喷筒;2—手轮;3—启闭阀;4—安全阀;5—钢瓶;6—虹吸管
(二)鸭嘴式二氧化碳灭火器
其构造与手轮式大致相同,只是启闭阀的开启形式不同和喷筒的钢丝编织胶管与启闭阀相连。
启闭阀为手动开启,手一松开即自动关闭,又称手动开启自动关闭型。
其结构如图6—8。
图6—8 MTZ型鸭嘴式二氧化碳灭火器
1—压把;2—提把;3—启闭阀;4—钢瓶;5—长箍;6—喷筒;7—虹吸管
1.适用范围
由于二氧化碳灭火剂具有灭火不留痕迹,并有一定的电绝缘性等特点,它适宜扑救600V以下的带电电器、贵重设备、图书资料、仪器仪表等场所的初起火灾,以及一般可燃液体的火灾。
2.使用方法
将灭火器提到起火地点,在距燃烧物5m处,将喷嘴对准火源,打开开关,即可进行灭火。
若使用鸭嘴式二氧化碳灭火器,应先拨下保险销,一手紧握喇叭口根部,另一只手将启闭阀压把压下;若使用手轮式二氧化碳灭火器,应向左旋转手轮。
使用二氧化碳灭火器不能直接用手抓住喇叭口外壁或金属连接管,防止手被冻伤。
在室外使用时,应选择上风方向喷射;室内窄小空间使用时,使用者在灭火后应迅速离开,防止窒息。
储压式干粉灭火器:筒体、瓶头阀、喷射软管(喷嘴)等组成,灭火剂为碳酸氢纳(ABC 型为磷酸铵盐)灭火剂,驱动气体为氮气,常温下其工作压力为1.5MPa。
五、储压式干粉灭火器的主要性能特点:
1、该系列灭火器具有灭火效率高,灭火迅速等特点,内装的干粉灭火剂具有电绝缘性好,不易受潮变质,便于保管等优点。
2、使用的驱动气体无毒、无味,喷射后对人体无伤害。
3、灭火器瓶头阀装有压力表,具有显示其内部压力的作用,便于检查维修。
简图:
1、虹吸管
2、喷筒总成
3、筒体总成
4、保险装置
5、器头总成
使用方法:将灭火器提至火灾现场,拔出保险销,紧握喷射软管,压下压把,对准火焰根部扫射灭火;放开手把,可停止喷射,从而实现间隙喷射。
MFC和MFZ是不一样的,有一个是MFCZ后面加个数字的是老的灭火器型号,例MFCZ/ABC4表示4公斤干粉ABC灭火器;有一个是MFZ/ABC的新的型号。