提返资及过程要点控制表(给排水)
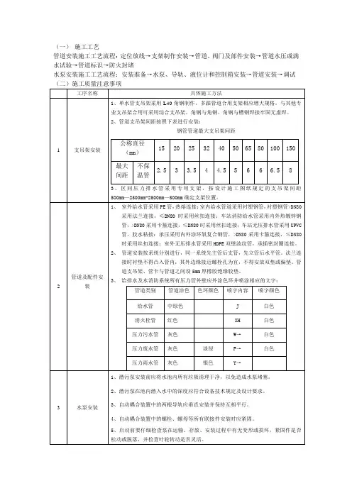
- 格式:xlsx
- 大小:32.99 KB
- 文档页数:2
填写说明:1、本表适用于水系统、纯蒸汽系统及其他洁净公用工程系统等内容。
2、如果没有特殊的说明,设计人员通常选择靠前的选项。
3、用水(汽)点状况时序表,我们提供模板。
4、个别情况有客户会允许使用304材料的情况。
5、管道标准一定说清,涉及全系统的材料、配件、阀门匹配问题。
相同材质、相同品牌、相同公称管径情况下ASME BPE比ISO2037等其他标准的价格要高。
6、回水流速通常的要求是1m/s。
但很多情况下0.9m/s也可以接受,最低的可接受标准是0.6m/s。
此项的选择在有些情况下会对主管直径造成影响。
7、消毒方式:巴氏是指热水消毒,一般在常温下进行,对系统的要求不高,建议纯化水系统下采用;过热水消毒是指在一定压力下的121度以上过热水的消毒,对于系统是压力系统,并且配有回水换热器的情况下使用具有一定的便利性;纯蒸汽消毒通常不建议用于纯化水系统(如果客户坚持,需要注意储罐与制水连接部分的隔离和纯蒸汽发生器的原料水来源问题),注射用水系统可以使用。
8、循环系统换热器在欧盟和中国的验证要求中某些情况可以使用,FDA的项目中不可以使用,具体按客户要求。
9、隔膜阀基本是水系统的标准配置,在纯蒸汽系统中,有ISPE和ASME BPE的文件支持使用球阀,具体按客户要求,如无说明,设计人员按可接受卫生球阀。
由于水系统通常按GMP的要求常年不间断运行,希望尽可能少的类似更换膜片之类的破坏系统完整性的维护动作,因此阀门、垫片一定尽可能选择可靠性高的,尽管价格会高一些。
关于膜片的选择,通常双层膜片有更好的耐温性能、单膜片有更好的耐压性能,价格上双膜片的会略高,因此通常是纯水可以使用单膜片,注射用水考虑使用双膜片。
10、PLC,在系统比较小时,可以选S7-200,当然S7-300可能会价格更高些。
希望尽可能使用S7-300以便控制系统的统一。
11、HMI价格差异比较大,通常西门子价格高于HITECH的,大屏价格高于小屏的,按用户的要求。
设备进场验收记录SN2.1
建筑给水排水及采暖工程材料、设备器具
合格证、质保书、进场检(试)验报告汇总表SN2.2
技术负责人: 质量检查员: 年月日
_______________管道工程隐蔽验收记录SN2.3
______________管道支、吊架安装记录SN2.4
_________________管道焊接检验记录SN2.5
楼板(屋面)立管洞盛水试验记录SN2.6
钢管伸缩器预拉伸安装记录SN2.7
塑料排水管伸缩器安装预留伸缩量记录SN2.8
设备基础交接验收记录SN2.9
管道保温记录SN2.10
设备单机试运转记录SN2.11
子分部工程质量验收记录统表1
给水管道及配件安装工程检验批质量验收记录SN3.1.2
室内消火栓系统安装检验批质量验收记录SN3.1.2
给水设备安装分项工程质量验收记录SN3.1.6
室内消火栓系统安装分项工程质量验收记录统表2
室内排水管道及配件安装工程检验批质量验收记录SN3.2.2
室内雨水管道及配件安装分项工程质量验收表统表2
室内雨水管道及配件安装检验批质量验收记录SN3.2.2
室内热水供应系统子分部工程质量验收记录统表1
室内热水系统辅助设备安装分项工程质量验收表统表2
室内热水辅助设备安装分项工程检验批质量验收记录SN3.3.2
卫生器具给水配件安装分项工程质量验收记录统表2
卫生器具给水配件安装工程检验批质量验收记录SN3.4.2。
1计算书完整性2结构体系、抗震等级、设计计算参数3地震、风参数4埋深和嵌固部位5楼梯与整体建模的关系6荷载统计,特殊功能、设备用房使用荷载7消防车道活荷折减8模型与实际一致性,如弹性板、坡屋面9单位面积重量10刚度比(含嵌固刚度)、楼层抗剪承载力控制11周期、剪重比、扭转、位移12超筋控制及处理13梁板合理配筋率,重点车库14轴压比控制15倾覆弯矩比16时程剪力包络17基础计算参数,水位,活荷折减18顶板覆土抗浮工况重量、承压工况重量取值19布桩原则,偏心20单桩承载力,桩身强度21边桩反力、边缘反力22地基承载力富余度23地基变形控制24抗浮计算工况25底板反力最大工况26抗浮安全系数1竖向构件布置的合理性均匀性2竖向构件最小尺寸,关注短肢墙、一字墙、异形柱3穿层、错层竖向构件4住宅房间梁板布置、截面及统一性5特殊部位板厚6外围梁与立面、保温、退进关系7建筑或结构布置变化层上下关系8框支转换布置9梁托柱布置10大底盘错层部位梁墙截面11屋顶构架,高女儿墙12机房及吊钩13后浇带,加强带14虚实线及高差、上翻梁表达与标注15地库上翻梁与管线关系16坡屋面表达17必要结构局部剖面18沉降观测点19装饰柱、凸窗侧板做法20构造柱形状与位置1底板配筋率2局压、冲切3底坑画法,多底坑相交,底坑与承台相交画法计算书模板4塔楼与地库底板交界做法5大跨度底板的局部抗浮和配筋6大高差处的底板布置和桩布置7拉梁是否按偏拉计算8抗拔桩抗裂、接头9slab、JCCAD计算与实配原则10连通道、车道基础与沉降11天然地基换填12地下室外墙计算和配筋,边界条件,特殊部位外墙设计1小墙肢配筋2短肢墙配筋3约束边缘构件配筋原则落实,含非阴影区4构造边缘构件配筋原则5暗柱箍筋作为抗剪钢筋的配置6地下室暗柱箍筋作为外墙水平筋时的配置7墙身分布筋、拉筋配置(底部与上部)8嵌固时柱配筋上下比,梁配筋提高比□异形柱配筋构造□角柱、短柱要求9框支转换配筋10特殊部位如大底盘错层出的配筋控制11底部加强区范围及约束边缘构件范围(新规范)1梁类型定义2梁纵筋单排根数3通长筋/架立筋选用4纵筋端部锚固5配筋归并层数(含竖向构件)6合理富余度7规范强条,注意配筋率按有效高度,尤其是多排配筋8连梁表达方法9双连梁做法10连梁超筋做法11受水平荷载的梁配筋1地下室顶板、转换层板、退层楼板、屋面、露台、托柱处楼板、坡屋面闷顶板受到推力处、加强部位配筋率和配筋2板配筋满足地方规定3加强带设置、放射筋、斜筋设置4挑板阳台配筋5异形板计算和配筋6模型中虚梁对板筋的影响7楼板支座弯矩连续对板筋的影响1详图配筋方式统一,悬挑构件、女儿墙栏板构件尺寸2详图配筋率(构造抗裂/受弯/受拉/分布/温度筋)3窗台压顶统一4屋顶构架,山花,高大女儿墙,及其根部锚固和弯矩连续5节点做法引起的构件抗扭详图基础墙柱配筋梁配筋板配筋6车库顶盖开洞7坡屋面天窗,老虎窗,烟囱8坡屋面标高突变处,老虎窗打断框架处9楼梯净高检查10户内多跑楼梯做法11车库、自行车坡道配筋、抗浮留洞1穿梁、墙留洞与留洞导则一致性检查1各类图纸内说明统一完善2图名、构件尺寸、标高表、定位、标高高差、局部剖面、外尺寸、外轮廓线、局部小平面及小图名等各模板图要素完善。
施工图设计提资管控细则宁波联创建筑设计有限公司2013年5月项目启动动员●组建项目团队,讨论设计计划●建筑总图、平面、立面及其它专业的技术措施确认●建筑发放初步设计文本、甲方要求、及政府评审意见●结构、机电专业向建筑专业提资结构、水、电、风专业依据主管部门、建设单位对初步设计的审查意见,对以下内容进行确认,有修改的,提供局部修改图。
结构专业:确认结构体系及基础形式,影响外立面、室内净高及使用空间的梁、墙、柱应提出修改建议或意向。
机电专业:确认各自专业设备房、管道井的名称、位置、面积、净尺寸、净高,提出主要管线走向(含室外管线以及影响立面或使用功能的主要水平管及立管),大型设备吊装孔及通道、提供影响结构荷载计算的设备布置范围及荷载,楼板及结构墙上大于800x800的洞口、特殊的降板要求等。
一次提资及返资●建筑专业一次提资:将批准的初步设计资料(批件、设计图纸等)经调整和补充后,提供给各专业。
建筑专业提供资料深度要求:1.建筑明确墙体材料、层高、外墙门窗洞尺寸、楼地面构造厚度及结构楼面标高,明确管井、厨卫布置、空调内外机布置。
(精装修项目应与室内协调确定)2.满足结构进行整体电算。
3.满足机电专业进行大平面、大系统布置及估算电量。
4.建筑专业应完成第一轮面积计算(包括单体、总体)●结构、水、暖、电专业返资:各专业应及时对提供资料加以复核和确认,并将施工图设计中必要的设计参数、设计要求反馈给建筑专业。
建筑专业接收结构专业资料建筑、结构专业接收、水、暖、电专业资料电气专业接收水、通风专业资料:给排水:提供消防、生活水泵容量及集水坑总用电量。
通风:提供制冷机房、空调机房、防排烟风机的总用电量。
二次提资及返资建筑专业:接收到各专业反提的资料后,对施工图设计过程中所需要的设计参数、设计要求,给予确定,及时调整和补充有关设计资料和(总图、平、立、剖面图)图纸,再次向各专业提供设计资料。
建筑专业提供资料深度要求:1.满足结构进行模板图设计。
施工图设计提资深度规定一次提资及返资●项目启动,结构、机电专业向建筑专业提资结构、水、电、风专业依据主管部门、建设单位对初步设计的审查意见,对以下内容进行确认,有修改的,提供局部修改图。
结构专业:确认结构体系及基础形式,影响外立面、室内净高及使用空间的梁、墙、柱应提出修改建议或意向。
机电专业:确认各自专业设备房、管道井的名称、位置、面积、净尺寸、净高,提出主要管线走向(含室外管线以及影响立面或使用功能的主要水平管及立管),大型设备吊装孔及通道、提供影响结构荷载计算的设备布置范围及荷载,楼板及结构墙上大于800x800的洞口、特殊的降板要求等。
●建筑专业一次提资:将批准的初步设计资料(批件、设计图纸等)经调整和补充后,提供给各专业。
建筑专业提供资料深度要求:1.建筑明确墙体材料、层高、外墙门窗洞尺寸、楼地面构造厚度及结构楼面标高,明确管井、厨卫布置、空调内外机布置。
(精装修项目应与室内协调确定)2.满足结构进行整体电算。
3.满足机电专业进行大平面、大系统布置及估算电量。
4.建筑专业应完成第一轮面积计算(包括单体、总体)结构、水、暖、电专业返资:各专业应及时对提供资料加以复核和确认,并将施工图设计中必要的设计参数、设计要求反馈给建筑专业。
建筑专业接收结构专业资料结构专业特别说明:住宅凡标准层高(3米),外墙梁高无特殊说明时,均默认净高600,宽200。
建筑专业接收、水、暖、电专业资料电气专业接收水、通风专业资料:给排水:提供消防、生活水泵容量及集水坑总用电量。
通风:提供制冷机房、空调机房、防排烟风机的用电量。
二次提资及返资建筑专业:接收到各专业反提的资料后,对施工图设计过程中所需要的设计参数、设计要求,给予确定,及时调整和补充有关设计资料和(总图、平、立、剖面图)图纸,再次向各专业提供设计资料。
建筑专业提供资料深度要求:1.满足结构进行模板图设计。
2.满足机电专业进行平面设计、管道平面布置、系统设计及核算电量等专业内部计算。
建设项目提资表填表时间:年月日1一、建设项目概要1.项目建设性质□新建□扩建□改建□迁建□转名□转法人□技改□合并□转产□其他(请在隶属情况后的“□”内划“√”)1.21.3项目选址是否水源保护区:是□否□;保护区等级:准□二级□一级□(请在隶属情况后的“□”内划“√”)二、项目生产情况(本表填写不下,请加附页)2工业用水废水排放量排放去向;生活用水量污水排放量排放去向;重复用水量2. 7生产工艺流程或利用方式框图(如有废水、废气、固体废物、噪声产生,需明确标出产生环节,并用文字说明):32.8拟采取的污染(如废水、废气、固体废物、噪声、生活污水等)防治措施及需要说明的问题:三、项目选址周围的环境示意图(标明项目选址五百米半径范围内主要居民点、厂企、河流、农田、鱼塘、道路等环境特征;另外,如非占用整栋楼房或厂房,须注明上下层情况)北备注:距最近居民点米(如居民点、学校、医院、行政办公楼等)项目选址是否水源保护区:□是□否;保护区等级:□准□二级□一级餐饮项目特别情况说明:项目楼上是否为住宅:□是□否项目所在位置是否为所在楼裙楼:□是□否4四、项目平面布置示意图:五、项目产业性质:申报的建设项目属于《佛山市南海区产业导向目录》中:□鼓励类□允许类□限制类□淘汰类□其他(请登录佛山市南海区发展规划和统计局网站查询《佛山市南海区产业导向目录》)(以上必须任选一项,请在隶属情况前的“□”内划“√”)六、其他须说明问题:声明:本人郑重声明:本表所填报资料完全属实,如存在瞒报、假报等情况而由此导致的一切后果由本人承担全部责任。
项目法人代表签名(亲笔)(注:委托签名须附委托书)年月日5注:1.项目主要开展(西医内科?或其他?)的门诊服务,诊疗科目为(西医内科?或其他?),内设(主要写里面的布局,如观察室、诊室、治疗室等)。
2.预计门诊量为人次/日。
有没有设床位?有的话多少个?设不设住院?3.项目有无经佛山市南海区卫生和计划生育局同意,取得类似《设置医疗机构批准书》的文件,有的请扫描给我。
工程名称建设单位子分部工程 1、 2、 3、 4、 子分部分项工程主要设备及材料型号规格单位数量安装地点给水管道消火栓系统 室内给水防腐、绝热 室内排水排水管道管 道室 内热水 防腐、绝热 管 道 室 外 给水 消 防 室外排水管 道 管 道 室 内 采暖 采暖设备管道配件室 外供热 防腐、绝热符合设计要求专业技术负责人(签字):年 月 日专业监理工程师(签字): 年 月 日建筑给水排水及采暖分部工程概况表SN1.1SN1.1提 示概况表中可列出主要、关键项目中的重要设备。
对要求填写的内容栏目不够时,可另行附表。
工程名称 施工许可证号 建设单位 设计单位监理单位 总监理工程师 施工单位 项目经理专业技术 负责人专业监理工程师主 要 工 种姓 名 工种 持证名称 证 号 发证部门现场管理制度 项目经理负责制 质量检验制度 自检,互检,交接检施工图审查情况 已审会施工组织设计及方案已报审审批人 刘铭现场使用主要设备仪器、仪表名 称 型号规格 单位 数量 说 明套丝机 台 1 电焊机台1经检查管理资料齐全技术、质量部门负责人: 专业技术负责人(签字) 年 月 日 专业监理工程师(签字): 年 月 日SN1.2建筑给水排水及采暖工程施工现场质量管理记录SN1.2提 示该表如栏目不够填写时,可另行附页。
工程名称 结构类型 层 数 施工单位技术部门 负责人 质量部门 负责人 分包单位分包单位 负责人分包技术 负责人序号 子分部工程名称分项数量施工单位检查评定验收意见1 2 3 4 5 6 7 8 9 10 11质量控制资料 应查项数 项 核查结果 安全和功能检验 (检测)报告 应查项数 项 核查结果观感质量验收应查项数项好: 项一般: 项差: 项分包单位技术、质量部门负责人:项目经理: 年 月 日施工单位技术、质量部门负责人:项目经理: 年 月 日设计单位专业设计工程师: 年 月 日验 收 意 见监理(建设) 单 位专业监理工程师: 总监理工程师:(建设单位项目专业负责人) 年 月 日建筑给水排水及采暖分部工程质量验收记录SN1.3建筑给水排水及采暖工程质量控制资料核查记录SN1.4工程名称施工单位工程名称资料名称份数核查意见检查人1 图纸会审、设计变更、洽商记录2 材料、配件出厂合格证书及进场检(试验)报告3 隐蔽工程验收记录4 管道、设备强度试验、严密性试验记录5 系统清洗、灌水、通水、通球试验记录6 安装施工记录7 分项子分部工程质量验收记录核查意见:符合设计要求专业技术负责人:项目经理: 年月日验收结论:专业监理工程师:(建设单位项目负责人) 年月日工程名称施工单位序号安全和功能检查项目份数核查意见抽查结果检查(抽查)人建筑给排水及采暖工程安全和功能检验资料核查及主要功能抽查记录SN1.51给水管道通水试验记录及冲洗、消毒检测记录2 暖气管道、散热器压力试验记录3卫生器具通水度,具有溢流功能的器具满水试验记录4消防管道、燃气(油)管道压力试验记录5 排水管道通球试验记录6承压管道系统和设备及阀门水压试验记录7 雨水管道灌水试验8 地漏及地面清扫口排水试验9 消火栓系统试射试验10 采暖系统冲洗及调试记录11 安全阀及报警联动系统动作测试记录12 锅炉48h 负荷试运行检验抽查和核查意见: 专业技术负责人: 项目经理: 年 月 日 验收结论:专业监理工程师: (建设单位项目负责人) 年 月 日工程名称施工单位质量评价序号项 目抽 查 情 况好 一般 差1 管道接口、伸缩节2 管道坡度建筑给排水及采暖观感质量检查记录SN1.63 管道支架4 卫生器具、支架、阀门5 检查口、扫除口6 地漏7 散热器及支架观感质量综合评价核查意见:专业技术负责人:项目经理: 年月日验收结论:专业监理工程师:(建设单位项目负责人) 年月日工程名称施工单位序号材料设备名称规 格型 号单 位数 量生产厂家使用部位(系统)备 注材料(设备)合格证明文件汇总表SN2.1专业技术负责人:项目专业质检员:年月日SN2.1提示建筑给水排水及采暖工程、材料、配件设备出厂合格证、质保书按下列范围整理:1 镀锌管、排水塑料管、给水塑料管、复合管应有质保书或合格证;镀锌管质保书上应明确本单位工程中使用材料的型号、规格、数量、机械性能和化学成分,如物资公司使用抄件,应有原件编号,原件存放处,供货单位应盖公章,抄件人应签名。
现场施工给水工程工作程序流程给水工程现场控制说明1、测量放线要求:必须按照设计要求和规范进行。
室外误差控制在±50mm以内,室内误差控制在±20mm以内。
2、管槽开挖要求:必须按照设计要求和规范进行。
人工挖方高程控制在±30mm以内,机械挖方高程控制在±50mm以内。
人工挖方边线控制在±100mm以内,机械挖方边线控制在±200mm以内。
平整度控制在±20以内。
根据设计要求和规范调整坡度(强调排水管道)3、给水管道铺设要求:必须按照设计要求和规范进行。
铺设前必须进行基础处理(素土夯实,有覆砂要求的覆砂保护。
)。
管道安装过程中保护管壁,不得损伤管壁,已损伤管壁的管道不得使用。
管道连接部位确保牢固、稳定。
管道放置后确保顺直、平滑,根据设计要求和规范调整坡度。
4、管道试验要求:必须按照设计要求和规范进行。
必须在回填土方前完成。
现场填写试验记录和试验报告并签署意见。
5、回填土方要求:必须按照设计要求和规范进行。
土方回填必须分层夯实,回填土必须筛选不得含有垃圾、砖、石、瓦等废弃物。
施工测量放线报验申请表工程名称:编号:工程定位测量记录工程放线定位图土方开挖工程检验批质量验收记录表GB50202-2002编号:隐蔽工程检查验收记录基土垫层检验批质量验收记录表GB50209-2002编号:室外给水管道安装工程检验批质量验收记录管道(设备)强度试验记录喷灌器具安装分项工程质量检验评定表工程名称:部位:C区灌溉给水土方回填工程检验批质量验收记录表GB50268-97编号:工程材料/构配件/设备报审表编号:工程名称:材料进场清单潜水泵安装分项工程质量检验评定表工程名称:。
监理工作的控制要点及目标值施工前的质量控制工作:1.审查分包单位资质:审查营业执照、资质证书、主要业绩、现场管理班子人员等资料。
2.审查施工单位质量保证体系、管理体系以及管理人员、作业人员资质:审查管理人员配置能否满足施工管理需要,各项管理制度、检测制度是否健全,施工员质量员要有与岗位相称的专业资格证书,特殊工种人员上岗证。
3.认真审查施工方案。
4.认真检查施工机械设备、检测仪器、仪表:施工机械设备的数量、性能和运行状况能满足施工需要,检测仪器、仪表要有法定检测机构的检定证书且未超出检定有效期限。
5.核查进场主要材料、成品、半成品、配件、器具和设备,要求质量达到规范要求。
6.阀门安装前的强度和严密性试验检查,并严格根据规范操作。
7.认真审核建筑给水的施工设计并提出意见,一经批准后,认真完成监理工作。
进度控制:1.计划审核项目总监(代表)要求承建商报送阶段进度计划。
为便于实施,阶段进度计划要细化到周进度计划。
对此,项目总监(代表)均进行审核,并向承建商下达进度审核意见,其中阶段性计划必须填写《施工进度计划审核意见表》。
2.计划执行检查(1).按照合同要求和审核后的总进度计划、阶段进度计划和月、周进度计划检查实际完成情况,找出偏离计划的原因,解决存在的问题。
(2).项目总监(代表)检查承建商是否按照施工组织设计的承诺,配备人力、机具,如发现不符,应向承建商下达整改通知单。
(3).监理工程师应随时检查工程进展情况,指出存在的问题并要求承建商整改。
每周监理例会记要中对存在的问题及整改情况进行记录。
(4).绘制形象进度图表,以便随时掌握进度情况。
投资控制:1.工程量初审认真检查材料设备进场和余料出场的数量并记录在案。
在施工安装调试的过程中,及时认真的记录,确认材料质量并计量。
工程完工后,监理工程师审核已完合格工程量,报业主复核。
2.合理化建议监理工程师可充分发挥专业技能,针对项目设计方案、施工方法等提出改进措施或建议,经项目总监(代表)审批后,以书面形式呈报业主。