最新机动车驾驶人考试场现场检查记录表
- 格式:doc
- 大小:346.75 KB
- 文档页数:19
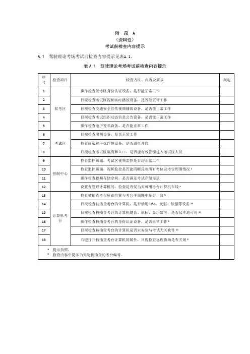
附录 A
(资料性)
考试前检查内容提示
A.1 驾驶理论考场考试前检查内容提示见表A.1。
表A.1 驾驶理论考场考试前检查内容提示
表A.2 场地驾驶技能考场考试前检查内容提示
A.4 道路驾驶技能考场考试前检查内容提示见表A.4。
表A.4道路驾驶技能考场考试前检查内容提示
(资料性)
考试前检查记录表
考场考试前检查记录见表B.1。
表B.1 考场考试前检查记录表
(资料性)
考试前检查结果上传格式
驾驶理论考场考试前检查数据上传格式见表C.1。
表C.1 驾驶理论考场考试前检查数据上传格式
场地驾驶技能考场考试前检查数据上传格式见表C.2。
表C.2 场地驾驶技能考场考试前检查数据上传格式
道路驾驶技能考场考试前检查数据上传格式见表C.3。
表C.3 道路驾驶技能考场考试前检查数据上传格式。
驾驶员及车辆日常检查表车牌号:检查日期:※ 80分为合格项目分值(100分)检查部分扣得分标准得分备注内部卫生25分3分烟头发现一个烟头扣3分3分地面发现有泥土及烟灰扣3分3分座椅发现一处不清洁扣3分3分车门发现一处不清洁扣3分3分方向盘不清洁扣完。
3分后视镜不清洁扣完。
3分仪表盘及上方发现放置其它物品(如:笔等)扣2分,不清洁扣完。
4分座椅垫套每月必须清洗一次,未做到扣完。
外部卫生20分4分玻璃发现一处有泥点或灰尘扣2分,二处以上扣完。
4分倒车镜不清洁扣完。
3分四面车身发现一面有泥点或灰尖扣2分,二面以上扣完。
3分轮胎钢圈发现一个不清洁扣2分,二个以上扣完。
3分刮雨器不清洁扣完。
3分车灯发现一盏不清洁扣1分保养维护25分3分轮胎气压发现一只缺气扣2分,二只缺气扣完。
3分刹车油缺少刹车油扣3分。
2分灯光一处不亮扣2分。
3分机油低于标尺线扣3分,高于扣1分。
3分轮胎螺丝松动一只扣3分。
2分其它螺丝松动一只扣1分3分维修记录不记漏记错记一次扣2分,无维修记录本扣3分。
3分保险时间须记牢保险时间,提问忘记扣3分。
3分检车时间须记牢检车时间,提问忘记扣3分。
违章15分5分闯红灯一次扣5分。
5分双黄线调头一次扣5分。
5分违停一次扣5分。
服务5分5分顾客投诉一次扣5分。
个人形象10分5分服装发现服装穿戴不整,一次扣5分。
5分个人卫生不合格(含:胡须未刮净、头发过长),一次扣5分。
检查结果□合格□不合格检查得分。
机动车驾驶人考试场地和考试系统使用验收规范-第1部分:考试场地LT前言GA/T 1030《机动车驾驶人考试场地和考试系统使用验收规范》分为两个部分:00001——第1部分:考试场地;00002——第2部分:考试系统。
本部分为GA/T 1030的第1部分。
本部分按照GB/T 1.1-2009给出的规则起草。
本部分代替GA/T 901-2010《机动车驾驶人场地驾驶技能考试场地和考试系统使用验收与定期检查规范》。
与GA/T 901-2010相比,主要内容变化如下:00003——修改了“验收组织”(见4.2,2010年版的4.2);00004——修改了“科目二场地设施使用验收及定期检查”(见第6章,2010年版的第5章、第6章、第7章、第8章、第9章);00005——增加了“科目一(含科目三安全文明驾驶常识考试)场地设施使用验收项目与方法”(见第5章);00006——增加了“科目三考试道路及设施使用验收”(见第7章);00007——修改了“附录A”(见附录A,2010年版的附录A);00008——增加了“附录B”(见附录B)。
本部分由公安部道路交通管理标准化技术委员会提出并归口。
本部分负责起草单位:公安部交通管理科学研究所。
本部分参加起草单位:四川省公安厅交通警察总队。
本部分主要起草人:曹锦、潘汉中、籍东辉、肖钦译、贾迪、苏中勇、赵皓月。
本部分历次版本发布情况为:——GA/T 901-2010。
机动车驾驶人考试场地和考试系统使用验收规范第1部分:考试场地1范围GA/T 1030的本部分规定了机动车驾驶人考试场地使用验收与定期检查的术语和定义、使用验收申请与组织、科目一(含科目三安全文明驾驶常识考试)场地设施使用验收项目与方法、科目二场地设施使用验收及定期检查、科目三考试道路及设施使用验收、使用验收或定期检查结果后续处理。
本部分适用于新建和改建机动车驾驶人道路交通安全法律、法规和相关知识考试科目(科目一),场地驾驶技能考试科目(科目二),道路驾驶技能和安全文明驾驶常识考试科目(科目三)考试场地及其设施的使用验收和定期检查。
附件 2
车辆驾驶员安全检查记录表
单位(部门):
车号填报日期驾驶员
要求车辆出现影响安全的故障时,必须修复后出车;驾驶员出车均应填报此表,出车回场后交派车员;如实填写查出的故障、隐患和如何处理。
一、出车前检查
检查项目检查内容是否检查项目检查内容是否燃油符合要求油路无渗滴漏
润滑油够用电路无渗滴漏
液压油液面正常气路无渗滴漏
冷却液液面正常水路无渗滴漏
各仪表指示正常指示灯闪亮
离合器正常雨刷器活动自如
照明正常喇叭响亮
转向机灵活各螺母紧固
制动慢速不超 2 米轮胎气压正常
发动机无异声装载捆扎牢固、无超高、超宽、超长、超重
随车工具、附件灭火器、停车牌等齐
全可靠
行车证
件、手续
齐全有效
二、运行检查
检查项目检查内容是否检查项目检查内容是否发动机运转正常机油无渗漏
制动正常冷却液无渗漏
油水气路无渗漏仪表清晰
底盘无异响信号闪亮
照明光照正常轮毂紧定
轮胎气压正常钢板弹簧无断裂
制动鼓盘温度正常传动轴牢固
制动装置紧定装载货物捆扎牢固
轮胎清除夹带物变速器温度正常
三、收车后检查和保养
检查项目检查内容是否检查项目检查内容是否驾驶室清洁货箱清扫杂物
车辆擦拭整洁冷却液加添
燃油加添扇叶皮带松紧适度
机油加添储气筒排放
发电机皮带松紧油水分离积水和污物
轮胎花纹磨损胎面鼓包、断裂。
机动车驾驶人考试场现场检查记录表表表二理、安全管理等),口有/口无相关职责要求或上岗证件;3、考场口是/口否配备考试系统操作人员,口有/口无相关职责要求;4、考场口是/口否配备考生身份认证人员,口有/口无相关职责要求;5、考试场和工作人员工作纪律、考试场整改措施、机动车驾驶人考试工作纪律、车辆管理所“九个严禁”。
备注:(三)公开服务内容1、口是/口否设置考场指路标牌,指路标牌应设置在车辆、行人行进方向,距考试场200至500米易于发现的地点。
内容为:上层为考场名称,下层为距离和指示箭头。
口是/口否设置门楣竖式标牌,门楣竖式标牌应设置在考试场建筑物入口处右侧的醒目位置。
2、口是/口否设置停车区(供社会车辆停车区)、候考区、登录室、监控室、服务区等功能性场所(有条件的,可设置资料室、办公室。
允许一区多用,但计算机考场应与待考区分开),注意公共卫生设施的配套。
场地口是/口否按人车分离的原则布置分隔、导流、无障碍通道等设施,注意待考考生与考试结束考生通道口是/口否分隔;3、考场各区域口是/口否规范设置指示标识;4、候考区内口是/口否设置有:道路交通安全宣传教育展牌、挂图;考试须知;考场纪律;机动车驾驶人考试工作纪律;车辆管理所“九个严禁”;考试流程;考试内容、评判及合格标准;收费标准(机动车驾驶人考试收费标准);温馨提示;(宜在候考区域内和大门口设置)考试员(照片、姓名、警号/编号)和考试场工作人员监督台(照片、姓名、岗位、警号/编号);监督电话;场地设施分布图(XX机动车驾驶人考试分场平面分布图);考试方案诱导图(XX考分场科目一或二或三考试路线图);道路交通安全宣传播放、供社会实时监督考试视频播放设备; 5、候考区域内口是/口否设置相关信息公告设施,设施内容包括:场地设施分布图(XX机动车驾驶人考试分场平面分布图);考试方案诱导图(XX考场科目一或二或三考试路线图);场地运行服务规章公告(考试排队信息);考试组织动态信息公告(正在考试显示屏);驾驶证申领法律法规;道路交通安全宣传教育展牌;表三试项目图形和尺寸口是/口否符合要求;5、各场地项目设备应有与考试系统相对应的场地设备编号;6、道路的宽度口是/口否大于考试项目图形宽度要求,路缘石内侧距离考试项目图形线外侧口是/口否大于30cm;7、考试项目间口是/口否设置缓冲路段(大于1.5倍车长);场内口是/口否设置人行道和车辆进出通道;8、考试场地上口有/口没有标准要求标线以外的标记线或标记物、操作参考标记等;9、桩杆直径口是/口否不小于20 mm、不大于40 mm;大型客车桩杆高度口是/口否高于考试车辆车高300 mm以上,其余车型桩杆高度口是/口否高于考试车辆车高600 mm以上;10、考试项目土建设施施工误差口是/口否控制在±1%以内,其中连续障碍项目圆饼和单边桥项目桥体尺寸误差口是/口否均取值 ± 1cm;11、科目三道路驾驶技能考试路段口是/口否包含以下内容:(1)双向4车道道路;(2)双向2车道道路;(3)有信号控制交叉口;(4)无信号控制交叉口;(5)常用标志、标线;(6)学校区域、公交车站、人行横道等设施或模拟的标志标识。
考试场管理制度一、设置通告栏,张贴学员场所考试计划单。
二、成立考试异样业务台账和车辆、设备故障维修日记,并于月尾汇总上报。
三、成立例会制度。
每个月初在考试中心召开由考试场主任和技术负责人参加的例会,观看异样业务录像回放,商讨下一月考试工作。
四、考试中如遇系统误报及车辆、设备出现故障,第一报告巡场民警,并于监控中心获得联系,待妥当办理后方可进行考试。
五、确实增强考试场微机员及教练员的责任感,实时发现考试过程中出现的系统误报或考试异样状况,并报告巡场民警和考试场领导。
六、考试场工作人员一定远离非法中介,禁止与二道商贩产生任何形式的关系。
七、交通安全宣传教育片全程播放,各项便民设备齐备。
八、考试场一定正直服务态度,保护考试次序,提高服务质量,提高工作效率,为考生创造优秀的考试环境。
九、对因服务态度不好、车辆及设备故障、信息没法上传等惹起学员上访投诉、媒体炒作的考试场,予以通告责备、减少提档人数直至停止考试。
考试场工作纪律一、考试场所属教练员、微机员一定严格执行支队各项规章制度。
二、教练员、微机员要严格依据考试场规定的操作程序去做。
三、教练员、微机员,工作时期一定佩戴上岗证,穿一致服饰。
四、教练员、微机员不得参加各驾校的招生及考试活动。
五、教练员未经允许不得私自将教练车开出考试线路。
六、着重自己形象,文明用语,文明教练。
七、做好考试保障工作,工作中要仔细恪守考试纪律听从指挥。
九个禁止一、禁止为不切合驾驶允许条件、未经考试或许考试不合格人员核发灵活车驾驶证;二、禁止为不切合法律、法例和国家标准的灵活车办理牌证;三、禁止为未经查验或许查验不合格的灵活车核发查验合格标记;四、禁止减少驾驶人考试项目、降低评判标准或许参加、辅助、纵容驾驶人考试舞弊;五、禁止参加或许变相参加驾校、灵活车销售商、灵活车报废回收公司、灵活车维修公司等营利性经营活动;六、禁止违犯规定收受公司和个人的现金、有价证券、支付凭据、干股;七、禁止与非法中介串联牟取经济利益;八、禁止违犯规定侵入计算机系统,泄露、窜改、买卖系统数据,或许泄露系统密码;九、禁止违犯规定私自增添行政事业性收费项目或许提高收费标准,强迫收取经营服务性收费,指定灵活车检测、体检、照相或许销售产品。
汽车驾驶员安全检查表1. 驾驶员信息
- 姓名:
- 驾驶证号码:
- 所属车队/公司:
2. 车辆信息
- 车牌号码:
- 品牌/型号:
- 车辆状态:正常/异常
3. 前往目的地前的准备
- 检查行车路线和目的地
- 确保车辆的可用性和燃油/电量
- 检查车辆的机油、水液和轮胎气压
- 检查车辆的灯光、雨刷器和安全带等安全设备
- 检查车辆的火警灭火器和急救箱
4. 上车前的检查
- 调整座椅和后视镜以适应个人需要
- 调整方向盘和座椅,确保舒适和灵活性- 确保车内没有异味或其他不良情况
- 检查车内仪表板和控制面板的功能5. 行驶前的检查
- 检查车辆的引擎和制动系统
- 检查车辆的转向系统和悬挂系统
- 检查车辆的电气系统和照明系统
- 检查车辆的车身外观和玻璃
- 检查车辆的安全带和座椅的固定性6. 行驶途中的安全措施
- 遵守交通规则,合理驾驶
- 保持安全的车距和速度
- 不使用手机或其他会分散注意力的设备
- 留意前方路况并避免突发危险
- 监控车辆仪表板显示的信息
7. 行驶期间的应急措施
- 准备好紧急联系人和救援电话号码
- 熟悉车辆紧急报警装置的使用方法
- 知道车辆故障情况下的临时修复方法
- 尽量找到停车安全的地方处理问题
- 如遇紧急情况,保持冷静并及时向相关人员报告
请记住,这份文档只是一个指导,你也应该根据实际情况和法律要求自行添加或修改相关内容。
安全驾驶!。
最新驾校教学现场安全检查记录整理
教学现场安全检查记录
单位:检查日期:
车辆名称
牌照号教练员所属单位二教练车1、有车辆管理部门核发的行驶证和牌照,且在有效期内
2、车容整洁,各部件齐全,无变形,性能可靠
3、方向控制,刹车、灯光、喇叭、后视镜、雨刷器等
安全附件齐全,性能可靠。
4、发动机功率符合设计要求,启动性好,运转正常,
冷却水充足。
5、润滑油、`液村油加注符合要求,各部件润滑良好,
油、水无滴漏现象
三
备注检查人:被检查人:序
号检查项目检查内容及标准检查结果不符合内容
符合不符合一教练员1、身体健康,驾驶技术熟练,能胜任驾驶工作。
2、经专业培训,取得公安车辆管理部门颁发的机动车
驾驶证、教练证,并与所驾车型相符,证件在有效期内。
4、按时参加上级和地方有关部门组织的安全教育、培
训,并有记录。
按时参加驾驶员年度审验,并审验合格
6、熟悉并严格遵守交通法规、操作知识和车辆管理规
定,不违章操作和违章行驶,有良好的职业道德。
7、不准酒后驾车,不准赤脚或穿拖鞋、高跟鞋驾车,
不疲劳驾车。
8、按规定对车辆进行检查、保养和维修,保持车辆完
好行驶,做好记录。
服从上级指挥及调度,
不私自出车。
机动车驾驶人考试场现场检查记录表
科目二考试车辆登记表
Ⅰ类场考系统考试过程自动检测、评判要求
Ⅱ类场考系统考试过程自动检测、评判要求
路考系统应具备的计算机辅助评判考试项目
小型汽车、小型自动档汽车场地项目尺寸
符合性记录表
各项目尺寸误差取值≤±
1%,其中连续障碍项目圆饼和单边桥项目桥体尺寸误差均取值≤
±1cm 。
小型汽车、小型自动档汽车场地项目尺寸
符合性记录表
各项目尺寸误差取值≤±1%,其中连续障碍项目圆饼和单边桥项目桥体尺寸误差均取值≤±1cm。
科目二考试监控记录。