电梯程序控制流程图
- 格式:doc
- 大小:60.00 KB
- 文档页数:1
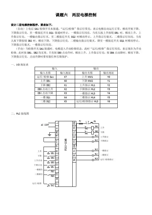
课题六 两层电梯控制设计二层电梯控制程序,要求如下:(自动)上电后SA1检修开关未接通,“运行/检修”指示灯常亮,表示电梯自动运行正常。
梯房开始下降,下降指示灯亮。
至一楼接近开关SQ1 接通时停止,一楼指示灯闪亮。
当有人按上升按钮SB1 时,梯房上升,上升指示灯亮,一楼输出指示灯灭。
至二楼接近开关SQ2时梯房停止,上升指示灯熄灭,二楼指示灯闪亮。
当有人按下降按钮SB2时,梯房下降,下降指示灯亮,二楼输出指示灯熄灭。
降至一楼接近开关SQ1时梯房停止,下降指示灯熄灭,一楼指示灯闪亮。
(手动)当检修开关SA1接通时,电梯进入手动检修状态,此时“运行/检修”指示灯闪亮,表示现在为手动检修。
此时按SB1、SB2均无效,只有按SB3点动升时,梯房上升,上升指示灯亮;按SB4点动降时,梯房下降,下降指示灯亮。
点动升降时要有限位和互锁保护。
一、I/O 地址表二、PLC 接线图LX 0X 1X 2X 4X 5P E NX 6X 7SB1AC 220VSB2SB3SQ1SQ2Y 2Y 1Y 0C O M 1KM2KM1FUFR KM1KM2HL1L N F X 3U -32M R0V 24V S /S Y 3HL2上升下降上升指示下降指示X 3SB4上升下降上升点动下降点动一楼限位运行/检修二楼限位SA1Y 4C O M 2HL3运行/检修指示Y 5Y 6HL4HL5一楼指示二楼指示三、状态流程图四、梯形图点动上升点动下降。
广东工程职业技术学院200-200学年度第学期《》期末考试试题页脚内容1 4.4流程图电梯上下行流程图见图4-4。
假设电梯停在N (N=1,2,3,4)楼,M 楼有信号,M >N 时,电梯上行;M <N 时,电梯下行。
图4-4电梯上下行流程图在电梯运行过程中,电梯上升(或下降)途中,任何反方向下降(或上升)的外呼梯信号均不响应,但如果反向外呼梯信号前方向无其它内、外呼梯信号时,则电梯响应该外号。
电梯应具有最远反向外梯响应功能。
例如:电梯在一楼,而同时有二层向下外呼梯,三层向下外呼梯,四层向下外呼梯,则电梯先去四楼响应四层向下外呼梯信号。
电梯响应流程图见图4-5。
图4-5电梯响应流程图当电梯到达系统控制的目标楼层时,控制系统发出开门信号,电梯门开,当门开到开门限位时,计时3秒钟,然后关门,直到关门限位产生信号。
此过程期间,按开门按钮电梯门打开,按关门电梯门关闭,并且当门关闭动作时,门间来人会使光电传感器产生信号,控制系统发出开门信号,电梯开关门流程图见图4-6。
图4-6电梯开关门流程图4.5操作原理简要说明电梯由安装在各楼层厅门口的上升和下降呼叫按钮进行呼叫操纵,其操纵内容为电梯运行方向。
电梯轿箱内设有楼层内选按钮S1~S4,用以选择需停靠的楼层。
L1为一层指示、L2为二层指示、L3为三层指示、L4为四层指示,SQ1~SQ4为到位行程开关。
具体如下:1、开始时,电梯处于任意一层。
2、当有外呼梯信号到来时,电梯响应该呼梯信号,到达该楼层时,电梯停止运行,电梯门打开,延时3S 后自动关门。
3、当有内呼梯信号到来时,电梯响应该呼梯信号,到达该楼层时,电梯停止运行,电梯门打开,延时3S 后自动关门。
4、在电梯运行过程中,电梯上升(或下降)途中,任何反方向下降(或上升)的外呼梯信号均不响应,但如果反向外呼梯信号前方向无其它内、外呼梯信号时,则电梯响应该外号。
5、电梯应具有最远反向外梯响应功能。
例如:电梯在一楼,而同时有二层向下外呼梯,三层向下外呼梯,四层向下外呼梯,则电梯先去四楼响应四层向下外呼梯信号。
4.4 流程图电梯上下行流程图见图4-4。
假设电梯停在N(N=1,2,3,4)楼,M楼有信号,M >N时,电梯上行;M<N时,电梯下行。
图4-4 电梯上下行流程图在电梯运行过程中,电梯上升(或下降)途中,任何反方向下降(或上升)的外呼梯信号均不响应,但如果反向外呼梯信号前方向无其它内、外呼梯信号时,则电梯响应该外号。
电梯应具有最远反向外梯响应功能。
例如:电梯在一楼,而同时有二层向下外呼梯,三层向下外呼梯,四层向下外呼梯,则电梯先去四楼响应四层向下外呼梯信号。
电梯响应流程图见图4-5。
图4-5 电梯响应流程图当电梯到达系统控制的目标楼层时,控制系统发出开门信号,电梯门开,当门开到开门限位时,计时3秒钟,然后关门,直到关门限位产生信号。
此过程期间,按开门按钮电梯门打开,按关门电梯门关闭,并且当门关闭动作时,门间来人会使光电传感器产生信号,控制系统发出开门信号,电梯开关门流程图见图4-6。
图4-6 电梯开关门流程图4.5 操作原理简要说明电梯由安装在各楼层厅门口的上升和下降呼叫按钮进行呼叫操纵,其操纵内容为电梯运行方向。
电梯轿箱内设有楼层内选按钮S1~S4,用以选择需停靠的楼层。
L1为一层指示、L2为二层指示、L3为三层指示、L4为四层指示,SQ1~SQ4为到位行程开关。
具体如下:1、开始时,电梯处于任意一层。
2、当有外呼梯信号到来时,电梯响应该呼梯信号,到达该楼层时,电梯停止运行,电梯门打开,延时3S后自动关门。
3、当有内呼梯信号到来时,电梯响应该呼梯信号,到达该楼层时,电梯停止运行,电梯门打开,延时3S后自动关门。
4、在电梯运行过程中,电梯上升(或下降)途中,任何反方向下降(或上升)的外呼梯信号均不响应,但如果反向外呼梯信号前方向无其它内、外呼梯信号时,则电梯响应该外号。
5、电梯应具有最远反向外梯响应功能。
例如:电梯在一楼,而同时有二层向下外呼梯,三层向下外呼梯,四层向下外呼梯,则电梯先去四楼响应四层向下外呼梯信号。
基于单片机的电梯控制系统设计随着现代社会的快速发展,电梯已成为人们日常生活中不可或缺的运输工具。
为了提高电梯的运行效率,保证其安全可靠性,设计一种基于单片机的电梯控制系统。
该系统以单片机为核心,结合传感器、按键、显示等模块,实现对电梯的运行状态、楼层信号、呼梯信号的实时监控与显示。
一、系统硬件设计1、单片机选择本设计选用AT89S52单片机作为主控芯片,该芯片具有低功耗、高性能的特点,内部集成了丰富的外围设备,方便开发与调试。
2、输入模块设计输入模块主要包括楼层传感器和呼梯按钮。
楼层传感器采用光电式传感器,安装在各楼层,用于检测电梯的运行状态和位置;呼梯按钮安装在电梯轿厢内,用于收集用户的呼梯信号。
3、输出模块设计输出模块主要包括显示模块和驱动模块。
显示模块采用LED数码管,用于实时显示电梯的运行状态、楼层位置等信息;驱动模块包括继电器和指示灯,用于控制电梯的运行和指示状态。
4、通信模块设计通信模块采用RS485总线,实现单片机与上位机之间的数据传输与通信。
二、系统软件设计1、主程序流程图主程序主要实现电梯控制系统的初始化、数据采集、处理与输出等功能。
主程序流程图如图1所示。
图1主程序流程图2、中断处理程序中断处理程序主要包括外部中断0和定时器0的中断处理。
外部中断0用于处理楼层传感器的信号,定时器0用于计时和速度控制。
三、系统调试与性能分析1、硬件调试首先对电路板进行常规检查,包括元器件的焊接、电源的稳定性等;然后分别调试输入、输出、通信等模块,确保各部分功能正常。
2、软件调试在硬件调试的基础上,对软件进行调试。
通过编写调试程序,检查各模块的功能是否正常;利用串口调试工具,对通信模块进行调试。
3、性能分析经过调试后的电梯控制系统,其性能稳定、运行可靠。
该系统能够实现对电梯运行状态、楼层信号、呼梯信号的实时监控与显示,并且具有速度快、安全可靠等特点。
该系统还具有成本低、易于维护等优点,适用于各种场合的电梯控制。
目录第一章总体设计...........................................四层电梯PLC控制电梯运行由PLC控制并产生相应的控制信号。
电梯的运行状态有三种,分别是运行、停机、开门。
电梯的上下运行由一台可正反转的电机控制,其中正传为上升,反转为下降(三相异步电动机在运转过程中,只需改变其中的两相,就可实现电机的正反转)。
电梯的开门与关门由平层信号控制(到位限位开关)。
电梯工作流程图电机工作图1)采用PLC构成四层简易电梯电气控制系统。
电梯的上、下行由一台电动机拖动,电动机正转为电梯上升,反转为下降。
一层有上升呼叫按钮SB11和指示灯H11,二层又上升呼叫按钮SB21和指示灯H21以及下降呼叫按钮SB22和指示灯H22,三层有上升呼叫按钮SB31和指示灯H31以及下降呼叫按钮SB32和指示灯H32,四层有下降呼叫按钮SB41和指示灯H41。
输入点分配:I0.0~I0.3 一层至四层到位限位开关;I0.4~I0.7 电梯内一至四层按钮;I1.0~I1.2 一至三层电梯门口上呼按钮;I1.3~I1.5 二至四层电梯门口下呼按钮;I1.6 电梯检修按钮(常闭);I2.0 电梯开门按钮;I2.1 电梯关门按钮;I2.2 开门限位开关;I2.3 关门限位开关;输出点分配:Q0.0 电梯开门;Q0.1 电梯关门;Q0.2 电梯正传;Q0.3 电梯反转;Q0.4~Q0.7 电梯内一至四层显示灯;Q1.0~Q1.2 一至三层电梯门口上呼显示灯;Q1.3~Q1.5 二至四层电梯门口下呼显示灯;3.1. 输入输出点分配表输入点分配输出点分配功能代号输入点功能代号输出点1层限位到位开关SQ1 I0.0 电梯开门YA1 Q0.0 2层限位到位开关SQ2 I0.1 电梯关门YA2 Q0.1 3层限位到位开关SQ3 I0.2 电梯正转HL3 Q0.2 4层限位到位开关SQ4 I0.3 电梯反转HL4 Q0.3 电梯内1层按钮SB1 I0.4 电梯内1楼显示灯H1 Q0.4 电梯内2层按钮SB2 I0.5 电梯内2楼显示灯H2 Q0.5 电梯内3层按钮SB3 I0.6 电梯内3楼显示灯H3 Q0.6 电梯内4层按钮SB4 I0.7 电梯内4楼显示灯H4 Q0.7 1层上升呼叫按钮SB11 I1.0 1层门口上升指示灯H11 Q1.0 2层上升呼叫按钮SB21 I1.1 2层门口上升指示灯H21 Q1.1 3层上升呼叫按钮SB31 I1.2 3层门口上升指示灯H31 Q1.2 2层下降呼叫按钮SB22 I1.3 2层门口下降指示灯H22 Q1.3 3层下降呼叫按钮SB32 I1.4 3层门口下降指示灯H32 Q1.4 4层下降呼叫按钮SB41 I1.5 4层门口下降指示灯H41 Q1.5 检修开关SB7 I1.6 电梯故障HA Q1.6 开门按钮SB5 I2.0关门按钮SB6 I2.1开门限位信号SQ5 I2.2关门限位信号SQ6 I2.3共19点共15点PLC I/O外部接线图轿厢内的运行命令及门厅的召唤信号司机及乘客可按下轿厢内操作盘上的选层按钮选定电梯运行的目的楼层,此为内选信号。
电梯运行流程图
电梯是现代建筑中不可或缺的交通工具,它的运行流程图对于维护人员和使用者来说都是非常重要的。
下面我们将详细介绍电梯的运行流程图,以便大家更好地了解电梯的运行原理和工作流程。
首先,电梯的运行流程可以分为三个主要部分,电梯的启动、运行和停止。
在电梯启动的过程中,当乘客按下楼层按钮时,电梯控制系统会接收到信号,然后电梯就会开始启动。
在这个阶段,电梯的门会自动关闭,并且电梯会根据乘客的目的地选择最优的运行路径。
接下来是电梯的运行过程,一旦电梯启动,它就会按照设定的路径进行运行。
在这个过程中,电梯的电机会提供动力,使电梯能够顺利地上升或下降。
同时,电梯的控制系统会监测电梯的运行状态,确保电梯能够安全、平稳地运行。
最后是电梯的停止过程,当电梯到达乘客所需的楼层时,电梯就会自动停止运行。
在这个过程中,电梯的控制系统会确保电梯准确停在指定的楼层,并且电梯的门会自动打开,让乘客下电梯。
除了以上的主要部分外,电梯的运行流程图还包括了一些重要的安全措施。
例如,在电梯运行过程中,如果出现了紧急情况,比如电梯卡住或者电梯内有人员受困,电梯的控制系统会立即采取相应的措施,确保乘客的安全。
总的来说,电梯的运行流程图是非常复杂的,但是通过对电梯的启动、运行和停止过程进行详细的了解,我们可以更好地掌握电梯的工作原理,从而更好地保障电梯的安全运行。
希望通过本文的介绍,大家能够对电梯的运行流程有一个更清晰的认识。
产品设计PLC电梯模拟控制教学单位: 机电工程学院专业: 自动化班级:学号:学生:指导教师:完成时间:电子科技大学学院机电工程学院课程(产品)设计任务书目录1 题目分析 (1)1.1 PLC电梯设计 (1)1.1.1 利用PLC设计电梯系统的目的 (1)1.1.2 利用PLC设计电梯系统意义 (1)1.1.3 利用PLC设计电梯系统优点 (1)1.2 电梯概述 (2)1.2.1 电梯的定义及发展 (2)1.2.2 我国电梯发展状况 (2)1.3 PLC概述 (3)1.3.1 可编程控制器PLC的概述 (3)1.3.2 可编程控制器PLC的特点 (3)1.4 本次设计研究的容、目的 (4)2 PLC电梯模拟控制系统功能设计 (5)2.1 PLC电梯模拟控制系统设计的基本容 (5)2.2 系统的控制要求 (5)3 PLC电梯模拟控制系统硬件设计 (7)3.1 元器件清单 (7)3.2 I/O地址分配 (7)3.3 PLC外部接线图 (8)3.4 硬件实物图 (9)4 PLC电梯模拟控制系统软件设计 (10)4.1 工作流程图 (10)4.2程序设计 (11)4.2.1 电梯初始化、呼输入与存储程序 (11)4.2.2 电梯外呼信号输入与存储程序 (12)4.2.3 电梯目标层与本层比较及上升下降 (14)4.2.4 电梯上升下降及达层自动开关门 (16)5 结束语 (18)参考文献 (19)附录:源程序 (20)致 (23)1 题目分析1.1 PLC电梯设计1.1.1利用PLC设计电梯系统的目的电梯是高层建筑中垂直上下的运载工具。
电梯对于改善劳动条件、减轻劳动强度、提高人们生活水平有着重要的作用。
电梯目前已经广泛应用于宾馆、酒店、商场、娱乐场所、医院、生产车间和居民住宅大楼等。
在现代社会中,电梯已经成为人们生产、生活中不可缺少的运输工具。
本课题主要对PLC的结构、特点、性能以及与现场控制对象的连线进行具体的研究,并通过PLC实现电梯的自动控制。
电梯程序我有个5层的,不过大同小异,一样的,你可以照葫芦画瓢把另外的不上去。
3.1 控制系统硬件设计本实验有32个输入信号,32个输出信号及现有设备,所以选用FX2—64MR的PLC,由于现有材料所以选OMRON的3G2JV变频器和两相交流电机。
来完成实验。
PLC控制器、变频器和电动机的接线及原理图如附图(1)所示。
3.2 输入输出点分配输入信号输出信号名称代号编号名称代号编号安全回路K6 X000 电梯上行UP Y000零速输入K0 X001 电梯下行DOWN Y001脉冲输入K1 X002 电梯快行FAST Y002轿内电锁K2 X003 电梯慢行SLOW Y003红外传感器K3 X004 检修速度JX Y004关门力限开关K4 X005 七段码A Y005超重K5 X006 B Y006上限强制减速SQ0 X007 C Y007一楼指令SB1 X010 D Y010二楼指令SB2 X011 E Y011三楼指令SB3 X012 F Y012四楼指令SB4 X013 G Y013五楼指令SB5 X014 关门催促铃声KE1 Y014基站到位开关SQ4 X015 厅门关KM2 Y015一楼上呼SB6 X016 厅门开KM3 Y016一楼下呼SB7 X017 厅内指示灯1 E1 Y017二楼上呼SB8 X020 厅内指示灯2 E2 Y020二楼下呼SB9 X021 厅内指示灯3 E3 Y021三楼上呼SB10 X022 厅内指示灯4 E4 Y022三楼下呼SB11 X023 厅内指示灯5 E5 Y023四楼上呼SB12 X024 上呼灯1 E6 Y024四楼下呼SB13 X025 上呼灯2 E7 Y025五楼上呼SB14 X026 上呼灯3 E8 Y026五楼下呼SB15 X027 上呼灯4 E9 Y027厅门开SB16 X030 下呼灯2 E10 Y030厅门关SB17 X031 下呼灯3 E11 Y031厅门开到位SQ1 X032 下呼灯4 E12 Y032厅门关到位SQ2 X033 下呼灯5 E13 Y033检修开关SB18 X034 超重铃声KM4 Y034检修上SB19 X035 抱闸信号KM5 Y035检修下SB20 X036 上行指示灯E14 Y036下限强制减速SQ3 X037 下行指示灯E15 Y037表1 I/O分配表3.3 控制系统程序设计根据电梯的工作原理与功能要求以及输入/输出点的地址分配表,来绘制电梯的程序流程图。
电气可编程控制原理与应用(PLC)的实验报告实验人员:陶建美日期:2011年6月21日实验项目:电梯控制报告框架(Ctrl+点击该链接,即可转入相应模块)一、实验目的与要求二、实验设备三、实验内容四、实验过程1、电梯的基本构造2、PLC的基本结构3、PLC的工作原理4、电梯控制构成5、输入输出(I/O)端口功能分配表6、程序执行流程图7、梯形图(1)定时器T0 (2)一楼的控制(3)二楼的控制(4)三楼的控制(5)四楼的控制(6)确定电梯楼层位置(7)电梯趋势确定(8)电梯上行程序(9)电梯下行程序8、指令表五、问题与解决方案六、实验总结与心得体会电气可编程控制原理与应用(PLC)的实验报告电梯控制一、实验目的与要求1、运用所学基本理论、基本知识和基本技能,分析与解决实际问题的能力,通过设计掌握控制PLC控制系统的基本设计方法和应用。
2、设计出一个四层楼电梯控制。
3、完成并实现实验内容的基本功能要求。
二、实验设备计算机、PLC可编程控制器、FXGPWIN应用软件三、实验内容1、四层楼电梯基本设计2、停止有刹车及保险止降装置3、根据楼层请求上下,先来优先4、请求与趋势同优先5、楼内可以撤销楼内请求四、实验过程1、电梯的基本构造电梯是一种特殊的起重运输设备,由桥厢及配重、拖动机及减速传动机械、井道及井道设备、召唤系统及安全装置构成。
桥厢是载人或装货的部位,配重是为了改变电梯电机负载的特性以提高电梯安全性而设置的。
下图是电梯拖动系统示意图,图中可见电梯的桥厢及配重分系在钢丝绳的两端,钢丝绳跨挂在曳引轮上,曳引轮经减速机构由电机拖动,形成桥厢的上下运动。
2、PLC的基本结构从结构上分,PLC分为固定式和组合式(模块式)两种。
固定式PLC包括CPU板、I\O板、内存板、电源等,这些元素组成一个不可拆卸的整体。
模块式PLC包括CPC模块、I\O模块、电源模块、地板或支架,这些模块可以按照一定规则组合配置。
3、PLC的工作原理当PLC投入运行后,其工作过程一般分为三个阶段,即输入采样、用户程序执行和输出刷新三个阶段。
《综合电子创新训练》研究报告研究题目:CTS1600-1控制技术综合试验院系名称:专业名称:学生姓名:指导教师:xxxx年 xx月 xx日xxxxxxxxxx目录第一章绪论 (1)1.1课题背景与目的 (1)1.2课题研究方法 (1)第二章电梯模型硬件设备 (2)2.1 实验单片机模型与接口定义 (2)2.1.1 实验用单片机 (2)2.1.2 单片机接口定义 (3)2.1.3 I/O接口DATA控制命令表 (4)2.2 电梯控制命令说明 (6)2.3 实验用电梯模型 (9)第三章与电梯模型相关的实验程序 (10)3.1数码管连续显示 (10)3.1.1 程序流程图 (10)3.1.2 功能简介 (11)3.1.3 功能实现过程 (11)3.1.4 问题的解决及收获 (11)3.2 外部按键灯连续闪烁 (12)3.2.1 程序流程图 (12)3.2.2 功能简介 (12)3.2.3 功能实现过程 (12)3.2.4 问题的解决及收获 (13)I3.3 键、灯、数码管 (14)3.3.1 程序流程图 (14)3.3.2 功能简介 (14)3.3.3 功能实现过程 (14)3.3.4 问题的解决及收获 (15)3.4 外部按键上下行 (16)3.4.1 程序流程图 (16)3.4.2 功能简介 (17)3.4.3 功能实现过程 (17)3.4.4 问题的解决及收获 (18)3.5 计算器 (19)3.5.1 程序流程图 (19)3.5.2 功能简介 (21)3.5.3 功能实现过程 (21)3.5.4 问题的解决及收获 (22)3.6 密码锁 (23)3.6.1程序流程图 (23)3.6.2功能简介 (24)3.6.3实现功能过程 (24)3.6.4问题的解决及收获 (24)3.7逐层停自动开关门循环 (25)3.7.1程序流程图 (25)3.7.2功能简介 (27)3.7.3实现功能过程 (27)II3.8 可记录顺序逐层停自动开关门 (28)3.8.1程序流程图 (28)3.8.2功能简介 (29)3.8.3实现功能过程 (29)3.8.4问题的解决及收获 (29)3.9 外部按键电梯 (30)3.9.1 主程序 (30)3.9.2 开关门模块 (31)3.9.3 上下行模块 (32)3.9.4 LED模块 (34)第四章电梯模型完整控制程序 (36)4.1 完整控制程序(main函数) (36)4.1.1 功能说明 (36)4.1.2 功能实现过程 (37)4.1.3 问题的解决及收获 (37)4.2 按键扫描模块(getto函数) (38)4.2.1功能简介 (38)4.2.2 问题的解决及收获 (38)4.3 当前层判断模块(getat函数) (38)4.3.1 功能简介 (38)4.3.2 问题的解决及收获 (38)4.4 电梯门的选通、禁止模块(DoorEnable函数) (38)4.4.1 功能简介 (38)III4.5 电梯开关门模块(openandclose函数) (39)4.5.1 功能简介 (39)4.5.2 功能实现过程 (39)4.5.3 问题的解决及收获 (39)第五章总结与致谢 (41)5.1 总结 (41)5.2 致谢 (41)附录控制电梯模型相关程序 (42)附录一数码管连续显示 (42)附录二外部按键灯连续闪烁 (43)附录三外部按键逐个亮灭 (45)附录四键、灯、数码管 (47)附录五外部按键上下行 (49)附录六计算器 (51)附录七密码锁 (56)附录八逐层停开关门循环 (59)附录九可记录顺序逐层停自动开关门 (64)附录十外部按键电梯 (70)附录十一完整电梯程序 (77)IV图目录Figure 1 凌阳单片机 (2)Figure 2 凌阳单片机接口定义 (3)Figure 3 实验用电梯模型 (9)Figure 4 数码管连续显示流程图 (10)Figure 5 外部按键灯连续闪烁流程图 (12)Figure 6 LED1to7流程图 (13)Figure 7 键、灯、数码管流程图 (14)Figure 8 外部按键上下行流程图 (16)Figure 9 计算器数字扫描函数流程图 (19)Figure 10 计算器主函数流程图 (20)Figure 11 密码锁流程图 (23)Figure 12 逐层停自动开关门循环main函数 (25)Figure 13 逐层停自动开关门循环AtAndTo函数 (26)Figure 14 逐层停自动开关门循环OpenAndClose函数 (26)Figure 15 可记录顺序逐层停自动开关门 (28)Figure 16 外部按键电梯主函数流程图 (30)Figure 17 外部按键电梯开关门函数流程图 (31)Figure 18 外部按键电梯上下行函数流程图 (32)Figure 19 外部按键电梯LED函数流程图 (34)Figure 20 外部按键电梯btLED函数流程图 (35)Figure 21 电梯完整程序主函数 (36)Figure 22 电梯完整程序openandclose函数流程图 (39)V第一章绪论1.1课题背景与目的现代社会中,电梯已经成为不可缺少的运输设备。