岩石风化程度划分表
- 格式:docx
- 大小:8.01 KB
- 文档页数:2
岩石风化程度学科:工程地质学词目:岩石风化程度英文:degree of rock weathering释文:岩石风化程度是风化作用对岩体的破坏程度,它包括岩体的解体和变化程度及风化深度。
岩石的解体和变化程度一般划分成:全风化、强风化、弱风化、微风化等四级。
确定岩石风化程度主要依据的是矿物颜色变化、矿物成分改变、岩石破碎程度和岩石强度变化四个方面的特征变化情况;根据对上述4个方面的判断,可以将岩石风化程度划分为未风化、微风化、弱风化、强风化和全风化。
四个方面的特征变化情况;根据对上述4个方面的判断,可以将岩石风化程度划分为未风化、微风化、弱风化、强风化和全风化。
如何确定基岩的风化程度请大家来谈谈基岩风化程度的划分依据1 沿海花岗岩地区分带明显且厚度大,具备定量划分的条件,其他岩性不好说2 用标贯可确定。
n〈30残积土,30<=n=〈50全风化,n〉50强风化楼上给出的老岩土规范的划分标准,而且不修正的,实践中看,n〉50不修正作为强风化上限多数是土状的东西用标贯是不准确的,有两个方面:1、标贯操作有误差,工作人员一般不热心打标贯。
2,是标贯超过20米(有的说是25米),标贯数据误差比较大,通过修正也不能完全反应地层情况。
3根据钻孔用肉眼判定岩层的风化程度,各个行业应该是一致的。
如果岩芯呈土状或土柱状,或者大部分呈土状或土柱状,手可搓碎,即可判定是全风化。
如果岩芯大部分呈块状、碎块状,手不可掰开,或者用力才能掰开,锤击声闷,即可判定为强风化。
若岩芯颜色新鲜,很少矿物质,多呈柱状,锤击声脆,即可判定是弱风化或微风化。
4我想各个地质区域的岩性其划分条件是不一样的,比如花岗岩就可以用力学指标去判定,其它的大多数还是以经验判定。
主要还是根据各类岩石岩性,其风化后所表现出的各种特征来判定。
我在江西南昌,以泥质粉砂岩为主,其强风化就表现出泥土状及碎片状,强度很低,手可折断;中风化,裂隙较发育,层面多见F e、Me质,而且泥质成分肉眼就可感觉偏多;余下划分的基本就需靠岩石强度去调整了。
岩石风化程度及岩体分级
一、《工程岩体分级标准》(GB50218-94)
岩石单轴饱和抗压强度(Rc)与定性划分的岩石坚硬程度的对应关系
二、《岩土工程勘察规范》(GB50021-2001)
附录A
2、风化系数为风化岩石与新鲜岩石饱和单轴抗压强度之比;
3、岩石风化程度,除按表列野外特征和定量指标划分外,也可根据当地经验划分;
4、花岗岩类岩石,可采用标准贯入试验划分,N≥50为强风化,50>N≥30为全风化,N<30为残积土。
5、泥岩和半成岩,可不进行风化程度划分。
1、Ⅰ类岩体为软岩、较软岩时,应降为Ⅱ类岩体;
2、当地下水发育时,Ⅱ、Ⅲ类岩体可视情况降低一档;
3、强风化岩和极软岩可划为Ⅳ类岩体;
4、表中外倾结构面系指倾向与坡向的夹角<30°的结构面;
5、岩体完整程度按附表A-2确定。
五、《公路工程地质勘察规范》(JTJ024-98)
)
六、《建筑地基基础设计规范》(GB50007-2002
七、《水利水电工程地质勘察规范》(GB50487-2008)附录H 岩体风化带划分
八、《水力发电工程地质勘察规范》(GB50287-2006)
附录F 岩体风化带划分
风化程度划分。
岩石风化程度的划分表土壤及岩石(普氏)分类表岩体类别岩石的粒度划分:一、侵入岩(1)结晶程度:显晶质、隐晶质。
(2)矿物颗粒的绝对大小(以岩石中的主要造岩矿物为标准)巨粒:>10mm粗粒:10—5mm中粒:5—2mm细粒:2—0.2mm微粒:<0.2mm二、变质岩的粒度和层厚的规定:(1)粒度:粗粒变晶结构:>3mm中粒变晶结构:3—1mm细粒变晶结构:0.1—1mm显微状:<0.1mm(2)厚度:巨层:>100cm巨厚层:100—50cm厚层:50—10cm中厚层:10—5cm薄层:<5cm三、沉积岩砾岩:根据砾石(或角砾)大小分为:细砾岩:2—10mm中砾岩:10—50mm粗砾岩:50—100mm巨砾岩:100—1000mm块石砾石岩:>1000mm砂岩:粗粒:2—0.5mm中粒:0.5—0.25mm细粒:0.25—0.05mm粉砂:0.05—0.005mm粘土岩:<0.005mm沉积岩层理:根据层理的厚度大小,通常以下分类规定,单位厘米:块状:>200cm巨厚层状:100—200cm厚层状:50—100cm中层状:10—50cm薄层状:5—10cm页片(微层)状层理:1—5cm条带:0.5—1cm条纹:0.1—0.5cm纹层:<0.1cm花岗岩:花斑状,由黑、白、肉红等颜色或无色透明的颗粒组成,颗粒较粗,粗糙,很坚硬。
砾岩:看起来像混凝土,由碎石子或卵石组成,粗糙,硬。
石灰岩:青灰色、灰色或微黄色,颗粒细,光滑,较硬,常有化石,遇盐酸冒泡。
砂岩:有红、土黄、灰等多种颜色,看起来像许多粗细差不多的沙子黏合在一起,粗糙,硬。
页岩:有灰、黑、红、棕、黄等多种颜色,颗粒细,较软,比较光滑,薄层状,常有化石。
板岩:灰色、绿色等,容易分离成层,颗粒细,结构紧密,比较光滑,硬,敲击有清脆的声音。
大理岩:纯白色、黑色等,常有美丽的条纹,颗粒较粗,比较粗糙,晶莹润泽,紧密,较软,遇盐酸冒泡。
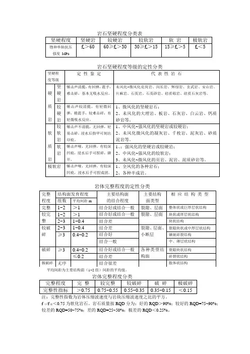
坚硬程度坚硬岩 较硬岩 较软岩 软 岩极软岩 饱和单轴抗压 强度 MPaf r >60 60≥f r >30 30≥f r >15 15≥f r >5 f r <5坚硬程 度等级定 性 鉴 定 代 表 性 岩 石硬 质 岩 坚 硬 岩锤击声清脆,有回弹,震手,难击碎,基本无吸水反应。
未风化~微风化花岗岩、闪长岩、辉绿岩、玄武岩、安山岩、片麻岩、石英岩、石英砂岩、硅质砾岩、硅质石灰岩等。
较 硬 岩 锤击声较清脆,有轻微回弹,稍震手,较难击碎,有轻微吸水反应。
1、微风化的坚硬岩石;2、未风化的大理岩、板岩、石灰岩、白云岩、钙质砂岩等。
软 质 岩较 软 岩 锤击声不清脆,无回弹,轻易击碎,浸水后指甲可刻出印痕。
1、中风化~强风化的坚硬岩或较硬岩;2、未风化微风化的凝灰岩、千枚岩、泥灰岩、砂质泥岩等。
软 岩 锤击声哑,无回弹,有较深凹痕,浸水后手可捏碎,辧开。
1、;强风化的坚硬岩或较硬岩;2、中风化~强风化的较软岩;3、未风化~微风化的页岩、泥岩、泥质砂岩等。
极软岩锤击声哑,无回弹,有较深凹痕,浸水后手可捏成团。
1、全风化的各种岩石;2、各种半成岩。
岩体完整程度的定性分类平均间距为主要结构面(1~2组)间距的平均值。
完整程度 完 整 较完整 较破碎 破 碎 极破碎 完整性指标 >0.75 0.75~0.55 0.55~0.35 0.35~0.15 <0.15f 干/f 湿<0.75为软化岩石。
岩石质量按RQD 分为:好的RQD >90%;较好的RQD=75~90%;较差的RQD=50~75%;差的RQD=25~50%;极差的RQD <0.25%。
完整 程度 结构面发育程度 主要结构面 的结合程度 主要结构 面类型 相 应 结 构 类 型组数平均间距m完整 1~2 >1 结合好或结合一般 裂隙、层面 整体状或巨厚层状结构 较完 整 1~2 >1 结合好或结合一般 裂隙、层面块状或厚层状结构 2~3 1~0.4 结合差 块状结构较破 碎 2~3 1~0.4 结合差 裂隙、层面、小断层裂隙块状或中厚层状结构≥3 0.4~0.2 结合好 镶嵌碎裂结构 结合一般 中、薄层状结构破碎≥30.4~0.2 结合好或结合一般 各种类型结构面 裂隙块状结构 ≤0.2 结合差 碎裂状结构 极破碎 无序结合很差散体状结构岩层厚度划分:巨厚层h>1m;厚层1≥h>0.5;0.5≥h>0.1;h≤0.1。
岩石坚硬程度等级的定性分类
岩石按风化程度分类
2、泥岩和半成岩,可不进行风化程度划分
3、风化岩和残积土的性质:软化性、不均匀性、固结物性、膨胀性、湿陷性
4、硬质岩石耐风化能力强,暴露后一、二年尚不易风化
5、软质岩石耐风化能力弱,暴露数日至数月即出现风化壳
土按有机质含量分类
粘性土、粉土按塑性指数的分类及野外鉴别
L
2、粉土工程性质介于粘性土和砂土之间,若用含水量接近饱和的粉土,团成小球放在
手掌上左右反复摇晃,并以另一手震击,则土中水迅速渗出土面
人工填土、淤泥质土、腐植土的鉴别方法
土的主要成因类型的鉴定标准
砂土的野外鉴别
粘性土、粉土按塑性指数的分类及野外鉴别。
风化岩石强度等级划分
风化岩石是指在长时间地自然作用下,由于受到水、风、温度等因素的侵蚀作用而产
生了一定的物理、化学变化,使其原有的力学性质、结构、颜色等发生了变化的岩石。
风
化岩石普遍存在于地球表面,尤其在热带、亚热带地区更为明显。
风化岩石的强度是指其抗压、抗拉、抗弯等力学性质。
为方便工程设计和施工等操作,一般采用强度等级来表示风化岩石的强度,其划分标准如下:
一、风化程度划分
1. 轻度风化:岩石颜色变浅,表面呈现龟裂、剥落等裂缝,均匀性变差,但整体石
质未明显改变。
常用符号为WA。
3. 重度风化:岩石颜色严重变浅,表面呈现具有较明显形状和尺寸的龟裂和钙石类
充填物,明显颗粒状剥蚀现象,明显降低了整体石质强度。
常用符号为WC。
4. 极重度风化:岩石颜色趋于白色,甚至呈现出柔软的泥质石体,且常出现小型脱
落块,整体石质完全改变。
常用符号为WD。
二、抗压强度等级划分
根据风化程度划分,抗压强度等级划分如下:
1. WA1级:轻度风化岩体,抗压强度≥15MPa。
1. 抗拉强度等级:WA1级≥1.0MPa、WB1级≥0.5MPa、WC1级≥0.25MPa、WD1级
≥0.1MPa。
以上为风化岩石强度等级划分的标准,实际工程中应根据岩石的不同程度和特点来选
择相应的强度等级,以确保工程质量和安全。