【CN110003619A】复杂环境用树脂基超声换能器声匹配层材料及其制备方法【专利】
- 格式:pdf
- 大小:287.22 KB
- 文档页数:9
(19)中华人民共和国国家知识产权局(12)发明专利申请(10)申请公布号 (43)申请公布日 (21)申请号 201910362493.6(22)申请日 2019.04.30(71)申请人 重庆大学地址 400044 重庆市沙坪坝区沙坪坝正街174号申请人 国网山西省电力公司晋中供电公司(72)发明人 黄正勇 李策 李剑 王飞鹏 张云玮 陈伟根 孙凯 杜林 (74)专利代理机构 北京同恒源知识产权代理有限公司 11275代理人 赵荣之(51)Int.Cl.C08L 63/00(2006.01)C08L 1/02(2006.01)C08K 9/04(2006.01)C08K 7/00(2006.01)D06M 13/224(2006.01)D06M 10/02(2006.01)C09K 5/14(2006.01)H01B 3/40(2006.01)D06M 101/06(2006.01)(54)发明名称一种高导热环氧树脂复合材料及其制备方法(57)摘要本发明涉及一种高导热环氧树脂复合材料及其制备方法,属于复合材料技术领域。
在制备该复合材料的过程中,首先制备改性纤维素纳米纤维分散液、改性氮化硼纳米片,然后制备改性纤维素纳米纤维/改性氮化硼纳米片分散液,最后再以液晶环氧树脂和改性纤维素纳米纤维/改性氮化硼纳米片分散液为原料制备环氧树脂复合材料。
该复合材料的导热性、机械性能、电气绝缘性能相对于传统环氧树脂复合材料有很大的优势以及实用价值。
该复合材料制备方法简单,易操作,且成本低,适合工业化生产。
权利要求书2页 说明书5页 附图1页CN 110093012 A 2019.08.06C N 110093012A权 利 要 求 书1/2页CN 110093012 A1.一种高导热环氧树脂复合材料的制备方法,其特征在于,所述方法包括如下步骤:(1)制备改性纤维素纳米纤维分散液首先将复烃酯和无水乙醇加入水中,混匀后制得复烃酯水解溶液;然后向所述复烃酯水解溶液中加入纤维素纳米纤维水溶液,于70-80℃下搅拌2-3h,制得改性纤维素纳米纤维水溶液;最后向所述改性纤维素纳米纤维水溶液中加入二甲基甲酰胺,超声处理后置于离心机中进行离心置换,接着再加入二甲基甲酰胺,再次超声处理后置于离心机中进行离心置换,如此重复至所述改性纤维素纳米纤维水溶液中水全部置换为二甲基甲酰胺,制得改性纤维素纳米纤维分散液;(2)制备改性氮化硼纳米片首先将复烃酯和无水乙醇加入水中,混匀后制得复烃酯水解溶液;然后向所述复烃酯水解溶液中加入氮化硼纳米片,于70-80℃下搅拌2-3h后烘干,将烘干后的固体经研磨后制得改性氮化硼纳米片;(3)制备改性纤维素纳米纤维/改性氮化硼纳米片分散液将步骤(2)中制得的改性氮化硼纳米片加入步骤(1)中制备的改性纤维素纳米纤维分散液中,超声处理12-14h后静置10-12h,取上层清液即获得改性纤维素纳米纤维/改性氮化硼纳米片分散液;(4)制备高导热环氧树脂复合材料将液晶环氧树脂加热熔化后,加入步骤(3)中制得的改性纤维素纳米纤维/改性氮化硼纳米片分散液,在180℃下搅拌混匀并至所述改性纤维素纳米纤维/改性氮化硼纳米片分散液中的二甲基甲酰胺挥发,然后加入固化剂后在90-180℃下恒温搅拌15-50min后抽真空脱气,最后依次在90-150℃、120-180℃和150-210℃下固化10min、20-30min和40-60min,制得高导热环氧树脂复合材料。
(19)中华人民共和国国家知识产权局(12)发明专利申请(10)申请公布号 (43)申请公布日 (21)申请号 201910382673.0(22)申请日 2019.05.09(71)申请人 北京科技大学地址 100083 北京市海淀区学院路30号(72)发明人 张欣茹 解晓宇 姜泽毅 蔡欣治 任育杰 胡健 左海滨 张欣欣 (74)专利代理机构 北京市广友专利事务所有限责任公司 11237代理人 张仲波(51)Int.Cl.C08L 27/18(2006.01)C08K 3/04(2006.01)C08J 5/18(2006.01)C09K 5/14(2006.01)B29C 43/02(2006.01)B29C 43/58(2006.01)
(54)发明名称定向高导热石墨烯-全氟烷氧基树脂复合材料及制备方法(57)摘要一种定向高导热石墨烯-全氟烷氧基树脂复合材料及制备方法。所述复合材料通过溶液混合、磁力搅拌、真空干燥、热压烧结的方式,形成石墨烯片在聚合物中定向排布。其热导率在平行于X-Y方向(平行于石墨烯排布)与垂直于X-Y方向(垂直于石墨烯排布)均较原聚合物基材热导率显著提高;其中X-Y方向为热压时垂直于模具压棒方向的复合材料表面。当石墨烯质量分数为30%时,两个方向热导率分别可达25.57W/(m·K)和6.92W/(m·K)。平行于X-Y方向的热导率达到了垂直于X-Y方向热导率的~4倍,也是原聚合物基材全氟烷氧基树脂(PFA)热导率的约100倍。本发明复合材料具有相当高的热导率和良好的热稳定性。所述制备方法简单易行、成本低廉,适宜大规模推广应用于热界面材料等多个领域。
权利要求书2页 说明书5页 附图2页CN 110093001 A2019.08.06
CN 110093001 A1.一种定向高导热石墨烯-全氟烷氧基树脂复合材料,其特征在于石墨烯填料通过热压手段在全氟烷氧基树脂基材中形成定向平行排列的结构,其热导率在平行于X-Y方向与垂直于X-Y方向分别达到25.57W/(m·K)和6.92W/(m·K);平行于X-Y方向的热导率达到了垂直于X-Y方向热导率的约4倍,也是原聚合物基材全氟烷氧基树脂(PFA)热导率的约100倍;其中X-Y方向为热压时垂直于模具压棒方向的复合材料表面。2.如权利要求1所述定向高导热石墨烯-全氟烷氧基树脂复合材料,其特征在于所述石墨烯均匀分布在全氟烷氧基树脂(PFA)基材之中。3.如权利要求1所述定向高导热石墨烯-全氟烷氧基树脂复合材料,其特征在于所述复合材料具有选自下组的一个或多个特征:(1)所述复合材料的密度为2.1~2.3g/cm3;(2)所述复合材料的热容为1.19~1.58J/(g·K);(3)所述复合材料沿X-Y方向的热扩散系数为0.36~10.12mm2/s;(4)所述复合材料沿Z方向的热扩散系数为0.26~2.74mm2/s。4.一种如权利要求1-3所述定向高导热石墨烯-全氟烷氧基树脂复合材料的制备方法,其特征在于制备步骤如下:(1)通过超声将石墨采用液相剥离法分散在无水酒精中,制得石墨烯-酒精分散液;(2)将全氟烷氧基树脂(PFA)粉末颗粒加入到石墨烯-酒精分散液中,通过调节质量比例制取复合分散液,使得步骤(1)中石墨烯质量占最终复合材料总质量的浓度为1%~40%;(3)将复合分散液置于磁力搅拌仪上将酒精溶剂蒸干;(4)将蒸干后所得预混料放入真空干燥箱干燥,得到石墨烯-全氟烷氧基树脂(PFA)复合材料粉末;(5)将石墨烯-全氟烷氧基树脂(PFA)复合材料粉末放置于模具中,利用立式加热炉和万能试验机,在高温下将其熔化后压制成型,等待冷却,获得复合材料片材。5.如权利要求4所述定向高导热石墨烯-全氟烷氧基树脂复合材料的制备方法,其特征在于步骤(3)所述蒸干条件为55-65℃、750-850r/min。6.如权利要求4所述定向高导热石墨烯-全氟烷氧基树脂复合材料的制备方法,其特征在于步骤(4)所述干燥条件为:温度120℃,时间为24h 。7.如权利要求4所述定向高导热石墨烯-全氟烷氧基树脂复合材料的制备方法,其特征在于步骤(5)所述熔化温度为400℃,压制成型压力为10kN。8.如权利要求4所述定向高导热石墨烯-全氟烷氧基树脂复合材料的制备方法,其特征在于具体步骤如下:(1)取0.1~2.5g石墨加入到200mL无水乙醇中,通过液相剥离法,采用探头式超声仪在300W功率下超声2h从而制取石墨烯乙醇分散液;(2)将一定质量的全氟烷氧基树脂粉末加入分散液中,使得最终溶液中石墨烯质量占复合材料的质量分数为1%~40%;然后将石墨烯-全氟烷氧基树脂(PFA)分散液置于可加热的磁力搅拌器上,采用60℃、800r/min的状态搅拌混合,同时蒸发掉酒精溶剂,得到石墨烯-全氟烷氧基树脂(PFA)复合材料的预混料;(3)将预混料依次置于真空干燥箱中,在120℃下干燥24h,得到石墨烯-全氟烷氧基树
(19)中华人民共和国国家知识产权局(12)发明专利申请(10)申请公布号 (43)申请公布日 (21)申请号 201910324459.X(22)申请日 2019.04.22(71)申请人 哈尔滨工业大学地址 150001 黑龙江省哈尔滨市南岗区西大直街92号
(72)发明人 吴林志 周涵 (74)专利代理机构 哈尔滨市松花江专利商标事务所 23109代理人 岳泉清
(51)Int.Cl.A61L 27/16(2006.01)
A61L 27/18(2006.01)
A61L 27/34(2006.01)
A61L 27/50(2006.01)
A61L 27/54(2006.01)
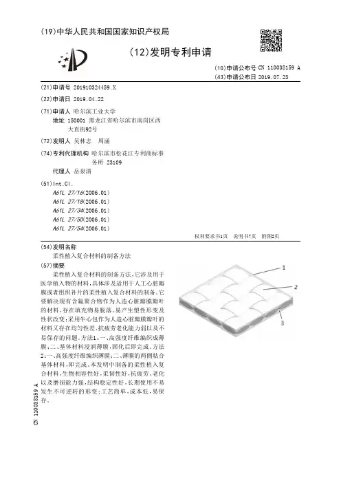
(54)发明名称柔性植入复合材料的制备方法(57)摘要柔性植入复合材料的制备方法,它涉及用于医学植入物的材料,具体涉及适用于人工心脏瓣膜或者组织补片的柔性植入复合材料的制备。它要解决现有含氟聚合物作为人造心脏瓣膜瓣叶的材料,存在填充物易脱落、易产生塑性形变及性状改变;采用牛心包作为人造心脏瓣膜瓣叶的材料又存在均匀性差、抗疲劳老化能力弱以及不易保存的问题。方法1:一、高强度纤维编织成薄膜;二、基体材料浸润薄膜,固化后即完成。方法2:一、高强度纤维编织薄膜;二、薄膜的两侧粘合基体材料,即完成。本发明中制备的柔性植入复合材料,生物相容性好,柔韧性好,抗疲劳、老化以及磨损能力强,结构稳定性好,长期使用不易发生不可逆转的形变;工艺简单,成本低,易保存。
权利要求书1页 说明书7页 附图2页CN 110038159 A2019.07.23
CN 110038159 A1.柔性植入复合材料的制备方法,其特征在于它按以下步骤实现:一、将高强度纤维编织成厚度为0.05~0.3mm的薄膜;二、采用基体材料浸润步骤一中所得薄膜,然后进行固化,固化后所得复合材料的总厚度为0.2~0.6mm,即完成柔性植入复合材料的制备;其中步骤一中所述高强度纤维为超高分子量聚乙烯纤维、聚酯纤维、尼龙纤维、聚四氟乙烯纤维或聚丙烯纤维;步骤一中所述编织的方式为平纹织造、斜纹织造或缎纹织造;步骤一中所述编织所用高强度纤维采用1~40股;步骤二中所述基体材料为医用级硅橡胶、水凝胶或氟橡胶。2.根据权利要求1所述柔性植入复合材料的制备方法,其特征在于步骤二中所述基体材料浸润步骤一中所得薄膜,薄膜两侧基体材料的厚度相同。3.根据权利要求1所述柔性植入复合材料的制备方法,其特征在于步骤二中所述医用级硅橡胶的邵氏硬度为0~40度。4.柔性植入复合材料的制备方法,其特征在于它还可以按以下步骤实现:一、将高强度纤维编织成厚度为0.05~0.3mm的薄膜;二、在步骤一中所得薄膜的两侧粘合厚度均为0.08~0.2mm的基体材料,粘合后所得复合材料的总厚度为0.2~0.6mm,即完成柔性植入复合材料的制备;其中步骤一中所述高强度纤维为超高分子量聚乙烯纤维、聚酯纤维、尼龙纤维、聚四氟乙烯纤维或聚丙烯纤维;步骤一中所述编织的方式为平纹织造、斜纹织造或缎纹织造;步骤一中所述编织所用高强度纤维采用1~40股;步骤二中所述基体材料为医用级硅橡胶、水凝胶或氟橡胶;步骤二中薄膜的两侧粘合的基体材料为同种材料或者不同种材料;步骤二中所述粘合采用硅橡胶或者水凝胶。5.根据权利要求4所述柔性植入复合材料的制备方法,其特征在于步骤一中所述薄膜还可以是成品厚度为0.05~0.3mm的高分子塑料膜。6.根据权利要求1或4所述柔性植入复合材料的制备方法,其特征在于步骤二中完成柔性植入复合材料的制备后,还可以对柔性植入复合材料的表面进行涂覆或者镀膜。7.根据权利要求6所述柔性植入复合材料的制备方法,其特征在于所述涂覆是在表面喷涂现有的抗菌药物或抗凝血药物,喷涂厚度为1~10μm。8.根据权利要求6所述柔性植入复合材料的制备方法,其特征在于所述镀膜是采用真空气相沉积的方式沉积厚度为1~5μm的派瑞林。
(19)中华人民共和国国家知识产权局(12)发明专利申请(10)申请公布号 (43)申请公布日 (21)申请号 201910196071.6(22)申请日 2019.03.15(71)申请人 南京大学地址 210046 江苏省南京市栖霞区仙林大道163号
(72)发明人 陈葳 瞿志超 薛奇 王晓亮 周东山
(74)专利代理机构 南京苏高专利商标事务所(普通合伙) 32204代理人 李静
(51)Int.Cl.B29C 45/14(2006.01)
(54)发明名称表面处理的金属及其处理方法与金属树脂复合体及其制备方法(57)摘要本发明公开了一种表面处理的金属及其处理方法与金属树脂复合体及其制备方法。将金属分别置于不同的电解液体系进行预氧化和氧化处理,在金属表面得到规整排列的纳米管阵列结构,提高了注塑时树脂进入纳米结构内部的效率,使得复合体良品率大为提高;再对金属进行热处理,从而加强氧化层与基底之间的结合力;将树脂在表面处理后的金属上直接注塑,一体成型,获得结合力非常高的金属树脂复合体。本发明提供的制造方法高效可靠,解决了现有的以钛合金为基底的纳米注塑工艺中复合体结合强度低、可靠性不高的难题。
权利要求书1页 说明书13页 附图10页
CN 110000991 A2019.07.12
CN 110000991 A1.一种金属表面的处理方法,其特征在于包括如下步骤:(1)对金属进行前处理;(2)将前处理后的金属在含有氟化氨的有机电解液中预氧化;(3)将预氧化后的金属在氢氟酸溶液中阳极氧化,得到表面处理后的金属。2.根据权利要求1所述金属表面的处理方法,其特征在于:步骤(2)中,所述预氧化过程中电压为20-60V,氧化时间≥5min。3.根据权利要求1所述金属表面的处理方法,其特征在于:步骤(3)中,所述阳极氧化过程中电压为15-25V,氧化时间≥10min。4.根据权利要求1所述金属表面的处理方法,其特征在于:步骤(3)中,所述氢氟酸溶液的浓度为0.10-1.00wt%。5.一种表面处理的金属,其特征在于由权利要求1-4任一方法处理得到。6.根据权利要求5所述的金属,其特征在于:所述金属为钛或钛合金。7.根据权利要求5所述的金属,其特征在于:所述金属表面具有氧化层,该氧化层为纳米管阵列结构,所述纳米管阵列结构中的纳米管道内径为40nm-200nm、长度为200nm-800nm。8.一种基于权利要求1的金属树脂复合体的制备方法,其特征在于:步骤(3)之后,用树脂在表面处理后的金属上注塑成型。9.根据权利要求8所述制备方法,其特征在于:在注塑成型之前先对表面处理后的金属进行热处理,所述热处理的温度≥350℃,处理时间≥30min。10.一种金属树脂复合体,其特征在于由权利要求8或9所述制备方法制备得到。
(19)中华人民共和国国家知识产权局
(12)发明专利申请
(10)申请公布号 (43)申请公布日 (21)申请号 201910227590.4
(22)申请日 2019.03.25
(71)申请人 武汉科技大学
地址 430081 湖北省武汉市青山区和平大
道947号
(72)发明人 陈辉 赵雷 何漩 曾祥会 方伟
李薇馨
(74)专利代理机构 武汉科皓知识产权代理事务
所(特殊普通合伙) 42222
代理人 张火春
(51)Int.Cl.
C08L 63/00(2006.01)
C08L 79/08(2006.01)
C08L 79/04(2006.01)
C08L 33/00(2006.01)
C08K 7/24(2006.01)C08K 3/36(2006.01)C08K 3/22(2006.01)
(54)发明名称复杂环境用树脂基超声换能器声匹配层材料及其制备方法(57)摘要本发明涉及一种复杂环境用树脂基超声换能器声匹配层材料及其制备方法。
其技术方案是:以50~90wt%的改性树脂和10~50wt%的双层空心微球为原料,外加所述原料20~30wt%的固化剂,混合3~15min,制得泥料;将所述泥料机压成型,自然干燥8~10h,脱模,于80~100℃条件下烘烤24~30h,切割,制得复杂环境用树脂基超声换能器声匹配层材料。
本发明制备工艺简单、体积密度可控和厚度可加工,所制备的复杂环境用树脂基超声换能器声匹配层材料具有阻抗梯度、高频、高效、宽带(>110%)导通的特点,适用于高温、湿热、极冷等多物理场载荷环境,广泛应用于航空航天、地质勘察、深海探测、极地科研、汽车、医疗等领域,社会效益和经济效益显
著。
权利要求书1页 说明书7页CN 110003619 A 2019.07.12
C N 110003619
A
权 利 要 求 书1/1页CN 110003619 A
1.一种复杂环境用树脂基超声换能器声匹配层材料的制备方法,其特征在于所述制备方法是以50~90wt%的改性树脂和10~50wt%的双层空心微球为原料,外加所述原料20~30wt%的固化剂,混合3~15min,制得泥料;将所述泥料机压成型,自然干燥8~10h,脱模,于80~100℃条件下烘烤24~30h,切割,制得复杂环境用树脂基超声换能器声匹配层材料。
2.根据权利要求1所述的复杂环境用树脂基超声换能器声匹配层材料的制备方法,其特征在于所述改性树脂为双酚A型的环氧树脂、芳杂环耐高温双马来酰亚胺树脂、双邻苯二甲腈树脂、氟-硅改性纳米水性树脂、无机硅杂化树脂、二氧化硅改性丙烯酸树脂、三氧化二铝改性环氧树脂、半硅氧烷改性双酚A型环氧树脂、超支化环氧/双酚A环氧杂化树脂、硅钛杂化环氧树脂、丙烯酸改性醇酸-环氧酯杂化树脂中的一种。
3.根据权利要求1所述的复杂环境用树脂基超声换能器声匹配层材料的制备方法,其特征在于所述双层空心微球的材质是:内层材质为铜、钨、氧化铈、氧化钇、氧化镧、氧化镨、硼化锆中的一种;外层材质为铜、钨、氧化铈、氧化钇、氧化镧、氧化镨、硼化锆、氧化铝、二氧化硅、氧化镁、氧化铝、氧化钛、氧化钡、氧化锌、氧化锰中的一种。
4.根据权利要求1所述的复杂环境用树脂基超声换能器声匹配层材料的制备方法,其特征在于所述固化剂为碳酸二甲酯、碳酸二乙酯、甲酯、乙酯、丁酯、乙二醇酯和甘油酯中的一种。
5.一种复杂环境用树脂基超声换能器声匹配层材料,其特征在于所述复杂环境用树脂基超声换能器声匹配层材料是根据权利要求1~4项中任一项所述的复杂环境用树脂基超声换能器声匹配层材料的制备方法所制备的复杂环境用树脂基超声换能器声匹配层材料。
2。