实验室日常安全自查记录表
- 格式:doc
- 大小:42.50 KB
- 文档页数:2
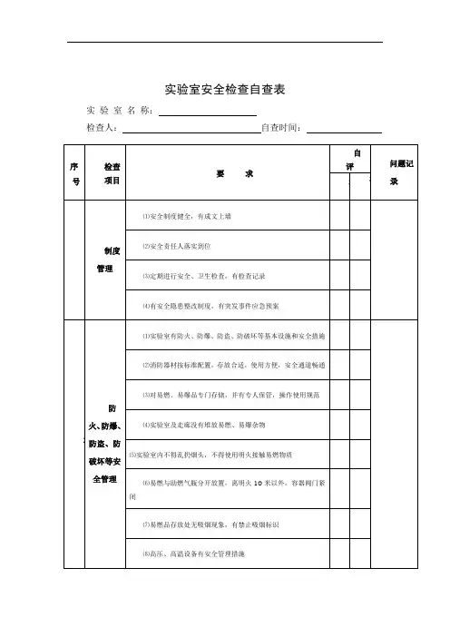
实验室安全检查自查表实验室安全检查自查表实验室名称:检查人:自查时间:序号检查项目自评要求是√ 否ⅹ问题记录1 安全制度健全,有成文上墙1.1 安全责任人落实到位1.2 定期进行安全、卫生检查,有检查记录1.3 有安全隐患整改制度,有突发事件应急预案2 防火、防爆、防盗、防破坏等基本设施和安全措施2.1 实验室有防火、防爆、防盗、防破坏等基本设施和安全措施2.2 消防器材按标准配置,存放合适,使用方便,安全通道畅通2.3 对易燃、易爆品专门存储,并有专人保管,操作使用规范2.4 实验室及走廊没有堆放易燃、易爆杂物2.5 实验室内不得乱扔烟头,不得使用明火接触易燃物质2.6 易燃与助燃气瓶分开放置,离明火10米以外,阀门紧闭2.7 易燃品存放处无吸烟现象,有禁止吸烟标识2.8 高压、高温设备有安全管理措施2.9 门、窗、玻璃、锁、搭扣完整无缺2.10 实验室钥匙由专人管理,不得擅自外借他人使用,实验室内不得留宿3 用电用水用气安全管理3.1 实验室用电、用水、用气安全3.2 仪器设备的开关、旋钮完好无损,无安全隐患3.3 仪器设备无漏电现象3.4 动力和照明电线无老化、破损及超负荷使用现象3.5 学生用电、用水、用气等方面严格实行谁使用、谁负责的管理制度3.6 实验室内电炉严禁生活使用3.7 实验室房屋无危漏,水龙头、水管、水池无破损及溢水隐患3.8 离开实验室时,必须关闭水源、电源、气源4 仪器操作安全管理4.1 有学生实验守则和仪器设备使用操作规定并严格执行4.2 特种仪器设备使用符合特殊功能和特殊条件要求4.3 仪器设备无长时间、超高压使用,造成损坏4.4 大型精密仪器设备有安全使用和管理措施4.5 大型精密仪器设备与专有设备逐台有使用操作规程,并贴于显眼处4.6 大型精密仪器设备使用人员必须经过专门培训4.7 学生使用大型精密仪器设备和特种仪器设备需有具备使用资格的技术人员和教师指导4.8 40万元以上的大型精密仪器设备由专人负责使用管理4.9 贵重仪器设备有安全防护(防尘、除湿)措施5 化学试剂安全管理5.1 有毒有害的化学试剂实行专人管理5.2 有有毒有害化学试剂清单,有有毒有害化学试剂领用记录5.3 剧毒化学品安全警示标识清晰、醒目5.4 化学试剂必须按规定分类摆放,有毒化学试剂不得与一般化学试剂混放实验室安全检查自查表实验室名称:检查人:自查时间:序号检查项目自评要求√ 否ⅹ问题记录1 安全制度健全,有成文上墙1.1 安全责任人落实到位1.2 定期进行安全、卫生检查,有检查记录1.3 有安全隐患整改制度,有突发事件应急预案2 基本设施和安全措施2.1 实验室有防火、防爆、防盗、防破坏等基本设施和安全措施2.2 消防器材按标准配置,存放合适,使用方便,安全通道畅通2.3 对易燃、易爆品专门存储,并有专人保管,操作使用规范2.4 实验室及走廊没有堆放易燃、易爆杂物2.5 实验室内不得乱扔烟头,不得使用明火接触易燃物质2.6 易燃与助燃气瓶分开放置,离明火10米以外,阀门紧闭2.7 易燃品存放处无吸烟现象,有禁止吸烟标识2.8 高压、高温设备有安全管理措施2.9 门、窗、玻璃、锁、搭扣完整无缺2.10 实验室钥匙由专人管理,不得擅自外借他人使用,实验室内不得留宿3 用电用水用气安全管理3.1 实验室用电、用水、用气安全3.2 仪器设备的开关、旋钮完好无损,无安全隐患3.3 仪器设备无漏电现象3.4 动力和照明电线无老化、破损及超负荷使用现象3.5 学生用电、用水、用气等方面严格实行谁使用、谁负责的管理制度3.6 实验室内电炉严禁生活使用3.7 实验室房屋无危漏,水龙头、水管、水池无破损及溢水隐患3.8 离开实验室时,必须关闭水源、电源、气源4 仪器操作安全管理4.1 有学生实验守则和仪器设备使用操作规定并严格执行4.2 特种仪器设备使用符合特殊功能和特殊条件要求4.3 仪器设备无长时间、超高压使用,造成损坏4.4 大型精密仪器设备有安全使用和管理措施4.5 大型精密仪器设备与专有设备逐台有使用操作规程,并贴于显眼处4.6 大型精密仪器设备使用人员必须经过专门培训4.7 学生使用大型精密仪器设备和特种仪器设备需有具备使用资格的技术人员和教师指导4.8 40万元以上的大型精密仪器设备由专人负责使用管理4.9 贵重仪器设备有安全防护(防尘、除湿)措施5 化学试剂安全管理5.1 有毒有害的化学试剂实行专人管理5.2 有有毒有害化学试剂清单,有有毒有害化学试剂领用记录5.3 剧毒化学品安全警示标识清晰、醒目5.4 化学试剂必须按规定分类摆放,有毒化学试剂不得与一般化学试剂混放1.实验室设施与设备要求:通风、照明、控温度、控湿度等设施完好,能保证各项指标达到设计规定的标准。
**县人民医院
检验科
实验室安全自查记录安全责任人:
实验室安全自查记录表
安全责任人:检查员:检查日期:年月日序
号检查项目是、否安全存在问题整改意见
1 实验室生活安全
情况
无吸烟是□否□
无食物是□否□
无化妆品是□否□
安全洗手是□否□
2 个人防护情况手套是□否□口罩是□否□帽子是□否□
3 实验室电器状况线路是□否□地线是□否□总开关是□否□照明开关是□否□插座是□否□照明电器是□否□电风扇是□否□空调是□否□
4
防盗设施(门窗
等)状况铁门是□否□木门是□否□窗是□否□防盗网是□否□其它是□否□
5 消防器材状况灭火器是□否□消防栓是□否□用水设施是□否□
6 危险品保存情况是□否□
7 高压、高温设备
使用情况
是□否□
8 大型仪器设备安
全使用情况
是□否□
9 微生物安全情况是□否□
实验室安全管理规定执行情况结论:□安全□需要整改
科室负责人:。
实验室日常安全自查记录表实验室日常安全检查表部门:__________ 检查员:__________ 年月日:__________ 序号:__________检查项目。
是否安全。
发现隐患。
整改措施1.实验室生活安全无吸烟。
是□ 否□。
无食物。
是□ 否□。
无化妆品。
是□ 否□。
情况:____________安全洗手。
是□ 否□。
整改措施:____________手套。
是□ 否□。
整改措施:____________2.个人防护情况口罩。
是□ 否□。
整改措施:____________防护服。
是□ 否□。
整改措施:____________ 线路。
是□ 否□。
整改措施:____________地线。
是□ 否□。
整改措施:____________电脑。
是□ 否□。
整改措施:____________照明开关。
是□ 否□。
整改措施:____________ 3.实验室电器状况插座。
是□ 否□。
整改措施:____________照明电器。
是□ 否□。
整改措施:____________排风扇。
是□ 否□。
整改措施:____________空调。
是□ 否□。
整改措施:____________灭火器。
是□ 否□。
整改措施:____________4.消防器材状况用水设施。
是□ 否□。
整改措施:____________易燃、易爆气瓶、剧毒气体存情况。
是□ 否□。
整改措施:____________高压、高温设备使用情况。
是□ 否□。
整改措施:____________仪器设备安全使用情况、玻璃器具。
是□ 否□。
整改措施:____________5.实验室安全管理规定执行情况是□ 否□。
整改措施:____________ 6.结论安全需要整改。
实验室每日检查记录日期: [填写日期]
检查人员: [填写检查人员姓名]
1. 清洁与卫生检查
- [ ] 实验室工作台面是否清洁整齐?
- [ ] 实验室地面是否干净无杂物?
- [ ] 实验室垃圾桶是否清空并分类处理?
- [ ] 实验室通风是否良好?
2. 实验室设备检查
- [ ] 实验室仪器设备是否正常运行?
- [ ] 实验室设备是否放置整齐并有序?
- [ ] 实验室设备是否需要维护或修理?
- [ ] 实验室消耗品是否充足?
3. 安全检查
- [ ] 紧急出口和安全出口是否畅通无阻?
- [ ] 紧急安全设备(如灭火器、紧急喷淋器等)是否正常可用?- [ ] 实验室化学品是否妥善存放并标识清晰?
- [ ] 实验室电源和插座是否正常工作?
4. 实验室文件和记录检查
- [ ] 实验室操作手册是否完整并易于查阅?
- [ ] 实验室记录是否按要求填写并妥善保存?
- [ ] 实验室文件和资料是否有序归档?
5. 其他检查事项
- [ ] [填写其他需要检查的事项]
备注:
[填写检查过程中发现的问题、需要解决的事项以及其他备注信息]
下一步行动:
[填写针对发现问题的解决方案,以及需要采取的下一步行动]
检查人员签名:
[填写检查人员签名和日期]
---
以上检查记录仅供参考,如有需要请将问题及时报告给相关负责人进行处理。