Q235与45号钢区别
- 格式:doc
- 大小:21.50 KB
- 文档页数:1
10B21
冷镦钢盘条化学成分C(碳):0.18~0.23;Si(硅):≤0.10;Mn(锰):0.70~1.00;P(磷):≤0.030;S(硫):≤0.035 ;B(硼):≥0.0005。
冷镦用钢,塑性好,强度不是太高,热处理效果明显。
性能与20钢相比较好,一般用于加工紧固件或其他结构件。
10B21 在美标SAE-J403和宝钢BZJ550中都只有对化学成份做出规定,没有力学性能的规定。
没有经过热处理的材料,实测抗拉强度在450左右。
材料的成份和1021接近,但因为特意加入了硼改善材料的渗碳性能,可以做调质处理。
常用于做8.8级螺丝
10B21相当于我国的GB/T6478中ML20B, 出厂硬度~~~~~
回答
出厂状态是热轧,交货硬度229HBS10/3000,退火后交货硬度197HBS10/300 0。
它们不是相同材质的,10B21为低碳钢的高韧性钢的一种,22A是低碳钢的高加工性的一种。
所以它们是不同材质的
SWRCH35K
化学成分C:0.32~0.38 Mn:0.60~0.90 Si:≤0.35 S:≤0.035 P:≤0.030
特性与用途
在常温下利用金属塑性加工成型,材料内部组织严密、产品的机械性能好、加工材料损失少、生产效益高、能量消耗低、产品尺寸精度高、表面光洁度好,被广泛用于螺栓、螺帽、螺钉的制做,以及用于自行车、汽车、机械设备、电器、航空设备、照相机、建筑业等行业的零件制作
Q235A级含C0.14~0.22% Mn0.30~0.65 Si≤0.30 S≤0.050 P≤0.045Q235的机械性能:
在板材里,是最普通的材质,属普板系列。
过去的一种叫法为:A3。
20#目录1 属性2 化学成分3 机械性能4 应用举例5 碳素钢的分类6 特性20# - 属性属钢材中的一种材质。
属优质碳素钢板。
大量的模具生产公司会用到,做磨具钢使用。
20# - 化学成分指此种材质中碳的含量,大概在0.2%左右。
此种材质,相对于其他的优碳钢,也较普遍。
20钢:平均含碳量为0.17-0.23%,平均含硅量为0.17-0.37%,平均含锰量为0.50-0.80%,平均含硫量<=0.035%,平均含磷量<=0.035%,平均含铬量<=0.20%,平均含镍量<=0.30钢,含碳0.20%左右。
交货状态冷热轧或热处理20# - 机械性能抗拉强度:不小于410Mpa伸长率:28%冲击功:34J 27J钢材交货状态硬度:不大于20# - 应用举例用于制作各类钢的铆、栓、焊结构件。
是指含碳量,含碳量为0.2%,属于低碳钢。
20# - 碳素钢的分类钢中可分为低碳钢、中碳钢和高碳钢。
低碳钢--含碳量一般小于0.25%;中碳钢--含碳量一般在0.25~0.60%之间;高碳钢--含碳量一般大于0.60%。
钢中除含有碳(C)元素和为脱氧而含有一定量硅(Si)(一般不超过0.40%),锰(Mn)(一般不超过0.80%,较高可到1.20%)合金元素外,不含其他合金元素(残余元素除外)。
钢中含碳量低于2.1%为钢,含碳量高于2.1%为铁。
钢中含碳量越高其韧性越差,钢中含铁量越高其韧性越好。
20# - 特性该钢属于优质低碳碳素钢,冷挤压、深谈淬硬钢。
该钢强度低,韧性、塑性和焊接性均好。
抗拉强度为253-500MPa,伸长率≥24%。
正火可促进该钢球化,细化大块状先共析铁素体,改进小于160HBS毛坯的切削性能。
该钢模具零件工艺路线为:下料→锻造模坯→退火→机械粗加工→冷挤压成型→再结晶退火→机械精加工→渗碳→淬火、回火→研磨抛光→装配。
(2)供货状态及硬度未热处理态,硬度≤156HBS。
10、号20号、35号、45号、A3钢性能对比10号钢牌号:10钢●10号钢管化学成份:碳C :0.07~0.14"硅Si:0.17~0.37锰Mn:0.35~0.65硫S :≤0.04磷P :≤0.35铬Cr:≤0.15镍Ni:≤0.25铜Cu:≤0.25●10号钢管力学性能:抗拉强度σb (MPa):≥410(42) ;屈服强度σs (MPa):≥245(25)伸长率δ5 (%):≥25断面收缩率ψ(%):≥5,硬度:未热处理,≤156HB,试样尺寸:试样尺寸25mm●10号钢管热处理规范及金相组织:热处理规范:正火,910℃,空冷。
金相组织:铁素体+珠光体。
●10号钢管交货状态:以不热处理或热处理(退火、正火或高温回火)状态交货。
要求热处理状态交货的应在合同中注明,未注明者按不热处理交货。
李光涛优质碳素结构钢(GB/T699-1999)10号钢管中除含有碳(C)元素和为脱氧而含有一定量硅(Si)(一般不超过0.40%)、锰(Mn)(一般不超过0.80%,较高可到1.20%)合金元素外,不含其他合金元素(残余元素除外)。
此类钢必须同时保证化学成分和力学性能。
其硫(S)、磷(P)杂质元素含量一般控制在0.035%以下。
若控制在0.030%以下者叫高级优质钢,其牌号后面应加“A”,例如20A;若P控制在0.025%以下、S控制在0.020%以下时,称特级优质钢,其牌号后面应加“E”以示区别。
对于由原料带入钢中的其他残余合金元素,如铬(Cr)、镍(Ni)、铜(Cu)等的含量一般控制在Cr≤0.25%、Ni≤0.30%、Cu≤0.25%。
有的牌号锰(Mn)含量达到1.40%,称为锰钢。
10号钢管重量计算公式:[(外径-壁厚)*壁厚]*0.02466=kg/米(每米的重量)20号钢【牌号】20【化学成分】C:0.17%~0.23%Si:0.17%~0.37%Mn:0.35%~0.65%Cr≤0.25%Ni≤0.3%Cu≤0.25%【力学性能】试样毛坯尺寸25mm推荐热处理正火910℃??抗拉强度σb≥410MPa屈服强度σs≥245MPa断后伸长率δ5≥25%断面收缩率ψ()≥55%钢材交货状态硬度HBS10/3000,未热处理钢≤156【主要特征】强度硬度稍高于15F,15钢,塑性焊接性都好,热轧或正火后韧性好。
10号、20号、35号、45号、Q345系列钢材、A3钢性能对⽐10、号20号、35号、45号、A3钢性能对⽐10号钢牌号:10钢●10号钢管化学成份:碳C :~"硅Si:~锰Mn:~硫S :≤磷P :≤铬Cr:≤镍Ni:≤铜Cu:≤●10号钢管⼒学性能:抗拉强度σb (MPa):≥410(42) ;屈服强度σs (MPa):≥245(25)伸长率δ5 (%):≥25断⾯收缩率ψ(%):≥5,硬度:未热处理,≤156HB,试样尺⼨:试样尺⼨25mm●10号钢管热处理规范及⾦相组织:热处理规范:正⽕,910℃,空冷。
⾦相组织:铁素体+珠光体。
●10号钢管交货状态:以不热处理或热处理(退⽕、正⽕或⾼温回⽕)状态交货。
要求热处理状态交货的应在合同中注明,未注明者按不热处理交货。
李光涛优质碳素结构钢(GB/T699-1999)10号钢管中除含有碳(C)元素和为脱氧⽽含有⼀定量硅(Si)(⼀般不超过%)、锰(Mn)(⼀般不超过%,较⾼可到%)合⾦元素外,不含其他合⾦元素(残余元素除外)。
此类钢必须同时保证化学成分和⼒学性能。
其硫(S)、磷(P)杂质元素含量⼀般控制在%以下。
若控制在%以下者叫⾼级优质钢,其牌号后⾯应加“A”,例如20A;若P控制在%以下、S控制在%以下时,称特级优质钢,其牌号后⾯应加“E”以⽰区别。
对于由原料带⼊钢中的其他残余合⾦元素,如铬(Cr)、镍(Ni)、铜(Cu)等的含量⼀般控制在Cr≤%、Ni≤%、Cu≤%。
有的牌号锰(Mn)含量达到%,称为锰钢。
10号钢管重量计算公式:[(外径-壁厚)*壁厚]*=kg/⽶(每⽶的重量)20号钢【牌号】20【化学成分】C:%~%Si:%~%Mn:%~%Cr≤%Ni≤%Cu≤%【⼒学性能】试样⽑坯尺⼨25mm推荐热处理正⽕910℃抗拉强度σb≥410MPa屈服强度σs≥245MPa断后伸长率δ5≥25%断⾯收缩率ψ()≥55%钢材交货状态硬度HBS10/3000,未热处理钢≤156【主要特征】强度硬度稍⾼于15F,15钢,塑性焊接性都好,热轧或正⽕后韧性好。
Q235普通碳素结构钢又称作A3板。
普通碳素结构钢-普板是一种钢材的材质。
Q代表的是这种材质的屈服极限,后面的235,就是指这种材质的屈服值,在235MPa左右。
并会随着材质的厚度的增加而使其屈服值减小(板厚/直径≤16mm,屈服强度为235MPa;16mm<板厚/直径≤40mm,屈服强度为225MPa;40mm<板厚/直径≤60mm,屈服强度为215MPa;60mm<板厚/直径≤100mm,屈服强度为205MPa;100mm<板厚/直径≤150mm,屈服强度为195MPa;150mm<板厚/直径≤200mm,屈服强度为185MPa)。
由于含碳适中,综合性能较好,强度、塑性和焊接等性能得到较好配合,用途最广泛。
由Q+数字+质量等级符号+脱氧方法符号组成。
它的钢号冠以”Q“,代表钢材的屈服点,后面的数字表示屈服点数值,单位是MPa例如Q235表示屈服应力(σs)为235 MPa的碳素结构钢。
必要时钢号后面可标出表示质量等级和脱氧方法的符号。
质量等级符号分别为A、B、C、D。
脱氧方法符号:F表示沸腾钢;b表示半镇静钢:Z表示镇静钢;TZ表示特殊镇静钢,镇静钢可不标符号,即Z和TZ都可不标。
例如Q235-AF表示A级沸腾钢。
专门用途的碳素钢,例如桥梁钢、船用钢等,基本上采用碳素结构钢的表示方法,但在钢号最后附加表示用途的字母。
Q235模具钢淬火规范淬火温度为950℃,盐浴炉加热,10%NaCl盐水冷却淬火分类通常轧制而成的主要有:盘条或圆钢、方钢、扁钢、角钢、工字钢、槽钢、窗框钢等型钢,中厚钢板用途编辑1、大量应用于建筑及工程结构。
用以制作钢筋或建造厂房房架、高压输电铁塔、桥梁、车辆、锅炉、容器、船舶等,也大量用作对性能要求不太高的机械零件。
C、D级钢还可作某些专业用钢使用。
2、可用于各种磨具把手以及其他不重要的磨具零件。
3、采用Q235钢做冲头材料,经淬火后不回火直接使用,硬度为36~40HRC,解决了冲头在使用中碎裂的现象。
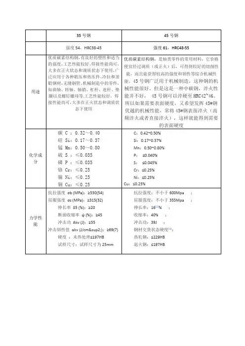
45号钢含碳%左右.推荐热处理温度正火:850淬火:840回火:600抗拉强度:不小于600Mpa屈服强度:不小于355Mpa伸长率:10%收缩率:40%冲击功:39J钢材交货状态硬度:不大于未热处理:229HBS退火钢:197HBS应用举例:用于制造齿轮、齿条、链轮、轴、键、销、蒸汽透平机的叶轮、压缩机泵的零件。
A3钢,和45号钢具体区别A3:Q235A 碳素结构钢45:优质碳素结构钢Q235A:C:~Si:<=Mn:S:<=P:<=Cr:<=Ni:<=Cu:<=抗拉强度(MPa):375~460屈服强度(MPa):<=16时:>=235延伸率:<=16时:>=26%(δ5)一般以热轧状态交货45:C:~Si:~Mn:S:<=P:<=Cr:<=Ni:<=Cu:<=抗拉强度(MPa):>=600屈服强度(MPa):>=35520号钢和45号钢的化学成分及物理性能20号钢化学成分质量分数%|C: ~化学成分质量分数%|Si: ~化学成分质量分数%|Mn: ~化学成分质量分数%|Cr≤:化学成分质量分数%|Ni≤:化学成分质量分数%|Cu≤:推荐热处理/℃|正火: 910推荐热处理/℃|淬火:推荐热处理/℃|回火:力学性能|σb/MPa≥: 410力学性能|σs/MPa≥: 245力学性能|δ5(%)≥: 25力学性能|ψ(%)≥: 55力学性能|AKU/J≥:45号钢化学成分质量分数%|C: ~化学成分质量分数%|Si: ~化学成分质量分数%|Mn: ~化学成分质量分数%|Cr≤:化学成分质量分数%|Ni≤:化学成分质量分数%|Cu≤:推荐热处理/℃|正火: 850推荐热处理/℃|淬火: 840推荐热处理/℃|回火: 600力学性能|σb/MPa≥: 600力学性能|σs/MPa≥: 355力学性能|δ5(%)≥: 16力学性能|ψ(%)≥: 40力学性能|AKU/J≥: 39钢材交货状态硬度HBS10/3000,≤|未热处理钢: 229钢材交货状态硬度HBS10/3000,≤|退火钢: 1977。
45钢与Q235比较45钢是含炭量在0.45%的优质碳素结构钢。
这类钢中有害杂质及非金属夹杂物含量较少,化学成分控制得也较严格,塑性、韧性较好,运用于制造较重要的机械零件。
这类钢的牌号用两位数字表示平均含碳量的万分数,如45钢即表示C=0.45%的优质碳素结构钢。
45号钢广泛用于机械制造,这种钢的机械性能很好。
但是这是一种中碳钢,淬火性能并不好, 45号钢可以淬硬至HRC42~46。
所以如果需要表面硬度,又希望发挥45#钢优越的机械性能,常将45#钢表面渗碳淬火,这样就能得到需要的表面硬度。
08钢是冷变形钢,15、20钢是一般的表面渗碳钢,用于制造导套、挡块、磨擦片等耐磨零件。
40、45、50钢属于调质钢,主要用于制造齿轮、丝杆、连杆和各种轴类零件。
65~85则是碳素弹簧钢。
Q235是碳素结构钢,屈服强度为235MP,含碳量在0.14~0.22%虽然力学性能不怎么样,不过价钱便宜,以前也叫A3钢,焊接中是挺常多的,不过只能用在一些不重要的结构上.Q235 由Q+数字+质量等级符号+脱氧方法符号组成。
它的钢号冠以“Q”,代表钢材的屈服点,后面的数字表示屈服点数值,单位是MPa例如Q235表示屈服点(σs)为235 MPa的碳素结构钢。
比较及选用:碳素结构钢(GB/T700-1988):只保证力学性能,不保证化学成分。
例如:Q235-A优质碳素结构钢:(GB/T699-1999、JB/T6397-1992)不但保证力学性能,而且保证化学成分。
例如:45如果零件不需要热处理,选择碳素结构钢就可以了,前提:是机械强度满足要求。
如果零件需要热处理,则必须选择优质碳素结构钢,化学成分不稳定是没有办法确定热处理工艺的(看看“铁碳平衡图”就明白了)。
自然是不能保证完全到达你的强度要求。
采用了优质碳素结构钢(例如:45)一定要热处理(例如:调质),否则就是浪费。
Q235进行热处理基本上没有什么意义。
现在钢材涨价太厉害,想降低一下成本,原来我用的材料时45#钢,现在想用Q235这种材质的钢代替,请问这两种刚材的差别有多大?分别差在哪?看你的工件是干什么的,受力情况和硬度要求.这两种钢材的差别太大了.不是一个档次的,说数据来说话把,Q235屈服极限为235MPa,45的是355MPa,要知道,材料屈服就意味着破坏.45钢要是热处理状态好的话,抗拉极限可以达到750到850MPa(交货标准为600MPa),而Q235不推荐热处理.热处理对它的强度影响不大.但其实Q235的产量和需求量比45高多了,因为实际在大部分场合不需要那么高的力学性能,它的应用十分广泛.所以你的部分工件可能因为设计人员的一些原因是允许换成Q235的,但你的核心零件是肯定不可能的.根据含锰量的不同,将含锰量为(0.25~0.80)%的优质碳素结构钢称为普通含锰钢,将含锰量为(0.70~1.20)%的优质碳素结构钢称为较高含锰量钢(标出锰元素),优质碳素结构钢的牌号及化学成分、机械性能见表18-6。
45钢与Q235比较45钢是含炭量在0.45%的优质碳素结构钢。
这类钢中有害杂质及非金属夹杂物含量较少,化学成分控制得也较严格,塑性、韧性较好,运用于制造较重要的机械零件。
这类钢的牌号用两位数字表示平均含碳量的万分数,如45钢即表示C=0.45%的优质碳素结构钢。
45号钢广泛用于机械制造,这种钢的机械性能很好。
但是这是一种中碳钢,淬火性能并不好, 45号钢可以淬硬至HR C42~46。
所以如果需要表面硬度,又希望发挥45#钢优越的机械性能,常将45#钢表面渗碳淬火,这样就能得到需要的表面硬度。
08钢是冷变形钢,15、20钢是一般的表面渗碳钢,用于制造导套、挡块、磨擦片等耐磨零件。
40、45、50钢属于调质钢,主要用于制造齿轮、丝杆、连杆和各种轴类零件。
65~85则是碳素弹簧钢。
Q235是碳素结构钢,屈服强度为235MP,含碳量在0.14~0.22%虽然力学性能不怎么样,不过价钱便宜,以前也叫A3钢,焊接中是挺常多的,不过只能用在一些不重要的结构上.Q235 由Q+数字+质量等级符号+脱氧方法符号组成。
它的钢号冠以“Q”,代表钢材的屈服点,后面的数字表示屈服点数值,单位是MPa例如Q235表示屈服点(σs)为235 MPa的碳素结构钢。
比较及选用:碳素结构钢(GB/T700-1988):只保证力学性能,不保证化学成分。
例如:Q235-A优质碳素结构钢:(GB/T699-1999、JB/T6397-1992)不但保证力学性能,而且保证化学成分。
例如:45如果零件不需要热处理,选择碳素结构钢就可以了,前提:是机械强度满足要求。
如果零件需要热处理,则必须选择优质碳素结构钢,化学成分不稳定是没有办法确定热处理工艺的(看看“铁碳平衡图”就明白了)。
一、q235与45号钢的区别1. 材质成分不同q235钢主要成分为碳素、硅、锰、硫和磷等,其含碳量为0.22左右;45号钢主要含碳量在0.42~0.50之间,属于高碳钢。
2. 韧性和强度q235钢属于低碳钢,具有较好的韧性和可塑性,但强度相对较低;45号钢属于高碳钢,具有较高的强度和硬度,但韧性相对较差。
3. 加工性能由于q235钢的可塑性较好,易于冷成型加工,适用于焊接和锻造等工艺;而45号钢硬度高,对切削和热加工要求较高,适用于制造强度要求较高的零部件。
4. 用途不同q235钢常用于一般结构件、焊接材料、螺纹钢、冷拔材料等领域;45号钢常用于制造机械零部件、刀具、轴承、齿轮等工业领域。
二、q235与45号钢的用途1. q235钢的用途a. 一般结构件:如建筑结构、桥梁、铁路轨道等;b. 焊接材料:适用于焊接构件的材料;c. 螺纹钢:广泛应用于建筑钢筋工程;d. 冷拔材料:用于制造冷拔产品,如冷拔钢管等。
2. 45号钢的用途a. 机械零部件:用于制造各种机械传动零部件,如轴承、齿轮等;b. 刀具:适用于制造刀具、冲压模具等;c. 轴材:制造工程机械、汽车零部件的轴材;d. 弹簧钢:用于制造弹簧等弹性零件。
三、q235与45号钢的选择与应用指导1. 结构设计要求根据结构件的使用要求和受力情况,选择合适的材料。
2. 加工工艺考虑根据加工工艺的要求,选择适合的钢材,确保加工质量和效率。
3. 环境和使用条件需要考虑结构件所处的环境和使用条件,选择耐腐蚀、耐磨损等性能较好的钢材。
4. 经济性和成本控制在满足结构设计和使用要求的前提下,考虑材料的价格和加工成本,选择经济合理的钢材。
4. 具体应用领域根据不同的应用领域,选择相应材质的钢材,确保结构件的性能和可靠性。
四、结语q235与45号钢是常见的结构钢材料,两者在材质成分、性能特点和用途范围上存在显著的差异。
在选择和应用时,需要结合具体的结构设计要求、加工工艺、使用条件和经济成本等因素进行综合考量,以确保选用合适的钢材,并有效地满足工程或制造的需求。
45钢与Q235比较45钢是含炭量在0.45%的优质碳素结构钢。
这类钢中有害杂质及非金属夹杂物含量较少,化学成分控制得也较严格,塑性、韧性较好,运用于制造较重要的机械零件。
这类钢的牌号用两位数字表示平均含碳量的万分数,如45钢即表示C=0.45%的优质碳素结构钢。
45号钢广泛用于机械制造,这种钢的机械性能很好。
但是这是一种中碳钢,淬火性能并不好, 45号钢可以淬硬至HRC42~46。
所以如果需要表面硬度,又希望发挥45#钢优越的机械性能,常将45#钢表面渗碳淬火,这样就能得到需要的表面硬度。
08钢是冷变形钢,15、20钢是一般的表面渗碳钢,用于制造导套、挡块、磨擦片等耐磨零件。
40、45、50钢属于调质钢,主要用于制造齿轮、丝杆、连杆和各种轴类零件。
65~85则是碳素弹簧钢。
Q235是碳素结构钢,屈服强度为235MP,含碳量在0.14~0.22%虽然力学性能不怎么样,不过价钱便宜,以前也叫A3钢,焊接中是挺常多的,不过只能用在一些不重要的结构上.Q235 由Q+数字+质量等级符号+脱氧方法符号组成。
它的钢号冠以“Q”,代表钢材的屈服点,后面的数字表示屈服点数值,单位是MPa例如Q235表示屈服点(σs)为235 MPa的碳素结构钢。
比较及选用:碳素结构钢(GB/T700-1988):只保证力学性能,不保证化学成分。
例如:Q235-A优质碳素结构钢:(GB/T699-1999、JB/T6397-1992)不但保证力学性能,而且保证化学成分。
例如:45如果零件不需要热处理,选择碳素结构钢就可以了,前提:是机械强度满足要求。
如果零件需要热处理,则必须选择优质碳素结构钢,化学成分不稳定是没有办法确定热处理工艺的(看看“铁碳平衡图”就明白了)。
自然是不能保证完全到达你的强度要求。
采用了优质碳素结构钢(例如:45)一定要热处理(例如:调质),否则就是浪费。
Q235进行热处理基本上没有什么意义。
现在钢材涨价太厉害,想降低一下成本,原来我用的材料时45#钢,现在想用Q235这种材质的钢代替,请问这两种刚材的差别有多大?分别差在哪?看你的工件是干什么的,受力情况和硬度要求.这两种钢材的差别太大了.不是一个档次的,说数据来说话把,Q235屈服极限为235MPa,45的是355MPa,要知道,材料屈服就意味着破坏.45钢要是热处理状态好的话,抗拉极限可以达到750到850MPa(交货标准为600MPa),而Q235不推荐热处理.热处理对它的强度影响不大.但其实Q235的产量和需求量比45高多了,因为实际在大部分场合不需要那么高的力学性能,它的应用十分广泛.所以你的部分工件可能因为设计人员的一些原因是允许换成Q235的,但你的核心零件是肯定不可能的.根据含锰量的不同,将含锰量为(0.25~0.80)%的优质碳素结构钢称为普通含锰钢,将含锰量为(0.70~1.20)%的优质碳素结构钢称为较高含锰量钢(标出锰元素),优质碳素结构钢的牌号及化学成分、机械性能见表18-6。
45#碳结钢与Q235钢比较2008-12-1445#钢是含炭量在0.45%的碳素结构钢,属于高碳钢,强度高,但韧性差45#是不规范的,GB标准是45 归属优质碳素结构钢这类钢中有害杂质及非金属夹杂物含量较少,化学成分控制得也较严格,塑性、韧性较好,运用于制造较重要的机械零件。
这类钢的牌号用两位数字表示平均含碳量的万分数,如45钢即表示C=0.45%的优质碳素结构钢。
根据含锰量的不同,将含锰量为(0.25~0.80)%的优质碳素结构钢称为普通含锰钢,将含锰量为(0.70~1.20)%的优质碳素结构钢称为较高含锰量钢(标出锰元素),优质碳素结构钢的牌号及化学成分、机械性能见表18-6。
08钢是冷变形钢,15、20钢是一般的表面渗碳钢,用于制造导套、挡块、磨擦片等耐磨零件。
40、45、50钢属于调质钢,主要用于制造齿轮、丝杆、连杆和各种轴类零件。
65~85则是碳素弹簧钢。
Q235是碳素结构钢,屈服强度为235MP,含碳量在0.14~0.22%虽然力学性能不怎么样,不过价钱便宜,以前也叫A3钢,焊接中是挺常多的,不过只能用在一些不重要的结构上.Q235 由Q+数字+质量等级符号+脱氧方法符号组成。
它的钢号冠以“Q”,代表钢材的屈服点,后面的数字表示屈服点数值,单位是MPa例如Q235表示屈服点(σs)为235 MPa的碳素结构钢。
在加一点Q235A和B的区别:低合金钢中Q235A和Q235B中的A、B是质量等级的区别,其最主要的区别在于是否需要做常温冲击试验,A不需要做,B需要做。
还存在一些细微区别,Q235A与Q235B的其他区别:1、化学成分:Q235A:C:0.14~0.22:Mn:0.30~0.65;S:0.050Q235B:C:0.12~0.20:Mn:0.30~0.70;S:0.0452、力学性能:拉伸试验没有区别,冲击试验A不做,B做20度冲击试验,V型冲击功(纵向)J不小于27。
我是做钢产品的,现在遇到一个问题,钢材涨价太厉害,想降低一下成本,原来我用的材料时45#钢,现在想用Q235这种材质的钢代替,请问这两种刚材的差别有多大?分别差在哪?硬度能差多少?谢谢!看你的工件是干什么的,受力情况和硬度要求.这两种钢材的差别太大了.不是一个档次的,说数据来说话把,Q235屈服极限为235MPa,45的是355M P a,要知道,材料屈服就意味着破坏.45钢要是热处理状态好的话,抗拉极限可以达到750到850M P a(交货标准为600MPa),而Q235不推荐热处理.热处理对它的强度影响不大.但其实Q235的产量和需求量比45高多了, 因为实际在大部分场合不需要那么高的力学性能,它的应用十分广泛.所以你的部分工件可能因为设计人员的一些原因是允许换成Q235的,但你的核心零件是肯定不可能的楼上的已经很详细了,不过有些错误,纠正一下,45是中碳钢,60号以上才是高碳钢,而且它们都不会用来做结构件,还有一个问题是Q235的硬度不会只有HRC10那么可怜,那可也是钢,正常的正火情况(就是未任何热处理状态)下应该有HRC20,不然别以为HRC10的硬度很好切削,越软的结构钢切削起来越麻烦.淬火后有一定希望到HRC40.Q235的机械性能相当于35#钢,制造螺栓时,无论采用挤压或切削成型与45#钢相比,表面精度没有什么不同,只是感觉颜色暗一些。
Q235B与Q345B的区别?5[ 标签:q235b q345b,q235b,区别 ]天煞孤心 回答:2 人气:2 解决时间:2008-08-09 20:51检举满意答案Q345是一种碳素结构钢的牌号。
Q是屈服强度的意思,取自“屈”的汉语拼音的首字母。
345表示的是表示屈服点数值,单位A,B表示的是质量等级。
附:我国钢号表示方法的分类说明1.碳素结构钢①由Q+数字+质量等级符号+脱氧方法符号组成。
它的钢号冠以“Q”,代表钢材的屈服点,后面的数字表示屈服点数值,单位②必要时钢号后面可标出表示质量等级和脱氧方法的符号。
质量等级符号分别为A、B、C、D。
脱氧方法符号:F表示沸腾钢③专门用途的碳素钢,例如桥梁钢、船用钢等,基本上采用碳素结构钢的表示方法,但在钢号最后附加表示用途的2.优质碳素结构钢①钢号开头的两位数字表示钢的碳含量,以平均碳含量的万分之几表示,例如平均碳含量为0.45%的钢,钢号为“45”,它不②锰含量较高的优质碳素结构钢,应将锰元素标出,例如50Mn。
③沸腾钢、半镇静钢及专门用途的优质碳素结构钢应在钢号最后特别标出,例如平均碳含量为0.1%的半镇静钢,其钢号为1 3.碳素工具钢①钢号冠以“T”,以免与其他钢类相混。
②钢号中的数字表示碳含量,以平均碳含量的千分之几表示。
例如“T8”表示平均碳含量为0.8%。
③锰含量较高者,在钢号最后标出“Mn”,例如“T8Mn”。
④高级优质碳素工具钢的磷、硫含量,比一般优质碳素工具钢低,在钢号最后加注字母“A”,以示区别,例如“T8MnA”。
4.易切削钢①钢号冠以“Y”,以区别于优质碳素结构钢。
②字母“Y”后的数字表示碳含量,以平均碳含量的万分之几表示,例如平均碳含量为0.3%的易切削钢,其钢号为“Y30”。
③锰含量较高者,亦在钢号后标出“Mn”,例如“Y40Mn”。
5.合金结构钢①钢号开头的两位数字表示钢的碳含量,以平均碳含量的万分之几表示,如40Cr。
10、号20号、35号、45号、A3钢性能对比10号钢牌号:10钢●10号钢管化学成份:碳C :0.07~0.14"硅Si:0.17~0.37锰Mn:0.35~0.65硫S :≤0.04磷P :≤0.35铬Cr:≤0.15镍Ni:≤0.25铜Cu:≤0.25●10号钢管力学性能:抗拉强度σb (MPa):≥410(42) ;屈服强度σs (MPa):≥245(25)伸长率δ5 (%):≥25断面收缩率ψ(%):≥5,硬度:未热处理,≤156HB,试样尺寸:试样尺寸25mm●10号钢管热处理规范及金相组织:热处理规范:正火,910℃,空冷。
金相组织:铁素体+珠光体。
●10号钢管交货状态:以不热处理或热处理(退火、正火或高温回火)状态交货。
要求热处理状态交货的应在合同中注明,未注明者按不热处理交货。
李光涛优质碳素结构钢(GB/T699-1999)10号钢管中除含有碳(C)元素和为脱氧而含有一定量硅(Si)(一般不超过0.40%)、锰(Mn)(一般不超过0.80%,较高可到1.20%)合金元素外,不含其他合金元素(残余元素除外)。
此类钢必须同时保证化学成分和力学性能。
其硫(S)、磷(P)杂质元素含量一般控制在0.035%以下。
若控制在0.030%以下者叫高级优质钢,其牌号后面应加“A”,例如20A;若P控制在0.025%以下、S控制在0.020%以下时,称特级优质钢,其牌号后面应加“E”以示区别。
对于由原料带入钢中的其他残余合金元素,如铬(Cr)、镍(Ni)、铜(Cu)等的含量一般控制在Cr≤0.25%、Ni≤0.30%、Cu≤0.25%。
有的牌号锰(Mn)含量达到1.40%,称为锰钢。
10号钢管重量计算公式:[(外径-壁厚)*壁厚]*0.02466=kg/米(每米的重量)20号钢【牌号】20【化学成分】C:0.17%~0.23%Si:0.17%~0.37%Mn:0.35%~0.65%Cr≤0.25%Ni≤0.3%Cu≤0.25%【力学性能】试样毛坯尺寸25mm推荐热处理正火910℃??抗拉强度σb≥410MPa屈服强度σs≥245MPa断后伸长率δ5≥25%断面收缩率ψ()≥55%钢材交货状态硬度HBS10/3000,未热处理钢≤156【主要特征】强度硬度稍高于15F,15钢,塑性焊接性都好,热轧或正火后韧性好。
Q235-A 含碳适中,综合性能较好,强度、塑性和焊接等性能得到较好配合,用途最广泛。
常轧制成盘条或圆钢、方钢、扁钢、角钢、工字钢、槽钢、窗框钢等型钢,中厚钢板。
大量用用建筑及工程结构。
用以制作钢筋或建造厂房房架、高压输电铁塔、桥梁、车辆、锅炉、容器、船舶等,也大量用作对性能要求不太高的机械零件。
35钢,用于制作热锻和热冲压的机械零件,冷拉和冷顶锻钢材,无缝钢管、机械制造中零件、铸件、重型和中型机械制造中的锻制机轴、压缩机汽缸、减速器轴,也可用来铸造汽轮机机身、飞轮和均衡器等。
45钢,用以制造蒸汽透平机、压缩机、泵的运动零件;还可代替渗碳钢制造齿轮、轴、活塞销等零件(零件需经高频或火焰表面淬火);并可用作铸件。
Q235焊接性能良好,一般都是用做焊接件的,35#焊接性能一般,45#焊接性能较差,主要用做淬火使用.
Q235钢和45号钢的区别:
Q235中的Q是屈服强度的意思,235是屈服强度,单位是千克力每平方米。
这是应用得很广泛得一种钢材,平时能听到有人称之为烂污钢,例如普通的钢管材料基本就是Q235。
一般做型材、棒材等,以前叫A3钢。
45#是中碳钢,淬火性能并不好,45号钢可以淬硬至HRC42~46。
45#钢广泛用于机械制造,这种钢的机械性能很好,其硬度适合做轴类零件、螺栓、联轴器等零部件。
不过很多螺栓属于低碳合金钢,要根据工程详细情况选择材质。
45#如果需要表面硬度,又希望发挥45#钢优越的机械性能,常将45#钢表面渗碳淬火,这样就能得到需要的表面硬度。
主要区别如下:
首先,用途不同,Q235是普通结构钢,属工程用钢,主要用作钢构件,如角钢、槽钢、工字钢、钢板等;45号钢是优质碳素结构钢,属机械用钢,主要用作机械零件,如轴类、齿轮、高强度螺栓等。
再者,钢号表示方法不同,Q235钢号表示的是钢的力学性能-强度(屈服强度不低235MPa);45号钢好表示钢的化学成分(钢的含碳量为0.45%左右)。
还有钢的性能也不同,Q235属于低碳钢,其塑性较高,但强度较低,适合于拉伸、压延加工,如制作型材、板材等;45号钢属于中碳钢,可进行淬火处理,其热处理后强度和硬度高,故适合于制作机械零件,用于要求受力大及耐磨性好的场合。
Q235-A:普通碳素结构钢,用于一般结构,交货态:保证机械性能,价:4200元/吨
35号钢:优质碳素结构钢,用于结构零件,交货态:保证机械性能、化学成分,价:4600元/吨;
45号钢:优质碳素结构钢,用于要硬度的结构零件,如轴等,保证机械性能、化学成分,价:4700元/吨。