电子产品装配与调试技能大赛试题培训讲学
- 格式:doc
- 大小:89.50 KB
- 文档页数:9
XX市第X届技能大赛<<电子产品安装与调试>>试题XX中职比赛题目:迎宾记录器装配与调试比赛时间:3个小时评分标准:一、电路板焊接(25分)1、直插元件焊点要求:在印制电路板上所焊接的元器件的焊点大小适中、光滑、圆润、干净,无毛刺;无漏、假、虚、连焊,引脚加工尺寸及成形符合工艺要求;(10分)焊点不符合工艺要求:少于5处扣1分;5-10处扣3分;10-20处扣5分;20处以上扣10分。
2、贴片元件焊接要求:片状元件焊接带呈现凹形或斜坡形,终端高度和宽度充分润滑。
贴片元件两端焊接光滑、明亮有光泽并呈现出良好的连续性,没有明显的针孔、气泡、堆砌或空隙。
(15 分)贴片焊点质量不符合工艺要求:少于5处扣1分;5-10处扣3分;10-20处扣5分;20处以上扣10分。
二、产品装配(10分)要求印制板插件位置正确,元器件极性正确,贴片元件端正无歪斜,接插件、紧固件安装可靠牢固。
印制板元件安装对位:无烫伤和划伤处,整机清洁无污物。
装配不符合工艺要求:少于5处扣1分;5-10处扣3分;10-20处扣5分;20处以上扣10分。
三、电路调试(50分)电路通电前应仔细检查所有元件焊接是否正确,若是一切正常方可根据下面的程序进行调试。
“电路板P1端接直流稳压电源输出为9伏电压”。
电路上电后:调节U1(LM358)的第5脚,使其电压为V;每空1 分调节U3(LM358)的第5脚,使其电压为V;每空1 分调节U2(LM358)的第6脚,使其电压为V;每空1 分调节U4(LM358)的第6脚,使其电压为V。
每空1 分功能调试任务:1、K10、K11“进出”模拟检测键,工作是否正常;(10分)2、K12、K13“显示切换键,工作是否正常;(10分)3、LS1无源蜂鸣器是否工作正常;(5分)4、LS2无源蜂鸣器是否工作正常;(5分)5、S1热释电红外传感器,当手指从S1前经过时,LED1是否闪烁一次为正常;(7 分)6、S2热释电红外传感器,当手指从S1前经过时,LED2是否闪烁一次为正常;(7分)7、LED4电源发光二极管是否正常发光;(2 分)四、职业与安全意识(考生的工作环境)( 5 分)1、每位选手必须尊重赛场工作人员,保持工位的环境卫生,在工作任务过程中,违反操作规程影响他人比赛的,由裁判员视情节扣分。
(整理)《电⼦产品装配与调试》试题带答案全国技能⼤赛.《电⼦产品装配与调试》试题题⽬:智能楼宇呼叫系统完成时间:4⼩时⼯位号:⽇期:______________________________智能楼宇呼叫系统第⼀部分电路说明部分⼀、电路功能概述为适应现代智能化社会,本系统详细的模拟了现代⼩区楼宇对讲智能化控制系统⼯作形式,让学⽣能更直观地了解到楼宇智能化⼯作流程及原理。
学习⾃动化控制技术功能。
本系统包含:驻极体拾⾳电路、LM386⾳频功放电路、电机正反转控制电路、⾳乐发⽣电路、红外对管电路、555振荡电路、LM358⽐较器电路、键盘控制电路、Nokia5110屏显⽰电路等,构建⼀个⽐较完整的系统。
模块功能介绍:嵌⼊式程序控制:系统选⽤STC公司的10系列单⽚机为主控芯⽚,⽤它强⼤的处理功能操控整个系统的运作流程。
驻极体拾⾳电路:系统选⽤驻极体话筒搭建经典拾⾳电路,将⾳频信号转为电信号。
LM386⾳频功放电路:本系统介绍LM386典型功放电路,在⽤户接通过程中⾳频放⼤实现对讲。
电机驱动电路:本系统选⽤分⽴元件搭建经典H桥电路,驱动门控电机的正(开门)、反转(开门)动作。
⾳乐发⽣电路:系统选⽤px088a⾳乐芯⽚发出24和弦⾳作为门铃,提⽰户主客⼈来访。
红外检测模块:门控电机在开门状态下,利⽤红外对管检测⼈已通过后,安全关门动作。
555振荡电路:系统选⽤NE555⽅波发⽣电路驱动发光⼆极管发光闪烁,提⽰当前系统⼯作模式。
LM358模拟硬件开锁电路:系统利⽤LM358集成运放芯⽚搭建⽐较器功能,调试系统⼯作于不同的模式。
让学⽣学会⽐较器的⼯作原理及其应⽤。
键盘控制电路:系统选⽤数字矩阵键盘为输⼊设备,输⼊密码或访问房号。
显⽰模块:系统选⽤Nokia5110显⽰屏实现⼈机通讯,显⽰当前⼯作状态。
⼆、电路原理图及PCB图(见附录)三、元件清单(见附录)四、主要元件功能介绍1.LM386功放:LM386是⼀种⾳频集成功放,具有⾃⾝功耗低、更新内链增益可调整、电源电压范围⼤、外接元件少和总谐波失真⼩等优点的功率放⼤器,⼴泛应⽤于录⾳机和收⾳机之中。
景泰职专第五届技能大赛电子产品装配与调试任务书2012年12月一、竞赛时间、地点:时间:2012年12月日地点:电工实训室、电子实训室二、参赛班级及参赛学生名单:参赛班级: 11单招班、11工业(2)班参赛学生名单:(见附表)三、竞赛规则:(一)、选手应完成的工作任务参赛选手在规定时间内,根据电路图以现场操作的方式焊接电路并测试通过,通电调试过程须由监考老师全程监控。
(二)、选手完成工作任务的时间完成试题规定的全部工作任务的时间为240min。
(三)、赛场提供的设备和器材电子电工实训台(工具包自带)、焊锡、硬导线,音乐门铃电路散件。
(四)、知识准备与技术要求电子技能操作竞赛范围以相关专业职业技能鉴定标准的中级工要求为准。
(五)、评分1、根据在规定的时间内,选手完成电路与调试的情况,按照相关专业职业技能鉴定标准并结合实际进行评分,总分100分(具体评分标准见附表)。
2.违规扣分选手有下列情形,需从总成绩中扣分:(1)违反安全文明生产及设备、工具量具的正确使用由裁判员按规定评定扣除0~10分,若出现变压器接反现象,直接取消比赛资格。
(2)不听从裁判指挥、安排、态度恶劣,发生重大事故者取消比赛资格。
(六)、比赛注意事项1、参赛选手提前20 分钟到达比赛现场检录,迟到超过15分钟的选手,不得入场进行比赛。
2、选手实际操作的出场顺序、比赛所用仪器设备、工位由抽签确定,不得擅自变更、调整。
3、所有完成的电路板由选手贴上自己的名字和工位号。
选手在制作电路时不得有任何暗示选手身份的记号或符号,否则取消成绩。
4、在比赛过程中,如遇设备故障、电路元器件缺件或非人为损坏等可向监考人员提出,经确认后由监考决定是否更换或加时。
5、参赛选手在制作电路过程中,只能使用大赛组委会规定的电路板,其他电路板或导线等不得使用,否则,按零分计算。
6、竞赛过程中,参赛选手不能更换电路板,相互借用工具量具。
各参赛选手间不可走动、交谈。
7、竞赛过程中,选手若需休息、饮水或去洗手间,一律计算在操作时间内。
中等职业学校职业技能竞赛试题“电子产品装配与调试”项目竞赛第一部分电路说明部分温度控制器电路采用用DS18B20做温度传感器,3位共阳数码管做显示,AT89C2051单片机做处理控制,电路简单,无需调试,安装好后就可以使用了。
从X1接入5V±0.5V直流电源(注意正负极),按一下S1电路显示当前的温度值,再按一下S1进入温度设定状态,这时可以按S2或S3调整设定温度值,再次按下S1时返回当前温度显示同时会对设定温度值进行保存,这个设定值会保存在DS18B20中,掉电后也不会丢失,下次上电时,单片机会自动读入上次的温度设定值。
长按S1为关闭显示和温控,再次按下时功能再次打开。
电路中还设计了一路控制输出,当当前温度超出设定温度时LED1被点亮,同时从X2输出5V电压,可驱动5V继电器等。
第二部分考题答卷部分一、参数测试(22分)1.元器件筛选(4分)清点和检查套件中的所有元件,进行识别与筛选。
套件中直插电阻共只,挑出本次需要的直插电阻共只;需要的三极管共只,还包括等器件。
2.元器件检测(18分)位二、电路板焊接(20分)要求电子产品的焊点大小适中,无漏、假、虚、连焊,焊点光滑、圆润、干净,无毛刺;引脚加工尺寸及成形符合工艺要求;导线长度、剥头长度符合工艺要求,芯线完好,捻头镀锡。
疵点:少于5处扣1分;5~10处扣5分;10~20处扣10分;20处以上扣15分。
三、电子产品装配(14分)要求印制板插件位置正确,元器件极性正确,元器件、导线安装及字标方向均应符合工艺要求;接插件、紧固件安装可靠牢固,印制板安装对位;无烫伤和划伤处,整机清洁无污物。
装配不符合工艺要求:少于5处扣1分;5~10处扣3分;10~20处扣5分;20处以上扣10分。
四、电子产品功能调试(29分)1.实现温控基本功能(9分)(1)用万用表测量C1两端的电压V(小数点后2位)(2分)(2)当LE D1被点亮时,测量的Q4基极电压 V(2分)(3)当LE D1被点亮时,整机电流为 mA。
XXXXXXX职业中等技术学校首届电子技能竞赛题赛题名称:遥控赛车完成时间:4小时一.产品介绍产品说明二.装配说明三.所需器件介绍一.器件筛选与测试(15分)赛题目录二.焊接与组装(30分)赛题答卷三.电路调试与测试(40分)四.理论知识必答题(15分)参赛小组:小组成员:一.产品介绍主要参数:1. 本产生品由发射部分接收部分组成。
接收部分使用5号电池4节。
发射部分为成品,使用2节5号电池。
2. 赛车的发射部分工作电压为3V,工作电流为13mA。
赛车的接收部分工作电压为6V,应使用高能量的碱性电池比较好。
二、装配说明1. 焊接与安装(1)电路板的安装:本机应先将电路板焊起来,再将电路板安装在车架上,最后再试机。
具体安装步骤如下:(1)先检查、清点元器件,并认识机械部分的零部件,测量各元件质量,由于线路板元件都很紧凑,如果装起来有故障,则各元器件的装拆都比较麻烦,所以一定要一次装成功;(2)然后对一下印制板实物,将印制板图和印制板实物作比较,并确定各元件的安装位置。
本电路各元件布置得较紧凑,容易装错,必须细心;(3)各元件引脚成形处理,并上锡。
先将电阻的第一层色环端引脚弯曲,但不能从根部弯曲,应在距离部1mm左右弯曲。
主要是防止从根部弯曲时将引脚折断。
然后再半要焊接外用刀子刮削,刮除引脚上的氧化层,再将引脚上锡。
电容和三极管也采用直插的方式;(4)插装。
根据各元件的型号,仔细对照印制板图和印制板,不可插错。
另外本电路中元件插装时尽量插矮,防止插得过高而影响车身盖的安装;(5)焊接。
焊接时可采用焊几个元件就停下来检查一遍的方法。
各焊点加热时间应适当,用锡量要适当,对耐热性差的元件,应焊接时尽量快。
只要元器件在插装前都上过锡,一般不会出现虚焊的现象,应该先焊接电阻,再来焊接电解电容、三极管等;集成电路应配杆座安装不能直接将集成电路焊在电路板上;(6)焊后处理。
剪去多余的长脚,检查有无短路等缺陷。
2. 电路原理图见附图一3. PCB板装配图见附图二4. 电路的调试电路的调试较简单,即两节5号电池放入赛车的发射部分中,四节5号电池放入赛车的接收部分中。
====Word行业资料分享--可编辑版本--双击可删====
集训-010
1建立设计数据文件,文件名为设计者。
文件保存在D盘根目录下。
2新建元件电气图形符号库文件,文件名为MYSCHLIB.lib。
根据所给样图(图2)绘制电气图形符号,注意与已有元件形状和尺寸协调。
3新建电路图文件,文件名为MYSCH.sch。
电池封装用SIP2,蜂鸣器用RAD0.1。
图1 图2
4设置图纸选项:图纸大小为A4、工作区颜色为233;用“特殊字符串”设置图纸标题为“555电路”,字体为仿宋_GB2312,字号为二号,颜色为6。
4.1生成项目电气图形符号库。
4.2执行电气规则检查,各选项采用默认值。
4.3生成此电路图元件清单,用默认文件名保存报告。
5新建PCB文件,文件名为MYPCB.PCB。
5.1用向导建立PCB文件,PCB形状为长方形,尺寸1500mil×1000mil,外形轮廓线为机械4
层。
5.2在板四角添加直径为mm的安装孔,距板边3mm。
6PCB 元件布局。
6.1在电路图中向PCB更新网络表。
6.2合理布局元件
6.3隐藏元件的参数。
元件标号置于元件的左上方,字体高度为50 mil,宽度为5 mil。
7设置PCB布线规则
7.1设置走线宽度:GND为40 mil,全板为20 mil。
7.2设置为单面布线,布线层在底层。
8用自动布线命令对全板布线。
9在印制电路板正面丝印层用汉语拼音标出设计者姓名和年月。
保存全部文件。
源-于-网-络-收-集。
课题一无线综合控制器一、功能说明无线综合控制器主要由无线编码发射电路(大赛专用平台上的“无线模块”)和无线(解码)接收电路、控制部分及各单元电路组成。
编码和解码芯片分别采用PT2262和PT2272-M4,发射和接收地址编码设置必须完全一致才能配对使用。
无线发射电路将编码后的地址码、数据码、同步码随同315MHz无线载波一起发射出去;接收电路接收到有效信号,经过解码、处理后变成所需的电信号(当接收到发送过来的信号时,解码芯片PT2272的VT脚输出一个正脉冲,与此同时,相应的数据管脚输出高电平),通过CD4013控制继电器的吸合或断开,来控制运放波形发生电路、直流电机控制电路、触摸调光灯电路、分频发声电路(设计部分)几个单元电路。
二、电路功能简介用大赛专用平台上的“无线模块”发射无线电信号,按下“无线模块”中的不同的按键(K1、K2、K3、K4)主板接收到相应的信号后,实现相应功能:◆∙∙∙∙∙∙∙∙∙∙ 按下K1键盘:运放波形发生电路工作,可以产生方波和三角波。
◆∙∙∙∙∙∙∙∙∙∙ 按下K2键盘:电机电路工作,电机带动转盘转动,T7输出脉冲信号。
◆∙∙∙∙∙∙∙∙∙∙ 按下K3键盘:触摸调光灯电路,交流电路供电,按下调光电路中的按键K5白炽灯H1亮,再次按下K5白炽灯H1灭,长按K5可以实现无级调光。
触摸触摸端(T12)可以实现同样的功能。
◆∙∙∙∙∙∙∙∙∙∙ 按下K4键盘:继电器JK4动作给设计部分供电,设计部分功能是:对T7输出脉冲信号进行4分频,再驱动蜂鸣器发声。
此外,通过按下控制部分电路中的K1、K2、K3、K4,也可以同样实现上述对应功能。
三、元器件介绍1.集成电路PT2262/2272-M4PT2262和PT 2272是通用配对编、解码芯片,PT2262/2272最多可有12位(A0-A11)三态地址端管脚(悬空、接高电平、接低电平),任意组合可提供531441种地址码。
编码芯片PT2262发出的编码信号由:地址码、数据码、同步码组成一个完整的码字,解码芯片PT2272接收到信号后,其地址码经过两次比较核对后,VT脚才输出高电平。
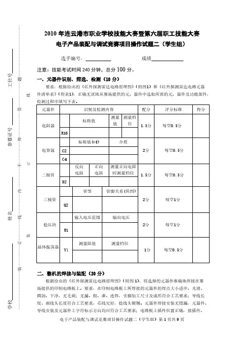
一、元器件识别、筛选、检测(10分)准确清点和检查全套装配材料数量和质量,进行元器件的识别与检测,筛选确定元器件,检测过程中填写下表。
二、电路板焊接(25分)要求电子产品的焊点大小适中,无漏、假、虚、连焊,焊点光滑、圆润、干净,无毛刺;引脚加工尺寸及成形符合工艺要求;导线长度、剥头长度符合工艺要求,芯线完好,捻头镀锡。
疵点:少于5处扣1分;5~10处扣5分;10~15处扣10分;15~20处扣15分;20~25处扣20分;25处以上扣25分。
三、电子产品装配(10分)要求印制板插件位置正确,元器件极性正确,元器件、导线安装及字标方向均应符合工艺要求;接插件、紧固件安装可靠牢固,印制板安装对位;无烫伤和划伤处,整机清洁无污物。
装配不符合工艺要求:少于5处扣1分;5~10处扣3分;10~20处扣5分;20处以上扣10分。
四、电子电路的调试(40分)1.调试并实现模拟烘手机基本功能(20分)●电源及充电电路工作正常(4分)●单片机控制、键盘及显示电路工作正常(2分)●红外感应检测电路工作正常(5分)●热释检测电路工作正常(5分)●风扇及加热电路工作正常(4分)2.检测(10分)(1)检查电路无误后,接通电源,测量红外感应检测电路在下列情况下Q2的C、E间的电压。
①感应到红外发射信号时,Q2的C、E间的电压为;②未感应到红外发射信号时,Q2的C、E间的电压为。
(2)在风扇及加热电路中,DY1接实验台交流15V档,风扇FS1工作在风速档2时,且风扇回路中的电流约为170mA,此时,R21取(12K、470Ω、5K、8K),R23取(10Ω、50Ω、90Ω、300Ω);当灯泡(JRS1)亮,且灯泡回路中的电流约为120mA,此时,R22取(200Ω、10Ω、500Ω、1K)时,R24取(91Ω、120Ω、150Ω、750Ω)。
(3)在充电电路中,断开S2,若保持T9测试点的电压恒定,假设R2由10K变为51K,则T8测试点的电压变(大/小);若断开S1,接通S2,T8测试点的电压能否稳定?(能/否)。
电子产品装配与调试技能比赛试题(总18页)-CAL-FENGHAI.-(YICAI)-Company One1-CAL-本页仅作为文档封面,使用请直接删除2010年重庆市第三届中等职业学校电子技能竞赛考题(学生组)考号:工位号:一、电路说明部分1、1 原理简介 1、产品功能环境温度与我们生活息息相关,温度高了会感觉热,温度低了会感觉冷,那么我们怎样知道环境中的温度究竟是多少摄氏度呢?这里给大家介绍一个数字测温电路,电路通电后LED 显示实时温度测量值,温度计的温度测量范围为0~℃。
该电路不仅可以显示实时测量温度值,还可以通过按键选择温度计的报警值,当温度高于某个设定温度时(40℃/50℃/60℃),温度计告警指示灯点亮。
2、电路组成及原理分析数字温度计主要由:温度检测电路、信号放大电路、V/F 变换电路、频率测量电路、超温告警电路和电源电路所组成,电路组成方框见图1,电路原理图见图2,PCB 板图见图3,4图1温度检测电路:温度检测电路主要由并联式稳压器、电桥和差分放大器组成,由U4构成的并联式稳压电源,为电桥提供高精度的电压,电桥由R30/R31/R44和PT100组成,RP4用于电路调试,在电路调试过程中通过调节RP4来模拟PT100的温度变化,方便电路调试,电桥输出的差分电压V=*(R PT100/(R30+ R PT100)-R 44/(R31+R 44)),该信号通过R10和R11送入由U7B 组成的差分放大器进行前级放大。
信号放大电路:由U7A 、PR6、R12、R13和R45组成的同相比例运算放大器,主要有2个作用,其一是用于将上一级的信号进行同相放大,其二是调整因元件参数偏差引起的测量误差。
调节RP6可改变其放大倍数,RP6也可称为量程电位器,数字温度计设计最大测量温度为℃,根据表1可查出当温度为100℃时,PT100的内阻为欧姆,根据电桥失衡后的输出电压计数公式可知,当环境温度为100℃时,差分输出电压为70mV ,为了显示和控制方便这里我将信号调理为标准的10mV/℃。
工位号成绩装订线一、元器件的安装、焊接(50分)一)元器件的安装(25分)元器件的安装原则:在不损坏元器件的前提下,以牢固可靠、整齐美观为原则。
1、短接线、普通电阻、二极管的安装:短接线、普通电阻要求采用卧式贴板安装。
安装前引线要求成型,成型后的引线应平行,且成型后引线间的距离应和印刷版上相应插孔间的距离相等。
电阻安装时,在印刷版竖直方向或水平方向上,误差色环的位置应一致(如:误差环全部在右边或下边)。
短接线、电阻安装后两端必须等高。
2、电容的安装:电容要求采用直立式安装。
瓷片电容、涤纶电容安装时不能损坏引脚上的漆膜,若引脚间的距离与印刷版相应插孔间的距离相差较大时,要求引脚成型。
瓷片电容和涤纶电容安装后不能在其所在平面内歪斜,且要求同体型器件等高。
电解电容采用直立式安装。
安装时要求引脚成型、不能歪斜、极性不能错误。
3、晶体三极管的安装:晶体三极管要求直立式安装。
安装时要求两端引脚成型、不能贴板,安装后要求等高。
4、导线剥头长度应符合工艺要求,芯线完好,捻头应镀锡。
5、其它器件要求按器件外型要求安装到位。
二)焊接(25分)焊点要求大小适中,形状要求为正锥型,无漏、假、虚、连焊,焊点光滑、圆润、干净、无毛刺。
注: 1、为保证散热,大功率电阻、整流二极管和阻尼二极管安装时,器件体要求和印刷版保持5―10mm 的距离。
2、要求印刷板清洁,无松香、无多余的附着焊锡等;板上无划痕、无烫伤;紧固件必须紧固,以保证相关元器件的牢固可靠。
以上要求及安装焊接效果见附图安装焊接不合要求:5处以内扣1分;5处以上,每多两处扣0.5分。
二、整机参数测量(4×2.5=10分)测量要求:要求在裁判面前当面测量,并且万用表量程选择合理,读数准确,动作熟练。
一)稳压电源输出电压的测量(该电压要求为10V±0.5V);二)测量视放管集电极电压变化范围;三)测量场输出中点电压;四)测量整机输出电流。
三、电子电路的调试(40分)一)光栅的调试(10分)1、光栅中心位置满足要求(2分);2、光栅垂直幅度和线性满足要求(4分);3、光栅水平幅度和线性满足要求(4分);工位号成绩装订线二)图像调试(20分)1、图像亮度和对比度调节满足要求(10分);2、图像分辨率满足要求(5分);3、图像左右、上下不能颠倒(5分);三)伴音电路的调试(10分)要求有伴音,且声音宏亮、音量可调、无噪声。
电子电工专业教师电子产品装配与调试项目比赛模拟试题
名称:三角波、方波及正弦波发生器电路制作
时间:3小时
操作要求:
(一)按给定的电路,在板上安装、测试,并达到下列要求。
1、稳压器输出电压约为+12V和-12V。
2、通电后用示波器观察Uo波形。
3、测量:
Uo波形,并画出输出信号波形示意图。
(二)元件检测
操作前首先对所给元器件进行检测,性能上不符合要求或损坏的可调换,在考试正式开始后损坏或需调换的按规定扣分。
(三)装配图的设计、元件装配及焊接:
1、在给定的电路板上,根据所给电路图,自行设计装配图及焊接布线图。
且所有的导线连线、焊接均在与焊点同一面上。
正面(元件)面的跳线
越少越好。
2、元器件排列合理、整齐、美观。
3、焊点大小均匀,圆滑、光亮、无毛刺。
4、元件安装规范,符合工艺要求,且元件只能布在同一面。
5、连接线要求呈直线或直角,焊接面上导线不能交叉,另一面的跳线越少
越好(正面跳线按每根要酌情扣分)。
6、不能损坏原来的电路板。
(四)电路原理图
(五)元器件清单
(六)调试、测量与记录
1、接通直流电源电压+12V和-12V。
2、调节RP1,输出信号频率为1KHz,调节RP2,使输出波形幅度合适。
3、用示波器测量Uo的波形,并在下面绘制波形示意图,标注周期、峰峰值和。
2014年赤峰市中等职业学校技能大赛电子产品装配与调试理论试题(一)一、座位号: 姓名: 得分:1、选择题(每题1分, 共20分)2、将复印好印制电路的敷铜板加工成符合要求的电路板有蚀刻法、___和贴图法三种。
()A.水刻法B.刃刻法C.火刻法D.其他2.变压器的变压比n____1时是升压变压器, n____1时是降压变压器。
()A.小于,等于B.小于,大于C.大于,小于D.大于,等于3、集成电路T065的引脚排列如图所示, 第一引脚是在______处。
()A.①B.②C.③D.④4、PN结加正向电压时, 空间电荷区将。
A. 变窄B. 基本不变C.变宽D.无法确定5.二极管正向电阻比反向电阻。
A.大B.小C.一样大D.无法确定6.二极管的导通条件。
A.VD>0 B、VD>死区电压C、VD>击穿电压 D、以上都不对7、晶体二极管内阻是。
A.常数B.不是常数C.不一定D.没有电阻8、具有热敏特性的半导体材料受热后, 半导体的导电性能将。
A.变好B.变差C.不变D.无法确定9、把一个二极管直接同一个电动势为 1.5V, 内阻为零的电池正向连接,该二极管。
A.击穿B.电流为零C.电流正常D.电流过大使管子烧坏10、下面列出的几条曲线中, 哪条表示的理想二极管的伏安特性曲线。
11、二极管的反向饱和电流在室温20oC时是5 μA, 温度每升高10oC, 其反向饱和电流值增大一倍, 当温度为30 oC时, 反向饱和电流值为。
A.5 μAB.10 μAC.20 μAD.30 μA12.将交流电压Ui经单相半波整流电路转换为直流电压Uo的关系是。
A.Uo=UiB.Uo=0.45UiC.Uo=0.5UiD.Uo=Ui13、三极管三个极的对地电位分别是-6 V、-3 V、-3.2 V, 则该管是。
A.PNP硅管B.NPN锗管C.NPN硅管D.PNP锗管14、NPN型三极管各电极的电位分别为VC=3.3 V, VE=3 V, VB=3.7 V, 则该管工作在。
电子产品装配与调试技能竞赛理论试题及答案一、选择题(共5题,每题1分)1、机械调零说法错误的是()A 机械调零能影响电阻调零B 电阻调零能影响机械调零C 一般机械调零在没受到剧烈震动下不需要反复调零D机械调零不需要用电池2、数字万用表中表示测量直流电压档位是( )A DCAB ACAC ACVD DCV3、电容在电路中用字母()表示。
A、TB、 CC、LD、H4、普通电阻器的代换原则是()最好保持一致A、阻值B、功率C、形状D、A和B5、色环电阻排序为橙色—橙色—红色—银色阻值为( )A 3.3KΩ±10℅B 330Ω±10℅C 3.3KΩ±20℅D 330Ω±20℅二、填空题(共5题,每题1分)1、电容器在电子线路中的作用一般概括为:通________ 阻_______。
2、万用表测电阻更换挡位后,必须重新________,以确保测读准确性。
3、用模拟万用表测电阻,指针在Ω刻度线上的读数为98量程选择R×10则电阻值为________。
4、二极管常用色环或色点标示正负极,其中标有色环的一端为_________极。
5、三极管对外引出的电极分别是极、极和极。
三、判断题(共5题每题1分)1、电容器120pF可以写为121。
()2、万用表测量交直流电流或电压不需要更换档位()3、A—V—Ω表示测量电流、电压及电阻()4、黑表笔接三极管的一个引脚,红表笔分别接另外两引脚测电阻时,如果测得电阻都接近无穷大,则黑表笔接的是三极管的基极。
()5、1MΩ为1000KΩ。
()四、简答题(共5题,每题1分)简要回答检测二极管极性的步骤?五、写出下列色环电阻的标称值及允许偏差(共5题,每题1分)(1)绿蓝棕金(2)银黑棕白(3)棕紫绿银金(4)金橙紫红(5)蓝、灰、黑、银、金六、写出下列电容器的标称值(共5题,每题1分)(1)6n8(2)103(3)479(4)335J(5)104K一、选择题1、D2、D3、B4、D5、A二、填空题1、交流、直流2、欧姆调零3、980Ω4、负5、基极(b)、集电极(c)、发射极(e)三、判断题1、对2、错3、对4、错5、对四、简答题第一步:选择R×1K档位第二步:欧姆调零第三步:红黑表笔任意接二极管两极,其中摆幅较大的一次为黑表笔接正极,红表笔接负极。
景泰职专第五届技能大赛电子产品装配与调试
任
务
书
2012年12月
一、竞赛时间、地点:
时间:2012年12月日
地点:电工实训室、电子实训室
二、参赛班级及参赛学生名单:
参赛班级: 11单招班、11工业(2)班
参赛学生名单:(见附表)
三、竞赛规则:
(一)、选手应完成的工作任务
参赛选手在规定时间内,根据电路图以现场操作的方式焊接电路并测试通过,通电调试过程须由监考老师全程监控。
(二)、选手完成工作任务的时间
完成试题规定的全部工作任务的时间为240min。
(三)、赛场提供的设备和器材
电子电工实训台(工具包自带)、焊锡、硬导线,音乐门铃电路散件。
(四)、知识准备与技术要求
电子技能操作竞赛范围以相关专业职业技能鉴定标准的中级工要求为准。
(五)、评分
1、根据在规定的时间内,选手完成电路与调试的情况,按照相关专业职业技能鉴定标准并结合实际进行评分,总分
100分(具体评分标准见附表)。
2.违规扣分
选手有下列情形,需从总成绩中扣分:
(1)违反安全文明生产及设备、工具量具的正确使用由裁判员按规定评定扣除0~10分,若出现变压器接反现象,直接取消比赛资格。
(2)不听从裁判指挥、安排、态度恶劣,发生重大事故者取消比赛资格。
(六)、比赛注意事项
1、参赛选手提前20 分钟到达比赛现场检录,迟到超过15分钟的选手,不得入场进行比赛。
2、选手实际操作的出场顺序、比赛所用仪器设备、工位由抽签确定,不得擅自变更、调整。
3、所有完成的电路板由选手贴上自己的名字和工位号。
选手在制作电路时不得有任何暗示选手身份的记号或符号,否则取消成绩。
4、在比赛过程中,如遇设备故障、电路元器件缺件或非人为损坏等可向监考人员提出,经确认后由监考决定是否更换或加时。
5、参赛选手在制作电路过程中,只能使用大赛组委会规定的电路板,其他电路板或导线等不得使用,否则,按零分计算。
6、竞赛过程中,参赛选手不能更换电路板,相互借用工具量具。
各参赛选手间不可走动、交谈。
7、竞赛过程中,选手若需休息、饮水或去洗手间,一律计算在操作时间内。
8、如果选手提前完成电路,必须在调试检测完成后经本人同意由监考人员记录时间方可结束离场。
9、比赛在规定时间结束时,参赛选手应立即停止操作,不得以任何理由拖延比赛时间。
选手操作完成试件,在《实际操作现场记录表》上签名确认,由裁判员现场封存电路板后,方可离开赛场。
10、未尽事宜,由监考人员现场裁决。
(七)、选手名次排列
按竞赛成绩从高到低排列参赛选手的名次。
竞赛成绩相同,完成工作任务所用时间少的名次在前。
电子产品调试及安装技能大赛学生任务书
一、补画上图电路(3分)
二、测出三端稳压器的输出电流和输出电压(3分)
三、
色环电阻如下图读出R1=( ),R2=( ) (4分)
R1: R2:
金色橙色紫色红色棕色红色红色橙色
电子产品调试及安装技能大赛评分标准
根据人数总共需要22套:
配套明细表
另:电源线及插头 5
电子产品装配与调试参赛学生名单:
11工业(2):
李国燕魏孔祥折发春张欢卢盛春程敬润车延芸赵克琴
柴琰程罗玉海刘宏泰张子瑞魏孔玉顾庆博
11单招:
王美茜王世娇杨巧多杨巧娜火云昌张学苗张硕芩罗惠方。