落地式卸料平台安全技术交底
- 格式:doc
- 大小:17.50 KB
- 文档页数:4
技术交底记录工程名施工单位中国建筑第二工程局有限公司称交底部卸料平台工序名称落地卸料平台位交底提要:根据楼层确定料台的长度和宽度,卸料平台支撑架立杆和横杆搭设间距,平台与外架的关系,搭设与拆除注意安全事项交底内容:一、构造参数及搭设要求卸料平台采用多立杆式钢管分层搭设。
卸料平台紧挨外脚手架,但与外脚手架断开,单独搭设。
所有杆件均用Ф48.3×3.0mm,平台尺寸为3.6m×4m,立杆的纵距 B=0.9米,立杆的横距H=1.0米,立杆采用单立杆。
水平杆的步距 h=1.50米,顶部平台钢管横杆格栅间距为200mm。
每层卸料平台和主体结构设三个拉接点。
平台外侧面设1.2米高防护栏,并涂刷红白相间的油漆标识,满挂密目安全网。
平台底面满铺5cm 厚的脚手板,铺设绑扎牢固,两端用8 号镀锌钢丝捆紧。
平台作业面四周设20cm 高的踢脚板。
每层卸料平台的两根外横杆与上、下层卸料平台的外横杆均用斜拉杆加固连结。
卸料平台架上堆积荷载不得超过1.0t,每次起吊重量不得超过0.8t。
随吊随清运。
二、卸料平台的搭设1、基础构造立杆座在地下室垫层上,立杆底部垫厚度不小于50mm的通长脚手板。
脚手板应铺设平稳,不能有悬空。
2、杆件布置(1)落地式钢管卸料平台搭设高度为:3.6米,卸料平台尺寸为3.6m×4m,立杆的纵距 B=0.9米,立杆的横距H=1.0米,立杆采用单立杆。
水平杆的步距 h=1.50米,卸料平台紧挨外脚手架,但与外脚手架断开,不得相联。
技术负责人交底人接受交底人注:本记录一式两份,一份交接受交底人,一份存档。
技术交底记录工程名称无锡城南世家C地块施工单位中国建筑第二工程局有限公司交底部位卸料平台工序名称落地卸料平台交底提要:根据楼层确定料台的长度和宽度,卸料平台支撑架立杆和横杆搭设间距,平台与外架的关系,搭设与拆除注意安全事项交底内容:(2 )外脚手架立杆接头和横杆接头的要求:1)立杆必须采用对接方式。
落地式卸料平台安全技术交底1、卸料平台日常检查按以下规定进行,检查合格后方允许投入使用或继续使用:(1)、搭设完毕后;(2)、施工中途停止使用超过15天,在重新使用前;(3)、在遭受暴风、大雨、在雪、地震等强力因素作用之后;(4)、在使用过程中发现有显著变形、拉结钢丝绳以及安其它全隐患存在的情况时,立即停止使用;(5)、当风力达到6级向上时,停止使用。
2、卸料平台的施工和使用设专人负责,并设安全监督检查人员,由安全负责人负责日常管理和检查,确保使用符合设计和有关规定要求;3、每班工人作业时应先行检查有无影响安全作业的问题存在,在排除解决后方可开始作业。
在作业中发现有不安全的情况和迹象时,应立即停止作业进行检查,解决后才能恢复正常作业。
卸料平台的拆除:平台在使用完毕后就应立即拆除。
在拆除前要做好以下工作:对参与上料平台拆除的操作人员、管理人员和检查,监护人员进行施工方案、安全、质量和外装饰保护等措施的交底,交底的内容包括拆除范围、数量、时间和拆除顺序、方法、物件垂直运输设备的数量,人员组织,指挥联络的方法的用语,拆除的安全措施和警戒区域,如果在夜间施工还要有照明和安全用电等内容,交底要有记录,双方均应在交底书签字。
对上料平台进行安全检查,确认脚手架不存在严重隐患,方可拆除.上料平台的拆除一般严禁在垂直方向上同时作业,因此要事先做好其他垂直方向工作的安排,方可开始拆除。
从上料平台拆下的杆件及其他材料先向下人工传递,然后再集中分类堆放。
绝对禁止从高处向下抛掷,以免伤害地面工作人员,损坏地面的设备和物件,损坏材料。
上料平台的拆除与搭设顺序正好相反,即后搭设的先拆除,先搭设的后拆除。
脚手架搭设人员必须是经过按现行国家标准《特种作业人员安全技术考核管理规则》(GB5036)考核的专业架子工。
上岗人员应定期体检,合格者方可持证上岗。
拆除上料平台时,应设围栏和警戒标志,并派专人看守,严禁非操作人员入内。
拆除作。
落地式卸料平台安全技术交底2)连墙件的水平间距应根据实际情况确定,但不应大于3m;3)连墙件的上部应与立杆的上端对齐,下部应与底座的上表面对齐;4)连墙件的设置应先用斜杆固定,然后再用水平杆固定。
5、悬挂扣具应符合下列规定:1)悬挂扣具应采用质量可靠、规格合适的产品;2)悬挂扣具的悬挂点应位于立杆的上部,且不得超过立杆长度的1/3;3)悬挂扣具的数量应根据实际情况合理设置,每个悬挂点的承载能力不得小于2t。
6、剪刀撑的设置应符合下列规定:1)剪刀撑的数量和位置应根据卸料平台的构造尺寸和使用要求确定;2)剪刀撑的设置应符合卸料平台的搭设方案要求,不得随意更改;3)剪刀撑的设置应牢固可靠,不得松动或变形;4)剪刀撑的拆除应根据卸料平台的拆除方案进行,不得随意拆除。
7、卸料平台的拆除应符合下列规定:1)拆除前应将卸料平台上的材料、工具等清理干净;2)拆除时应按照卸料平台的拆除方案进行,不得随意拆除或改动;3)拆除时应保证周围人员和设备的安全,防止材料坠落或扣件掉落。
8、卸料平台的维护保养应符合下列规定:1)卸料平台的扣件、立杆、水平杆、剪刀撑等应定期检查,如发现松动、变形、损坏等情况应及时更换或修复;2)卸料平台的地基、垫木、垫板等应定期检查,如发现起伏不平、松动等情况应及时处理;3)卸料平台的使用寿命应根据实际情况进行评估,如达到规定的使用寿命应及时更换或淘汰。
落地式钢管卸料平台是一项高空特种作业,为了保证施工人员的安全,必须严格遵守安全操作规程和安全生产纪律。
在搭设卸料平台时,必须使用符合技术规定和施工方案要求的材料和扣件,并经过试验合格后才能使用。
卸料平台的地基应平整夯实,并加设垫木、垫板或底座,不得在未经处理的起伏不平和软硬不一的地面上直接搭设。
在搭设过程中,必须严格按照卸料平台的搭设方案规定的构造尺寸进行搭设,并每搭完一步后要校正步距、纵距及立杆的垂直度。
卸料平台的搭设完成后必须及时搭设剪刀撑,并符合方案要求。
一、交底对象全体参与盘扣落地式卸料平台施工的作业人员、管理人员及监督人员。
二、交底目的为确保盘扣落地式卸料平台施工过程中的安全,防止事故发生,提高施工人员的自我保护意识,特进行安全技术交底。
三、交底内容1. 平台结构及材料- 盘扣式卸料平台由立杆、横杆、斜杆、底板、防护栏杆等组成。
- 立杆、横杆、斜杆等材料均需符合国家标准,确保结构稳定。
- 底板采用钢管(钢托板)——木方——板的结构,保证承载能力。
2. 搭设要求- 操作平台高度不应大于15m,高宽比不应大于3:1。
- 卸料平台不得与脚手架连接。
- 操作平台应从底层第一步水平杆起逐层设置连墙件,且连墙件间隔不应大于4m。
- 脚手架首层立杆宜采用不同长度的立杆交错布置,错开立杆竖向距离不应小于500mm。
- 连墙件水平间距不应大于3跨。
- 双排外脚手架搭设与拆除的施工要求,应符合相关规范。
3. 拆除要求- 拆除安全技术措施应由工长逐级进行书面技术交底。
- 拆除中途不得换人,如更换人员必须重新进行安全技术交底。
- 拆除过程中,必须严格按照操作规程进行,确保安全。
4. 安全注意事项- 施工人员必须佩戴安全帽、安全带等个人防护用品。
- 施工现场应设置警示标志,禁止无关人员进入。
- 施工过程中,应密切注意平台结构变化,发现异常情况立即停止施工,并报告相关部门。
- 施工结束后,应对平台进行检查,确保结构安全。
四、应急措施1. 发现平台结构异常时,应立即停止施工,并采取措施进行处理。
2. 发生安全事故时,应立即启动应急预案,组织人员进行救援。
3. 及时向相关部门报告事故情况,配合事故调查。
五、总结盘扣落地式卸料平台施工过程中,安全至关重要。
全体施工人员必须提高安全意识,严格按照操作规程进行施工,确保工程顺利进行。
施组总设计交底单位工程施组交底施工方案交底专项施工方案交底√施工作业交底交底内容:1、材料准备1.1 材料:钢管48×3.0、直角扣件、对接扣件、旋转扣件、脚手板、多层板、8#镀锌钢丝、红白油漆、密目网。
2、作业条件2.1 将需搭设出料平台的部位下部基层清理干净。
2.2 对进场的马道构配件进行全面、严格的检查,禁止使用规格和质量不合格的构配件。
2.3 钢管使用前应先除锈再涂刷红白相间油漆。
3、搭设方案落地式卸料平台搭设在5#楼(5-3)-(5-4)轴/M轴处,保证5#楼地下二层周转材料的倒运。
卸料平台在脚手架外侧搭设,距脚手架外立杆300mm,3000*6000mm卸料平台,每两步两跨设置连墙件;平台立杆纵横方向间距为900mm,脚手架步距900m。
立杆采用对接扣件连接。
卸料平台架体四角采用双立杆搭设。
平台下架子立杆外侧设置剪刀撑,用以增大出料平台的整体刚度。
斜杆与立面倾角在45 度至60 度之间,撑头要顶在有实力的地方,不得滑动,并且要贴服有力。
剪刀撑的接头采用旋转扣件连接,固定在与之相交的横向水平杆的伸出端或立杆上,出料平台扫地杆部位及顶部各设一层水平剪刀撑,外架的侧立面两端剪刀撑由低到顶连续布置。
卸料平台的平台面上铺脚手板,脚手板与架体连接应牢固、搭设严密。
卸料平台三面设置防护栏杆,栏杆高度1.2m,设三道横杆,上杆距平台高1.2m,下杆居中设置,扫地杆200mm,卸料平台栏杆满挂密目绿网。
栏杆下侧设置180mm 高挡脚板,刷红白油漆。
卸料平台必须单独设置,不得与脚手架共用立管或架设其上。
连墙件采用钢管连接,用双扣件与框架柱进行连接,无框架柱部位预埋20钢筋地锚。
另配14钢丝绳拉结,钢丝绳与上一层楼体20钢筋预埋件拉结。
4、施工工艺4.1工艺流程:场地清理→纵向扫地杆→立杆→横向扫地杆→纵向水平杆→横向水平杆→剪刀撑→注:1 本表由施工单位填写。
注:1 本表由施工单位填写。
施组总设计交底 单位工程施组交底 施工方案交底 专项施工方案交底 √ 施工作业交底立杆接头立杆接头示意连墙件→搭设护栏→铺脚手板→安装挡脚板→挂安全网→验收 4.2 将需搭设脚手架的部位下部基层清理干净。
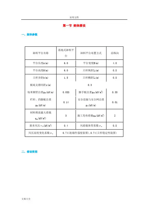
第一节架体搭设一、架体参数卸料平台名称落地式卸料平台卸料平台布置方式沿纵向平台长度A(m) 6.0 平台宽度B(m) 4.0平台高度H(m) 6.0 立杆纵距l a(m) 0.8立杆步距h(m) 1.5 立杆横距l b(m) 0.8 板底支撑间距s(m) 0.3每米钢管自重g1k(kN/m) 0.033 脚手板自重g2k(kN/m2) 0.35 栏杆、挡脚板自重g3k(kN/m) 0.14安全设施与安全网自重g4k(kN/m)0.01材料堆放最大荷载q1k(kN/m2)3 施工均布荷载q2k(kN/m2) 2基本风压ω0(kN/m2) 0.4 风荷载体型系数μs 0.8 风压高度变化系数μz 0.74(连墙件强度验算),0.74(立杆稳定性验算)二、搭设简图卸料平台侧立面示意图三、架体搭设1.认真遵守本工种安全操作规程和本方案及项目部下达的本安全技术交底书的要求。
2.作业人员必须正确使用好个人防护用具,严禁酒后作业,操作人员必须做到持证上岗,无特种作业操作证人员禁止作业。
3.脚手架必须配合施工进度搭设,一次搭设高度不应超过相邻连墙件以上两步。
4.每搭完一步架后,应校正步距,纵距、横距及立杆的垂直度,横杆的水平度。
立杆的垂直偏差应控制在架高1/200且全高偏差不大于50mm,立杆排距偏差不大于±20mm,大横杆的水平偏差不大于架高的1/300且小于50mm。
步距偏差不大于±20mm。
5.立杆采用单根钢管,接头必须采用对接,不允许搭接,相邻的接头要错开不小于500mm,并布置在不同步距内,其接头距大横杆的距离不应大于步距的1/3。
6.十字撑必须搭设在脚手架外侧,沿外架纵向两端和转角处开始连续布置,与水平方向的夹角为45°~60°,每隔5~7根立杆设一组连续设置,钢管按搭接长度不小于1m。
搭接扣件距管头不得小于100mm。
7.小横杆应贴近立杆布置,用直角扣件与大横杆扣紧,小横杆伸出长度为100mm,在布置小横杆时,沿高度方向在立杆两侧交替布置,沿纵向两横排立杆之间相向布置。
中国建筑项目管理表格安全技术交底表格编号CSCEC8SH-AQ-B0012工程名称及编码交底日期___年___月___日分部工程落地式卸料平台分项工程落地式卸料平台安装、拆除交底内容:一、分部分项工程施工概况1、工作内容:2A-1#楼首层落地卸料平台安装拆除2、材料和设备:钢管(壁厚2.8mm)、扣件3、相关参数:搭设高度6.4m,立杆间距900*1000mm步距1500mm4、施工工艺:(1)、卸料平台设计参数(根据交底部位补充该部位卸料平台设计参数)(2)、搭设流程场地平整、混凝土强度测试/夯实→材料配备→定位设置垫板、底座→纵向扫地杆→立杆→横向扫地杆→双向横杆→剪刀撑支设→连墙件连接→横向钢管加密→钢管上铺木方→木方上满铺胶合板→用铁丝、铁钉固定→防护栏杆搭设→铺侧面胶合板并与钢管固定。
(3)、卸料平台搭设与拆除1)、平台搭设立杆搭设位置应按布置图放线确定。
搭设应根据立杆放置可调底座,应按先立杆后水平杆再斜杆的顺序搭设,形成基本的架体单元,应以此扩展搭设成整体支架体系。
可调底座和土层基础上垫板应准确放置在定位在线,保持水平。
垫板应平整、无翘曲,不得采用已开裂垫板。
在同一水平高度内相邻立杆连接套管接头的位置宜错开,且错开高度不宜小于500mm。
水平杆扣接头与连接盘的插销应采用铁锤击紧至规定插入深度的刻度线。
每搭完一步支模架后,应及时校正水平杆步距,立杆的纵、横距,立杆的垂直偏差和水平杆的水平偏差。
立杆的垂直偏差不应大于总高度的1/500,且不得大于50mm。
应保证上下立杆在同一轴线上。
2)、平台拆除拆除作业应按先搭后拆,后搭先拆的原则,从顶层开始,逐层向下进行,严禁上下层同时拆除,严禁抛掷。
分段、分立面拆除时,应确定分界处的技术处理方案,并应保证分段后架体稳定。
每层拆除前应先将此层外架上的材料、垃圾等物品清除干净。
拆除过程中要先拆小横杆、大横杆、然后拆除立杆及斜杆。
拆除过程中应将已松开连接的杆配件及时拆除运走,避免误扶和误靠已松脱连接的杆件。
2、当做分项工程施工技术交底时,应填写"分项工程名称"栏,其他技术交底可不填写。
2、当做分项工程施工技术交底时,应填写"分项工程名称"栏,其他技术交底可不填写。
工程名称交底日期
施工单位分项工程名称
交底提要落地式卸料平台搭设及拆除、施工工艺、注意事项等
交底内容:
审核人交底人接受交底人
2、当做分项工程施工技术交底时,应填写"分项工程名称"栏,其他技术交底可不填写。
工程名称交底日期
施工单位分项工程名称
交底提要落地式卸料平台搭设及拆除、施工工艺、注意事项等
交底内容:
审核人交底人接受交底人
2、当做分项工程施工技术交底时,应填写"分项工程名称"栏,其他技术交底可不填写。
工程名称交底日期
施工单位分项工程名称
交底提要落地式卸料平台搭设及拆除、施工工艺、注意事项等
交底内容:
三、卸料平台的拆除
3.1拆架程序应遵守由上而下,先搭后拆的原则,即先拆拉杆、脚手板、剪刀撑、斜撑,而后拆小横杆、大横杆、立杆等,并按一步一清原则依次进行。
3.2严禁上下同时进行拆架作业,脚手架各构配件严禁抛掷至地面,拆除脚手架时,地面应
审核人交底人接受交底人
2、当做分项工程施工技术交底时,应填写"分项工程名称"栏,其他技术交底可不填写。
2、当做分项工程施工技术交底时,应填写"分项工程名称"栏,其他技术交底可不填写。
2、当做分项工程施工技术交底时,应填写"分项工程名称"栏,其他技术交底可不填写。
(A)接头不在同步内(立面)(B)接头不在同跨内(平面)
纵向水平杆对接接头布置
——纵向水平杆;3——横向水平杆
)搭接长度不应小于1M,应等间距设置3个旋转扣件固定;端部扣件盖板边缘至搭接纵向水平杆杆端的距离不应
)每一主节点处必须设置一根横向水平杆,并采用直角扣件紧在纵向水平杆之上,该杆轴线偏差离主节点的距150MM,横向水平杆与结构柱子抱箍卡住,保证架子的稳定性。
)顶层上非节点处的横向水平杆间距为500MM。
)脚手板一般应设置在横向水平杆上,脚手板两端须与横向水平杆可靠固定,以防倾覆。
交底人:
质量要求
外径为48.0 MM GBT700)。
一、交底项目落地式卸料平台搭设作业安全技术交底二、交底目的为确保落地式卸料平台搭设作业过程中的安全,提高作业人员的安全意识和操作技能,预防安全事故的发生,特进行本次安全技术交底。
三、交底内容1. 作业环境及要求- 确保作业现场平整、坚实,无障碍物。
- 作业现场应设置安全警示标志,明确危险区域。
- 作业人员应佩戴安全帽、安全带等个人防护用品。
2. 材料及工具- 搭设材料:脚手板、钢管、扣件、拉杆等。
- 工具:扳手、锤子、卷尺、水平尺等。
3. 搭设步骤及注意事项- 基础处理:清理作业面,确保基础坚实、平整。
- 搭设框架:按照设计要求,使用钢管、扣件搭设框架,确保框架稳固。
- 铺设脚手板:将脚手板铺设在框架上,确保连接牢固。
- 设置防护设施:在平台边缘设置防护栏杆,并设置安全网。
- 验收:搭设完成后,进行验收,确保平台稳固、安全。
4. 安全操作规程- 作业人员应熟悉作业流程,掌握操作技能。
- 搭设过程中,不得随意移动平台,防止倾覆。
- 上下平台时,应使用安全梯,不得攀爬。
- 作业过程中,严禁酒后作业、疲劳作业。
- 严禁在平台上堆放杂物,防止坠落伤人。
5. 应急措施- 如发生平台倾斜、倒塌等险情,立即停止作业,并迅速撤离现场。
- 报告现场负责人,启动应急预案,进行救援。
四、交底对象本次安全技术交底对象为参与落地式卸料平台搭设作业的所有人员。
五、交底要求1. 作业人员应认真听取交底内容,确保理解并掌握安全操作规程。
2. 作业过程中,严格执行安全操作规程,确保自身和他人的安全。
3. 现场负责人应加强监督检查,确保安全技术措施落实到位。
六、交底人(姓名)七、日期(年月日)八、附件1. 落地式卸料平台搭设作业安全技术交底记录2. 个人防护用品清单九、备注1. 本交底模板仅供参考,具体内容可根据实际情况进行调整。
2. 作业过程中,如遇特殊情况,应立即停止作业,并采取相应措施。
通过本次安全技术交底,旨在提高作业人员的安全意识,确保落地式卸料平台搭设作业安全顺利进行。
卸料平台安全技术交底1. 引言卸料平台是一种用于卸货的设备,广泛应用于建筑工地、仓库、码头等行业。
为了确保卸料平台的安全使用,本文将对卸料平台的安全技术进行交底。
2. 卸料平台的构成卸料平台主要由以下几个部分组成:•平台主体:卸料平台的主体部分,用于承载货物。
•升降装置:用于控制卸料平台的升降。
•安全围护装置:用于保护操作人员的安全。
•控制系统:用于控制卸料平台的运行。
3. 卸料平台的安全技术3.1 安全操作规程在使用卸料平台之前,操作人员需要进行相关的安全操作培训,并掌握以下安全操作规程:1.确保卸料平台周围没有障碍物。
2.确保升降装置正常运行。
3.在卸料平台上设置警示标志,以提醒他人注意安全。
4.禁止超载使用卸料平台。
5.禁止人员站在卸料平台上方。
3.2 安全围护装置卸料平台上需要设置安全围护装置,以确保操作人员的安全。
安全围护装置通常包括以下几个方面:1.扶手和护栏:用于防止操作人员意外摔下卸料平台。
2.防滑底板:卸料平台的底板应设计成防滑的,以防止操作人员在操作过程中滑倒。
3.安全门:卸料平台上的安全门应设计成可靠的,并能方便地打开和关闭。
3.3 控制系统卸料平台的控制系统是保证卸料平台安全运行的关键。
控制系统需要满足以下要求:1.紧急停止按钮:卸料平台上应设置紧急停止按钮,以便操作人员在紧急情况下能够迅速停止卸料平台的运行。
2.限位开关:卸料平台的升降装置应设置限位开关,以避免升降过程中超出安全范围。
3.防止误操作:控制系统应设计成能够防止误操作,以避免意外发生。
4. 安全检查与维护为了保证卸料平台的安全使用,需要进行定期的安全检查和维护。
安全检查和维护主要包括以下几个方面:1.检查卸料平台的机械部件是否正常运行,如升降装置、控制系统等。
2.检查安全围护装置是否完好,如扶手、护栏、安全门等。
3.定期进行卸料平台的维护,如润滑、更换易损件等。
4.停止使用发生故障的卸料平台,并及时修理或更换。
一、交底目的为确保施工现场落地式盘扣卸料平台的安全使用,防止事故发生,提高施工人员的安全意识,特进行安全技术交底。
二、交底内容1. 平台概况(1)平台名称:落地式盘扣卸料平台(2)平台材质:盘扣式钢管支架(3)平台用途:用于施工现场材料、设备等物品的垂直运输2. 安全操作规程(1)平台搭设1)搭设前应进行现场勘察,确保场地平整、坚实,排水畅通。
2)搭设人员应熟悉盘扣式钢管支架的结构、性能和操作方法。
3)搭设过程中,应严格按照设计方案进行,确保结构稳定。
4)搭设完成后,应对平台进行检查,确认无安全隐患后方可投入使用。
(2)平台使用1)操作人员应佩戴安全帽、安全带等个人防护用品。
2)操作平台时,应保持注意力集中,严禁酒后操作。
3)禁止在平台上堆放超过设计荷载的物品。
4)禁止在平台上进行敲打、焊接等作业。
5)禁止在平台附近进行高空作业,如需进行,应采取必要的安全措施。
6)禁止在平台上吸烟、使用明火。
(3)平台拆除1)拆除前,应确认平台无荷载,且周围环境安全。
2)拆除过程中,应严格按照设计方案进行,确保结构稳定。
3)拆除后,应对场地进行清理,确保无安全隐患。
3. 安全注意事项(1)平台搭设、使用和拆除过程中,应严格遵守国家相关法律法规和标准规范。
(2)加强施工现场安全管理,定期对平台进行检查和维护。
(3)加强对操作人员的培训,提高其安全意识和操作技能。
(4)发生事故时,应立即停止作业,采取必要措施,防止事故扩大。
三、交底要求1. 施工单位应将本安全技术交底内容纳入施工组织设计,并作为施工过程中的重要依据。
2. 施工现场应设置明显的安全警示标志,提醒操作人员注意安全。
3. 施工单位应定期对操作人员进行安全技术培训,确保其掌握相关知识和技能。
4. 施工单位应建立健全安全管理制度,加强对施工现场的监督检查。
四、附则1. 本安全技术交底自发布之日起实施。
2. 本安全技术交底由施工单位负责解释。
3. 如有未尽事宜,可由施工单位根据实际情况进行补充和修改。
一、交底对象1. 施工单位全体施工人员2. 监理单位相关人员3. 设计单位相关人员二、交底目的为确保落地卸料平台搭设和使用过程中的安全,预防事故发生,特进行安全技术交底。
三、交底内容1. 落地卸料平台搭设前的准备工作(1)熟悉施工图纸、技术规范,了解落地卸料平台的结构、尺寸及搭设要求。
(2)准备搭设材料,如钢管、扣件、脚手板、防护栏杆、密目网等,确保材料符合规范要求。
(3)检查施工现场,确保搭设区域平整、坚实,无积水、杂物。
2. 落地卸料平台搭设过程中的安全措施(1)搭设人员必须佩戴安全帽、安全带,正确使用个人防护用品。
(2)搭设前,应检查脚手架、扣件等材料是否完好,发现问题及时更换。
(3)搭设过程中,严禁超负荷使用,严禁将重物堆放在脚手架上。
(4)搭设时,应遵循“先下后上、先内后外”的原则,确保搭设顺序合理。
(5)搭设完成后,应对落地卸料平台进行验收,确保其符合规范要求。
3. 落地卸料平台使用过程中的安全措施(1)使用前,应对平台进行检查,确保其牢固、安全。
(2)严禁超载使用,禁止堆放易燃、易爆、有毒等危险物品。
(3)作业人员应按照规定操作,不得擅自改变平台结构。
(4)作业区域设置明显的警示标志,提醒过往人员注意安全。
(5)作业人员应保持警惕,发现安全隐患及时报告。
4. 落地卸料平台拆除过程中的安全措施(1)拆除前,应对平台进行检查,确保其结构稳定。
(2)拆除过程中,应遵循“先上后下、先外后内”的原则,确保拆除顺序合理。
(3)拆除时,应使用专用工具,不得用手直接拆卸。
(4)拆除完成后,应对现场进行清理,确保无残留物。
四、交底要求1. 施工单位应组织全体施工人员进行安全技术交底,确保每位施工人员了解并掌握安全操作规程。
2. 监理单位、设计单位相关人员应参与安全技术交底,对施工过程中的安全问题提出意见和建议。
3. 施工单位应将安全技术交底内容记录在案,并定期组织复查,确保安全措施落实到位。
4. 施工单位应加强施工现场安全管理,严格执行安全技术交底要求,确保施工安全。