住宅工程质量常见问题专项治理评估报告
- 格式:docx
- 大小:14.77 KB
- 文档页数:5
住宅工程质量常见问题专项治理
评估报告
住宅工程质量常见问题专项治理任务书
成都市第一建筑工程公司(施工单位):
由你公司承建的恒大城四期59-61#楼工程,以下内容列入质量常见问题专项治理计划,具体项目如下:
一、地下室混凝土开裂
二、钢筋混凝土现浇楼板开裂
三、填充墙裂缝
四、墙面抹灰裂缝
五、外墙开裂、渗漏
六、有防水要求的房间地面渗漏
七、屋面渗漏
八、排水管道水封设置不合理,地漏水封深度不够
九、开关、插座位置不满足使用功能或存在安全隐患
十、供配电系统配线不规范
十一、户内配电箱电气元件设置不规范
十二、户内给水管道楼板上暗埋方式设计不合理
请参照《温江区住宅工程质量常见问题专项治理工作实施细则》的要求,认真编制上述项目的《住宅工程质量常见问题专项治理技术方案》,经项目总监理工程师审查后,于年月日前报我单位批准。
成都市温江区鑫金康置业有限责任公司(建设单位章)
年月日
住宅工程质量常见问题专项治理自评报告。
住宅小区工程质量评估报告一、引言住宅小区是人们居住的重要场所,其工程质量直接关系到居民的生活品质和安全。
为了对住宅小区的工程质量进行评估,本报告将从整体规划设计、建筑结构、装修材料和施工工艺等方面进行调查和分析,以期为有关部门提供有价值的参考和建议。
二、整体规划设计1.小区环境规划通过对小区环境规划的调查和分析,发现该住宅小区周边绿化率较高,景观设施比较完善,但存在一些老旧设施,需要进行更新维修。
同时,小区交通规划合理,便于居民生活。
2.供水排水设计供水排水系统是住宅小区的基础设施之一、经过实地勘察和水质检测,发现小区供水水质良好,供水管道布局合理,但在细节处存在一些维修保养问题,需要加强维护。
三、建筑结构1.结构设计通过对住宅小区建筑结构的调查和分析,发现整体结构稳定,符合国家建筑标准。
但在一些单元楼底部存在裂缝等问题,需要进行加固处理。
2.施工质量针对小区建筑结构的施工质量,通过对建筑材料的检测和施工工艺的查验,发现存在一些施工工艺不规范的情况,如墙体防水层施工质量不达标,地面铺装存在空鼓现象等。
建议对这些问题进行整改,确保住宅小区的结构安全可靠。
四、装修材料1.墙面装修材料经过对住宅小区墙面装修材料的检测,发现大部分墙面使用了环保材料,并且能够满足居民的基本需求。
但也存在少部分装修材料存在甲醛等有害物质超标情况,需要进行更换。
2.地板装修材料通过对住宅小区地板装修材料的检测,发现大部分地板采用了环保、防滑性能良好的材料。
但也存在个别地板材料存在开裂、变形等问题,需要进行修复或更换。
五、施工工艺1.电气工程经过对住宅小区电气工程的检测,发现大部分电气设备正常使用,符合国家标准。
但也存在部分设备老化,需要进行维修或更换。
2.给排水工程通过对住宅小区给排水工程的检测,发现大部分设备运行良好,无漏水现象。
但也存在一些管道老化、设备存在磨损等问题,需要进行维护和更换。
六、结论与建议根据对住宅小区的工程质量评估,可以得出如下结论和建议:1.小区整体规划设计合理,需要加强老旧设施更新和维修。
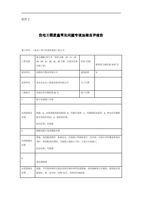
住宅工程质量常见问题专项治理自评报告施工单位:(盖印)工程名称广西容县富盛广场商住小区 D 栋构造 /层数框剪构造 /三十二层建设单位广西容县富盆房地产开发有限企业建筑面积17036.51 ㎡监理单位广西恒基建设工程咨询有限企业动工日期工程地址容县容州镇车站西路完工日期序号防治项目主要举措及防治结果钢筋混凝土现举措:现浇板浇筑时,振捣充足,在砼终凝行进行二次压抹,压抹后实时覆盖和浇1 水保养。
现浇板保养时间,当砼强度小于 1.2MPa 时,不得进行后续施工。
浇楼板裂痕防治结果:无裂痕。
举措:不一样基体资料交接处采纳钉钢丝网等抗裂举措填补墙砌体分次砌筑。
砌筑接2 填补墙裂痕近梁板底时,留必定空间,起码间隔7d 后,再将其补砌挤紧。
防治结果:无裂痕。
举措:严格控制抹灰沙浆配合比,抹灰时掺加界面剂与水泥浆拌合,喷涂后抹底灰3 墙面抹灰裂痕抹灰沙浆。
宜掺加聚苯乙烯抗裂纤维、碳纤维活耐碱纤维等纤维资料。
防治结果:无裂痕。
外墙保温饰面举措:采纳与保温系统相容的柔性耐水腻子和高弹性涂料封堵脚手架眼和孔洞时,清理洁净,浇水润湿,而后采纳干硬性混凝土封堵严实穿墙螺栓孔宜采纳聚氨酯发4 层泡剂和防水膨胀干硬性水泥填塞密实。
裂痕、渗漏防治结果:无渗漏。
举措:窗框与构造墙体间应施打聚氨酯发泡胶,发泡前清理洁净,发泡胶连续施打,5 外窗渗漏一次成形,填补饱满外窗框周围祥封胶采纳中性硅酮密封胶,密封胶外墙涂料前完成,打胶要保证基层干燥,无裂纹、气泡,转角处平顺。
防治举措:无渗漏。
举措:有防水要求的房间楼板混凝土一次浇筑,振捣密实。
楼板周围设现浇钢筋混6 有防水要求的凝土止水台,管道根部、转角处、墙根部位做防水附带层。
管道穿楼板处宜采纳止房间地面渗漏水节施工法。
防治举措:无渗漏。
举措:屋面基层与女儿墙、山墙、天窗壁、变形缝、突出屋面构造的交接处和基层转角处,找平层均做成圆弧形,圆弧半径切合规范要求。
卷材防水在天沟、檐沟与7 屋面渗漏屋面交接处、泛水、阴阳角等部位,做防水附带层;水落口处防水层伸入水落口内部不该小于 50mm,并用防水资料密封刚性防水层与基层、刚性保护层与柔性防水层之间做隔绝层。
住宅工程质量通病专项治理评估报告住宅工程质量是人们居住的基本需求,对于社会稳定和经济发展都有重要的影响。
然而,在实际的施工过程中,住宅工程质量通病普遍存在,给人们的生活带来了不安全和不便利。
因此,针对住宅工程质量通病,进行专项治理是迫切需要的。
首先,住宅工程质量通病表现在建筑结构方面。
建筑结构是住宅工程的基础,直接关系到人们的生命财产安全。
然而,在实际建设中,存在着建筑结构不牢固、承重墙不符合标准等问题。
这些问题的存在增加了住宅建筑的风险,容易导致建筑倒塌等事故发生。
因此,对于建筑结构的质量问题,需要加强评估和控制。
其次,住宅工程质量通病还表现在施工工艺方面。
施工工艺是保证住宅工程质量的重要环节,但在实际中存在着施工工艺不规范、施工材料不合格等问题。
这些问题直接影响了住宅工程的使用寿命和安全性。
例如,墙体砌筑中存在缝隙、防水工程不到位等问题,容易导致墙体渗水和结构变形等后果。
因此,加强对施工工艺的质量控制十分重要。
此外,住宅工程质量通病还表现在配套设施方面。
配套设施是住宅工程的重要组成部分,影响着人们的日常生活。
然而,在实际建设中,存在着配套设施不完善、不合理规划等问题。
例如,道路交通不流畅、社区绿化不到位等问题,给居民的出行和环境带来了不便。
因此,要对住宅工程的配套设施进行评估和增强。
针对住宅工程质量通病,我国采取了一系列治理措施。
首先,加强对施工企业的产能和工艺控制,建立健全施工企业考核机制,提高施工质量管理水平。
其次,完善住宅工程质量评估和监管机制,加强对住宅工程质量的监测和检查,及时发现和纠正问题。
此外,加强对住宅工程质量监督机构的建设,提高监督力度和效果。
总之,住宅工程质量通病对人们的生活质量和社会发展都有重要影响。
为此,针对住宅工程质量通病,进行专项治理是必不可少的。
通过加强建筑结构、施工工艺和配套设施等方面的质量控制,可以提高住宅工程的质量,为人们提供安全、舒适的居住环境。
同时,加强对住宅工程质量的评估和监管,能够及时发现和解决问题,从而推动住宅工程质量的持续提升。
住宅工程质量常见问题专项治理评估报告监理单位:(盖章)四川康立项目管理有限责任公司工程名称恒大城四期 59-61# 楼工程结构 /层数地下 2 层/地上30 层建设单位成都市温江区鑫金康置业有限责任公司建筑面积57800m 2施工单位成都市第一建筑工程公司开工日期2013 年 11 月 1日工程地点温江区凤溪大道南段555 号竣工日期墙体裂缝防治、钢筋砼现浇楼板裂缝防治、楼地面渗漏防治、门窗渗漏防治、防治项目屋面渗漏防治、水暖安装工程质量通病防治、电气工程质量通病治理、避雷工程质完成情况量、室内标高和几何尺寸控制等防治项目均已完成,符合要求。
审查施工单位提交的《住宅工程质量常见问题专项治理技术方案》,在监理规划和细则中列入具体要求和监控措施。
认真做好隐蔽工程和工序质量的验收,上道主要监理措施工序不合格时,不允许进入下一工序施工。
配备常规的便携式检测仪器,加强对工程质量的平行检验,发现问题及时处理。
事前、事中、事后控制,加强事前控制。
采用巡视、平行检验方式,重点旁站。
对钢筋混凝土现浇板施工时进行全面检查,层层墙体防裂逐块检查,整体门窗防渗漏质量进行跟踪检查,楼地面防渗漏对每个有防水房间地面以及各种管道根部平行检验内容严格按要求检查,进行 3 次蓄水试验,对屋面进行两次以上淋水试验,对外墙的孔及结果洞进行隐蔽验收,粉刷层分层检查确保无空鼓,无裂纹、无渗漏,做好有关记录,检验结果符合要求。
本工程质量通病防治,符合《温江区住宅工程质量常见问题专项治理工作实施防治成果细则》要求,同意进行验收。
评价备注总监理工程师:年月日1住宅工程质量常见问题专项治理任务书成都市第一建筑工程公司(施工单位):由你公司承建的恒大城四期59-61# 楼工程,以下内容列入质量常见问题专项治理计划,具体项目如下:一、地下室混凝土开裂二、钢筋混凝土现浇楼板开裂三、填充墙裂缝四、墙面抹灰裂缝五、外墙开裂、渗漏六、有防水要求的房间地面渗漏七、屋面渗漏八、排水管道水封设置不合理,地漏水封深度不够九、开关、插座位置不满足使用功能或存在安全隐患十、供配电系统配线不规范十一、户内配电箱电气元件设置不规范十二、户内给水管道楼板上暗埋方式设计不合理请参照《温江区住宅工程质量常见问题专项治理工作实施细则》的要求,认真编制上述项目的《住宅工程质量常见问题专项治理技术方案》,经项目总监理工程师审查后,于年月日前报我单位批准。
工程常见质量问题专项治理评估报告摘要:1. 概述1.1 评估目的1.2 评估范围1.3 评估方法2. 工程常见质量问题分析2.1 施工过程中的质量问题2.2 设计方面的质量问题2.3 材料选用与管理问题3. 专项治理建议3.1 加强施工监理3.2 建立完善的质量管理体系3.3 加强材料选用与管理4. 结语1.概述1.1 评估目的本次评估的主要目的是对工程常见质量问题进行全面的分析和评估,找出存在的问题和隐患,并提出相应的专项治理建议,以期提高工程质量,确保工程安全和可持续发展。
1.2 评估范围本次评估主要涉及建筑工程、桥梁工程、道路工程等方面的质量问题,主要分析工程施工中常见的质量问题及其成因。
1.3 评估方法评估过程主要采用实地调研、文献资料分析、专家访谈等方法,全面收集和分析有关工程质量问题的信息和数据,并依据相关标准和规范进行评估。
2.工程常见质量问题分析2.1 施工过程中的质量问题在施工过程中,常见的质量问题包括施工质量不达标、工艺流程不规范、施工人员技术水平不高等。
在混凝土浇筑过程中,施工人员未能按照标准要求进行浇筑,导致混凝土强度不达标;在砌筑工程中,出现砖缝不垂直、砌筑层次不齐等问题;在钢结构施工中,焊接工艺不规范导致焊缝质量差等。
2.2 设计方面的质量问题在工程设计阶段,常见的质量问题包括设计图纸错误、计算不准确、设计方案不合理等。
在建筑结构设计中,常见的问题包括设计荷载计算不合理导致结构不稳定;在桥梁设计中,常见的问题包括桥梁梁板设计厚度不足、桥墩尺寸计算错误等。
2.3 材料选用与管理问题在工程建设过程中,材料选用与管理也是影响工程质量的重要因素。
常见的问题包括材料质量不达标、材料使用不当等。
在钢筋使用过程中,存在钢筋质量不达标、储存条件不合理等问题;在混凝土配合比设计中,存在配合比计算不准确、原材料质量不达标等问题。
3. 专项治理建议3.1 加强施工监理针对施工过程中的质量问题,应加强施工监理,确保施工质量达标。
住宅工程质量常见问题专项治理评估报告
YKK standardization office【 YKK5AB- YKK08- YKK2C- YKK18】
住宅工程质量常见问题专项治理评估报告监理单位:(盖章)四川康立项目管理有限责任公司
成都市第一建筑工程公司(施工单位):
由你公司承建的恒大城四期59-61#楼工程,以下内容列入质量常见问题专项治理计划,具体项目如下:
一、地下室混凝土开裂
二、钢筋混凝土现浇楼板开裂
三、填充墙裂缝
四、墙面抹灰裂缝
五、外墙开裂、渗漏
六、有防水要求的房间地面渗漏
七、屋面渗漏
八、排水管道水封设置不合理,地漏水封深度不够
九、开关、插座位置不满足使用功能或存在安全隐患
十、供配电系统配线不规范
十一、户内配电箱电气元件设置不规范
十二、户内给水管道楼板上暗埋方式设计不合理
请参照《温江区住宅工程质量常见问题专项治理工作实施细则》的要求,认真编制上述项目的《住宅工程质量常见问题专项治理技术方案》,经项目总监理工程师审查后,于年月日前报我单位批准。
成都市温江区鑫金康置业有限责任公司(建设单位章)
年月日
住宅工程质量常见问题专项治理自评报告施工单位:(盖章)成都市第一建筑工程公司。
住宅工程质量通病专项治理自评报告一、项目背景近年来,住宅工程质量问题频频出现,给人民群众的生活质量和安全构成了严重威胁。
为了解决住宅工程质量问题,我国政府决定开展住宅工程质量通病专项治理工作。
本报告旨在对我所参与的住宅工程质量通病专项治理工作进行自我评估。
二、项目目标1.提升住宅工程的设计水平,确保其结构安全;2.改善住宅工程施工过程的管理,减少质量问题的发生;3.加强对住宅工程监理的监管,保证工程按照设计要求施工;4.建立完善的住宅工程质量评估体系,进行定期评估和整改。
三、项目内容和工作进展1.设计水平提升工作我们组织了一批专业技术人员进行住宅工程设计水平的培训和提升工作。
培训内容包括建筑结构设计、给排水系统设计、电气系统设计等方面的内容。
通过培训,我们提高了设计人员的专业素质和设计水平。
2.施工过程管理改进工作我们加强了对住宅工程施工过程的监管和管理,建立了工地巡查制度,并加大了对施工单位的日常监管力度。
同时,我们加强了对施工人员的培训,提高了他们的技术水平和安全意识。
通过这些措施,我们有效地减少了施工过程中出现的质量问题。
3.监理监管加强工作我们对住宅工程监理进行了规范和强化,建立了监理工作评估体系,并制定了相应的监理工作规范。
同时,我们加大了对监理单位的日常监管力度,确保监理工作按照要求进行,发现和解决施工过程中的问题。
4.质量评估和整改工作我们建立了住宅工程质量评估体系,对已完成的住宅工程进行了评估。
通过评估,我们发现了一些问题,并及时进行了整改。
评估体系不仅能发现质量问题,还能为今后的住宅工程建设提供经验和教训。
四、项目效果评估通过我们的努力,住宅工程质量得到了明显的提高。
项目实施前后,住宅工程质量问题的发生率明显降低,人民群众的生活安全得到了有效的保障。
同时,住宅工程的整体设计水平也得到了提升,建筑结构更加坚固耐用,给排水系统和电气系统的安全性也得到了大幅提升。
五、存在的问题和改进措施在住宅工程质量通病专项治理过程中,我们也存在一些问题1.人员培训不够到位:我们的人员培训是有限的,很多地方还没有覆盖到。
住宅工程质量常见问题专项治理评估报告监理单位:(盖章)四川康立项目管理有限责任公司
工程名称恒大城四期59-61#楼工程结构/层
数
地下2层/地上30层
建设单位成都市温江区鑫金康置业有限责任公司建筑面积 2
57800m
施工单位成都市第一建筑工程公司开工日期2013年11月1日工程地点温江区凤溪大道南段555号竣工日期
防治项目完成情况
墙体裂缝防治、钢筋砼现浇楼板裂缝防治、楼地面渗漏防治、门窗渗漏防治、屋面渗漏防治、水暖安装工程质量通病防治、电气工程质量通病治理、避雷工程质量、室内标高和几何尺寸控制等防治项目均已完成,符合要求。
主要监理措施
审查施工单位提交的《住宅工程质量常见问题专项治理技术方案》,在监理规划和细则中列入具体要求和监控措施。
认真做好隐蔽工程和工序质量的验收,上道工序不合格时,不允许进入下一工序施工。
配备常规的便携式检测仪器,加强对工程质量的平行检验,发现问题及时处理。
事前、事中、事后控制,加强事前控制。
采用巡视、平行检验方式,重点旁站。
平行检验内容及结果
对钢筋混凝土现浇板施工时进行全面检查,层层墙体防裂逐块检查,整体门窗防渗漏质量进行跟踪检查,楼地面防渗漏对每个有防水房间地面以及各种管道根部严格按要求检查,进行3次蓄水试验,对屋面进行两次以上淋水试验,对外墙的孔洞进行隐蔽验收,粉刷层分层检查确保无空鼓,无裂纹、无渗漏,做好有关记录,检验结果符合要求。
防治成果评价
本工程质量通病防治,符合《温江区住宅工程质量常见问题专项治理工作实施细则》要求,同意进行验收。
备注
总监理工程师:
住宅工程质量常见问题专项治理任务书
成都市第一建筑工程公司(施工单位):
由你公司承建的恒大城四期59-61#楼工程,以下内容列入质量常见问题专项治理计划,具体项目如下:
一、地下室混凝土开裂
二、钢筋混凝土现浇楼板开裂
三、填充墙裂缝
四、墙面抹灰裂缝
五、外墙开裂、渗漏
六、有防水要求的房间地面渗漏
七、屋面渗漏
八、排水管道水封设置不合理,地漏水封深度不够
九、开关、插座位置不满足使用功能或存在安全隐患
十、供配电系统配线不规范
十一、户内配电箱电气元件设置不规范
十二、户内给水管道楼板上暗埋方式设计不合理
请参照《温江区住宅工程质量常见问题专项治理工作实施细则》的要求,认真编制上述项目的《住宅工程质量常见问题专项治理技术方案》,经项目总监理工程师审查后,于____ 年____ 月____ 日前报我单位批准。
成都市温江区鑫金康置业有限责任公司(建设单位章)
____ 年____ 月—日
住宅工程质量常见问题专项治理自评报告。