临时用电验收记录表
- 格式:doc
- 大小:72.00 KB
- 文档页数:6
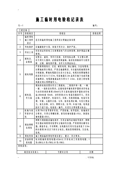
施工临时用电验收记录表施工临时用电验收记录表XXX编号:单位名称序号工程名称验收结果验收项目验收内容1 XXX 飞龙新苑18#、19#房是否按临时用电施工组织设计要求实施总体布置。
临时用电外电防护应编制防护方案,审批手续齐全、防护严密。
2 持证上岗持有效证件的电工从事现场电气作业和管理,防护用品正确使用。
配电室、总配箱室内整洁、通风、外开门有锁,有停电标志牌、安全警示牌,有专用灭火器材。
总配箱四周通畅,箱内设电源隔离开关及短路、过载、漏电保护器,各开关有用途标记。
3 严禁使用绝缘差、老化、破皮电线,防止漏电。
五蕊电缆线,应埋地或架空敷设,严禁沿地面明设,并应避免机械损伤和介质腐蚀,埋地电缆电路径应设防卫标志。
电缆直接埋地敷设的深度不应小于0.7m,引出地面从2 m高度至地下0.2 m处,必须架设防护套管。
架空电缆严禁沿脚手架、树木或其他设施敷设,电缆距地面高度不得小于2.5m。
在建工程内电缆线路必须采用埋地引入。
4 现场的电箱设置应符合“三级配电、二级保护”和“一机、一闸、一漏、一箱”的基本要求。
总配电箱中漏电保护器的动作电流与动作时间的乘积≤30mA.S,开关箱中漏电保护器的动作电流≤30mA.S(或15mA),动作时间<0.1s。
电箱内有隔离开关,具有过载、短路保护,电箱有门、有锁、有防雨措施;电箱安装位置适当,箱内无杂物,动力、照明分设,有PE、N端子板,电线进出应下进下出;电箱统一编号,并设安全用电警示标志。
5 采用TN-S接零保护系统,严禁接地、接零混接,接地体符合要求,不得采用螺纹钢,重复接地电阻值≤10Ω,防雷接地电阻值≤30Ω。
照明专用回路设漏电保护,灯具金属外必须接零保护,照明变压器必须使用双绕组型安全隔离变压器,严禁使用自耦变压器。
潮湿作业、手持照明、室内线路及灯具安装高度低于2.5m的应使用36伏以下的安全电压。
现场禁用硬塑线、互套线、花线。
6 施工现场临时用电档案应建立、健全,符合要求。
施工现场临时用电验收表接地电阻测试记录表注:1、接地电阻应定期(每月一次)进行测试。
2、测试人为电工、监测人可以是安全员或机管员。
3、工作接地指变压器中性点直接接地。
4、重复接地不少于三处(始端、中间、末端)。
接地电阻测试记录表注:1、接地电阻应定期(每月一次)进行测试。
2、测试人为电工、监测人可以是安全员或机管员。
3、工作接地指变压器中性点直接接地。
4、重复接地不少于三处(始端、中间、末端)。
接地电阻测试记录表注:1、接地电阻应定期(每月一次)进行测试。
2、测试人为电工、监测人可以是安全员或机管员。
3、工作接地指变压器中性点直接接地。
4、重复接地不少于三处(始端、中间、末端)。
接地电阻测试记录表注:1、接地电阻应定期(每月一次)进行测试。
2、测试人为电工、监测人可以是安全员或机管员。
3、工作接地指变压器中性点直接接地。
4、重复接地不少于三处(始端、中间、末端)。
接地电阻测试记录表注:1、接地电阻应定期(每月一次)进行测试。
2、测试人为电工、监测人可以是安全员或机管员。
3、工作接地指变压器中性点直接接地。
4、重复接地不少于三处(始端、中间、末端)。
注:1、此表为一台漏电保护器使用一张,作为其运行测试记录。
2、漏电保护器测试按照说明书有关要求进行,测试(每周至少一次)。
3、测试人为电工,监测人可以是安全员或机管员。
注:1、此表为一台漏电保护器使用一张,作为其运行测试记录。
2、漏电保护器测试按照说明书有关要求进行,测试(每周至少一次)。
3、测试人为电工,监测人可以是安全员或机管员。
注:1、此表为一台漏电保护器使用一张,作为其运行测试记录。
2、漏电保护器测试按照说明书有关要求进行,测试(每周至少一次)。
3、测试人为电工,监测人可以是安全员或机管员。
表:8—7—1注:1、此表为一合用电设备使用一张,作为其测试记录。
2、按设备产品使用说明书和有关规范的要求定期(每季度至少一次)对其绝缘电阻进行测试。
3、测试人为电工,监测人可以是安全员或机管员。
临时用电验收记录表
检查类型:
注:验收栏目内有数据的,在验收栏目内填写实测数据,无数据用文字说明。
临时用电安全检查记录表
安4-1 检查类型:
纠正和预防措施(事故隐患处理)
记录表
安4-2
填表人:填表日
期:03.3.11
接地电阻测验记录表
测验负责人:检测人员:安全员:
绝缘电阻测验记录表
编号:
注:施工现场移动用具及手持电动工具应半年检测一次。
测试合格后贴上标签,方可使用。
检测负责人:检测员:安全员:年月日
电工巡视(维修)工作记录表
注:巡视维修中应将对漏电保护器的检查填入表内。
安全用电设施交接验收记录
安5-4
施工机具验收记录表
注:验收栏目内有数据的,应填写实测数据,无数据用简单文字说明。
施工临时用电验收记录表
安--1 编号:
施工机具验收记录表
安—2 编号:
基坑支护安全防护验收记录表
安--3 编号:
文明施工验收记录表
落地式钢管脚手架搭设验收记录表
悬挑式脚手架验收记录表
附着式脚手架资料检查、主要技术参数记录表
编号:
安-7-1
附着式脚手架(升、降)验收记录表
附着式脚手架(升、降)验收记录表安-7-2续表编号:
模板工程安全验收记录表
安全防护验收记录表
塔式起重机验收记录表
安--10 编号:
物料提升机井架(龙门架)验收记录表
施工电梯安装验收记录表
安--12 编号:
悬挂式钢平台验收记录表
桩工机械验收记录表
安--14 编号:
文明施工验收记录表
脚手架验收(检查)记录表工程名称:中牟县盛和社区2#地块
脚手架类型:搭设部位:年月日
项目经理:项目技术负责人:施工员:安全员:监理工程师:使用责任人:。
施工临时用电验收记录表护器动作灵敏、接地保护可靠;电缆线路应整齐有序,不得有交叉、绕弯、挤压现象;电缆线路应埋设或架空敷设,不得沿地面明设,应避免机械损伤和介质腐蚀,埋地电缆路径应设方位标志,电缆距地面高度不得小于2m。
现场电箱应符合三级配电、二级保护和一机、一闸、一漏、一箱的基本要求。
总配电箱中漏电保护器的动作电流与动作时间的乘积应小于30mA·S,开关箱电漏电保护器的动作电流不得超过30mA(或15mA),动作时间应小于0.1s。
电箱内应有隔离开关,具有过载、短路保护,电箱有门,有锁,有防雨措施,电箱安装规范、牢固,元器件合格、完好,熔丝选用正确,安装位置适当,箱内无杂物,动力、照明分设,有PE、N端子板,电线进出应下进下出;电箱统一编号,并设安全用电警示标志。
采用TN-S接零保护系统,严禁接地。
接零混接,接地体符合要求,不得采用螺纹钢,重复接地电阻值应小于10Ω,防雷接地电阻值应小于30Ω。
照明专用回路设漏电保护,灯具金属外必须接零保护,照明变压器必须使用双饶型安全隔离变压器,严禁使用自耦变压器。
施工现场临时用电档案应建立、健全、符合要求。
电动机械的绝缘电阻应大于1MΩ;手持电动工具绝缘电阻,I类应大于2MΩ,II类应大于7MΩ,III类应大于1MΩ。
以上为施工临时用电验收记录表和施工机具验收记录表的验收项目和要求,现场应按照要求进行检查和验收,确保施工现场临时用电和机具的安全可靠。
施工机械进场验收及作业管理6基坑作业安全防护措施7基坑内作业安全措施验收意见:基坑支护工程符合设计要求,坑槽边坡符合要求,荷载与坑槽上部边缘距离不小于规定值。
基坑支护设置有效的排水措施,防止坑外水流入基坑中冲刷坑壁。
基坑支护进行变形监测,发现支护产生局部变形及时采取措施,对临近建筑、重要管线和道路进行沉降观测。
施工机械进场验收合格,司机持证上岗,开挖程序、作业位置有方案,开挖区域设警戒标志,专人看护。
施工现场临时用电检查验收用表
1、施工现场施工用电检查评分表(表SA-C1-13)
2、施工现场施工临时用电验收表(表SA-C6-1)
3、施工现场电气线路绝缘强度测试记录表(表SA-C6-2)
4、施工现场临时用电接地电阻测试记录表(表SA-C6-3)
5、施工现场电工巡检维修记录(表SA-C6-4)
施工现场施工用电检查评分表
表SA-C1-13
工程名称:施工单位:
续表SA-C1-13
检查员签字:年月日
施工现场施工临时用电验收表
表SA-C6-1
工程名称:施工单位:编号:
续表SA-C6-1
注:本表由施工单位填写,监理单位、施工单位各存一份。
施工现场电气线路绝缘强度测试记录表
表SA-C6-2
工程名称:施工单位:编号:
注:1 本表由施工单位填写,建设单位、施工单位各存一份;
2 本表适用于单相、单相三线、三相四线制、三相五线制的照明、动力线路及电缆线路、电机、设备电器等绝缘电阻的测试;
3 表中A代表第一相、B代表第二相、C代表第三相、N代表零线(中性线)、E代表接地线。
施工现场临时用电接地电阻测试记录表
表SA-C6-3
工程名称:施工单位:编号:
注:本表由施工单位填写,监理单位、施工单位各存一份。
封面
施工现场电工巡检维修记录
(年月日~年月日)
表SA-C6-4
工程名称:
施工单位:
施工现场电工巡检维修记录
表SA-C6-4
工程名称:施工单位:编号:
续表SA-C6-4
注:本表由施工单位填写,施工单位存放。
施工现场临时用电验收表注:1、检查栏目内有数据的,在检查栏目内填写实测数据,无数据用文字说明。
2、方案编制人填写结论意见。
施工现场临时用电验收表安14-5临时用电验收记录表单位名称XX工程有限公司工程名称XX工程检查人及验收人员序号验收项目验收内容结果1 临时用电施工组织设计是否按临时施工用电组织设计要求实施总体布设。
按方案布置2 工地临近高压线防护应编制防护架方案,审批手续齐全,防护严密无高压线3 支线架设配电箱引入引出线要采用套管和横担;进出电线要排列整齐、匹配合理;严禁使用绝缘差、老化、破皮电线、防止漏电;应采用绝缘子固定、并架空敷设;线路过道要有可靠的保护;线路直接埋地,敷设深度不小于0.6m,引出地面从2m高度至地下0.2m处,必须架设防护套管。
未采用套管电线排列整齐线完好电缆线沿墙绝缘固定,离地2.5m以上4 现场照明手持照明灯应使用36V以下安全电压;危险场所使用36V安全电压、特别危险场采用12V;照明导线应固定在绝缘子上;现场照明灯要用绝缘橡套电缆,生活照明采用护套绝缘导线;照明线路及灯具距地面不能小于规定距离,严禁使用电炉;防止电线绝缘差、老化、破皮、漏电、严禁用碘钨灯取暖。
36V照明导线采用架空,均采用三蕊电缆生活区2.5mm2护套线穿管架设5 架设低压干线不准采用竹质电杆,电杆应设横担和绝缘子;电线不能架设在脚手架或树上等处;架空线离地按规定有足够的高度。
镀锌横担,蝶式绝缘子高度离地5m6 电箱配电箱配电箱制作要统一,做到有色标,有编号;电箱制作要内外油漆,有防雨措施,门锁齐全;金属电箱外壳要有接地保护,箱内电气装置齐全可靠;线路、位置安装要合理、有地排、零牌,电线进出应下进下出。
色标全,编号缺个别门锁损坏箱内电气装置齐全,接线正确。
7 开关箱熔丝开关箱要符合一机一闸一保险,箱内无杂物、不积灰;配电箱与开关箱之间距离30m左右,用电设备与开关箱超过3m应加随机开关,配电箱的下沿离地面不小于1.2m箱内严禁动力、照明混用;严禁用其它金属代替熔丝,熔丝安装要合理。
施工现场临时用电验收记录一、施工现场基本信息:项目名称:施工单位:验收日期:二、施工现场临时用电情况:1.用电设备的名称及型号:(例:电焊机、电钻等)2.用电设备的数量:(例:电焊机3台、电钻5台等)3.电气线路布局图:请提供电气线路布局图,并对线路进行清晰标注。
4.电器设备安装位置及固定情况:请详细描述每个用电设备的安装位置,并说明是否固定牢固。
5.电缆敷设情况:请描述电缆敷设的路径、方式以及是否经过保护措施等。
6.用电设备接地情况:请描述每个用电设备的接地方式及是否符合相关标准。
7.用电设备运行情况:请描述每个用电设备的运行状态,是否正常运行,是否存在异常现象。
8.临时用电箱情况:请描述临时用电箱的安装位置、定位标识,并说明是否符合相关要求。
三、安全验收情况:1.用电设备线路是否有明显的漏电现象:请检查用电设备线路是否有漏电情况,是否存在明显的触电风险。
2.用电设备的保护措施:请检查用电设备是否有相应的过载保护、漏电保护等措施。
3.用电设备的接地情况验收:请检查每个用电设备的接地情况是否符合相关标准。
4.临时用电箱的配电保护措施:请检查临时用电箱是否设置了漏电保护器、断路器等保护设备。
5.临时用电箱与用电设备之间的线路连接是否合理:请检查临时用电箱与用电设备之间的线路连接是否牢固、合理。
6.临时用电箱是否密封完好:请检查临时用电箱的外壳是否损坏,是否存在暴雨渗水风险。
7.安全警示标识的设置情况:请检查施工现场是否设置了相应的安全警示标识,是否清晰可见。
四、存在的问题及整改意见:1.(例:电器设备存在接地不良的问题,应立即整改)五、施工现场临时用电验收意见:1.一致同意使用临时电源进行施工作业;2.同意使用临时用电设备并认可其安装和运行情况;3.对存在的问题提出整改意见,并要求施工单位立即进行整改。
六、施工单位签字确认:项目负责人签字:施工现场负责人签字:七、建设单位签字确认:建设单位签字:建设单位评审人签字:。
临时用电安全验收表1. 验收目的本验收表用于确认临时用电设备的安全性,以确保工地或活动场所能够正常、安全地使用临时用电。
2. 验收范围本次验收的范围包括但不限于以下内容:- 临时用电设备的安装是否符合相关规范和要求;- 电缆线路是否正确敷设并保护良好;- 过载保护装置是否有效并符合要求;- 接地保护装置是否完好可靠;- 电气设备的接线是否正确。
3. 验收流程步骤一:前期准备- 验收人员组成:验收人员应包括电工、安全管理人员等相关专业人员。
- 准备验收工具:验收所需的工具和设备,如测试仪器、电笔等。
步骤二:现场检查1. 检查临时用电设备的安装情况,确认是否符合规范和要求。
2. 检查电缆线路的敷设情况,确认是否正确、牢固,并有必要的保护措施。
3. 检查过载保护装置的设置,确认是否符合要求,并进行相应的测试。
4. 检查接地保护装置的完整性和可靠性,并进行必要的测试。
5. 检查电气设备的接线情况,确认是否正确、牢固,并进行必要的测试。
步骤三:验收记录- 在验收过程中,对每项检查内容进行记录,包括检查结果、存在的问题、处理意见等。
- 如发现存在的问题,应及时提出整改要求,并在记录中备注。
4. 验收结果与意见验收结果根据本次验收的情况,确认临时用电设备的安全性,判断是否符合规范和要求。
意见与建议基于本次验收的结果,给出必要的意见和建议,如存在问题的整改措施、进一步加强安全管理等。
5. 验收人员签名- 验收人员应在验收记录中签名确认。
- 如有需要,可以附上相关人员的联系方式。
6. 验收日期本次验收的日期应在验收记录中标明。
以上为临时用电安全验收表的内容,请在实际使用中根据具体情况进行调整和完善。