工程竣工预验收表
- 格式:pdf
- 大小:101.47 KB
- 文档页数:7
建设单位对工程质量的评价:
单位(项目)负责人签字:(公章)
年月日
设计单位对工程质量的评价:
单位(项目)负责人签字:(公章)
年月日
施工单位对工程质量的评价:
单位(项目)负责人签字:(公章)
年月日
监理单位对工程质量的评价:
单位(项目)负责人签字:(公章)
年月日
工程竣工验收的意见:
该工程建设单位组织设计、施工、监理单位组成的验收组共同检查,认为满足设计要求,符合国家规范及标准要求。
质量等级:
工程竣工验收结论:符合质量标准,备案后同意使用。
工程竣工验收组成员名单
年月日。
JZL10*:工程竣工预验收申请表工程竣工预验收申请表工程名称:国网电科院电力试验研究基地试验用房工程编号:001注 1. 本表一式___份,由监理项目部填写,业主项目部存一份、监理项目部存___份。
2. 竣工验收前,由监理项目部填报,业主项目部、建设管理单位审批。
国网电科院电力试验研究基地试验用房工程监理初检报告国网电科院电力试验研究基地试验用房工程监理项目部_______年_______月JZL12:工程质量评估报告国网电科院电力试验研究基地试验用房工程质量评估报告国网电科院电力试验研究基地试验用房工程监理项目部_______年_______月批准:年月日审核:年月日编写:年月日目录1 工程项目概况 .......................... 错误!未定义书签。
2 工程各参建单位 (1)3 施工过程质量控制综述 (1)4 工程质量监理控制概述 (2)5 工程质量评估结论 (3)1 工程概况站址:位于河南新密市西站约1.7公里,用地为矩形,整个场地地形较平坦,无较大高差变化。
交通利便,地理环境优越。
建筑结构试验楼设计规模为地上三层,建筑面积为4980平方米的公共建筑。
主楼采用全现浇框架结构,地上三层。
结构采用整体现浇钢筋混凝土框架结构体系,砌体填充墙以拉接筋及主体结构可靠连接,其他非结构构件也均采用可靠的连接方式及主体结构连接。
2 工程各参建单位建设单位:国网河南电力公司电力科学研究院设计单位:河南省纺织建筑设计院有限公司监理单位:河南省电力勘测设计院土建单位:河南宝鼎建设工程有限公司项目监管单位:新密市工程建设质量监督站、郑州电力质监中心站3 施工过程质量控制综述3.1审查施工项目部项目管理机构设置及人员配备,满足施工管理要求;质量管理体系、质量保证体系完善,运行有效。
3.2审查施工项目部报送的项目管理实施规划及施工方案的可行性、可靠性,实施过程中严格按审定的项目管理实施规划、施工方案执行。
项目工程竣工预验收报验表
一、基本信息
二、项目概况
根据合同要求,项目工程已完成施工。
现申请进行竣工预验收,下面是项目的基本概况:
三、工程质量情况
四、安全生产情况
在施工过程中,我们始终注重安全生产,并严格按照相关法规和标准进行操作。
以下是项目的安全生产情况:
五、项目经费使用情况
请提供项目经费使用情况的详细说明。
六、项目竣工验收意见
根据对项目工程的预验收情况,我们提出如下竣工验收意见:
1. 工程质量达到设计要求。
2. 安全生产工作得到有效执行。
3. 项目经费使用合理。
七、预验收意见
请根据对项目工程的预验收情况,提出预验收意见。
八、附件清单
请在此列出所有相关的附件。
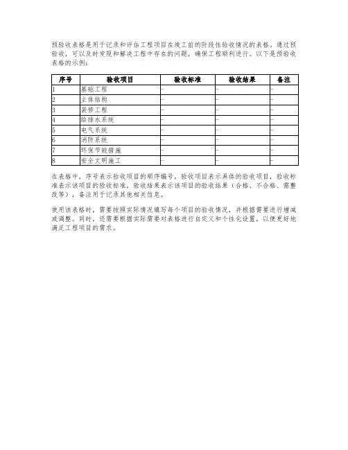
预验收表格是用于记录和评估工程项目在竣工前的阶段性验收情况的表格。
通过预验收,可以及时发现和解决工程中存在的问题,确保工程顺利进行。
以下是预验收表格的示例:
在表格中,序号表示验收项目的顺序编号,验收项目表示具体的验收项目,验收标准表示该项目的验收标准,验收结果表示该项目的验收结果(合格、不合格、需整改等),备注用于记录其他相关信息。
使用该表格时,需要按照实际情况填写每个项目的验收情况,并根据需要进行增减或调整。
同时,还需要根据实际需要对表格进行自定义和个性化设置,以便更好地满足工程项目的需求。
工程竣工预验收申请表
表号:DJB-B8
本表一式__份,由项目监理部填报,建设管理单位存一份,项目监理部存__份
填写、使用说明:
1、竣工验收报告需采用红头文件,主送、抄送单位均按合同甲、乙方名称,并盖
公司红章;
2、竣工验收申请单上,承包单位(章)盖公司章;
3、项目监理部审查意见:
经竣工预验收及其存在问题整改消缺、复查,该工程是否符合现行法律、法规要求;是否符合现行工程建设标准;是否符合设计文件要求;是否符合施工合同要求。
根据该工程竣工初步验收情况签署是否同意组织正式竣工验收,请建设管理单位批准。