拆除工程工程量计算
- 格式:docx
- 大小:74.40 KB
- 文档页数:7
拆除工程的工程量计算 SANY GROUP system office room 【SANYUA16H-
拆除工程的工程量计算规则
一、屋面拆除
(一)瓦屋面、柔性屋面防水、刚性屋面防水、屋面保温层按实拆面积以“m2”计算。
(二)白铁天沟、檐沟泛水按实际拆除长度以“m”计算。
(三)各种水落管拆除按其垂直长度以“m”计算。
二、屋架拆除
(一)拆除普通人字屋架、中式屋架按不同跨度以“榀”计算。
(二)檩木、椽子、木梁拆除不分长短以“根”计算。
三、墙体拆除
(一)各种墙体的拆除按实拆墙体的体积以“m3”计算。
抹灰及镶贴块料面层与墙体同时拆除时,其体积并入墙体体积内。
(二)木龙骨架墙、轻钢龙骨架墙按实拆面积以“m2”计算。
四、混凝土及钢筋混凝土拆除
(一)混凝土及钢筋混凝土的拆除按实拆体积以“m3”计算。
(二)钢筋混凝土楼梯、楼板、阳台雨篷拆除实拆按水平投影面积以“m2”计算。
(三)钢筋混凝土栏板拆除以延长米计算。
五、门窗拆除
(一)门窗拆除按门窗洞口面积以“m2”计算。
(二)木天窗的拆除按“座”计算。
六、天棚拆除
天棚拆除按水平投影面积以“m2”计算,不扣除室内柱子所占的面积。
七、墙面拆除
墙面拆除按拆除面积以“m2”计算。
八、地面及基础拆除
(一)地面拆除按水平投影面积以“m2”计算。
(二)切割机地面切缝按切缝长度以“m”计算。
(三)基础拆除按实拆基础的体积以“m3”计算。
九、其他拆除
石砌明(暗)沟拆除按实拆体积以“m3”计算。
整理文档
拆除工程的工程量计算规则
一、屋面拆除
(一)瓦屋面、柔性屋面防水、刚性屋面防水、屋面保温层按实拆面积以“m2”计算。
(二)白铁天沟、檐沟泛水按实际拆除长度以“m”计算。
(三)各种水落管拆除按其垂直长度以“m”计算。
二、屋架拆除
(一)拆除普通人字屋架、中式屋架按不同跨度以“榀”计算。
(二)檩木、椽子、木梁拆除不分长短以“根”计算。
三、墙体拆除
(一)各种墙体的拆除按实拆墙体的体积以“m3”计算。
抹灰及镶贴块料面层与墙体同时拆除时,其体积并入墙体体积内。
(二)木龙骨架墙、轻钢龙骨架墙按实拆面积以“m2”计算。
四、混凝土及钢筋混凝土拆除
(一)混凝土及钢筋混凝土的拆除按实拆体积以“m3”计算。
(二)钢筋混凝土楼梯、楼板、阳台雨篷拆除实拆按水平投影面积以“m2”计算。
(三)钢筋混凝土栏板拆除以延长米计算。
五、门窗拆除
(一)门窗拆除按门窗洞口面积以“m2”计算。
(二)木天窗的拆除按“座”计算。
六、天棚拆除
天棚拆除按水平投影面积以“m2”计算,不扣除室内柱子所占的面积。
七、墙面拆除
墙面拆除按拆除面积以“m2”计算。
八、地面及基础拆除
(一)地面拆除按水平投影面积以“m2”计算。
(二)切割机地面切缝按切缝长度以“m”计算。
(三)基础拆除按实拆基础的体积以“m3”计算。
九、其他拆除
石砌明(暗)沟拆除按实拆体积以“m3”计算。
本文档部分内容来源于网络,如有内容侵权请告知删除,感谢您的配合!
.。
拆除工程的工程量计算规则
一、屋面拆除
(一)瓦屋面、柔性屋面防水、刚性屋面防水、屋面保温层按实拆面积以“m2”计算。
(二)白铁天沟、檐沟泛水按实际拆除长度以“m”计算。
(三)各种水落管拆除按其垂直长度以“m”计算。
二、屋架拆除
(一)拆除普通人字屋架、中式屋架按不同跨度以“榀”计算。
(二)檩木、椽子、木梁拆除不分长短以“根”计算。
三、墙体拆除
(一)各种墙体的拆除按实拆墙体的体积以“m3”计算。
抹灰及镶贴块料面层与墙体同时拆除时,其体积并入墙体体积内。
(二)木龙骨架墙、轻钢龙骨架墙按实拆面积以“m2”计算。
四、混凝土及钢筋混凝土拆除
(一)混凝土及钢筋混凝土的拆除按实拆体积以“m3”计算。
(二)钢筋混凝土楼梯、楼板、阳台雨篷拆除实拆按水平投影面积以“m2”计算。
(三)钢筋混凝土栏板拆除以延长米计算。
五、门窗拆除
(一)门窗拆除按门窗洞口面积以“m2”计算。
(二)木天窗的拆除按“座”计算。
六、天棚拆除
天棚拆除按水平投影面积以“m2”计算,不扣除室内柱子所占的面积。
七、墙面拆除
墙面拆除按拆除面积以“m2”计算。
八、地面及基础拆除
(一)地面拆除按水平投影面积以“m2”计算。
(二)切割机地面切缝按切缝长度以“m”计算。
(三)基础拆除按实拆基础的体积以“m3”计算。
九、其他拆除
石砌明(暗)沟拆除按实拆体积以“m3”计算。
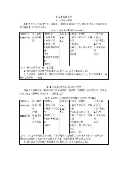
附录R拆除工程R. 1砖砌体拆除砖砌体拆除工程量清单项目的设置、项目特征描述的内容、计量单位及工程量计算规则应按表R. 1的规定执行..表R. 1砖砌体拆除编码:011601R. 2混凝土及钢筋混凝土构件拆除混凝土及钢筋混凝土构件拆除工程量清单项目的设置、项目特征描述的内容、计量单位及工程量计算规则应按表R. 2的规定执行..表R. 2混凝土及钢筋混凝土构件拆除编码:011602R. 3木构件拆除木构件拆除工程量清单项目的设置、项目特征描述的内容、计量.单位及工程量计算规则应按表R. 3的规定执行..表R. 3木构件拆除编码:011603R. 4抹灰层拆除抹灰层拆除工程量清单项目的设置、项目特征描述的内容、计量单位及工程量计算规则应按表R.4 的规定执行..表R. 4抹灰面拆除编码:011604R. 5块料面层拆除块料面层拆除工程量清单项目的设置、项目特征描述的内容、计量单位及工程量计算规则应按表R. 5的规定执行..表R. 5块料面层拆除编码:011605R. 6龙骨及饰面拆除龙骨及饰面拆除工程量清单项目的设置、项目特征描述的内容、计量单位及工程量计算规则应按表R.6的规定执行..表R.龙骨及饰面拆除编码:011606R. 7屋面拆除屋面拆除工程量清单项目的设置、项目特征描述的内容、计量单位及工程量计算规则应按表R. 7的规定执行..表R. 7屋面拆除编码:011607R. 8铲除油漆涂料裱糊面铲除油漆涂料裱糊面工程量清单项目的设置、项目特征描述的内容、计量单位及工程量计算规则应按表R.8的规定执行..表R. 8铲除油漆涂料裱糊面编码:011608R. 9栏杆栏板、轻质隔断隔墙拆除栏杆栏板、轻质隔断隔墙拆除工程量清单项目的设置、项目特征描述的内容、计量单位及工程量计算规则应按表R. 9的规定执行..表R. 9栏杆栏板、轻质隔断隔墙拆除编码:011609R. 10 门窗拆除门窗拆除工程量清单项目的设置、项目特征描述的内容、计量单位及工程量计算规则应按表R. 10的规定执行..表R.10门窗拆除编码:011610R. 11金属构件拆除金属构件拆除工程量清单项目的设置、项目特征描述的内容、计量单位及工程量计算规则应按表R. 11的规定执行..表R.11金属构件拆除编码:011611R. 12管道及卫生洁具拆除管道及卫生洁具拆除工程量清单项目的设置、项目特征描述的内容、计量单位及工程量计算规则应按表R. 12的规定执行.表R. 12管道及卫生洁具拆除编码:011612R.13灯具、玻璃拆除 灯具、玻璃拆除工程量清单项目的设置、项目特征描述的内容、计量单位及工程量计算规则应按表R.13的规定执行..表R. 13灯具、玻璃拆除编码:011613R .14 其他构件拆除其他构件拆除工程量清单项目设置、项目特征描述的内容、计量单位、工程量计算规则应按表R.14执行..R.14 其他构件拆除编码:011614表R.15 开孔打洞开孔打洞工程量清单项目设置、项目特征描述的内容、计量单位、工程量计算规则应按表R.15执行..表R.15 开孔打洞编码:011615。
拆除工程量计算
-标准化文件发布号:(9456-EUATWK-MWUB-WUNN-INNUL-DDQTY-KII
一、拆除工程
拆除工程包括房屋拆除工程和构筑物拆除工程。
(一)房屋拆除工程建筑垃圾量计算
房屋拆除工程建筑垃圾量=建筑面积×单位面积垃圾量
1.建筑面积
(1)尚未拆除房屋的建筑面积按照房产证或拆迁许可证等的证载面积计算,没有证件的房屋按照实测面积计算;(2)已拆除的房屋建筑面积按照测绘管理部门提供或确认的1/500地形图计算;
2.单位面积垃圾量
(1)民用房屋建筑按照每平方米吨计算;有旧物利用的,在考虑综合因素后按结构类型确定为:砖木结构每平方米吨,砖混结构每平方米吨,钢筋混凝土结构每平方米1吨,钢结构每平方米吨。
(2)工业厂房和跨度9米以上的仓储类房屋按结构类型确定为:钢结构每平方米吨,其他按同类结构民用房屋建筑单位面积垃圾量的40-60%。
(二)构筑物拆除工程建筑垃圾量计算
构筑物拆除工程建筑垃圾量按照实际体积计算,每立方米折合垃圾量吨。
拆除工程
说明
一、拆除工程所列子目主要是为建筑物的装饰而设置的,其中包括楼地面拆除、墙体拆除,墙、柱面铲除、天棚铲除、门窗拆除,水、卫、电气照明拆除和其他子目拆除等七部分。
二、拆除工程一般采用手工制作,并考虑了部分机具拆除和拆除物品的外运包装费用以及拆除物品的垂直运输费用。
三、拆除时对建筑物的结构不得造成损坏和隐患。
一般支撑加固、搬运料具、搭拆简易脚架的费用已包括在定额之内。
四、对拆除的材料、构件应力求完整无损,拆除物品运至室外50米以内指定地点分类管理堆放。
五、墙体及各种面层的拆除佣工,除定额子目中注明者外,均已考虑了不同砂浆因素,综合计算在相应定额中。
工程量计算规则
一、楼地面的整体面层、块料面层、木地板面层拆除,墙、柱面铲除及天棚铲除不分厚度,按平方米计算。
独立柱面层铲除,应按结构断面周长乘以柱的高度以平方米计算。
二、墙体拆除,按实体积以立方米计算。
墙体拆除应扣除门、窗洞口、空圈的体积。
三、门、窗拆除的工程量按照不同类别、材质以平方米计算。
卷帘门拆除按洞口高度增加600mm乘以实际宽度计算。
四、水、卫管道、电气照明管线及栏杆、扶手的拆除,其工程量按所除长度以米计算。
卫生洁具、灯具拆除分别以组、套计算。
五、涂料、塑料、油漆面层及墙纸面层与抹灰面层同时拆除时,只计算抹灰面层工程量。
六、装饰面层与墙体同时拆除时,只计算墙体拆除工程量,其墙体厚度应包括装饰面层厚度。
七、楼梯及台阶表面铲除,其工程量计算按水平投影面积乘以1.4系数,套用楼地面拆除相应定额子目。
拆除工程的工程量计算规则
一、屋面拆除
(一)瓦屋面、柔性屋面防水、刚性屋面防水、屋面保温层按实拆面积以“m2”计算。
(二)白铁天沟、檐沟泛水按实际拆除长度以“m”计算。
(三)各种水落管拆除按其垂直长度以“m”计算。
二、屋架拆除
(一)拆除普通人字屋架、中式屋架按不同跨度以“榀”计算。
(二)檩木、椽子、木梁拆除不分长短以“根”计算。
三、墙体拆除
(一)各种墙体的拆除按实拆墙体的体积以“m3”计算。
抹灰及镶贴块料面层与墙体同时拆除时,其体积并入墙体体积内。
(二)木龙骨架墙、轻钢龙骨架墙按实拆面积以“m2”计算。
四、混凝土及钢筋混凝土拆除
(一)混凝土及钢筋混凝土的拆除按实拆体积以“m3”计算。
(二)钢筋混凝土楼梯、楼板、阳台雨篷拆除实拆按水平投影面积以“m2”计算。
(三)钢筋混凝土栏板拆除以延长米计算。
五、门窗拆除
(一)门窗拆除按门窗洞口面积以“m2”计算。
(二)木天窗的拆除按“座”计算。
六、天棚拆除
天棚拆除按水平投影面积以“m2”计算,不扣除室内柱子所占的面积。
七、墙面拆除
墙面拆除按拆除面积以“m2”计算。
八、地面及基础拆除
(一)地面拆除按水平投影面积以“m2”计算。
(二)切割机地面切缝按切缝长度以“m”计算。
(三)基础拆除按实拆基础的体积以“m3”计算。
九、其他拆除
石砌明(暗)沟拆除按实拆体积以“m3”计算。
拆除工程量计算规则
-标准化文件发布号:(9456-EUATWK-MWUB-WUNN-INNUL-DDQTY-KII
拆除工程的工程量计算规则
一、屋面拆除
(一)瓦屋面、柔性屋面防水、刚性屋面防水、屋面保温层按实拆面积以“m2”计算。
(二)白铁天沟、檐沟泛水按实际拆除长度以“m”计算。
(三)各种水落管拆除按其垂直长度以“m”计算。
二、屋架拆除
(一)拆除普通人字屋架、中式屋架按不同跨度以“榀”计算。
(二)檩木、椽子、木梁拆除不分长短以“根”计算。
三、墙体拆除
(一)各种墙体的拆除按实拆墙体的体积以“m3”计算。
抹灰及镶贴块料面层与墙体同时拆除时,其体积并入墙体体积内。
(二)木龙骨架墙、轻钢龙骨架墙按实拆面积以“m2”计算。
四、混凝土及钢筋混凝土拆除
(一)混凝土及钢筋混凝土的拆除按实拆体积以“m3”计算。
(二)钢筋混凝土楼梯、楼板、阳台雨篷拆除实拆按水平投影面积以“m2”计算。
(三)钢筋混凝土栏板拆除以延长米计算。
五、门窗拆除
(一)门窗拆除按门窗洞口面积以“m2”计算。
(二)木天窗的拆除按“座”计算。
六、天棚拆除
天棚拆除按水平投影面积以“m2”计算,不扣除室内柱子所占的面积。
七、墙面拆除
墙面拆除按拆除面积以“m2”计算。
八、地面及基础拆除
(一)地面拆除按水平投影面积以“m2”计算。
(二)切割机地面切缝按切缝长度以“m”计算。
(三)基础拆除按实拆基础的体积以“m3”计算。
九、其他拆除
石砌明(暗)沟拆除按实拆体积以“m3”计算。
拆除工程工程量计算精编拆除工程是指将建筑物或设施进行拆除、清理的工作。
拆除工程的工程量计算是指对拆除工程中的各项工作量进行精确计算和核算。
精确计算和核算工程量可以帮助项目管理者、工程师和财务人员正确评估拆除工程的费用,并为工程的组织、管理和经济决策提供依据。
以下是拆除工程工程量计算的相关内容。
一、拆除工程的基本构成拆除工程的工程量可以从以下几个方面进行计算:1.建筑物结构拆除:包括墙体的拆除、屋面的拆除、地板的拆除等。
根据建筑物的类型和结构材料的不同,可以拆除的结构也有所不同。
2.室内装修拆除:包括室内墙面的拆除、天花板的拆除、地面的拆除等。
3.设备设施拆除:包括设备的拆除、管道的拆除、设施的拆除等。
4.围墙和围挡拆除:包括建筑物周边围墙和围挡的拆除。
5.地基土方清理:包括将建筑物拆除后的地基土方进行清理,以便进行后续的施工。
二、拆除工程工程量计算的方法1.直接测量法:即通过实际测量工程现场的尺寸和工程量来确定工程量。
2.已知比例法:即通过已知的建筑物或设施工程的尺寸和工程量,按照比例确定拆除工程的工程量。
3.簿记法:即通过查看建筑物或设施的簿记资料,确定拆除工程的工程量。
4.现场勘察法:即通过实地勘察工程现场,对需要拆除的建筑物或设施进行详细核实和判定。
三、拆除工程工程量计算的注意事项1.不同类型和结构的建筑物和设施,拆除工程的工程量会有所不同。
因此,在进行工程量计算时,应根据实际情况对每个工程量项进行详细划分和计算。
2.拆除工程的工程量计算应严格按照相关的技术标准和工程量计算规范进行。
在计算过程中,应注意各项计算的准确性和合理性。
3.拆除工程量计算还需要考虑材料的回收和利用情况。
因为在拆除工程中,有些材料是可以回收和再利用的,这样可以减少施工废弃物的排放和对资源的浪费。
4.拆除工程的工程量计算还需要考虑施工过程中的安全和环保要求。
因为拆除工程往往会涉及到一些危险的操作,如高空拆除、爆破拆除等,所以在进行工程量计算时,应确保施工过程的安全和环保。
附录R拆除工程R.1砖砌体拆除砖砌体拆除工程量清单项目的设置、项目特征描述的内容、计量单位及工程量计算规则应按表R.1的规定执行。
表R.1砖砌体拆除(编码:011601)R.2混凝土及钢筋混凝土构件拆除混凝土及钢筋混凝土构件拆除工程量清单项目的设置、项目特征描述的内容、计量单位及工程量计算规则应按表R.2的规定执行。
表R.2混凝土及钢筋混凝土构件拆除(编码:011602)R.3木构件拆除木构件拆除工程量清单项目的设置、项目特征描述的内容、计量.单位及工程量计算规则应按表R.3的规定执行。
表R.3木构件拆除(编码:011603)R.4抹灰层拆除抹灰层拆除工程量清单项目的设置、项目特征描述的内容、计量单位及工程量计算规则应按表R.4的规定执行。
表R.4抹灰面拆除(编码:011604)R.5块料面层拆除块料面层拆除工程量清单项目的设置、项目特征描述的内容、计量单位及工程量计算规则应按表R.5的规定执行。
表R.5块料面层拆除(编码:011605)项目编码项目名称项目特征计量单位工程量计算规则工作内容龙骨及饰面拆除工程量清单项目的设置、项目特征描述的内容、计量单位及工程量计算规则应按表R.6的规定执行。
表R.龙骨及饰面拆除(编码:011606)R.7屋面拆除屋面拆除工程量清单项目的设置、项目特征描述的内容、计量单位及工程量计算规则应按表R.7的规定执行。
表R.7屋面拆除(编码:011607)R.8铲除油漆涂料裱糊面铲除油漆涂料裱糊面工程量清单项目的设置、项目特征描述的内容、计量单位及工程量计算规则应按表R.8的规定执行。
表R.8铲除油漆涂料裱糊面(编码:011608)R.9栏杆栏板、轻质隔断隔墙拆除栏杆栏板、轻质隔断隔墙拆除工程量清单项目的设置、项目特征描述的内容、计量单位及工程量计算规则应按表R.9的规定执行。
表R.9栏杆栏板、轻质隔断隔墙拆除(编码:011609)R.10门窗拆除门窗拆除工程量清单项目的设置、项目特征描述的内容、计量单位及工程量计算规则应按表R.10的规定执行。
拆除工程的工程量计算规则
」、屋面拆除
(一)瓦屋面、柔性屋面防水、刚性屋面防水、屋面保温层按实拆面积以
“m2计算。
(二)白铁天沟、檐沟泛水按实际拆除长度以“ m计算。
(三)各种水落管拆除按其垂直长度以“ m计算。
:■、屋架拆除
(一)拆除普通人字屋架、中式屋架按不同
跨度以榀”计算。
(二)檩木、椽子、木梁拆除不分长短以根”计算。
三、墙体拆除
(一)各种墙体的拆除按实拆墙体的体积以“ m3
计算。
抹灰及镶贴块料面层与墙体同
时拆除时,其体积并入墙体体积内。
(二)木龙骨架墙、轻钢龙骨架墙按实拆面积
以“ m2计算。
四、混凝土及钢筋混凝土拆除
(一)混凝土及钢筋混凝土的拆除按实拆体积
以“ m3计算。
(二)钢筋混凝土楼梯、楼板、阳台雨篷拆除实拆按水平投影面积以“ m2计算。
(三)钢筋混凝土栏板拆除以延长米计算。
五、门窗拆除
(一)门窗拆除按门窗洞口面积以“ m2十算。
(二)木天窗的拆除按座”计算。
六、天棚拆除
天棚拆除按水平投影面积以“ m2计算,不扣除室内柱子所占的面积。
七、墙面拆除
墙面拆除按拆除面积以“ m2十算。
八、地面及基础拆除
(一)地面拆除按水平投影面积以“ m2十算。
(二)切割机地面切缝按切缝长度以“ m计算。
(三)基础拆除按实拆基础的体积以“ m3计算。
九、其他拆除
石砌明(暗)沟拆除按实拆体积以“ m3十算。
青年人首先要树雄心,立大志,其次就要决心作一个有用的人才
一、拆除工程
拆除工程包括房屋拆除工程和构筑物拆除工程。
(一)房屋拆除工程建筑垃圾量计算
房屋拆除工程建筑垃圾量=建筑面积×单位面积垃圾量
1.建筑面积
(1)尚未拆除房屋的建筑面积按照房产证或拆迁许可证等的证载面积计算,没有证件的房屋按照实测面积计算;
(2)已拆除的房屋建筑面积按照测绘管理部门提供或确认的1/500地形图计算;
2.单位面积垃圾量
(1)民用房屋建筑按照每平方米1.3吨计算;有旧物利用的,在考虑综合因素后按结构类型确定为:砖木结构每平方米0.8吨,砖混结构每平方米0.9吨,钢筋混凝土结构每平方米1吨,钢结构每平方米0.2吨。
(2)工业厂房和跨度9米以上的仓储类房屋按结构类型确定为:钢结构每平方米0.2吨,其他按同类结构民用房屋建筑单位面积垃圾量的40-60%。
(二)构筑物拆除工程建筑垃圾量计算
构筑物拆除工程建筑垃圾量按照实际体积计算,每立方米折合垃圾量1.9吨。
青山埋白骨,绿水吊忠魂。
b1。
拆除工程量计算范文拆除工程量计算是指对建筑物或其他结构进行拆除工作时,根据工程设计要求和实际情况,计算拆除所需的材料、人工和设备资源等工程量的过程。
拆除工程量计算对于拆除工程的顺利进行非常重要,能够帮助工程师合理安排拆除工作,并确保工程质量和进度。
一、拆除范围确定在进行拆除工程量计算之前,首先需要确定拆除范围。
在确定拆除范围时,需要详细了解建筑物或其他结构的设计图纸,并参考实际情况进行补充说明。
拆除范围的确定包括以下几个方面:1.结构类型:确定建筑物或其他结构的结构类型,如框架结构、板柱结构等。
2.拆除面积:根据建筑物或其他结构的设计图纸,确定需要拆除的面积。
3.拆除高度:确定需要拆除的高度。
4.拆除深度:确定需要拆除的深度。
5.拆除部位:确定需要拆除的具体部位,如墙体、地板、屋顶等。
6.拆除工艺:确定拆除的具体工艺,如爆破、机械拆除等。
二、材料工程量计算1.墙体材料:根据拆除范围确定的墙体面积、拆除的高度和墙体类型,可以计算出拆除所需的墙体材料的工程量。
常见的墙体材料包括砖、混凝土等,需要根据实际情况计算所需材料的数量。
2.地板材料:根据拆除范围确定的地板面积,可以计算出拆除所需的地板材料的工程量。
常见的地板材料包括水泥、木板等,需要根据实际情况计算所需材料的数量。
3.屋顶材料:根据拆除范围确定的屋顶面积,可以计算出拆除所需的屋顶材料的工程量。
常见的屋顶材料包括瓦片、沥青等,需要根据实际情况计算所需材料的数量。
4.其他材料:除了墙体、地板和屋顶的材料,还需要考虑其他需要拆除的部位所需的材料。
这些材料可以根据实际情况进行计算,如门窗、管道等。
三、人工工程量计算1.工人数量:根据拆除工程的范围和进度要求,可以计算出需要拆除工人的数量。
一般情况下,拆除工程需要经验丰富的工人来操作,因此在计算人工工程量时需要考虑工人的技术水平。
2.工人工时:根据拆除工程的范围和进度要求,可以计算出需要拆除工人的工时。
拆除工程量计算
一、拆掉工程
拆掉工程包含房子拆掉工程和修建物拆掉工程。
(一)房子拆掉工程建筑垃圾量计算
房子拆掉工程建筑垃圾量=建筑面积×单位面积垃圾量
建筑面积
1)还没有拆掉房子的建筑面积依据房产证或拆迁允许证等的证载面积计算,没有证件的房子依据实测面积计算;
2)已拆掉的房子建筑面积依据测绘管理部门供给或确认的1/500地形图计算;
单位面积垃圾量
1)民用房子建筑依据每平方米吨计算;有旧物利用的,在考虑综合要素后按构造种类确立为:砖木构造每平方米
吨,砖混构造每平方米吨,钢筋混凝土构造每平方米1吨,
钢构造每平方米吨。
2)工业厂房和跨度9米以上的仓储类房子按构造种类确立为:钢构造每平方米吨,其余按同类构造民用房子建筑单位面积垃圾量的40-60%。
(二)修建物拆掉工程建筑垃圾量计算
修建物拆掉工程建筑垃圾量依据实质体积计算,每立方米折
合垃圾量吨。
1 / 11。
拆除工程计算规则拆除工程计算规则工程量计算规则一、砌体拆除1.各种砌体拆除,包括内、外装饰面层厚度,按实拆体积以立方米计算,不扣除0.3m2以内孔洞和构件所占的体积。
2.空花格砖墙拆除按其外形体积以立方米计算;如有实砌体时,按墙体实砌体积与空花格砖墙分别计算。
3.锅台、炉灶、土坑拆除按其外形体积以立方米计算。
4.旧砖墙剔除灰缝按垂直投影面积以平方米计算,不扣除门窗洞口及空圈所占面积,但其侧边也不增加。
二、混凝土及钢筋混凝土拆除1.现浇混凝土及钢筋混凝土基础、柱、梁、墙、板,均按实拆体积以立方米计算。
2.钢筋混凝土整体楼梯、阳台底板、雨篷拆除,均按水平投影面积以平方米计算。
3.栏板拆除含扶手,按延长米计算。
4.挑檐、天沟拆除按实拆体积以立方米计算。
5.池槽拆除按外形体积以立方米计算。
6.预制钢筋混凝土单梁、屋面梁按实拆体积以立方米计算。
7.预制钢筋混凝土大型屋面板、平板、空心板、槽形板、加气混凝土板拆除,按实拆面积以平方米计算。
8.预制窗台板、蹲台板按实拆面积以平方米计算;隔断板拆除按单面面积以平方米计算。
9.预制过梁、沟盖板及零星构件按实拆体积以立方米计算。
对于预制构件中外形体积大于混凝土净体积五倍者,可按外形体积以立方米计算。
10.预制钢筋混凝土门窗框拆除按其外围实拆长度以延长米计算。
三、木结构拆除1.各种屋架(包括人字屋架、中式屋架、半屋架等)拆除按不同跨度以榀计算。
2.木基层拆除时,工程量按以下规定计算:(1)檩木、椽子按根计算;(2)封檐板、博风板按延长米计算;(3)屋面板、挂瓦条、油毡拆除均按实拆平方米计算。
3.天棚拆除不论整体拆除或分项拆除,均按水平投影面积以平方米计算,不扣除室内柱子所占面积。
4.保温天棚拆除,包括龙骨、面层、填充料的拆除,其工程量按水平投影面积以平方米计算,不扣除室内柱子所占面积。
5.纸顶棚包括顶棚架拆除,按水平投影面积以平方米计算,不扣除室内柱子所占面积。
6.木门窗整樘拆除按樘计算,门窗框单独拆除按个计算,门扇、窗扇拆除按扇计算。
一、拆除工程
拆除工程包括房屋拆除工程和构筑物拆除工程。
(一)房屋拆除工程建筑垃圾量计算
房屋拆除工程建筑垃圾量=建筑面积×单位面积垃圾量
1。
建筑面积
(1)尚未拆除房屋的建筑面积按照房产证或拆迁许可证等的证载面积计算,没有证件的房屋按照实测面积计算;(2)已拆除的房屋建筑面积按照测绘管理部门提供或确认的1/500地形图计算;
2。
单位面积垃圾量
(1)民用房屋建筑按照每平方米1。
3吨计算;有旧物利用的,在考虑综合因素后按结构类型确定为:砖木结构每平方米0.8吨,砖混结构每平方米0.9吨,钢筋混凝土结构每平方米1吨,钢结构每平方米0。
2吨.
(2)工业厂房和跨度9米以上的仓储类房屋按结构类型确定为:钢结构每平方米0.2吨,其他按同类结构民用房屋建筑单位面积垃圾量的40-60%。
(二)构筑物拆除工程建筑垃圾量计算
构筑物拆除工程建筑垃圾量按照实际体积计算,每立方米折合垃圾量1.9吨。
拆除工程工程量计算 Document serial number【KKGB-LBS98YT-BS8CB-BSUT-BST108】
附录R拆除工程
R. 1砖砌体拆除
砖砌体拆除工程量清单项目的设置、项目特征描述的内容、计量单位及工程量计算规则应按表R. 1的规定执行。
混凝土及钢筋混凝土构件拆除工程量清单项目的设置、项目特征描述的内容、计量单位及工程量计算规则应按表R. 2的规定执行。
木构件拆除工程量清单项目的设置、项目特征描述的内容、计量.单位及工程量计算规则应按表R. 3的规定执行。
表R. 3木构件拆除(编码:011603)
抹灰层拆除工程量清单项目的设置、项目特征描述的内容、计量单位及工程量计算规则应按表R.4 的规定执行。
块料面层拆除工程量清单项目的设置、项目特征描述的内容、计量单位及工程量计算规则应按表R. 5的规定执行。
龙骨及饰面拆除工程量清单项目的设置、项目特征描述的内容、计量单位及工程量计算规则应按表R.6的规定执行。
屋面拆除工程量清单项目的设置、项目特征描述的内容、计量单位及工程量计算规则应按表R. 7的规定执行。
铲除油漆涂料裱糊面工程量清单项目的设置、项目特征描述的内容、计量单位及工程量计算规则应按表R.8的规定执行。
栏杆栏板、轻质隔断隔墙拆除工程量清单项目的设置、项目特征描述的内容、计量单位及工程量计算规则应按表R. 9的规定执行。
门窗拆除工程量清单项目的设置、项目特征描述的内容、计量单位及工程量计算规则应按表R. 10的规定执行。
金属构件拆除工程量清单项目的设置、项目特征描述的内容、计量单位及工程量计算规则应按表R. 11的规定执行。
管道及卫生洁具拆除工程量清单项目的设置、项目特征描述的内容、计量单位及
工程量计算规则应按表R. 12的规定执行.
R.13
灯
具、
玻璃
拆除
灯
具、
玻璃
拆除
工程量清单项目的设置、项目特征描述的内容、计量单位及工程量计算规则应按表R.13
的规定执行。
R.1
4 其
他构
件拆
除
其
他构
件拆
除工
程量
清单项目设置、项目特征描述的内容、计量单位、工程量计算规则应按表R.14执行。
R.14 其他构件拆除(编码:011614)
表R.15 开孔(打洞)
开孔(打洞)工程量清单项目设置、项目特征描述的内容、计量单位、工程量计算规则应按表R.15执行。
表R.15 开孔(打洞)(编码:011615)。